RC弯桥截面设计
- 格式:pdf
- 大小:203.30 KB
- 文档页数:6
土木工程学报CHINACIVILENGINEERINGJOURNAL第39卷第12期2006年12月Vol.39No.12Dec.2006圆截面RC桥墩曲率极限状态和延性的概率分析王建民朱晞(北京交通大学,北京100044)摘要:从变形能力的不确定方面研究了圆截面钢筋混凝土桥墩曲率极限状态和曲率延性系数。
把截面的材料参数和几何尺寸看作随机变量,采用拉丁超立方体抽样模拟法分析了在不同的轴压比、纵筋配筋率和配箍率下桥墩截面无量纲屈服、服务和破坏控制曲率极限状态的概率特性。
结果表明,截面的无量纲曲率极限状态近似服从正态分布,轴压比是影响无量纲屈服和服务水平曲率极限状态均值的主要因素;轴压比和配箍率是影响无量纲破坏控制水平曲率极限状态均值的主要因素;无量纲曲率极限状态的变异系数随着截面变形的增加而增加。
另外,还分析了桥墩截面在服务和破坏控制极限状态下曲率延性系数的概率分布特征值,通过回归分析提出了用桥墩截面设计参数计算曲率延性系数特征值的近似计算公式。
关键词:桥墩;曲率;延性;极限状态;概率分析;拉丁超立方体抽样模拟中图分类号:U442.5+5文献标识码:A文章编号:1000-131X(2006)12-0088-07ProbabilityanalysisofthecurvaturelimitstateandductilityofcircularRCbridgepiersWangJianminZhuXi(BeijingJiaotongUniversity,Beijing100044,China)Abstract:Thecurvaturelimitstateandcurvatureductilityfactorofcircularreinforcedconcretebridgepiersareinvestigatedintermsoftheuncertaintyindeformationcapacity.Materialandgeometricparametersaremodeledasrandomvariables,andusingtheLHSsimulation,theprobabilisticparametersofthelimitstatesofdimensionlessyielding,serviceabilityanddamagecontrolcurvaturearecalculatedfordifferentaxialloadratios,longitudinalreinforcementratiosandtransversereinforcementratios.Theresultsindicatethatthedimensionlesscurvaturelimitstategenerallyfollowsanormaldistribution,thattheaxialloadratioisthemainfactoraffectingthemeanvalueofthedimensionlessyieldingandserviceabilitycurvaturelimitstates,andthattheaxialloadratioandtransversereinforcementratioarethecrucialfactorsassociatedwiththedimensionlessdamagecontrolcurvaturelimitstate.Furthermore,thecharacteristicvaluesofthecurvatureductilityfactorsfortheserviceabilityandthedamagecontrollimitstatesareobtained,andtwoequationsforestimatingthecharacteristicvaluesofthecurvatureductilityfactorsaredevelopedthroughregressionanalysis.Keywords:bridgecolumn;curvature;ductility;limitstate;probabilisticanalysis;LatinhypercubesamplingsimulationE-mail:wangwujianmin@163.com引言基于性能的地震工程要求对结构在地震作用下的性能水平进行量化,结构中的构件性能水平是确定结构系统性能水平的依据,研究构件的性能水平界限是基于性能的结构抗震设计和评估的基础。
RC截面验算功能说明1.程序给出的验算结果程序根据构件类型不同,分别执行RC梁设计和RC柱设计,并给出如下15项验算结果。
详细验算内容见表1.1。
1)梁-施工阶段正截面法向应力验算2)梁-受拉钢筋的拉应力验算3)梁-使用阶段裂缝宽度验算4)梁-施工阶段中性轴处主拉应力验算5)梁-纵向钢筋用量估算6)梁-普通箍筋用量估算7)梁-使用阶段正截面抗弯验算8)梁-使用阶段斜截面抗剪验算9)梁-使用阶段抗扭验算10)柱-使用阶段裂缝宽度验算11)柱-纵向钢筋用量估算12)柱-使用阶段正截面轴心抗压承载力验算13)柱-使用阶段正截面偏心抗压承载力验算14)柱-使用阶段正截面轴心抗拉承载力验算15)柱-使用阶段正截面偏心抗拉承载力验算其中验算结果项5)、6)、11)不是规范要求验算的内容。
2.RC设计使用方法简介1)建立施工阶段分析模型——梁截面必须选择“设计截面”,柱截面必须选择“数据库/用户”,梁截面必须定义截面钢筋;2) 定义验算用荷载组合——可以采用程序自动生成,也可以用户自定义;“设计〉一般设计参数〉计算长度系数”中定义;4)指定验算用截面位置和计算书中输出截面位置;5)RC设计——分别执行“RC梁设计”和“RC柱设计”;6)RC设计结果表格查看——分别查看“设计〉RC梁的设计结果”和“设计〉RC柱的设计结果”;7)RC设计计算书查看——选择“设计〉RC设计〉输出RC设计计算书”。
3.RC验算结果与规范条文对应关系1)梁-施工阶段正截面法向应力验算:(规范7.2.4)-施工阶段法向压应力验算,按照规范公式(7.2.4-1)计算;-设计结果表格中应力压为正,拉为负;-阶段表示的是该最大值所属施工阶段名称;-在计算抗压容许应力时取用的施工阶段混凝土的抗压强度标准值按f’ck=0.7fck计。
按照规范要求施工阶段混凝土的抗压强度标准值应该取施工时实测的立方体抗压强度换算抗压强度标准值,如实测f’ck≠0.7fck用户可以把表格里面的验算结果拷贝到excel表格中,手动调整容许应力值。
BP神经网络在地震作用下RC桥墩有效截面抗弯刚度的应用摘要:桥梁抗震优化设计是桥梁抗震设计理论与现代的优化算法相结合的一个复杂的优化设计过程,在设计过程中需要执行很多次迭代计算,因此,在桥梁抗震优化设计的所有环节都需要在保证精度的前提下使计算过程简化。
其中在钢筋混凝土(RC)桥墩有效截面抗弯刚度的简化计算研究甚少,本文首次提出将BP神经网络应用于有效截面抗弯刚度计算,并与纤维单元程序XTRACT和传统的回归模型进行比较,得出训练有素的BP神经网络模型比回归模型精度更高,比纤维单元程序XTRACT时间更少。
关键词:钢筋混凝土桥墩;有效截面抗弯刚度;简化计算公式;BP神经网络Application for flexural stiffness of equivalent section of RC piers subjected to earthquakes based on GA-BP networkZHANG Shi-bo1,LI Wen-xue1,LUO Shi-yi1,JIANG Jia-chen1,ZHAO An-lei1,ZHANG Xin1,ZHAO Xuejian2(1. School of Management Science and Engineering,Shandong Technology and Business University,Yantai 264005,China2. Office of Foreign Assets Control,Shandong Technology and Business University,Yantai 264005,China)Abstract:The bridge aseismic optimization design is a complex optimization design process which combines the bridge aseismic design theory and modern optimization algorithm. In the design process,it needs to carry out many iterative calculations. Therefore,all links of the bridge aseismic optimization design need to simplify the calculation process on the premise of ensuringthe accuracy. Among them,there is little research on the simplified calculation of effective section flexural rigidity of reinforced concrete(RC)piers. In this paper,BP neural network is proposedto be applied to the calculation of effective section flexural rigidity for the first time,and compared with xtract and traditional regression model,it is concluded that the trained BP neural network model has higher precision and less time than xtract.Keywords:reinforced concrete piers;flexural stiffness of the equivalent section;back-propagation neural network桥梁是生命线工程系统中的关键部分,在地震发生后的紧急救援和抗震救灾、灾后重建中扮演着极为重要的角色。
普通钢筋混凝土桥梁结构施工阶段模拟及RC设计例题-图文例题:桥梁的主桥长60.0m,宽度12.0m,采用整体铸造箱梁结构,混凝土C30,设计活荷载为300kN/m2,自重20kN/m2,使用正常状态下的施工荷载。
根据桥梁的几何尺寸和荷载要求,进行模拟和RC设计。
施工阶段模拟:1.桥梁几何模型:根据桥梁的几何尺寸,可以使用专业的桥梁设计软件进行三维建模,包括桥墩、桥面梁等结构。
确保模型的准确性。
2.施工阶段各构件的支撑计算:根据施工阶段设计荷载的要求,对桥墩、桥面梁等各个构件进行支撑计算。
计算各个构件在施工过程中的变形,并保证施工期间结构的稳定性。
3.施工序列模拟:根据桥梁的施工步骤,进行施工序列模拟。
包括各个构件的铺设顺序,支撑和拆除的时间点等。
通过模拟,可以掌握施工过程的关键节点和注意事项,为实际施工提供指导。
RC设计:1.荷载计算:根据设计活荷载和自重荷载,计算出荷载作用下各构件的内力。
包括桥墩、桥面梁等所有结构构件。
2.抗弯承载力计算:根据内力和桥梁截面的几何特性,计算各构件的抗弯承载力。
保证构件在荷载作用下不会发生破坏。
3.抗剪承载力计算:对桥梁的横向力和纵向力进行计算,以及结构构件的剪力传递机制进行分析。
计算各构件的抗剪承载力。
4.抗压承载力计算:根据设计活荷载和自重荷载,计算桥梁各构件的抗压承载力。
确保施工过程中不会发生构件的压碎失效。
5.钢筋设计:根据构件的受力情况,进行钢筋的布置和计算。
保证钢筋的受力合理,满足设计要求。
6.桥梁整体稳定性设计:对整个桥梁结构进行稳定性计算,确保在荷载作用下不会产生整体破坏。
通过上述模拟和设计过程,可以得到普通钢筋混凝土桥梁在施工阶段的结构模拟和设计结果。
这些结果可以作为实际施工的指导,确保桥梁在施工过程中的稳定性和安全性。
同时也为结构施工的研究和发展提供了实例和经验。
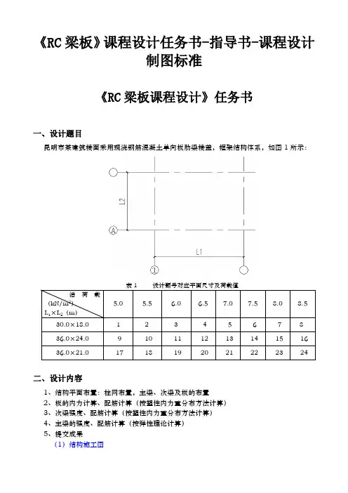
《RC梁板》课程设计任务书-指导书-课程设计制图标准《RC梁板课程设计》任务书一、设计题目昆明市某建筑楼面采用现浇钢筋混凝土单向板肋梁楼盖,框架结构体系,如图1所示:活荷载5.0 5.56.0 6.57.0 7.58.0 8.5(kN/m2)L1×L2(m)30.0×18.0 1 2 3 4 5 6 7 836.0×24.0 9 10 11 12 13 14 15 1636.0×21.0 17 18 19 20 21 22 23 24二、设计内容1、结构平面布置:柱网布置,主梁、次梁及板的布置2、板的内力计算、配筋计算(按塑性内力重分布方法计算)3、次梁强度、配筋计算(按塑性内力重分布方法计算)4、主梁的强度、配筋计算(按弹性理论计算)5、提交成果(1)结构施工图①结构平面布置图(主、次梁及板的模板图)②板配筋图、梁配筋图③主梁弯矩包络图及材料抵抗弯矩图(2)计算书三、设计资料1、题号:第号题2、建筑平面尺寸:见图1,表1题号表对应的尺寸。
注:1)柱用钢筋混凝土柱,断面尺寸为400mm×400mm,位置由设计者根据柱网布置确定。
2)主梁宽250mm,高度根据柱网划分确定。
3、荷载及楼面构造做法1)使用荷载(即活荷载):按表1设计题号对应荷载值选择2)楼面面层:20mm 厚水泥砂浆,重度3) 钢筋混凝土现浇板,重度4)梁侧面,板底粉刷层:15mm 厚混合砂浆,重度4、材料选用:1)混凝土:采用C302)钢筋:采用HRB400级钢筋四、设计要求1、计算书要求:书写工整、数字准确、画出必要的计算简图。
2、制图要求:所有图线、图例尺寸和标注方法均应符合国家现行的建筑制图标准,图样上所有汉字和数字均应书写端正、排列整齐、笔画清晰,中文书写为长仿宋字。
五、主要参考书目《混凝土结构设计》,高等教育出版社,沈蒲生国家规范:《建筑制图标准》、《建筑结构制图标准》、《建筑模数协调统一标准》、《混凝土结构设计规范》《装配式混凝土建筑技术标准》《装配式混凝土结构技术规程》《RC 梁板课程设计》指导书一、结构平面布置结构平面布置的主要任务是合理确定柱网和梁格。
Civil Designer连续梁-弯桥-跟随例题2014年4月23日北京迈达斯技术有限公司目录一、CDN模型及分析结果导入 (1)二、定义构件 (1)三、项目设计 (2)四、查看结果 (3)五、结果调整—调束 (4)六、结果调整—调筋 (6)七、柱的设计 (8)八、更新模型数据至Civil (9)一、CDN模型及分析结果导入1.运行midas Civil,打开模型“连续梁-弯桥-演示”,点击运行分析(点或者按F5键);2.点击主菜单PSC(设计)>CDN>创建新项目(或点击创建新项目并执行设计);3.在CDN中,点击模型>保存,将模型保存以“连续梁-弯桥-演示”保存;Tips:也可以通过Civil>导出模型和分析结果文件导出模型文件*.mct以及分析结果文件*.mrb后,打开midas CDN软件,模型>导入>导入Civil模型和结果文件(*.mct,*.mrb)。
二、定义构件1.点击主菜单模型>自动,选择目标点击全部选择,勾选名称,可以自定义构件的名称,验算位置选择各段,点击确认;(也可以手动定义构件,点击模型>手动,手动选择单元进行构件定义,并定义该构件的名称以及类型,点击确认;或者根据构件的类型进行构件定义,点击模型>类型,选择目标以及类型(梁、柱、基础、任意),点击确认;)Tips:定义构件可以选择三种方式:自动、手动、类型,定义好构件之后可以通过手动方式对已定义好的构件进行重新定义,在左侧工作树中显示定义完成的构件,可勾选是否显示或修改构件名称、类型等等,同时模型以定义完成的构件模式显示。
三、项目设计1.点击主菜单RC/PSC设计>设置,设置“设计参数”“验算选项”,验算选项部分勾选全选,该菜单整合了RC和PSC设计参数,以及按规范要求的验算选项;2.点击RC/PSC设计>生成,将Civil中的荷载组合完全导入至CDN中,同时,按承载能力、正常使用、弹性阶段优化荷载组合分类;(如未导入荷载组合,亦可点击自动生成,选择设计规范,自动生成荷载组合)3.点击RC/PSC设计>运行,选择目标完成设计;Tips:在初次设计时,也可以进行“一键设计”,无需定义构件,默认按每个单元即是一个构件进行快速设计,直接点击“RC/PSC>运行”即可;如果需要修改构件的设计参数,点击RC/PSC设计>参数。
RC连续弯箱梁桥温度荷载下的位移计算及预防措施(精)背景介绍RC连续弯箱梁桥是一种重要的跨越自然地形的桥梁形式,广泛应用于公路、铁路等基础设施建设。
在桥梁的使用过程中,受到各种外因和内因的影响,如地震、气候变化、人为破坏等,会导致桥梁的位移和变形。
其中,温度荷载是一种主要影响因素,在使用过程中必须掌握其位移计算和预防措施。
位移计算荷载分析在温度荷载作用下,桥梁产生的位移主要由桥梁自身和荷载引起的弯曲变形和缩短变形两部分组成。
根据弹性力学理论,当桥梁弯矩和拉力增大时,产生的弯曲变形和缩短变形也随之增大。
因此,需要对荷载进行分析,获得桥梁弯矩、剪力和轴力的变化规律。
位移计算基于荷载分析的结果,可以利用梁式结构力学理论进行位移计算。
在梁式结构力学理论中,常用的求解方法包括“叠加法”和“影响线法”。
叠加法是将荷载分解为若干个单点或分布荷载后,分别计算其在结构中产生的影响,然后将各个部分的影响叠加在一起,得到结构的最终响应。
叠加法在实际工程计算中比较常用,但难以处理复杂结构。
影响线法是利用迭代算法,确定每个荷载位置在结构中产生的影响线和响应函数,然后将荷载系列叠加得到结构的响应。
影响线法在经过合理处理后可以精确计算任意结构的位移和变形。
预防措施为了避免RC连续弯箱梁桥在使用过程中出现过大的位移和变形,需要采取一些预防措施。
设计阶段在RC连续弯箱梁桥的设计阶段,应该将位移和变形控制在合理的范围内。
具体措施包括:控制整体刚度、采用适当的沉降控制措施、考虑荷载时效性、选择合适的结构体系和材料等。
施工阶段在RC连续弯箱梁桥的施工阶段,需要采取一些措施来保证结构的品质和稳定性。
具体措施包括:保证拆模、浇筑和养护的质量、设立监测系统以及进行质量检查和试验等。
维护期在RC连续弯箱梁桥的维护期,需要加强监测和维护工作,及时发现并处理梁桥出现的问题,保证结构的稳定性和安全性。
具体措施包括:开展定期检查和维护工作、加强桥梁监测和管理、及时补充建设资料等。
碳纤维布加固RC梁正截面强度计算理论李英勇1王松根1王苏岩 2(1山东省交通厅公路局,山东济南 250002;2大连理工大学土木水利学院,辽宁大连 116024)摘要:为建立与现行《公路钢筋混凝土及预应力混凝土桥涵设计规范》(JTG D62-2004)相衔接的碳纤维布加固钢筋混凝土桥梁正截面强度计算理论,结合CFRP加固钢筋混凝土抗弯构件的研究成果,对加固后截面承载能力极限状态、界限破坏状态、界限加固量以及混凝土受压区界限高度系数进行了合理的界定,最后,针对原《公桥钢筋混凝土及预应力混凝土桥涵设计规范》(JTJ 023-85)、现行《公桥钢筋混凝土及预应力混凝土桥涵设计规范》(JTG D62-2004)与《混凝土结构设计规范》(GB50010-2002)的不同要求,提出了粘贴碳纤维布加固钢筋混凝土桥梁正截面强度计算公式。
通过与室内试验数据比较,碳纤维布贡献计算值与试验值吻合良好,所提公式可用于实际桥梁粘贴碳纤维布的加固计算。
关键词:碳纤维复合材料(CFRP);桥梁;加固;受弯承载力Design Philosophy of Reinforced Concrete Beams with externallyBonded CFRP SheetsLi ying-yong1 Wang Song-gen1Wang Su-yan2(1 Highway Bureau of Shandong Province,Shandong Jinan 250002 China;2 School of Civil and hydraulic Engineering, Dalian University of Technology,liaoning Dalian 116024 China)Abstract:The method to define the ultimate limit state of carrying capacity, critical failure, critical strengthened quantity and critical height coefficient of concrete compressive region is suggested. Design algorithms in Code for Design of Highway Reinforced Concrete and prestressed Bridges and Culverts(JTJ 023-85) and (JTG D62-2004)format as well as Code for Design of Concrete Structures(GB50010-2002)format are proposed to predict the capacity of available beams strengthened in flexure with CFRP sheets. The effectiveness of the design approach is then validated by comparing the experimental results with the calculated flexural capacity. Results showed that the proposed design approach is conservative and acceptable.Key words:Carbon fiber reinforced polymer(CFRP);Bridge;strengthening;Flexural capacity0 前言粘贴碳纤维布加固混凝土结构技术是一项新型、简捷、有效的混凝土桥梁加固技术。
公路RC设计-设计流程及注意事项设计流程:程序根据《公路钢筋混凝土及预应力混凝土桥涵设计规范》(JTGD62—2004)内容,按照不同的构件类型,分别执行RC梁设计和RC柱设计。
具体设计流程如下:(1)建立分析模型;(2)运行分析;(3)定义公路RC设计用荷载组合;(4)定义RC设计参数及材料特性;(5)指定RC设计截面位置和计算书中输出详细计算过程的截面位置;(6)运行RC设计——分别执行“梁的设计”和“柱的设计”;(7)查看RC设计结果表格——分别查看“RC梁的设计结果”和“RC 柱的设计结果”;(8)查看RC设计计算书——选择“设计>RC设计>输出RC设计计算书”。
注意事项:1. 进行公路RC设计的混凝土材料及钢筋材料特性必须选择JTG04(RC)规范,否则程序提示“[错误] RC设计单元材料选择不正确”(结构分析时可不受此限制);2. 进行公路RC梁设计的截面必须是“设计截面”中的截面或变截面,柱设计的截面必须选择“数据库/用户”中的截面,否则程序提示“RC设计用数据不存在”;3. 在设计截面的剪切验算位置栏中不输入信息,程序将按默认的剪切验算位置自动计算剪切应力;4. 定义设计截面时输入的抗剪用腹板最小厚度将用来作为抗弯和抗剪验算的腹板厚度,因此一定要指定抗剪用腹板厚度,否则抗弯验算的结果不可信,且不能得到剪切应力的计算结果;5. 程序默认将水平方向建立的“设计截面”梁单元按梁设计,竖直方向建立的“数据库/用户”截面梁单元按柱设计,对于倾斜的梁单元,需要在“设计>一般设计参数>编辑构件类型”中指定构件类型,否则程序提示“不是适合的构件类型”的错误信息;6. RC梁构件的普通钢筋数据要在前处理的“截面钢筋”中输入,RC柱构件的普通钢筋数据要在“设计>RC设计>RC设计截面配筋”中输入,否则程序提示“RC设计用数据不存在”;7. RC柱必须在“设计>一般设计参数>自由长度、计算长度系数”中定义柱构件计算长度数据,否则程序提示“[错误] 设计单元缺少计算长度数据,生成RC设计用数据失败”;8. RC设计必须进行施工阶段分析,否则无法得到短暂状态下验算结果;9. 公路RC设计用荷载组合必须在“结果>荷载组合>混凝土设计”中定义(程序自动生成或用户自定义),激活方式必须是“承载能力”或“使用性能”,否则程序提示“RC设计用荷载组合数据不存在”;10. 采用程序自动生成荷载组合时,在施工阶段中作用的荷载其荷载类型必须定义为“施工阶段荷载”,否则程序会对这些荷载重复组合。
基于C语言的RC梁截面M-φ曲线研究作者:舒启军赵佩君李顺玉来源:《中国新技术新产品》2011年第10期摘要:根据混凝土梁截面弯曲变形平截面假定和钢筋与混凝土各自的材料本构关系推导了梁单元在弯矩轴力下截面内力的计算公式,并通过他们提出了数值计算的方法和步骤,利用C 语言实现了编程计算,通过程序进行RC梁单元从开始加载到破坏的全过程非线性分析,得出了截面M-φ曲线,得出了合理的计算结果,特别是曲线下降段的结果,最后研究了不同本构关系对RC梁截面M-φ曲线下降段的影响。
关键词:平截面假定;应力;应变;M-φ曲线;C语言中图分类号:TP312 文献标识码:A1引言在钢筋混凝土结构分析中,特别是在其非线性分析中,M-φ关系曲线的重要性不言而喻,可以在很多的资料中找到关于M-φ关系曲线的图形和式子,但众多资料中的M-φ关系曲线都没有下降段或者下降段延伸很少,包括吕西林先生所著的《钢筋混凝土结构非线性分析》中的关于M-φ关系曲线[1]。
究其原因是程序设置循环的条件和变量的取舍问题,本文采用两种方式均较好的得出了M-φ关系曲线的下降段。
其中两种编程的程序方法大同小异但不同的只是循环因子的差异:一个采用的是混凝土边缘压应变作为控制变量,一个采用的是受压区高度作为控制变量。
2 基本假定2.1 RC梁截面变形满足平截面假定[2]2.2 混凝土的本构关系采用三种不同的本构关系。
Hognestad 模型[3],瑞典人Thorenfeld等人提出的模型[3],具体参照文献[3];我国设计规范所采用的模型[4],具体参照文献[4]。
2.3 钢筋的本构关系采用三折线形式[5],具体参照文献[5]。
2.4 忽略剪切变形的影响,设拉为负,压为正。
3 基本方法3.1 采用有限条带法,假定每一条带上的应力?滓c,i均匀分布,在条带划分时,为了能使计算模型中截面上的应力分布接近实际情况,一般采用多条带划分。
根据平截面假定得3.2 弯矩-曲率计算弯矩-曲率求解,主要是求得弯矩和曲率的对应关系,首先从弯矩或曲率两者之间选定一个作为已知,来确定另一个。
IIl结构分析和试验研究翼板剪滞系数及有效宽度的比较表、\比较内容均值应力最大剪滞有效分布总翼板宽有效宽度(h伊a)系数宽度(nun)度(mm)比方法类型、\上翼板一1.75106∞20400O93变分法下翼板5.34l091378150092上翼板一1681203209400080有限元法下翼板50010814l0150094上翼板一l75I133333400083试验值下翼板534l03l加l150093从翼板的最大剪滞系数及有效分布宽度值来看,三者的剪滞系数值比较接近,其中空间有限元法值既精确,又偏于保守,可据此方法来计算翼板在不同情况的有效分布宽度,同时由试验实测结果也说明所建立的箱梁空间计算模型是可行的。
四、结束语室内模型试验表明简支波形钢腹板组合箱梁在竖向荷载作用下,其上、下翼板均出现了典型的正剪力滞效应,即波形钢腹板与翼板交界处的混凝土翼板纵向正应力大于其他位置的正斑力。
上翼板剪滞效应稍大于下翼板,但两者剪力滞系数比较接近。
空间有限元分析既可由模型试验结果得到验证,同时又可依据所建立的有限元模型对模型试验梁作更大范围即更多项目的研究。
参考文献l罗旗帜,俞建立.钢筋混凝土连续箱粱桥翼板横向裂缝问题.桥梁建设,1997(1):4l~442蔡千典,冉一元,波形钢腹板预应力结合箱粱结构特点的探讨,桥梁建设。
1994.13方诗圣,胡成,吴文清.微混凝土模型材料基本性能试验研究.合肥工业大学学报,1999,22(5):76一锣一4项贻强.箱型梁桥翼板的有效宽度及对规范的建议.中国公路学会桥梁工程学会1989年学术会议论文集。
1989.10RC弯桥截面设计的计算模型分析张敬珍陈偕民徐岳(长安大学公路学院)摘要:随着立交桥数量的不断增多,弯桥也开始被广泛使用。
但精确的设计理论还有待进一步完善和深入研究。
弯桥的受力较直桥复杂得多,截面设计相应难度大,而弯桥的截面设Rc弯桥截面设计的计算模型分析713计是弯桥安全性、耐久性的一个决定性工作。
本文就这个问题,做了这类桥的单元选取、模型建立及结果特征的分析和探讨工作,提出了弯桥截面配筋设计计算的一些建议。
关键词:弯桥计算模型截面设计板单元曲梁单元一、引言改革开放以来,我国经济蓬勃发展,公路与城市交通量迅速增长。
安全、经济、美观的土建结构设计工作具有十分重要的社会意义。
为了适应快速通行的社会需要,无论是公路立交桥还是城市立交桥都发展十分迅猛,并都趋向于多层化、大型化。
弯桥相对于直线桥而言,因受弯、扭耦合效应的影响,其受力更为复杂。
曲梁的扭矩比直梁要大许多,过大的扭矩给曲梁桥的上部结构和支座的设计带来困难,并且使得桥梁的建设投资增加。
曲线梁桥支座大于一个时,具有较强的抗扭约束能力,而中间的独柱式点铰式支座如果沿着梁的剪力中心线设置,就没有抗扭约束能力,这样的支座使得上部结构的扭矩最大值较大,且沿着梁桥纵向分布极不均衡,引起材料和投资的加大。
沿着曲线桥的径向向外调节独柱桥墩的位置,使其偏离梁的剪力中心线,可以改善曲线梁桥内力,节约材料。
如何为正确配筋而计算出有用而简捷的内力值,是设计工作的重要环节。
对曲率半径较小的弯连续梁桥进行分析计算的手段,目前主要有两种类型1)选取曲梁单元,用桥梁设计专用程序计算;2)选取板单元,用大型通用有限元程序计算。
用曲梁单元计算时,不管梁有多宽,都把它简化成一根细梁或曲杆来计算,从而得到各个截面的内力和位移。
它的挠度虽然不能反映出挠度沿着梁宽方向的分布情况,但它的挠度值接近用板单元计算的梁轴线处的挠度值。
它的应力值比板单元计算结果偏大。
用板单元进行分析计算,可以得到挠度沿着梁宽方向的分布值,用于施工控制很有必要;也可以得到应力沿着梁宽方向的分布值,但没有截面总的各项内力值,而且如果从这些结果中推导出内力值,那工作量将非常大。
到底使用哪一种单元和程序的计算结果进行弯梁桥的配筋计算,是本文重点分析和阐述的问题。
二、计算模型1.单元选择普通四边形板单元,它的形函数是¥、Y的4捩多项式,能保证边界上挠度连续,不能保证转角连续,故其解的收敛性与网格划分形式有关。
丽&lper—SAP通用程序中的四边形板单元,是用静力凝聚法将4个协调而完备的三角形板单元合并而成的,用于桥梁结果分析中,能确保解收敛于精确解。
superSAP前处理中可通过绘图自动生成单元,而后很容易地得到计算模型图;而且计算速度较快。
所以选择四边形板单元进行分析计算比较。
用Super--SAP这样的通用程序计算时,它的后处理能力较强,可以用图像方式显示出结果各部位处沿整体坐标方向的正应力、剪应力以及主应力值。
这对直桥设计来说已提供了应力的详细结果。
但对于弯桥来说,需要了解的是沿着曲线的切向和法向的应力值,即沿着板单元局部坐标方向的各应力值,而要整理出各节点的应力的工作很繁重。
因为Super--SAP程序中节点和单元是自动生成,所以要输出结果,首先要查看并记录这些单元和节点号,并且记录其i、j、k、1的编号,以便确定局部坐标的方向,从而确知结果文件中应力代表的实际方向,然后再在结果文件中寻找各714lII结构分析和试验研究个节点的各个方向的应力值,再对结果作处理。
总之工作量较大,而且没有各项内力值。
选择曲梁单元计算时,可以使用桥梁专用程序进行计算。
这样的软件前、后处理能力较强,计算模型可以通过辅助作图而快速地生成。
而且此种软件后处理比较完善,既有各项内力和应力、位移的图形显示及输出,也有它们的文本输出结果。
下面以某大型立交桥的匝道(6×20m连续弯箱粱)为例,分别给出这两种单元进行分析计算的计算模型。
2.计算图式1)SAP板单元的划分板单元横向沿着顶板被分隔为不等长的12段,其中两个翼缘部分各被分为50厘米的防撞护栏和剩余部分,梗腋部分被处理为宽度不变,高度为平均高度的4个宽度,顶板沿着纵向被分隔为52段;各个腹板部分都是只沿着纵向分隔为52段;底板部分为了使支点在节点上,横向被分隔为不等宽的8段,纵向被分隔为52段;横隔板与顶、底板共节点,被分隔为8块板。
共1316个单元,见图1。
’图1板单元计算模型2)曲梁单元的划分一沿着梁长各个截面尺寸变化处,设一个节点,各个控制截面:支点、L/8、L/4、3L/8、L/2、5L/8……,各设一个节点。
所有的支点是从支座所在截面的剪力中心沿圆曲线的径向用刚臂连接到支座处。
共划分了83个单元,见图2。
三、计算模型及结果分析用桥梁专用程序的曲粱单元计算曲线梁桥时,由于梁式桥在支座截面一般都设置较强的Rc弯桥截面设计的计算模型分析715圈2曲粱单元计算模型’横隔梁,所以用刚臂模拟支座偏心和抗扭双支座。
即点铰式支座中心与梁剪力中心之间是一种刚臂关系,刚臂长度为支座偏心距e。
公路桥规规定钢筋混凝土结构截面配筋计算用承载能力极限状态,即根据各项内力最不利组合值分别计算所需钢筋,再叠加(图3)。
桥梁专用程序中用曲梁单元计算可以得到每个截面的各项荷载引起的各项内力值及各项内力的两种极限状态组合值(弯矩、扭矩、剪力、轴力的各单顶值及组合值)。
此结果可直接用于各个截面的配筋计算。
桥梁专用程序的曲粱单元计算结果,不仅包含了截面设计所需要的各项内力值,而且此内力值比按板单元计算的相应内力值偏大一些。
即按曲梁单元计算的结果进行截面设计,是郎方便又偏于安全。
用superSAP93等通用大型程序的板单元计算的结果,只有各个节点的三个方向的应力值,没有内力值。
作者的计算结果表明,板单元计算的曲梁主要控制截面上各应力分量的最大值均小于曲梁单元计算的相应值(例如表1的计算结果)。
而公路桥规中,截面配筋设计不是根据应力设计,所以由此计算并花力气整理的应力不能直接用于截面设计。
使用可以计算出板单元弯矩、扭矩、剪力、轴力的大型通用软件的计算结果时,要整理出各控制截面的内力较困难,工作量较大;而且试算结果表明此截面内力比曲梁单元计算的结果要小一些。
另一方面,公路桥规中关于抗剪、抗扭的配笳计算公式,本身就是依据梁的试验资料建立起来的半理论半经验公式,故以板单元计算模型所得的内力结果虽然可能更准确一些,但由此得出的抗剪、抗扭配筋结果却未必是更合理的。
本文得到这样的结论:选取曲梁单元、用刚臂模拟抗扭支座和预偏心支座,用此计算结果进行截面设计是一种快捷又偏于安全的值得推荐的方法。
.+t\———.———...—————..———..—、————J—.—————————.—..——J图3箱粱横截面716III结构分析和试验研究边跨L/2处截面上缘应力值比较(单位MPa)表lI按板单元计算的结果(各个点的位置见图3)按曲梁单元计算的结果Il(内侧)235(外侧)lo22747646889四、结语面对目前大量的弯桥的设计与施工任务,本文提出了这类桥梁的计算模型和单元选择的一种可行选择,推荐了具有安全、经济、快速进行截面配筋设计的曲梁单元计算模型供设计者参考。
双重抗震结构用于城市高架桥基于性能的横向抗震设计初探经杰叶列平钱稼茹(清华大学土木工程系)摘要:本文介绍了桥梁抗震设计方法的现状,提出采用双重抗震结构进行城市立交桥的基于性能的抗震设计的思想。
并给出了不同设防水准下的双重结构的抗震设防目标。
并以单自由度体系为例,根据小震、中震下的设防目标,分别采用弹性反应谱方法和等往复振动能量准则,给出了次结构的设计参数,并分析了大震下的位移反应。
关麓词:城市高架桥基于性能设计双重结构X一、前20世纪以来,世界范围发生了千余次7级以上的地震,有十分之一发生在我国。
地震灾害给人类的生命安全和财产带来了巨大损失,越是中心城市地带,造成的损失越大。
随着城市的迅猛发展,城市的交通世随之迅速发展起来,特另q是人们越来越多地采用高架桥解决交通问题。
20世纪舳年代来期,帅年代以来,环太平洋发生了几次大的地震,不仅对建筑物造成损害,同时对城市高架桥梁也造成很大的破坏,如1989年美国Ixmaal墒eta地震,旧金山市的高速干道发生严重震害,上层柱体断裂引起上层公路桥齑塌落,19951年的阪神地震,使得新干线铁路高架桥的墩柱、横梁多次发生剪切破坏等等,所有这些破坏造成整个城市交通网络的中断,损失巨大,修复的费用极高,如果破坏严重,只能重建。
桥梁结构的抗震设计,就是满足地震作用下对桥梁结构的刚度、强度、延性及稳定性的需求,使其具备所需要的能力。
目前的桥梁抗震设计方法主要是基于强度设计和基于位移设计,我国现行的公路、铁路桥梁抗震设计规范Hj^2J以及美国的M峪ItTO规范旧J、欧洲的EC8都是采用基于强度设计方法,即根据地震作用效应设计结构构件的强度;新西兰桥梁规范直接考虑结构延性的影响,采用能力设计的概念【4J:美国加州运输部(Caltram)的抗震设计准则(SDC)例RC弯桥截面设计的计算模型分析作者:张敬珍, 陈偕民, 徐岳作者单位:长安大学公路学院本文链接:/Conference_3503780.aspx。