21米三角形钢屋架设计.doc
- 格式:docx
- 大小:278.82 KB
- 文档页数:15
钢屋架课程设计班级:土木班:学号:指导老师:轻屋面钢屋架设计一、 设计资料 1、 工程地点::兖州,设计使用年限:50年。
2、工程规模:单层单跨封闭式工业厂房,长度180m ,屋架铰支于钢筋混凝土柱上;屋架跨度21m ;柱距6m ;屋面离地面高度约20m 。
室正常环境,吊车起重量16/3.2 t ,工作制为A5,无较大的振动设备。
3、自然条件:基本风压为2/4.0m KN ,基本雪压为2/35.0m KN ,积灰荷载标准值为2/5.0m KN 地震设防烈度为6度。
地面粗糙度类别为B 类,场地类别Ⅲ类,重要性级别为二级,(0.10=γ)。
4、材料选用:(1)、屋架钢材采用《碳素结构钢》GB /T700-1988规定的Q235B 级镇静钢或沸腾钢。
(2)、焊条采用规定的E43型焊条,(3)、普通螺栓采用等级为4.6级的C 级螺栓,锚栓采用Q235级钢制成。
(4)、角钢型号按《热轧等边角钢尺寸、外形、重量及允许偏差》GB/T9787-1988和《热轧不等边角钢尺寸、外形、重量及允许偏差》GB/T9788-1988选用。
(5)、混凝土强度等级为C25. 6、结构及各组成构件形式: (1)、钢屋架:梯形钢屋架,(2)、屋面板:选用轻型屋面板,材料可选择夹芯板,选用长尺压型钢板、夹芯板时按图集《压型钢板、夹芯板屋面及墙体建筑构造》01J925-1选用。
(3)、檩条及屋面支撑:计算或从相关标准图集中选用。
屋面板:对于长尺压型钢板、夹芯板可按图集《压型钢板、夹芯板屋面及墙体建筑构造》01J925-1选用。
卷材防水的1.56m 预应力钢筋混凝土屋面板,可按图集《1.5m×6m 预应力混凝土屋面板》04G410-1~2选用。
(4)、主要建筑构造做法及建筑设计要求按轻屋面计算。
二、屋架形式的选定和结构平面的布置 1、采用缓坡梯形屋架,坡度为1/10, 无天窗。
:屋架计算跨度为每端支座中线缩进 150mm ,屋架支座反力点与厂方纵向轴线,则屋架计算跨度l mm l 207003002100021500=-=⨯-= 屋架端部高度取mm h 20000=1.2 屋架端部、中部高度按屋架端部高度的选择要求,宜在 1.8-2.1m ,本设计选用屋架端部高度为 H0=2000mm ,则中部高度 h=2000+(21000/2)×0.1=3050mm ,满足刚度以及经济性对跨中高度的要求。
一、结构形式及支撑布置桁架的几何尺寸如下图1.1所示:图1.1 桁架形式及几何桁架支撑布置如图1.2所示:二、荷载计算永久荷载:屋架及支撑自重:0.12+0.011*21=0.351压型钢板:檩条自重(间距1.5m ):0.333kn/2m 保温层荷载: 0.65 kn/2m 恒荷载总和: 1.485 kn/2m 可变荷载:屋面活荷载(雪荷载): 0.5 kn/2m 积灰荷载: 0.8 kn/2m 可变荷载总和: 1.3 kn/2m 风荷载:风压高度变化系数为1.0,迎风面体形系数为-0.6,背风面体形系数为-0.5,故负风设计值为(垂直屋面):迎风面: 1ω=-1.4*0.6*1.0*0.5=0.42 kn/2m 背风面: 2ω=-1.4*0.5*1.0*0.5=0.35 kn/2m 屋架计算跨度:030020.7l l m =-= 考虑以下两种荷载组合 ① 全跨永久荷载+全跨可变荷载由可变荷载控制的组合:(1.20.90.8)6=30.9kn F =⨯1.485+1.4⨯0.5+1.4⨯⨯⨯(21-0.3)/14⨯ 有永久荷载控制的组合:(1.350.90.8)6=15.2kn F =⨯1.485+1.4⨯0.5⨯0.7+1.4⨯⨯⨯(21-0.3)/14⨯ ② 全跨永久荷载+半跨可变荷载 永久荷载:1F =1.2⨯1.485⨯21-0.3)/14⨯6=15.8KN (可变荷载:2F 1.40.5+1.40.9210.3/14615.2KN =⨯⨯⨯0.8⨯-⨯=()()三、内力计算(e) 21米跨屋架全跨单位荷载几何尺寸作用下各杆件的内力值(f) 21米跨屋架半跨单位荷载作用下各杆件的内力值内力计算结果如表:四、杆件设计 ⑴上弦杆:整个上弦杆采用相等截面,max N =-378.8KN ox l =150.75cm oy l =2ox l =301.5cm 设λ=100,查表可知为b 类截面,,ϕ=0.422 需要截面积A=32378.829.00.422310N cm f ⨯10==ϕ⨯需要的回转半径:150.75 1.51100x ox l i cm ===λ 301.53.01100oy y l i cm ===λ 根据需要的A 、x i 、y i 查用钢规格表,选用2∟100×80×8(短边相并),A=227.8cm ,x i =2.37cm ,y i =4.66cm ,150.7563.62.37ox λλ==<[]=150 []301.564.71504.66oy λλ==<= 由10.5610012.516.98oy l btb ==<= 则近似64.7yz y λλ== 查表得ϕ=0.782 则3222378.810174.2/310/0.78227.810N N mm N mm f σ=ϕ⨯==<⨯⨯填板每个节间放一块,175.440 3.15126l cm cm =<⨯= ⑵下弦杆:整个下弦杆采用同一截面,max N =372.0KN ox l =300cm oy l =600cm 设λ=100,查表可知为b类截面,,ϕ=0.422 需要截面积A=3223721028.40.42231010N cm f ϕ⨯==⨯⨯ 需要的回转半径:3003100x ox l i cm ===λ 6006100oy y l i cm ===λ 根据需要的A 、x i 、y i 查用钢规格表,选用2∟100×110×10(短边相并),A=256.8cm ,x i =3.13cm ,y i =8.71cm ,300963.13x λλ==<[]=350 []60068.93508.71y λλ==<= 由10.561801818.710oy l btb ==<= 则近似68.9yz y λλ== 查表得ϕ=0.707 则32223721092.6/310/0.70756.810N N mm N mm f σ=ϕ⨯==<⨯⨯ 填板每个节间放一块,1300 5.8464l cm cm =<80⨯= ⑶斜腹杆①杆件aB :N=-239.0KN ox l =253cm oy l =253cm 设λ=100,查表可知为b类截面,,ϕ=0.422 需要截面积A=3222391018.30.42231010N cm f ϕ⨯==⨯⨯ 需要的回转半径: 2532.53100oy x y l i i cm ====λ根据需要的A 、x i 、y i 查用钢规格表,选用2∟100×63×6(长边相并),A=219.24cm ,x i =3.21cm ,y i =2.53cm ,25378.83.21x λλ==<[]=150 2531002.53y λλ==<[]=150由10.566.310.522.50.6oy l b tb ==<= 则近似 100yz y λλ== 查表得ϕ=0.555 则322223910223.8/310/0.55519.2410N N mm N mm f σ=ϕ⨯==<⨯⨯ 填板放两块, 184.3 3.21128.4l cm cm =<40⨯=②杆件gH :40.3N KN = 0.80.8339271.2ox l l cm ==⨯= 339oy l l == 设λ=100,查表可知为b类截面,,ϕ=0.422 需要截面积A=32240.310 3.10.42231010N cm f ϕ⨯==⨯⨯ 需要的回转半径: 271.2 2.71100x oxl i cm λ=== 3393.39100oy y l i cm ===λ 根据需要的A 、x i 、y i 查用钢规格表,选用2∟75×5,A=214.8cm ,x i =2.32cm ,y i =3.33cm ,271.211.72.32x λλ==<[]=150 []339101.81503.33y λλ==<= 由10.587.510.726.20.7oy l b t b ==<= 则近似4422220.4750.4757.51101.81104.53390.7yz y oy b l t λλ⎛⎫⎛⎫⨯=+=⨯+= ⎪ ⎪ ⎪⨯⎝⎭⎝⎭查表得ϕ=0.470则322240.31057.9/310/0.47014.810N N mm N mm f σ=ϕ⨯==<⨯⨯ 填板放三块, 184.8 2.392l cm cm =<40⨯=③杆件Gg:N=-31.1KN 0.80.8289231.2ox l l cm ==⨯= 289oy l l cm == 设λ=100,查表可知为b类截面,,ϕ=0.422 需要截面积A=32231.110 2.40.42231010N cm f ϕ⨯==⨯⨯ 需要的回转半径: 231.2 2.31100xoxl i cm λ=== 289 2.89100oy yl i cm ===λ 根据需要的A 、x i 、y i 查用钢规格表,选用2∟75×5,A=214.8cm ,x i =2.32cm ,y i =3.33cm ,231.299.72.32x λλ==<[]=350 []28986.83503.33y λλ==<=由 10.587.510.722.30.7oy l b t b ==<= 则近似 4422220.4750.4757.5186.81902890.7yz y oy b l t λλ⎛⎫⎛⎫⨯=+=⨯+= ⎪ ⎪ ⎪⨯⎝⎭⎝⎭查表得ϕ=0.621则σ=322231.31033.8/310/0.62114.810N N mm N mm f ϕ⨯==<⨯⨯ 填板放三块,172.25 2.392l cm cm =<40⨯=其余杆件截面选择见下表,需要注意的是连接垂直支撑的中央竖杆采用十字形截面,其斜截面计算长度0.9ox l l =,其余杆件除Aa 、Ba 、gH 外,0.8ox l l =。
目录1、设计资料 (1)1.1结构形式 (1)1.2屋架形式及选材 (1)1.3荷载标准值(水平投影面计) (1)2、支撑布置 (2)2.1桁架形式及几何尺寸布置 (2)2.2桁架支撑布置如图 (3)3、荷载计算 (4)4、内力计算 (5)5、杆件设计 (7)5.1上弦杆 (7)5.2下弦杆 (8)5.3端斜杆A B (9)5.4腹杆 (9)5.5竖杆 (14)5.6其余各杆件的截面 (16)6、节点设计 (17)6.1下弦节点“C” (17)6.2上弦节点“B” (18)6.3屋脊节点“H” (19)6.4支座节点“A” (21)6.5下弦中央节点“H” (23)致谢 (24)参考文献 (24)图纸 (24)1、设计资料1.1、结构形式某厂房跨度为21m ,总长90m ,柱距6m ,采用梯形钢屋架、1.5×6.0m 预应力混凝土大型屋面板,屋架铰支于钢筋混凝土柱上,上柱截面400×400,混凝土强度等级为C30,屋面坡度为10:1=i 。
地区计算温度高于-200C ,无侵蚀性介质,地震设防烈度为7度,屋架下弦标高为18m ;厂房内桥式吊车为2台150/30t (中级工作制),锻锤为2台5t 。
1.2、屋架形式及选材屋架跨度为21m ,屋架形式、几何尺寸及内力系数如附图所示。
屋架采用的钢材及焊条为:设计方案采用Q345钢,焊条为E50型。
1.3、荷载标准值(水平投影面计)① 永久荷载:三毡四油(上铺绿豆砂)防水层 0.4 KN/m 2 水泥砂浆找平层 0.4 KN/m 2保温层 0.65KN/m 2(按附表取) 一毡二油隔气层 0.05 KN/m 2 水泥砂浆找平层 0.3 KN/m 2预应力混凝土大型屋面板 1.4 KN/m 2 屋架及支撑自重(按经验公式L q 011.012.0+=计算) 0.351 KN/m 2 悬挂管道: 0.15 KN/m 2 ② 可变荷载:屋面活荷载标准值: 2/7.0m kN 雪荷载标准值: 0.35KN/m 2积灰荷载标准值: 1.3 KN/m 2(按附表取)2、支撑布置2.1桁架形式及几何尺寸布置如下图2.1、2.2、2.3所示507.51Aa+4.1000.000-7.472-11.262-12.18-12.18-7.684-4.49-1.572+.713+5.88+2.792+.328-1.-1.-1.-.5+9.744+11.962+11.768c e g hB CD EF G H0.51.01.01.01.01.01.01.0图2.2 21米跨屋架全跨单位荷载作用下各杆件的内力值Aa c e g g'e'c' +3.1.0-5.310-7.339-6.861-5.319-3.923-2.1620 -5.641-2.633-0.47+1.913+1.367+1.57+1.848 +3.96+1.222-1.39-1.2-1.525-1.776-2.4 -1.0-1.-1.0.0.0.-0.5+6.663+7.326+5.884+4.636+3.81+1.9B CD EF G H G'F'E'D'C'B' 0.51.01.01.01.01.01.01.图2.3 21米跨屋架半跨单位荷载作用下各杆件的内力值2.2桁架支撑布置桁架形式及几何尺寸在设计任务书中已经给出,桁架支撑布置如图1.1所示。
武汉科技大学理学院工程力学系081 班计算:李子龙樊智勇徐云飞刘哲画图:辛i=l=r.姜贵资料员:胡鹏吴晓剑校核:刘顺江三角形钢屋架设计说明书1设计资料及屋架形式与材料设计一位于杭州市郊的单跨封闭式屋架结构,单跨屋架结构总长度为36m柱距为4m跨度为l=9m,屋面材料为波形石棉瓦,规格:1820X 725X 8.其他主要参数:坡度i=i :3,恒载为m,活载为m,屋架支撑在钢筋混凝土柱顶,混凝土标号C20,柱顶标高为6m钢材标号:,其设计强度为f=215KN/m{, 焊条采用E43型,手工焊接,荷载分项系数去:丫G=,丫Q=.2屋架形式及几何尺寸根据所用屋面材料的排水需要几跨度参数,采用人字形六节间三角形屋架。
1屋架坡度为1: 3,屋面倾角arctan- 18.4。
3sin 0.3162, cos 0.9487屋架计算跨度:l0 l 300 8700mm.屋架跨中高度:h 山1450mm6上弦长度:L —4585 mm2cos节间长度:a L1528mm.3节间水平方向尺寸长度: a a cos 1449 mm .根据几何关系得屋架各杆件的几何尺寸如图1所示。
图1 杆件的几何尺寸3屋盖支撑设计屋架的支撑(如图1所示)⑴ 在房屋两侧第一个柱间各设置一道上弦平面横向支撑和下弦平面横向支撑。
⑵在屋架的下弦节点2处设置一通长柔性水平系杆。
图2 屋架的支撑屋面檩条及其支撑波形石棉瓦长为1820mm 要求搭接长度》150mm 且每张瓦至少需要有三个 支撑点,因此,最大檩条间距为:a pmax 1820 150 835mm .3 1半跨屋面所需檩条条数为:n p — 1 6.5根。
p835考虑到上弦平面横向支撑节点处必须设置檩条,实际取半跨屋面檩条数为n p=7根,檩条间距a p L 764mm a pmax .可以满足要求。
6檩条水平间距:a p a p cos725mm.檩条选用槽钢[,查表得相关数据:W X 16.1cm 3,W y 4.5cm 3,I x 51cm 4 ⑴荷载计算 恒载:m,活载:m. 檩条截面受力图如图3所示。
钢结构课程设计设计任务书北京地区某金工车间,采用无檩屋盖体系,梯形钢屋架。
跨度21米,柱距6米,厂房高度为15.7米,车间内设有两台200/50KN中级工作制吊车,计算温度高于-20C。
采用三毡四油,上铺小石子防水屋面,水泥砂浆找平层,厚泡沫混凝土保温层,1.5mx6m预应力混凝土大型屋面板。
屋面积灰荷载0.7 KN/m2,屋面活荷载0.45 KN/m2,雪荷载0.4KN/m2,风荷载0.45 KN/m2。
屋架铰支在钢筋混凝土柱上,上柱截面为400mmx400mm,混凝土标号为C20。
要求设计钢屋架并绘制施工图。
一、设计条件1、钢材采用Q235B级,焊条采用E43型。
2、屋架计算跨度 Lo=21000-2×150=20700mm3、跨中及端部高度设计条件为无檩条屋盖方案,屋架端部高度h=1990mm,屋架的中间高度h=3040mm,屋面坡度i=1/10。
二、结构形式1、屋架形式如下图2、屋架支撑布置厂房长度(168m>60m)、跨度及荷载情况,设置上下弦横向水平支撑4道,下弦纵向水平支撑沿两侧柱列布置。
如下图(修改图,变为4道支撑)三、荷载与内力计算 1、荷载计算屋面活荷载与雪荷载不会同时发生,计算时,取较大的荷载标准值进行计算。
故取屋面活荷载0.45 kN/㎡进行计算。
屋架沿水平投影面积分布的自重(包括支撑)按照经验公式()20.120.011/k g l kN m =+=(0.12+0.011*21)=0.351计算,跨度单位为米。
永久荷载设计值取系数1.35,屋面活荷载设计值取系数1.4 荷 载 计 算 表2、荷载组合设计屋架时,应考虑以下三种组合: (1)全跨永久荷载+全跨可变荷载全跨节点永久荷载及可变荷载:F=(4.254+1.68)×1.5×6=53.406kN (2)全跨永久荷载+半跨可变荷载全跨节点永久荷载: F1=4.254×1.5×6=38.286 kN半跨节点可变荷载: F2=1.68×1.5×6=15.12kN(3)全跨屋架及支撑自重+半跨大型屋面板重+半跨屋面活荷载全跨节点屋架及支撑自重: F3 =0.474×1.5×6=4.266kN半跨大型屋面板重及活荷载: F4=(1.89+0.63)×1.5×6=22.68kN(1)、(2)为使用节点荷载情况,(3)为施工阶段荷载情况。
一、设计资料1、题号53的已知条件:梯形钢屋架跨度21m,长度102m,柱距6m。
该车间内设有两台200/50 kN中级工作制吊车,轨顶标高为8.000 m。
冬季最低温度为-20℃,地震设计烈度为7度,设计基本地震加速度为0.1g。
采用1.5m×6m预应力混凝土大型屋面板,80mm 厚泡沫混凝土保温层,卷材屋面,屋面坡度i=1/10。
屋面活荷载标准值为0.7 kN/m2,雪荷载标准值为0.2 kN/m2,积灰荷载标准值为0.6 kN/m2,风荷载标准值0.55 kN/m2。
屋架铰支在钢筋混凝土柱上,上柱截面为400 mm×400 mm,混凝土标号为C20。
钢材采用Q235B级,焊条采用E43型。
2、屋架计算跨度:l= 21m - 2×0.15m = 20.7 m3、跨中及端部高度:该屋架为无檩体系屋盖方案,屋面材料为大型屋面板,故采用平坡梯形屋架;由于L<24m,不考虑起拱,端部高度取H0=1990mm,屋架的中间高度h = 3.040m (约l/6.8)。
二、结构形式与布置屋架几何尺寸如图(1)所示。
19901350229025902890304026132864312425302864312433901507.51507.51507.51507.51507.51507.51507.5150A aceghBC D F G H 15007=10500×图(1):21米跨钢屋架型式和几何尺寸根据厂房长度(102m>60m )、跨度及荷载情况,设置三道上、下弦横向水平支撑。
因柱网采用封闭结合,厂房两端的横向水平支撑设在第一柱间,该水平支撑的规格与中间支撑的规格有所不同。
在上弦平面设置了刚性系杆与柔性系杆,以保证安装时上弦杆的稳定,在各柱间下弦平面的跨中及端部设置了柔性系杆,以传递山墙风荷载。
在设置横向水平支撑的柱间,于屋架跨中和两端各设一道垂直支撑。
三角形钢屋架课程设计1 三角形钢屋架课程设计任务书1.1 设计题目设计某市郊区某机械加工单层单跨厂房的三角形屋架。
1.2 设计资料某机械加工厂房,设有两台工作级别A4的软钩吊车,建筑平面示意图如图1所示,屋面材料采用上下两层多波形压型钢板,中间用20mm厚矿渣棉板保温层,屋面离地面高度约为20m。
屋架两端支撑于截面为400mm×400mm的钢筋混凝土柱上,柱子的混凝土等级为C20。
图1 建筑平面示意图1.3 设计内容(1)选择钢屋架的材料;(2)确定钢屋架的几何尺寸;(3)屋架及屋盖支撑的布置;(4)檩条的设计;(5)钢屋架的设计;(6)绘制钢屋架施工图。
1.4 参考资料(1)《钢结构设计规范》(GB50017).(2)《建筑结构荷载规范》(GB50009).(3)《建筑抗震设计规范》(GB50011).(4)《建筑结构可靠度设计统一标准》(GB50068).(5)《建筑结构制图标准》(GB/T50101).(6)《建筑结构设计术语和符号标准》(G B/T50083).(7)周俐俐,姚勇等编著.土木工程专业钢结构课程设计指南. 北京:中国水利水电出版社,知识产权出版社,2019.5.2、三角形钢屋架课程设计指导书参见梯形钢结构屋架课程实际指导书。
3、三角形钢屋架课程设计实例3.1 设计资料三角形(芬克式)屋架跨度24m ,间距6m ,屋面材料为压型钢板(自重0.122kN m ),屋面坡度1/2.5,厂房长度为60m 。
基本风压0.402kN m ,雪荷载为0.352kN m ,屋面高度为(平均约)20m ,屋架支撑于钢筋混凝土柱上。
钢材采用Q235B,焊条采用E43型。
3.2 屋架尺寸和檩条、支撑布置 1.屋架尺寸屋架计算跨度:0l =l -300=24000-300=23700mm屋面倾角: '1arctan2148,sin 0.3714,cos 0.92852.5ααα====o 屋架跨中的高度为:2370047402 2.5h mm ==⨯上弦长度:0127622cos l l mm α==节间长度:mm a 2555512762'==节间水平投影长度:a='a cos α=2555×0.9285=2370mm 屋架几何尺寸见图2。
16 届课程设计钢结构屋架设计学生姓名田高生学号**********所属学院水利与建筑工程学院专业土木工程班级16-4指导教师吴英日期2014.12塔里木大学教务处制目录1.设计资料-------------------------------------------------------- 02.屋架杆件几何尺寸的计算------------------------------------------ 23.支撑布置-------------------------------------------------------- 33.1檩条布置------------------------------------------------------------- 33.2荷载计算------------------------------------------------------------- 33.3檩条的均布荷载设计值----------------------------------------------- 43.4强度验算------------------------------------------------------------- 53.5整体稳定性验算------------------------------------------------------- 53.6刚度验算------------------------------------------------------------- 54.屋架设计-------------------------------------------------------- 54.1屋架节点荷载计算: ---------------------------------------------------- 54.2屋架杆件内力计算----------------------------------------------------- 64.3屋架杆件截面设计----------------------------------------------------- 64.4填板设置与尺寸选择-------------------------------------------------- 105.屋架节点设计--------------------------------------------------- 115.1支座节点A ------------------------------------------------------------ 95.2上弦一般节点B、C、E、F、D ------------------------------------------- 145.3屋脊拼接节点G ------------------------------------------------------- 155.4下弦拼接节点I ------------------------------------------------------- 175.5下弦中央节点J ------------------------------------------------------- 195.6受拉主斜杆中间节点K ------------------------------------------------- 196.参考资料------------------------------------------------------- 18 6.致谢----------------------------------------------------------- 191.设计资料某厂房总长度为90m,跨度为21m,柱距为6m。
一、21m焊缝提醒屋架的设计资料某厂金工车间跨度90m×21m,柱距6m。
柱网采用封闭结合。
车间内设有30/5t,中级工作制桥式吊车。
采用1.5×6.0m预应力钢筋混凝土大型屋面板,上铺15cm厚沥青珍珠岩保温层,卷材防水,八层做法(参考)。
屋面坡度1∕10,基本雪压0.4kN/m2,基本风压0.35 kN/m2屋架支承在钢筋混凝土柱上,上柱截面400×400mm,混凝土强度等级C20。
(建议屋架钢材Q235,焊条E43型。
)二、钢材和焊条的选择根据经验选择,钢材采用Q235,焊条E43,手工焊。
三、屋架的杆件布置和几何尺寸1.几何尺寸计算跨度ιo=ι-300=20700㎜端部高度在1.8 ~2.1m,取1990㎜,那么,跨中高度H=1990+0.5×21000×0.1=3040㎜高跨比3040/20700=1/6.8,在梯形屋架的常用范围内(几何尺寸如图a)。
1a.21m屋架几何尺寸b.屋架上弦支撑布置图2.支撑布置(如图b,c,d,e)①L=21m<30m,所以仅在跨中设置一道垂直支撑;②房屋内设有中级工作制的桥式吊车,应在屋架下弦端节间设置纵向水平支撑;③30/5 t 的桥式吊车,为了防止屋架水平方向振动,必须设置下弦横向水平支撑;④因为采用大型屋面板(无檩条)应设置屋架上弦横向水平支撑。
四、荷载统计和内力计算 1.荷载统计永久荷载标准值分别防水层 0.35KN/㎡ 找平层 0.40KN/㎡ 保温层 0.50KN/㎡ 预应力钢筋混凝土大型屋面板(1.5m ×6.0m )㎜ G K1=1.4KN/㎡ 屋架及支撑自重 G K2=0.12+0.011ιℓ=0.351KN/㎡ 永久荷载标准值总和为 G K =3.001KN/㎡ 可变荷载标准值分别为d.垂直支撑1-1e.柱顶处屋架垂直支撑c.屋架下弦支撑布置图雪荷载Q K1=0.40KN/㎡积灰荷载 0.55KN/㎡可变荷载标准值总和Q K=0.95KN/㎡根据建筑荷载规范,屋坡度小于30度时,活荷载中可不考虑风荷载,并且题中未告知活荷载,所以取雪荷载和积灰荷载。
21m钢屋架课程设计一、课程目标知识目标:1. 让学生掌握21m钢屋架的基本结构、材料性能及设计原理;2. 使学生了解钢屋架施工图的内容及表达方式;3. 帮助学生理解21m钢屋架在建筑行业中的应用及优势。
技能目标:1. 培养学生运用CAD软件绘制21m钢屋架施工图的能力;2. 提高学生根据实际工程需求,进行21m钢屋架结构分析和计算的能力;3. 培养学生结合工程实际情况,选择合适的21m钢屋架材料及施工工艺的能力。
情感态度价值观目标:1. 培养学生对建筑行业的热爱,增强职业责任感;2. 培养学生团队合作精神,提高沟通协调能力;3. 增强学生环保意识,关注绿色建筑发展。
课程性质:本课程为专业实践课程,强调理论联系实际,注重培养学生的动手能力和解决实际问题的能力。
学生特点:学生为高中年级,具备一定的物理和数学基础,对建筑行业有一定的了解,但对钢屋架设计及施工尚缺乏系统认识。
教学要求:结合学生特点,采用案例教学、实践教学和分组讨论等方法,使学生掌握21m钢屋架设计的相关知识和技能,达到本课程的教学目标。
在教学过程中,注重分解目标为具体的学习成果,以便进行教学设计和评估。
二、教学内容1. 钢结构基本概念:介绍钢结构的特点、分类及应用,重点讲解21m钢屋架的结构类型及设计要求。
参考教材章节:第一章 钢结构概述2. 钢屋架设计原理:讲解钢屋架的设计原理,包括受力分析、稳定性计算、荷载组合等。
参考教材章节:第二章 钢屋架设计原理3. 钢屋架材料及连接:介绍常用钢材性能、规格及选用原则,讲解钢屋架连接方式及施工要求。
参考教材章节:第三章 钢屋架材料及连接4. 钢屋架施工图绘制:教授CAD软件绘制钢屋架施工图的方法和技巧,包括平面图、立面图、剖面图等。
参考教材章节:第四章 钢屋架施工图绘制5. 钢屋架施工工艺:分析钢屋架施工流程、施工方法及质量要求,探讨施工中常见问题及解决措施。
参考教材章节:第五章 钢屋架施工工艺6. 钢屋架工程案例:分析典型钢屋架工程案例,使学生了解实际工程中的应用及注意事项。
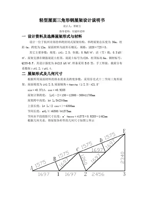
轻型屋面三角形钢屋架设计说明书设计人:覃树方指导老师:付建科老师一设计资料及选择屋架形式与材料设计一位于杭州市郊的单跨封闭式屋架结构。
单跨屋架总长度为36m,柱距4m,跨度为12m;屋面材料为波形石棉瓦,规格:1820×725×8。
其它主要参数:坡度,i=1:2.5,恒载,0.9kN/㎡,活(雪)载,0.3 kN/㎡。
屋架支撑在钢筋混泥土柱顶,混泥土标号为C20,柱顶标高6m。
钢材标号:Q235-B.F。
其设计强度为f=215 kN/㎡.焊条采用E43型,手工焊接。
载荷分布系数取γG=1.2,γQ=1.4。
二屋架形式及几何尺寸根据所用屋面材料的排水需求及跨度参数,采用芬克式十二节间三角形屋架。
屋面坡度为i=1/2.5,屋面倾角α=arctg(1/2.5)=21.8°sinα=0.3714,cosα=0.9285屋架计算跨度: l=l-2×150=12000-300=11700mm/5=2340mm屋架跨中高度:h= l/(2 cosα)≈6300mm上弦长度:L= l节间长度:a=L/4 =6300/4=1575mm节间水平段投影尺寸长度:a’=acosα=1575×0.9285≈1462mm根据几何关系,得屋架各杆件的几何尺寸如图1所示三 屋盖支撑布置(一)屋架的支撑,如图21.在房屋两侧第一个柱间各设置一道上弦平面横向支撑和下弦平面支撑;2.因为屋架的跨度大于18m ,固设置两道垂直支撑【1】,位于屋架的长压杆D-2和D ’-2’。
3.因其为有檩屋架,在屋架的下弦节点2和2’各设置一道长柔性系杆,以与垂直支撑相协调。
【1】(二)屋面檩条及其支撑 1.檩条波形石棉瓦长1820mm ,要求搭接长度≥150mm ,且每张至少需要三个支承点,因此檩条最大间距: ,半跨屋面所需檩条数:根考虑到上弦平面横向支撑节点处必须设置檩条,实际取半跨屋面檩条数 =10根,以便于布置。
目录1、设计资料 (1)2、屋架尺寸及结构形式与选型 (2)3、檩条设计 (2)3.1、檩条布置 (3)3.2、刚度验算 (4)4、屋架的内力计算 (5)5、杆件设计 (7)5.1、上弦杆 (7)5.2、下弦杆 (8)5.3、斜腹杆 (10)六、节点设计 (11)6.1、屋脊节点G (11)6.2、下弦节点C (13)6.3、上弦节点B (14)6.4、支座节点A (15)6.4.2参考资料 (17)致谢 (20)钢屋架设计计算书1设计资料及屋架形式与材料1.1某单跨厂房,长度为90m ,跨度21m ,车间内设有一台50KN 的中级工作制的吊车,计算温度高于-20℃。
采用三角形钢屋架的屋面,坡度i=1:3,采用石棉水泥波形瓦屋面(重量200N/m 2),规格:1820×725×8,轻钢檩条及拉条(重量100N/m 2).钢屋架简支于钢筋砼柱上,上柱截面为400×400,砼强度等级为C30,基本风压W 0=350N/m 2,屋面均布活载或雪载为500N/m 2,积灰荷载为100~500N/m 2,无抗震要求。
钢材标号:Q345钢,其设计强度为f=310KN/m 2,焊条采用E50型,手工焊接,荷载分项系数去:γG =1.2,γQ =1.4.1.2屋架形式及几何尺寸根据所用屋面材料的排水需要几跨度参数,采用人字形六节间三角形屋架。
屋架坡度为1:3,屋面倾角1arctan 18.43α==。
sin 0.3162α=, cos 0.9487α=屋架计算跨度:m 2070030021000=-.屋架跨中高度:m i l h 34506/1207002/0=⨯=⨯= 上弦长度:m l L 10910cos 2/0=⨯=α 节间长度:m L18186=. 节间水平方向尺寸长度:m a a a 1725435.18cos 20700cos =︒⨯==. 根据几何关系得屋架各杆件的几何尺寸如图1所示。
黄山学院21米跨工业厂房梯形屋架设计一、设计资料1.某单层单跨工业厂房总长度90米,跨度L(取21 m)。
厂房纵向柱距6 m。
2.结构形式:钢筋混凝土柱,梯形钢屋架。
柱的混凝土强度等级为C30,屋面坡度i=L/10;L为屋架跨度。
地区计算温度高于-200C,无侵蚀性介质,地震设防烈度为6度,屋架下弦标高为18m;厂房内桥式吊车为2台150/30t(中级工作制),锻锤为2台5t。
3.屋架形式及荷载:屋架形式、几何尺寸及内力系数(节点荷载P=1.0作用下杆件的内力)如附图所示。
根据设计要求,屋架采用的钢材、焊条为: Q235钢,焊条为E43型。
4.荷载标准值(水平投影面计)(1)永久荷载:三毡四油(上铺绿豆砂)防水层 0.4 KN/m2水泥砂浆找平层 0.4 KN/m2保温层 0.45KN/m2一毡二油隔气层 0.05 KN/m2水泥砂浆找平层 0.3 KN/m2预应力混凝土大型屋面板 1.45 KN/m2屋架及支撑自重:按经验公式L.0+= =0.351KN/m2.012q011(2)可变荷载:屋面活荷载标准值: 0.7 KN/m2雪荷载标准值: 0.35 KN/m2积灰荷载标准值: 1.2KN/m2 注:实际取屋面活荷载标准值与雪荷载标准值的较大值,保温层及积灰荷载取值参照学号。
屋架计算跨度,几何尺寸及屋面坡度见附图1。
5.钢屋架的制造、运输荷安装条件:在金属结构厂制造,运往工地安装,工地有足够的起重安装条件。
屋架几何尺寸及屋架全跨上弦节点单位荷载作用下构件内力系数见附图。
6.内力计算考虑下面三种情况(1)、满载(全跨静荷载加全跨活荷载)(2)、在吊装过程中可能出现的半跨屋面板荷载和半跨活荷载(活荷载400 N/m2)和全跨屋架自重。
(3)、在使用过程中全跨静荷载和半跨活荷载。
7.设计附图:21米跨屋架几何尺寸 21米跨屋架全跨单位荷载作用下各杆件的内力值Aa c e g g'e'c'a'+3.0100.000-5.310-7.339-6.861-5.319-3.923-2.1620.00 -5.641-2.633-.47+1.913+1.367+1.57+1.848 +3.96+1.222-1.39-1.2-1.525-1.776-2.43 -1.-1.-1....-.5+6.663+7.326+5.884+4.636+3.081+1.090B CD EF G H G'F'E'D'C'B'A'0.5 1.01.0 1.0 1.01.0 1.0 1.021米跨屋架半跨单位荷载作用下各杆件的内力值二、屋盖结构形式和支撑布置布置屋盖支撑时应根据支撑布置原则,结合本设计具体情况,即厂房长度90 m>60 m;跨度L=21m;有桥式吊车且吊车平台较高等,考虑上弦横向水平支撑、下弦横向水平支撑、垂直支撑应设几道和其位置;下弦纵向水平支撑是否需要设置;系杆如何设置,设刚性系杆还是柔性系杆布置屋架支撑,并进行编号,钢屋架代号GWJ支撑代号:屋架上弦横向水平支撑 sc屋架下弦横向水平支撑 xc屋架下弦纵向水平支撑 zc垂直支撑 cc刚性系杆 LG1柔性杆件 LG2屋架上弦支撑布置图屋架下弦支撑布置图垂直支撑1-1柱顶处屋架垂直支撑三、荷载内力计算1. 荷载计算按屋面做法,已知各荷载标准值算出永久荷载设计值;按屋面活载及雪荷载两者中取大值的原则,算出可变荷载的设计值。
21⽶跨钢屋架课程设计钢结构课程设计设计任务书北京地区某⾦⼯车间,采⽤⽆檩屋盖体系,梯形钢屋架。
跨度21⽶,柱距6⽶,⼚房⾼度为15.7⽶,车间内设有两台200/50KN中级⼯作制吊车,计算温度⾼于-20C。
采⽤三毡四油,上铺⼩⽯⼦防⽔屋⾯,⽔泥砂浆找平层,厚泡沫混凝⼟保温层,1.5mx6m预应⼒混凝⼟⼤型屋⾯板。
屋⾯积灰荷载0.7 KN/m2,屋⾯活荷载0.45 KN/m2,雪荷载0.4KN/m2,风荷载0.45KN/m2。
屋架铰⽀在钢筋混凝⼟柱上,上柱截⾯为400mmx400mm,混凝⼟标号为C20。
要求设计钢屋架并绘制施⼯图。
⼀、设计条件1、钢材采⽤Q235B级,焊条采⽤E43型。
2、屋架计算跨度 Lo=21000-2×150=20700mm3、跨中及端部⾼度设计条件为⽆檩条屋盖⽅案,屋架端部⾼度h=1990mm,屋架的中间⾼度h=3040mm,屋⾯坡度i=1/10。
⼆、结构形式1、屋架形式如下图2、屋架⽀撑布置⼚房长度(168m>60m)、跨度及荷载情况,设置上下弦横向⽔平⽀撑4道,下弦纵向⽔平⽀撑沿两侧柱列布置。
如下图(修改图,变为4道⽀撑)三、荷载与内⼒计算 1、荷载计算屋⾯活荷载与雪荷载不会同时发⽣,计算时,取较⼤的荷载标准值进⾏计算。
故取屋⾯活荷载0.45 kN/㎡进⾏计算。
屋架沿⽔平投影⾯积分布的⾃重(包括⽀撑)按照经验公式()20.120.011/k g l kN m =+=(0.12+0.011*21)=0.351计算,跨度单位为⽶。
永久荷载设计值取系数1.35,屋⾯活荷载设计值取系数1.4 荷载计算表2、荷载组合设计屋架时,应考虑以下三种组合:(1)全跨永久荷载+全跨可变荷载全跨节点永久荷载及可变荷载:F=(4.254+1.68)×1.5×6=53.406kN (2)全跨永久荷载+半跨可变荷载全跨节点永久荷载: F1=4.254×1.5×6=38.286 kN半跨节点可变荷载: F2=1.68×1.5×6=15.12kN(3)全跨屋架及⽀撑⾃重+半跨⼤型屋⾯板重+半跨屋⾯活荷载全跨节点屋架及⽀撑⾃重: F3 =0.474×1.5×6=4.266kN半跨⼤型屋⾯板重及活荷载: F4=(1.89+0.63)×1.5×6=22.68kN(1)、(2)为使⽤节点荷载情况,(3)为施⼯阶段荷载情况。
目录1、设计资料 (1)2、屋架形式及几何尺寸 (1)3、材料选择及支撑布置 (2)4、荷载和内力计算 (3)(1)荷载计算 (3)(2)荷载组合 (3)(3)内力计算 (4)5、杆件截面选择 (4)(1)上弦 (5)(2)下弦 (6)(3)腹杆 (6)<1> 杆件13及16 (6)<2> 杆件11及14 (7)<3> 杆件12及15 (8)<4> 杆件10 (8)<5> 杆件9 (8)<6> 杆件26 (9)6、节点设计 (11)(1)支座节点“1” (11)(2)下弦节点“4” (14)(3)上弦屋脊节点“3” (15)(4)上弦节点“2” (16)(5)下弦节点“5” (17)7、檩条设计 (18)参考文献 (20)21米三角形钢屋架设计计算书1、设计资料本课程设计的厂房位于合肥,厂房跨度21m,长度84m,,柱距6m,屋面坡度i=1/2.5,屋面材料采用彩色涂层压型钢板复合保温板(含檩条),其荷载为0.25KN/ m2(为永久荷载),基本雪压为0.6 KN/ m2,悬挂荷载为0.3 KN/ m2(按永久荷载计算,并作用在屋架下弦),基本风压为0.35 KN/ m2,屋面活荷载取0.5 KN/ m2(按不上人屋面计算,为可变荷载),屋架铰接在钢筋混凝土柱上,混凝土强度等级为C30。
要求设计钢屋架并绘制施工图(对于轻型屋面的屋架,自重可按0.01L估算,L为屋架的跨度)。
2、屋架形式及几何尺寸本屋架跨度为21米,对于三角形屋架(跨度大于18米的屋架)一般采用芬克式三角形屋架。
本设计方案为有檩屋盖方案,坡度为i=1/2.5,采用双坡三角形屋架,屋架计算跨度L。
=L-300=21000-300=20700mm,因坡度为i=1/2.5,故屋架中部高度H。
=4410mm,屋架形式及屋架各杆件几何长度见图1。
3.材料选择及支撑布置根据建造地区的荷载性质,钢材采用Q235B,焊条采用E43型,手工焊。
三角形钢屋架(共21页)--本页仅作为文档封面,使用时请直接删除即可----内页可以根据需求调整合适字体及大小--三角形钢屋架设计说明书----武汉科技大学理学院工程力学系081班计算:李子龙樊智勇徐云飞画图:姜贵刘哲资料员:胡鹏吴晓剑校核:刘顺江三角形钢屋架设计说明书1 设计资料及屋架形式与材料设计一位于杭州市郊的单跨封闭式屋架结构,单跨屋架结构总长度为36m ,柱距为4m ,跨度为l=9m ,屋面材料为波形石棉瓦,规格:1820×725×8.其他主要参数:坡度i=1:3,恒载为m 2,活载为m 2,屋架支撑在钢筋混凝土柱顶,混凝土标号C20,柱顶标高为6m ,钢材标号:,其设计强度为f=215KN/m 2,焊条采用E43型,手工焊接,荷载分项系数去:γG =,γQ =.2 屋架形式及几何尺寸根据所用屋面材料的排水需要几跨度参数,采用人字形六节间三角形屋架。
屋架坡度为1:3,屋面倾角1arctan 18.43α==。
sin 0.3162α=, cos 0.9487α= 屋架计算跨度:03008700l l mm =-=. 屋架跨中高度:014506l h mm == 上弦长度:045852cos l L mm α==节间长度:15283La mm ==.节间水平方向尺寸长度:`cos 1449a a mm α==. 根据几何关系得屋架各杆件的几何尺寸如图1所示。
图1 杆件的几何尺寸3 屋盖支撑设计屋架的支撑(如图1所示)⑴ 在房屋两侧第一个柱间各设置一道上弦平面横向支撑和下弦平面横向支撑。
⑵ 在屋架的下弦节点2处设置一通长柔性水平系杆。
图 2 屋架的支撑屋面檩条及其支撑波形石棉瓦长为1820mm ,要求搭接长度≥150mm ,且每张瓦至少需要有三个支撑点,因此,最大檩条间距为:max 182015083531p a mm -==-. 半跨屋面所需檩条条数为:1 6.5835p Ln =+=根。
三角形钢屋架课程设计任务书三角形钢屋架课程设计摘要:依据已给出建筑物基础条件和一致屋架形式和尺寸计算各个荷载,各个杆件设计和型号选择,并依据设计做出详图,计算得到节点板尺寸,材料表,施工详图,打印图纸。
关键词:三角形钢屋架;檩条;节点目录1 设计背景 (1)1.1 设计资料 (1)1.2 屋架形式 (2)3 方案实施 (7)3.2 屋架杆件内力计算 (8)3.3 杆件截面设计 (9)3.4节点设计 (14)4 结果和结论 (22)5 收获和致谢 (22)5.1 收获 (22)5.2 致谢 (22)6 参考文件 (23)7. 附件 (24)1 设计背景1.1 设计资料厂房长度120,檐口高度15m 。
厂房为单层单跨结构,内设有两台中级工作制桥式吊车。
拟设计钢屋架,简支于钢筋混凝土柱上,柱混凝土强度等级为C20。
柱顶截面尺寸为mm 400mm 400⨯。
钢屋架设计可不考虑抗震设防。
厂房柱距选择:6m图1 建筑平面示意图三角形钢屋架1)属有檩体系:檩条采取槽钢,跨度为6m ,跨中设有一根拉条φ10。
2)屋架屋面做法及荷载取值(荷载标准值):永久荷载:波形石棉瓦自重 0.20 kN/m 2檩条及拉条自重 0.20 kN/m 2保温木丝板重 0.25 kN/m 2钢屋架及支撑重 (0.12+0.011跨度) kN/m 2可变荷载:雪荷载 0.3kN/m 2屋面活荷载 0.40 kN/m 2积灰荷载 0.30 kN/m 2注:1、以上数值均为水平投影值;2、屋架形式和尺寸见图1。
依据该地域温度及荷载性质, 钢材采取Q235B 其设计强度2/215mm N f =, 焊条采取E43型, 手工焊接。
构件采取钢板及热轧型钢, 构件和支撑连接用M20一般螺栓。
1.2 屋架形式三角形钢屋架图1屋架形式2 设计方案2.1屋架尺寸屋架计算跨度:0l =l -300=24000-300=23700mm屋面倾角: '1arctan 2148,sin 0.3714,cos 0.92852.5ααα====屋架跨中高度为:2370047402 2.5h mm ==⨯ 上弦长度:0127632cos l l mm α== 节间长度:'1276325535a mm == 节间水平投影长度:a='a cos α=2553×0.9285=2370mm屋架几何尺寸见图2。
钢屋架课程设计计算说明书一、 屋架杆件几何尺寸的计算根据所用屋面材料的排水要求及跨度参数,采用芬克式三角形屋架。
屋面坡度为5.2:1=i ,屋面倾角为() 801.215.2/1==arctg α,3714.0sin =α,9285.0cos =α。
屋架计算跨度: mm l l 20700300210003000=-=-= 屋架跨中高度: ()mm i l h 41405.22/207002/0=⨯=⨯= 上弦长度: mm l L 11147cos 2/0==α 节间长度: mm L a 18586/== 节间水平段投影尺寸长度: mm a a 1725cos '==α根据几何关系,得屋架各杆件的几何尺寸如下图所示。
图1 屋架形式及几何尺寸二、 屋架支撑布置 1. 屋架支撑(1)在房屋两端第一个之间各设置一道上弦平面横向支撑和下弦平面横向支撑。
(2)因为屋架是有檩屋架,为了与其他支撑相协调,在屋架的下弦节点设计三道柔性水平系杆,上弦节点处的柔性水平系杆均用该处的檩条代替。
(3)根据厂房长度为120m ,跨度为21m ,有中级工作制软钩桥式吊车等因素,在厂房两端第二柱间和厂房中部设置三道上弦横向水平支撑,下弦横向水平支撑及垂直支撑,如下图所示。
图2 屋盖支撑布置2. 檩条设计根据屋面材料的最大容许檩距,可将檩条布置育上弦节点上,檩条间距为节间长度。
在檩条的跨中设置一道拉条。
见图1。
选用[20a 槽钢截面,由型钢表可查得,自重m kN m kg /23.0/63.22≈,4331780,2.24,178cm I cm W cm W x y x ===。
(1)荷载计算(对轻屋面,可只考虑可变荷载效应控制的组合)永久荷载:(坡面)板荷载: m kN m m kN /465.0858.1/25.02=⨯ 檩条和拉条: m kN /23.0m kN m kN m kN g k /695.0/23.0/465.0=+= 可变荷载:(檩条受荷水平投影面积为286.148858.1m m =⨯,未超过260m ,故屋面均布活荷载取2/5.0m kN ,大于雪荷载,故不考虑雪荷载。
)m kN q k /929.0858.15.0=⨯=檩条均布荷载设计值:m kN q g q K Q K G /135.2929.04.1695.02.1=⨯+⨯=+=γγ m kN q q x /793.03714.0135.2sin =⨯==α m kN q q y /982.19285.0135.2cos =⨯==α (2)强度验算弯矩设计值(见图3):X 方向:m kN l q M y x ⋅=⨯⨯==858.158982.1818122Y 方向: m kN l q M x x ⋅=⨯⨯==586.14793.0818122(在跨中设置了一道拉条)檩条的最大拉力(拉应力)位于槽钢下翼缘的 肢尖处:[]MPa MPa W M W M yy y x x x215139102.242.110586.11017805.110858.1536360=<=⨯⨯⨯+⨯⨯⨯=+=σγγσ 满足要求。
图3 弯矩计算图(2)刚度验算只需验算垂直于屋面方向的挠度即可。
荷载标准值:m kN q g K K /624.1929.0695.0=+=+()()m kN q g y K K /508.19285.0624.1cos 929.0695.0=⨯=+=+α()150136511017801006.28000508.1384538454533<=⨯⨯⨯⨯⨯=⋅+⋅=xy K K EI l q g l v因有拉条,不必验算整体稳定性。
故选用[20a 能满足要求。
三、 屋架内力计算 1. 屋架节点荷载计算永久荷载(水平投影面):屋面板: 2/27.09285.0/25.0cos /25.0m kN ==α 檩条和拉条: 2'/13.0725.1/23.0/23.0m kN a ==屋架和支撑自重: 2/35.021011.012.0011.012.0m kN L =⨯+=+2/75.035.013.027.0m kN g K =++=屋面活荷载(因活荷载大于雪荷载,故不考虑雪荷载):2/5.0m kN屋架上弦在檩条处的集中荷载:屋架上弦在檩条处的集中荷载设计值由可变荷载效应控制的组合为 ()kN F 08.22725.185.04.175.02.1=⨯⨯⨯+⨯= 2. 屋架杆件内力计算芬克式三角形桁架在半跨活荷载作用下,腹杆内力不变号,故只按全跨活荷载和全跨永久荷载组合计算桁架杆件内力。
这里采用清华大学研发的结构力学求解器进行求解计算。
计算结果如下图。
图4 杆件内力图(单位:kN )四、 屋架杆件设计在设计屋架杆件截面前,首先要确定所选节点板的厚度。
在三角形屋架中,节点板厚度与弦杆的最大内力有关。
根据弦杆最大内力kN N 56.326max =,查《钢结构设计及实用计算》P83页表5-1单壁式桁架节点板厚度选用表可选择支座节点板厚为12mm ,其它节点板厚为10mm 。
1. 上弦杆整个上弦杆采用等截面通长杆,由两个角钢组成T 形截面压弯构件,以避免采用不同截面时的杆件拼接。
弯矩作用平面内的计算长度: mm l ox 1858=侧向无支撑长度: mm mm l l ox 37161858221=⨯=⨯=首先试选上弦截面为2∟100×10,节点板厚10mm ,查《钢结构》得其主要参数:252.3826.192cm A =⨯=,cm i x 05.3=,cm i y 52.4=。
如下所示。
图5 上弦截面[]1506105.38.185=<===λλx ox x i l []1508252.46.371=<===λλyoy y i l 根据82max ==y λλ,查表可得675.0=ϕ,故2223/215/1261082.35675.01056.326mm N f mm N A N =<=⨯⨯⨯==ϕσ 选择截面合适。
2. 下弦杆下弦杆也不改变截面,按最大内力计算。
kN N 58.73max =,屋架平面内的计算长度取最大节间IJ 长度,即:cm l ox 6.434=。
cm l l ox oy 2.8696.43422=⨯=⨯=。
选用2∟56×4的角钢,其截面相关参数为278.839.42cm A =⨯=,cm i x 73.1=,cm i y 52.2=。
如下所示。
图6 下弦截面[]35025273.16.434=<===λλx ox x i l []35034552.22.869=<===λλyoy y i l 2223/215/841078.81058.73mm N f mm N A N =<=⨯⨯==σ 选择截面合适。
3. 腹杆 (1)DI 杆kN N DI 62.61-=,cm cm l l ox 4.1780.2238.08.0=⨯==,cm l l oy 0.223== 选用2∟50×4,其截面相关参数为28.79.32cm A =⨯=,cm i x 54.1=,cm i y 35.2=。
[]15011654.14.178=<===λλx ox x i l []1509535.2223=<===λλyoy y i l根据116max ==x λλ,查表可得458.0=ϕ,故2223/215/172108.7458.01062.61mm N f mm N A N =<=⨯⨯⨯==ϕσ所选截面合适。
(2)BH 、CH 、EK 、FK 杆kN N 89.26=,cm l 1.145=选用∟70×6单角钢截面,其截面相关参数为216.8cm A =,cm i y 38.10=。
cm l l 6.1301.1459.09.00=⨯==[]1509538.16.1300=<===λλy o i l 由132=λ,查表可得588.0=ϕ。
单角钢单面连接计算构件稳定性时强度设计值折减系数为: 743.01320015.06.00015.06.0=⨯+=+=λγr2223/159215743.0/56109.3378.01089.26mm N f mm N A N r =⨯=<=⨯⨯⨯==γϕσ故所选截面满足要求。
(3)HD 、DK 杆kN N 45.55=,cm l 2.300=选用∟50×4单角钢截面,其截面相关参数为29.3cm A =,cm i y 99.00=。
cm l l 09.2702.3009.09.00=⨯==[]35027299.009.2700=<===λλy o i l 单角钢单面连接计算构件强度时的强度设计值折减系数取0.85,则2223/18321585.0/142109.31045.55mm N f mm N A N r n =⨯=<=⨯⨯==γσ 所选截面合适。
(4)IK 、KG 杆两根杆件采用相同截面,并按最大内力kN N 18.128=计算,cm l ox 2.300=,cm l l ox oy 4.6002.30022=⨯=⨯=。
选用2∟50×4,其截面相关参数为28.79.32cm A =⨯=,cm i x 54.1=cm i y 35.2=[]35019554.12.300=<===λλx ox x i l []35025635.24.600=<===λλyoy y i l2223/215/164108.71018.128mm N f mm N A N n =<=⨯⨯==σ 故所选截面满足要求。
(5)GJ 杆0=N ,cm l 414=。
对于有连接垂直支撑的屋架WJ-2,采用2∟50×6组成的十字形截面,并按受压支撑验算其长细比。
cm i y 18.20=,cm cm l l 6.3724149.09.00=⨯==[]20017118.26.3720=<===λλy o i l 故满足要求。
对于无连接垂直支撑的屋架WJ-1,采用∟50×4单角钢,并按受压支撑验算其长细比。
[]40033611.16.3720=<===λλy o i l 故满足要求。
屋架各杆件截面选择情况列于下表。
五、 节点设计本题选择几个有代表性的、重要的节点进行计算,其余节点的计算过程从略,可参见屋架施工图。
1. 屋脊节点腹杆GK 与节点板的连接焊缝,查表得2'/160mm N f w =(以下同),取肢背和肢尖的焊角尺寸分别为mm h f 51=和mm h f 52=,则杆端所需的焊缝长度腐分别为肢背:mm f h N K l l wf f GK w 7.861016057.021018.12867.0107.021031111=+⨯⨯⨯⨯⨯=+⨯⨯=+= 取mm l 901=肢尖:mm f h N K l l w f f GK w 2.571016047.021018.12833.0107.021032222=+⨯⨯⨯⨯⨯=+⨯⨯=+= 取mm l 602=图7 屋脊节点拼接角钢采用与上弦杆等截面,肢背处削棱,竖肢切去mm h t V f 165=++=,取V=20mm ,并将竖肢切口后经热弯成型用对接焊缝焊接。