崇州市地质灾害特征及危险性区划
- 格式:doc
- 大小:30.00 KB
- 文档页数:5
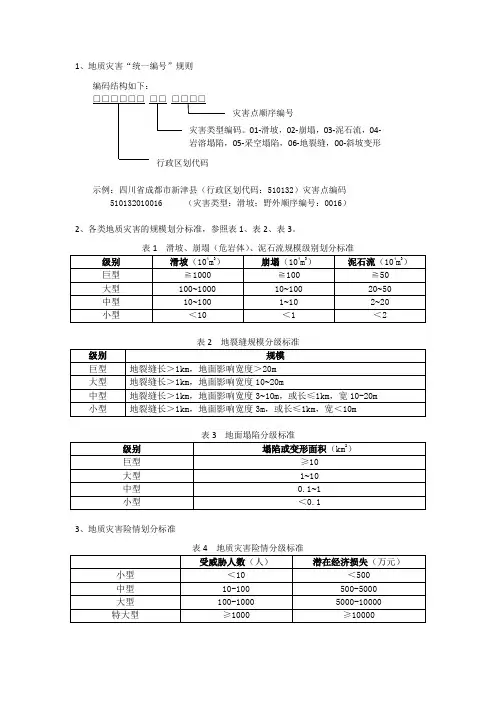
DZ 中华人民共和国领土资源行业标准DZ 一2000地质灾祸分类分级Standard of classification for geological disaster(送审稿)2000一公布 2001一实行中华人民共和国领土资源部公布前言为了对地质灾祸勘查、监测、预告、防治和灾情一致归口管理,拟订本标准。
本标对是地质灾祸监察管理的基础标准,能够作为地质灾祸分级、分区管理的依照和地质灾祸治理先期勘查立项、设计的依照:亦是灾情统计、抗灾防灾的依照。
本标准技术内容主要包含四部分:第一部分是本标准采纳的相关定义,给出了理解该标准中使用的术语所必需的定义。
使标准中一直使用同一术语表达某一特定观点,防止一词多义,一致技术语言,以保证对标准的理解和使用。
第二部分是总则,地质灾祸分类分级的原则。
第三部分是地质灾祸分类,采纳三级分类系统,把地质灾祸依照灾类、灾型、灾种三级层次进行区分或归类。
第四部分是地质灾祸分级,依据地质灾祸造成的人员伤亡和直接经济损失将一次灾祸事件区分为特大灾祸、大灾祸、中灾祸、小灾祸4级。
附录A是标准的附录,与正文拥有同样法例效劳。
附录B是提示的附录,给出附带信息,不拥有法例效劳。
本标准为初次公布,从奏效之日起,地质灾祸勘查、监测、预告、防治的立项、设计、成就编写以及上报灾情均应切合本标准的规定。
一本标准由领土资源部地质环境司提出;一本标准由领土资源部国际合作与科技司归口;一本标准草拟单位:中国领土资源经济研究院、领土资源部地质环境司、领土资源标准化研究中心一本标准主要草拟人:张梁孙培善柳源张明燕穆春芳一本标准由领土资源部地质环境司负责解说目次序言1范围 (1)2引用标准 ................................................. l 3术语 ....................................................... l 4总则 . (3)5 地质灾祸分类 (3)6地质灾祸分级 (4)附录A(标准的附录)常有地质灾祸灾变等级分级表 (6)附录B(提示的附录)地质灾祸与地震、洪水等成灾等级区分对照表 (7)中华人民共和国领土资源行业标准DZ/×××—2000地质灾祸分类分级Standard of classification forgeological disaster1 范围1.1 本标准规定了地质灾祸基础术语的定义,分类分级的原则,类型和级别。
**************崩塌调查报告目录1 前言 (3)1.1任务来源 (3)1.2前人调查研究概况 (3)1.3调查目的与任务 (3)1.4调查技术依据 (3)2 调查区工程地质环境条件 (4)2.1位置与交通 (4)2.2气象水文 (4)2.3地形地貌 (6)2.4地层岩性 (7)2.4.1 第四系全新统(Q4) (7)2.4.2元古代溦江-晋宁期第四期黑云花岗岩(γ2(4)) (7)2.5地质构造与地震 (7)2.6水文地质条件 (9)2.7人类工程活动 (10)2.8地质环境条件评价 (10)3 崩塌区特征 (10)3.1崩塌区形态规模及物质组成 (11)3.2崩塌区变形破坏特征 (11)3.3成因机制分析 (12)3.4崩塌区危害对象及治理工程必要性 (13)4、调查主要工作量 (13)4.1调查工作方法 (13)4.2调查工作的主要内容 (14)4.3调查工作量 (14)5、调查工作经费 (14)附图:1)调查平面布置图2)工程地质剖面图1 前言1.1任务来源四川省国土资源厅根据《关于请组织支援开展我省地震灾区第四批重大地质灾害应急勘查、设计工作的函》的有关要求,按照省厅的统一部署,将*****崩塌调查任务下达给**************公司实施。
为保证调查工作有序进行,加快灾后重建的工作进度,特编制该调查报告书,为下一步工作的开展提供依据。
1.2前人调查研究概况在******内以往的地质工作较多,主要是区域地质、水文地质、环境地质问题,其次是地质灾害勘查,包括崩塌的研究。
在此之前,********勘察院对******崩塌作了地质灾害巡查排查工作并编写了《*******地质灾害应急排查总结报告》,但尚未开展具体的勘查工作。
前人的地质工作结果主要反应了区内地层时代、岩性、构造、矿产、地震活动及区域水文地质条件,地下水类型及其富水性,地下水补、径、排特征等内容,其成果资料为本次工作提供了基础性地质资料,具有一定的参考意义。
地质灾害易发区划分原则及分区概述第一节易发区划分原则地质灾害易发程度分区是根据市区内不同地域的地质灾害形成的地质环境条件、地质灾害发育现状及人类工程活动程度等因素进行划分。
其中,地质环境条件包括地形地貌、地层岩性、地质构造、水文地质条件等;地质灾害发育现状包括不同类型的地质灾害的数量、规模、危害程度、稳定性等;人类工程活动程度包括人类工程活动的强弱对地质环境的影响等。
第二节易发区划分及分区概述根据易发程度分区原则,将石嘴山市划分为地质灾害高易发区(Ⅰ1-Ⅰ2)2个、地质灾害中易发区(Ⅱ1-Ⅱ2)2个、地质灾害低易发区(Ⅲ1-Ⅲ5)5个和地质灾害不易发区(Ⅳ)1个(表3-1)。
一、地质灾害高易发区(Ⅰ)受地形地貌、地质构造、降水、人类工程活动等因素的控制与影响,地质灾害高易发区主要分布在XX矿区、XX矿区、XX矿区,汝(箕沟)-西(大滩)公路两侧、301省道两侧及XX沟沟口至小西峰沟沟口山前地带,面积约540.04km2,占石嘴山市面积的10.37%。
1、XX—XX矿区泥石流高易发区、汝西公路—301省道崩塌高易发区和XX山前泥石流高易发区(Ⅰ1)行政区划位于XX街道办事处、XX街道办事处、崇岗镇、长胜街道办事处、青山街道办事处、长城路街道办事处、长兴街道办事处、沟口街道办事处,面积约427.31km2。
区内矿山众多、地质环境恶劣,地质灾害发育,共有地质灾害点250处,占地质灾害点总数的75.53%。
其中崩塌98处、滑坡20处、泥石流123处、地面塌陷7处、不稳定斜坡2处。
威胁矿区居民房屋、地面和井下物资、矿区公路、沟道、输电线路,涉及1645人。
灾害点密度为0.59处/km2。
XX—XX矿区泥石流高易发区、汝西公路—301省道崩塌高易发区地貌上位于构造剥蚀中山-低中山,山体大致呈近南北向展布,海拔高程1500~2000m,相对高差约200~500m。
山间沟谷发育。
受地形等多因素影响,区内年均降雨量相对工作区其它区域多10%,且多以局地突发性短时强降雨为主,雨量集中,频率较高,是区域内山洪、泥石流灾害最主要的诱发因素。
地质灾害易发区第四章地质灾害易发区地质灾害易发区是指容易产生地质灾害的区域。
易发区的划分是根据地质环境背景条件和现状地质灾害的分布并反映地质灾害的历史和未来发生的可能性。
第一节易发分区原则及方法一、分区原则根据国土资源部4号令《地质灾害的防治管理办法》和《县(县)地质灾害调查与区划基本要求》(国土资环发[2001]01号文)。
区内地质灾害易发区的划分主要考虑地质环境条件、矿产资源分布两个方面的因素并结合实际情况,拟定适合息烽县的地质灾害易发程度控制因子赋值表(见规划说明书表10.1、10.2、10.3、10.4、10.5),在此基础上运用网格剖分法赋值后,在计算机上用软件自动生成等值线分区,对不合理的边界采用人工修边,将全县地质灾害易发区划分为:高易发区、中易发区和低易发区三级。
(一)地质环境背景条件主要考虑:1、地层岩性(岩性组合、地层产状、风化程度);2、构造发育程度;3、地形地貌(地形坡度、相对高差、斜坡类型)。
(二)矿产资源主要考虑:1、矿产资源的分布情况;根据《实施细则》中地质灾害易发分区特征简表要求,结合息烽县实际情况,拟定适合本区的地质灾害易发程度因子评价简表(按防治规划说明书上的表),在此基础上,将息烽县地质灾害易发区划分为:高易发区、中易发区和低易发区三级。
二、分区方法对全县行政区域进行网格剖分,剖分后根据区内地质环境背景条件及矿产资源分布情况来进行网格赋值,然后圈定等值线进行易发分区(具体方法见规划说明书)。
第二节易发区分区特征一、分区命名原则分区命名原则:以“区域地理名+地质灾害种类+易发程度”进行分区命名,如“鹿窝~三友滑坡高易发区”。
二、地质灾害分区特征及评价上述原则,根据地质灾害易发程度评价及等值线圈定结果,结合该县实际情况,将息烽县地质灾害分为高易发区(等值线≥3.5)、中易发区(等值线2.5~3.5)和低易发区(等值线1.5~2.5)三级,各区平面位置见《贵州省息烽县地质灾害分布与易发分区图》(附图2)。
农技服务2019,36(8):87-88崇州市气候资源及其对西南地区的重要性卢杰1,蔡欣明1,胡忠林I,赵艺彳(1.四川省成都市新津县气象局,四川成都611430,2.四川省气象局,四川成都610072)[摘要]崇州市位于四川盆地向青藏高原过渡地带的第一、二阶梯,对西南地区、长江中下游地区的气候环境有着非常重要的指示意义。
介绍了崇州市的气候资源概况,阐述了崇州市气候资源对西南地区的重要性。
[关键词]气候资源;气候观测;乡村振兴战略;西南地区;崇州市气候资源通常指光、热、水、风、大气成分等,作为人类生产、生活必不可少的主要自然资源,可被人类直接或间接利用,或在一定的技术和经济条件下为人类提供物质及能量。
气候资源分为热量资源、光能资源、水分资源、风能资源和大气成分资源等,具有普遍性、清洁性和可再生性,已被广泛应用于国计民生的各个方面,在人类可持续发展中占据重要的地位和作用。
崇州市位于四川盆地向青藏高原过渡地带的第一、二阶梯,境内属山地、丘陵、平原兼有的地貌类型,海拔1000米以上的高中山区占该市总面积的38.4%,低山和丘陵占&7%,平坝占52.9%,地势从东南到西北逐渐升高。
西北部多有海拔2000米以上的山峰,最高处为苟家乡境内极西处之大雪塘主峰,达5364米。
丘陵和平原地区的平均海拔高度为560米,最低点为三江镇境内之蒙渡,海拔仅480米。
崇州市的气候资源对西南地区、长江中下游地区的气候环境有着非常重要的指示意义。
1崇州市气候资源概况崇州古称蜀州,现下辖25个乡镇(街道),坐落于东经103度07〜49分、北纬30度30-53分。
全市幅员面积1090平方公里,总体呈“四山一水五分田”格局,总人口64.15万。
属四川盆地亚热带湿润季风气候,四季分明,春秋短,冬夏长,雨蜃充沛,日照偏少,无霜期较长。
年平均气温16.4摄氏度,极端最高气温36.8摄氏度,极端最低气温零下4.7摄氏度。
年平均日照时数为1098.1小时,年平均降雨量969.2毫米。
区段编号II III危险性等级地质灾害危险性中等地质灾害危险性小该区属亚热带半湿润山地季风气候,红河水系。
地形地貌复杂程度该区地形地貌复杂程度中等。
出露第四系残坡积层( Q4d l+el),下伏侏罗系中统和平乡组(J2h),岩土工程地中等。
出露新生界第四系残坡积层( Q4 d l+el),下伏侏罗系中统和平乡组质条件中等。
评估区内断层不发育,区域地质构造中等( J2h),岩土工程地质条件复杂。
评估区内断层不发育,区域地质构造复杂,地震基本烈度为Ⅶ度,区域地壳稳定性属墨江-江区段特征中等复杂,地震基本烈度为Ⅶ度,区域地壳稳定性属墨江- 江城稳定区。
城稳定区。
地下水类型有松散岩类孔隙水、碎屑岩类裂地下水类型有松散岩类孔隙水、碎屑岩类裂隙水,水文地质条件中等复隙水,水文地质条件中等复杂,人类工程活动对地质环杂,人类工程活动对地质环境扰动和破坏程度较小。
评估区地质环境条境扰动和破坏程度较小。
评估区地质环境条件复杂程度件复杂程度综合判定为中等。
综合判定为中等。
区内未见滑坡、崩塌、泥石流、潜在不稳定边坡、现状区内未见滑坡、崩塌、泥石流、潜在不稳定边坡、地裂缝、地面沉地裂缝、地面沉降及地面塌陷等地质灾害分布与发育,降及地面塌陷等地质灾害分布与发育,为地质灾害不发育区;区内不良评估地质作用只要表现为坡面侵蚀和风化,现状危险性小,危害小。
为地质灾害不发育区;区内不良地质作用只要表现为坡面侵蚀和风化,现状危险性小,危害小。
场地整平挖方范围内挖方边坡在降雨情况下容易产生表层土体或强风化层失稳现象,诱发挖方边坡坍塌、滑坡,由于场地开挖深度较大,地工程诱发地质灾害的可能性中等,危害性及危害性中等。
质工程建设时开挖,将产生开挖弃渣,若处置不当,降雨条件下可能灾预测产生小型渣体坍滑或坡面泥石流,可能对场地下缘道路、耕地掩埋等危该区域未设计工程建设活动,加之均远离拟建场地,害,其危害性及危险性中等。
工程建设挖方或填方施工均会破坏坡面植工程引发、加剧地质灾害或遭受地质灾害危险性及危害害评估危被,造成一定的水土流失,破坏坡体应力平衡,导致坡体失稳,引发坍性小,发生地质灾害的可能性小。
山西神头发电有限责任公司(2×600MW机组)新建工程建设用地地质灾害危险性评估报告项目负责:陈军武编写人:陈军武李选利审核:樊国强总工程师:樊国强院长:樊春虎山西省地质工程勘察院二○○八年十一月目录前言............................................................................................................ 10.1任务来源.............................................................................................. 10.2目的任务.............................................................................................. 10.3评估依据.............................................................................................. 2第一章评估工作概述 ................................................................................. 31.1建设工程概况与征地范围.................................................................. 31.2以往工作程度.................................................................................. 131.3工作方法及完成的工作量.............................................................. 161.4评估范围与级别的确定.................................................................. 20第二章地质环境条件 ............................................................................. 232.1气象、水文...................................................................................... 232.2地形地貌.......................................................................................... 262.3地层岩性.......................................................................................... 282.4地质构造与区域地壳稳定性.......................................................... 322.5工程地质条件.................................................................................. 362.6水文地质条件.................................................................................. 372.7人类工程活动对地质环境的影响.................................................. 40第三章地质灾害危险性现状评估 ......................................................... 423.1地质灾害类型及特征...................................................................... 423.2地质灾害危险性现状评估.............................................................. 50第四章地质灾害危险性预测评估 ......................................................... 524.1工程建设引发或加剧地质灾害危险性预测评估 ......................... 524.2建设工程本身可能遭受地质灾害的危险性预测评估................ 61第五章地质灾害危险性综合评估及防治措施 ..................................... 725.1地质灾害危险性综合评估原则与量化指标的确定 ..................... 725.2地质灾害危险性分区结果.............................................................. 735.3建设场地适宜性评估...................................................................... 745.4防治措施.......................................................................................... 76结论与建议.................................................................................................. 79结论: ....................................................................................................... 79建议: ....................................................................................................... 82附图1:山西神头发电有限责任公司新建工程建设用地评估区地质环境现状图(比例尺1:5000)2:山西神头发电有限责任公司新建工程建设用地评估区地质灾害危险性预测及综合分区评估图(比例尺1:5000)前言0.1 任务来源神头发电有限责任公司是华北电网的骨干企业,担负着向山西省及京津唐电网的供电任务。
—-可编辑修改,可打印——别找了你想要的都有!精品教育资料——全册教案,,试卷,教学课件,教学设计等一站式服务——全力满足教学需求,真实规划教学环节最新全面教学资源,打造完美教学模式地质灾害危险性评估规程1 范围本标准规定了甘肃省境内地质灾害危险性评估工作的技术规则。
本标准适用于规划区、建设场地和矿山地质灾害危险性评估。
2 规范性引用文件下列文件中的条款通过本标准的引用而成为本标准的条款。
凡是注日期的引用文件,其随后所有的修改单(不包括勘误的内容)或修订版均不适用于本标准,然而,鼓励根据本标准达成协议的各方研究是否可使用这些文件的最新版本。
凡是不注日期的引用文件,其最新版本适用于本标准。
GB12328—90 综合工程地质图图例及色标GBl8306—2001 中国地震动参数区划图GB50021—2001 岩土工程勘察规范GB50330—2002 建筑边坡工程技术规范GB50025—2004 湿陷性黄土区建筑规范DZ/T0097—1994 工程地质调查规范(1:2.5万~1:5万)DZTF0218—2006 滑坡防治工程勘查规范DZ/T0220—2006 泥石流灾害防治工程勘查规范DD2008—02 滑坡崩塌泥石流详细调查规范建筑物、水体、铁路及主要井巷煤柱留设与压煤开采规程(国家煤炭工业局2000)3 术语和定义下列术语、定义适用于本标准:3.1地质灾害自然因素或者人为活动引发的危害人民生命和财产安全的崩塌、滑坡、泥石流、地面塌陷、地裂缝、地面沉降等与地质作用有关的灾害。
3.2致灾地质作用可能导致灾害发生的地质作用。
3.3致灾地质体可能导致灾害发生的地质体。
3.4地质灾害危险性评估地质灾害发生可能性和可能造成的损失的综合估量。
3.5地质灾害易发区具有地质灾害形成的地质环境条件并在自然、人为活动的作用下容易产生地质灾害的区域。
3.6地质灾害危险区地质灾害体活动征兆明显,且将可能造成较多的人员伤亡和严重经济损失的地质灾害承灾区。
区域地质灾害的易发性和危险性的评价和分区我国是地质灾害多发地区,因地质灾害造成的人员伤亡、经济损失、环境破坏极其严重,随着现代科学技术的不断发展,人们对这些地质灾害能够有效地预防和改善,促进人与自然和谐发展。
研究人员在预防和改善地质灾害前,要对地质灾害的易发性和危险性进行评价和分区,这样才能制定合理科学有效的计划,才能制定相应的措施,保障人们的生命和财产安全,也更好地保护自然环境。
标签:地质灾害易发性危险性地质灾害是指在自然或者人为因素的作用下形成的,对人类生命财产、环境造成破坏和损失的地质作用(现象)。
如崩塌、滑坡、泥石流、地裂缝、地面沉降、地面塌陷、岩爆、坑道突水、突泥、突瓦斯、煤层自燃、黄土湿陷、岩土膨胀、砂土液化,土地冻融、水土流失、土地沙漠化及沼泽化、土壤盐碱化,以及地震、火山、地热害等。
地质灾害具有双重的属性,有自然和社会两方面的因素。
我国是地质灾害频发的国家之一,每年因地质灾害而造成的伤亡非常严重,经济损失也有上升趋势。
地质灾害对人民的生命财产会造成不可估量的危害,严重制约着社会的和谐发展,国家对地质灾害的研究也越来越重视,对区域地质灾害的易发性和危险性做出评价和分区有利于我国各地区对地质灾害做出防范和解决措施,保护人民的生命和财产安全,利用科学技术缓解地质灾害的发生,使人类能够更好地生存,更好地保护生态环境,促进人与人、人与自然和谐发展,走可持续发展的道路。
1地质灾害的易发性的评价和分区对于一个区域的地质灾害的易发性的评价和分区,首先要根据区域的地质条件、地形地貌条件、气候条件、水文条件、植被条件、人为活动条件等因素,进行调查、检测、分析,最后做出评估,也就是对地质灾害发生的可能性做出评估。
一般情况下,工作人员利用MapGIS的空间分析功能将地质灾害分布和与之相关的影响因素形成图层进行网格剖分,根据灾害程度及强度对区域地质灾害情况做出比较,如灾害的密度、面积,形成地质灾害的条件像降雨、河流冲刷、人为破坏等具体数值来进行计算、比较,这样就容易将区域的地质灾害的易发程度做出区分,可以将灾害的易发性分为大、中、小3个级别,根据级别的不同人们就可以更好地预防或改变地质灾害的发生,更好地造福人类。
地质灾害易发区划分的原则、方法和评价一、易发区分区原则、方法(一)分区原则易发区分区遵循相似性与差异性原则,即相似性与差异性原则,即“区内相似,区际相异”,是区划的通用原则。
在区划中,将基本条件相似的单元划分为一个区,而将基本条件相异的单元划作不同的区。
(二)分区方法地质灾害易发区划是地质灾害防治规划的基础。
本次区划采用定量分析和定性分析相结合的方法进行分区和评价,首先根据地质灾害野外调查的样本统计数据和地质灾害形成条件选取评价指标,采用基于GIS的综合评判法进行定量分析,然后在此基础上,根据野外调查的实际情况、结合地质灾害遥感解译成果进行定性分析,最终得出区划结果。
1、评价模型综合评判模型通过数据归一化处理后,将各种灾害数据网格化,之后按下式计算,最后将各因素进行图形叠加,形成评判成果图。
计算公式如下:B =∑=⨯niiir b1式中:B—崩滑流发育程度指数;ib—评价指标归一化值;ir—权重。
2、评价指标体系结合模型特点,根据对野外调查实际资料的掌握和前述章节地质灾害形成条件的论述,综合评判模型指标选用地质灾害的点密度、地质灾害发育的坡度、坡高、坡型、岩土体类型等地质环境条件、地震、降雨及人类工程活动等诱发因素做为评价指标。
已有地质灾害群体统计评价指标主要包括地质灾害及隐患点的数量和规模,在此次地质灾害易发程度区划时,采用本次实地调查的159处资料作为样本来计算单元内已有地质灾害的点密度。
地质灾害形成的地质环境条件选取坡度、坡高、坡型、岩土结构等4项主要因素作为评价指标,诱发因素为地震、工程活动和降雨。
在地质灾害形成条件分析的基础上,采用层次分析法,确定了调查区地质灾害易发程度区划中各个指标的权重(表4-1)。
表4-1 XX市地质灾害易发分区评价指标及权重3、评价指标量化评价指标包括定量指标和定性指标。
对于定量指标,如斜坡的坡度、坡高等,取其原始观测值,并作适当的数值变换即可;对于定性指标,如岩土结构、坡型等,需要建立一个评价指标的分级划分标准,根据各项指标对不同级别的相对贡献来取值。
崇州市地质灾害特征及危险性区划
摘要:在对崇州市地质灾害调查基础上,分析了该市范围内地质灾害种类及发育特征和规律。
采用地质灾害危险性评价法对该区域地质灾害进行分区,在ARCVIEW软件分析下,对崇州市地质灾害分布特点进行划分,据此将该市地质灾害危险性划分为4个大区。
最后根据该市地质、地形环境及社会经济条件对该市地质灾害防治提出防治建议。
关键词:地质灾害;灾害防治;区划;崇州市
近年来,随着社会经济日益发展,地质灾害与社会经济发展矛盾越来越严重,保护地球、保护我们的家园已成为当前社会一项重要任务,研究与防治地质灾害是地质工作者应尽的义务,减灾与可持续发展已成为当前各区域研究及全球关注的焦点[1]。
崇州市属于四川盆地山地向中心平原的过渡地段,因此在地质环境上具有复杂性特点,地质灾害在边缘过渡带具有高发性、危害性大的特点。
对崇州市地质灾害发生规律、特点进行研究有助于了解山地与平原过渡带地质特点,灾害孕育机理,在该区域进行地质灾害危险性区划对于类似区域的地质灾害研究与防治可以提供借鉴。
1.崇州市地质环境特点
崇州市地处四川盆地西南边缘,背靠龙门山,面向成都平原,在四川盆地和龙门山构造带中南段,以北东向的龙门山隆起褶带、雾中山褶断带和成都凹陷为主,龙门山隆起褶带是褶皱、断裂活动强烈,多期复合、规模巨大的构造带,由一系列北东向隆起、坳陷、单式和复式褶皱,压性、压扭性断裂组成。
地势西北高,东南低,呈阶梯状逐渐降低,山地、丘陵、平原兼有的地貌类型,全境以街子镇、三郎镇、怀远西山为一线,线之西北为山地,线之东南为平原、丘陵地区,西北部多有海拔2000m以上的山峰,海拔最高处为苟家乡境内大雪塘主峰,达5364m。
丘陵和平原地区的平均海拔高度为560m,最低点为三江镇境内之蒙渡,海拔高度仅480m。
海拔1000m以上的中山、高山区占了全市总面积的38.4%,低山和丘陵为8.7%,平坝为52.9%。
市境内河流稠密,水系完整,属岷江流域水系,主要河流有3条:西河、黑石河和金马河。
2.崇州市地质灾害发育特征
2.1 地质灾害概况
表1 崇州市主要地质灾害统计表
崇州市地处四川盆地西南,中西部为丘陵区,东南部为平原,广大的西部地区为低山—高山地貌,西部低山区断裂褶皱的影响,节理裂隙发育,岩体破碎,因地形切割深,相对高差大,此类地质环境条件为地质灾害发生提供基础条件。
加之本区降水量丰富,多暴雨天气,以及强烈的人类工程活动,为地质灾害的产生提供了引发条件。
受前述自然条件的控制,人为因素的影响,地质灾害类型以滑坡、崩塌为主,不稳定斜坡次之,泥石流灾害较少。
各类地质灾害主要分布于崇州市西南和中西部山地和丘陵地区,特别是西部区域为地质灾害频发区。
崇州市主要地质灾害区域及类型见表1.
2.2地质灾害发育特征
由于崇州市西南部、中西部和东南部地质、地貌不一致,因此造成崇州市地质灾害具有明显的地域性,主要受区域地貌特征、岩土性质及水文条件的控制,各类地质灾害主要发生于地形变化大,切割深的各乡镇。
综合分析崇州市地质灾害发育和分布特点,具有以下规律:
2.2.1地域性规律
地质环境条件的不同,造成灾害类型的差异。
崇州市特殊的地理位置,既有高山、丘陵也有平原地区。
位于西南部的高山、丘陵地区地质构造上属于龙门山隆起褶皱带、雾中山褶皱带,该地质构造带构造活动活跃,断裂较多,该区域地层破碎严重,节理极为发育。
加之区域内岩层复杂,三大岩类分布其中,其中尤以沉积岩中软硬岩层互层区域,地质灾害极为发育。
另外在高山、丘陵区域由于大部分区域存在坡陡、上覆岩层岩石破碎、表层坡积物厚度大,且较为松散,在外在条件诱发下,极易发生滑坡等地质灾害。
如崇州市主要地质灾害滑坡和崩塌,主要分布在西部的山区和中西部丘陵区。
尤其是西部山区的鸡冠山乡、文井江镇灾害点最多。
2.2.2 相关性规律
主要指气候和人类活动等相关性,如各类灾害与降水和冰雪融水密切相关;人类各种社会经济活动也在很多程度上诱发了多种地质灾害。
地质灾害的类型、发育程度与地貌特征、岩土类型密切相关。
崇州市属四川盆地亚热带温润季风气候,四季分明,春秋短、冬夏长,雨量充沛,日照偏少,无霜期较长。
该区域年平均降雨量为1012.4mm,但时间分布上不均匀,大部分降雨量都集中于夏季,特别是6-9月为降雨集中期。
这一时期也是崇州市地质灾害高发期。
崇州市属于经济发达地区,人类经济活动频繁,特别是近年来,随着经济持续发展,人类工程活动越来越多,但由此也改变工程活动区域地质平衡。
根据调查结果显示,
在人类工程活动频繁区域,地质灾害相较其它区域发生概率要大的多。
2.2.3 诱发性规律自然因素的不平衡性、突发性以及人类不贵发的社会经济活动都是诱发或加重地质灾害发生的直接因素。
如每年夏季的强降水、地震的突发性、人类开挖坡脚修建道路形成的人工边坡都是诱发地质灾害发生的直接因素。
如统计数据显示,崇州市与人类工程活动有关的地质灾害点为43处,约占总地质灾害的37.07%。
3.地质灾害易发区划分及防治分区
根据崇州市在2008年后地质灾害现状及自然条件、地质环境以及人类各项活动基础上,建立地质灾害危险性评价模型,对评价区域地质环境、人文环境进行地质灾害危险性区划和防治。
3.1 地质灾害危险性划分
3.1.1 危险性评价模型
地质灾害危险性评价模型的建立采用统计分析方法—信息量评判法。
该方法通过某些因子对所提供的研究对象的信息量的计算所得的综合评价值来实现,亦即用信息量的大小来评价影响因子与研究对象关系的密切程度,其评价模型为[2]:
3.1.2 层次分析法
层次分析法最早由美国运筹学家Saaty教授于20世纪70年代初期提出的一种对指标进行定性定量分析的多准则决策方法。
它的主要优点就是定性和定量相结合、系统化、层次化的多目标决策方法,并能将数据、专家意见和分析者的客观判断直接有效地结合起来的一种灵活、适用的方法。
它的基本思路是:利用该领域多位专家的经验对每个因子进行比较判断和赋值得到一个判断矩阵,经过计算得到每一因子的权重值,并进行一致性检验。
通过对指标进行一对一的比较,可以连续进行并能随时改进,是比较方便有效的计算方法,其确定权重的工作程序如下[3,4]:
首先选定有丰富经验的专家对各因素的相对重要性进行评估打分,根据打分表,构造判断矩阵T:
式中:为评价因素集。
若因素ui与uj比较判断得uij,则因素uj与ui比较判断得uji=1/uij。
根据判断矩阵,利用线性代数知识,求出T的最大特征值所对应的特征向量,将特征向量进行归一化处理,即可求得权数的分配。
3.2 地质灾害危险性分区
地质灾害要真正做到以防为主,则首先必须明确认识到灾害的风险所在,风险程度如何,在此基础上提出防治的具体方案、措施,真正做到少投入、避风险、少损失[5]。
地质灾害风险评估是在地质灾害空间预测评价的基础上综合考虑人员、社会经济要素和抗灾能力的综合预测评价[6]。
本文在地质灾害评价模型计算结果基础上,结合实际调查资料,将崇州市划分为4类区域,分别为地质灾害高危险性、中危险性、低危险性以及无风险区域,见图1。
由于崇州市特殊的地理位置特点,区域范围内既有高山、丘陵也有平原地区,因此其地质灾害分布与地质、地形地貌具有较强相关性,因此,地质灾害治理要根据实际情况,一是要尽量考虑到地质灾害对自然环境的破坏;二是要重点考虑对当地人文环境及经济破坏;三是要统筹兼顾地区经济发展。
在地质灾害防治中,尽量集中财力、物力对重点灾害进行重点防治,做到有重点、分层次、分批次的地质灾害防治。
图1 崇州市地质灾害风险分区图
4.地质灾害防治建议
崇州市是地质灾害易发的区域、特别是西南部的高山与丘陵地区由于特殊地质环境与地貌形态,是滑坡、崩塌灾害的易发区。
从人文发展而言,该地质灾害易发区较其它区域人口密度较小,经济欠发达,因此,对于该区域灾害防治,一方面要尽力采取各类预防与治理措施;另一方面,要考虑实际情况(包括有限的财力与物力)及长久有效的防治效果,可适当将部分山区地质灾害严重区域居民搬离原址,在平坦区域重新选址建新的居民定居点。
在地质灾害防治上,要预
防为主,建立完善的地质灾害预警系统,做到灾害发生前能提取发出预警;灾害治理上,要重点突出,合理分配有限的财力和物力,尽最大努力保护当地人民生命财产安全。
参考文献:
[1]史培军.再论灾害研究的理论与实践[J].自然灾害学报.1996,5(4):6-15.
[2]杨君,唐红梅,罗红.南山风景名胜区地质灾害危险性分区评价[J].重庆交通大学学报
(自然科学版).2010,29(1):93-97.
[3]王以彭,李结松,等.层次分析法在确定评价指标权重系数中的应用[J].第一军医大学学
报,1999,19(4):377-379.
[4]蔡宪林,周爱国.地质环境质量评价中的专家-层次分析定权法[J].地球科学-中国地质
大学学报,1998,23(3):229-302.
[5]孙锡年.地质灾害风险评估研究[J].资源环境工程,2009,23(4):436-439.
[6]吴树仁,石菊松,张春山,等.地质灾害风险评估技术指南初论[J].地质通
报,2009,28(8):995-1005.
注:文章内所有公式及图表请以PDF形式查看。