森兰变频器维修
- 格式:doc
- 大小:24.50 KB
- 文档页数:4
变频器维修方法变频器作为一种重要的电力传动设备,在工业生产中起着至关重要的作用。
然而,由于长时间使用或者操作不当,变频器可能会出现各种故障,需要及时进行维修。
下面将介绍一些常见的变频器维修方法,希望能够对大家有所帮助。
首先,当变频器出现故障时,我们需要及时对其进行检查。
首先,检查变频器的外部线路和连接器是否松动或者损坏,需要确保连接牢固。
其次,检查变频器的散热器是否被堵塞,导致散热不良。
另外,还需要检查变频器内部的电路板和元件是否有明显的损坏或者烧坏现象。
通过这些检查,可以初步确定变频器故障的原因,为后续的维修提供依据。
其次,针对不同的故障原因,我们需要采取相应的维修方法。
如果是由于外部线路松动或者损坏导致的故障,我们需要重新连接线路或者更换损坏的连接器。
如果是散热器堵塞导致的故障,我们需要清洁散热器,并确保散热通畅。
对于电路板和元件的损坏,我们需要及时更换损坏的部件,并进行相应的调试和测试。
另外,对于一些常见的故障现象,我们也可以采取一些常规的维修方法。
比如,当变频器出现过载保护时,我们可以适当降低负载,或者增加散热措施,以解决过载问题。
当变频器出现短路故障时,我们需要检查输出端子是否短路,及时排除短路故障。
当变频器出现缺相故障时,我们需要检查输入端子的供电情况,确保三相电源正常供电。
最后,维修完成后,我们需要对变频器进行全面的测试和调试,确保其正常运行。
在测试和调试过程中,需要严格按照操作手册和安全规程进行,以确保人身安全和设备完好。
同时,还需要对维修过程进行记录和总结,为今后的维修工作提供经验和参考。
综上所述,变频器的维修工作需要我们对设备进行全面的检查、维修和测试,确保设备的正常运行。
希望以上介绍的变频器维修方法能够对大家有所帮助,也希望大家在使用变频器时能够严格按照操作规程进行,以确保设备的安全运行。
成都森兰变频器SB系列高性能通用型变频器专业维修400V级1.5~400KW以先进的科技和优质的产品为先导,快捷完美的售后服务作为保障;是专业从事工业自动化和交流变频器技术开发和经营的技术服务型企业。
本公司是一家年轻化、知识化、专业化的公司。
致力于为中国用户提供专业的解决方案,通过集成我们多年的技术、产品、经验,我们推出了能够在当今不断发展的复杂环境内有效、可靠和灵活运行的工厂自动化解决方法。
我们保持及大量的库存,能以最快速度满足用户。
本公司,同时拥有大规模的专业化变频器维修中心,专业维修日本台湾和欧美各国各款变频调速器。
高素质的维修工程师、科学的电脑化管理、大量的备件库存,为解决用户的燃眉之急提供了最快捷的方法。
本公司的产品和服务专门设计用来帮助客户提高、改善和运行工厂自动化系统。
始终坚持以“一流产品、最优价格、先进技术、完美服务”扩展市场,不懈地进行自我发展,精益求精。
我们相信,具有针对性的销售和市场推广、出色的产品质量、富有响应性的客户服务使友信能够最佳的满足客户需求。
■产品特点●高性能优化空间电压矢量V/F算法,效率高、噪音低、电磁干扰小●1.5~22KW内置制动单元,只需配制动电阻即可●双极性带修正功能的高性能PID,方便用于闭环控制●跟踪起动功能,离心机、脱水机等负载可以随时起动●内置恒压供水专用软件,无需扩展单元实现一控二循环投切恒压供水系统●可实现实时时钟控制■公共技术规范额定电压,频率---3相:380V,50/60Hz允许范围---电压:320~420V;电压不平衡度:〈3%;频率:47~63Hz输出电压---3相,0V~输入电压,误差小于5%输出频率范围---0.00~650Hz;模似给定:0.1%最大频率过载能力---110%额定电流1分钟频率分辨率---数字给定:0.01Hz(-10~+40)输出频率精度---模拟给定:2%最大频率(15-35摄氏度)数字给定:0.01Hz(-10~+40摄氏度)运行命令通道---操作面板给定、通讯、UP/D0ON调节值勤、AII、AI2、AI3、PFI频率给定通道---操作面板、通讯、UP/DOWN调节值、AII、AI2、AI3、PFI辅助频率给定---实现灵活的辅助频率微调、给定频率合成转矩提升---自动转矩提升、手动转矩提升V/F曲线---用户自定义V/F曲线、线性V/F曲线和5种降转矩特性曲线点动---点动频率范围:0.10~50.0Hz;点动加减速时间:0.1~60s自动节能运行---根据负载情况,自动优化V/F曲线,实现自动节能运行自动电压调整(A VR)---当电网电压在一定范围内变化时能自动保持输出电压恒定自动载波调整---可根据负载特性和环境温度自动调节载波频率随机PWM---降低输出谐波干扰瞬停处理---瞬时掉电时,通过母线电压控制,实现不间断运行直流制动能力---制动时间:0.0~60.0S,制动电流:0.0~100.0%额定电流PFI---最高输入频率:50KHzPF0---0~50Hz的集电开路型脉冲方波信号输出,可编程模似输入---3路模拟信号输入,电压型电流型均可选可正负输入模拟输出---2路模拟信号输出,分别0/4~20mA或0/2~10V,可编程数字输入---8路多功能数字输入数字输出---2路多功能集电极开路输出、5路多功能继电器输出通讯---内置RS485通讯接口,支持Modbus、USS协议过程PID---两套PID参数、多种修正模式供水功能---多种供水模式:消防控制、注水控制、清水池检测、污水池检测及污水泵控制、休眠运行、定时换泵、水泵检修、分时段给定压力控制等用户自定义菜单---可定义30个用户参数更改参数显示---支持与出厂值不同的参数显示计时电度表功能---便于调整最佳节能方案保护功能---过流、过压、欠压、输入和输出缺相、输出短路、过热、电机过载、外部故障、模拟输入掉线、失速防止等选配件---制动组件、操作面板延长线、远程控制盒、数字I/0扩展板、继电器扩展板带参数复制功能的操作面板(SB-PU70E)、中文液晶显示操作面板(SB-PU200等使用场所---海拔低于1000米,室内,不受阳光直晒,无尘埃、腐蚀性气体、可燃性气体、油雾、水蒸汽、滴水、盐雾等场合工作环境温度/湿度----10~+40/〈90%RH,无水珠凝结存储温度----20~+60C振动---小于5.9m/s*s防护等级----20摄氏度~-60摄氏度冷却方式---柜机IP50■规格型号SB200-1.5T4SB200-2.2T4SB200-4T4SB200-5.5T4SB200-7.5T4SB200-11T7SB200-15T4SB200-18.5T4SB200-22T4SB200-30T4SB200-37T4SB200-45T4SB200-55T4■应用领域广泛应用于纺织、印染、洗涤、线缆、包装、机械、陶瓷、恒压供水、恒温控制或各种0EM。
森兰变频器SB80系列故障代码详表209人阅读| 0条评论发布于:2010-6-21 8:59:00 故障代码故障现象/类型故障原因解决对策Er.ocb (1)起动瞬间过流电机内部有短路电机接线有短路逆变模块有损坏起动开始电压过高检查电机及接线检查电机连线寻求服务检查转矩提升设置Er.ocA (2)加速运行过流加速时间太短V/F曲线不合适对旋转中的电机进行再起动电网电压低;变频器功率太小延长加速时间调整V/F曲线或转矩提升设置设为转速跟踪起动等电机完全停止后再起动检查输入电源选用功率等级大的变频器Er.ocd (3)减速运行过流减速时间太短有势能负载或负载惯性转矩大变频器功率偏小延长减速时间外加合适的能耗制动组件选用功率等级大的变频器Er.ocn (4)恒速运行过流负载发生突变负载异常电网电压低变频器功率偏小加减速时间设置太短减小负载的突变进行负载检查检查输入电源选用功率等级大的变频器适当延长加减速时间Er.ouA ( 5)加速运行过压对旋转中的电机进行再起动减速时间太短输入电压异常设为转速跟踪起动等电机完全停止后再起动延长减速时间检查输入电源Er.oud (6)减速运行过压有势能负载或负载惯性大减速时间太短选择合适的能耗制动组件延长减速时间Er.oun (7)恒速运行过压加速时间设置太短负载惯性大输入电压异常输入电压发生了异常变动适当延长加速时间考虑采用能耗制动组件检查输入电源安装输入电抗器Er.ouE (8)待机时过压直流母线电压检测电路故障输入电压过高寻求服务检查输入电源Er.dcL (9)运行中直流母线欠压输入电源电压异常接入重载三相机型输入缺相或单相输入检查输入电源、负载或寻求服务Er.ouP (10 )控制电源过压输入电压异常检查输入电源或寻求服务Er.PLI (11 ) 输入侧缺相输入R.S.T有缺相输入三相不平衡检查安装配线检查输入电压Er.PLo (12 ) 输出侧缺相输出U.V.W有缺相检查输出配线检查电机及电缆Er.GFF (13 ) 输出侧接地输出U.V.W有接地电流检查输出配线检查电机及电缆Er.FoP (14)逆变模块保护变频器瞬间过流输出三相有相间短路或接地短路风道堵塞或风扇损坏环境温度过高控制板连线或插件松动辅助电源损坏,驱动电压欠压逆变模块桥臂直通;控制板异常参见过流对策重新配线疏通风道或更换风扇降低环境温度检查并重新连线寻求服务Er.oHI (15 )逆变桥散热器过热环境温度过高风道阻塞风扇损坏逆变模块异常降低环境温度清理风道更换风扇寻求服务Er.oHd (16 )整流桥散热器过热环境温度过高风道阻塞风扇损坏降低环境温度清理风道更换风扇Er.oHL (17 )电机过热环境温度过高电机风扇损坏通用电机长期低速大负载运行降低环境温度更换电机风扇长期低速运行,可选择专用电机Er.oLI (18)变频器过载加速时间太短直流制动电流过大V/F曲线不合适瞬停发生时,对旋转中的电机实施再起动电网电压过低负载过大延长加速时间减小直流制动电流调整V/F曲线和转矩提升量将F2-00 (起动方式)设置为转速跟踪起动功能检查电网电压选择功率更大的变频器Er.oLL (19 ) 电机过载V/F曲线不合适电网电压过低通用电机长期低速大负载运行电机过载保护系数设置不正确电机堵转或负载突变过大正确设置V/F曲线和转矩提升量检查电网电压长期低速运行,可选择专用电机正确设置电机过载保护系数检查负载Er.EEF (20 )外部故障外部故障端子闭合处理外部故障后断开外部故障端子故障代码故障现象/类型故障原因解决对策Er.oLP (21 )电机负载过重电机电流超出负载过重检出水平并超过检出时间检查负载检查负载过重检出水平和检出时间Er.ULd (22 )变频器欠载变频器输出电流小于欠载保护水平并超过检出时间检查负载检查欠载保护水平和检出时间Er.Col (23 )比较器1输出保护信号由比较器1产生-Er.Co2 (24 )比较器2输出保护信号由比较器2产生-Er.EEP (25) EEPROM读写故障控制参数的读写发生错误复位故障,重试,若问题仍然存在请寻求服务Er.coP ( 26)操作面板参数拷贝出错操作面板参数不完整或者操作面板版本与主控板版本不一致操作面板EEPROM 损坏重新刷新操作面板数据和版本,先使用A0-04 (参数拷贝)=11上传参数,再使用A0-04 (参数拷贝)=22或33下载,专用功能类似处理寻求服务Er.CFE (27 )通讯异常波特率设置不当串行口通讯异常故障报警参数设置不当上位机没有工作适当设置波特率按操作面板键复位,寻求服务修改CF-05 (通讯超时时间)、CF-06 (本机应答延时)及CF-07 (上位机通讯异常选择)的设置检查上位机工作与否、接线是否正确o (28)充电接触器异常电网电压过低接触器损坏上电缓冲电阻损坏控制回路损坏查电网电压更换主回路接触器,寻求服务更换缓冲电阻,寻求服务寻求服务F (29 )电流检测电路故障控制板连线或插件松动辅助电源损坏电流检测器件损坏放大电路异常检查并重新连线寻求服务寻求服务寻求服务Er.EIF (30 )系统干扰干扰严重主控板DSP读写错误按键复位或在电源输入侧外加电源滤波器按键复位,寻求服务Er.ArF (31 )自整定不良电机铭牌参数设置错误自整定超时按电机铭牌正确设置参数检查电机连线Er.Aco (32) AI1输入信号丢失接线故障或外部设备坏检查外部连线和外部设备Er.PGo (33 ) PG输入信号丢失光电码盘坏或与变频器的连线故障检查并更换损坏的光电码盘重新连线Er.oEr (34 ) 速度偏差过大指令与反馈速度偏差过大超出一定时间减轻负载加大加减速时间检查机械系统检查速度偏差设定值和检出时间是否合适Er.onP (35 ) 超速转速超出超速设定值一定时间调整ASR检查速度指令检查超速值和检出时间是否合适Er.rHo (36)热敏电阻开路热敏电阻断线检查热敏电阻连线Er.Abb (37)异常停机故障失速状态持续1分钟非操作面板下使用键停机正确设置运行参数E (38)控制故障电机参数设置不当检查电机参数进行自整定Er.E15 (39) E15 欠压——Er.rEF (40 ) AD基准欠压故障代码故障现象/类型故障原因解决对策Er.ucF (41) 输出电压检测故障一一Er.Iol (42)保留——Er.Io2 (43)保留——Er.PnL (44 )操作面板异常操作面板丢失或断线Er.rrl (45) 保留保留保留AL.oLL电机过载电机热模型检测出电机温升过高参照对应故障的对策AL.oLP电机负载过重电机电流超出负载过重检出水平并超过检出时间参照对应故障的对策AL.ULd变频器欠载变频器输出电流小于欠载保护水平超过检出时间参照对应故障的对策AL.oHL电机过热电机温度传感器检出的电机温度超过保护门限参照对应故障的对策AL.PnL操作面板丢失操作面板断线或未连接(通过端子输出报警信号)参照对应故障的对策AL.Aco AI1信号丢失AI1信号低于下限50%或掉线参照对应故障的对策AL.PLI变频器输入缺相输入缺相或三相不平衡参照对应故障的对策AL.PLo变频器输出缺相输出缺相参照对应故障的对策AL.CFE通讯异常软件检测的通讯异常参照对应故障的对策AL.EEP EEPROM 异常EEPROM读写错误参照对应故障的对策AL.CuL控制电源欠压控制电源异常(关机时显示此信息为正常)参照对应故障的对策AL.dcL直流母线欠。
变频器的常见故障及维修
变频器是一种能够在设定范围内自由调节电输入频率和电压的电器,是电器行业中的重要组成部分,但同时它也是导致电器故障的重要原因之一。
下面介绍几种常见变频器故障及其维修方法:
1、电源故障:这是变频器最常见的故障,可能是由于电线被断路或短路导致的,维修时应检查电源线是否有断开或短路的情况,如有的话应及时修复。
2、电子元件故障:电子元件故障是另一种常见的变频器故障,一般是由于元件电路路径积累的灰尘原因引起的,维修时应先检查一下有没有灰尘积聚,有的话应及时进行清理。
3、程序故障:如果当变频器在运行时出现不同的程序故障,可能是由于程序操作错误或设置不当造成的,应该及时重新编程进行配置,以恢复变频器的正常工作。
以上是变频器的三种常见故障,每种故障的维修方法不尽相同,应根据实际情况进行操作。
此外,为了防止出现以上故障,在安装完变频器后,应定期进行检查,把变频器保持在最佳状态,以避免出现故障现象。
变频器常用维修方法与步骤
变频器是工业生产中常用的设备,用于调节电机的转速和输出功率。
由于使用频繁,变频器可能会出现各种故障,需要进行维修。
以下是变频
器常用的维修方法和步骤。
1.停电:首先,确保变频器和相应设备处于停电状态,以确保维修安全。
2.检查供电:检查供电电源是否正常。
检查电源线路、开关断路器和
保险丝,确保电源供应稳定。
3.观察显示屏:变频器通常配有显示屏,用于显示故障代码和工作状态。
观察显示屏,检查是否有任何故障代码出现。
4.检查电缆连接:检查变频器的电缆连接是否稳固,没有松动的连接。
检查各个连接是否干净,无腐蚀和断裂。
5.检查散热系统:变频器在使用过程中会产生热量,散热系统的正常
运作对于变频器的稳定性至关重要。
检查散热器是否干净,并确保风扇正
常工作。
6.检查电机:检查变频器控制的电机是否正常工作。
检查电机是否有
异常声音、异味或过热的迹象。
7.重启变频器:如果显示屏上有故障代码出现,尝试重新启动变频器。
有时,故障代码只是因为暂时的问题而出现,重新启动变频器可能会清除
故障。
8.检查编程参数:如果变频器的显示屏上没有故障代码,但设备仍然无法正常工作,可能是编程参数设置错误。
检查编程参数,确保各项参数设置正确。
10.维修报告:在完成维修后,应对维修过程进行记录。
记录发生的故障、采取的措施和维修结果,以备将来参考。
变频器常见故障处理和维修方法变频器常见故障处理和维修引言在工业自动化领域中,变频器是一种常见的电力调节设备,用于控制电机的转速和输出功率。
然而,变频器在长期使用过程中可能会出现各种故障,影响设备的正常运行。
本文将详细介绍变频器常见故障处理和维修的各种方法。
1. 无法启动确认电源连接•检查电源线是否连接牢固;•确保电源插座正常供电。
检查开关状态•确保变频器的主电源开关处于打开状态;•检查控制面板上的启动按钮是否按下。
重启变频器•关闭变频器主电源开关,等待数分钟后再次启动;•若问题依旧存在,尝试进行变频器软复位操作。
2. 频率不稳定检查电源供应•检查电源线是否连接良好;•测量输入电压是否在变频器额定电压范围内。
检查输出电流•检查变频器输出电流是否正常;•若输出电流异常,检查驱动器和电机的绝缘情况。
调整PID参数•进入变频器参数设置界面,调整PID参数;•优化参数对频率控制的稳定性和精度。
3. 过载保护触发检查负载情况•确认负载是否超过变频器的额定输出功率;•检查负载的机械部件是否正常运转。
检查电机转子•检查电机转子是否卡住或受阻;•清理电机转子上可能存在的异物。
调整负载参数•进入变频器参数设置界面,根据实际负载情况进行调整;•提高或降低过载保护阈值,以适应不同负载。
4. 温度过高检查散热器状态•检查散热器是否被堵塞或堆积灰尘;•清理散热器,确保顺畅散热。
检查负载电机•检查负载电机是否存在过载或缺相的情况;•若存在问题,及时修复或更换电机。
调整风扇运行参数•进入变频器参数设置界面,调整风扇运行参数;•提高风扇转速或延长运行时间,以增强散热效果。
结论通过本文介绍的方法,你可以更好地处理和维修变频器常见故障。
然而,在处理故障时,请务必遵守相关的安全操作规程,并在必要时寻求专业人士的帮助。
希望本文对你有所帮助!。
变频器维修常见故障及维修方法在变频器修理时我们需要依据变频器的故障来推断,一般发生的故障和损坏的特征一般可分为:一种是在运行中频繁消失的自动停机现象,并伴随着肯定的故障显示代码,其处理措施可依据随机说明书上供应的指导方法,进行处理和解决。
这类故障一般是由于变频器运行参数设定不合适,或外部工况、条件不满意变频器使用要求所产生的一种爱护动作现象。
另一类是由于使用环境恶劣,高温、导电粉尘引起的短路、潮湿引起的绝缘降低或击穿等突发故障(严峻时,会消失打火、爆炸等特别现象)。
这类故障发生后,一般会使变频器无任何显示,其处理方法是先对变频器解体检查,重点查找损坏件,依据故障发生区,进行清理、测量、更换,然后全面测试,再恢复系统,空载试运行,观看触发回路输出侧的波形,当6组波形大小、相位差相等后,再加载运行,达到解决故障的目的。
1. 修理变频器整流块损坏变频器整流桥的损坏也是变频器的常见故障之一,早期生产的变频器整流块均以二极管整流为主,目前部分整流块采纳晶闸管的整流方式(调压调频型变频器)。
中、大功率一般变频器整流模块一般为三相全波整流,担当着变频器全部输出电能的整流,易过热,也易击穿,其损坏后一般会消失变频器不能送电、保险熔断等现象,三相输入或输出端呈低阻值(正常时其阻值达到兆欧以上)或短路。
在更换整流块时,要求其在与散热片接触面上匀称地涂上一层传热性能良好的硅导热膏,再紧固螺丝。
假如没有同型号整流块时,可用同容量的其它类型的整流块替代,其固定螺丝孔,必需重新钻孔、攻丝,再安装、接线。
2. 变频器充电电阻易损坏修理导致变频器充电电阻损坏缘由一般是:如主回路接触器吸合不好时,造成通流时间过长而烧坏;或充电电流太大而烧坏电阻;或由于重载启动时,主回路通电和RUN信号同时接通,使充电电阻既要通过充电电流,同时又要通过负载逆变电流,故易被烧坏。
其损坏的特征,一般表现为烧毁、外壳变黑、炸裂等损坏痕迹。
也可依据万用表测量其电阻(不同容量的机器,其阻值不同,可参考同一种机型的阻值大小确定)推断。
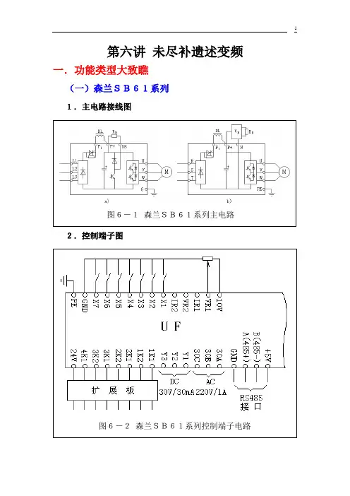
第六讲未尽补遗述变频一.功能类型大致瞧(一)森兰SB61系列1.主电路接线图图6-1森兰SB61系列主电路2.控制端子图图6-2森兰SB61系列控制端子电路3.面板与显示内容的切换图6-3面板与键盘操作4.功能结构5.功能预置图6-4显示内容的切换及功能预置(二)康沃CVF-G1系列1.基本接线图图6-5康沃CVF-G1系列接线图2.面板与键盘操作图6-6面板与键盘操作3.功能结构4.显示切换与功能预置图6-7显示切换与功能预置(三)明电VT230S系列1.基本接线图图6-8明电VT230接线图2.功能结构3.面板及功能预置图6-9面板及预置流程(四)VACON-CX系列1.基本接线图图6-10VACON-CX接线图2.功能结构3.面板及功能预置图6-11面板及预置流程一.功能类型大致瞧二.电源不符基频调(一)电动机额定电压为220V1.绕组为Δ形连接图6-12改变绕组接法2.绕组为Y形接法图6-13改变基本频率(二)额定频率为50∕60Hz图6-14电动机额定频率为50∕60Hz时的预置一.功能类型大致瞧二.电源不符基频调三.特殊故障有分教(一)空气开关跳闸1.变频器通电时跳闸的分析图6-15变频器通电时跳闸的原因分析2.运行过程中跳闸(1)变频器也跳闸──短路。
(2)变频器不跳闸──容量太小。
(二)机械振动图6-16机械振动原因分析(三)欠压原因图6-17欠压原因判断(四)模块损坏的判断1.整流模块的测量图6-18整流桥的测量(a)整流桥电路(b)测量方法表中,〇表示导通,×表示不通。
图6-19逆变模块的电路(a)逆变电路(b)测量方法图6-20示波器的隔离一.功能类型大致瞧二.电源不符基频调三.特殊故障有分教四.电压测量整流表(一)电磁式仪表测量变频电压图6-21电磁式仪表测量变频电压(二)数字式仪表测量脉宽调制电压图6-22数字式仪表测量脉宽调制电压(三)整流式仪表测量变频电压图6-23整流式仪表测量交流电压三.特殊故障有分教四.电压测量整流表五.经济效益要计较1.电机故障大减少鼠笼型异步电动机是所有电动机中故障率最低的。
维修变频器主要步骤变频器,又称为变速器,是控制交流电机运转的一种电器设备。
由于长期使用,变频器有时会出现故障,这就需要进行维修。
下面介绍维修变频器的主要步骤,以供参考。
一、检查变频器前的供电线路变频器故障可能与供电线路有关,所以在维修之前应该检查一下线路。
具体方法是查看电源插头是否插牢,检查插座、插头是否有松动,检查配电柜中的熔断器是否损坏或断开。
二、进行电机的开路测试变频器有可能会由于电机线圈短路而引起故障。
为此,需要拆下变频器,分别测试电机的U/V/W端点,测定电阻值是否正常。
如果电阻值超出了正常值范围,那就说明电机线圈存在短路情况。
需要将故障线圈进行查找并更换或修复。
三、检查电机的转子变频器也有可能故障是由于电机转子损伤引起的。
比如长期过载、超速运行、过温等情况会造成转子损伤。
检查电机转子时,可以借助转子测试仪进行测量,如果测量结果超出范围,就需要更换损坏的转子。
四、进行控制板的检测控制板是控制变频器电机运行速度的核心部件,若控制板损坏,变频器也就不能正常工作。
在维修变频器中,需要对控制板进行分析和测试。
例如,如果使用的是数字型变频器,则可以之间在控制板上查看LED灯指示灯的状态。
五、进行断路器的检查和更换断路器是起着过载保护和短路保护作用的电器部件,若断路器损坏,变频器也就不能正常工作。
在维修变频器过程中,需要对断路器进行检查和更换。
具体方法是按照断路器说明书上的步骤进行检查,如果发现故障,就需要更换或修理。
六、检查电容器的情况电容器是变频器中的重要部件,可以帮助电机起动及维持电机正常运行。
若电容器损坏,那么变频器也会受到影响。
在维修过程中,需要对电容器进行检查,若发现故障,就需要更换或修理。
变频器常用维修方法与步骤变频器是一种将固定频率的电源交流电转换为可调节频率和电压的交流电的电力调节装置。
在使用变频器的过程中,有时会发生故障,需要进行维修。
下面是变频器常用的维修方法和步骤:第一步:故障检查1.观察变频器的显示屏,查看是否显示异常信息或报警信息。
2.检查变频器的供电情况,确认是否正常供电。
3.检查整个电路系统的接线情况,确保线路连接正确。
4.检查变频器的冷却器及风扇是否正常运行,确保散热正常。
5.检查变频器的内部元件是否有烧坏或短路现象。
第二步:故障排除1.根据显示屏上的报警信息,参考变频器的说明书,找到对应的故障原因和解决方法。
2.检查变频器的保护功能,如过载保护、短路保护等,尝试解除保护状态。
3.检查变频器的控制面板,查看参数设置是否正确,重新设置参数。
4.针对一些特定故障,可以尝试断电重启,重新启动变频器。
5.对于一些小型的故障,如松动的连接线、接触不良等,可以进行简单的维修,如重新插拔连接线,清洁接触面等。
第三步:更换故障部件1.根据故障排除的结果,确定需要更换的故障部件。
2.打开变频器的外壳,找到故障部件的位置,并拔下相关连接线。
3.用专用工具或手工将故障部件取下,并安装新的部件。
4.连接新部件的相关线路,并确保连接牢固。
第四步:测试和试运行1.重新连接变频器的电源。
2.对变频器进行一系列的测试,如连接了外部设备后检查是否正常运行。
3.进行一定时间的试运行,并观察变频器的运行状态,检查是否还存在其他问题。
第五步:记录和报告1.对维修过程中的检查、排除、更换等步骤进行详细记录,包括故障现象、检查结果、维修过程等。
2.如果故障无法解决或需要更换重要零件,应及时向上级报告,并按照要求上报相关维修记录。
总结:变频器的维修需要对电气知识和维修技能有一定的了解。
在进行维修过程中,需要注意安全,遵循相关的维修操作规程。
如果遇到较复杂的故障,建议请专业的技术人员进行维修。
及时进行维修和保养,可以延长变频器的使用寿命,提高设备的稳定性和效率。
变频器维护和修理10大法,学习变频器维护和修理入门全靠它变频器维护和修理学习方法有很多,但方向不对努力白费,所以捉住方向很紧要,为了让大家更快的把握变频器维护和修理学问,这里供给变频器维护和修理的十种学习方法给大家。
1、报警参数检查法〖例1〗某变频器有故障,无法运行并且LED显示“UV”(undervoltage的缩写),说明书中该报警为直流母线欠压。
由于该型号变频器的掌控回路电源不是从直流母线取的,而是从交流输入端通过变压器单独整流出的掌控电源。
所以判定该报警应当是真实的。
所以从电源入手检查,输入电源电压正确,滤波电容电压为0伏。
由于充电电阻的短路接触器没动作,所以与整流桥无关。
故障范围缩小到充电电阻,断电后用万用表检测发觉是充电电阻断了。
更换电阻立刻就修好了。
〖例2〗有一台三垦IF11Kw的变频器用了3年多后,偶然上电时显示“AL5”(alarm5的缩写),说明书中说CPU被干扰。
经过多次察看发觉是在充电电阻短路接触器动作时显现的。
怀疑是接触器造成的干扰,在掌控脚加上阻容滤波后果真故障不再发生了。
〖例3〗一台富士E9系列3.7千瓦变频器,在现场运行中蓦地显现OC3(恒速中过流)报警停机,断电后重新上电运行显现OC1(加速中过流)报警停机。
我先拆掉U、V、W到电机的导线,用万用表测量U、V、W之间电阻无穷大,空载运行,变频器没有报警,输出电压正常。
可以开端断定变频器没有问题。
原来是电机电缆的中部有个接头,用木版盖在地坑的分线槽中,绝缘胶布老化,工厂打扫卫生进水,造成输出短路。
〖例4〗三肯SVF303,显示“5”,说明书中“5”表示直流过压。
电压值是由直流母线取样后(530V左右的直流)通太过压后再由光耦进行隔离,当电压凌驾肯定阀值时,光耦动作,给处理器一个高电平。
过压报警,我们可以看一下电阻是否变值,光耦是否有短路现象等。
由以上的事例当中不难看出,变频器的报警提示对处理问题有多么紧要,提示你正确的处理问题的方向。
变频器维修方案与步骤嘿,朋友们!咱今天就来讲讲变频器维修那点事儿。
这变频器啊,就好比是机器的“心脏”,要是它出了毛病,那机器可就没法好好工作啦!你想想看,这变频器平时多辛苦呀,一直在那默默工作,给机器提供稳定的动力。
可有时候它也会闹点小脾气,这时候就得咱出马去哄哄它啦。
比如说,咱遇到变频器显示不正常的情况。
哎呀呀,这就像是人脸上长了奇怪的东西,让人一眼就看出来有问题啦。
那咱就得仔细瞅瞅,是线路松了呢,还是啥零件出了岔子。
就像咱自己身体不舒服,得找找是吃坏了肚子还是着凉了一样。
要是听到变频器发出奇怪的声音,那可得注意咯!这就好像人在哼哼唧唧,肯定是哪里不舒服呀。
这时候咱就得耐心听听,是“嗡嗡”声呢,还是“滋滋”声,不同的声音可能代表着不同的问题呢。
还有啊,要是变频器突然不工作了,那可真是急死人咯!这就好比一辆车突然抛锚在路上,走也走不了。
这时候咱可不能慌,得冷静下来慢慢排查。
是不是电源出问题啦,还是内部的某个元件罢工啦。
维修变频器就像是医生给病人看病,得有耐心,还得有技术。
咱得小心地拆开它,就像拆一个珍贵的礼物一样,可不能粗鲁哦,不然把它弄疼了可不好。
然后仔细检查每一个零件,看看有没有磨损的、烧坏的。
这就跟咱检查身体一样,从头到脚都得看看有没有毛病。
要是发现了有问题的零件,那咱就得赶紧给它换咯。
这就好比给人换个新器官一样,得找个合适的,不然可不行。
换好零件后,再小心翼翼地把它装回去,就像给宝贝穿衣服一样。
咱还得定期给变频器做保养呢,就像咱自己要定期体检一样。
给它清清灰呀,检查检查线路呀,让它一直保持健康的状态。
总之呢,维修变频器可不是一件容易的事,但只要咱有耐心、有技术,就一定能把它修好,让它重新活力满满地工作。
咱可不能小瞧了这小小的变频器,它可是机器的大功臣呢!所以呀,大家一定要好好对待它,让它为我们服务更长时间哦!这就是我关于变频器维修的一些经验和看法,大家觉得怎么样呢?。
变频器维修故障经验分享变频器维修是一项专业技术含量,变频器出现故障都会有一些代码,那我们知道代码又如何维修,网上很多都是提供都是代码表格,有些朋友不知道如何处理无从下手。
今天我分享跟大家一些变频器维修流程和相关的案例印刷机上一台TOYODENKI ED64SP型智能变频器显示“PER1”故障代码,怎样维修?根据ED64SP型智能变频器显示“PER1”故障代码,应该是变频器检测到编码器中的U、V、W相信号出现错误。
因此,拆掉编码器检查,发现是元器件性能不良所致。
于是更换新的编码器后,调整好后试机,一切正常。
一台森兰SB12变频器显示“FL”怎样维修?根据森兰SB12变频器显示“FL”,说明故障类型属于模块故障,故障原因有输入电压太低,负载太大,短路或接地,变频器内有故障。
根据先易后难的原则,可以先检查输入电源、增大变频器容量,然后再考虑变频器内有故障。
于是检查输入电源发现电压不够,等电压恢复后,试机一切正常。
.怎样维修丹佛斯FC-302变频器送电显示“W66”故障?根据显示代码“W66”的故障含义是散热片温度低。
散热片温度低的原因有温度传感器异常温度传感器检测回路异常、风机故障、内部环境异常。
经断电拆机后,发现变频器内部有油污,并且温度检测线路有元器件损坏。
更换损坏件以及清除油污后,装好试机,一切正常。
怎样维修丹佛斯VLT5011变频器显示ALARM4”故障?根据显示代码“ALARM4”故障的原因有主电源断相、整流模块损坏、电解电容损坏。
经检查发现整流模块到底板的连接线底板侧有一插头打火痕迹,出现插头、装好变频器后试机,一切正常。
一台森兰SB40变频器上无显示,按复位键显示“OLE”怎样维修?根据森兰SB40变频器显示“OLE”,说明故障类型属于外部报警,故障原因是外部电路有故障,一般是外部热敏电阻端子没有与COM短接。
经连接好后,试机,一切正常。
老姚书馆馆提供。
变频器的常见故障以及维修方法详解变频器是一种电气设备,被广泛应用于工业生产中,用来调节电动机的转速和转矩。
然而,由于长时间的工作和外部环境影响,变频器也会出现一些常见的故障。
本文将详细介绍变频器的常见故障以及相应的维修方法。
1.过热故障:变频器内部温度过高,超出正常范围。
可能的原因包括风扇故障、散热器堵塞、环境温度过高等。
维修方法包括清理散热器、更换风扇、调整环境温度等。
2.过载故障:变频器输出电流超过了额定值,导致设备停机保护。
可能的原因包括负载过大、电网电压不稳定等。
首先检查负载是否过大,然后调整负载大小或安装稳压器进行调节。
3.电网故障:电网故障包括电源电压波动、电压不平衡等。
变频器对电网异常非常敏感,可能会导致电机无法正常工作。
检查电网电压、电源线路,调整电压或更换电源线。
4.过电压/欠电压故障:电压超出或低于变频器的额定范围。
可能的原因包括供电电压不稳定、线路老化等。
检查供电电压,调整电压范围或更换线路。
5.电机故障:包括电机起动困难、转速不稳定、转矩输出不足等。
可能的原因包括电机本身故障、转子不对称、轴承磨损等。
检查电机状态,修复或更换电机部件。
6.控制板故障:包括芯片损坏、电路板接触不良等。
可能的原因包括长时间工作、电磁干扰等。
检查控制板,更换有问题的部件。
7.缺相故障:即电机无法正常引起转动。
可能的原因包括电机接线错误、电源线路故障等。
检查电机接线,修复或更换电源线。
维修变频器时需要遵循的基本步骤包括:1.对故障进行仔细的排查和判断,确定故障原因。
2.关闭电源,并确保设备处于安全状态。
3.根据故障原因进行相应的修复和更换零部件。
4.在维修完成后,对设备进行全面检查和测试,确保故障已经解决。
5.启动设备,观察其运行情况,确保一切正常。
综上所述,变频器的常见故障包括过热、过载、电网异常、电压问题、电机故障、控制板故障和缺相等。
维修方法包括清理散热器、更换零部件、调整电压范围等。
在维修时需要注意用电安全,对故障进行仔细判断,并进行全面的检查和测试。
变频器如何维修变频器(变频驱动器)是一种用于控制电机转速和输出电压频率的电力调节设备。
与传统的固定频率供电相比,变频器能够根据实际需求调整电机转速和输出频率,实现能耗的有效控制和高效率的运行。
然而,变频器的长期使用可能会出现一些故障,需要进行维修。
下面将介绍变频器的维修过程与步骤。
1.故障现象分析:首先,需要仔细观察变频器的故障现象,包括电机是否有异常声音、电机是否能够正常启动、输出电压频率是否正确等。
通过对故障现象的观察和分析,可以初步判断故障的原因和范围。
2.故障诊断:根据故障现象的初步判断,针对可能出现的问题进行深入的故障诊断。
可以通过使用专业的测试仪器和技术手段,对变频器的各个部件和功能进行测试和检查,以确定故障的具体原因。
3.维修方案确定:在进行故障诊断的基础上,制定维修方案。
根据故障的原因和范围,确定维修所需的材料和工具,以及维修所需的时间和人员安排。
同时,制定适合的维修步骤和措施,确保维修的高效进行。
4.维修操作:根据维修方案,进行具体的维修操作。
根据故障的原因和范围,可能需要更换或修复变频器的一些部件,例如电容、电阻、集成电路等。
在维修过程中,需要注意安全操作,避免电击和其他危险。
5.维修测试:在完成维修操作后,需要进行维修测试,确保变频器的正常运行。
可以使用测试仪器对变频器的各个功能进行全面的测试,以验证故障是否被完全解决。
测试过程中,需要注意观察测试结果,并根据需要进行进一步的调整和修正。
6.故障分析与预防:在完成维修测试后,对故障的原因和范围进行分析,总结经验教训,并提出故障预防的建议。
通过对故障的分析与预防,可以降低故障的发生率,提高变频器的可靠性和稳定性。
需要注意的是,变频器是一种复杂的电气设备,维修操作需要有专业的知识和技能。
对于一些较为复杂的故障,可能需要请专业的维修人员进行操作。
此外,维修过程中需要严格遵守安全操作规程,并确保电源已经切断和相关部件已经放电,避免发生电击和其他安全事故。
在变频器日常维护过程中,经常遇到各种各样的问题,如外围线路问题,参数设定不良或机械故障。
如果是变频器出现故障,如何去判断是哪一部分问题,怎样快速解决这些故障是需要清楚的。
下面就以森兰变频器为例,给大家介绍一下变频器维修检测常用的方法。
一、静态测试1、测试整流电路找到变频器内部直流电源的P端和N端,将万用表调到电阻X10档,红表棒接到P,黑表棒分别依到R、S、T,应该有大约几十欧的阻值,且基本平衡。
相反将黑表棒接到P端,红表棒依次接到R、S、T,有一个接近于无穷大的阻值。
将红表棒接到N端,重复以上步骤,都应得到相同结果。
如果有以下结果,可以判定电路已出现异常,A.阻值三相不平衡,可以说明整流桥故障。
B.红表棒接P端时,电阻无穷大,可以断定整流桥故障或起动电阻出现故障。
2、测试逆变电路将红表棒接到P端,黑表棒分别接U、V、W上,应该有几十欧的阻值,且各相阻值基本相同,反相应该为无穷大。
将黑表棒接到N端,重复以上步骤应得到相同结果,否则可确定逆变模块故障。
二、动态测试在静态测试结果正常以后,才可进行动态测试,即上电试机。
在上电前后必须注意以下几点:1、上电之前,须确认输入电压是否有误,将380V电源接入220V级变频器之中会出现炸机(炸电容、压敏电阻、模块等)。
2、检查变频器各接播口是否已正确连接,连接是否有松动,连接异常有时可能导致变频器出现故障,严重时会出现炸机等情况。
3、上电后检测故障显示内容,并初步断定故障及原因。
4、如未显示故障,首先检查参数是否有异常,并将参数复归后,进行空载(不接电机)情况下启动变频器,并测试U、V、W三相输出电压值。
如出现缺相、三相不平衡等情况,则模块或驱动板等有故障。
5、在输出电压正常(无缺相、三相平衡)的情况下,带载测试。
测试时,最好是满负载测试。
三、故障判断1、整流模块损坏一般是由于电网电压或内部短路引起。
在排除内部短路情况下,更换整流桥。
在现场处理故障时,应重点检查用户电网情况,如电网电压,有无电焊机等对电网有污染的设备等。
森兰变频器维修|森兰变频器厂家直销|变频器价格特价|大量批发变频器|维修成都变频器SB150系列变频器
SB150是森兰推出的精致、实用型变频器,外观精致小巧,电路精致完善,功能简洁实用,菜单划分清晰合理。
SB150的核心集成了森兰高性能优化空间矢量变压变频算法,具有自动转矩提升、滑差补偿、振荡抑制、跟踪起动、失速防止、精确死区补偿、自动稳压、过程PID、自动载频调整等高级功能,可以适用于大多数工业控制场合。
产品特点:
◆高性能优化空间电压矢量V/F算法,效率高、噪音和电磁干扰小
◆内置制动单元,全系列共直流母线设计
◆双极性带修正功能的高性能PID,方便用于闭环控制
◆跟踪起动功能,离心机、脱水机等负载可以随时起动
◆增强的电磁兼容性
◆内置RS485通讯接口,支持Modbus协议
◆过载能力:150%额定电流1分钟
应用领域:
广泛应用于医药、食品、纺织、印染、洗涤、线缆、包装、机械、陶瓷、供水、离心机、传送带、脱水机等。
SBH系列高压变频器
SBH系列高压变频器是希望森兰科技股份有限公司自主开发的新一代高性能、多功能单元串联高压变频器,具有高功率因数、高可靠性、高效率、低谐波含量、低损耗、易维护、占地少等特点,是高压直接输入,逆变高压直接输出的“高-高”型高压变频器,适用于普通三相高压感应异步电动机,可广泛用于冶金、电力、机械、造纸、建材、化工、石油、制药、矿山等领域。
3000-11000V
性能特点:
◆高节电率:风机水泵等平方转矩负载的变速驱动,可大幅度节省电能
◆高效率:逆变效率>98.5%,整机效率>97%
◆高功率因数:输入功率因数>0.95,无需功率因数补偿装置
◆高可靠、长寿命:设计寿命20年,平均无故障工作时间MTBF>100,000小时,平均修复时间MTTR<10分钟
◆无需输出滤波器:输出电压谐波<3%,无需输出滤波器,适用于新的或原有的普通高压电机
◆电机控制模式:无PG V/F控制、有PG V/F控制
适用领域:
森兰高压变频器的卓越性能和高可靠性体现在以下各行业的广泛应用:
电力:引风机、一次风机、排粉机、给水泵、凝结泵、循环泵、灰浆泵
市政、污水处理:取水泵、输送泵、供水泵、污水泵、净化泵、清水泵
矿山:矿井风机、水泵
石油、化工行业:主管道泵、注水泵、混合泵、引风机、卤水泵、潜油泵、循环水泵
冶金:除尘风机、鼓风机、冲渣泵、结晶泵、净化泵、除垢泵、SO2风机、送风机
有色金属:风机水泵、油泵输送系统、除尘风机
建材:窑炉引风机、窑炉供风机、窑尾风机、窑头风机、除尘风机
造纸:水泵、纸浆泵、打浆机
其它:一般工业恒转矩负载及其它行业各类风机水泵、各种实验设备的调速控制与节能减排改造
SB70高性能矢量控制变频器
200V,400V,690V,1140V,0.4-1100KW
产品特点:
◆集成高精度转子磁场定向矢量控制算法,具有250%瞬时转矩控制能力
◆独创的多模式PLC运行功能,特别适合工业洗涤设备、制造设备应用
◆实用的多段速功能:两套参数,可根据运行频率进行参数过渡:多种修正模式,可满足拉丝机、纺织、造纸、印染行业等张力卷绕、同步控制的需求:具有自由PID功能,可取代外部PID控制器
◆具有强大的用户可编程模块
◆丰富的扩展选件:编码器接口板、I/O扩展板、可参数复制的操作面板(SB-PU70E)等应用领域:
广泛应用于冶金、石油、化工、纺织、电力、建材、煤炭、医药、食品、造纸、塑料、印染、起重、线缆、洗涤、供水、暖通、污水处理等行业,如:拉丝机、搅拌机、挤出机、卷绕机械、压缩机、风机泵类、研磨机、传送带、提升机、离心机。
功率范围:壁挂式为11~75kW,柜机为11~90kW
产品特点:
◆四路注塑机专用模拟量输入,均采用电隔离输入,提高抗干扰能力
◆注塑机专用功能,使注塑机运行在最佳状态,满足工艺要求,节约电能
◆内置变频/工频转换开关,转换灵活,方便用户进行工频和变频之间的切换
◆操作方便:生产中不需要对节能器进行调整,全程自动跟踪控制
◆降低噪音:改造后设备噪音降低,作业环境得到改善
◆延长整机寿命:变频节能器控制速度标准稳定,软启动(无电网冲击),减轻开锁模震动,避免设备撞击,降低油温,延长密封件使用周期,使得整机寿命得到延长
◆核心部件大部分为进口的各类名牌器件,处理器为高速DSP数字处理器,保证了整机运行时的高质量和高稳定性
◆柜式一体化结构带滚轮,便于安装和移动
应用领域:
特别适合用于各种注塑机、挤出机、圆盘注射机等设备的配套与更新。
一般情况下,可取得25%~60%以上的节能效果。
SB60+/SB61+新全能王系列矢量控制变频器
功率范围:0.75-600KW
产品特点:
无速度传感器矢量控制技术和拟超导技术,0.5Hz可输出100%转矩
◆自动测试电机参数,自动节能运行
◆瞬时停电再启动
◆简易PLC控制,内置PID,简化用户外部电路设计
◆A VR功能,自动调节电压,使电机始终保持最佳运行状态
◆内置RS485通讯接口,同时提供Modbus厂家协议和兼容Uss协议
◆P系列内置一拖多模块,轻松实现多泵控制
应用领域:
各种抽油机、磨削机、冶金机械、混合搅拌机、造纸机械、拉丝机、卷曲控制、化纤高速精纺等位势负载、快速大动态变化负载、高速、高精度速度控制、转矩控制系统、位置控制系统等。
SB100精致、实用型通用变频器
功率范围:0.4~22KW
产品特点:
高性能优化空间矢量变压变频算法,效率高、噪音和电磁干扰小
◆重载应用150% 1min;一般应用110% 1min,充分发挥变频器的输出能力
◆全系列内置制动单元,全系列共直流母线设计
◆双极性带修正功能的高性能PID,方便用于闭环控制
◆跟踪起动功能,离心机、脱水机等负载可以随时起动
应用领域:
广泛应用于纺织、印染、洗涤、线缆、包装、机械、陶瓷或各种OEM
SB80工程型矢量控制变频器
三相输入400V级,功率范围:1.5-110KW
产品特点:
A、B型内置直流电抗器,功率因素0.94,电源输入谐波小,并能有效抑制浪涌电压,延长
内部电路元件的寿命
◆通过公共直流母线可实现逆变回馈功能
◆15kW以下内置动态制动单元
◆采用世界超高性能的32位150MIPS的电机控制专用DSP和森兰自主开发的实时嵌入
式操作系统软件
◆采用精确磁通观测器的转子磁场定向有速度传感器和无速度传感器矢量控制算法
◆全功能可靠保护和故障自诊断
应用领域
广泛应用于造纸、纺织、印刷机械、钢带、胶片、涂装设备等调速范围大、精度高、需要张力控制的过程控制领域;电梯、起重机、提升机、停车设备或立体车库等需要高速运转、高起动转矩和位置控制的提升控制领域;工程机械、拉丝机、挤压机、传输设备等需要高速运转、高起动转矩和位置控制的机器控制领域。
SB200系列高性能通用型变频器
400V 1.5~400Kw
产品特点:
高性能优化空间电压矢量V/F算法,效率高、噪音低、电磁干扰小
◆1.5~22kW内置制动单元,只需配制动电阻即可
◆双极性带修正功能的高性能PID,方便用于闭环控制
◆跟踪起动功能,离心机、脱水机等负载可以随时起动
◆内置恒压供水专用功能,无需扩展单元实现一控二循环投切恒压供水系统
◆可配置中文液晶显示操作面板,具有良好的人机对话界面
◆可实现实时时钟控制
应用领域:
广泛应用于纺织、印染、洗涤、线缆、包装、机械、陶瓷、恒压供水、恒温控制或各种OEM。