一种液压卡盘的设计与制造
- 格式:pdf
- 大小:312.63 KB
- 文档页数:1
去液压站脚踏开关X1 接线端子适用配置 GSK980TD-b / c / iP E U 5V 5W 5220V 0Y V 1Y V 2L -C H K +24VU 5/V 5/W 5/P E /220V /0/Y V 1/Y V 2/L -/C H K /+24V/A B C D EABCDE功能文本线号线号目标代号目标代号短连接短连接内部目标外部目标放置=+-X1+HY-X1:1U51油泵电机U5-KM5:2/1.2:C+HY-X1:2V52=V5-KM5:4/1.2:C+HY-X1:3W53=W5-KM5:6/1.2:C+HY-X1:4PE4=PE-PE/1.2:C+HY-X1:5220V5冷却风机220V-Q2:2/1.3:B+HY-X1:606=0-XT1:0/1.6:D0-V1:N/1.4:B+HY-X1:7YV17卡盘卡紧+HY-X1:8YV28卡盘松开+HY-X1:9L-9=L--V1:0V/1.4:B-S1:NO CHK10脚踏开关-S1:COM+24V11=+24V-FX-G(980TDb36)-XT4:+24V/2.1:B+24V-U1:COM/2.5:C适用配置 GSK980TD-b / c / iA B C D EABCDE功能文本线号线号目标代号目标代号短连接短连接内部目标外部目标放置=+HY-X1-M5:U5U51油泵电机U5-X1:1+/1.2:D-M5:V5V52=V5-X1:2+/1.2:D-M5:W5W53=W5-X1:3+/1.2:D-M5:PE PE4=PE-X1:4+/1.2:D-FAN:1220V5冷却风机220V-X1:5+/1.3:D-FAN:206=0-X1:6+/1.3:D-YV1YV17卡盘卡紧YV1-X1:7+/1.4:D-YV2YV28卡盘松开YV2-X1:8+/1.4:D-YV2L-9=L--X1:9+/1.5:D适用配置 GSK980TD-b / c / iA B C D EABCDE 元件汇总表元件代号型号描述制造商数量1交流接触器,9A/4KW/3P+1NO+1NC,线圈110VAC;CJX2s-0911F德力西-KM51电动机保护器,3P+1NO+1NC,2.5~4ADZ108-20/4-11德力西-Q11小型断路器,1P,1A;DZ47sN1D1德力西-Q2ENCHI1加厚铝合金防护,式脚踏开关,NO+NC,15A/250V。
目录1 卡盘结构及原理 (1)1.1 结构 (1)1.2 原理 (2)2 主要零件的制造要点 (3)3 液压卡盘的设计要求 (3)4 液压卡盘的结构 (4)5 液压卡盘的工作原理 (5)6 液压卡盘的工作原理 (6)7 主要参数设计 (7)7.1 液压卡盘承载力的确定 (7)7.2 卡瓦对钻杆的夹紧力Q (8)7. 3 蝶形弹簧的轴向推力F 的计算 (8)7.4 设计蝶形弹簧 (10)7.5 活塞行程S 的确定 (10)7.6夹紧包角 (13)7.7夹紧力与夹紧油压 (13)7.8转动丝杆之驱动力矩 (16)7.8.1 驱动活塞产生有压缩需要力矩 (16)7.8.2丝杆与缸盖的止推摩擦力矩 (17)8 液压控制系统的设计 (18)9结束语 (19)10参考文献 (20)液压卡盘的设计与控制液压卡盘是钻机的一个主要部件,其功能是夹紧钻机上的钻杆,并向钻杆传递转矩和轴向力,驱动钻具实现回转和给进,完成加减压钻进。
本文结构介绍液压卡盘的原理及制造要点。
1 卡盘结构及原理1.1 结构卡盘的结构如图1 所示,主要由活塞杆1、座板2、滚轮3、卡盘座4、销轴5、螺栓组件6、转动板7、压轮架8、连杆9、螺母10 和卡盘爪11 等组成(油缸部分没有画出)。
连接方式为:座板和压轮架夹住滚轮,滚轮两端穿入转动板的孔中,活塞杆穿入座板和压轮架中心孔并由螺母锁紧,转动板的另外两个孔分别用螺栓组件与卡盘座和卡盘爪连接,连杆也分别用销轴与卡盘座和卡盘爪连接。
从图1 中可以看出,当活塞杆在液压的作用下作轴向运动时,带动滚轮既沿卡盘轴向又沿卡盘径向远动,实际上滚轮是绕卡盘座的定点转动,也就是转动板在滚轮的带动下绕卡盘座的定点转动,卡盘爪在转动板的带动下同时又受连杆的限定既沿卡盘轴向又沿卡盘径向远动,保证卡盘爪可靠撑住物体1.2 原理卡盘的工作原理如图2 所示:该机构是一个平行四杆机构,AD (卡盘座)静止,AB =DC,AD=BC,A、D两点为定点,当AB(转动板)绕A 点转动时,DC(连杆)在BC(卡盘爪)的带动下绕D 点也就是在该平行四杆机构中,AB、DC 作转动,BC 作平动。
轿车等角速万向节典型零件的制造工艺作者:机械工业第九设计研究院鲁立明来源:AI汽车制造业现代轿车多采取发动机前置、前轮驱动的总体布置形式,前轮既是转向轮又是驱动轮。
作为转向轮,要求它能在最大转角范围内任意转动某一角度;作为驱动轮,则要求驱动轴在车轮偏转以及车轮相对于主减速器上下运动过程中,不间断地把动力从主减速器传到驱动车轮上。
因此,其驱动轴不能制成整体而要分段,并且要用万向节连接,以适应行驶时驱动轴各段交角变化的需要。
为保证驱动轴两端角速度变化均匀,其万向节必须能实现等速传动,即等角速万向节(CVJ)。
由于现代轿车的前轮大都采用独立悬架,则靠近差速器处和靠近车轮处均需有等角速万向节,其功能是将发动机经变速器传出来的扭矩均匀地传给驱动轮,同时还要满足由于车轮跳动而引起的轴向伸缩和转向要求。
等角速万向节的分类常用的轿车等角速万向节有两种,分别为:球笼式,即RF型,用在车轮一侧,有等速作用,无轴向滑动;筒式,即VL型,用在变速器差速器一侧,既有等速作用又能轴向滑动。
前轮驱动用的等角速万向节驱动轴(亦称半轴)位于驱动桥差速器和前轮之间,图1给出了这种传动系的构成简图。
扭矩经差速器的内半轴①、VL等角速万向节②、中半轴③、RF等角速万向节④、前轮毂⑤传至驱动轮。
图1 轿车等速万向节驱动轴典型零件的制造工艺1.外半轴外环(1)零件特点及毛坯加工外半轴外环(见图2)也称外星轮、钟形壳,是一个带有花键轴的钟形零件。
钟的内腔由球道和球面构成,内球面的球心为O。
在A-A剖面中,球道的曲线为以A为圆心的圆弧,A与O的偏心距为l1。
图2 外半轴外环外半轴外环的材料和毛坯为CF53,锻件,单件净质量为。
毛坯加工采用锻造方式,经过棒材切断、加热、辊锻、制坯、预锻、终锻等几道工序,然后经过正火处理和喷丸处理。
(2)机械加工工艺过程方案一:粗、精车外轴颈及端面(CNC车床)→车内圆、端面(CNC车床)→搓花键(搓齿机)→清洗(清洗机)→铣球道(球道铣床)→感应淬火(中频感应淬火机床)→回火(回火炉)→磨端面、外圆(端面外圆磨床)→磨内球面(内球面磨床)→磨球道(球道磨床)→终检。
组合式数控机床1范围本文件规定了组合式数控机床的术语和定义、基本参数、精度、技术要求、试验方法、检验规则、标志、包装、运输和贮存要求。
本文件适用于组合式数控机床。
2规范性引用文件下列文件中的内容通过文中的规范性引用而构成本文件必不可少的条款。
其中,注日期的引用文件,仅该日期对应的版本适用于本文件;不注日期的引用文件,其最新版本(包括所有的修改单)适用于本文件。
GB/T191包装储运图示标志GB5226.1机械电气安全机械电器设备第1部分:通用技术条件GB/T6576机床润滑系统GB15760金属切削机床安全防护通用技术条件GB/T16769金属切削机床噪声声压级测量方法GB/T23570金属切削机床焊接件通用技术条件GB/T25373金属切削机床装配通用技术条件GB/T25374金属切削机床清洁度的测量方法GB/T25376金属切削机床机械加工件通用技术条件GB/T25659.1简式数控卧式车床第1部分:精度检验GB/T25659.2简式数控卧式车床第2部分:技术条件GB/T32666高档与普及型机床数控系统JB/T3207机床附件产品包装通用技术条件JB/T3997金属切削机床灰铸铁件技术条件JB/T8356机床包装技术条件3术语和定义下列术语和定义适用于本文件。
3.1主轴principal axis机床上带动工件或刀具旋转的轴。
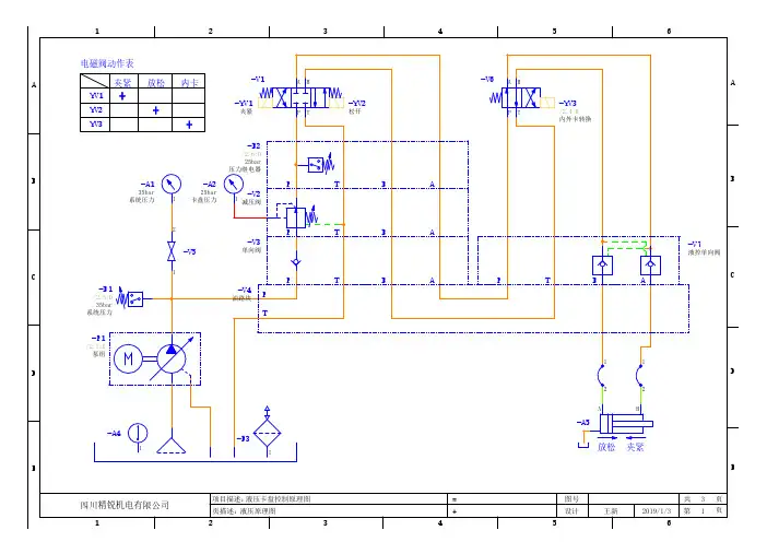
3.2液压卡盘hydraulic chuck用液压系统控制的夹具,用在数控车床主轴上面夹持工件。
4基本参数基本参数见表1。
表1基本参数序号项目单位PM45321最大移动行程X轴mm3502Y轴mm2603Z轴mm3404最大切削直径mm451序号项目单位PM45325最大切削长度mm3206床身上最大回转直径mm6007Y轴动力头台双电机4+4-60 8主轴端部尺寸N/A A2-59主轴内孔尺寸mm5610最大棒料通过尺寸mm4511液压卡盘(夹头规格)寸/mm卡盘6/夹头45 12主轴电机功率(电主轴)Kw11.713主轴最高转速r/min500014主轴最大扭矩N14015最小移动量mm0.001 16X/Z快进速度m/min25/25 17刀塔中心高mm6318刀位数个819外圆刀方mm2020钻镗座孔径mm2521X/Z重复定位精度mm0.005 22机床总功率KVA2623主轴最大功率(电主轴)Kw1524驱动伺服电机X轴Kw 2.425Y轴Kw 1.726Z轴Kw 2.427外形尺寸(长*宽*高)mm1900*1650*1820 28机床总重量Kg22005精度5.1加工装配精度值机床加工装配精度值应符合表2的要求。
前言机床是大多数制造型企业最重要的生产工具,目前许多企业的机床虽在功能上能满足大多数情况下的加工要求,但在生产效率和减轻工人劳动强度上需要大大的改进,所以为达到企业省钱和工人省力的要求,机床的改进成为当前企业势在必行的任务。
随着现代制造技术的飞速发展,数控技术的应用越来越普遍,数控车床已成为各机械制造厂家的重要生产设备,在生产中发挥着不可替代的作用。
数控车床一般用液压卡盘来夹持工件。
液压卡盘通常都配备有未经淬火的卡爪,即所谓软爪。
软爪分为内夹和外夹两种形式,卡盘闭合时夹紧工件的软爪为内夹式软爪,卡盘张开时撑紧工件的软爪为外夹式软爪。
软爪是以端面齿槽与卡爪座3定位,通过螺钉和卡爪座中的T型螺母固定在卡爪座上。
液压卡盘工作时,软爪在卡爪座的带动下,作闭合或张开运动,将工件夹紧或松开。
夹持不同工件时,通过改变软爪在卡爪座上的位置来改变液压卡盘的夹持尺寸。
机床操作的劳动强度最大的部分就是工件的夹紧,传统的机床靠工人用手工进行夹紧,例如未经过改造的KZ320型三爪卡盘虽然在功能上能达到夹紧工件的要求, 但所需夹紧力非常大,还常常有夹不紧的情况。
因此可通过在KZ320型三爪卡盘加装摆动式液压缸和平面螺旋机构构成液压增力改进系统来实现夹紧力的传递和运动方向的转换,这样改进有以下优点:1,能稳定地保证加工精度,减少对其他生产条件的依赖性;2,能使工件迅速地定位和夹紧,并能够显著地缩短辅助时间和基本时间,提高劳动生产率;3,能减轻工人的劳动强度,保证安全生产;4,由于劳动生产率的提高和允许使用技术等级较低的工人操作,故可明显地降低生产成本;5,能确保生产周期和生产调度等工艺秩序;6,能扩大机床工艺范围。
此外,本系统能达到较高的增力比,工作稳定可靠,符合生产要求,同时又利用了企业现有资源,不会带来过多的经济负担,达到了工人省力的目的,具有良好的经济性和可行性。
本设计是一种变型设计,即在原有产品的基础上,基本工作原理和总体结构不变,通过改变或更换部分机构,形成变型产品。
卡盘开放分类:制造技术机械电子工程高新技术编辑词条分享•新知社新浪微博人人网腾讯微博移动说客网易微博开心001天涯本词条由xiaojingli创建,共有5位协作者编辑了3次。
最新协作者:陈青青123,不住翻叶,山哥,小。
小米粒,xiaojingli。
利用均布在卡盘体上的活动卡爪的径向移动﹐把工件夹紧和定位的机床附件。
卡盘一般由卡盘体﹑活动卡爪和卡爪驱动机构 3部分组成。
纠错编辑摘要目录• 1 概述• 2 分类• 3 型号• 4 保养方法• 5 修复方法为本词条添加视频和组图相关影像卡盘 - 概述卡盘卡盘是机床上用来夹紧工件的机械装置。
利用均布在卡盘体上的活动卡爪的径向移动,把工件夹紧和定位的机床附件。
卡盘一般由卡盘体、活动卡爪和卡爪驱动机构 3部分组成。
卡盘体直径最小为65毫米,最大可达1500毫米,中央有通孔,以便通过工件或棒料;背部有圆柱形或短锥形结构,直接或通过法兰盘与机床主轴端部相联接。
卡盘通常安装在车床、外圆磨床和内圆磨床上使用,也可与各种分度装置配合,用于铣床和钻床上。
卡盘 - 分类三爪卡盘从卡盘爪数上面可以分为:两爪卡盘,三爪卡盘,四爪卡盘,六爪卡盘和特殊卡盘。
从使用动力上可以分为:手动卡盘,气动卡盘,液压卡盘,电动卡盘和机械卡盘。
从结构上面还可以分为:中空型和中实型。
下面主要介绍几种常用的卡盘。
1、三爪卡盘又称三爪自定心卡盘,它根据工件装夹部分的圆周确定工件的回转中心,但它的定心精度不是很高。
一般根据使用场合,在精车、磨削及使用万能分度头铣削精度较高零件等情况下,选用装夹精度较高的三爪卡盘,而在粗车和无形位精度要求的磨削、铣削等加工中,使用装夹精度较低的三爪卡盘。
三爪卡盘装夹工件的原理是,利用卡盘扳手转动圆周上的三个伞齿中的任一个。
从而带动平面螺纹转动并带动三个卡爪一齐移动,起到自定心装夹工件作用;从机械结构上看,卡盘的三个伞齿具有相同功能,但是经过仔细检测,三个伞齿装夹工件的精度并不一样,相差也较大。
前言装备工业的技术水平和现代化程度决定着整个国民经济的水平和现代化程度,数控技术及装备是发展新兴高新技术产业和尖端工业(如信息技术及其产业、生物技术及其产业、航空、航天等国防工业产业)的使能技术和最基本的装备。
制造技术和装备就是人类生产活动的最基本的生产资料,而数控技术又是当今先进制造技术和装备最核心的技术。
当今世界各国制造业广泛采用数控技术,以提高制造能力和水平,提高对动态多变市场的适应能力和竞争能力。
此外世界上各工业发达国家还将数控技术及数控装备列为国家的战略物资,不仅采取重大措施来发展自己的数控技术及其产业,而且在“高精尖”数控关键技术和装备方面对我国实行封锁和限制政策。
总之,大力发展以数控技术为核心的先进制造技术已成为世界各发达国家加速经济发展、提高综合国力和国家地位的重要途径。
本文主要阐述CK20数控机床在制造过程中进给系统、主传动系统、伺服系统、滚珠丝杠副等数控机床中主要的参数选取做简单的介绍。
数控技术是用数字信息对机械运动和工作过程进行控制的技术,数控装备是以数控技术为代表的新技术对传统制造产业和新兴制造业的渗透形成的机电一体化产品,即所谓的数字化装备,其技术范围覆盖很多领域:(1)机械制造技术;(2)信息处理、加工、传输技术;(3)自动控制技术;(4)伺服驱动技术;(5)传感器技术;(6)软件技术等。
第一章数控机床特点及其分类1.1数控机床定义数控机床是数字控制机床的简称,是一种装有程序控制系统的自动化机床。
该系统能够逻辑地处理具有控制编码或其他符号指令规定的程序,并将其译码,从而使机床动作并加工零件的自动化机床。
数控技术是用数字信息对机械运动和工作过程进行控制的技术,是现代化工业生产中的一门新型的、发展十分迅速的高新技术。
数控装备是以数控技术为代表的新技术对传统制造产业和新兴制造业的渗透形成的机电一体化产品,即所谓的数字化装备;其技术范围所覆盖的领域有:机械制造技术;微电子技术信息处理、加工点输技术;自动控制技术;伺服驱动技术;检测监控技术、传感器技术;软件技术等。
前言机械制造业是国民经济的基础产业,它的发展直接影响到国民经济各部门的发展,也影响到国生和国防的加强。
因此,各国都把机械制造业的发展放到首要位置。
其中装备制造业是国民经济的脊梁,它的各项经济指标占全国工业的比重高达四分之一至五分之一;是高技术的载体及转化为生产力的桥梁和通道,20世纪兴起的信息技术、核技术、空间技术等,无一不是装备制造业创造出来的;是产业升级的手段,生产工作母机、提供重大装备;是外贸出口的主力,占全国外贸出口的36%以上;是国家安全的重要保障,在高技术和数字化战争时代,装备制造业还是国家的战略产业,它是实现工业化的必备条件,是衡量一个国家国际竞争力的重要标志,是决定我国在国际分工中地位的关键因素。
机床是机械加工中的主要加工设备,在生产实践中有着重要的作用,它的加工精度、加工效率都直接反映着加工的水平。
随着磨削技术的发展,磨床在加工机床中的比例越来越大。
据1997年欧洲机床展览会(EMO)的调查数据表明,25%的企业认为磨削是他们应用的最为主要的加工技术,车削只占23%,钻削占22%,其它的占8%;而磨床在企业中占机床的比重高达42%,车床占23%,钻床占14%。
我国从1949—1998年,开发生产的通用机床有1800多种,专用机床有几百种,磨床的拥有量占金属切削机床总拥有量的13%左右。
可见,磨床及磨削技术在机械制造业中占有极其重要的位置。
它作为金属切削行业的一个重要分支,随着工业的发展,对机械零件的加工精度和表面粗糙度的要求日益提高,磨削加工显得更加重要。
尤其是在汽车、电力、船舶、冶金、军工、航天航空等行业,磨床正发挥着越来越大的作用。
“十一五”期间,经过调整和整合期后的磨床行业,将会迎来新一轮的发展期。
第一部分第一章绪论头架是外圆类磨床的主要部件,它的动态性能对磨床的性能有着重要的影响。
头架的作用是支撑工件和传递动力,即使工件转动。
其中主轴又是它的主要零件,主轴的精度高低对于整机的几何精度和工作精度有着直接的影响。
三爪液压卡盘h01ma参数全文共四篇示例,供读者参考第一篇示例:三爪液压卡盘H01Ma是一种常用的机械夹持设备,广泛应用于数控机床、印刷设备、车床等机械加工行业。
三爪液压卡盘H01Ma由三个同心安装的夹爪构成,通过液压系统控制夹紧力,可实现高精度的工件夹持。
本文将详细介绍三爪液压卡盘H01Ma的参数及性能特点。
三爪液压卡盘H01Ma的主要参数如下:1. 夹持力:三爪液压卡盘H01Ma的夹持力是指夹持工件时的最大夹紧力。
在选择三爪液压卡盘H01Ma时,需要根据加工工件的材料和尺寸来确定夹持力的大小,以确保夹持工件的稳定性和安全性。
2. 夹持范围:三爪液压卡盘H01Ma的夹持范围是指可夹持的工件直径范围。
通常情况下,三爪液压卡盘H01Ma的夹持范围为20mm至500mm不等,用户可以根据加工需求选择合适的规格。
3. 最大转速:三爪液压卡盘H01Ma的最大转速是指在正常使用情况下,夹盘能够承受的最大旋转速度。
一般来说,三爪液压卡盘H01Ma的最大转速在3000rpm至6000rpm之间。
1. 高精度:三爪液压卡盘H01Ma采用液压系统控制夹紧力,夹持工件时能够实现高精度的加工,保证加工质量。
2. 多功能:三爪液压卡盘H01Ma可根据加工需求选择不同规格的夹具,实现多种形状和尺寸工件的夹持。
3. 稳定性:三爪液压卡盘H01Ma夹持工件时夹紧力均匀,夹持稳定性高,避免了工件在加工过程中出现位移或变形。
4. 耐磨性:三爪液压卡盘H01Ma采用优质材料制造,具有良好的耐磨性和耐腐蚀性,使用寿命长。
三爪液压卡盘H01Ma是一种性能稳定、操作简便、精度高的机械夹持设备,广泛应用于机械加工领域。
在选择三爪液压卡盘H01Ma时,用户需要根据加工需求和工件特点来确定夹持力、夹持范围等参数,以确保夹持效果和加工质量。
【文章结束】。
第二篇示例:三爪液压卡盘H01MA是一种常用于机械加工领域的夹具设备,它具有高精度、高稳定性和高效能的特点,广泛应用于数控机床、加工中心、车床等设备中。
接箍车丝机卡盘结构分析及维护技巧【摘要】EMAG USC27接箍车丝机为烟台宝钢钢管有限责任公司从德国EMAG公司引进,对管料进行多种内螺纹加工的专用机床。
该机床是一种高精度,高效率的自动化机床,其充分结合机、电、液。
为提高机床加工效率,厂家通过一个集成在主轴箱的夹紧系统(卡盘)完成接箍料的夹紧,两个四工位刀架从左右两侧同时加工,缩短车丝时间。
【关键词】车丝机;卡盘;接箍0 前言EMAG USC27接箍车丝机用于接箍加工(车端面、倒角和车丝),产品有API长圆螺纹和短圆螺纹、偏梯形螺纹。
其采用先进数控技术,具有高精度、高效率、高自动化等特点。
在长期使用过程中,卡盘会出现卡爪夹不紧等情况,现就该机构原理作进一步的分析及维护技巧说明。
1 结构分析及工作原理1.1 结构分析主轴卡盘是通过一个集成在主轴箱的夹紧系统完成接箍料加工时的夹紧。
每种接箍料按照直径不同对应有1套卡爪(共11种)。
卡爪总共有6个,3个定心夹紧,3个浮动夹紧(图1)。
浮动夹紧是通过液压缸推动楔形块实现夹紧和松开来完成定心动作,定心夹紧是由液压拉杆直接实现夹紧和松开并通过圆弧槽来实现的。
卡爪的总行程为10mm,理论最大夹紧力:10kN(60bar夹紧压力下),可调液压夹紧压力:0~60bar。
图1 卡盘内部结构图1.2 工作原理定心卡爪夹紧:上料机械手气动卡盘将接箍料夹紧送入卡盘中心位,主轴卡盘通过一个集成液压注油器驱动3个定心油缸运动,3个定心油缸带动一个同步环驱动定心卡爪将接箍料夹紧。
3个定心卡爪用3个同步爪连接到一个同步环,它有双重功能,第一:保证定心卡紧接箍,第二避免卡爪扭曲。
浮动卡爪夹紧:定心卡爪夹紧后,主轴卡盘通过集成液压注油器驱动三个浮动油缸运动,三个浮动油缸分别驱动三个浮动卡爪将接箍料夹紧,同时上料机械手气动卡盘卡爪松开退出。
浮动油缸内分别装有弹簧式蓄能器,可获得一个恒定的卡紧力,维持补偿因主轴转速的变化而影响卡紧力,当卡盘旋转时,由于切削力的作用使接箍料增加的抗力作用在卡爪上,使卡爪缸内压力升高,升高的压力由蓄能器接收,当退刀时或阻力减小时失去的压力由蓄能器补充。
那些年常用的数控车床夹具你都用对了吗?一、圆周定位夹具在数控车削加工中,粗加工、半精加工的精度要求不高时,可利用工件或毛坯的外圆表面定位。
1、三爪卡盘三爪卡盘是常用的车床也是数控车床的通用卡具。
三爪卡盘最大的优点是可以自动定心。
它的夹持范围大,但定心精度不高,不适合于零件同轴度要求高时的二次装夹。
三爪卡盘常见的有机械式和液压式两种。
液压卡盘装夹迅速、方便,但夹持范围小,尺寸变化大时需重新调整卡爪位置。
数控车床经常采用液压卡盘,液压卡盘特别适用于批量加工。
2、软爪由于三爪卡盘定心精度不高,当加工同轴度要求较高的工件、或者进行工件的二次装夹时,常使用软爪。
通常三爪卡盘的卡爪要进行热过处理,硬度较高,很难用常用刀具切削。
软爪是改变上述不足而设计制造的一种具有切削性能的夹爪。
加工软爪时要注意以下几方面的问题:(1)软爪要在与使用时相同的夹紧状态下进行车削,以免在加工过程中松动和由于反向间隙而引起定心误差。
车削软爪内定位表而时,要在软爪尾部夹一适当的圆盘,以消除卡盘端面螺纹的间隙。
(2)当被加工件以外圆定位时,软爪夹持直径应比工件外圆直径略小。
其目的是增加软爪与工件的接触面积。
软爪内径大于工件外径时,会造成软爪与工件形成三点接触,此种情况下夹紧牢固度较差,所以应尽量避免。
当软爪内径过小时,会形成软爪与工件的六点接触,不仅会在被加工表面留下压痕,而且软爪接触面也会变形。
这在实际使用中都应该尽量避免。
软爪有机械式和液压式两种。
软爪常用于加工同轴度要求较高的工件的二次装夹。
3、卡盘加顶尖在车削质量较大的工件时,一般工件的一端用卡盘夹持,另一端用后顶尖支撑。
为了防止工件由于切削力的作用而产生的轴向位移,必须在卡盘内装一限位支撑,或者利用工件的台阶面进行限位。
此种装夹方法比较安全可靠,能够承受较大的轴向切削力,安装刚性好,轴向定位准确,所以在数控车削加工中应用较多。
4、芯轴和弹簧芯轴当工件用已加工过的孔作为定位基准时,可采用芯轴装夹。
目录1.设计题目及零件图 (1)1.1数控车零件设计题目及零件图 (1)1.2数控铣零件设计题目及零件图 (1)2.工艺设计 (2)2.1数控车零件工艺设计 (2)2.1.1工艺分析 (2)2.1.2工艺安排 (2)2.2数控铣零件工艺设计 (3)2.2.1工艺分析 (3)2.2.2工艺安排 (3)3.零件工艺规程 (4)4.程序设计 (4)4.1数控车零件程序设计 (4)4.1.1机床的选择 (4)4.1.2刀具的选择 (4)4.1.3数值计算 (5)4.1.4切削参数的选择 (5)4.2数控铣零件程序设计 (6)4.1.1机床的选择 (6)4.1.2刀具的选择 (6)4.1.3数值计算 (6)4.1.4切削参数的选择 (7)5.数控加工程序清单 (7)5.1数控车零件程序清单 (7)5.2数控铣零件程序清单 (17)6.数控车、铣床程序仿真结果 (16)6.1数控车床程序仿真结果 (16)6.2数控铣床程序仿真结果 (17)7.设计总结 (18)参考书及资料目录文献 (19)1.零件的分析如图1.1所示为轴套零件三维模型图,图1.2所示为轴套二维零件图(图中有不清晰之处请参加CAD图),试制定出该零件的加工工艺方案,编制其数控加工程序,并对程序进行仿真加工。
图1.2 零件三维图图1.1 零件二维图1.1零件的尺寸标注分析零件图上的尺寸是制造、检验零件的重要依据,生产中要求零件图中的尺寸不允许有任何差错。
在零件图上标注尺寸,除要求正确、完整和清晰外,还应考虑合理性,既要满足设计要求,又要便于加工、测量。
关于尺寸标注主要包括功能尺寸、非功能尺寸、公称尺寸、基本尺寸、参考尺寸、重复尺寸等等。
该零件图说标注的尺寸均完整,符合国家要求,位置准确,表达清楚。
1.2零件的几何要素分析从图1.1分析得知,该零件的结构主要由圆柱面、圆弧面、圆锥面、螺纹头、螺纹孔、槽等特征组成,这些特征在普通车床上难以完成,需要在数控车上加工。
摘要随着不规则形状零件在现代制造业中的广泛应用,如何保证这类零件的加工精度就显得尤为重要。
本文通过分析机械零件的结构特点和加工要求,制定了一套较合理的夹具设计,从而为保证该零件的加工精度将提供一种经济实用的工艺装备,具有一定的实用价值。
对于夹具设计来说,最重要的就是定位、夹紧方案的确定。
针对机械这个零件加工要求的特点,确定了只能用定位、夹紧的办法来加工该零件。
通过对各种定位夹紧装置的分析比较,选择并组合了一套既能够满足加工要求的,又比较简洁的装置。
同时,通过对一系列定位误差和夹紧力的计算,验证了该零件的加工是可以保证其要求的精度的,它的加工误差在规定的范围内。
通过夹紧力的计算,也验证了零件在被夹紧的前提下,它受到的夹紧力也并不大,满足夹具设计所要求的既要保证一定的夹紧力不使工件在加工过程中发生位移,但同时又不能过大致使工件发生变形。
关键词:工艺装备夹具设计;定位;夹紧AbstractWith the wide application of the irregular form part in the modern manufacturing industry, how to guarantee the machining accuracy of this kind of part seems particularly important. Through analysing the top cover part of hay mover and processing demanding of the top cover part of hay mover of the gearbox,a jig which has reasonable characteristic has been designed.It can not only guarantee the machining accuracy of this part for a kind of economical and practical craft equip and it also has certain practical value. To design of the jig , the most important thing is to make a scheme of reservation and clamp.As for the process demand of this part of top cover of the hay mover gearbox, through comparing of various kinds of reservations and clamps,a not only can satisfy with the demand of manufacturing and also very compactible device had been designed.Keywords: process equipment;fixture design;deposition;clamping目录摘要.......................................................................................................... 错误!未定义书签。