液压卡盘控制原理图
- 格式:pdf
- 大小:84.06 KB
- 文档页数:3
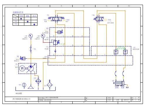
去液压站脚踏开关X1 接线端子适用配置 GSK980TD-b / c / iP E U 5V 5W 5220V 0Y V 1Y V 2L -C H K +24VU 5/V 5/W 5/P E /220V /0/Y V 1/Y V 2/L -/C H K /+24V/A B C D EABCDE功能文本线号线号目标代号目标代号短连接短连接内部目标外部目标放置=+-X1+HY-X1:1U51油泵电机U5-KM5:2/1.2:C+HY-X1:2V52=V5-KM5:4/1.2:C+HY-X1:3W53=W5-KM5:6/1.2:C+HY-X1:4PE4=PE-PE/1.2:C+HY-X1:5220V5冷却风机220V-Q2:2/1.3:B+HY-X1:606=0-XT1:0/1.6:D0-V1:N/1.4:B+HY-X1:7YV17卡盘卡紧+HY-X1:8YV28卡盘松开+HY-X1:9L-9=L--V1:0V/1.4:B-S1:NO CHK10脚踏开关-S1:COM+24V11=+24V-FX-G(980TDb36)-XT4:+24V/2.1:B+24V-U1:COM/2.5:C适用配置 GSK980TD-b / c / iA B C D EABCDE功能文本线号线号目标代号目标代号短连接短连接内部目标外部目标放置=+HY-X1-M5:U5U51油泵电机U5-X1:1+/1.2:D-M5:V5V52=V5-X1:2+/1.2:D-M5:W5W53=W5-X1:3+/1.2:D-M5:PE PE4=PE-X1:4+/1.2:D-FAN:1220V5冷却风机220V-X1:5+/1.3:D-FAN:206=0-X1:6+/1.3:D-YV1YV17卡盘卡紧YV1-X1:7+/1.4:D-YV2YV28卡盘松开YV2-X1:8+/1.4:D-YV2L-9=L--X1:9+/1.5:D适用配置 GSK980TD-b / c / iA B C D EABCDE 元件汇总表元件代号型号描述制造商数量1交流接触器,9A/4KW/3P+1NO+1NC,线圈110VAC;CJX2s-0911F德力西-KM51电动机保护器,3P+1NO+1NC,2.5~4ADZ108-20/4-11德力西-Q11小型断路器,1P,1A;DZ47sN1D1德力西-Q2ENCHI1加厚铝合金防护,式脚踏开关,NO+NC,15A/250V。
目录1 卡盘结构及原理 (1)1.1 结构 (1)1.2 原理 (2)2 主要零件的制造要点 (3)3 液压卡盘的设计要求 (3)4 液压卡盘的结构 (4)5 液压卡盘的工作原理 (5)6 液压卡盘的工作原理 (6)7 主要参数设计 (7)7.1 液压卡盘承载力的确定 (7)7.2 卡瓦对钻杆的夹紧力Q (8)7. 3 蝶形弹簧的轴向推力F 的计算 (8)7.4 设计蝶形弹簧 (10)7.5 活塞行程S 的确定 (10)7.6夹紧包角 (13)7.7夹紧力与夹紧油压 (13)7.8转动丝杆之驱动力矩 (16)7.8.1 驱动活塞产生有压缩需要力矩 (16)7.8.2丝杆与缸盖的止推摩擦力矩 (17)8 液压控制系统的设计 (18)9结束语 (19)10参考文献 (20)液压卡盘的设计与控制液压卡盘是钻机的一个主要部件,其功能是夹紧钻机上的钻杆,并向钻杆传递转矩和轴向力,驱动钻具实现回转和给进,完成加减压钻进。
本文结构介绍液压卡盘的原理及制造要点。
1 卡盘结构及原理1.1 结构卡盘的结构如图1 所示,主要由活塞杆1、座板2、滚轮3、卡盘座4、销轴5、螺栓组件6、转动板7、压轮架8、连杆9、螺母10 和卡盘爪11 等组成(油缸部分没有画出)。
连接方式为:座板和压轮架夹住滚轮,滚轮两端穿入转动板的孔中,活塞杆穿入座板和压轮架中心孔并由螺母锁紧,转动板的另外两个孔分别用螺栓组件与卡盘座和卡盘爪连接,连杆也分别用销轴与卡盘座和卡盘爪连接。
从图1 中可以看出,当活塞杆在液压的作用下作轴向运动时,带动滚轮既沿卡盘轴向又沿卡盘径向远动,实际上滚轮是绕卡盘座的定点转动,也就是转动板在滚轮的带动下绕卡盘座的定点转动,卡盘爪在转动板的带动下同时又受连杆的限定既沿卡盘轴向又沿卡盘径向远动,保证卡盘爪可靠撑住物体1.2 原理卡盘的工作原理如图2 所示:该机构是一个平行四杆机构,AD (卡盘座)静止,AB =DC,AD=BC,A、D两点为定点,当AB(转动板)绕A 点转动时,DC(连杆)在BC(卡盘爪)的带动下绕D 点也就是在该平行四杆机构中,AB、DC 作转动,BC 作平动。
液压卡盘结构及工作原理
液压传动的工作原理是以油液作为工作介质,依靠密封容积的变化来传递运动,依靠油液内部的压力来传递动力。
实际上液压传动装置是一种能量转换装置,它先将机械能转换为便于输送的液压能,然后又将液压能转换为机械能,以驱动工作机构完成所要求的各种动作。
液压卡盘主要由油缸、活塞、卡圈、支承套、卡瓦座、碟形弹簧、卡瓦、保护套、防护罩、推力球轴承、密封圈等零件和标件组成,如下图。
液压卡盘工作原理是工作时液压油从油缸进油口进入油缸,油缸与活塞构成一个封闭腔,随着压力的升高,在压力油的作用下,活塞下移,经推力球轴承推动卡圈,支承套一起下移,使碟形簧受到压缩,卡圈在向下移动的同时带动三个卡瓦作离开圆心的水平运动,从而达到松开钻杆的目的。
需夹紧钻杆时,操作换向阀将液控单向阀打开,卡盘封闭腔的油液经油管,液控单向阀和换向阀与邮箱相通,此时封闭腔无压力,碟簧则在弹性力的作用下,自动复位,并推动支承套、卡圈、经推力球轴承与活塞向上移动,带动三卡瓦作向心水平运动,从而达到夹紧钻杆的目的。
液压三爪卡盘原理液压三爪卡盘是一种常见的机械夹具,常用于机床加工中,具有良好的夹紧效果、精度高等优点,广泛应用于金属加工、汽车零部件加工以及制造业等行业。
液压三爪卡盘是一种通过加压油液,使三个爪子抓住工件,实现夹紧的机械夹具,主要由主体、液压缸、活塞、连杆、三爪和弹簧等组成。
当液压缸内的压力升高时,活塞会向前排油,推动连杆和三爪沿着导轨移动,从而夹紧工件。
液压三爪卡盘的主要优点是夹紧力大,精度高,操作简单、方便,而且具有自锁功能,能够保证工件的稳定和安全。
液压三爪卡盘还具有夹紧力可调节的特点,可以根据加工的需要进行调整,能够满足不同加工场合的需求。
液压三爪卡盘的原理是利用液压缸产生的油压力,通过机械传动将夹具夹紧在工件上。
它的核心部件主要有三爪和活塞。
液压缸通过活塞向前推动三爪,使三爪从内到外夹住工件。
三爪夹紧工件时,它们的夹紧力在被夹物的周围形成一个圆环,这时,夹紧力将被均匀地分布在被夹物的周围,保证了被夹物的安全和稳定。
液压三爪卡盘的使用方法非常简单。
需要将工件放入夹具中,然后打开油泵输出口的阀门,使油液进入液压缸,使活塞向前移动,将三爪夹紧在工件上。
当需要取下工件时,只需要关掉油泵输出口的阀门,压缩弹簧,使三爪张开,工件就可以轻松地取下了。
液压三爪卡盘的应用范围非常广泛。
它可以用于铣床、车床、钻床等各种加工设备上,也可以用于轻型机械手和自动生产线上。
还可以用于汽车轮胎的更换等场合。
液压三爪卡盘具有夹紧力大、精度高、操作简单等优点,是一种常见的机械夹具,广泛应用于金属加工、汽车零部件加工以及制造业等行业。
在使用过程中,需要注意液压系统的维护和保养,以确保其正常运行和工作效率。
在使用液压三爪卡盘的过程中,有一些需要注意的事项。
使用前需要检查卡盘的工作表面是否平整,以及各部件是否正常运转。
需要保持油液清洁,定期更换液压油,确保液压系统的正常运行。
需要根据加工需要调整夹紧力。
如果夹紧力过大,可能会导致工件变形或者损坏;如果夹紧力过小,可能导致工件松动或者移动。
液压卡盘工作原理液压卡盘是一种常见的机械传动装置,它通过液压力将夹具夹紧在轴上,实现工件的固定和传动。
液压卡盘具有结构简单、使用方便、夹紧力大、精度高等优点,被广泛应用于机械制造、航空航天、汽车制造等领域。
本文将详细介绍液压卡盘的工作原理。
一、液压卡盘的结构液压卡盘由卡盘本体、液压缸、油路系统、夹具等组成。
其中,卡盘本体是液压卡盘的核心部件,它由卡盘座、卡盘片、卡盘弹簧、卡盘爪等部件组成。
液压卡盘的夹具可以根据加工需要进行选择,如可换夹具、定制夹具等。
二、液压卡盘的工作原理液压卡盘的工作原理是利用液压力将夹具夹紧在轴上,实现工件的固定和传动。
其具体工作过程如下:1.液压油进入液压缸,使活塞向前移动。
2.活塞带动卡盘片向外移动,卡盘爪张开。
3.工件放入夹具中,液压油进入液压缸,使活塞向后移动。
4.活塞带动卡盘片向内移动,卡盘爪夹紧工件。
5.液压油进入液压缸,使活塞向前移动,卡盘片向外移动,卡盘爪张开,工件取出。
三、液压卡盘的应用液压卡盘广泛应用于机械制造、航空航天、汽车制造等领域,其中主要应用于以下方面:1.数控机床夹紧系统:液压卡盘可以用于数控机床的夹紧系统,实现工件的固定和传动。
2.铣床切削系统:液压卡盘可用于铣床切削系统中,实现工件的夹紧和转动。
3.车床转动系统:液压卡盘可用于车床的转动系统中,实现工件的固定和转动。
4.机械手夹持系统:液压卡盘可用于机械手的夹持系统中,实现夹持工件的功能。
总之,液压卡盘作为一种常见的机械传动装置,具有结构简单、使用方便、夹紧力大、精度高等优点,被广泛应用于机械制造、航空航天、汽车制造等领域。
希望本文对读者了解液压卡盘的工作原理有所帮助。
数控机床液压卡盘控制功能的研究与实现高速、高效、高精度和高可靠性数控机床的发展,对数控机床的功能部件提出了更高的要求[1]。
液压卡盘作为数控机床的重要功能部件,主要用于紧固工件,其夹紧力的精确控制、装夹效率的高低和工作安全性直接影响到数控加工的精度和效率。
随着工业自动化的不断发展,制造类企业的数控机床开始配备液压卡盘,来代替传统的手动操作,提高了工作效率。
但是很多企业液压卡盘控制程序存在逻辑性不强、可读性差、安全性不高等问题,影响了数控机床的使用与维护。
目前,在液压卡盘的结构设计及优化、夹紧力控制等方面的研究较多[2-4],但是在液压卡盘逻辑控制及工作安全性方面研究较少。
唐霞等针对气动卡盘夹不紧的问题,进行了液压动力卡盘的改造,并编写了相应的PLC控制程序[5]。
王鹏云等针对西门子802DSL 数控系统,研究了运用PLC原理实现液压卡盘控制[6]。
笔者根据液压卡盘控制的技术要求,结合多年的现场实践经验,给出了一种基于FANUC PMC、模块化的液压卡盘控制功能实现方式,实现液压卡盘的安全、可靠工作。
1 液压卡盘控制方案设计1.1 技术要求液压卡盘根据装夹对象的不同设计有内卡(也称反卡)和外卡(也称正卡),不同零件采用不同的夹紧力,夹紧力可调,能够实现高压夹紧和低压夹紧。
液压卡盘的夹紧和松开可以用卡盘夹紧松开按键、脚踏开关或M代码来完成。
机床开机时应自动导入断电前卡盘的状态,断电时能够自动保存断电前卡盘的状态。
液压卡盘应安全可靠,液压缸自带液压双向锁,保证机床在突然断电或发生故障时,仍能将工件夹紧牢靠;主轴旋转过程中无法操作卡盘;卡盘未夹紧或卡盘压力过低的情况下应无法启动主轴。
1.2 控制流程设计图1 液压卡盘控制流程设计2 PMC程序设计2.1 M功能译码模块图2 M代码控制时序图M代码控制时序如图2所示。
系统读到程序中的M10、M11等M指令时,就将M指令以二进制形式存放在代码寄存器F10~F13中。
车床液压卡盘工作原理
车床液压卡盘是一种常用的夹紧装置,用于夹持工件进行加工。
其工作原理可以简单概括如下:
1. 液压供油系统:液压卡盘的工作依赖于液压系统的提供的压力。
液压供油系统通过一系列的管道、油泵、油箱等组成,将液压油送至卡盘的液压缸中。
2. 液压缸:液压缸是液压卡盘的核心组成部分,其内部装有活塞和密封装置。
当液压油进入液压缸时,油压作用在活塞上,从而推动活塞移动。
3. 卡盘爪:液压卡盘通常有三爪或四爪,爪与液压缸相连接。
当液压油进入液压缸时,通过活塞的推动,油压将传递给卡盘爪,使其打开或闭合。
4. 可调节夹持力:液压卡盘可以通过调节液压系统的油压大小来实现夹持工件的力度调节。
增加油压可以增大夹持力,降低油压可以减小夹持力。
5. 迅速夹紧和释放:由于液压卡盘的液压系统工作迅速,可以实现快速夹紧和释放工件,提高工作效率。
总结起来,液压卡盘是通过液压系统提供的油压,将力传递给卡盘爪,从而实现夹持和释放工件的装置。
其具有夹持力可调节、操作迅速等优点,广泛应用于车床等加工设备中。
液压卡盘结构及工作原理
液压传动的工作原理是以油液作为工作介质,依靠密封容积的变化来传递运动,依靠油液内部的压力来传递动力。
实际上液压传动装置是一种能量转换装置,它先将机械能转换为便于输送的液压能,然后又将液压能转换为机械能,以驱动工作机构完成所要求的各种动作。
液压卡盘主要由油缸、活塞、卡圈、支承套、卡瓦座、碟形弹簧、卡瓦、保护套、防护罩、推力球轴承、密封圈等零件和标件组成,如下图。
液压卡盘工作原理是工作时液压油从油缸进油口进入油缸,油缸与活塞构成一个封闭腔,随着压力的升高,在压力油的作用下,活塞下移,经推力球轴承推动卡圈,支承套一起下移,使碟形簧受到压缩,卡圈在向下移动的同时带动三个卡瓦作离开圆心的水平运动,从而达到松开钻杆的目的。
需夹紧钻杆时,操作换向阀将液控单向阀打开,卡盘封闭腔的油液经油管,液控单向阀和换向阀与邮箱相通,此时封闭腔无压力,碟簧则在弹性力的作用下,自动复位,并推动支承套、卡圈、经推力球轴承与活塞向上移动,带动三卡瓦作向心水平运动,从而达到夹紧钻杆的目的。
天津全自动液压分度卡盘——一次装夹、多面加工,提质增效降本全自动液压分度卡盘适用于阀类、汽配类等行业典型异形零件加工需求的一款专用夹具,它同时具有夹紧和分度功能,可以实现“一次装夹、多面加工”,从而达到减少机床和夹具,提高工件加工精度,缩短加工周期,节约作业面积,减轻劳动强度和节约成本的目的。
(提质、增效、降本)根据精度使用要求不同可分为:全自动液压分度卡盘、高精度液压分度卡盘、军工专用分度卡盘,可以满足不同精度要求、同一轴线上的多面加工。
根据旋转分度不同可分为:三等分全自动液压分度卡盘和四等分全自动液压分度卡盘,分别满足针对6X60°与3X120°同一轴线面产品加工和8X45°与4X90°同一轴线面产品加工。
发展历史自2009年我公司自成立之初就一直专注于全自动液压分度卡盘、高精度液压分度卡盘、军工专用分度卡盘产品的研发和生产,行业深耕10余年,技术储备深厚、产品规格齐全,基于对自身产品品质的自信,产品一经售出承诺“质保三年”。
具有完整的产品体系,标准品序列批量生产和非标产品按需定制品,服务众多国企、军工、大型外资等企业,深受用户喜爱。
工作原理内部结构与原理图全自动液压分度卡盘上设有定位油缸、夹紧油缸;定位油缸与夹紧油缸为同一个液压传动系统驱动。
液压传动系统通过油路转换器、车床主轴及法兰盘内的旋转油管、自动分度卡盘内的油路分别与夹紧油缸、分度油缸、定位油缸连接,实现精准分度和适度压紧力夹紧。
加工对象:1、阀门行业,蝶阀、球阀、止回阀等加工2、汽车零部件中万向节用十字轴与节叉等3、液压阀类、管通件类产品等加工产品实物样件图尺寸参数产品规格选型表(1)产品型号“FD-200-4”至“FD-1200-4”等全序列、多规格全自动液压分度卡盘,满足不同企业需要。
产品特点阀体“一次装夹、多面加工”实例图全自动液压分度卡盘“一次装夹、多面加工”,帮助企业“提质、增效、降本”、“省人、省力、省机床”。