建筑幕墙构造设计
- 格式:ppt
- 大小:35.65 MB
- 文档页数:61
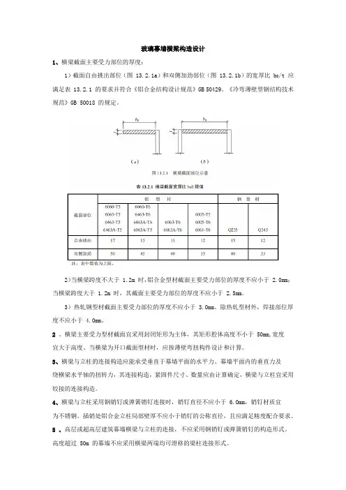
玻璃幕墙横梁构造设计1、横梁截面主要受力部位的厚度:1)截面自由挑出部位(图 13.2.1a)和双侧加劲部位(图 13.2.1b)的宽厚比 b0/t 应满足表 13.2.1 的要求并符合《铝合金结构设计规范》GB 50429、《冷弯薄壁型钢结构技术规范》GB 50018 的规定。
2)当横梁跨度不大于 1.2m 时,铝合金型材截面主要受力部位的厚度不应小于 2.0mm;当横梁跨度大于 1.2m 时,其截面主要受力部位的厚度不应小于 2.5mm。
3)热轧钢型材截面主要受力部位的厚度不应小于 3.0mm。
除热轧型材外,焊接部位厚度不应小于 4.0mm。
2、横梁主要受力型材截面宜采用封闭矩形为主体,其矩形腔体高度不小于 50mm,宽度宜大于高度。
当横梁为开口截面型材时,应按薄壁弯扭构件设计和计算。
3、横梁与立柱的连接构造应能承受垂直于幕墙平面的水平力、幕墙平面内的垂直力及绕横梁水平轴的扭转力,其连接构造,紧固件尺寸、数量应由计算确定,横梁与立柱宜采用铰接的连接构造。
4、横梁与立柱采用钢销钉或弹簧销钉连接时,销钉直径不应小于 6.0mm,销钉材质宜为不锈钢。
插销处铝合金立柱局部壁厚不应小于销钉的公称直径,且应满足精度配合要求。
5 、高层或超高层建筑幕墙横梁与立柱的连接,不应采用钢销钉或弹簧销钉的构造形式。
高度超过 50m 的幕墙不应采用横梁两端均可滑移的梁柱连接形式。
6、横梁与立柱采用角码连接时,每个连接处的螺钉或螺栓不应少于 2 个,开口横梁连接时不宜少于 3 个。
螺钉或螺栓直径不应小于 6mm。
铝合金角码壁厚不应小于较厚的被连接铝合金构件,且不小于螺钉或螺栓直径的 0.8 倍。
7 、横梁与立柱的连接角码采用螺钉与立柱壁连接时,其连接处横梁和立柱的壁厚应满足各项承载能力极限状态要求,螺孔处铝合金型材厚度不宜小于螺钉直径d,不应小于0.8d,不满足时可对型材局部加强,局部加强的宽度不应小于 2.5d。
8、横梁与立柱间应有 1.0mm~1.5mm 间隙,应采用柔性橡胶垫片并用硅酮密封胶封闭,满足变形伸缩和方便安装。
防雷构造设计《玻璃幕墙工程技术规范》JGJ102-2003规定:“玻璃幕墙的防雷设计应符合国家现行标准《建筑防雷设计规范》GB50057和《民用建筑电气设计规范》JGJ/T16的有关规定。
幕墙的金属框架应与主体结构的防雷体系可靠连接,连接部位应清除非导电保护层。
”《金属与石材幕墙工程技术规范》防雷问题专题审查会纪要将送审稿中“防雷体系”(JGJ102-96第4.4.7条“……玻璃幕墙应形成自身的防雷体系……”中的“防雷体系”)改为防雷装置。
取消关于接地电阻的要求。
玻璃幕墙是附属于主体建筑的围护结构,幕墙的金属框架一般不单独作雷接地,而是利用主体结构的防雷体系,与建筑本身的防雷设计相结合,因此要求应与主体结构的防雷体系可靠连接,并保持导电通畅。
1.高层建筑金属幕墙防雷设计原理大气的流通形成了雷云,随着雷云下部的负电荷积累,其电场强度的增加到极限值,于是开始向下梯级放电,称为下行先导放电。
在电气—几何模型中,雷先导的发展起初是不确定的,直至先导头部电压足以击穿它与地面目标间的间隙时,也即先导与地面目标的距离等于击距时,才受到地面影响而开始定向,在被保护的建筑物上安装接闪器,就是使它产生最强的先导和雷先导会合,从而防止建筑物受到雷击。
《建筑物防雷设计规范》(GB50057)所提出的接闪器保护范围是以滚球法为基础的,所谓滚球法是以hr为半径的一球体沿需要防直接雷的部位滚动,当球体只触及接闪器(包括被利用作为接闪器的金属物)或只接触及接闪器和地面(包括与大地接触并能承受雷击的金属物)而不触及需要保护的部位时,则该部位就得到接闪器的保护。
用许多防雷导体(通常是垂直和水平导体)以下列方法盖住需要防雷的空间,即用一给定半径的球体滚过上述防雷导体时不会接触要防雷的空间。
它是基于以下雷闪数学模型(电气—几何模型):hr=2I+30(1-e–1/ 6.8)(3-6)或简化为hr≈9.4×I2/3与相对应的电流I=(hr/9.4)1. 5(3-7)当hr=30m时I=5.7kA 当hr=45m时I=10.5kA 当hr=60m时I=16.1kA当雷电流小于上述数值时,雷闪有可能穿过接闪器击于被保护物上,而等于和大于上述数值时雷闪将击于接闪器上。
工程管理76 2015年27期建筑幕墙防火封堵构造设计与研究俞江浙江中南建设集团有限公司,浙江杭州 310052摘要:当前我国建筑规范及防火设计规范,遵循建筑及装修材料的燃烧性能指标、防火分隔和建筑耐火的性能等,对建筑火灾的发生及蔓延采取控制预防措施。
然而建筑内部出于使用及施工需要,有大量建筑管道穿越于楼板及墙体之间,墙体和楼板、墙体和墙体间都存在许多接缝,而这些孔洞与接缝处的防火封堵处理,能够有效防止火势及烟气的蔓延。
关键词:建筑;幕墙防火封堵;设计要点中图分类号:TU228 文献标识码:A 文章编号:1671-5810(2015)27-0076-011 防火封堵工作相关背景分析在建筑防火封堵相关规定中,对于建筑高度低于100米的高层民用建筑,管道井与电缆井应当每隔两至三层,采用与楼板的耐火极限一致的不燃烧体进行防火分隔。
在建筑高度超过100米的高层民用建筑和多层民用建筑中,管道井与电缆井在每一层的楼板处,采取相当于楼板耐火极限的不燃烧体进行封堵。
同时,还要求幕墙和每层的楼板及隔墙处缝隙、沉降缝等,采取岩棉进行填塞。
防烟排烟、通风、采暖等管道,在隔墙、楼板和防火分区等处的缝隙,应当采取好封堵措施。
防火封堵施工,主要是利用各类防火封堵的材料,封堵贯穿口处,以限制火、热、烟及气体的蔓延与传播。
防火封堵在材料上,按照性能特点可以分为有机、无机防火堵料、阻火包、阻火圈等。
有机的防火堵料,通常是用合成树脂为粘接剂,再配上防火剂和填料等材料,在产品类型上,包括膨胀和非膨胀型;无机的防火堵料,是以快干的水泥作为基料,再加上防火剂和耐火材料进行研磨混合而成。
阻火包的形状类似枕头,它是利用不燃和阻燃性的布料,将耐火材料变为各规格包状体,施工时,可堆砌为不同形态墙体,对于大孔洞的封堵适用性最佳;阻火圈是由金属材料制作外壳,内填充阻燃膨胀芯材,使用时,将阻火圈置于塑料管的外壁,固定于墙体和楼面上。
2 建筑幕墙防火封堵构造设计中普遍存在的问题2.1 防火封堵的材料选择和实际施工条件不相匹配例如贯穿物封堵材料在高温情况下时,容易发生软化、变形及烧蚀和收缩现象,这种情况下,应当使用遇火会膨胀型的防火封堵施工材料,而不只是遵循不燃材料的填密封实标准。
建筑幕墙设计标准2023一、总则1.本标准旨在规定建筑幕墙设计的基本原则和要求,以确保其安全、实用、美观和环保。
2.本标准适用于新建、改建和扩建的民用建筑幕墙设计,不适用于工业建筑、构筑物和其他非民用建筑的幕墙设计。
二、术语和符号1.定义与术语:本标准规定了建筑幕墙的术语和定义,包括玻璃幕墙、金属幕墙、石材幕墙等。
2.符号与表示:本标准规定了建筑幕墙设计中使用的符号和表示方法,包括材料规格、性能参数等。
三、材料1.建筑幕墙材料应符合国家相关标准,并具备产品质量保证书。
2.主要受力材料应采用高强度、耐腐蚀、防火性能好的材料。
3.玻璃幕墙应采用安全玻璃,并确保其质量符合相关标准。
四、建筑幕墙性能要求1.建筑幕墙应满足风荷载、地震荷载和重力荷载等要求。
2.建筑幕墙应具备保温、隔热、隔声、防水、防雷等功能。
3.建筑幕墙应考虑采光、通风、遮阳、美观等因素。
五、建筑幕墙结构设计1.建筑幕墙结构设计应遵循结构安全、稳定、耐久的原则。
2.结构设计应考虑地震、风荷载、重力荷载等作用下的安全性。
3.结构设计应采用计算机辅助软件进行建模和分析。
六、建筑幕墙构造要求1.建筑幕墙构造应简单、美观,便于安装和维护。
2.构造细节应符合设计要求,确保防水、防尘、防雷等性能。
3.连接部位应采用可靠的连接方式,确保结构安全和稳定。
七、建筑幕墙施工安装要求1.施工安装前应进行技术交底和培训,确保施工人员了解施工要求和操作规程。
2.安装过程中应采用可靠的安装方法和工具,确保幕墙安装牢固、稳定。
3.安装完毕后应进行验收,确保幕墙安装质量和安全性。
八、建筑幕墙检验与验收1.幕墙工程应按照相关规定进行质量检验和验收。
2.检验与验收应包括材料检验、结构设计和计算、构造细节检查等方面。
3.对于隐蔽工程,应在隐蔽前进行检验和验收。
4.检验与验收过程中发现的问题应及时处理和解决。
第二篇!幕墙的种类和构造特点第一章!概!述幕墙是一种悬挂在建筑物结构框架外侧的外墙围护构件。
它的自重和所承受的风荷载、地震作用等,通过锚接点以点传递方式传至建筑物主框架。
幕墙构件之间的接缝和连接用现代建筑技术处理,使幕墙形成连续的墙面(图"#")。
图"#"!幕墙外墙围护构件幕墙与窗墙的区别在于窗墙的四周嵌入框架并固定在框架上,或固定在两相对侧面上,其自重和承受的作用通过连续的接缝传到建筑结构框架上,使建筑物整个结构框架直接暴露在建筑物立面上(图"#$%);或窗坎墙、窗间墙(立柱)直接暴露在建筑物立面上(图"#$&、图"#$’)。
采用透明玻璃幕墙的建筑物,结构框架处于幕墙立面的背后,位于幕墙内侧的柱(梁)仍可通过透明玻璃让人看到,但不属于外露件。
幕墙一般由各种元件组合而成,可以采用特殊的组件,间接表示窗坎墙、窗间墙(立梃)或整个框格。
幕墙的采用始于$(世纪初,当时只用于建筑的局部,且规模较小。
到$(世纪)(年代,随着建筑技术的发展,玻璃幕墙的若干技术问题逐渐得到解决,玻璃幕墙有了很大发展。
*(年代以来,硅酮密封胶的质量有了突破性提高,结构玻璃装配技术应用于玻璃幕墙,诞生了隐框玻璃幕墙。
+(年代玻璃生产工艺及二次加工工艺有了很大进步,进一步推动了玻璃幕墙的采用。
幕墙发展到今天,镶板除了玻璃外,还采用铝板、不锈钢板、搪瓷钢板、花岗石板等。
它标志着建筑装饰饰面板施工技术的一次革命,使建筑装饰饰面板施工技术发展到一个新阶段———用幕墙形式来进行建筑装饰饰面板安装,这样就打破了高层建筑不能使用饰面板进行建筑物外装修的限制,使高层建筑能以幕墙形式采用建筑装饰饰面板进行外墙装修。
幕墙几乎成为现代建筑的标志。
··""图!"#$幕墙的构造特点(%)全部框架外露;(&)窗坎墙外露;(’)柱子外露关于幕墙产品的分类方法,《建筑幕墙》()*+*,规定:(!)按面板材料可分为:玻璃幕墙、金属板幕墙、石材幕墙、组合幕墙等。
单元幕墙的基本构造,图文解析,赶紧收藏!单元式幕墙在国内应用日渐增多,而常见于报端的技术文献多属早期设计,对指导新形势下的幕墙设计则显得力不从心,即相关理论研究及所引用之图纸,明显滞后于幕墙的发展形势,并缺少关键部位的设计表达;小编对相关资料进行整理绘制,力图以直观的视觉效果,展示单元幕墙的基本构造。
一.前言单元式幕墙是为解决建筑工人短缺、施工质量控制不易等因素因应而生之幕墙体系;充分体现了现代工业化的水平。
二.单元幕墙之一般性结构特点优点:a. 安装速度快,施工周期短,特别适用于现代化高层建筑;b. 幕墙表面平整度高,装饰效果好;c. 采用胶条密封,幕墙表面污染小;d. 单元构件是采用电脑控制加工中心在工厂内完成加工,加工质量好;e. 三维调整范围大。
缺点:a. 无论是现场工地还是工厂需较大的占地空间,用于构件的摆放;b. 运输成本高,易破损;c. 由于加工精度要求高,因而加工成本较高;d. 施工组织较复杂;e. 实现复杂造型的功能有一定局限;f. 单元式幕墙与主体结构的连接和安装在室内进行,对于剪力墙位置不适用。
三.单元式幕墙结构类型图解单元幕墙分类:单元幕墙作法有两大类既插接方式(或称楔合式)及对接方式(或称独立式);比较通行的是插接方式,又细分为横滑型和横锁型,通过杆件的对插完成接缝(图一)对接方式是通过胶条的对接完成接缝。
由于单元板块安装时在四个相邻板块间会形成一个内外惯穿的空洞(图二),对这个空洞的不同处理方式决定了单元幕墙的类型,以下分述之。
三.1 插接方式之横滑型:横滑型封口板嵌在下单元上框母槽内,它比上单元下框公槽大,上单元下框可以在封口板槽内自由滑动(图三、图四、图五)故称横滑型。
封口板安装图解封口板安装说明:封口板搁置于待安装板块的上横框(图七),板块安装就位后将封口板滑至两相邻板块中央(图八),拧紧螺钉(单侧固定)并涂胶,然后在封口板两侧施打密封胶(图九)。
横竖框加工图解本图中结构由于单元上横框通长(盖过竖框端头),若实现顺利插接则竖框下端需作铣加工(图十三);其加工尺寸与单元下横框槽口相匹配(图十),并开设排水孔,竖框侧壁的排水孔与上横框结露槽对应;导排水图解①挡水板②单元板块上横框③封口板④结露槽导排水示意图(图十四)排水说明:大量的水由最外层的密封胶条阻挡(图三),少量的水由后置挡水板阻挡;经二道防水材料作用,最后只有微量的水进入封口板内经单元板块上横框之排水路径导入竖框前腔内(图十四),可每三层设外披水板,将水导出幕墙外。
建筑幕墙结构设计及优化摘要:建筑幕墙有着美观性和多样性,同时能够实现理想的采光,被现代化建筑反复使用。
建筑幕墙能够保护建筑体,幕墙结构设计情况决定建筑发展。
若想安全应用建筑幕墙,要优化设计幕墙结构,同时健全行业标准,减小事故发生的概率。
本文主要阐述如何优化和设计建筑幕墙,仅供参考。
关键词:建筑幕墙;结构设计;优化措施建筑幕墙被应用在建筑中,备受建筑行业的认可。
幕墙结构有着丰富的类型,造型精致,能够提升建筑物的价值和质量。
设计建筑幕墙结构有着重要作用,从选择幕墙结构体系和设计等方面,要先考虑幕墙结构体系的稳定性和安全,发挥出建筑物的市场价值和品质。
若是设计建筑幕墙结构存在问题,则会让建筑幕墙的使用功能受到影响,同时也会威胁到建筑结构安全。
因此要关注设计建筑幕墙结构,提升设计水平。
1.阐述建筑幕墙结构设计的相关内容我国经济快速发展,在建筑设计中广泛使用到建筑幕墙,它也是建筑的专属名片,独特的造型艺术属于城市代表性象征。
科学技术发展快,建筑幕墙结构系统的构造体系与类型发生改变,结构设计和构造设计影响着建筑形体的美观性与协调性,要保证建筑幕墙系统的结构有着可靠性和安全性,确保能够更好的使用,从而提高建筑物的形象和品质。
因此要根据建筑幕墙结构的使用情况,阐述幕墙结构的体系内容。
(一)设计方案设计方案包含着选择面板材料和幕墙结构形式两种,要按照建筑设计的效果、要求以及布置幕墙面板的情况明确幕墙主体结构的形式与支撑条件。
结构形式包含着名框样式、全隐式等,在设计幕墙结构时,也要根据结构设计能力优化结构指标。
科学技术发展快,幕墙材料有着功能化、轻质化和多样化的作用,木墙板包含着金属、石材、玻璃等新光电幕墙板,因此选择的材料也要考虑墙板的受力要求、施工成本条件等多种因素,通过此些因素来明确材料的数量、型号和类型。
铝合金材料有着较强的耐用性,在平常频繁使用。
选择的幕墙结构形式与材料要将建筑设计方案作为基础,确保符合设计的要求,发挥出美观性和功能性。
建筑结构中的玻璃幕墙设计规范一、前言玻璃幕墙是现代建筑中最为常见的一种外墙装饰和保护结构,具有美观、采光好、节能等优点。
但同时也存在安全隐患和设计不合理等问题。
因此,在玻璃幕墙的设计过程中,需要根据相关规范进行设计,保证玻璃幕墙的安全性和可靠性。
二、设计标准1.国家标准GB/T 7106-2008《建筑玻璃幕墙》是我国针对玻璃幕墙设计的国家标准,其中规定了玻璃幕墙的分类、设计、施工和验收等要求。
在设计玻璃幕墙时,应严格遵守相关标准的规定。
2.行业规范除了国家标准外,建筑行业还有一些行业规范,如JGJ 102-96《建筑幕墙工程技术规范》、JGJ/T 371-2010《建筑幕墙防水技术规程》等,这些规范对玻璃幕墙的设计、材料选择、构造设计等作出了详细的规定,建筑师应该对这些规范有所了解,遵守规范的要求进行设计。
三、设计要求1.安全性玻璃幕墙是建筑外立面的重要组成部分,其安全性是至关重要的。
设计师应该根据建筑的使用性质、高度、风荷载、地震灾害等因素,进行合理的结构设计和材料选择,确保玻璃幕墙的安全性和可靠性。
2.采光性玻璃幕墙的采光性是其重要的设计参数之一,设计师应该根据建筑的朝向、周边环境、建筑功能等因素,设计出合理的玻璃面积和透光率,以满足建筑内部的采光需求。
3.节能性玻璃幕墙的节能性也是其重要的设计参数之一,设计师应该根据建筑的朝向、气候条件、建筑功能等因素,选择合适的玻璃型号和隔热材料,进行合理的隔热设计,以达到节能的效果。
4.美观性玻璃幕墙是建筑的重要装饰元素,设计师应该根据建筑的风格、色彩、线条等因素,设计出符合建筑整体风格的玻璃幕墙,提高建筑的美观性。
四、设计流程1.确定设计任务在进行玻璃幕墙设计前,需要明确设计任务,包括建筑的使用性质、地理位置、气候条件、建筑高度、结构类型等因素,以确保设计的合理性和安全性。
2.进行技术研究在进行玻璃幕墙设计前,需要进行技术研究,包括对玻璃幕墙的分类、构造、材料、隔热、防水等方面的研究,以保证设计的可行性和合理性。
廷塑.燕凰.建筑幕墙遮阳作用与构造设计成灿(深圳市建筑科学研究院,广东深圳518049)B商要]随着建筑个性化发展要求,建筑时玻璃幕墙的要求也越来越多、越来越高。
我国玻璃幕墙设计的现状与建筑设计需求问的矛盾也越来越突出。
鉴于此,本文对建筑幕墙遮阳作用与构造设计进行了探讨。
洪键词]建筑幕墙;设计;遮阳玻璃幕墙是现代高层建筑较多采用的外围护结构,是建筑物热交换、热传导最活跃、最敏感的部位,单层玻璃幕墙的能耗约占整个建筑能耗的40%左右。
来自太阳的热辐射作用主要从两个途径进入室内影响热舒适性:一是透过窗户进^室内并被室内表面所吸收,产生了加热的效果:二是被建筑的外围护结构表面吸收后,又有一部分热量通过建筑围护结构的热传导逐渐进^室内。
即使建筑外墙、屋顶和门窗的隔热和蓄热作用在一定程度上稳定了室内的温度变化,但透过窗户进入室内的日照还是对室温有直接而重要的影响。
1遮阳的作用与效果玻璃幕墙由玻璃和金属结构组成,而玻璃表面换热性强,热透射率高,故对室内热条件有极大的影响,是造成室内过热的主要原因。
特别在南方炎热地区,如果人体再受到阳光的直接照射,将会感到炎热难受。
在玻璃幕墙上设置遮阳系统,可以最大限度减少阳光的直接照射,从而避免室内过热,是建筑防热的主要措施之一。
设置遮阳后,会有以下作用及效果:1.1遮挡太阳辐射的作用—般来说,遮阳系数受到材料本身特性和环境的控制。
遮阳系数是指有遮阳措施的围护结构和没有遮阳措施的围护结构的太阳辐射热量的比值。
遮阳系数愈小,透过外围护结构的太阳辐射热量愈小,防热效果愈好。
在广州地区进行实测得到的各主要朝向窗口的遮阳系数分别为:西向O.17,南向045,北向O.6。
由此可见,遮阳对遮挡太阳辐射热的效果是相当大的,玻璃幕墙建筑设置遮阳措施更是效果明显。
12室内温度升高的作用遮阳对防止室内温度上升有明显作用,在广州某西向房间试验观测表明:在闭窗的情况下,有、无遮阳,室温最大差值达2℃,平均差值1.4。
幕墙封修构造标准图集总说明一.幕墙封修构造标准图集说明幕墙封修构造标准图集由幕墙的顶封修、层间封修、洞口封修、房间隔墙封修、边(侧)封修及底封修组成。
它适用于工程上常用的框架玻璃铝板幕墙及单元玻璃铝板幕墙的各种封修构造。
图集中的框架幕墙封修节点,虽然是以森融结构为基础而设计的,但这些结构同样适用于其它隐框、半隐框及明框玻璃铝板幕墙封修结构。
方案投标及工程设计采用时,只需将图集中森融横竖框换成相应结构的横竖框即可。
同样单元玻璃铝板幕墙的封修结构也是如此。
幕墙封修构造标准图集是在工程成熟封修结构基础上,经过比较、分析、总结、完善而形成的。
其特点为:构造简单、施工安装方便、效果美观、成本低廉。
并且完全能够满足建筑幕墙的技术规范。
同时,采用了新型的装饰防火材料——松本保得板(6mm厚LD型)及4mm厚FC纤维水泥压力板(简称FC板)取代了以往工程封修结构中惯用的镀锌板,这不仅使封修的保温、防火性能进一步得到加强,而且幕墙的封修成本也降低近一倍左右。
因此它更适于工程的投标及设计,也方便了幕墙的施工与安装。
各种形式的玻璃铝板幕墙,其封修构造如无特殊要求,应严格按本标准图集构造执行。
封修材料原则上不允许再使用镀锌板。
本标准图集中的封修板是按保得板进行设计的,如工程上采用FC板(4mm 厚)作为封修板,则需将标准图集中的保得板替换成相应的FC板即可。
松本保得板及FC板价格低廉,6mm LD型保得板比1.2mm厚镀锌板单价低近1倍左右。
4mm FC板比6mm LD型保得板单价低近1倍左右。
这样,在幕墙行业激烈的竞争中,我们能够有封修方面的价格优势,在竞争中占据有利地位。
因此,在幕墙封修结构上,松本保得板及FC板是取代传统镀锌板的理想材料。
(松本保得板比FC板更易切割与加工)二.本幕墙封修构造图集对幕墙构造设计的要求:1.幕墙设计必须符合防火规范要求;2.窗间墙与幕墙之间应填充不燃烧材料;3.幕墙的分格设计,要避免一块玻璃跨越两个防火分区;个别情况下,横梁与楼面标高不一致时,应在楼面外沿设置水平放置的铝型材填充。
建筑幕墙通用技术要求及构造13j103-1建筑幕墙是指建筑物外立面的装饰保温结构,其设计和施工需要遵循一定的技术要求和构造规范。
下面将就建筑幕墙的通用技术要求及构造进行详细介绍。
建筑幕墙通用技术要求包括以下几个方面:1.结构设计要求:建筑幕墙的结构设计需要满足强度、刚度和稳定性等方面的要求。
同时,要考虑到建筑物所在地区的气候条件以及保温、隔热等功能的实现。
设计时需要考虑到幕墙材料的性能和预留安装、检修等方面的空间。
2.材料选择要求:建筑幕墙常见的材料包括玻璃、铝合金、不锈钢、石材等。
材料的选择要考虑到建筑物的用途、气候条件、建筑风格等因素。
同时,材料的质量要合格,具有良好的耐久性和防火性能。
3.施工工艺要求:幕墙的施工过程需要遵循一定的工艺要求。
首先是基层的处理,包括基础的处理、墙体的清理和防水层的施工等。
其次是幕墙材料的安装,要保证材料的水平、垂直度和整体的平整度。
最后是幕墙的密封工艺,要确保幕墙的防水、隔热和保温等功能的实现。
4.防水隔热要求:建筑幕墙在设计和施工时需要考虑到防水和隔热的要求。
防水主要体现在幕墙材料的选择和安装密封处理等方面,要避免水分渗透到建筑内部。
隔热主要通过幕墙材料本身的保温性能和施工工艺的严密性来保证。
5.安全防护要求:建筑幕墙在使用过程中需考虑安全防护的要求。
幕墙的固定和安装要求牢固可靠,能够承受外力和风压等作用。
另外,幕墙的设计和材料选择还需要考虑到防火性能,以保障建筑内部的安全。
建筑幕墙的构造规范也需要满足一定的要求:1.幕墙结构构造:幕墙的结构构造包括主体承重结构、支撑结构和面板结构。
主体承重结构要能承受幕墙自身和外部风压的荷载。
支撑结构要牢固可靠,保证幕墙的稳定性。
面板结构则是幕墙的最外层装饰面板,常用的包括玻璃、铝板、石材等。
2.幕墙的密封结构:幕墙的密封结构包括幕墙段与段之间的密封和幕墙与建筑物之间的密封。
幕墙的密封结构要确保幕墙的防水和隔热性能,防止水分渗透进入建筑内部。