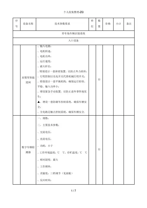
2019款车牌识别管理收费系统配置清单
- 格式:docx
- 大小:1.17 MB
- 文档页数:14
小区广告道闸车牌识别系统
7
收费软件+加密狗Ver3.0.0.1套2
含图像对比软件,车辆管理软件,物业信息、可实行车道四路监控实时录像功能,界面简洁易懂,各种状态软件界面显示,可扩展四路车牌识别功能,也扩展现场环境抓拍,含加密狗。
软件功能要求可设置多种多重权限用户,多种类型用户设置、多种费率设置、数据库维护采用自动或手动维护,图片存储与数据存储分开管理、通行方式每个通道可单独设置,通行权限可设置到每个车牌号码,含有黑名单功能,黑名单内车辆禁止进入,收费统计要求简单明了,多种统计方式,进出记录能通过用户名、进出通道、时间段、车牌号码等方式查询,要求采用模糊统计模式快速查询,系统软件可通过手工输入车牌号码进入场内,在进入的同时必须抓拍现场图像,以待后续出场及数据查询,系统软件在做其它设置或车辆管理设置时不影响车辆进出及收费放行,为了系统的稳定及后续发展,采用最新的大型数据库管理系统软件SQL2008数据库服务器平台,软件要求可禁止启动任务管理器,可禁止手动软件开闸模式,开机后自动进入系统管理界8地感DLD-110TL1-220V 套2高灵敏度检测,用于道闸自动落杆及防砸车9地感线圈AF线200米卷2耐高温抗老化线缆,配合车辆检测使用。
10减速带 3.10.04米811车道隔离柱胶个1212
管理电脑
联想工程机
台
1
联想启天商用B415机器,G3930处理器,4G内存,500G硬盘,无光驱,集成610显卡,标配19.5显示器
A 设备小计。
融城医院停车场管理系统施工计划1.1 施工准备1.1.1 人员(1)项目现场管理 2名:负责工程调配、技术指导及设备调试。
(2)泥工 2名:负责安全岛制作,地面切槽,设备安装时打钻。
(3)电工1名:负责安全岛布管布线。
1.1.2 工具(1)路面切割机1台:在混凝土路面上切割地感线圈槽。
(2)电锤电镐1把:地面开槽用。
(3)布线布管工具1套;主要包括弯管器。
(4)专业接线调试工具1套:主要包括网线钳、万用表等。
1.1.3材料详见材料清单附表。
1.1.3 施工现场环境(1)AC220V 临时电源,从就近保安室取。
(2)自来水源,从就近取水点取。
(3)施工交通根据现场情况分边进行。
1.2 制作混凝土安全岛停车场管理系统的安全岛相当于建筑房屋的地基,不仅可以承载设备工作时的应力,而且可以保护设备和线路,同时规范车辆进出的车道,使工程外观更专业。
因此安全岛的制作会直接影响系统的性能。
制作安全岛按以下步骤进行:(1)根据现场车道情况规划安全岛的尺寸。
(2)用红砖沿安全岛形状线条砌一个高10公分的框架。
(3)用水泥、石子、沙子比例为1:1:1的混凝土浇注用红砖砌成的安全岛框架,浇注完后找出水平面,等待混凝土完全凝固干燥后才可安装设备。
1.3 布管要暗埋在混凝土安全岛中的穿线管使用PVC电线管,不仅不会锈蚀,而且壁滑方便穿线。
按照布管布线图及设备安装位置图,以如下步骤布放穿线管:(1)先布置要暗埋在安全岛中的各穿线管。
按照设备安装位置确定各穿线管的起点和终点,各管的起点和终点均要用弹簧弯管器折弯成90度的弯头,弯头部分在设备安装位置的中心集中捆扎起来,并朝上引出。
引出端要高出地面30公分,管口要临时封堵,防止浇注混凝土时杂物掉入。
(2)在安全岛范围内布管时,要合理布置管的走向,严禁将管布置在固定设备时打膨胀螺丝孔的位置。
1.4 穿线线路是电气工程的基础,线路布放、连接的质量好坏直接影响系统设备能否正常工作,以及影响设备的使用寿命,尤其是带有弱电数字信号传输的电气工程对线路质量的要求更高,系统工作效果的好坏与线路布放是否合理、是否规范直接相关,因此,控制布线的质量是电气工程的重要工作。
车牌自动识别停车场收费管理系统功能及参数说明
多奥车牌自动识别停车场收费管理系统功能及参数说明
采用全进口LED发光管,确保质量;
采用全进口集成块和单片机,确保编程可靠,修改方便;
采用RS-485 或TCP/IP 接口供用户选择;
国内多奥首家内置语音播放功能,声音清晰明亮;
全中文滚动显示欢迎光临、车牌号码、收费金额、剩余车位,单位(地名或者自定义设置)一路顺风等相关信息;
双行八字、四行十六字可调,实现多功能的显示屏;
防雨式设计,确保全天候可靠运行;
板块式设计,维修,更换便捷,且不影响系统的运行;
深色底设计,增加显示亮度;
低功耗设计,较双色节能37%。
参数:
型号:DACP-TC-SB 功耗:≤5W
工作寿命:>5年
工作温度:-40℃-70℃工作湿度:0%-80% 外框尺寸:LED四排屏立柱尺寸:120mm。
序号设备名称品牌规格型号1高速车牌识别道闸一体机,含以下:高速变频道闸数字式车辆检测器(含地感线圈)实时车牌识别高清摄像机闪光灯及补光灯高亮LCD显示屏2高速车牌识别道闸一体机(混进混出伴侣),含以下:箱体地感线圈实时车牌识别高清摄像机闪光灯及补光灯高亮LCD显示屏3高速车牌识别道闸一体机,含以下:高速变频道闸数字式车辆检测器(含地感线圈)实时车牌识别高清摄像机闪光灯及补光灯高亮LCD显示屏4停车场管理软件蓝卡V1.05管理电脑自备自备6线材及辅材自备蓝卡高速车牌识别系统配置清办公楼仓库前门,各1套混进混出仓库后门,1进1出管理中心含:含:含:蓝卡蓝卡蓝卡BCA-HLGY3S1BCC-HRGY3S BCA-HLGY3S1备注:以上报价含16%增值税、含运费(国内)、含税现场技术指导调试费,二年质保。
默认3-4米直杆道闸,折臂杆主要参数与关键性能指标单位数量★1)直流变频技术,4米直杆,闸杆起落时间:0.6S-1.8S,根据杆长及杆型设定;可通分别调节栏杆抬杆和落杆速度。
高速抬杆快速通行,慢速落杆确保安全(提供原厂盖章彩页证明)。
1)车检防砸: 检测车、防砸车,含双路数字车检检测器及配套地感线圈;★2)可以升级使用微波车检雷达探测技术和实时识别运动目标检测技术,完全取代地感,无需再切地感。
★1)0.12 秒连续高清车牌识别,运动目标检测,可无需切地感触发;可支持微波车检技术,代替施工麻烦的地感车检,更灵敏安全;(提供原厂盖章彩页证明)。
高亮度闪光灯,专业应对低照度停车场,可调节闪光强度, 适应多种光线情况。
闪光强度 闪光强度软件可调节,最小闪光间隔 6 次/2S(爆闪);频闪可持续常亮,闪光响应速度 <500us,闪光持续时间 每接收一次触发信号,持续发光★1)采用LCD液晶显示屏,可播放视频广告和图片广告、车辆照片、识别结果、收费金额、二维码、限行提示、物业信息等;内置喇叭,可以显示提示信息和付费二维码(提供原厂盖章彩页证明)。
车牌自动识别设备(1)设备布局——在收费站入、出口车道安装一套车牌自动识别设备,采用一杆双机设备。
——车牌识别可使用视频触发或线圈触发,如需采用线圈触发,触发线圈应埋设于收费窗口附近的车道路面上。
(2)处理流程入口车道:通过对车牌号进行自动识别,将识别结果及车牌部分压缩图像(≤300字节)传给车道控制机,车道控制机将车牌信息(包括车牌号及车牌颜色)及车牌部分图像写入通行卡内;同时提供带有叠加信息的模拟视频信号及车辆的抓拍图像。
出口车道:通过对车牌号进行自动识别,将识别结果传给车道工控机,同时提供带有叠加信息的模拟视频信号及车辆的抓拍图像。
车道工控机读取通行卡内的车牌信息及车牌部分图像,将出、入口的车牌号进行自动比对。
(3)设备组成及技术要求系统由三部分设备组成:触发设备、摄象机、识别处理设备。
摄象机分为车道摄象机和车牌识别摄象机。
1)触发设备触发设备:触发方式为线圈触发或者视频触发方式,当车辆进入检测区域时,触发抓拍设备并启动图像捕捉。
2)摄象机a.车道摄象机——彩色CCD,水平分辨率:≥520线。
——全自动白平衡或可选用手动白平衡。
——感光部件: 1/4"或1/3"CCD。
——焦距3-8mm。
——具备直接控制闪光灯补光功能。
b.车牌识别摄象机抓拍设备:主要设备为抓拍摄像机以及辅助光源等配套设备,向系统提供一幅车辆抓拍图片,以减少连接设备、降低系统连接的复杂性、减少投资成本和提高系统可靠性。
——彩色CCD,水平分辨率:≥520线。
——全自动白平衡或可选用手动白平衡。
——感光部件: 1/4"或1/3"或1/2"CCD或CMOS。
——具备直接控制闪光灯补光功能。
——焦距4-50mm——手动或者自动光圈。
——CS接口。
c.辅助照明设备: 闪光灯或辅助其他辅助光源。
闪光灯和电源模块正常安全使用次数≥100万次。
3)识别处理设备车牌识别处理单元可采用板卡嵌入式或独立硬件处理单元完成。
一体机开闸配置使用说明书第一步:各个硬件之间的接线(1)标准一进一出系统拓扑图注意点:高清一体摄像机直接控制道闸开闸;显示屏和语音为可选设备;+摄像机直接控制显示屏显示和语音播报;操作系统:Windows XP sp3、WIN7旗舰版、WIN7装机版;硬识别电脑配置:保证I3及以上处理器,内存最少4G,支持1440*900分辨率,19英寸及以上的真彩显示器。
注意点:显示屏(1 2)接语音模块(RXD +5V);显示屏(A B)接摄像机(A2 B2);局部放大部分,需要短接中间两个排针,显示屏才能正常显示;注意点:显示屏(A B)接摄像机(A2 B2);地感触发接(IN1+ IN1-)道闸开闸接口接OUT2第二步:CMOS摄像机的调试登陆摄像机1)在登陆之前,进入IE浏览器,工具 Internet选项自定义级别,除【仅允许经过批准的域在未经提示的情况下使用Active X】Active X控件的选项权限全部启用;2)登陆之后注意提示的控件必须允许安装,阻止安装控件之后视频不能正常显示;3)在IE浏览器的地址栏输入摄像机的IP,默认摄像机的IP是192.168.2.218;4)用户名admin,密码admin修改IP(默认IP192.168.2.218)1)出厂时摄像机默认IP地址192.168.2.218,摄像机和电脑IP地址需保证在同一网段;2)修改IP地址后点击确定,摄像机自动重启,等待两分钟,用新的IP地址重新登。
输入输出相关选项设置1)使用白名单模式时需要勾选开关量输出2,否则摄像机识别车牌之后无输出结果;2)需要打开软件在线监控临时车收费功能的RS485-2不需要勾3)只让月租车进出完全脱机时,必须将图中RS485-2都勾切记选择启用白名单选择精确匹配摄像机与屏通过RS485-2通讯,通道为2,波特率为9600,确定波特率是9600储存管理设置新安装的摄像机需要格式化SD卡摄像机视频设置更改摄像机视频文字叠加内容以及文字显示的坐标位置1)调节图像质量,一般默认为“中等”,当实时画面出现卡顿不流畅现象时,可把图像质量设置为流畅或较流畅。
摄像机电源SLEC/深圳
LKP680-31鸭嘴支架SLEC/深圳LK-218
2摄像机立柱SLEC/深圳LK-2171
频闪灯SLEC/深圳LK-2191
8车牌识别仪(加密狗)SLEC/深圳LKP30081
9车牌识别仪(加密狗)SLEC/深圳LKP3008-21
10快速道闸SLEC/深圳LKO1302
111管理电脑兼容机1
1电源线
2网线
3地感线
4开闸线
说明:1、以上价格为不含税价,含税需上调8%;
2、以上价格仅为设备单价,不包含现场服务费和运费。
如需上门指导收费按照500元/天计算,来回路费另计。
3、以上报价有效期至2015年12月31日,如有变更,将提前一个月书面通知。
小计
¥0¥0
四、线材选型(仅供参考)
含
12V/3A
钣金材质
直径50mm,高1.5米
辅助拍照使用
单路通道
选配,双路通道
选配,含机箱、机芯、控制器、夹头、3米八
角或椭圆闸杆
客户端工作站:
■CPU:Intel I5或以上
■内存:4G或以上
■硬盘:500G或以上
■显示屏:1600*900(笔记本电脑分辨率)或
1920*1080/16:9(台式电脑分辨率)
服务器:
■CPU:Intel I5或以上
■内存:4G或以上
■硬盘:1T或以上
自备
自备
自备
自备
元/天计算,来回路费另计。
附件1
路侧设备(RSU)和汽车号牌自动识别系统产品基本信息表填表单位:
序号实施项目地址预计实开始时间产品名
称
生产企业名称型号规格预计到场时间
路侧设
备RSU
汽车号
牌视频
自动识
别系统
路侧设
备RSU
汽车号
牌视频
自动识
别系统
填表人: 联系电话:填表时间:2019.12.15 联系方式:电子邮件:注:1.填表单位可根据实际情况对表格进行调整;
2.实施项目是指组织实施取消省界收费站工作的高速公路项目或路段名称;
3.地址是指产品进场或安装使用的项目实施地理位置。