汽车变速箱的结构与维修
- 格式:doc
- 大小:58.00 KB
- 文档页数:28
汽车变速箱毕业论文作为汽车工程专业的毕业论文,本文将主要讨论汽车变速箱相关内容。
随着汽车制造技术的不断发展和普及,汽车变速箱已经成为汽车动力系统中不可或缺的部分。
本文将从汽车变速箱的基本原理、分类、结构以及故障检测和维修等方面进行探讨。
一、汽车变速箱的基本原理汽车变速箱的基本原理是通过改变车辆引擎和驱动轮之间的传动比,以调节发动机转速和驱动车辆所需的扭矩。
从基本的原理上来说,汽车变速箱主要由齿轮系传动和液力传动两种方式组成。
齿轮传动是指通过齿轮的啮合和分离来改变输出轴的转速和扭矩。
液力传动则是通过液体的动力转换来改变输出轴的转速和扭矩。
二、汽车变速箱的分类根据变速箱的传动方式,汽车变速箱可以分为手动变速箱和自动变速箱两种类型。
手动变速箱是指驾驶员通过手动操作离合器,控制齿轮的选择和匹配,来实现车辆的换挡。
而自动变速箱则是指车辆会根据驾驶员的需求和行驶的状态,在自动控制下进行换档和匹配。
根据车辆的用途和型号不同,自动变速箱还可以进一步分为手自一体变速箱、CVT变速箱和双离合变速箱等多种类型。
这些不同类型的变速箱都有着各自特定的优点和适用性。
三、汽车变速箱的结构汽车变速箱的主要组成部分包括齿轮、轴系、离合器、液力变矩器、传动链条等。
其中齿轮和轴系是汽车变速箱最核心的组成部分,它们决定了汽车变速箱的传动比和输出效率。
离合器主要用来分离发动机和变速箱,使得车辆可以在不通过传动链的情况下切换档位。
液力变矩器则是汽车变速箱用来传递动力和扭矩的另一种重要方式。
四、汽车变速箱故障检测和维修汽车变速箱是汽车动力系统中比较复杂和故障率比较高的部分。
汽车变速箱经常会出现换挡不顺畅、异响、油泥变黑、温度异常等故障症状。
针对这些常见故障,我们需要对变速箱进行正确的检测和维修。
一般情况下,我们可以通过变速箱油色、气味、粘度等表现来初步判断变速箱是否出现故障。
另外,我们还需要根据车辆的症状和保养情况进行更加详细的检测和维修。
爱信6at变速箱的构造及原理一、概述爱信6AT变速箱是一款广泛应用于汽车领域的自动变速箱,其具有换挡平顺、传动效率高、可靠性好等特点。
本文将详细介绍爱信6AT 变速箱的构造及原理,帮助读者了解其工作机制和维修保养方法。
二、构造1. 内部结构爱信6AT变速箱主要由液力变矩器、行星齿轮组、换挡执行机构、润滑系统、冷却系统等组成。
其内部结构复杂,由多个液压缸、阀门、密封件等构成,确保了变速箱的正常运行。
2. 外部结构爱信6AT变速箱外部主要由壳体、油底壳、手动阀箱、输入输出轴等构成。
壳体是变速箱的主体,由铝合金等材料构成,具有较高的强度和耐腐蚀性。
油底壳用于储存变速箱油,并具有一定的散热作用。
手动阀箱用于控制变速箱的换挡过程,输入输出轴则将动力传输至车轮。
三、原理1. 工作原理爱信6AT变速箱通过液力变矩器传递动力,当发动机运转时,变速箱油在液压缸的作用下推动行星齿轮组运转,从而实现不同的传动比。
手动阀箱则通过控制液压缸的开启和关闭,实现不同档位的切换。
润滑系统和冷却系统则保证了变速箱的正常运行。
2. 换挡过程爱信6AT变速箱的换挡过程由手动阀箱控制,通过按压、释放液压活塞来实现不同档位的切换。
具体过程如下:当驾驶员踩下离合器踏板时,手动阀箱释放换挡执行机构的液压,使得行星齿轮组和离合器片结合或分离,从而实现换挡。
同时,液压系统还控制阀体,实现变速箱油的流动,确保换挡过程的流畅。
3. 动力传递过程爱信6AT变速箱的动力传递过程包括输入轴、行星齿轮组、锁止离合器、输出轴等部件。
当驾驶员踩下油门踏板时,输入轴驱动行星齿轮组运转,并通过锁止离合器将动力传递至输出轴,最终传送到车轮。
在低速挡时,离合器处于分离状态,确保了变速箱的平顺性。
而在高速挡时,离合器结合,提高了传动效率。
四、维修保养1. 日常保养爱信6AT变速箱的日常保养包括定期更换变速箱油和检查油液位。
变速箱油对变速箱的运行至关重要,能够起到润滑、冷却、传动的功能。
小车波箱维修知识点大全随着汽车技术的不断发展,越来越多的家庭拥有了自己的私家车。
然而,随之而来的问题也出现了,其中之一就是汽车波箱的故障。
波箱是汽车的重要组成部分,它承担着换挡和传输动力的作用。
在日常行驶中,波箱的故障常常会给我们的出行带来很多麻烦,因此,掌握一些波箱维修的知识是非常有必要的。
本文将为各位车主介绍一些小车波箱维修的知识点。
首先,我们需要了解波箱的工作原理。
波箱是由离合器、变速器和传动装置组成的。
离合器是将发动机与变速器连接起来的装置,当离合器离合时,传动装置才能将动力传输到车轮上。
变速器则是调节车辆速度的装置,通过不同的齿轮比例来实现加速或减速。
传动装置将动力传输到车轮上,使车辆前进。
其次,我们需要了解一些常见的波箱故障。
波箱故障常见的有异响、换挡困难、漏油等。
异响可能是由于齿轮磨损或齿轮轴承松动引起的,这种情况需要修换齿轮或更换轴承。
换挡困难可能是由于离合器片磨损或离合器液压系统故障引起的,这种情况需要检查离合器的磨损程度,并根据情况进行修复。
漏油可能是由于密封件老化或波箱壳体损坏引起的,这种情况需要更换密封件或修复波箱壳体。
接下来,我们需要了解一些波箱维修的注意事项。
首先,维修波箱需要专业的技术和工具,如果您不具备相关经验,建议寻求专业的维修人员进行维修。
其次,波箱维修需要耐心和细心,对于每一个细节都要有足够的重视。
同时,要注意安全,维修前需要断开车辆的电源,并保持车辆处于稳定状态。
另外,维修过程中要注意环境卫生,避免污染环境。
最后,我们需要了解一些日常保养的知识。
定期更换波箱油是保持波箱正常工作的重要措施之一,波箱油的质量和数量都会影响到波箱的工作效果。
此外,每日行驶结束后,可以对波箱进行简单的检查,如检查是否有泄漏、异味等异常情况。
如果发现异常,应及时进行修复。
总之,掌握一些小车波箱维修的知识点对于每一位车主来说都是非常有益的。
通过了解波箱的工作原理、常见故障以及注意事项,我们能够更好地保养和维修自己的爱车,提高行驶的安全性和舒适度。
目录一、变速箱的概况 (2)(一)变速箱的发展 (2)(二)变速箱的比较 (3)二、DSG变速箱的结构原理 (5)(一)单片干式双离合器 (6)(二)齿轮传动机构 (7)(三)换挡杆总成 (12)(四)换挡机构 (13)(五)机械电子控制单元 (14)1) (18)三、大众7速DSG变速箱工作分析 (19)(一)离合器操纵工作过程 (20)(三)一挡升二挡工作过程 (22)四、DSG变速箱的故障检修 (24)(一)起步抖动 (24)五、DSG召回问题 (26)(一)召回涉及车辆 (26)(二)召回车辆故障现象 (26)(三)召回后采取的措施 (28)大众DSG早在一年以前已经爆出很多问题,大众采取了积极的态度应对,在问题发生初期,大众采取了全面的主动预约式的服务活动,服务内容主要针对装配7速DSG的车辆,为车辆提供免费的软件升级活动,并且对7速DSG双离合自动变速箱提供免费的延保服务,针对2012年12月31日之前生产的变速箱质保延长至十年十六万公里,期间要求按照大众的要去对变速箱进行保养。
在问题不断升级的过程中大众采取了主动式召回活动,活动内容主要包括对活动范围内的车辆免费更换机械电子控制单元,并实施软件升级活动,以解决变速箱存在的隐患。
(28)参考文献 (29)大众DSG变速箱结构原理与检修摘要:本文首先介绍了变速箱的发展,对各种变速箱的特点进行比较,突出DSG变速箱的优点。
然后仔细介绍了7速DSG 变速箱的结构原理,对DSG做了详细的描述;还通过具体故障的分析,总结了DSG变速箱的故障检修方法。
最后,结合目前DSG所面临的召回故障,作了进一步的阐述。
关键词:大众;DSG变速箱;结构原理;故障检修一、变速箱的概况(一)变速箱的发展变速箱是法国雷诺发明的。
是为了适应车行驶阻力变化,改变驱动轮扭矩和转速,使汽车前进、倒退或空挡时中断动力传递,使发动机的运转与车辆的运动相脱离。
另外,变速箱还可将发动机的运转和驱动系统较长期的切断而相互脱离。
汽车自动变速器实训汽车自动变速器结构原理及故障诊
断
汽车自动变速器的结构主要包括油泵、液压控制系统、行星齿轮系、
离合器、制动器和齿轮比变换系统等。
其中,油泵负责向液压系统提供动力,液压控制系统控制离合器和制动器的工作,行星齿轮系实现不同齿比
的变速,离合器和制动器控制行星齿轮系的运动,齿轮比变换系统实现齿
比的变换。
汽车自动变速器的工作原理是通过液压系统来控制离合器和制动器的
工作,进而实现齿比的变换。
当驾驶员踩下油门踏板时,发动机输出的动
力将通过变速器的油泵传递到液压系统中。
液压系统将动力分配给相应的
离合器和制动器,使得行星齿轮系能够按照不同的齿比运转。
这样就可以
根据车辆行驶的速度和负载情况,选择合适的齿比来提供适宜的动力输出。
汽车自动变速器的故障诊断可以通过以下几个步骤实施。
首先,检查
液压系统的油液是否正常,并排除液压系统相关的故障。
然后,检查离合
器和制动器的工作情况,确保它们能够按照要求工作。
接下来,检查行星
齿轮系的状态,确认齿轮是否磨损或出现异常。
最后,检查齿轮比变换系
统的工作情况,确保变速器能够实现齿比的变换。
总之,汽车自动变速器是汽车重要的传动系统之一,了解其结构、工
作原理和故障诊断方法对于维护和修复汽车变速器故障非常重要。
通过实
际操作和实训,我们可以更好地理解和掌握自动变速器的相关知识和技能,提高我们的实践操作能力。
变速器的内部构成解析及维修步骤概述本文档将对变速器的内部构成进行解析,并提供一些维修步骤作为参考。
变速器是汽车传动系统的核心组成部分,在使用过程中可能出现故障,因此了解其内部构成并熟悉一些维修步骤对于维持汽车的正常运行是至关重要的。
变速器的内部构成解析变速器是由多个组件组成的复杂机械系统。
下面将对其中一些重要的组件进行解析:1. 齿轮:变速器内部的齿轮系统是实现不同档位转换的关键部分。
齿轮的大小和齿数决定了车辆的转速和扭矩输出。
2. 离合器:离合器用于连接和断开发动机与变速器之间的动力传递。
通过踩下离合器踏板,驾驶员可以切断发动机与变速器的连接,实现换挡操作。
3. 液压控制系统:变速器的液压控制系统负责传送压力信号以控制离合器和齿轮的运动。
这个系统包括液压泵、阀体和液压传动装置等组件。
4. 油箱:变速器需要润滑油来降低摩擦,保持部件的正常运转。
油箱是存储变速器润滑油的地方,同时也起到冷却润滑油的作用。
变速器的维修步骤当变速器出现故障时,以下是一些常见的维修步骤供参考:1. 确认故障:首先,观察并确认变速器是否有异常症状,如异响、挂挡困难等。
并根据故障现象进行初步判断。
2. 检查液位:检查变速器润滑油的液位,确保油量充足。
如果液位过低,可能会导致变速器故障。
3. 检查离合器:检查离合器是否正常工作。
如有必要,进行离合器的调整或更换。
4. 检查齿轮系统:检查变速器齿轮系统是否存在磨损或损坏。
如有必要,进行齿轮的更换或修复。
5. 检查液压控制系统:检查液压控制系统是否正常工作。
如有必要,进行液压泵、阀体等组件的检修或更换。
6. 测试和调整:在进行维修后,对变速器进行测试,确保故障已得到解决。
如有必要,进行换挡调整。
请注意,以上只是一些常见的维修步骤,并不能涵盖所有情况。
在维修变速器时,请务必小心谨慎,并确保掌握相关专业知识或咨询专业人士的意见。
以上是变速器的内部构成解析及维修步骤的简要介绍,希望对您有所帮助。
汽车自动变速器结构与检修汽车自动变速器是汽车的重要组成部分之一,用于控制汽车前进或倒退的速度和力度。
自动变速器的结构复杂,包括液力变矩器、齿轮组、离合器、制动器、传感器等多个部件。
本文将介绍汽车自动变速器的基本结构和常见故障的检修方法。
一、汽车自动变速器的基本结构1.液力变矩器:液力变矩器是自动变速器的核心部件,主要由泵轮、涡轮、导向输能器和液力离合器组成。
液力变矩器通过液力传递实现引擎转速与车速的适应匹配。
2.齿轮组:齿轮组包括多个齿轮和传动轴,用于传递动力和变速。
其中,行星齿轮组是最关键的部分,通过组合不同的行星组合,实现多个齿轮比的变速效果。
3.离合器:离合器用于实现不同齿轮的连接与断开,常见的离合器有多盘湿式离合器和湿式传动扭矩转矩器。
4.制动器:制动器用于实现车辆的停车,主要由离合器和制动片组成。
5.传感器:传感器用于监测变速器的工作状态和车辆运行状态,包括车速传感器、油压传感器、温度传感器等。
二、汽车自动变速器常见故障及检修方法1.液力变矩器故障:液力变矩器常见故障包括泄漏、滑摩失效等。
如果液力变矩器发生泄漏,可能是密封圈老化或损坏,需要更换相应的密封圈。
如果液力变矩器滑摩失效,可能是摩擦材料磨损或润滑油不足,需要更换相应的摩擦片或增加润滑油。
2.齿轮组故障:齿轮组常见故障包括齿轮磨损、啮合不良等。
如果齿轮磨损严重,需要更换相应的齿轮;如果齿轮啮合不良,可能是齿轮组装不正确或间隙过大,需要重新调整齿轮的组装和间隙。
3.离合器故障:离合器常见故障包括打滑、无法换挡等。
如果离合器打滑,可能是离合器片磨损或润滑油不足,需要更换相应的离合器片或增加润滑油;如果离合器无法换挡,可能是离合器控制系统故障或离合器调整不当,需要修复相应的控制系统或重新调整离合器。
4.制动器故障:制动器常见故障包括制动片磨损、制动失效等。
如果制动片磨损严重,需要更换相应的制动片;如果制动失效,可能是制动器控制系统故障,需要修复相应的控制系统。
变速器的结构组成及工作原理详解变速器作为汽车传动系统中至关重要的部件,起到了调整发动机输出转速与车轮转速匹配的作用。
它由多个组成部分组合而成,下面将详细解析变速器的结构组成及工作原理。
一、总体结构变速器一般由变速器壳体、轴承、齿轮、离合器、制动器等组成。
变速器壳体是变速器的外部壳体,起到固定变速器内部零部件的作用。
轴承则负责支撑转动部件,使其能够稳定旋转。
齿轮是变速器的核心部件,起到传动转矩和变速的作用。
离合器用于实现发动机与变速器之间的分离与合并,而制动器则是用来制动齿轮以达到变速目的。
二、主要部件及作用1. 输入轴和输出轴输入轴是连接发动机与变速器的轴,它主要负责将发动机的动力传递给变速器。
而输出轴则负责将变速器输出的转矩传递给车辆的传动系统。
2. 齿轮齿轮是变速器的核心部件,它们通过啮合来实现不同的变速比。
根据结构和种类的不同,齿轮可以分为主动齿轮和被动齿轮。
主动齿轮传递动力,被动齿轮则接受动力。
3. 离合器离合器用于控制发动机与变速器之间的连接与断开,实现换挡时的平稳过渡。
在离合器的作用下,发动机的转动可以传递给齿轮组,从而实现车速的变化。
4. 制动器制动器主要用于固定某个齿轮或某组齿轮,使其不转动,从而实现换挡时的停止或减速。
制动器可以通过方法的方式来实现制动。
三、工作原理变速器的工作原理主要通过齿轮的啮合与变速比的改变来实现。
当离合器分离时,发动机的转动不会传递到变速器的齿轮上,此时变速器处于空挡状态。
当离合器连接时,发动机的动力会传递到变速器的输入轴上,并通过齿轮传递给输出轴,实现车辆的前进。
变速器通过更改输入轴和输出轴间的齿轮组合,实现不同转速和扭矩的传递,从而实现变速。
总的来说,变速器的结构组成包括变速器壳体、轴承、齿轮、离合器和制动器等。
它们的协同工作使得发动机的动力能够根据所需的速度和扭矩传递给车轮,实现车辆的平稳行驶。
通过掌握变速器的结构和工作原理,我们可以更好地理解汽车传动系统的运行机制。
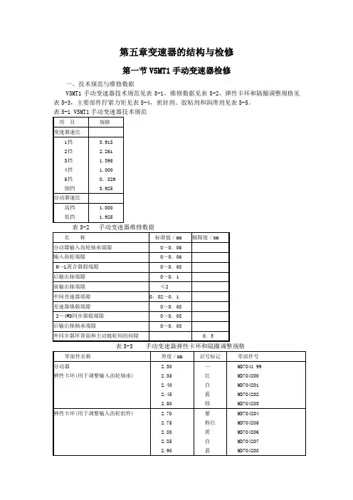
第五章变速器的结构与检修第一节V5MT1手动变速器检修一、技术规范与维修数据V5MT1手动变速器技术规范见表5-1,维修数据见表5-2,弹性卡环和隔圈调整规格见表5-3,主要部件拧紧力矩见表5-4,密封剂、胶粘剂和润滑剂见表5-5。
表5-1 V5MT1手动变速器技术规范表5-2 手动变速器维修数据表5-4 手动变速器主要部件拧紧力矩表5-5 手动变速器密封剂、胶粘剂和润滑剂二、主要部件的结构与维修1.变速器的分解与装配手动变速器的分解与装配按图5-1至图5-3中图注顺序进行。
图5-1手动变速器的分解与装配(一)1-选择螺塞;2-衬垫;3-选择弹簧;4-选择柱塞; 5-弹簧销;6-分动器组件;7-换挡器;8-接合器衬垫;9-螺塞;10-弹簧;11-钢球;12-密封螺塞;13-空挡复位弹簧;14-空挡复位柱塞(B);15-空挡复位柱塞(A)图5-2手动变速器的分解和装配(二) .16-接合器盖;17-接合器盖衬垫;18-通气口;19-弹簧销;20-分动器箱体接合器;21-1-2挡换挡爪;22-3-4换挡爪;23-5-倒挡换挡爪;24-密封环;25-变速器盖;26-离合器箱;27-油封;28-取力器盖;29-取力器盖衬垫图5-3手动变速器的分解与装配(三)30-锁紧螺母;31-锁止块;32-倒车轴;33-O形圈;34-侧垫圈;35-滚针轴承;36-弹性卡环;37-隔圈;38-副齿轮; 39-弹簧;40-倒车齿轮;41-弹性卡环;42-球轴承;43-弹性卡环;44-弹性卡环;45-球轴承;46-弹性卡环;47-球轴承;48-弹性卡环;49-弹性卡环;50-球轴承;51-主轴组件;52-主动小齿轮;53-导向轴承;54-中间轴;55-变速器箱体(1)倒车轴的分解见图5-4。
(2)主轴组件和主动小齿轮的拆装见图5-5。
分解时,拔出主动小齿轮,由于齿轮直径大于箱孔直径,因而主动小齿轮不能由此处拆出,应先从箱内拆出主轴组件,再拆出主动小齿轮。
tr690变速箱维修资料TR690变速箱维修资料引言:TR690是一种常见的自动变速器,广泛应用于许多汽车品牌和型号中。
本文将详细介绍TR690变速箱的结构、工作原理、常见故障及其维修方法。
通过阅读本文,您将了解到如何正确维护和修复TR690变速箱,以确保其正常运行和延长使用寿命。
第一部分:TR690变速箱的结构与工作原理1. 结构概述TR690变速箱由多个组件组成,包括液力变矩器、齿轮组、离合器组、制动器组等。
液力变矩器负责传递动力,并起到起步顺滑的作用;齿轮组通过不同齿比实现不同档位的换挡;离合器组和制动器组则负责控制离合和制动操作。
2. 工作原理TR690变速箱采用液力传动与机械传动相结合的方式。
在起步时,液力变矩器将发动机功率传递给齿轮组,并通过液压系统控制离合器和制动器来实现换挡操作。
当车辆加速或减速时,控制模块会根据车速和油门位置等参数,自动调整离合器和制动器的工作状态,以实现平稳的换挡过程。
第二部分:TR690变速箱常见故障及其维修方法1. 液力变矩器故障液力变矩器是TR690变速箱的关键组件之一,常见故障包括泄漏、油封破裂、转子损坏等。
若发现液力变矩器故障,应及时更换或修复液力变矩器,并检查相关密封件是否完好。
2. 离合器故障离合器是控制TR690变速箱换挡的重要部件,常见故障包括离合器片磨损、离合器压盘失效等。
若发现离合器故障,应及时更换离合器片和压盘,并检查液压系统是否正常工作。
3. 制动器故障制动器负责控制TR690变速箱的制动操作,常见故障包括制动片磨损、制动盘失效等。
若发现制动器故障,应及时更换制动片和制动盘,并检查液压系统是否正常工作。
4. 传感器故障TR690变速箱依赖于多个传感器来获取车速、油压等参数,以实现自动换挡。
常见故障包括传感器失灵、连接线路松动等。
若发现传感器故障,应检查传感器和连接线路,并进行修复或更换。
5. 电控单元故障TR690变速箱的电控单元负责监测各个传感器的信号,并控制离合器和制动器的工作状态。
小车波箱维修知识点总结一、波箱概述小车波箱是汽车动力传动系统中的重要部件之一,它负责将发动机的动力传递到汽车的驱动轴上,实现汽车行驶的功能。
波箱通常由离合器(手动波箱)或液压变速器(自动波箱)、齿轮组、轴承等部件组成。
二、波箱故障排查1. 异常声音:当发现波箱有不寻常的声音时,有可能是齿轮磨损、轴承问题或者油液不足导致的。
应及时检查波箱的油液情况,如有需要及时更换,并检查齿轮和轴承的磨损程度。
2. 挂挡不畅:如果在挂挡的过程中感到不流畅,可能是波箱同步器磨损或者离合器失灵。
这时需要检查同步器的磨损情况,并且检查离合器的工作状况。
3. 漏油问题:如果发现波箱有漏油现象,应当第一时间检查波箱密封件是否有损坏,是否需要更换。
漏油严重的情况下,可能是波箱内部零部件故障,需要及时维修。
三、波箱维护注意事项1. 定期更换油液:波箱油液会随着使用时间的增长而老化,因此需要定期更换。
一般推荐每两年或者行驶一定里程后更换波箱油液。
2. 转速匹配:在换挡时,要注意将变速器的转速和发动机的转速相匹配,避免引发冲击和磨损。
3. 正确挂挡:换挡时应该将离合器踏板完全释放,避免产生过大的摩擦和磨损。
四、常见问题的解决方法1. 挡位不进:如果挡位无法进入,可以尝试松开离合器后稍微减少油门,再重新踩下离合器、换挡。
如果仍然无效,可能是离合器故障,需要进行检修。
2. 切换反档时发生异常:如果在切换到倒挡时发生异响或者无法进入倒挡,可能是倒挡齿轮损坏或者齿轮同步器有问题。
这时需要将车辆停下来,并进行维修和更换相关零部件。
3. 波箱漏油:如果发现波箱有明显的漏油迹象,需要先查找漏油的具体位置,然后及时修复或更换波箱密封件。
4. 换挡不顺畅:如果在换挡时感觉有顿挫或者不流畅,可能是同步器磨损或者离合器问题。
这时需要进行检查和维修。
五、对波箱的保养方法1. 定期检查油液情况:每隔一段时间检查波箱油液的颜色和量,如有需要及时更换。
2. 注意离合器的使用:不要长时间半踩着离合器踏板,也不要将离合器完全释放得过慢,以免引起摩擦过大。
汽修基础知识:变速器维修与保养变速器是汽车的重要零部件,负责将发动机的动力传递到车轮上,调节车速和转矩。
变速器的维修与保养对于汽车的正常运行至关重要。
下面将介绍变速器维修与保养的基础知识,并给出详细的步骤和注意事项。
一、变速器的基本结构和工作原理1. 变速器的结构:变速器由齿轮、轴承和离合器等部件组成,常见的类型包括手动变速器和自动变速器。
2. 变速器的工作原理:变速器通过齿轮的组合和离合器的控制,实现不同齿比的选择,从而调节车辆的速度和转矩。
二、变速器的故障和检修1. 常见的变速器故障:变速器常见故障包括齿轮磨损、轴承损坏和离合器失灵等。
2. 变速器故障的检修步骤:步骤一:检查变速器的油液是否正常,如有需要及时更换。
步骤二:检查变速器的各个部件是否磨损或损坏,如有需要进行修复或更换。
步骤三:检查变速器的离合器是否正常工作,如有需要进行调整或更换。
步骤四:检查变速器的油封和密封圈是否正常,如有需要进行更换。
步骤五:检查变速器的控制系统是否正常工作,如有需要进行修复或更换。
三、变速器的保养方法1. 变速器油的更换:根据汽车制造商的建议和使用情况,定期更换变速器油,保持变速器内部的清洁和润滑。
2. 变速器油封的检查:定期检查变速器的油封和密封圈是否存在泄漏,如发现泄漏及时更换。
3. 变速器冷却系统的保养:保持变速器冷却系统的清洁和正常工作,避免冷却液泄漏或过热造成变速器损坏。
4. 驾驶习惯的调整:养成良好的驾驶习惯,避免急加速、急刹车和长时间高速行驶等操作,以减少对变速器的磨损。
5. 定期检查和保养:定期检查变速器的工作状态,如发现异常及时修复,定期进行变速器的维护保养。
四、变速器维修与保养的注意事项1. 选择正规的汽车维修店进行维修与保养,避免由于技术不过关导致问题更加严重。
2. 严格按照汽车制造商的建议和要求进行维修与保养,避免使用不合适的零部件和润滑油。
3. 维修和保养过程中要注意安全,如拆装变速器时必须使用专用工具和严格遵循操作规程。
k3手动变速箱维修手册(原创版)目录1. k3 手动变速箱维修手册概述2. k3 手动变速箱的结构和工作原理3. k3 手动变速箱的维修方法和技巧4. k3 手动变速箱维修中的注意事项5. k3 手动变速箱维修后的测试和验收正文一、k3 手动变速箱维修手册概述k3 手动变速箱是现代汽车中常用的一种变速装置,它能够在不同的路况和驾驶条件下,提供合适的速度输出,保证汽车的平稳行驶。
然而,由于长时间的使用和操作不当,k3 手动变速箱也会出现故障,需要进行维修。
本手册将为您提供 k3 手动变速箱的维修方法和技巧,帮助您解决维修中的问题。
二、k3 手动变速箱的结构和工作原理k3 手动变速箱主要由输入轴、输出轴、齿轮组和操纵机构等组成。
其中,输入轴连接发动机,输出轴连接驱动轴,齿轮组负责变速,操纵机构负责控制齿轮组的工作。
当驾驶员操作换挡杆时,操纵机构的齿轮会与齿轮组中的齿轮啮合,实现不同速度的输出。
三、k3 手动变速箱的维修方法和技巧1.诊断故障:在维修 k3 手动变速箱之前,首先要对变速箱进行全面的检查,找出故障原因。
常见的故障有齿轮异响、换挡冲击、漏油等。
2.拆卸和检查:根据诊断结果,拆卸相应的部件,进行检查和维修。
例如,如果发现齿轮磨损,需要更换新的齿轮;如果发现油封损坏,需要更换新的油封。
3.组装和调试:在更换部件后,需要重新组装变速箱,并进行调试。
调试过程中,要注意齿轮的啮合情况、油压是否正常、换挡是否顺畅等。
四、k3 手动变速箱维修中的注意事项1.在维修过程中,要遵循操作规程,避免对变速箱造成二次损伤。
2.在更换部件时,要使用原厂或质量可靠的配件,保证维修质量。
3.在调试过程中,要注意观察和倾听,发现异常情况要及时处理。
五、k3 手动变速箱维修后的测试和验收1.进行路试,检查变速箱在不同速度和驾驶条件下的工作情况。
2.检查变速箱油位和油质,确保油压正常,油质无异常。
3.检查换挡机构和操纵机构,确保换挡顺畅,无异响和冲击。
TR690变速箱维修资料1. 引言TR690变速箱是一种常见的汽车传动装置,广泛应用于许多车型中。
本文旨在提供关于TR690变速箱的维修资料,包括其工作原理、常见故障和维修方法等内容。
2. 工作原理TR690变速箱是一种自动变速器,通过液压系统和电子控制单元来实现换挡操作。
它由多个离合器、制动器和齿轮组成,并通过液压力和摩擦力来实现不同挡位之间的切换。
TR690变速箱采用了行星齿轮机构,具有多个齿轮组合成的行星齿轮系列。
其中一个齿轮组通过行星架与另一个齿轮组相连,从而实现不同挡位之间的换挡。
液压系统通过控制离合器和制动器的工作来改变齿轮组之间的连接状态,从而实现不同挡位之间的转换。
电子控制单元(ECU)负责监测车辆的驾驶条件,并根据驾驶者的需求进行换挡操作。
ECU根据传感器提供的信息(如车速、加速度等)来确定最佳换挡时机,并通过控制液压系统来实现换挡操作。
3. 常见故障TR690变速箱可能会遇到一些常见的故障,下面列举了一些常见的问题及其可能的原因:3.1 换挡不顺畅如果在换挡时感觉到顿挫或者换挡不流畅,可能是由于以下原因引起的: - 液压系统问题:液压油污染、泄漏或压力不足。
- 离合器和制动器磨损:离合器片或制动器片磨损严重。
- 电子控制单元故障:ECU无法准确判断最佳换挡时机。
3.2 挂空档如果在挂入空档时听到异常声音或者无法正常行驶,可能是由于以下原因引起的:- 离合器故障:离合器片磨损导致无法正常连接齿轮组。
- 液压系统问题:液压油泄漏或压力不足导致离合器无法工作。
3.3 挂入错误挡位如果在换挡时出现错误的挡位,可能是由于以下原因引起的: - 传感器故障:驾驶员选择正确挡位,但ECU接收到的传感器信号出现错误。
- 电子控制单元故障:ECU无法准确判断最佳换挡时机。
4. 维修方法针对TR690变速箱的常见故障,下面提供了一些维修方法供参考:4.1 换挡不顺畅如果换挡不顺畅,可以采取以下措施: - 检查液压系统:检查液压油是否干净,如有污染应及时更换。
完全免费--五档自动变速器总成的结构与维修(图)(doc 31)一、变速箱的操作用含有二硫化钼基的润滑脂g000602润滑所有的铰接部及滑动面。
1.换档控制杠杆拆卸与安装换档控制杠杆可从车辆下面与连接杆一同拆下。
(1)拆卸1)将汽车放置在检修台上。
2)在中心托架中将框架件从其壳体上取下。
3)旋松换档杆的端部,将换档杆手柄取下,同时将装饰套及框架件也一同取下。
4)将用于固定托架一变速箱壳的螺母取下。
5)举升汽车。
6)卸下排气管的第一段。
7)从车身上卸下隔热板。
8)将固定连接销与连接杆的卡箍上的螺母松开。
9)将连接杠杆防护箱与幸身的螺栓拆下。
从下面向后拉出防护箱、杠杆及连接杆。
必要时拆开连接销。
10)将连接销从换档操作杆和倒档轴上拆下。
11)从汽车上拆下的部件要立刻放在工作台上。
12)将固定球支撑座的螺母拆下。
13)将换档控制杠杆与连接杆一同从支撑座上取下。
14)将控制杠杆固定在台架上并挤压弹簧以便使销子可以进入。
取下销子并拆下球、弹簧及保持盖。
(2)安装安装顺序与拆卸顺序相反,安装时要注意:1)将盖、弹簧和球安在控制杠杆上。
检查保持盖的位置是否正确。
及连接杆安装到杠杆上,并将装置放入防护箱.检查杠杆在防护箱上的装配位置是否正确。
2)装到车上时,塑料凸缘应指向左边。
3)用二硫化钼润滑脂润滑左右连接部。
4)将连接杆插入到连接销上的卡箍中,并将整个总成安装到车上,安装时要保证螺栓的紧固扭矩达到2on·m。
5)调整换档杠杆。
4.调整(1)基本调整,1)汽车必须支撑在四个轮子上。
2)从换档杆上取下装饰套。
3)重复接3档和4档几次,然后将换档杆放置在空挡位置上。
4)在不施加任何力的条件下将u-40026工具装配到换档杆上的塑料支柱上。
5)检查卡箍是否处于图片上所示的正确位置上,卡箍不得被钩住。
6)如果不对换档杆施力即不能完成该操作,则按如下步骤进行:7)在换档杆处于空档位置时,将用于固定连接销子上螺母的卡箍松开。
将换档杆推到3档和4档位置上,使机构松开。
8)将u-40026卡箍放到塑料支柱上。
9)将用于固定连接销子上的螺母的卡箍拧紧30n·m扭矩。
10)拆下卡箍并检查各档的工况:各齿轮应毫无障碍地平滑地啮合。
要特别注意倒档齿轮部分。
如果某齿轮在啮合几次后出现障碍,应该进行精密调整。
(2)精密调整1)啮合一档齿轮。
2)在1档齿轮啮合后,手柄作用在限位件上的力达到3至5nm时(不考虑自由间隙),检查限位件与换档杆之间的距离a是否为1±0.5m。
如果不是,按如下步骤进行:3)松开螺栓b并转动凸轮a(向右或向左转)直至距离a达到正确值。
此时将螺栓2n·m的扭矩拧紧。
注意:为了正确地调整换档杆,必须考虑如下因素:换档机构的所有部件均处于完好状态。
换档运动平缓。
换档杆、离合器及离合器踏板均处于良好状态。
5.变速箱一差速器的拆卸与安装(1)拆卸1)将汽车放在举升台上。
2)断开蓄电池的地线。
3)将离合器控制拉线从变速箱上断开。
4)用带子或u-30015工具将自调节系统固定住。
5)断开倒档灯开关及里程表传感器开关。
6)从换档控制连杆上拆下如下部件:·前横杆销,将其移到一侧·垂臂上的短换档拉杆·垂臂上的长换档拉杆7)拆下用于将发动机支架固定在差速器左边上的螺栓。
8)拆下起动马达上的电线。
9)拆下固定拉线用的法兰。
拆下起动马达的上固定螺栓。
10)拆下用于将冷却液管固定到发动机前支座上的螺栓。
11)拆下用于将发动机前支座固定到弹性块上的螺栓。
12)拆下固定在上螺栓上的搭铁线。
13)拆下将变速箱与发动机连接的两个上螺栓。
14)拆下将发动机后支座固定在弹性块上的螺栓。
15)拆下将发动机后支座固定在变速箱上的螺母。
16)拆下高压管并拆下其支座。
17)将横杆u30025放在图片上所示的位置上,18)用于在以下的工作过程中固定和操纵发动机总成:19)举升汽车。
20)拆下用于固定转向机液压管的支架。
21)拆下用于固定起动马达的下螺栓并拆下起动马达。
22)拆下发动机前支座。
23)拆下发动机飞轮防护罩。
24)从两侧松开固定铰接半轴用的螺栓并将两半轴取下。
25)拆下固定托架与差速器的下螺栓。
26)拆下托架。
27)用横梁上的钩子移动发动机,以便能拆下固定发动机支座与变速箱的两螺栓。
28)拆下支座。
29)拆下位于连接法兰后面的小防护罩。
30)拆下连接变速箱与发动机的下螺栓。
31)移动变速箱一差速器,以便能拆下发动机中心螺栓并随后拆下变速箱的第一轴。
从装置上卸下钩子。
(2)安装安装的顺序与拆卸顺序相反,应注意:将变速箱安放到支座上并通过敲击和振动使其安装到位,不可强行到位。
清洁第一轴上的花键槽并涂少许6000100使之润滑。
检查发动机一变速箱中心套筒是否位于气缸体上以及中间盘位置是否正确。
检查润滑油油面高度。
踩几下离合器踏板,检查其自动调节功能。
检测并在必要时调整变速箱控制机构。
检查以下紧固扭矩:1)连接变速箱与气缸体的螺栓,8on·m。
2)连接起动马达和前支架与变速箱的螺栓,6on·m。
3)固定防护板的螺栓,l0n·m。
6.壳体的导向衬套。
如图8-175所示。
4.变速箱/差速器的分解与组装。
二、变速箱总成(1)分解对于任一需要分解变速箱的维修,其操作如下:1)将变速箱支撑在如图片所示的ar-203a台柱上。
在固定变速箱的台板上有一组孔一采用孔1和6。
2)排掉变速箱的润滑油。
3)从离合器壳上靠近差速器一侧取下柱塞及盖上的柱塞。
4)沿着箭头方向推动离合器杠杆位置上取下离合器推杆。
5)用两根螺栓将u-40007支座支撑在离合器壳上,用于支撑一轴。
6)将六各用于固定变速箱的六角螺栓拆下。
7)取下盖及密封垫。
8)从换档杆上拆下盖a。
9拆下用于固定换档杆的螺栓1。
10)在某些变速箱上,用螺栓在2号位置上将里程表机构固定到变速箱壳上。
拆下螺栓2并取下里程表机构。
11)将换档拨叉放在空挡位置上。
12)换档杆必须能够自由地来回移动。
13)用u-200201具和一个27mm的扳手松开换档杆盖。
将盖连同弹簧一起拆下并拆下换档器总成。
14)拆下固定倒档小齿轮轴的锁止螺栓。
15)用冲子或螺丝刀戳穿塑料盖的中心,然后将该盖从左球节法兰上拆下。
16)从轴上的槽取下保险卡环并拆下圆锥垫圈。
17)用两个m8的螺栓将u-40013工具固定在法兰上,转动工具上的轴,将法兰、弹簧及垫圈拆下。
18)按如下步骤锁住变速箱:—沿着箭头1的方向向下移动滑套使5档小齿轮啮合—沿着箭头2的方向向下移动第一换档拨叉使倒挡齿轮啮合。
19)用u-40020工具上的12mm的多齿扳手将固定5档同步器总成的螺栓拆下拆下垫圈。
20)松开连接管上的保险盘。
从轴上拆下弹簧。
注意:不要从换档拨叉上拆下连接管2上的连杆1。
21)用u-40200/81具向右转动连接管,使其从5挡换档拨叉的位置上被旋松。
注意:不要从换档拨叉上拆下连接管2上的连杆1。
22)用一个平头螺丝刀将整个同步器总成连同5档小齿轮及换档拨叉一同拆下。
注意:不要损坏接触面。
必要时可按图片所示那样用u40100/1工具协同操作,先将拨叉、同步齿环和键拆下。
23)检查小齿轮同步器总成下方的推力垫圈。
24)拆下二轴上用于5挡小齿轮的保险卡环和推力垫圈。
25)在某些变速器箱上,二轴上用于5档的保险卡环是一个板,而且没有推力垫圈。
26)从二轴上拆下5档小齿轮。
必要时采用带短腿的u-40100/1拔除器。
27)用u-40020工具拆下用于固定二轴上径向轴承的膨胀盘的多头螺栓。
28)拆下连接变速箱壳有离合器壳的六角螺栓。
29)用u-40200-7工具将变速箱壳分开并拆下密封垫。
30)从离合器壳上拆下连杆a并将整个总成抽出,抽出时,将拨叉b支起来,以防倒塌。
31)拆下连杆和拨叉总成。
32)拆下保险卡环并从二轴上拆下4档小齿轮,必要时借助带短腿的u-40100/l拔除器。
33)将一轴略微推向一侧以便取下小齿轮。
34)拆下整个一轴a。
注意:在该操作过程中倒档轴不得啮合。
35)在某些变速箱上在4档小齿轮上有a标记的位置上还安有另一个保险卡环。
36)如有保险卡环a,拆下该卡环。
37)拆下第三齿轮上的保险卡环b。
38)用带短腿的u-40100/1拔除器拆下3档和2档小齿轮卸下滚针轴承。
39)按如下步骤从离合器壳上拆下倒档小齿轮及齿轮轴:—将倒挡小齿轮移到其轴的中间部分,并用手使其保持在该位置上。
用塑料锤轻击轴的上端直至轴脱开壳体,注意不要损坏离合器壳的接触表面。
—用带长腿的u-40100/1工具拔除器拆下同步器总成、1档小齿轮和衬套。
40)拆下连接轴承支撑盖与离合器壳的螺栓并拆下二轴总成、滚针轴承和推力垫圈。
41)用同样方法拆下球节法兰。
42)将差速器与离合器壳分开,注意不要掉下圆锥环。
(2)组装组装的次序与拆卸相反,其步骤如下:1)在离合器4壳安装差速器总成:不安装球节法兰。
2)安装二轴和轴承盖:穿上螺栓并沿对角线方向将其拧紧到25n·m扭矩。
3)安装推力垫圈和滚针轴承。
4)用于1档小齿轮的滚针轴承在a处的安装位置应使其径指向盖b。
5)安装l档小齿轮和其同步齿环。
不要互换l档和2档同步齿环。
1档同步齿环上未涂钼。
6)1档和2档同步器总成的安装位置是,推力套筒a的带齿的外缘面向l档小齿轮b。
7)将1档和2档同步总成轮毂加热到100℃左右,然后将总成完全插入。
同时,转动同步齿环使花键槽与花键配合。
8)安装2档同步齿环。
9)将倒档小齿轮安到其轴上并将其放在离合器壳。
10)用u-40200/20工具将2档小齿轮的滚针轴承圈完全插入。
11)安装2档和3档滚针轴承、同步齿环和小齿轮。
12)3档小齿轮必须安装在其大端a面对2档小齿轮b。
13)在二轴上安好3档小齿轮后,按如下步骤调整轴向间隙:—在确定出能够安进槽的最厚的保险卡环后,按图片所示那样安装保险卡环a。
—安装保险卡环时注意不要拉伸它并且要保证它能完全插入槽中。
可采用的保险卡环表零件号厚度(mm)厚度(mm)020*******.5棕色020311381a2.6黑色020311381b2.7有光泽020311381c2.8紫铜020311381d2.9黄铜020311381e3.0蓝色注意在某些变速箱上,保险卡环的直径较大,其规格如下表所示:零件号厚度(mm)识别特征020311381f2.5棕色020311381g2.6黑色020311381h2.7有光泽020311381j2.8紫铜020311381k2.9黄铜020311381l3.0蓝色14)安装整个一轴a,在安装进离合器壳之前,用u-40007工具将其支撑起来。
一轴必须保持在略微偏离其原有位置处。
15)在某些变速箱上在4档小齿轮上安装一个附加的保险卡环,在此情况下,在安装4档小齿轮前安装保险卡环。