机械机修钳工初级工操作技能考核
- 格式:rtf
- 大小:12.64 MB
- 文档页数:20
机修钳工初级试题(含答案)一、单选题(共47题,每题1分,共47分)1.金属零件经( )后,能增加零件硬度。
A、退火B、淬火C、回火正确答案:B2.米制标准三角形螺纹牙型角是( )。
A、40°B、60°C、55°正确答案:B3.普通车床上将挂轮箱传来的旋转运动传给丝杠或光杠的是( )。
A、挂轮箱B、进给箱C、溜板箱D、床头箱正确答案:B4.机械在承受压力大、运动速度慢、精度要求低的场合,应选用( )的润滑油。
A、粘度大B、蒸发点高C、粘度小正确答案:A5.中小型机床的润滑,如钻床,普通车床等常选用( )号机械油。
A、10B、30C、50正确答案:B6.有一把游标卡尺,其尺身每一小格为1mm,游标刻线总长为19mm 并均分20格,则此游标卡尺的读数精度为( )mm。
A、0.05B、0.02C、0.01正确答案:A7.衍磨铸铁件时一般用( )砂条。
A、碳化硅B、金刚石C、氧化铝正确答案:A8.机械方法防松装置中,有( )防松装置。
A、止动垫圈B、弹簧垫圈C、锁紧螺母正确答案:A9.双头螺柱装配时,其轴心线必须与机体表面( )。
A、同轴线B、平行C、垂直正确答案:C10.导轨的精度包括几何精度,表面粗糙度和( )。
A、直线度B、接触精度C、垂直度D、平行度正确答案:B11.滚动轴承的外圈与轴承座孔的配合应为( )制。
A、基孔制B、基轴制正确答案:B12.按油泵压力分:当工作压力在( )公斤/厘米2为高压泵。
A、200-400B、64-100C、大于500正确答案:A13.在载荷的作用下,金属材料抵抗变形和破坏的能力叫( )。
A、强度B、硬度C、韧性D、塑性正确答案:A14.Z525型立钻变速箱能得到九种不同转速。
转速变换是通过改变装在两根花键轴上的( )滑移齿轮的啮合实现的。
A、两组三联B、三组三联C、两组二联正确答案:A15.用手工绕制弹簧芯棒直径一般应( )弹簧内径。
2009年职业技能鉴定操作技能考核项目机修钳工初级中国石油辽河油田职业技能鉴定中心机修钳工初级试题目录试题一、角度样板(100%)试题二、锯锉薄板(100%)试题三、凹形块(100%)考试试题以当天为准试题一:角度样板1、准备要求(1)材料准备(2)设备准备(3)工、用、量具准备(考生自备)注:可根据试题自行选择工、用、量具2、操作考核规定及说明(附图1-2)(1)操作程序1)锉削。
(2)考核规定说明1)如操作违章,将停止考核。
2)考核采用百分制,考核项目得分按鉴定比重进行折算。
(3)考核方式说明:该项目为实际操作题,全过程按操作标准过程进行评分。
(4)考核技能说明:本项目主要测量考生对角度样板操作技能掌握的熟练程度。
3、考核时限:(1)准备时间:2min(不计入考核时间)(2)正式操作时间:70min。
(3)从正式操作开始计时。
(4)考核时,提前完成操作不加分,超时停止操作。
4、评分记录表机修钳工初级操作技能考核评分记录表现场号_________工位_________性别_________试题名称:角度样板考核时间:70min30°±6′12 每超差4′扣4分60°±6′12 每超差4′扣4分12 每超差0.02扣6分Ra6.3μm(5处) 5 每处降级扣1分2 现场考核工具、量具使用,清理现场,安全文明操作工具、量具使用错一件从总分中扣1分,未清理现场扣5分,每违反一项规定从总分中扣5分,严重违规停止操作。
3 考核时限在规定时间内完成超时停止操作合计100考评员: 核分员: 年月日试题图:图1-1机修钳工初级操作技能考核现场记录表现场号工位性别试题名称:角度样板考核时间:70min现场考评员:年月日试题二:锯锉薄板1、准备要求(1)材料准备(2)设备准备(3)工、用、量具准备(考生自备)注:可根据试题自行选择工、用、量具2、操作考核规定及说明(附图1-2)(1)操作程序1)锉削;2)钻削。
机修钳工(初级)考试题及参考答案一、单选题(共99题,每题1分,共99分)1.( )传动中,为增加接触面积,改善啮合质量,在保留原传动副的情况下,采取加载跑合措施。
A、链B、蜗杆C、齿轮D、带正确答案:C2.泵启动后不允许用()调节流量,避免机泵出现抽空。
A、泵出口B、都可以C、泵入口D、泵出入口正确答案:C3.采用圆锥销连接时,装配后()端不允许进入销孔内。
A、小B、大C、中D、不确定正确答案:B4.泵轴一般使用()材料制成的。
A、碳钢B、镍铬钢C、铸铁D、青铜正确答案:A5.V带的传动特点是()。
A、传递功率较大B、传动比准确C、动平稳,噪音低D、传动中心距短正确答案:C6.锥形锪钻按其锥角大小可分60、75、90、和120等四种,其中()使用最多。
A、120B、90C、60D、75正确答案:B7.矫正过程金属材料发生〔〕变形。
A、塑性加弹性B、塑性变形C、都不行D、弹性变形正确答案:B8.米制普通螺纹的牙型角为()。
A、55B、60C、30D、75正确答案:B9.台虎钳是通过〔〕来传递夹紧力的。
A、丝杠和螺母B、固定钳口和活动钳口C、夹紧盘和转盘座D、固定钳身和活动钳身正确答案:A10.卡套式管接头联接的管路适用于〔〕管路。
A、低压B、无压C、中压D、高压正确答案:D11.滑动齿轮与花键轴的联接,为了得到较高的定心精度,一般采用()。
A、小径定心B、大、小径定心C、大径定心D、健侧定心正确答案:C12.在攻制工件台阶旁边或机体内部的螺孔时,可选用()绞杠。
A、固定或活动的丁字绞杠B、普通活动绞杠C、都可以D、普通绞杠正确答案:A13.锯削时的锯削速度以每分钟往复()为宜。
A、20次以下B、20~40次C、40~50次D、50次以上正确答案:B14.表面淬火主要适用于()。
A、高碳钢B、低碳钢C、低碳D、中碳钢正确答案:D15.1英尺等于()m。
A、0.0254B、0.03048C、0.254D、0.3048正确答案:D16.螺纹联接产生松动故障的原因,主要是经受长期()而引起的。
机修钳工技能鉴定考核试题库第二版一、选择题1. 下列哪个是机修钳工常用的手工工具?A. 扳手B. 锤子C. 螺丝刀D. 手钳2. 机修钳工常用的切割工具是什么?A. 钳子B. 锤子C. 锉刀D. 剪刀3. 在机修过程中,哪个工具常用于夹紧工件?A. 锤子B. 钳子C. 扳手D. 螺丝刀4. 在机修过程中,哪个工具常用于调节工件的尺寸?A. 锤子B. 钳子C. 扳手D. 螺丝刀5. 机修钳工在操作机械设备时,应该注意哪个方面的安全?A. 工件的尺寸B. 操作的速度C. 设备的电源D. 操作的顺序二、填空题1. 机修钳工常用的测量工具是________。
2. 在机修过程中,为了保护工件的表面,可以使用________进行包裹。
3. 机修钳工在操作机械设备时,应该注意保持________的清洁。
4. 机修钳工在操作机械设备时,应该佩戴________来保护视力。
5. 机修钳工在操作机械设备时,应该注意保持________的状态。
三、问答题1. 机修钳工在使用切割工具时,应该注意哪些安全事项?2. 请描述一下机修钳工在操作机械设备时应该注意的事项。
3. 机修钳工在进行机械零件的组装时,应该注意哪些步骤?4. 请简述一下机修钳工的工作职责和工作内容。
5. 机修钳工在进行机械维修时,常见的故障有哪些?如何排除?四、案例分析题某工厂的机械设备发生了故障,需要进行维修。
请根据以下情况,回答相关问题。
工厂的一台机床在加工过程中出现了断刀的故障,导致加工效率低下。
机修钳工接到了维修任务,需要排除故障并修复机床。
1. 请列举可能导致机床断刀的原因。
2. 机修钳工在进行维修时,应该采取哪些步骤?3. 机修钳工在排除故障后,如何进行机床的维护工作,以避免类似问题再次发生?五、实际操作题请根据以下步骤,进行机修钳工实际操作的模拟练习。
1. 使用扳手拆卸一个螺丝。
2. 使用钳子夹紧一个工件。
3. 使用锤子敲击一个工件。
4. 使用切割工具剪断一个材料。
初级钳工实际操作技能题库1. 考核题目:平面划线1.1 技术条件按照给定的图纸,在板料上划线。
1.2 设备、材料、工具:钢板、划规、划针、样冲、手锤1.3 考核时间:1小时《按照给定图纸在板料上划线》考核评分表姓名:准考证号:考核开始时间:考核终止时间:考评组长:考评员:考核日期:年月日2. 考核题目:錾削方法1.1 技术条件正确论述平面錾削、錾油槽、切断板料方法1.2 设备、材料、工具:錾子、手锤1.3 考核时间:0.5小时《论述錾削方法》考核评分表姓名:准考证号:考核开始时间:考评组长:考评员:考核日期:年月日3. 考核题目:锉削平键1.1 技术条件按图纸要求锉削平键至规定尺寸精度1.2 设备、材料、工具:锉刀、手锤、大布、毛刷、卡尺、角尺1.3 考核时间:1小时《锉削平键》考核评分表姓名:准考证号:考核开始时间:考评组长:考评员:考核日期:年月日1.1 技术条件叙述锯割棒料、管料、薄板料、锯槽的方法1.2 设备、材料、工具:手锯、虎钳1.3 考核时间:1小时《锯割方法》考核评分表姓名:准考证号:考核开始时间:考评组长:考评员:考核日期:年月日1.1 技术条件叙述标准麻花钻的刃磨、装夹和钻孔方法1.2 设备、材料、工具:钻头、虎钳、砂轮机、钻床1.3 考核时间:1小时《钻削方法》考核评分表姓名:准考证号:考核开始时间:考评组长:考评员:考核日期:年月日6. 考核题目:攻丝和套丝1.1 技术条件手动攻套丝方法1.2 设备、材料、工具:M12-16丝锥绞手、圆板牙架各一副(带丝锥板牙),活动扳手一支、平口起子1把1.3 考核时间:1小时《攻套丝方法》考核评分表姓名:准考证号:考核开始时间:考评组长:考评员:考核日期:年月日7. 考核题目:螺纹、螺栓连接装配1.1 技术条件叙述螺纹、螺栓连接装配方法1.2 设备、材料、工具:活络扳手1.3 考核时间:1小时《螺纹、螺栓连接装配》考核评分表姓名:准考证号:考核开始时间:考评组长:考评员:考核日期:年月日8. 考核题目:键连接和销连接装配1.1 技术条件叙述键连接和销连接的装配方法1.2 设备、材料、工具:活络扳手、手锤、大布、机油1.3 考核时间:1小时《键连接和销连接装配》考核评分表姓名:准考证号:考核开始时间:考评组长:考评员:考核日期:年月日9. 考核题目:轴承装配1.1 技术条件叙述轴承密封、游隙调整、装配方法1.2 设备、材料、工具:滚动轴承、手锤、铜棒等1.3 考核时间:1小时《轴承的装配》考核评分表姓名:准考证号:考核开始时间:考评组长:考评员:考核日期:年月日10. 考核题目:联轴节的装配(凸缘连轴节、十字沟槽连轴节)1.1 技术条件和要求现场模拟联轴器的装配方法1.2 设备、材料、工具:直尺、活络扳手1.3 考核时间:1小时《联轴节的装配》考核评分表姓名:准考证号:考核开始时间:考评组长:考评员:考核日期:年月日1.2 设备、材料、工具:手锤1.3 考核时间:1小时《管道连接的装配》考核评分表姓名:准考证号:考核开始时间:考评组长:考评员:考核日期:年月日1.2 设备、材料、工具:活络扳手、钳工起子1.3 考核时间:1小时《三角带传动的装配》考核评分表姓名:准考证号:考核开始时间:考评组长:考评员:考核日期:年月日。
机修钳工初级考试题(含答案)一、单选题(共47题,每题1分,共47分)1.火焰法矫正是使材料( )后产生变形,来达到矫正的目的。
A、弯曲B、伸长C、热胀热缩D、压缩正确答案:C2.当磨钝标准相同时,刀具耐用度愈大表示刀具磨损( )。
A、愈快B、不变C、愈慢正确答案:C3.划线时,用来确定工件各部位尺寸、几何形状及相对位置的线,称为( )线。
A、零位B、基准C、原始正确答案:B4.用分度头划线在调整分度叉时,如果分度手柄要转过32孔距数,则两叉脚间就有( )个孔。
A、32B、33C、31正确答案:A5.深沟球轴承的安装顺序是:当内圈与轴颈配合较紧而外圈与壳体孔配合较松时,应先( )。
A、将轴承同时压入或装上B、将轴承装在轴上C、将油承压入壳体中正确答案:B6.任何一个未被约束的物体,在空间有进行( )种运动的可能性。
A、五B、四C、六正确答案:C7.齿轮传动效率比较高,一般圆柱齿轮传动效率可达( )%。
A、50B、90C、98D、75正确答案:C8.在刀具的几何角度中,能起控制排屑方向作用的几何角度是( )。
A、后角B、前角C、刃倾角正确答案:C9.为了进一步提高静压轴承的刚度和旋转精度,可采用( )。
A、可变节流器B、小孔节流器C、毛细管节流器正确答案:A10.锉刀的主要工作面是指锉齿的( )。
A、上下两面B、两个侧面C、全部表面正确答案:A11.将部件、组件、零件连接组合成为整台机器的操作过程,称为( )。
A、组件装配B、总装配C、部件装配正确答案:B12.车床齿条由几根拼装时,在两根相接齿条的接合端面之间,预留有0.5mm左右的( )。
A、过盈B、间隙C、过渡正确答案:B13.在中等中心距时,三角带的张紧程度一般可在带的中间,用大拇指能按下( )mm为宜。
A、5B、15C、20D、10正确答案:B14.U型密封圈的工作压力不大于( )。
A、500Kg/cm2B、140Kg/cm2C、320Kg/cm2正确答案:C15.在载荷的作用下,金属材料抵抗变形和破坏的能力叫( )。
选择题在机修钳工工作中,使用游标卡尺测量工件时,正确的读数方法是?A. 只读取主尺上的刻度B. 只读取游标上的刻度C. 主尺和游标刻度相加读取(正确答案)D. 随意估读一个数值钳工在装配工作中,常用的紧固螺纹连接件的方法是?A. 用锤子敲击使螺纹连接紧固B. 使用合适的扳手或套筒按顺序逐步拧紧(正确答案)C. 随意使用任何工具拧紧D. 不需要特定工具,直接用手拧紧在进行机械零件的划线作业时,划线基准的选择应遵循的原则是?A. 随意选择任何一面作为基准B. 选择加工面作为基准(正确答案)C. 选择非加工面作为基准D. 选择最不平整的面作为基准钳工在锉削加工中,为了获得较好的表面质量和尺寸精度,应?A. 尽量快速锉削,提高效率B. 保持锉刀平稳,均匀用力,适时退刀(正确答案)C. 用力越大越好,以加快锉削速度D. 随意改变锉削方向在钳工工作中,对于精密孔的加工,常采用的方法是?A. 钻孔后直接达到精度要求B. 钻孔、扩孔后再铰孔(正确答案)C. 只使用钻孔即可D. 使用砂轮磨削达到精度钳工在装配轴承时,为了保证轴承的正确安装,应?A. 直接用力敲击轴承使其就位B. 使用专用工具,如轴承加热器或压力机(正确答案)C. 使用任何可用工具强行安装D. 不需要特定工具,直接手推安装在机修钳工工作中,对于螺纹孔的修复,常采用的方法是?A. 使用电焊填补后重新钻孔B. 使用螺纹修复器或重新攻丝(正确答案)C. 直接用胶水填补D. 不需修复,更换整个部件钳工在进行零件的刮削加工时,刮刀的刃口应保持的状态是?A. 锋利且平直(正确答案)B. 无需锋利,任意形状C. 刃口可略带弧度D. 刃口应磨损以便使用在钳工装配工作中,对于过盈配合的零件,常用的装配方法是?A. 直接敲击装入B. 加热膨胀后装入或冷冻收缩后装入(正确答案)C. 使用润滑油减少摩擦后装入D. 无需特殊处理,直接装配。
初级钳工实际操作技能题库1. 基本工具使用技巧•描述并说明钳工要熟练掌握的基本工具。
•举例说明不同工具的使用场景,并提供操作步骤和注意事项。
•包括但不限于:锤子、扳手、钳子、千斤顶等。
2. 零件加工操作技能•解释零件加工的概念,并列出常见的加工操作。
•提供具体的加工步骤和注意事项。
•例如:锉削、钻孔、铣削等。
3. 组装和拆卸技巧•详细描述钳工在组装和拆卸过程中需要注意的事项。
•提供常见机械零件的组装和拆卸操作步骤。
•例如:螺丝的拧紧和松开技巧、轴承的安装和拆卸等。
4. 熟练操作常见钳工机床•列出常见的钳工机床,如铣床、车床、磨床等,并描述其功能和特点。
•提供每种机床的操作步骤和注意事项。
•例如:如何操作铣床进行零件加工。
5. 安全操作技巧•强调钳工工作中的安全意识,并列出安全操作的基本规范。
•解释并说明个人防护措施,如戴护目镜、手套、耳塞等。
•描述在操作钳工机床时需要注意的安全事项。
6. 质量检验和测量技巧•解释质量检验的重要性,并列出常见的质量检验方法。
•提供测量技巧,如使用卡尺、游标卡尺、千分尺等工具进行测量。
•描述如何根据测量结果判断零件是否符合规格要求。
7. 使用螺纹加工工具•详细说明螺纹加工的步骤和工具。
•描述不同种类螺纹的加工方法。
•提供螺纹加工的注意事项,如加工速度、进给等。
8. 公差与配合•解释公差和配合的概念,并列出不同类型的配合。
•描述如何选择合适的配合和校验其精度。
•提供配合的测量和判别方法。
9. 重要零件的加工技巧•举例重要机械零件的加工方法和技巧。
•提供加工步骤和特殊注意事项,如齿轮、轴等。
10. 故障排除和维修技巧•描述故障检测和排除的步骤。
•提供常见故障的解决方案,如轴承故障、传动带磨损等。
•说明如何进行机械设备的常规维护。
以上内容涵盖了初级钳工实际操作技能的题库,希望能对钳工学习者有所帮助。
请注意按照Markdown格式输出。
钳工技能等级考核项目及评分标准一、高级钳工(一)工作技能(40分)1.熟知本岗位和相关岗位的安全操作规程(4分)2.熟知本岗位各种设备的工作原理及操作规程(4分)3.掌握本岗位的设备运行状况和维修特点,能够及时准确地完成本岗位的各种设备维修保养工作及加工制作任务,包括零部件的维修和加工制作。
(8分)4.备品备件的准备要及时准确、经济合理。
(8分)5.对相关岗位的操作技能要达到中级水平,并能够解决工作中出现的疑难问题。
(8分)6.要具备一定的专业理论知识,如:识图、绘制简单的装配图等。
(8分)(二)工作质量(20分)1.检修加工制作的合格率要达到95%以上为合格。
(5分)2.维修程序简洁,工作现场秩序,工器具的摆放整齐,检修后设备运转平稳可靠,外观整洁。
(5分)3.检修工作按计划进行,准备材料及时准确,判断问题清楚,解决问题到位。
(5分)4.检修后的设备要保证一定的使用时间,对经常发现故障的部位要提出整改意见,措施要到位,效果要明显。
(5分)(三)工作效率(只选一项20分)1.在工作中准备工作要及时准确,不能出现重复工作,检修工作有序连贯为合格。
(20分)2.在工作中准备工作及时到位,准备工作不及时影响正常维修,重复工作,尽管最终完成工作,视为基本合格。
(16分)(四)工作经验(20分)1.从事钳工工作8年以上。
(4分)2.全面负责过本单位的设备维修工作。
(4分)3.在判断问题用的时间最短、解决问题效果最佳,特别是能够及时准确地解决设备运行过程中的突发故障。
(12分)二、中级钳工(一)工作技能(40分)1.熟知本岗位和相关岗位的安全操作规程。
(4分)2.熟知本岗位各种设备的工作原理及操作规程。
(4分)3.掌握本岗位的设备运行状况和维修特点,能够及时准确地完成本岗位的各种设备维修保养工作及加工制作任务。
(8分)4.对本岗位的备品备件准备要提出合理化建议,并经济合理。
(8分)5.对相关岗位的操作技能要达到初级水平,并能够解决工作中出现的突发故障。
职业技能操作考试机械类-钳工操作考试评分标准机械类-钳工操作考试是对钳工技能的评估和测验,以确定其在实践中的实际能力。
评分标准是根据考试内容和要求制定的。
下面是一份钳工操作考试评分标准的示例:1. 安全操作 (20分)- 严格遵守安全操作规程和要求- 戴好个人防护装备,例如安全眼镜和手套- 检查并确保工作区域安全和整洁- 遵守机械设备的操作规程和安全要求2. 工具使用 (20分)- 正确选择和使用钳工工具- 熟练掌握常见钳工工具,例如锤子、钳子、扳手等- 使用正确的动作和力度,避免工具的损坏或者安全事故- 维护好工具,保持其良好的工作状态3. 测量和检验 (20分)- 准确进行尺寸测量,使用正确的测量工具- 判断零件相对位置和对称性- 进行必要的检验,例如角度、平行度和垂直度等- 辨别和记录不合格件,提出改进建议4. 钣金加工 (20分)- 熟练使用钣金工具进行加工,例如剪切和弯曲- 根据图纸或要求正确进行布局和测量- 能够准确地按照要求制作各种形状的钣金件- 工艺齐全,操作流畅,且无误操作5. 组装和拆卸 (20分)- 熟练掌握组装和拆卸工具和技术- 按照要求和指示正确组装和拆卸零件- 注意原件的保护,避免磨损或损坏- 组装和拆卸作业流程顺利,无故障和错误根据以上评分标准,考生的每个操作都会根据其正确性、效率性、安全性和技术性进行评分。
评分标准可以根据需要进行调整和修改,以确保评分体系的公正性和准确性。
最终评分将根据考生在每个评分指标上的综合表现来确定其钳工技能的水平。
钳工是一项需要一定技能和经验的职业,钳工操作考试评分标准的设计对于判断钳工的实际能力是至关重要的。
以下是钳工操作考试评分标准的详细解释,以及为什么这些指标是重要的。
1. 安全操作:作为一名钳工,安全是最重要的。
在考试中,评分标准会关注考生是否遵守安全操作规程和要求。
这包括佩戴个人防护装备,如安全眼镜和手套,并确保工作区域的安全和整洁。
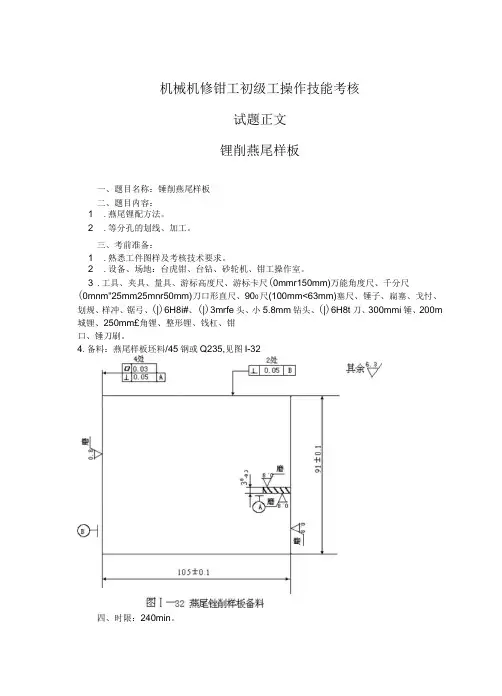
机械机修钳工初级工操作技能考核试题正文锂削燕尾样板一、题目名称:锤削燕尾样板二、题目内容:1 .燕尾锂配方法。
2 .等分孔的划线、加工。
三、考前准备:1 .熟悉工件图样及考核技术要求。
2 .设备、场地:台虎钳、台钻、砂轮机、钳工操作室。
3 .工具、夹具、量具、游标高度尺、游标卡尺(0mmr150mm)万能角度尺、千分尺(0mnm"25mm25mnr50mm)刀口形直尺、900尺(100mm<63mm)塞尺、锤子、扁塞、戈忖、划规、样冲、锯弓、(|)6H8i#、(|)3mrfe头、小5.8mm钻头、(|)6H8t刀、300mmi锤、200m 城锂、250mm£角锂、整形锂、钱杠、钳口、锤刀刷。
4.备料:燕尾样板坯料/45钢或Q235,见图I-32四、时限:240min。
五、工件图样:见图I-332y b如±口&3915%J技术要求L对根与验板吻合时,其最大间隙单也因不大于Q,Q5且不允讦倒角.2.3.等分误差不大于口工图[一羽酶桂削棺胶六、考核评分标准表:见表I-1研磨90°刀口角尺一、题目名称:研磨90°刀口角尺二、题目内容:1 .研磨剂的选用。
2 .900刀口角尺的研磨。
三、考前准备:1 .熟悉工件图样及考核技术要求。
2 .场地:钳工操作室。
3 .工具、夹具、量具:标准平板(0级)、矩形角尺(0级)、研磨平板、压砂平板、研磨粉(W2AW10>研磨粉(W瞰W7>研磨液、煤油、棉纱、导靠方铁、游标卡尺(0mF150mm)千分尺(0mmr25mm)万能角度尺。
4 .备料:锂好留0.03mnW磨余量并淬火的备料/45钢或GCr15,见图I-34四、时限:270min 。
五、工件图样:见图I-35。
.100±0.02—0.01a.oe[A图1一弘90。
刀口角尺备料耳 005<c/±0.02图I —35研磨90°刀口角尺E n d g Ao.-r六、考核评分标准表:见表I-2oI-2对坯料钻、钩、较孔及攻螺纹一、题目名称:对坯料钻、物、较孔及攻螺纹二、题目内容:1. 钻孔、物孔、较孔操作要点。
钳工操作技能考核题库钳工训练训练一:制作限位块如图1所示加工限位块。
图1 限位块1.备料:按备料图纸备料.2.工量具划线平台、方箱、游标高度尺、样冲、手锤、千分尺、游标卡尺、万能角度尺、锉刀、弓锯、刀口角尺、台钻、钻头、丝锥等。
3.根据所备材料首先选择两基准面。
4.划线步骤:(1)准备好划线所用的工量具,并对工件进行清理。
(2)划线:首先根据图1分别划出各已知水平位置线和垂直位置线,再画出左下角及右上角的倾斜线;然后用样冲在φ10mm及M8螺纹孔的圆心上冲眼,为钻孔做好准备。
5.钻孔和攻丝:在φ10mm及M8螺纹孔的圆心处钻孔,并在φ8孔处进行攻丝。
6.锯:根据图纸及划线,将多余之处锯掉,注意留出锉削余量。
7.锉:根据图纸及划线进行锉削,锉的过程中注意尺寸的测量和检验。
8.检验:对加工的限位块进行整体检验,至符合标准为止。
9.考核标准限位块考核标准如表l所示.训练二:制作凸形块如图2所示加工凸形块。
其余图2 凸形块1.备料:按备料图纸备料。
2.工量具划线平台、方箱、游标高度尺、样冲、手锤、千分尺、游标卡尺、万能角度尺、锉刀、弓锯、刀口角尺、台钻、钻头、丝锥等。
3.根据所备材料首先选择两基准面.4.划线步骤:(1)准备好划线所用的工量具,并对工件表面进行清理.(2)划线:首先根据图2分别划出各已知水平位置线和垂直位置线,然后用样冲在φ10mm及M8螺纹孔的圆心上冲眼,为钻孔做准备.5.钻孔和攻丝:在φ10mm及M8螺纹孔的圆心处钻孔,并在φ8mm孔处进行攻丝。
6.锯:根据图纸及划线将余量过大之处锯掉,注意留出锉削余量。
7.锉:根据图纸及划线进行锉削,锉的过程中注意尺寸的测量和检验。
8.检验:对加工的凸形块进行整体检验,至符合标准为止。
9.考核标准凸形块考核标准如表2所示。
附件:。
职业技能鉴定国家题库试卷
机修钳工初级操作技能考核试卷
考件编号: 姓名: 准考证号: 单位:
(09032102)
一、项目:
试题名称:六方块
试题文字或图表的技术说明:
技术要求:
1) B 面不允许有明显压痕;
2) 不许用砂布和靠横加2。
3、操作程序的规定说明:
1) 领取编号,位置,图张,工件。
2) 按图纸制作、划线、锯、锉各面成型。
4、涵盖鉴定点:
初-技-D-A-01 初-技-D-A-05
初-技-D-A-02 初-技-D-A-06
初-技-D-A-03 初-技-D-A-07
初-技-D-A-04 初-技-D-A-08
考试图纸:
二、考核总时限: 准备时间:15min 。
正式操作时间210min 。
计时从领取工件开始,至完工交件结束。
规定时间内全部完成,每超3 min ,从总分中扣1分,总超时10 min 停止作业。
2024年机修钳工职业技能鉴定考试题库(附答案)一、单选题1.精密机床安装基础适用于()结构隔开振动源。
A、单独块状B、混凝土地坪C、悬挑D、弹性支承参考答案:C2.以下检测量具中,用于机床部件之间垂直度检测的是()。
A、水平仪B、平尺C、方尺D、V型垫铁参考答案:C3.当刮削进行到精刮阶段时,研点要求清晰显目,可将红丹粉涂在()上。
A、工件表面B、标准平面C、基准平面D、工件表面和标准平板4.绕线式异步电动机的转子电路中串入一个调速电阻属于()。
A、变极B、变频C、变转差率D、变容参考答案:B5.劳动合同的设立目的在于()及终止劳动双方当事人的劳动关系。
A、解除B、变更C、确立D、变更、解除、确立参考答案:C6.下列不属于设备开箱验收跟进工作的是()。
A、开箱之前发现包装箱破损或变形,则在《设备开箱检验表》中填写具体情况B、清理现场包装、油渍,清洗设备各部位、各零部件的锈蚀并涂拭防锈油C、开箱后发现缺损的零件、部件、工具、附件、备品、说明书等,则在设备验收清单中填写具体情况D、装箱清单中缺损的零件、部件、工具、附件、备品、说明书等,通过《设备补货清单》与供应商或厂家确认并补齐7.遵守法律法规不要求()。
A、遵守国家法律和政策B、遵守安全操作规程C、加强劳动协作D、遵守操作程序参考答案:C8.以下关于设备安装地基的选择论述,错误的是()。
A、地基选择时只需要满足机床的安装要求即可B、地基选择时要考虑周围的粉尘影响C、地基选择时要考虑周围的环境温度和湿度是否符合说明书D、地基选择时要考虑热辐射影响参考答案:A9.龙门刨床的一级维护保养一般需()。
A、2~3天B、4~5天C、5~6天D、7~8天参考答案:A10.以下检测量具中,用于导轨面检测和刮削基准的是()。
A、水平仪B、平尺C、方尺D、V型垫铁参考答案:B11.液压系统的清洗油可选()。
A、38℃时粘度为20厘池的透平油B、煤油C、酒精D、水蒸气参考答案:A12.遵守法律法规不要求()。
工程机械修理工初级考试工程机械修理工初级考试是一项对工程机械修理技能的综合考核,主要测试考生对工程机械结构、原理、常见故障及修理方法的理解和掌握程度。
下面是关于工程机械修理工初级考试的一些相关参考内容。
1. 工程机械基础知识:- 工程机械概述:各类工程机械的分类、特点、用途和工作原理。
- 工程机械结构:主要机组、传动系统、液压系统、电气系统等的结构和相互关系。
- 工程机械常用材料:各类金属材料、塑料材料、橡胶材料的特性和应用。
- 工程机械润滑与冷却:各类润滑系统、冷却系统的工作原理、主要部件和维护方法。
2. 工程机械主要故障与检修方法:- 发动机故障:常见的发动机故障原因、检修方法和预防措施。
- 液压系统故障:常见的液压系统故障原因、检修方法和预防措施。
- 传动系统故障:常见的传动系统故障原因、检修方法和预防措施。
- 电气系统故障:常见的电气系统故障原因、检修方法和预防措施。
3. 工程机械常用工具和设备:- 手工具:扳手、螺丝刀、锤子、千斤顶等常用的手工具及其使用方法。
- 动力工具:气动工具、电动工具等常用的动力工具及其使用方法。
- 检测设备:测量仪器、试验设备等常用的检测设备及其使用方法。
4. 工程机械安全与维护:- 安全知识:工程机械作业中的安全注意事项、操作规程和应急处理措施。
- 维护保养:工程机械的日常维护保养工作,包括液位检查、润滑加注、滤芯更换等。
5. 工程机械修理案例分析:- 根据实际的工程机械故障案例,分析故障原因、修理方法和预防措施。
以上是工程机械修理工初级考试的一些相关参考内容,希望能对考生了解和备考有所帮助。
考生应该注重掌握工程机械的基础知识,熟悉各类机械故障原因和修理方法,并注意安全和维护保养方面的知识。
在实际修理和维护工作中要注重学习和积累经验,不断提高自己的修理技能水平。
机修钳工初级题库含答案一、单选题(共47题,每题1分,共47分)1.衍磨修整零件过程中,当被衍零件材质较软时,一般应选用( )砂条进行。
A、中软B、硬C、软正确答案:B2.C6140A型普通车床主轴箱中制动器是用来( )。
A、制动电动机原动力B、切断电源C、制动主轴旋转惯性D、断开机动走刀正确答案:C3.圆锥滚子轴承的类型代号是( )。
A、3000B、7000C、6000D、8000正确答案:B4.机械在承受压力大、运动速度慢、精度要求低的场合,应选用( )的润滑油。
A、粘度小B、蒸发点高C、粘度大正确答案:C5.Z525型立钻变速箱能得到九种不同转速。
转速变换是通过改变装在两根花键轴上的( )滑移齿轮的啮合实现的。
A、两组三联B、两组二联C、三组三联正确答案:A6.划线找正就是利用划线工具使零件在划线时,有关毛坯表面处于( )。
A、合适位置B、平行位置C、垂直位置正确答案:A7.液压系统中的最高工作压力等于( )。
A、溢流阀的调整压力B、油缸面积C、油泵额定压力正确答案:A8.轴向剖面的齿形为直线状的蜗杆是( )蜗杆。
A、阿基米德B、摆线C、渐开线正确答案:A9.普通车床,钻床,铣床上常用的是( )。
A、钙钠基润滑脂B、钙基润滑脂C、钠基润滑脂正确答案:C10.卧式车床溜板用床身导轨的直线度允差,在垂直平面内每一米长度上为0.02mm,在全部行程上( )。
A、只允许中凹B、可以中凹也可以中凸C、只允许中凸正确答案:C11.台虎钳上的螺杆传动是以( )为主动件,然后带动活动钳口产生位移。
A、手柄B、螺母C、螺杆正确答案:C12.机械方法防松装置中,有( )防松装置。
A、弹簧垫圈B、止动垫圈C、锁紧螺母正确答案:B13.三角带传动时,两带轮的平面差应控制在( )mm以内。
A、2B、6C、4正确答案:A14.米制标准三角形螺纹牙型角是( )。
A、40°B、55°C、60°正确答案:C15.U型密封圈的工作压力不大于( )。
湖南省职业技能鉴定试卷初级机修钳工理论知识试卷A注 意 事 项1、考试时间:180分钟..2、请首先按要求在试卷的标封处填写您的姓名、准考证号和所在单位的名称..3、请仔细阅读各种题目的回答要求;在规定的位置填写您的答案..4、不要在试卷上乱写乱画;不要在标封区填写无关的内容..第一部分 应知试题 时间:120分钟 总分:100分一、填空题:共30分;每空0.5分1、 滚动轴承的滚动体与外圈间的总间隙叫 ..内外圈之间轴向总窜量叫 ..2、 M12×1.5-7H 左; 普通 螺纹;直径 ;螺距 ;精度 ;旋向左..3、 滚动轴承安装时;加热温度一般不超过;因为温度高轴承回火..4、 离心泵不管单级单吸和单级双吸的两个轴承中;一个必须 ;一个保持自由状态..5、 工件的锥度计算公式是 ;一般定位锥销的锥度为 ..6、 对于单一的滑动轴承检修时;一般要检查瓦背 和 ;轴瓦的 和 ;轴瓦接触面 、接触点、接触角等..7、 一台多级离心泵带平衡盘的总串量为14毫米;测得其前串量为3毫米;后窜量为11毫米;现想要调到标准窜量该泵为冷油泵;则前窜量应为 毫米;后窜量为 毫米;在现有情况下;转子应向 移动 毫米;方能达到标准要求..可在平衡盘的 前面或后面 加或减垫片来进行调整..这时该泵的轴承位置及 也可能相应发生变化;需同时作修正调整..8、 离心泵叶轮一般是 前弯或后弯式;叶轮的正确旋向应与其叶片的弯曲方向 ..9、 某离心泵型号100Y Ⅱ-120*2C 中的100表示 ;Ⅱ表示 ;2表示 .. 10、 齿轮泵、螺杆泵是 泵;它的出口 是一定的;出口压力则是由决定的.. 11、 45#钢是 ;HT 表示 ;ZG 表示 ..12、 检查支承轴瓦间隙的常用方法有:测量法 、 、压铅法、 、..13、 多级离心泵轴向力平衡方法有:; ; 平衡鼓;平衡盘;平衡鼓与平衡盘联合装置.. 14、 往复压缩机由于曲柄将回转运动变为活塞的往复运动;因此在每转中都有、 、、 四个过程..15、 俗称两啮合圆柱齿轮的“三度一距”分别指:平行度、 、 、 .. 16、 往复压缩机活塞环切口形式:直切口、 、 ..17、 NU213E 轴承;其中NU 表示 ;E 表示 ;内径为 .. 18、 某孔 Ф60H7..其中:基本偏差是;基本尺寸是 ;公差等级是 ..19、 孔与轴的配合制度有 和 两种..按照孔、轴公差带相对位置的不同;两种基准制都可形成 、 和 等三类配合..20、 热处理的方法很多;但任何一种热处理都是由 、 、 组成.. 二、单项和多项选择题:共20分;每题1分请从备选项中选取正确答案填写在括号中..错选、漏选、多选均不得分;也不反扣分1、在铸铁和塑性小的材料上攻丝;底孔应按 公式确定;其中Do 为底孔直径;D 为螺纹外径;t 为螺距..A 、 D=D-tB 、 D=Do-1.05~1.1tC 、D =D+t D 、 D=Do+1.05~1.1t 2、用塞尺测量时;如果没有合适厚度的塞尺片; 进行测量.. A 、 不能组合 B 、 只能组合2片 C 、 尽量组合少的片数 D 、尽量组合多的片数3、平衡型机械密封中;密封端面内径d1与轴径d 的关系 .. A 、 d1<d B 、 d1=d C 、 d1≤d D 、 无直接关系4、离心泵大修时;由于泵运行了一定时间;泵轴通常应进行 检查 .. A 、弯曲度 B 、强度 C 、刚度 D 、硬度5、离心泵依靠叶轮中心旋转时产生 ;从而使叶轮不停地吸入和排出液体.. A 、高压 B 、正压 C 、负压 D 、大气压6、离心泵叶轮平衡孔堵塞会引起的不良后果有..A 、轴向力不平衡B 、加大止推轴承的受力C 、加快止推轴承的磨损D 、泵的效率上升7、往复压缩机平面密封的圆柱销是为了防止三六瓣密封环 的.. A 、 转动 B 、轴向移动 C 、 错位 D 、 浮动 8、导致离心泵扬程小的原因是 ..A 、入口压力高B 、转速低C 、联轴器对中不好D 、叶轮外径偏大 9、低碳素结构钢工件需提高其表面硬度;一般可采取 热处理工艺处理.. A 、退火 B 、淬火 C 、渗碳10、以下属于内圈无挡边的圆柱滚子轴承是 ..A 、NU2310B 、NJ2310C 、N2310考 生 答 题不 准超 过 此线11、热油泵启动前要暖泵;预热速度不得超过 /h;每半小时盘车180度..A、30℃B、40℃C、50℃D、60℃12、使用砂轮机时;以下是不允许的..A、操作者应站在砂轮侧面B、磨屑应向下方飞离砂C、为防止碰磨手指;应配带手套13、一般离心泵机械密封压盖垫片应为毫米;并要求均匀上紧压盖螺栓..A、1—2mmB、2—4mmC、≤5mm14、某轴长500mm;温升100度后伸长量是 mm..铁的线膨胀系数是12×10-6/℃A、0.5B、0.1C、1.2D、0.615、叶轮用去重法进行平衡时;切去的厚度不得大于叶轮壁厚的倍..A、二分之一B、三分之一C、四分之一16、往复式压缩机空转的目的是 ..A、检查机械跑合B、检查排气量C、了解机械振动情况D、了解滑动摩擦件的温度17、三表找正时轴向实际值应为 ..A、主表值+辅助表值/2B、主表值-辅助表值/2C、主表值-辅助表值D、主表值+辅助表值18、滚动轴承的装配游隙一般工作游隙..A、大于B、小于C、等于19、1Cr28中28表示在不锈钢中铬的含量为 ..A、0.28%B、2.8%C、28%D、1%20、对于端面比压;下列说法准确的有:A、端面比压一定要大于物料在密封端面上的蒸汽压..B、为使密封面始终紧密贴合;端面比压必须是正值..C、物料粘度大的介质;端面比压应适当减小..D、润滑性能差、易挥发的介质可取较小的比压值..三、判断题:共10分;每题0.5分正确的打“√”;错误的打“×”..错答、漏答均不得分;也不反扣分1、安装电动离心泵时;当机座安装好后;一般是先安装泵体;然后以泵体为基准安装电动机..2、两直齿圆柱齿轮传动的啮合条件之一是压力角必须相等..3、圆柱滚动轴承内圈与轴颈装配时作用力应加在内圈上..4、机械密封根据冲洗液的来源;可分为内冲洗和外冲洗..5、细齿锯条适用于锯削硬材料或管子、薄板..6、在机泵冷却水配管时应低进高出..7、两钢丝吊同一物体时;其夹角越大;钢丝绳的受力就越小..8、齿轮油泵输送介质是靠齿轮的啮合部位来完成的..9、润滑油的选用是根据设备转速来决定的;工作转速越高;选用的润滑油牌号应该是越低..10、蜗轮传动中;蜗轮与蜗杆轴线交角是900..11、在滑动轴承的润滑中;轴瓦油膜的形成受转速、油的粘度、间隙及载荷等因素的影响..当转速愈高;被带入楔隙的油愈多;油膜压力愈大;所以承载能力愈大..12、轴套与轴不应采用同一种不锈钢..13、销的主要用途是固定零件之间的相互位置;并可传递不大的载荷..圆柱销经过多次装拆;其定位精度会降低..圆锥销的安装比圆柱销方便;多次安装对定位精度的影响也较小..14、发生滚键;主要原因是键的配合精度不高;键与键槽间隙较大;而轴与孔的配合太紧所造成的..15、攻丝前的底孔直径应比螺纹中径大..16、离心泵轴承箱内的润滑油油位一般高于滚动体..17、离心泵轴承箱内的润滑油油位过低或过高均会导致滚轴承温度高..18、用绞刀铰孔时不得反转;但退出绞刀时可以反转退出..19、滚动轴承内孔为基准孔;但它的公差带与一般零件基准孔公差位置不同;它的上偏差为零;下偏差为负值;公差带在零线下方..与一般零件相比;在配合件采用相同偏差的情况下;轴承内孔与轴的配合较紧..20、同一钢材在相同加热条件下水淬比油淬的淬透性好..四、绘图、简答与计算:共40分;每题5分..1、画出下图的左视图..2、普通机泵安装应有哪些工序按顺序写出3、一台250YII-150*2A离心式油泵按检修标准大修完后试车;发现不上量;是什么原因系统工艺正常4、离心泵口环磨损的原因5、如图所示;试分析轴套零件图60-0.03mm及90-0.035mm的轴线;对基准30+0.0210mm 轴线的同轴度误差的检验方法6、已知工件尺寸如图:计算A、B表面间的尺寸范围..7、分段式多级泵转子晃动值偏大的原因有哪些8、某离心水泵型号80YⅡ—60*2叶轮背靠背安装;入口压力12公斤力/平方厘米2;出口压力为24公斤力/平方厘米 2 ;动环密封圈内径为68mm;静环密封圈内径为65mm;静环内径φ64mm;外径φ74mm..1、计算该密封的端面比压..2、判断端面比压是否合适;如认为不合适;该如何处理只需说明方法第二部分应会试题时间:60分钟总分:50分一、填空题:共15分;每题0.5分1、领静环时应特别注意静环的尺寸应与旧环一致;否则; 将发生变化;且可能造成原因不明的轴封泄漏;静环装配到格兰里以后;应养成良好习惯;用尺检查 ;以确保组装质量..2、一般在旋转轴上螺纹连接件的拆卸方向与旋转方向 ..平键安装;要求两侧与键槽为配合;顶部与键槽则有 ..4、转子找正时;端面安装两个百分表的目的是可以抵消带来的测量误差..5、一叶轮找静平衡;在0°方向上粘了20克橡皮泥;此时应在方向去重20克..6、滑动轴承测量侧间隙时;塞尺插入深度为mm..7、一般离心泵口环间隙标准;冷油泵:叶轮直径<100mm标准间隙为叶轮直径≥100mm标准间隙为 ..热油泵:叶轮直径<100mm标准间隙为叶轮直径≥100mm标准间隙为 ..8、单级悬臂泵叶轮平衡孔总截面积为密封口环间隙环形截面积的倍9、齿轮增速箱;两轴平行度包括方向和方向..10、一台多级泵的轴架于支架上;用百分表测量轴上某处的径向跳动为0°=0;90°=0.25;180°=-0.25;270°=-0.20;则该处最大晃动值为毫米;弯曲值为毫米;弯曲方向为 ..11、判断泵的机械密封泄漏点有、、、轴与轴套、 ..12、机泵安装时;每组垫铁一般不超过块;平垫应放面..两个斜垫鉄的接触面积应大于 ..二次灌浆后精找平时应尽量将垫铁 ;以增加刚性..13、机泵叶轮作静平衡;平衡架必须两个方向处于位置;且须具有光滑和坚硬的工作表面;以减少阻力;提高平衡精度..二、单项和多项选择题:共10分;每题1分请从备选项中选取正确答案填写在括号中..错选、漏选、多选均不得分;也不反扣分1、多级泵平衡盘频繁磨损的原因可能有: ..A、平衡管堵B、叶轮口环间隙过大C、叶轮口环间隙过小D、平衡盘径向间隙偏大2、设备安装的基础预留孔的应符合规定要求..A、平面度B、水平度C、垂直度D、粗糙度3、下列选项中;引起离心泵轴承磨损的原因之一是A、转速低B、泵体口环磨损C、流量偏小D、长时间抽空4、往复式压缩机有油润滑的汽缸过热的原因有 ..A、密封泄露B、润滑不足C、汽缸拉毛D、活塞环窜气5、离心泵流量不大;产生原因 ..A、泵内有空气B、联轴节不同心C、转子与泵壳摩擦D、电机螺栓松动6、下列选项中; 是引起离心泵轴承磨损的主要原因..A、轴向力平衡系统失效B、密封泄露C、密封液压力不当D、润滑油变质7、下面哪几种密封装配时不需强力压紧: ..A、“O”形圈B、“V”形圈C、石棉垫D、锯齿垫8、巡检时发现常减压装置的减压塔底泵的出口压力表指针大幅度波动;机泵运行进伴随有间歇性声响;此时应联系操作工 ..A、关小入口阀B、关小出口阀C、开大出口阀9、在拆卸下面型号泵时;如果大盖较紧;使用楔铁等工具时;应特别注意不可过度敲打、用力..A、100YⅠ-120*2CB、100YⅡ-120*2CC、100YⅢ-120*2C10、校对25~50mm外径千分尺的零位;应 ..A、使两个测量杆合拢 B 、使用25mm标准样棒C、使用50mm标准样棒 D 、使用25mm或使用50mm标准样棒三、判断题:共5分;每题0.5分正确的打“√”;错误的打“×”..错答、漏答均不得分;也不反扣分1、非平衡型机械密封;一般用于低压条件下..2、往复式计量泵启动时必须关闭出口阀..3、对于轴瓦;为了保证通畅引入润滑油;并且不受阻碍地达到轴瓦的各工作部位;必须开好刮出油沟和坡口..4、离心泵平衡管堵塞会使泵的人口压力降低..5、离心泵口环间隙过大将会造成流量降低和电机电流增大..6、机械密封失效的可能原因是静环装歪..7、活塞式压缩机气缸余隙的检查除了压铅法外;还可采用测量法检查..8、金斯伯雷型轴承是一种错叠式三层结构的推力轴承;其结构复杂;受力均匀;承载能力大;不允许有对中偏差和偏斜现象..9、当气阀装上气缸后;若用螺丝刀从阀的外侧顶不开阀片;则该阀使排气阀..10、往复式压缩机三六辩密封环各环的轴向间隙是为了补偿密封环的磨损与热膨胀..四、简答或计算:共20分;每题5分..1、离心泵小流量运行会造成那些危害2、轴承箱润滑油发黑的原因及消除办法3、密封端面上的摩擦痕迹大于密封面的宽度是什么原因造成的4、有一台采用弹性圆柱销联轴器的离心泵的同心度如图中数据..已知百分表的表头离电机前脚距离为500mm;表头离电机后脚距离为1000mm;对轮半径100mm;表头高度25mm..现将表架在电机上测量泵;如同心度误差需调整为0;请计算电机前、后脚加减垫片的厚度..。
机械机修钳工初级工操作技能考核
试题正文
锉削燕尾样板
一、题目名称:锉削燕尾样板
二、题目内容:
1.燕尾锉配方法。
2.等分孔的划线、加工。
三、考前准备:
1.熟悉工件图样及考核技术要求。
2.设备、场地:台虎钳、台钻、砂轮机、钳工操作室。
3.工具、夹具、量具、游标高度尺、游标卡尺(0mm~150mm)、万能角度尺、千分尺(0mm~25mm、25mm~50mm)、刀口形直尺、900尺(100mm×63mm)、塞尺、锤子、扁錾、划针、划规、样冲、锯弓、φ6H8量棒、φ3mm钻头、φ5.8mm 钻头、φ6H8铰刀、300mm扁锉、200mm扁锉、250mm三角锉、整形锉、铰杠、钳口、锉刀刷。
4.备料:燕尾样板坯料/45钢或Q235,见图I-32。
四、时限:240min。
五、工件图样:见图I-33。
六、考核评分标准表:见表I-1。
研磨90°刀口角尺
一、题目名称:研磨90°刀口角尺
二、题目内容:
1.研磨剂的选用。
2.900刀口角尺的研磨。
三、考前准备:
1.熟悉工件图样及考核技术要求。
2.场地:钳工操作室。
3.工具、夹具、量具:标准平板(0级)、矩形角尺(0级)、研磨平板、压砂平板、研磨粉(W20~W10)、研磨粉(W5或W7)、研磨液、煤油、棉纱、导靠方铁、游标卡尺(0mm~150mm)、千分尺(0mm~25mm)、万能角度尺。
4.备料:锉好留0.03mm研磨余量并淬火的备料/45钢或GCr15,见图I-34。
四、时限:270min。
五、工件图样:见图I-35。
六、考核评分标准表:见表I-2。
对坯料钻、锪、铰孔及攻螺纹
一、题目名称:对坯料钻、锪、铰孔及攻螺纹
二、题目内容:
1. 钻孔、锪孔、铰孔操作要点。
2. 攻螺纹操作要点。
三、考前准备:
1.熟悉工件图样及考核技术要求。
2.设备、场地:钳台、台虎钳、台钻、砂轮机、钳工操作室。
3.工具、夹具、量具:游标高度尺、划线平板、方箱、划针、划规、样冲、锤子、游标卡尺、钻头(φ5mm、φ6.7mm、φ7mm、φ9.8mm、φ10.2mm、φ11mm)、铰刀(φ6H7、φ6H7)(锥)、φ8H7、φ10H7)、丝锥(M6、M8、M10、M12),铰杠(200mm~250mm)、量棒(φ6mm、φ8mm、φ10mm)。
4.备料:φ36mm×120mm×20mm(厚)/35钢,见图I-36。
四、时限:150min
五、工件图样:见图I-37。
六、考核评分标准表:见表I-3。
锉、锯、錾三角块
一、题目名称:锉、锯、錾三角块
二、题目内容:
1.三角块的锉、锯、錾。
2.三角块加工测量方法。
三、考前准备:
1.熟悉工件图样及技术要求。
2.设备、场地:台虎钳、台钻、钳台、砂轮机。
3.工具、夹具、量具:游标高度尺、划针、划规、样冲、V形架、游标卡尺(0mm~150mm)、万能角度尺、千分尺(25mm~50mm)、刀口形直尺、φ9.8mm 钻头、φ10H7铰刀、锯弓、铰杠、錾子、扁锉、紫铜钳口、毛刷、铜丝刷。
4.材料:三角块坯料/Q235,见图I-38。
四、时限:180min。
五、工件图样:见图I-39。
六、考核评分标准表:见表I-4。
阀体的立体划线
一、题目名称:阀体的立体划线
二、题目内容:
1.立体划线基准选择原则。
2.阀体的立体划线技能。
三、考前准备:
1.熟悉工件图样及考核技术要求。
2.设备、场地:钳工操作室。
3.工具、夹具、量具:划线平台、千斤顶、划线盘、高度尺、游标高度尺、900尺、钢直尺、中心塞块、划规、样冲、锤子、石灰水。
4.备料:阀体坯件/HT250。
四、时限:90min。
五、工件图样:见图I-40。
六、考核评分标准表:见表I-5(阀体的正确划线过程参见图I-41)。
拆装、检修CA6140车床主轴箱中主轴
一、题目名称:拆装、检修CA6140车床主轴箱中主轴
二、题目内容:
1.CA6140车床主轴箱的结构。
2.CA6140车床主轴箱中主轴的装配、维修要点。
三、考前准备:
1.熟悉工件图样及考核技术要求。
2.设备、场地:台虎钳、拆装工作台、主轴精度检验台、机修工作室。
3.工具、夹具、量具:紫铜棒、锤子、十件内六角扳手、双头呆扳手、千分表、游标卡尺、紫铜钳口、挡圈拆卸钳、棉纱、油盆、柴油、机油、一字旋具。
4.备件:CA6140车主轴箱主轴。
四、时限:240min。
五、工件图样:见图I-42。
六、考核评分标准表:见表I-6。
七、操作步骤及要点:详见《机修钳工》(职业技能鉴定教材),并参见图I-43~图I-46。
CA6140车床主轴箱I轴的拆卸、修复、装配及检验
一、题目名称:CA6140车床主轴箱I轴的拆卸、修复、装配及检验
二、题目内容:
1.CA6140车床主轴箱I轴结构识别。
2.CA6140车床主轴箱I轴的装配、维修及检验等工作要点。
三、考前准备:
1.熟悉工件图样及考核技术要求。
2.设备、场地:台虎钳、拆装工作台、机修工作室等。
3.工具、夹具、量具:紫铜棒、锤子、十件内六角扳手、一字旋具、冲子、游标卡尺、紫铜钳口、垫木、胶皮垫、柴油、机油、油盆、棉纱、拔销器、挡圈拆卸钳、百分表。
4.备件:CA6140主轴箱,
四、时限:150min。
五、工件图样:见图I-47。
六、考核评分标准表:见表I-7。
七、操作步骤及要点:详见《机修钳工》(职业技能鉴定教材)并
参见图I-48~图I-50。
减速器的装配和调整
一、题目名称:减速器的装配和调整
二、题目内容:
1.零件和组件必须按装配图(图I-51)要求安装在规定的位置。
各轴线之间应该有正确的相对位置。
2.固定连接件(如键、螺钉、螺母等)必须保证零件或组件牢固地连接在一起。
3.旋转机构必须能灵活转动,轴承的间隙应调整合适,能保证良好润滑和无渗漏现象。
4.圆锥齿轮副和蜗轮副的啮合必须符合技术要求。
三、考前准备:
1.熟悉工件图样及考核技术要求。
2.设备、场地:台虎钳、拆装工作台、减速器试验台、机修工作
室。
3.工具、夹具、量具:紫铜棒、锤子、十件内六角扳手、双头呆扳手、一字(十字)旋具、挡圈拆卸钳、游标卡尺、塞尺、紫铜钳口、垫木、柴油、机油、油盆、棉纱、百分表。
4.备件:减速器。
四、时限:120min。
五、工件图样:见图I-51。
六、考核评分标准表:见表I-8。
七、操作步骤及要点:详见《机修钳工》(职业技能鉴定教材)并参见图I-52~图I-58。
内圆磨具的装配和调整
一、题目名称:内圆磨具的装配和调整
二、题目内容:
1.主轴的轴向窜动量应小于0.005mm。
2.插入150mm长的标准试棒测量主轴锥孔的径向圆跳动量。
(1)近主轴端应小于0.006mm。
(2)离主轴端150mm处应小于0.01mm。
3.在工作转速下进行空运转试验,空运转时间不得少于2h,其温升不得超过15℃,测量热态精度应仍符合上述要求。
4.运转时应平稳,噪声小。
三、考前准备:
1.熟悉工件图样及考核技术要求。
2.设备、场地:台虎钳、拆装工作台、机修工作室。
3.工具、夹具、量具:紫铜棒,锤子,一字(十字)旋具、十件内六角扳手、呆扳手、游标卡尺、千分尺、塞尺、千分表、紫铜钳口、垫木、胶皮垫、机油、煤油、汽油、油盆、棉纱。
4.备件:外圆磨床内圆磨头。
四、时限:300min。
五、工件图样:见图I-59。
六、考核评分标准表:见表I-9。
七、操作步骤及要点:详见《机修钳工》(职业技能鉴定教材)第四章第十四节。