DCD河道清淤疏浚资料汇总整理之欧阳歌谷创编
- 格式:doc
- 大小:271.51 KB
- 文档页数:18
XXX河道疏浚工程
欧阳家百(2021.03.07)
质
量
资
料
XXX有限公司
二0一八年
XXX河道疏浚工程竣工验收单时间:地点:主持单位:XXX水利局
工程分部、分项单元划分表单位工程名称:XXX河道疏浚工程
水利水电工程
单位工程质量评定表
水利水电工程
分部工程质量评定表
水利水电工程
河道清淤疏浚单元工程竣工验收检测表
水利水电工程
河道清淤疏浚单元工程竣工验收检测表
水利水电工程
河道清淤疏浚单元工程竣工验收检测表
水利水电工程
河道清淤疏浚单元工程竣工验收检测表
水利水电工程
河道清淤疏浚单元工程竣工验收检测表
水利水电工程
河道清淤疏浚单元工程竣工验收检测表
水利水电工程
河道清淤疏浚单元工程竣工验收检测表
水利水电工程
河道清淤疏浚单元工程竣工验收检测表
水利水电工程
河道清淤疏浚单元工程竣工验收检测表
水利水电工程
河道清淤疏浚单元工程竣工验收检测表
水利水电工程
河道清淤疏浚单元工程竣工验收检测表
水利水电工程
河道清淤疏浚单元工程竣工验收检测表
水利水电工程
河道清淤疏浚单元工程竣工验收检测表
水利水电工程
河道清淤疏浚单元工程竣工验收检测表。
目录欧阳家百(2021.03.07)第一章工程概况1第二章施工准备工作2第三章主要施工方法3第四章施工总进度计划5第五章现场管理组织机构8第六章确保工程质量的技术组织措施10第七章确保安全生产的技术组织措施13第八章确保文明施工的技术组织措施18第一章工程概况一、工程施工内容本工程为盐城市亭湖区大洋街道大星村污水沟河整治工程,施工内容简单,主要为河道的清淤及边坡整治等,清淤总长1180米。
二、交通条件本工程位于跃进河-开放大道,均有现成的道路通往外界,交通条件非常方便。
三、合同工期本标段工程合同工期为33日历天,初拟2013年9月23日开工。
四、工程质量坚持“百年大计、质量第一”的方针,确保单元工程合格率为100%,优良率达85%,争创优良工程。
第二章施工准备工作一、施工技术准备根据该工程工期特点,我单位在开工之前短时间内全部做好施工前的准备,解决临时设施搭建,组织施工机械进场,组织劳力进场,在一周内初步形成作业能力。
组织管理人员做好图纸的会审工作,认真熟悉设计图纸,了解设计意图,认真完善施工组织总设计,具体优化施工方案。
根据三条河道所处的地理位置、交通条件、居民社区状况、水文水流条件及清淤量和工期控制目标,制定行之有效的组织施工方案。
二、劳动力组织计划1、调选技术素质高、思想好、能吃苦耐劳、不怕脏和累、有丰富的打硬战、打苦战的实际经验的管理人员组成该工程的项目管理班子。
2、所有人员由项目部统一管理,协调指挥,按照施工进度和劳动力需用计划,组织各个工种的人员及时进场,并做好入场教育,对作业班组进度计划、安全措施、降低成本、保证质量、质量标准、安全生产、文明施工的交底,使大家能协调、齐心协力地保证本工程能优质高效地运行。
三、施工现场准备按照工程施工需要,布置搭建临时设施及与之相配套的工具间、仓库等。
由于三条河道分处市区的不同地方且施工工期较短,项目部管理人员和民技工的办公和生活福利设施就近在社区租用民房解决。
第1章工程概况1.1工程概况说明位于****境内。
近年来,流域内多次发生洪涝灾害,灾情严重,河道经过二十多年的运行,工程老化失修,河道淤积严重,防洪除涝能力明显降低。
为此,对该河道实施治理,使其达到设计防洪除涝标准,以确保区域内人民群众生命财产的安全和保障工农业稳定发展,是十分必要和迫切的。
1.2水文气象和工程地质条件1、水文气象本流域位于北温带季风区,属大陆性半干旱气候。
多年平均降雨量为700mm,且多集中在汛期(6~9月份),占多年平均降雨量的70%,年降雨平均日数70天。
降雨年内和年际变化较大,最高年份为987.8 mm,最低年份仅为390 mm。
本流域年内平均气温在13.7℃,七月份最高月平均气温为27.3℃,1月份气温最低,月平均为-1.7℃。
无霜期一般从3月下旬至10月下旬,平均为210天,封冻期一般从12月中旬至次年2月中旬。
历时50天左右,最大冻土厚度40cm,最大岸冰厚度为18 cm。
风向随季节变化,夏季多东南风,冬季多北风。
年平均风速为3.2m/s。
年平均日照时数2500小时,日照率50-60%,相对湿度平均为72%,年平均蒸发量为1238mm,水面蒸发量为1203 mm。
2、工程地质2.1堤基1、堤基下伏的①层砂壤土,具中等透水性、力学强度较低,具液化可能性,且抗冲刷能力差,存在边坡稳定问题。
①-3层粘土、②-2层淤泥埋深较浅,具高压缩性、力学强度较低,存在抗滑稳定问题。
2、堤基土具有中等透水性,水力联系密切,没有稳定、统一、连续的相对隔水层,需进行必要的防渗处理。
3、堤基土层为多层结构形式,近地表的土层主要为壤土、砂壤土。
结合工程经验类比,壤土、砂壤土临界比降值如下:砂壤土的出口无保护条件下允许比降采用0.20;壤土的出口无保护条件下允许比降采用0.35。
2.2河岸1、河岸下伏的①层砂壤土分布于堤基表层,结构松散,具中等透水性、抗冲刷能力差且具液化可能性,存在液化问题及渗透稳定问题,需采取处理措施。
*********河道疏浚工程监理规划*******工程监理有限公司目录总则:(一)工程基本概略1(二)监理工作规模2(三)监理工作内容3(四)监理工作目标3(五)监理工作的主要依据3(六)项目监理机构的组织形式4(七)项目监理人员的配备4(八)项目监理机构的人员岗位职责4(九)监理工作基本法度5(十)监理工作主要办法与办法51、工程质量控制8(1)质量控制的原则8(2)质量控制目标8(3)质量控制的内容、办法和制度92、进度控制12(1)进度控制的原则 12(2)进度控制的内容 13(3)进度控制的办法14(4)进度控制的静态阐发15(5)进度控制表格153、投资控制16(1)投资控制的目标16(2)投资控制的主要内容16(3)工程投资控制的原则和办法17(4)投资控制的法度204、合同管理20(1)合同管理的主要任务20(2)合同管理的主要依据20(3)合同管理的主要内容21(4)合同管理的工作流程215、信息管理22(1)信息管理工作规模22(2)信息管理内容22(3)监理信息处理23(4)、信息管理的具体办法256、工程建设组织协调 26(1)组织协调工作原则26(2)组织协调计划26(八)、工程验收与移交27(九)、保修期监理28(十)、监理人员守则和工作制度28(1)监理人员守则28(2)监理人员工作规章制度29********河道疏浚工程监理规划总则(一)工程基本概略工程名称:*****工程主要建设内容:1、河道清障、疏浚2、局部河道新建护岸及景观建设3、原有护岸维护本工程疏浚的亭趾港长度为 5.4km,均位于运河街道,起点K3+890位置为运河街道亭趾港与陆水湾港交汇处,终点K9+290处为年夜运河出口,其中一标段为K3+890—K6+415,二标段为K6+415—K9+290。
根据余杭经济开发区防洪规划(修编),亭趾港在东洲路以北规划河底高程为1.00m—1.50m,结合现状河道地形及河底高程,确定亭趾港在K4+915上游控制河底高程为1.00m,K4+915—K4+965控制河底高程为1.00m—1.50m,K4+965—K9+290控制河底高程为1.50m。
1、施工组织管理网络项目经理部组织机构网络图本工程质量、平安管理组织机构见图2施工总体安排1施工总平面安插1.施工组织一旦中标,我公司将依照投标文件中许诺投入的项目部成员立即着手组建项目经理部,并从本部抽调经验丰富的施工人员介入项目管理,同时,调配精良的施工设备进入工地,依照“先施工后生活,先通后善”的原则,快速进场、快速施工,临建与前期清理工作平行作业,各工序间紧密衔接、环环相扣,不脱节,在天气较好时段做到“人歇工作面不断”。
2.安插原则2.1施工总平面图安插的依据1、设计资料,包含工程河道平面安插图,建设项目规模内有关的一切已有和拟建的地下管网位置图;2、已调查收集到的地区资料,包含处所资源情况,交通运输条件,水、电等条件,社会劳动力和生活设施等情况;3、施工安排和主要工程的施工计划;4、施工总进度计划;5、各种资料、构件、施工机械和运输工具需要量。
2.2施工总平面图安插的原则1、施工总安插本着集中与分离相结合的原则进行安插,尽量做到合理安插,便利生活,便于生产调度,有利于施工;在满足施工的前提下,紧凑安插,将占地减少到最低,不挤占交通路途;2、合理安插场内施工路途,最年夜限度地缩短场内运输距离,尽可能避免场内二次搬运。
因此,各种施工资源将按供应计划分期分批进场,施工资源尽量安插在使用地址邻近,年夜型重件尽量堆放在起重设备工作规模之内;3、平安和环境呵护优先的原则;充分考虑生产、生活设施和施工中的劳动呵护、技术平安和防火要求;遵守环境呵护条例的要求,避免环境污染;4、按创建文明工地标准化进行安插。
3.施工总体计划及施工区段划分本工程施工主要工作内容是截流围堰构筑,河道疏浚。
3.1施工总体计划1、施工截流围堰填筑为满足水力冲挖机组施工需要,进场后立即组织机械进行本标段截流围堰封堵施工,采取挖掘机配合推土机开挖河道土方进行封堵。
按堤防标准进行碾压。
2、降排水截流围堰填筑出水面截断水流后,立即安插水泵抽排水,抽干河内明水,一边填筑一边抽水,为下面河道土方开挖创作创造条件。
徐州市机关事务管理局行政中心护城河清淤项目工程欧阳家百(2021.03.07)河道清淤专项施工方案编制人:审核人:审批人:编制单位:四川旭兴建筑工程有限公司编制日期:年月日欧阳家百创编一、工程概况本工程为徐州市机关事务管理局行政中心护城河清淤工程,施工内容简单,主要为河道的清淤,清淤河道平均宽度10米,总长1800米,挖淤泥、流沙量27864m3。
二、工期目标行政中心护城河清淤工程总工期40日历天,计划2017年12月开工(实际开工日期以业主下达开工令为准)。
三、主要施工方法1.泥浆泵冲泥①引水及排水堆土区的迎河侧开挖排水沟一条,深0.8m-1.0m,底宽0.5m-1.0m将排泥区泌出废水排出、引入冲泥区重复利用。
②根据施工分段,在冲泥工作面上安装高压水泵及泥浆泵,敷设排泥橡胶锦纶管,抽引清水供应高压泵用水,待泥浆泵输泥后,回归水可供利用。
③启动高压泵以水枪冲泥浆处地面,使形成水潭,放下泥浆泵抽吸泥浆,送到排泥区,再通过泥浆车清运淤泥。
④在泥浆泵冲挖时在河底、河坡保留保护层0.3m。
在河道冲挖结束后,用人工整修河底、河坡,使开挖轮廓准确,底面、坡面平整。
⑤水力冲挖施工注意事项和冲挖质量予控:a、统筹安排施工,调度好冲挖排泥区分仓轮流作业,提高设备利用率;b、输泥管应平顺,避免死弯;c、出泥口应伸出排泥场一定距离,并应高出排泥面50cm;d、输泥管接头紧固严密,整个管线和接头不得漏水,一旦发现应及时修补或更换;e、输泥管支架必须牢固,布置尽量避免破坏其他设施;f、加强冲泥区和排泥区的巡回检查,注意按放样桩进行冲挖,掌握管道工作欧阳家百创编状况、排泥区堆填情况和泥浆的沉积情况,防止河道超挖和围堤倒塌、泥浆漫出。
2、绞吸式挖泥施工(一)、施工测量①、技术要求a、在进场做好临时设施建设的同时,即进行施工测量放样工作。
b、在施工前,将业主、监理一起进行测量控制点的复核、设置工作。
测量时严格执行操作规定,提高测量精度,保证质量。
目录第一章编制依据第二章工程概略第三章施工准备1技术准备2机械准备第四章施工办法1挖土准备2土方开挖施工办法3回填土工程4清理淤泥5余土、垃圾及淤泥外运第五章施工机械及施工现场技术人员配备1施工机械配备2施工现场技术人员配备第六章施工总进度计划第七章平安质量包管办法1平安办法2质量包管办法第八章环境呵护及文明施工办法第一章编制依据1、施工图纸;2、国家现行有关工程施工和验收的标准、规范、规程、图集;3、现行的施工和验收规范、规程、标准和关于工程施工管理等方面的技术文件、图集以及相关的法令律例;4、余土运输、堆弃有关规定;第二章工程概略本工程为楼子店河及马架子河清理工程。
建设单位为赤峰市元宝山区平庄镇人民政府。
计划工期为15日历天。
质量标准为合格。
第三章施工准备施工准备工作内容包含技术准备、资料机具准备、生产准备、施工现场准备几个方面,要求做到施工场地三通一平,并落实技术、劳动组织、资料、机具、现场设施等。
一、技术准备1、复核施工图纸项目技术担任人组织有关人员进行图纸复核,形成图纸复核记录。
根据设计图纸要求的河道标高进行现场放样。
施工过程中严格依照设计河底标高进行清理。
2、技术交底项目技术担任人将工程施工概略、施工工艺、平安技术办法等及时向有关施工人员进行详细技术交底;组织人员进行平安教育和技术交底,建立现场质量包管体系;包管开工前所有准备工作,一切准备就绪;组织现场施工人员学习施工工艺和平安操纵规程,进行相应的技术培训。
二、机械准备机械进场后及时进行调试,并做好调养,确保机械状态良好。
第四章施工办法土方开挖工程,先采取机械年夜开挖至设计标高以上30cm,然后采取人工清槽底,具体施工办法如下:一、挖土准备1、场地平整,具备平安行车条件。
2、地表水或雨水及时排走,使场地坚持干燥,以利施工。
3、各种丈量点已测设完毕,并做好呵护。
4、配备足够夜间施工的照明设备,各种设备接线及电源平安可靠,能到各施工地址,能包管土方开挖时基坑处照明和抽水要求。
第一章工程概略- 8 -一、概述-1-二、工程概略-2-三、施工条件 (3)四、施工总体目标 (4)第二章施工组织- 8 -一、施工组织.................................................................................. - 10 -二、施工准备.................................................................................. - 10 -第三章施工计划.................................................................... - 13 -一、主要分部工程 (14)二、施工准备 (14)三、分部工程施工办法-16-第四章施工计划总体安插 ................................................... - 13 -一、施工进度计划 (14)二、施工进度包管办法 (14)第五章质量、平安包管体系方针....................................... - 13 -一、质量包管体系 (14)二、质量职责 (14)三、平安包管体系 (14)第六章环境呵护与文明施工办法....................................... - 13 -一、环境呵护原则与目标 (14)二、文明施工管理办法 (14)三、消防平安办法 (14)四、临时用电平安办法 (14)五、确保民工工资发放办法 (14)第七章资料报验、施工现场工程量签证与验收- 13 -第一章工程概略一、概述(一)编制依据1、商丘市内河综合治理设计项目忠民河设计图、康林河设计图、蔡河设计图;2、商丘市内河治理指挥部提供的基准点坐标资料;3、商丘市内河治理指挥部提供的基准点高程资料;4、商丘市内河水系综合治理指挥部文件:商内指[]01号«商丘市城区内河水系综合治理指挥部办公室关于城区内河水系综合治理工作实施计划»5、主要国家或行业规范、标准、规程、图集、处所标准、律例图集。
目录第一节工程概况第二节施工部署第三节施工现场总平面布置及施工组织管理第四节主要分项工程施工措施第五节人力、物力、设备计划第六节施工总进度网络计划及进度控制计划第七节质量保证措施第八节文明安全施工及环保措施第一章工程概况一、工程概况福建省福安市小型农田水利重点县建设(农村河塘清淤整治)2015年度施工图(赛岐镇),主要涉及象环、青江、溪里、苏阳、上长岐、下长岐、泥湾、大盘、小盘及江兜,共计10个行政村;工程主要内容:渠道改造2.45km,渠系建筑物新建2处,渠首水池改造2座;改造排水沟11.58km;河塘清淤整治长度 1.428km,新建护岸2.561km。
二、编制依据1、招标文件、投标文件及合同文件2、福建省福安市小型农田水利重点县建设(农村荷塘清淤整治)2015年度施工图赛歧镇;3、本着优质、高效、经济、合理的原则,以业主提供的招标文件和设计图纸为依据,严格执行有关施工规范。
4、以确保工期为原则,安排施工进度计划。
以确保质量目标为原则,安排专业化施工队伍,配备先进的机械设备,采用先进的施工方法。
5、以确保安全生产为原则,制定各项安全措施,严格执行安全操作规程。
6、以节约土地、保护生态环境为目标布置施工总平面。
三、工期、质量等级、安全目标1、工期本工程计划施工总工期为180日历天,计划于2015年12月30日开工,2016年5月日完工(具体日期以开工报告为准)。
2、质量等级工程质量符合(工程施工质量验收规范)标准,达到合格的质量要求。
3、安全目标文明施工,确保安全,避免一般事故,杜绝重大人身和设备事故。
四、主要建设内容1、溪里河道整治工程的治理范围分为溪里桥上游治理段及溪里桥下游治理段,综合治理长度332m,为修建护岸结合局部清淤整治。
溪里桥上游段新建固宾石笼护岸长度为323.46m;溪里桥下游段新建M7.5浆砌块石护岸长283.04m,两段护岸顶高程按照10年一遇设计洪水位控制。
(1)固宾石笼护岸(桩号XLZS0+000.00~0+146.37段及XLYS0+000.00~0+155.59段)护岸采用“C15埋石混凝土基础+固滨石笼挡墙”结构。
目录欧阳歌谷(2021.02.01)第一章工程概况及编制说明1.1 工程概况1.1.1 项目名称:盘溪河黑臭水体整治工程(清淤部分)。
1.1.2 工程地点为:位于盘溪河渝北区段位于新南路和龙脊路之间。
1.1.3 招标文件要求的施工总工期为:60日历天,具体开工日期以监理工程师的开工指令为准。
1.1.4 本项目招标范围:本项目主要建设内容:河底清淤(含淤泥外运及淤泥的专项处理)等内容(具体施工内容以招标人发出的工程量清单、施工图及图说为准)。
1.1.5 建设规模:该项目清淤2.2万立方。
主要建设内容:河底清淤(含淤泥外运及淤泥的专项处理)等。
1.1.6 质量要求:达到国家现行有关施工质量验收规范要求,并一次性达到合格标准。
1.2 编制的依据1.2.1盘溪河黑臭水体整治工程(清淤部分)招标文件。
1.2.2 本工程初步方案设计图纸。
1.2.3 本工程招标其他资料。
1.2.4 国家、行业及地方有关政策、法律、法令、法规。
1.2.5 国家强制性技术质量标准、施工验收规范、规程。
1.2.6 施工工艺标准及操作规程。
1.2.7 本公司ISO9001标准质量体系程序文件及管理规章制度。
1.2.8 现场和周边的实际踏勘情况。
1.3 编制说明针对本工程实际情况要求,我们把施工部署中的施工组织安排、施工流水段、施工顺序及进度安排:施工进度,施工平面布置,施工准备中的机具设备、周转材料使用计划、劳动力组织安排,技术准备,主要工程项目施工方法,保证工程质量的技术措施、保证工期技术措施、保证安全生产施工技术措施、保证文明施工技术措施、环境保护及防止扰民措施、消防保护措施等在本施工组织设计中作为重点阐述,其它常规性技术措施及施工项目的施工方法仅作了一般性阐述。
本公司机构机制健全,技术质量部、生产安全部是指导、督促、检查项目工程部执行标准、规范、规程、施工组织设计及其合同履行公司规章制度执行情况的执法部门,使本公司承建的工程质量、安全施工、工期得到了保证。
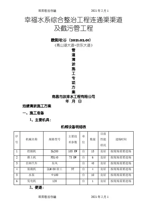
幸福水系综合整治工程连通渠渠道及截污管工程欧阳歌谷(2021.02.01)(青山湖大道~京东大道)管道清淤施工专项方案南昌市政排水工程有限公司年月日池塘清淤施工方案一、施工准备1、主要机具:机械设备明细表在进场后进行河塘调查,在各个河塘之间填筑临时便道,以保证换填材料的运输。
3、技术准备:在各项工序施工前进行技术方案编制和交底,提交监理工程师确认。
(1)了解河塘清淤的长度、宽度、深度及工程量,弃方堆放场地,掌握淤泥的界定标准。
清淤前应设法探明淤泥厚度,估算淤泥量。
对于施工图中未标明的河塘(含暗塘),应在处理前先探明,上报监理组,由监理组通知业主,现场确认。
(2)清淤可采用挖掘机清淤,对于采用挖机清淤的应辅以人工清淤。
(3)河、塘、沟清淤应将腐殖质土彻底清除干净。
(4)项目部人员应在清淤前确定淤前高程。
二、施工工艺1、进行各河塘抽水工作,由于水域范围内抽水工程量大,需要合理组织,避免出现河水倒流泡坏换填河塘的情况。
2、本工程现场勘测淤泥厚度普遍在0.6m-3.5m左右。
河塘在抽水后按照施工组织顺序对河塘进行清淤,淤泥现场外运到指定地方,防止污染环境。
清淤时根据淤泥厚度用挖掘机清除淤泥和边清淤边换填的挤於施工。
清淤时采用两台挖掘机对位站立进行挖除淤泥,两台挖掘机同时作业时,互相应保持一定的安全距离,防止臂架相互碰撞。
3、每处河塘均需由项目部测量人员测量其清淤前、后标高,并绘制相对应的平面图和断面图,由监理复核,必要时由业主指定的测量中心派专人进行复测。
其中,河塘平面图需标明几何尺寸及其与路基的相对位置;河塘断面图要测出各测点清淤前后的高程,绘制出河塘清淤断面图,并利用河塘清淤数量计算表计算出该塘的清淤量,由监理签认后作为质保资料及设计变更的依据。
4、管道两侧围堰设置a、由于截污管横穿鱼塘,需要在截污管管道两侧各设置一条顶宽3m~4.5m的围堰,4.5m的围堰为挖机挖运淤泥工作面。
B、围堰间间距约7.1m1.安装管道后管道需用砂回填,回填砂采用挖机回填,为保证作业安全,需保证荷载与槽口安全距离一米。
河道清淤施工计划欧阳索引(2021.02.02)一.工程概略中山坦洲镇新建片河道清淤疏浚工程——中山市郊区坦洲镇位于中山南部,坦洲镇小型河流沟渠纵横交错,全镇河沟总长约42公里。
本次主要为年夜沾涌、二沾涌、三沾涌三河道12.39公里河道清淤工程由银浩河道清淤公司全权担任,矗种鼷特此施工计划。
12390米河道疏浚,本项目主要工程量有:建筑垃圾清理、垃圾、清淤等。
二.主要施工技术计划1、丈量放样①丈量放样依据A、业主提供的城建坐标及水准点;B、业主提供的施工图及说明;C、有关工程丈量的规范和标准。
②丈量人员组织丈量放样控制是贯穿工程施工过程的十分关键的工作,为此成立专门的丈量放样小组,由具有理论和实际施工经验的工程师担任,全面准确地对本工程各部位进行水平位置和高程控制并提供各阶段所需的丈量资料。
丈量人员配置如下:丈量工程师1 人丈量技工2 人其他人员3 人③丈量控制放样A、平面控制丈量在业主提供的在控制丈量资料基础上,我们根据需要进行基线控制点的加密。
B、高程控制丈量根据业主提供的高程控制点,将其用四等水准丈量要求引测至年夜堤二端,达到闭合要求。
④丈量控制桩的呵护施工丈量人员把主要丈量标记统一编号,绘制在施工总平面图上,并注明各有关相互间距离、角度关系及高程,以免产生毛病。
在施工期内为了避免丈量标记位移,各主要丈量标记应设有呵护桩,并按期检测。
⑤施工丈量控制网的布设施工平面控制丈量采取全站仪进行。
采取全站仪进行施工控制丈量不单简便、速度快,并且能提高丈量精度,减少误差,同时还能与微机联系进行内业计算和资料的贮存、整理。
高程控制网丈量采取精密水准仪,二等水准丈量的办法进行。
施工控制丈量的精度和技术要求,严格执行规范规定2、建筑垃圾清理外运由于河道边坡有杂树、树枝、生活垃圾众多,河底枯枝烂根很多,且部分河底及岸滩聚积厚度不等的瓦砾、建筑垃圾等,如直接进行水力冲挖则年夜年夜降低了冲挖的效率,并且容易损坏机械及输送泵。
*********河道疏浚工程监理规划*******工程监理有限公司目录总则:(一)工程基本概况-----------------------------------------1(二)监理工作范围-----------------------------------------2(三)监理工作内容-----------------------------------------3(四)监理工作目标-----------------------------------------3(五)监理工作的主要依据-----------------------------------3(六)项目监理机构的组织形式-------------------------------4(七)项目监理人员的配备-----------------------------------4(八)项目监理机构的人员岗位职责---------------------------4(九)监理工作基本程序-------------------------------------5(十)监理工作主要方法与措施-------------------------------51、工程质量控制-------------------------------------------8(1)质量控制的原则---------------------------------------8(2)质量控制目标-----------------------------------------8(3)质量控制的内容、措施和制度---------------------------92、进度控制-----------------------------------------------12(1)进度控制的原则------------------------------------12(2)进度控制的内容-----------------------------------13(3)进度控制的措施-------------------------------------14(4)进度控制的动态分析---------------------------------15(5)进度控制表格-------------------------------------153、投资控制-----------------------------------------------16(1)投资控制的目标---------------------------------------16(2)投资控制的主要内容-----------------------------------16(3)工程投资控制的原则和方法-----------------------------17(4)投资控制的程序---------------------------------------204、合同管理-----------------------------------------------20(1)合同管理的主要任务-----------------------------------20(2)合同管理的主要依据-----------------------------------20(3)合同管理的主要内容-----------------------------------21(4)合同管理的工作流程-----------------------------------215、信息管理-----------------------------------------------22(1)信息管理工作范围------------------------------------22(2)信息管理内容----------------------------------------22(3)监理信息处理----------------------------------------23(4)、信息管理的具体措施---------------------------------256、工程建设组织协调-------------------------------------26(1)组织协调工作原则------------------------------------26(2)组织协调方案----------------------------------------26(八)、工程验收与移交----------------------------------------27(九)、保修期监理-------------------------------------------28(十)、监理人员守则和工作制度--------------------------------28(1)监理人员守则----------------------------------------28(2)监理人员工作规章制度-------------------------------29********河道疏浚工程监理规划总则(一)工程基本概况工程名称:*****工程主要建设内容:1、河道清障、疏浚2、局部河道新建护岸及景观建设3、原有护岸维护本工程疏浚的亭趾港长度为 5.4km,均位于运河街道,起点K3+890位置为运河街道亭趾港与陆水湾港交汇处,终点K9+290处为大运河出口,其中一标段为K3+890—K6+415,二标段为K6+415—K9+290。
河道清淤施工计划编制:审核:审批:年月日河道清淤施工计划一、编制依据1、工程招投标文件、施工图纸;2、有关技术及平安操纵规范;3、渣土运输、堆弃管理等有关规定;二、工程概略工程规模包含松溪河及其支流环溪河。
松溪河治理河段治理起点为奶场,终点为贵御温泉处;支流环溪河治理起点为年夜龙潭,终点为环溪河与松溪河交汇处。
治理河道总长7011m,修建防洪堤堤线长度为5046.75m(其中:浆砌石重力式防洪堤3130.93m,生态混凝土防洪堤1916.42m),河道疏浚(即清淤)长度7011m.河段治理后形成封闭完善的防洪体系,达到防洪效果,呵护居3.86万人。
三、清淤施工计划1、清淤施工办法根据翻身河河道具体情况,经过实地检查及清淤计划论证,我单位确定采取长臂挖掘机挖掘施工。
根据工程分区分段特点,将河道治理分红5段(即①松溪河奶牛场段Z0+000~Z0+610.08、②松溪河奶农科路段Z1+250~Z2+113.5、③环溪河年夜龙潭段K0+000~K0+662.65、④环溪河北衙路至松溪河新光路段K1+750~K5+345.5、⑤松溪河温泉路段K5+345.5~K6+625.00),每段施工顺序依照顺河流标的目的,自上而下施工,具体施工办法如下:①机械准备:箱式运土车20台(视实际情况增减),吊车一台,挖掘机4台(视实际情增减)。
②首先沿河道两侧修建临时施工便道,靠近施工便道的淤泥用挖掘机挖掘装车外运,因河水较浅,较远处则将挖掘机开进河中将淤泥倒运至便道旁边再用挖掘机装车外运,对河边为建筑物既不克不及修建临时便道又无公路的河段,用挖掘机在河中经屡次倒运至施工便道或公路旁边,用挖掘机装车外运。
挖掘机不克不及延伸达到的位置则采取人工开挖。
对路坎较高,无法以挖掘机挖掘装车的部位,采取编织带装泥,再以吊车启吊装车,若淤泥较稀,便利装入带中,可经过适当晾晒后再装入带中。
③河道清淤依照自上游至下游、先中央后两侧的顺序施工。
水库清淤施工组织设计1.1工程概况1.1.1工程概况铜陵市郊区大通镇2010年新建片河道清淤疏浚工程——铜陵市郊区大通镇位于长江中下游铜陵市南部,总面积70.72平方公里,总人口 2.3万人,共7个行政村,3个居委会,2个社区。
大欧阳音创编 2021.03.11 欧阳音创通镇小型河流沟渠纵横交错,全镇河沟总长约42公里。
本次主要为原新建乡金华村、民主村、新建村三村12.39公里河道清淤工程。
详见招标文件及图纸。
1.1.2水文气象和工程地质(1)水文气象条件本工程地段地处北亚热带,东亚湿润季风气候区。
四季分明,温暖湿润光照充足,雨量充沛。
一般5~9月份为多雨季节,降雨集中,8~9常伴随有台风出现形与强降雨。
多年平均年降雨量1385mm,其中汛期6~9月,降雨量约占全年总雨量的60.8%。
(2)工程地质工程区属于沿江丘陵起伏地形,为较厚的第四纪红色粘土和下蜀黄土,呈强风化状,风化胶体被水流迁移,风化沙粒残留于此。
1.1.3周边环境本工程地处城区,有有利条件也有不利因素,施工时需特别注意施工范围的管护。
1.1.4对外交通条件本工程地处铜陵市南部城区,主要通过沿新路和村村通公里之施工现场,可以满足施工材欧阳音创编 2021.03.11 欧阳音创料、机械设备的进退场需要。
施工水、电施工用电由我方负责用电申请、增容、设备安装,另需配备发电机以保证电源不足或停电期间必要的用电负荷需要。
生活用水:施工生活用水接用城市管网自来水至工地。
生产用水:水力冲挖施工用水就近使用长江淡水,部分使用循环水。
1.1.5工程项目和工程内容12390米河道疏浚,即招标图纸范围。
本项目主要工程量有:建筑垃圾清理、垃圾、清淤等。
1.1.6施工工期及质量等级(1)本项工程2011年2月1日前完成主体工程。
根据本工程的情况,我公司计划于2010年11月1日开工,2011年3月10日完成,总工期为130天。
(2)本项工程的质量等级要求为合格等级。
工程名称欧阳引擎(2021.01.01)施工组织设计第一章工程概略1.1、工程概略说明本工程为工程名称,施工内容较为简单,主要为河道的清淤,同时对沿线破损护岸和坍塌护岸挡墙修复,局部基本完整挡墙按现状修复,清淤河道全长约7.7公里。
1.2、交通条件本工程位于,均有现成的路途通往外界,交通条件很是便利。
1.3、合同项目和工作规模施工图规模内的河道清淤工程、挡墙修停工程等。
1.4、施工总体目标控制1.4.1施工工期控制目标本合同总工期为日历天,初拟定开工(具体以开告陈述为准)。
1.4.2施工质量控制目标坚持“百年年夜计、质量第一”的方针,确保单位工程合格率为100%,争创优良工程。
1.4.3施工平安控制目标贯彻“平安第一、预防为主”的宗旨,坚持“平安为了生产,生产必须平安”的原则,做到思想包管、组织包管、技术包管、办法包管、确保人员、设备及工程平安。
确保实现平安管理目标—“四无一根绝一创建”:即:无工伤死亡事故,无重年夜机械设备事故,无交通死亡事故,无火灾和洪灾事故;根绝重年夜事故;创建平安施工样板工程。
1.4.4环保与水土坚持及文明施工目标以“均衡生产、文明施工、科学管理”为宗旨指导工程建设。
在合同实施的同时,同步实施相应的环保办法,使施工现场各项环保指标达到国标和处所标准、满足合同要求。
施工作业人员一律挂牌上岗,工地做到整洁清爽、有序、施工标记齐全、美观、施工艺科学合理,推进法度化、标准化作业,创建环保、文明施工样板工程。
第二章施工准备工作2.1、施工安插原则工程名称规模为桩号/其他,工程长度约7.7公里,根据工程特点,施工临设采取就近与集中安插原则。
生活、生产临时设施按标准化工地的要求进行规划,做到高标准、高起点。
施工安插的原则为:2.1.1依据现有条件,依照招标文件给定的条件及相关规范进行安插。
工程的临时设施统一规划、统筹考虑、合理安插。
2.1.2临时设施的规模和容量按施工实际需要进行规划设计,力求节约,降低工程造价,并切实做好自然生态的呵护。
目录一、总则21、适用范围22、工程概况23、施工工艺流程:24、编制的主要依据2二、监理主要工作流程3三、监理工作的控制要点和目标值101、对清淤工程作业设备准入条件的控制:102、测量控制:103、清淤工程量计量控制:114、测量工作人员岗位职责115、河道清淤质量控制126、工程资料的控制13五、监理工作的方法及措施141、监理控制的方法和手段:142、监理控制的措施:14六、督促施工单位做好安全文明施工15河道清淤工程监理实施细则一、总则1、适用范围本《河道清淤工程监理实施细则》仅适用于xx县响河治理工程的河道清淤工程的施工。
2、工程概况工程位于xx县,河道起点在XX,终点位于XX,全长XXkm。
主要施工内容:河道混凝土挡土墙,河道河底清淤、平整,河道平台建设,平台栏杆安装及人行道铺设等。
3、施工工艺流程:包括河道淤泥的清淤、运输。
清淤采用非断流施工,施工设备主要有挖掘机、铲车。
挖掘机将淤泥运到指定位置后,用铲车运离河道。
4、编制的主要依据《水利水电工程施工质量检验与评定规程》(SL176-2007);《水利水电建设工程验收规程》(SL223-2008);《水利水电工程测量规范》(SL52-93);《疏浚工程施工技术规范》(SL17-90);施工设计图纸及有关设计文件建设监理规范、监理规划、施工组织设计;《中华人民共和国水利行业标准》(SL288—2003)工程建设标准强制性条文(水利工程部分);二、监理主要工作流程23入下一工序是或(单元7.承包人实施施工进度计划,按月编报施工进度报告13.修订进度计划5、工程验收质量控制流程图2、测量控制:测量控制的目标有测必复,保证复核的精度和准确度1)施工单位的测量设备必须在有效使用时间内,测量人员必须持证上岗。
2)参加建设单位组织的测量交桩工作,并督促施工单位对控制点进行闭合复核,并审查。
3)督促施工单位对原始控制点进行保护,3个月后对水准控制点进行复测。
XXX河道疏浚工程
欧阳歌谷(2021.02.01)
质
量
资
料
XXX有限公司
二0一八年
XXX河道疏浚工程竣工验收单时间:地点:主持单位:XXX水利局
工程分部、分项单元划分表单位工程名称:XXX河道疏浚工程
水利水电工程
单位工程质量评定表
水利水电工程
分部工程质量评定表
水利水电工程
河道清淤疏浚单元工程竣工验收检测表
水利水电工程
河道清淤疏浚单元工程竣工验收检测表
水利水电工程
河道清淤疏浚单元工程竣工验收检测表
水利水电工程
河道清淤疏浚单元工程竣工验收检测表
水利水电工程
河道清淤疏浚单元工程竣工验收检测表
水利水电工程
河道清淤疏浚单元工程竣工验收检测表
水利水电工程
河道清淤疏浚单元工程竣工验收检测表
水利水电工程
河道清淤疏浚单元工程竣工验收检测表
水利水电工程
河道清淤疏浚单元工程竣工验收检测表
水利水电工程
河道清淤疏浚单元工程竣工验收检测表
水利水电工程
河道清淤疏浚单元工程竣工验收检测表
水利水电工程
河道清淤疏浚单元工程竣工验收检测表
水利水电工程
河道清淤疏浚单元工程竣工验收检测表
水利水电工程
河道清淤疏浚单元工程竣工验收检测表。