灌注桩单桩竖向承载力计算通用版
- 格式:xlsx
- 大小:16.80 KB
- 文档页数:4
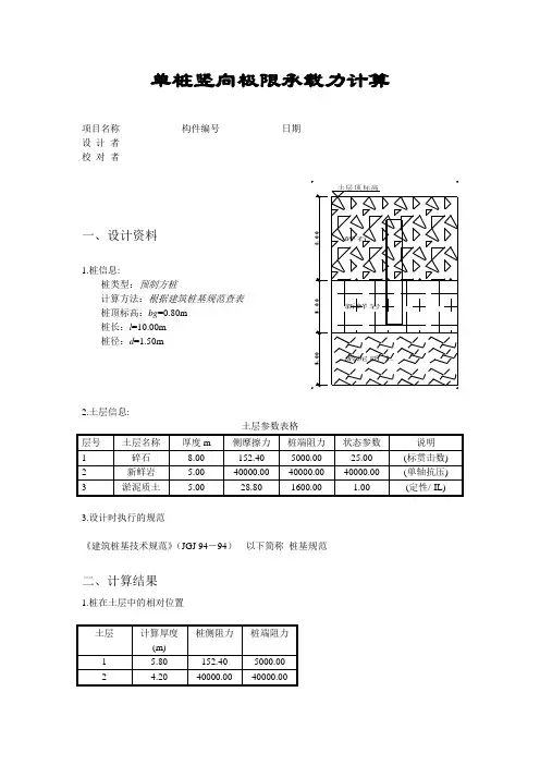
单桩竖向极限承载力计算项目名称_____________构件编号_____________日期_____________ 设 计 者_____________ 校 对 者_____________一、设计资料1.桩信息: 桩类型:预制方桩 计算方法:根据建筑桩基规范查表 桩顶标高:bg =0.80m 桩长:l =10.00m 桩径:d =1.50m淤泥质土5.00新鲜岩5.00碎石8.00土层顶标高2.土层信息:土层参数表格3.设计时执行的规范《建筑桩基技术规范》(JGJ 94-94) 以下简称 桩基规范二、计算结果1.桩在土层中的相对位置由于桩端持力层为岩石,所以按嵌岩桩计算2.桩端底面积及周长u = 1.50×4 = 6.00mA p = 1.50×1.50 = 2.25 m23.单桩竖向承载力计算根据规范5.2.11用公式如下Q uk = Q sk + Q rk + Q pk = u∑ζs i q s i k l i + uζs f rc h r + ζp f rc A pQ sk = 6.00×(0.70×152.40×5.80) = 3712.46 KnQ rk = 6.00×0.1400×40000.00×4.20= 141120.00 KnQ pk = 0.5000×40000.00×2.25 = 45000.00 KnQ uk = 189832.47 Kn单桩竖向极限承载力标准值:189832.47Kn单桩竖向极限承载力特征值:94916.23Kn。
单桩竖向承载力设计值计算一、构件编号:ZH-1示意图ZH-X1--1二、依据规范:《建筑桩基技术规范》(JGJ94—2008)《建筑地基基础设计规范》(GB50007—2002)三、计算信息1. 桩类型:桩身配筋率<0.65%灌注桩2. 桩顶约束情况:固接3. 截面类型:圆形截面4. 桩身直径:d=800mm;桩端直径:D=1200mm5. 材料信息:1) 混凝土强度等级:C30fc=14.3N/mm2Ec=3.0x l04N/mn22) 钢筋种类:HRB335fy=300N/mm2fy'=300N/mn2Es=2.0X105N/mn223) 钢筋面积:As=2155mm4) 净保护层厚度:c=50mm6. 其他信息:1) 桩入土深度:H>6.000m7. 受力信息:桩顶竖向力:N=1169kN四、计算过程:1)根据桩身的材料强度确定桩型:人工成孔灌注桩(d>0.8m)桩类别:圆形桩桩身直径D=800mm桩身截面面积A ps=0.50m桩身周长u=2.51mR a=4)c f c A ps+0.9f y A S15.8.2-1】式中A ps—桩身截面面积f c混凝土轴心抗压强度设计值少c基桩成孔工艺系数,预制桩取0.85,灌注桩取0.7〜0.8of y纵向主筋抗压强度设计值A S,纵向主筋截面面积R a=5363+582=5945KN2)根据经验参数法确定计算依据:《建筑桩基技术规范》JGJ94-2008和本项目岩土工程勘察报告单桩竖向承载力特征值(R a)应按下式确定:R a=1/kXQ uk【5.2.21式中Quk——单桩竖向极限承载力标准值K安全系数,取K=2.Q uk=Q sk+Q pk=u Z J ip si q sik L i+p q pk A p【5.3.6】桩型:人工成孔灌注桩(d>0.8m)桩类别:圆形桩桩端直径D=1200mm桩端面积A p=1.13m桩端周长u=3.77m第1土层为:不计阻力土层,极限侧阻力标准值q sik=10Kpa 土层厚度L i=9.5m极限侧阻力标注值Q sk=uXLiXq sik=1.88X9.5X10=179.07KN 第2土层为:不计阻力土层,极限侧阻力标准值q sik=10Kpa 土层厚度L i=4m极限侧阻力标注值Q sk=uXL iX q sik=1.88X4X10=75.2KN 第3土层为:不计阻力土层,极限侧阻力标准值q sik=150Kpa 土层厚度L i=1m极限侧阻力标注值Q sk=uXLiXq sik=1.88乂1X150=282.74KN 总极限侧阻力标注值Q sk=EQ sk=537KN极限端阻力标准值q pk=3000KN总极限端阻力标注值Q pk=q pk><A p=3000X0.28=792KNQ uk=Q sk+Q pk=537+792=1330单桩竖向承载力特征值R a=666KN。
灌注桩单桩竖向极限承载力标准值估算表2,A2,A2计算公式: Ra=q pa×Ap+u p∑(q sia×L i)车间员工工作总结[车间员工工作总结]车间员工工作总结一年的工作总结时间一晃而过,转眼间见习期已接近尾声,车间员工工作总结。
这是我人生中弥足珍贵的经历,也给我留下了精彩而美好的回忆。
在这段时间里您们给予了我足够的宽容、支持和帮助,让我充分感受到了领导们“海纳百川”的胸襟,感受到了吉化人“不经历风雨,怎能见彩虹”的豪气。
在对您们肃然起敬的同时,也为我有机会成为吉化的一份子而惊喜万分。
我于2006年7月毕业于西北大学化学专业,毕业后来到xx石化公司染料厂苯酚车间工作。
回顾我的见习期生活,感触很深,收获颇丰。
这一年在领导和同事们的悉心关怀和指导下,通过我自身的不懈努力学习和钻研,我很快掌握了装置工艺流程技术,同时工作和政治思想上都有了新的进步,个人综合素质也有了新的提高。
回顾这一年来的工作历程,工作总结主要有以下几点:一、思想上与集体保持高度一致在工作、学习过程中,我深切体会到,苯酚车间是一个讲学习、讲政治、讲正气的集体,在这样的氛围中,只有在思想上与集体保持高度一致、严于律己、积极上进,才能融入到这个集体之中。
所以我更加深入地学习十六大精神,认真贯彻“三个代表”的重要思想,用理论知识武装自己的头脑,指导实践,科学地研究、思考和解决工作中遇到的问题,使自己能够与集体共同进步。
二、通过理论学习和日常工作积累使我对苯酚工艺流程有了较为深刻的认识。
1、抓住车间倒班学习俗话说“一分耕耘、一分收获”。
进厂期间,在厂领导的带领下,我深入苯酚车间进行观察和了解。
我们一边观察一边听领导对各条工艺流程的介绍,并认真地作了记录。
后来深入车间倒班,我亲眼目睹了操作人员的辛勤与令人叹服的操作技术。
倒班,是我一段丰满的记忆,在岁月中酝酿,在回忆中沉醉。
倒班期间我能虚心向师傅请教,努力学习工艺技术,同时学习他们吃苦耐劳的精神和克服种种困难的方法。
桩基础计算一.钻孔灌注桩单桩竖向承载力计算1. 桩身参数ZH1桩身直径 d=600mm桩身周长 u=π d=1.884m ,桩端面积 Ap= π d 2=0.2826m 2 岩土力学参数土层 极限侧阻力标准值极限端阻力标准值桩周第 i 层土的厚度q sik (kpa)q pk (kpa)Li(m) 填土-20 3 粉质黏土夹粉砂层75 7砂砾石层801400 4注:考虑填土的负摩阻力,根据《建筑桩基技术规范》 (JGJ 94-2008 )表 5.3.5-1,填土的极限侧阻力标准取-20kpa 。
2. 单桩承载力特征值根据《建筑桩基技术规范》 (JGJ 94-2008) 5.3.5 公式( 5.3.5) Q uk =q pk · Ap+u ·∑ q sik · Li=1400x0.2826+1.884x(-20x3+75x7+80x4) =1874.58kpa 单桩竖向承载力特征值Ra= Q uk /2=937.29kpa ,取 Ra=920kpaZH2桩身直径 d=600mm ,扩底后直径 D=1000mm桩身周长 u=π d=1.884m ,桩端面积 Ap= π D 2=0.785m 2岩土力学参数土层极限侧阻力标准值极限端阻力标准值桩周第 i 层土的厚度q sik (kpa)q (kpa)Li(m)pk填土-20 3 粉质黏土夹粉砂层757砂砾石层8014004注:考虑填土的负摩阻力,根据《建筑桩基技术规范》(JGJ 94-2008 )表 5.3.5-1,填土的极限侧阻力标准取-20kpa 。
2. 单桩承载力特征值根据《建筑桩基技术规范》 (JGJ 94-2008) 5.3.5 公式( 5.3.5) Q uk =q pk · Ap+u ·∑ q sik · Li=1400x0.785+1.884x(-20x3+75x7+80x4) =2577.94kpa 单桩竖向承载力特征值Ra= Q uk /2=1288.97kpa ,取 Ra=1250kpa二.桩身强度验算1.设计资料截面形状:圆形截面尺寸:直径 d = 600 mm已知桩身混凝土强度等级求单桩竖向力设计值基桩类型:灌注桩工作条件系数:c = 0.70混凝土: C25, f c = 11.90N/mm 2设计依据:《建筑地基基础设计规范》(GB 50007-2011)2.计算结果桩身横截面积d2 6002A ps=π= 3.14 ×= 282743 mm 24 4单桩竖向力设计值:Ra ≤A ps f c c = 282743 11×.90 ×0.70 = 2355.25K N故桩身可采用构造配筋。
灌注桩竖向和抗拔承载力计算
灌注桩是一种常见的地基处理方法,它以灌注混凝土为主要材料,通过在地下钻孔的同时往孔中灌注混凝土,形成与地基土一体化的结构,提高地基的承载能力。
灌注桩主要用于承受纵向荷载和抗拔荷载。
1.桩身自重:桩身自重与桩长成正比,可以通过计算桩身总体积乘以混凝土比重来得到。
2.桩端摩擦阻力:桩端部分与周围土体之间存在摩擦阻力,可以通过摩擦力计算公式来计算。
常见的摩擦力计算公式有查特伍德公式、弗谢特公式等。
3.桩端端阻力:当桩端直接承受地基土的作用力时,桩端产生的阻力称为端阻力。
常见的端阻力计算公式有比索公式、摩擦桩法等。
4.动力触探法:动力触探法是一种通过测量动力触探测试数据来推算桩的侧阻力和端阻力的方法。
灌注桩的抗拔承载力计算主要涉及以下几个方面的内容:
1.土体承载力:抗拔承载力的计算需要考虑桩与周围土体之间的相互作用,一般采用土壤力学中的极限平衡法来进行计算。
2.摩擦力:抗拔承载力中的摩擦力是指桩与土体之间的摩擦作用力。
摩擦力可以通过摩擦阻力计算公式来计算。
3.继发拔桩:当桩的抗拔承载力不足以支撑所受荷载时,会发生继发拔桩现象。
继发拔桩的抗拔承载力计算需要考虑桩基底土的破坏形态以及土体的变形特征等。
灌注桩的竖向和抗拔承载力计算是一个较为复杂的过程,需要考虑多个因素的综合影响。
在实际工程中,需要根据具体情况选择适当的计算方法,并进行必要的试验和监测来验证计算结果的准确性。
灌注桩单桩竖向承载力计算回目录根据桩径按内插法计算工程桩桩身配筋率(0.30%~0.65%)0.360%工程桩桩身最小配筋值1811.29φ12根数(As=113)17纵筋间距φ14根数(As=154)12纵筋间距φ16根数(As=201)10纵筋间距φ18根数(As=254)8纵筋间距试桩桩身最小配筋As=[Quk-0.65*fc*Ap*(1-3%)]/fy=6479.38(mm2)φ16根数(As=201)33.00纵筋间距φ18根数(As=254)26.00纵筋间距φ20根数(As=314)21.00纵筋间距φ22根数(As=381)18.00纵筋间距φ25根数(As=491)14.00纵筋间距锚桩兼做工程桩时单桩抗拔承载力Rd'=(λ*∑Qsik)/γs + Gp=1574.95λ为抗拔承载力系数,一般取0.5~0.6γs为桩的抗拔承载力分项系数,取1.6Gp为桩的自重,地下水以下扣除浮力,浮力分项系数1.2Gp=(25-10*1.2)*Ap*∑lsi=锚桩桩身最小配筋As'=Rd'/fy=5249.84(mm2)φ16根数(As=201)27.00纵筋间距φ18根数(As=254)21.00纵筋间距φ20根数(As=314)17.00纵筋间距φ22根数(As=381)14.00纵筋间距φ25根数(As=491)11.00纵筋间距值fc (N/mm2)=14.3013519122928769.4688.16109.15127.34163.73Gp=(25-10*1.2)*Ap*∑lsi=258.11kN84.90109.15134.84163.73208.38。
单桩承载力计算书一、设计资料1.单桩设计参数桩径1.0(扩底1.2)选取1号点位,回填土土层厚度取9.7m 地面堆载为10kn/m2桩型及成桩工艺:机械钻孔灌注桩中性点深度ln=9.7*0.9=8m单桩极限承载力标准值:从桩顶起算Q uk = u ∑ψsi q sik l i + ψp q pk A p=0.92*3.14*1.0*(8*18+160*1.5)+0.92*3.14*0.6*0.6*4600=5893kN中性点以上负摩阻计算:i i i e e e i z z ∆+∆=∑-=γγσγ1121' =6.578184.0=⨯⨯kN q i ni si n 5.116.572.0'=⨯==σξ 中性点以上负摩阻标准值:11.5*3.14*1*8=289KN中性点以上填土的正摩阻:0.92*3.14*1*18*8=416kn特征值:5893/2-289-416/2≈2400KN检测值:检测值采用桩反力反推, 即当桩基检测值为该值时能满足设计所需 模型中最大设计轴力1782.54kn检测标准值为(1783+289+416/2)*2≈4500KN单桩承载力计算书1.单桩设计参数桩径0.8(扩底1.2)选取1号点位,回填土土层厚度取9.7m 地面堆载为10kn/m2 桩型及成桩工艺:机械钻孔灌注桩中性点深度ln=9.7*0.9=8m单桩极限承载力标准值:从桩顶起算Q uk = u ∑ψsi q sik l i + ψp q pk A p=3.14*0.8*(8*18+160*1.5)+0.87*3.14*0.6*0.6*4600=5488kN中性点以上负摩阻计算:i i i e e e i z z ∆+∆=∑-=γγσγ1121' =6.578184.0=⨯⨯kN q i ni si n 5.116.572.0'=⨯==σξ 中性点以上负摩阻标准值:11.5*3.14*0.8*8=231KN中性点以上填土的正摩阻:3.14*0.8*18*8=362kn特征值:5488/2-231-362/2≈2300KN检测值:检测值采用桩反力反推, 即当桩基检测值为该值时能满足设计所需 模型中最大设计轴力1916.57kn检测标准值为(1917+231+362/2)*2≈4600KN2..单桩设计参数桩径0.8(扩底1.4)选取1号点位,回填土土层厚度取9.7m 地面堆载为10kn/m2桩型及成桩工艺:机械钻孔灌注桩中性点深度ln=9.7*0.9=8m单桩极限承载力标准值:从桩顶起算Q uk = u ∑ψsi q sik l i + ψp q pk A p=3.14*0.8*(8*18+160*1.5)+0.83*3.14*0.7*0.7*4600=6838kN中性点以上负摩阻计算:i i i e e e i z z ∆+∆=∑-=γγσγ1121' =6.578184.0=⨯⨯kN q i ni si n 5.116.572.0'=⨯==σξ 中性点以上负摩阻标准值:11.5*3.14*0.8*8=231KN中性点以上填土的正摩阻:3.14*0.8*18*8=362kn特征值:68388/2-231-362/2≈3000KN检测值:检测值采用桩反力反推, 即当桩基检测值为该值时能满足设计所需 模型中最大设计轴力2530.9kn检测标准值为(2531+231+362/2)*2≈5800KN3..单桩设计参数桩径0.8(扩底1.8)选取1号点位,回填土土层厚度取9.7m 地面堆载为10kn/m2 桩型及成桩工艺:机械钻孔灌注桩中性点深度ln=9.7*0.9=8m单桩极限承载力标准值:从桩顶起算Q uk = u ∑ψsi q sik l i + ψp q pk A p=3.14*0.8*(8*18+160*1.5)+0.76*3.14*0.9*0.9*4600=9856kN中性点以上负摩阻计算:i i i e e e i z z ∆+∆=∑-=γγσγ1121' =6.578184.0=⨯⨯kN q i ni si n 5.116.572.0'=⨯==σξ 中性点以上负摩阻标准值:11.5*3.14*0.8*8=231KN中性点以上填土的正摩阻:3.14*0.8*18*8=362kn特征值:9856/2-231-362/2≈4500KN检测值:检测值采用桩反力反推, 即当桩基检测值为该值时能满足设计所需 模型中最大设计轴力4481.16kn检测标准值为(4482+231+362/2)*2≈9700KN1.单桩设计参数桩径0.8 选取1号点位,回填土土层厚度取9.7m 地面堆载为10kn/m2 桩型及成桩工艺:机械钻孔灌注桩中性点深度ln=9.7*0.9=8m单桩极限承载力标准值:从桩顶起算Q uk = u ∑ψsi q sik l i + ψp q pk A p=3.14*0.8*(8*18+160*1.5)+3.14*0.4*0.4*4600=2733kN中性点以上负摩阻计算:i i i e e e i z z ∆+∆=∑-=γγσγ1121' =6.578184.0=⨯⨯kN q i ni si n 5.116.572.0'=⨯==σξ 中性点以上负摩阻标准值:11.5*3.14*0.8*8=231KN中性点以上填土的正摩阻:3.14*0.8*18*8=362kn特征值:2733/2-231-362/2≈950KN检测值:检测值采用桩反力反推, 即当桩基检测值为该值时能满足设计所需 模型中最大设计轴力833.74kn检测标准值为(883.74+231+362/2)*2≈2800KN桩身强度计算(800mm 直径桩)一、设计资料1.基本设计参数桩身受力形式:轴心受压桩稳定系数不折减不考虑地震作用效应桩顶5D 范围内箍筋加密主筋:HRB400f'y = 360 N/mm2箍筋:HRB400桩身截面直径:D = 800.00 mm纵筋合力点至近边距离:as = 35.00 mm混凝土:C30fc = 14.3 N/mm2成桩工艺系数: = 0.702.设计依据《建筑桩基技术规范》JGJ 94-2008《混凝土结构设计规范》GB 50010--2010二、计算结果1.. 验算正截面受压承载力r =D/2=800/2=400mmAps = πr 2 = 3.14×400.002 =502400 mm2根据《建筑桩基技术规范》式(5.8.2-2)ps c c A f ψ= 0.70×14.3×502400 =5029024N正截面受压承载力满足要求桩身强度计算(1000mm 直径桩)一、设计资料1.基本设计参数桩身受力形式:轴心受压桩稳定系数不折减不考虑地震作用效应桩顶5D 范围内箍筋加密主筋:HRB400f'y = 360 N/mm2箍筋:HRB400桩身截面直径:D = 1200.00 mm纵筋合力点至近边距离:as = 35.00 mm 混凝土:C30fc = 14.3 N/mm2成桩工艺系数: = 0.702.设计依据《建筑桩基技术规范》JGJ 94-2008《混凝土结构设计规范》GB 50010--2010二、计算结果1.验算正截面受压承载力r =D/2=1000/2=500mmAps = πr 2 = 3.14×500.002 =785000 mm2根据《建筑桩基技术规范》式(5.8.2-2)ps c c A f ψ = 0.70×14.3×785000=7857850N 正截面受压承载力满足要求2. 计算0.8直径桩配筋配筋率0.45%A's = minAps = 0.45%×502400=2260mm2 实配主筋:12D16,A's =2412mm23 .计算1.0直径桩配筋配筋率0.35%A's = minAps = 0.35%×785000=2747mm2 实配主筋:14D16,A's =2814mm24.裂缝计算因为桩身受力形式为轴心受压桩,所以无需进行裂缝计算。
单桩承载力以设计桩顶标高为326.8685m (图纸所注)计算 按设计图中桩长25.5m 计算 1、地质参数:钻孔灌注桩桩身土层分布情况2、桩身参数:CFG 素灌注桩桩径D=600mm,桩周长u=1.884m ,桩身面积Aps=0.2826m2;3、单桩竖向极限承载力标准值计算根据《JGJ94-2008》规范5.3.6条,计算单桩竖向极限承载力标准值P pk p i sik p A q l q u Q α+=∑uk79#:Q uk =1.884×(135×5.8+100×2.0+140X6.4+70X9.0+60X1.5)+1.0X2000X0.2826=5460kN 80#:Q uk =1.884×(135×8.9+100×2.0+140X3.4+70X7.8+60X1.9+116X1.5)+1.0X2000X0.2826=5670kN 81#:Q uk =1.884×(135×8.0+100×2.4+140X4.6+70X8.77+60X1.76)+1.0X1200X0.2826=5390kN取5390KN单桩承载力特征值计算: Ra=5390/2=2695kN按设计图中桩长25.5m 减小3m 计算根据《JGJ94-2008》规范5.3.6条,计算单桩竖向极限承载力标准值P pk p i sik p A q l q u Q α+=∑uk79#:Q uk =1.884×(135×5.8+100×2.0+140X6.4+70X7.7)+1.0X1000X0.2826=4820kN 80#:Q uk =1.884×(135×8.9+100×2.0+140X3.4+70X7.7)+1.0X1000X0.2826=4850kN 81#:Q uk =1.884×(135×8.0+100×2.4+140X4.6+70X7.51)+1.0X1000X0.2826=4970kN 取4820KN单桩承载力特征值计算: Ra=4820/2=2410kN>2000kN 易算知,不是桩身强度控制。
灌注桩单桩竖向极限承载力标准值估算表2,A2,A2计算公式: Ra=q pa×Ap+u p∑(q sia×L i)下面是赠送的团队管理名言学习,不需要的朋友可以编辑删除谢谢1、沟通是管理的浓缩。
2、管理被人们称之为是一门综合艺术--“综合”是因为管理涉及基本原理、自我认知、智慧和领导力;“艺术”是因为管理是实践和应用。
3、管理得好的工厂,总是单调乏味,没有任何激动人心的事件发生。
4、管理工作中最重要的是:人正确的事,而不是正确的做事。
5、管理就是沟通、沟通再沟通。
6、管理就是界定企业的使命,并激励和组织人力资源去实现这个使命。
界定使命是企业家的任务,而激励与组织人力资源是领导力的范畴,二者的结合就是管理。
7、管理是一种实践,其本质不在于“知”而在于“行”;其验证不在于逻辑,而在于成果;其唯一权威就是成就。
8、管理者的最基本能力:有效沟通。
9、合作是一切团队繁荣的根本。
10、将合适的人请上车,不合适的人请下车。
11、领导不是某个人坐在马上指挥他的部队,而是通过别人的成功来获得自己的成功。
12、企业的成功靠团队,而不是靠个人。
13、企业管理过去是沟通,现在是沟通,未来还是沟通。
14、赏善而不罚恶,则乱。
罚恶而不赏善,亦乱。
15、赏识导致成功,抱怨导致失败。
16、世界上没有两个人是完全相同的,但是我们期待每个人工作时,都拥有许多相同的特质。
17、首先是管好自己,对自己言行的管理,对自己形象的管理,然后再去影响别人,用言行带动别人。
18、首先要说的是,CEO要承担责任,而不是“权力”。
你不能用工作所具有的权力来界定工作,而只能用你对这项工作所产生的结果来界定。
CEO要对组织的使命和行动以及价值观和结果负责。
19、团队精神是从生活和教育中不断地培养规范出来的。
研究发现,从小没有培养好团队精神,长大以后即使天天培训,效果并不是很理想。
因为人的思想是从小造就的,小时候如果没有注意到,长大以后再重新培养团队精神其实是很困难的。
单桩竖向承载力设计值(R)计算过程:桩型:大直径灌注桩(清底干净)桩基竖向承载力抗力分项系数:γs=γp=γsp=1.65桩类别:圆形桩直径或边长d/a=1000mm截面积As=.78539815m周长L=3.1415926m第1土层为:不计阻力土层,极限侧阻力标准值qsik=0Kpa层面深度为:.0m; 层底深度为:1.4m土层厚度h= 1.4 m土层液化折减系数ψL=1极限侧阻力Qsik=L×h×qsik×ψL=3.1415926×1.4 ×0×1= 0 KN第2土层为:淤泥,极限侧阻力标准值qsik=10Kpa层面深度为:1.4m; 层底深度为:-12.1m土层厚度h= 13.5 m土层液化折减系数ψL=1极限侧阻力Qsik=L×h×qsik×ψL=3.1415926×13.5 ×10×1= 424.115001 KN第3土层为:粘土,极限侧阻力标准值qsik=26Kpa层面深度为:-12.1m; 层底深度为:-21.6m土层厚度h= 9.5 m土层液化折减系数ψL=1极限侧阻力Qsik=L×h×qsik×ψL=3.1415926×9.5 ×26×1= 775.9733722 KN第4土层为:粘土,极限侧阻力标准值qsik=50Kpa层面深度为:-21.6m; 层底深度为:-28.2m土层厚度h= 6.6 m土层液化折减系数ψL=1极限侧阻力Qsik=L×h×qsik×ψL=3.1415926×6.6 ×50×1= 1036.725558 KN总极限侧阻力Qsk=∑Qsik= 2236.8139312 KN极限端阻力标准值qpk=280KN极限端阻力Qpk=qpk×As=280×.78539815= 219.911482 KN总侧阻力设计值QsR=Qsk/γs= 1355 KN端阻力设计值QpR=Qpk/γp= 133 KN基桩竖向承载力设计值R=Qsk/γs+Qpk/γp= 2236.8139312 /1.65+ 219.911482 /1.65= 1488。
【关键字】精品塔吊基础计算书一、计算参数如下:非工作状态工作状态根底所受的水平力H:66.2KN 22.5KN根底所受的竖向力P:434KN 513KN根底所受的倾覆力矩M:1683KN.m 1211KN.m根底所受的扭矩Mk:0 67KN.m取塔吊根底的最大荷载进行计算,即F =513KN M =1683KN.m二、钻孔灌注桩单桩承受荷载:根据公式:(注:n为桩根数,a为塔身宽)带入数据得单桩最大压力: Qik压=872.04KN单桩最大拔力:Qik拔=-615.54KN三、钻孔灌注桩承载力计算1、土层分布情况:2、单桩极限承载力标准值计算:钻孔灌注桩直径取Ф800,试取桩长为30.0 米,进入8-3层根据《建筑地基根底设计规范》(GB50007-2002)单桩竖向承载力特征值计算公式:式中:Ra---单桩竖向承载力特征值;qpa,qsia---桩端端阻力,桩侧阻力特征值;Ap---桩底端横截面面积;up---桩身周边长度;li---第i层岩土层的厚度。
经计算:Ra=0.5024×600+2.512×(22×0.95+13×4.6+16×5.6+38×7.3+25×8.9+30×2.65)=2184.69KN>872.04KN满足要求。
单桩竖向抗拔承载力特征值计算公式:式中:Ra,---单桩竖向承载力特征值;λi---桩周i层土抗拔承载力系数;Gpk ---单桩自重标准值(扣除地下水浮力)经计算:Ra,= 2.512×(22×0.95×0.75+13×4.6×0.75+16×5.6×0.75+38×7.3×0.6+25×8.9×0.75+30×2.65×0.6)+0.5024×30×15=1504.03KN>615.54KN满足要求。
灌注桩单桩
竖向承载力
回目录
计算
根据桩径按内插法计
算工程桩桩身配筋率
(0.30%~0.65%)0.360%
工程桩桩身最小配筋
值1811.29
φ12根数(As=113)17纵筋间距
φ14根数(As=154)12纵筋间距
φ16根数(As=201)10纵筋间距
φ18根数(As=254)8纵筋间距试桩桩身最小配筋As=[Quk-0.65*fc*Ap*(1-3%)]/fy=6479.38(mm2)
φ16根数(As=201)33.00纵筋间距
φ18根数(As=254)26.00纵筋间距
φ20根数(As=314)21.00纵筋间距
φ22根数(As=381)18.00纵筋间距
φ25根数(As=491)14.00纵筋间距锚桩兼做工程桩时单
桩抗拔承载力
Rd'=(λ*∑Qsik)/γs + Gp=1574.95
λ为抗拔承载力系数,一般取0.5~0.6
γs为桩的抗拔承载力分项系数,取1.6
Gp为桩的自重,地下水以下扣除浮力,浮力分项系数1.2Gp=(25-10*1.2)* Ap*∑
锚桩桩身最小配筋As'=Rd'/fy=5249.84(mm2)
φ16根数(As=201)27.00纵筋间距φ18根数(As=254)21.00纵筋间距φ20根数(As=314)17.00纵筋间距φ22根数(As=381)14.00纵筋间距φ25根数(As=491)11.00纵筋间距
14.30
135
191
229
287
69.46
88.16
109.15
127.34
163.73
258.11kN 84.90
109.15
134.84
163.73
208.38。