项目部管理人员安全责任目标考核表
- 格式:doc
- 大小:227.00 KB
- 文档页数:11
安全文明责任目标考核规定为加强项目安全管理,落实各级安全生产责任制,充分调动各级安全生产的积极性,确保工期、安全文明施工、环保等工作的标准化、制度化、规范化,达到项目工程安全管理的预期目标,把安全生产责任制真正落到实处,实现安全目标杜绝各类事故发生,特制定项目部安全文明责任目标考核办法:一、考核主要内容:1、提高认识,理解安全责任制在施工中的重要作用,把安全生真正落实到工作当中去,保证安全生产顺利开启。
2、能否及时贯彻落实安全生产方针、政策、法规和各项规章制度,施工现场安全管理规定。
3、组织并监督施工过程中安全技术交底和和专项施工方案的执行情况。
4、领导和组织施工现场定期的安全生产检查,发现施工生产中存在的不安全问题,要定时、定人、定措施予以解决。
5、承担安全文明目标及目标的实现。
1)月轻伤频率控制在 1 ‰以下,坚决遏制直接经济损失在10万元及以上责任事故;2)无火灾事故,无重大机械事故;3)安全教育覆盖面100%;4)特殊工种持证上岗率100%;5)确保“省级安全文明示范工地”。
6、经常检查进场作业人员劳保防护用品的正确使用,对违章违纪行为给予制止、批评、教育和处罚。
7、杜绝违章指挥和冒险作业行为发生。
8、对负责的工作范围加强文明施工,指导班组文明施工,做到工完料净场地清。
9、对施工现场不论发生大小安全事故,及时抢救伤员,保护现场,逐级上报,制定防范措施,吸取事故教训。
10、具体安全文明责任目标分解及考核内容见考核记录表。
二、考核评分方法:1、考核实行月考核,由项目经理对各部门进行考核。
2、考核评分满分为100分,评定为优良、合格、不合格三个等级。
90分以上为优良,80分以上(含80分)为合格,不满80分为不合格。
项目技术部长安全生产责任制考核记录项目经理安全生产责任制考核记录项目安全负责人安全生产责任制考核记录**工程EPC项目部项目管理人员安全生产责任制考核记录汇总表单位名称:**建筑公司工程名称:**工程项目部考核日期:2024年4月。
项目部安全目标管理责任考核表DOC背景在建设工程中,安全问题一直是比较重要的问题之一,因此在项目部内部便设置了安全目标管理责任考核表以确保项目能够有序、安全的进行。
目的本文主要介绍项目部安全目标管理责任考核表的制定目的以及考核表的具体内容,以期能够帮助读者更好地了解该考核表的作用,为项目部建设提供有力保障。
考核表内容目标考核内容1.安全“三率”考核。
安全“三率”包括事故发生率、安全质量合格率、安全科技应用率,其中事故发生率要求为0,安全质量合格率以100%为目标,安全科技应用率要求不低于80%;2.安全文明施工考核。
要求严格执行各项安全及文明施工措施,工人出入工地必须全程佩戴安全帽,表现良好者奖励,不达标者要进行批评教育;3.安全问题处理考核。
发现安全问题,要及时整改,整改情况需及时上报。
考核标准1.事故发生率:根据实际工程项目情况进行制定;2.安全质量合格率:所有工程项目的安全质量合格率为100%;3.安全科技应用率:不低于80%;4.安全文明施工:现场无违规行为;5.安全问题处理:问题及时上报、整改及时有效。
考核形式考核表采用月度考核的方式进行,每月进行一次考核。
结合各考核内容之间的重要程度,按照不同的权重设置得分。
总分为100分,每项得分如下:1.安全“三率”考核,占总分20分;2.安全文明施工考核,占总分40分;3.安全问题处理考核,占总分40分。
考核结果计算原则:在100分的总分内,每项得分累加,达到满分即为100分。
考核结果由项目部负责人汇总,对达到“合格”及以上的项目进行表扬,同时对未达到“合格”标准的项目进行督促整改。
通过本文的介绍,我们可以了解到项目部安全目标管理责任考核表的具体内容与考核标准,并了解其作用。
希望本文可以帮助读者更好地了解该考核表的作用,为工程项目的安全建设提供帮助。
项目部施工安全管理责任目标分解考核表(一)
项目名称:被考核人签名:
考核负责人:年月日
项目部施工安全管理责任目标分解考核表(二)
考核负责人:年月日
项目部施工安全管理责任目标分解考核表(三)
项目名称:被考核人签名:
考核负责人:年月日
项目部施工安全管理责任目标分解考核表(四)
项目名称:被考核人签名:
考核负责人:年月日
项目部施工安全管理责任目标分解考核表(五)
项目名称:被考核人签名:
项目部施工安全管理责任目标分解考核表(六)项目名称:被考核人签名:
项目部施工安全管理责任目标分解考核表(七)
项目名称:被考核人签名:
考核负责人:年月日
项目部施工安全管理责任目标分解考核表(八)
项目名称:被考核人签名:
考核负责人:年月日
项目部施工安全管理责任目标分解考核表(九)
项目名称:被考核人签名:
考核负责人:年月日
项目部施工安全管理责任目标分解考核表(十)
项目名称:被考核人签名:
考核负责人:年月日
项目部施工安全管理责任目标分解考核表(十一)
项目名称:被考核人签名:。
安全责任制及目标考核表企业安全生产责任制是各项规章制度的核心,严格考核是执行安全生产责任制的关键。
为了确保安全生产落实到位,特制定项目安全生产责任考核办法。
一、考核目的考核项目管理人员安全生产责任制的执行情况,督促项目安全生产责任制的贯彻落实,激励项目安全管理机制的正常运行。
二、考核对象项目各级管理人员,包括项目经理、技术负责人、工长、安全员、质检员、材料员、班组长等。
三、考核办法1、采取评定表打分办法,应得分为100分,依据考核项目的完成情况和评分标准打分。
实得80分及以上者为优良,70-80分为合格,70分以下为不合格。
2、考核时间:基础验收、主体中检、装饰完成50%分别进行一次考核。
3、由项目经理对项目所属管理人员进行考核。
四、奖惩办法1、对实得分80分及以上达优良标准者,给予100元奖励,并在年终兑现。
2、对实得分70分及以下的管理人员视其情况轻重,给予罚款100元,并在年终兑现。
考核项目包括贯彻安全上级有关的安全生产规程、规定、制度,项目安全技术审查与贯彻月安全制度落实,安全专业会议,职工三级教育,隐患整改等方面。
考核结果应得分为100分,考核人应提出处理意见。
1.未能制定安全技术措施,扣10分;未经常监督检查,扣5分;未组织落实安全技术措施,扣5分。
2.未定期组织召开项目例会,扣5分;未能杜绝违章指挥现象,扣10分。
3.未向班组(分包方)进行施工交底,扣5分;未对班组(分包方)施工过程监控,扣5分。
4.未组织对项目安全防护设施、机械设备验收,扣5分;未能理顺和协调总包与分包及各班组之间的关系,扣5分。
5.从技术和管理上未采取措施,使施工过程安全生产、文明施工处于失控状态,扣15分;未组织对项目进行定期和不定期检查,扣5分;未对施工安全状况进行持续的整改和完善,扣10分;未对存在的安全隐患及时组织整改和验证措施,扣5分;未组织人员对其进行复查验证,扣5分。
6.未组织对作业人员安全教育,提高自我保护意识和防范事故的能力,扣10分;处理一般工伤事故,并协助处理重大工伤、机械事故,处理事故时未遵守“四7事故管理不放过”原则,扣10分;未采取有效整改措施,防止类似事故重复发生,扣10分。
项目安全生产管理目标考核表范本一、目标设定1. 确定项目安全生产总目标;2. 制定安全生产计划;3. 确定安全生产的重点任务;4. 细化安全生产目标,并确定具体指标。
二、安全责任1. 项目负责人牢固树立安全第一的思想,全面负责项目的安全工作;2. 部门负责人明确安全目标和责任,制定安全工作计划,并落实到位;3. 员工明确自己在安全方面的责任,积极参与安全工作。
三、安全教育培训1. 制定安全教育培训计划,确保全员接受必要的安全知识培训;2. 定期组织安全培训,提升员工的安全防范意识和应急处理能力;3. 举办安全知识竞赛,鼓励员工深入学习安全知识。
四、安全检查与隐患排查1. 制定安全检查计划,并按计划组织实施;2. 开展定期的安全检查,对存在的安全隐患及时进行整改;3. 加强隐患排查力度,确保安全问题得到及时解决。
五、事故预防和应急救援1. 制定应急预案,明确安全事故的应急处理措施;2. 定期组织应急演练,提高应急处理的应变能力;3. 配备必要的应急救援设备和器材,确保在紧急情况下能够及时救援。
六、安全技术防控1. 加强对工作场所的安全监控,确保各项安全规定得到落实;2. 安装必要的安全警示标志和安全设施,提醒员工注意安全;3. 定期进行安全设备的维护和检修,确保其正常运行。
七、安全文明施工1. 严格遵守安全施工规定,确保施工过程中不发生事故;2. 提倡文明施工,强调工作环境的整洁与卫生;3. 增强项目文明意识,营造良好的安全文化氛围。
八、安全奖惩制度1. 建立合理的安全奖励制度,激励员工积极参与安全工作;2. 对安全责任不落实、安全违章行为等进行严肃的处理;3. 公开安全奖惩内容,提高员工对安全的重视程度。
九、安全工作评估和改进1. 对安全工作进行定期评估,及时发现存在的问题并进行改进;2. 定期召开安全工作会议,总结经验,及时调整安全工作策略;3. 根据评估结果和改进措施,不断提升安全工作水平。
项目安全生产管理目标考核表模版一、背景介绍随着社会的发展和技术的进步,项目安全生产管理成为保障项目顺利进行的重要保障措施。
为了有效衡量项目安全生产的管理水平,并推动安全管理工作的规范实施,制定了以下项目安全生产管理目标考核表。
二、目标考核指标1. 安全规划与组织目标- 完善安全规划和组织管理制度,做到项目安全工作的全覆盖。
- 对项目进行安全评估,并制定相应的项目安全措施和应急预案。
- 建立完善项目安全管理组织机构,明确职责和权限。
2. 安全生产工作目标- 确保项目从开工到竣工的所有施工过程中没有任何重大安全事故。
- 实施标准化安全管理,并定期开展安全生产培训和演练。
- 加强对施工现场的安全监管,确保施工设备和工艺的安全运行。
3. 安全设施与防护目标- 合理布置和设置施工区域的安全设施,确保施工人员的人身安全。
- 确保施工现场的安全防护措施符合国家和行业标准要求。
- 开展定期的安全设施检查和隐患排查,及时消除安全隐患。
4. 安全责任与宣传教育目标- 确定项目参建单位和责任人的安全责任,明确违规行为的处理措施。
- 加强安全宣传教育,提高参建人员的安全意识和风险防范能力。
- 定期组织安全会议、安全讲座等活动,加强对安全管理的宣导。
5. 安全监测与评估目标- 建立项目安全监测和评估体系,及时获取安全数据和隐患信息。
- 开展定期的安全检查和评估,及时发现和处理各类安全问题。
- 建立安全事故统计和教训总结机制,推动安全管理的不断改进。
三、目标考核流程1. 目标设定:制定具体可衡量的安全管理目标指标。
2. 数据收集与统计:收集项目安全管理的相关数据,并进行统计分析。
3. 目标评估与比较:将实际数据与预设的目标进行比较评估,形成考核结果。
4. 结果通报与改进:根据考核结果,及时通报各相关单位,并进行改进措施的制定与实施。
5. 考核总结与反馈:定期进行考核总结,对考核流程和目标指标进行优化和完善。
四、目标考核结果分级根据项目安全生产管理的考核结果,将考核分为以下几个等级:1. A级:达到或超过预设的目标指标,安全管理水平较高。
各级管理人员安全责任制考核办法安全生产责任制是企业安全生产各项规章制度的核心,严格考核是执行安全生产责任制的关键。
为了更好的贯彻执行“安全第一,预防为主”的安全生产方针,加强激励机制,调动广大员工的安全生产积极性,提高安全生产意识和安全生产责任感,促进项目部的施工安全管理,确保项目经理部安全生产管理目标的实现,达到责任明确,责任落实到人,考核到人,确保安全生产责任制落到实处,特制定项目部安全生产责任考核办法。
一、考核目的由项目经理对项目经理部各级管理人员的安全责任制进行考核,考核内容包括:项目部伤亡的控制指标、施工现场安全达标目标、文明施工目标及项目部各级管理人员的安全生产责任制执行情况。
三、考核对象项目部各级管理人员,即项目经理、项目副经理、技术负责人、项目工长、安全员、质检员、班组长、材料员、工人、设备员、预算员、施工员、资料员、取样员等人员。
二、考核办法1、公司对安全责任制实行逐级考核制度,公司接受上级考核,项目经接受公司考核,项目经理负责对本项目部管理人员进行考核,考核结果作为个人评选先进、个人立功,个人奖惩的重要依据之一。
2、采用评定表打分办法,应得分为100分,依据考核项目的完成情况和评分标准对项目部各管理人员进行打分;得分70分以下评为不合格,得分70分(含70分)至84分为合格,得分85分及以上评为优良等级。
3、项目经理部每季度对项目部各管理人员进行一次安全责任制的考核。
三、奖惩1、对考核成绩为优良等级的,项目部对其每次奖励人民币200元;考核成绩为合格的不奖不罚;对考核成绩不合格的罚款人民200元,如果连续三次安全责任制考核都达不到合格等级的项目管理人员,除经济处罚外还将对其实行下岗处理的措施。
2、安全生产责任制的考核奖惩均在考核月的工资中兑现。
广西城建建设集团2021年5月10日项目管理人员安全生产责任制考核记录汇总表工程名称:考核日期:年月日项目经理安全生产责任制考核记录工程名称:考核日期:年月日项目工长安全生产责任制考核记录工程名称:考核日期:年月日项目安全员安全生产责任制考核记录工程名称:考核日期:年月日项目质检员安全生产责任制考核记录工程名称:考核日期:年月日项目材料员安全生产责任制考核记录工程名称:考核日期:年月日项目班组长安全生产责任制考核记录工程名称:考核日期:年月日项目技术(员)负责人安全生产责任制考核记录工程名称:考核日期:年月日项目副经理安全生产责任制考核记录工程名称:考核日期:年月日项目机械管理员安全生产责任制考核记录工程名称:考核日期:年月日项目部安全生产责任制考核规定建立和健全以安全生产责任制为中心的各项安全管理制度,是保障安全生产的重要组织手段。
项目部管理人员安全责任目标考核制度单位:四川中成煤炭建设集团有限责任公司管理人员安全责任目标考核制度按照项目部安全管理目标书,为实现安全管理责任目标,将安全责任目标分解到各施工管理人员,各施工班组,使项目部各施工管理人员、各班组共同为安全责任目标的实现而努力,各司其职,各负其责,特对项目部管理人员实行定期考核。
一.考核对象:项目技术负责人、项目施工员、项目安全员、项目材料员、项目质量员、泥工班长、砼工班长、木工班长、钢筋工班长、其他班长(根据实际情况定)。
二.考核人:项目经理三.考核期:每月四.考核形式:采用考核表评分形式五.考核评价:考核分值满分为100分,考核得分值在85分及以上为优良,考核得分值在70分及其以上者为合格,考核得分值在70分以下的为不合格。
六.考核奖罚:根据项目部制定的奖罚制度适时给以奖罚兑现。
项目经理安全目标管理责任考核表注:1、每个月进行安全目标管理责任考核。
2、考核分在90分(含90分)以上为优;考核分在80分(含80分)以上为良;考核分在75分(含75分)以上为合格;考核分在75分以下为不合格。
考核人:公司主管部门考核对象:项目经理年月日年月日注:1、每个月进行安全目标管理责任考核。
2、考核分在90分(含90分)以上为优;考核分在80分(含80分)以上为良;考核分在75分(含75分)以上为合格;考核分在75分以下为不合格。
考核人:公司主管部门考核对象:项目副经理年月日年月日注:1、每个月进行安全目标管理责任考核。
2、考核分在90分(含90分)以上为优;考核分在80分(含80分)以上为良;考核分在75分(含75分)以上为合格;考核分在75分以下为不合格。
考核人:公司主管部门考核对象:工程师年月日年月日注:1、每个月进行安全目标管理责任考核。
2、考核分在90分(含90分)以上为优;考核分在80分(含80分)以上为良;考核分在75分(含75分)以上为合格;考核分在75分以下为不合格。
项目名称:考核时间:年月日序号姓名职务考核结果奖惩备注1 与奖金分配挂钩2 与奖金分配挂钩3 与奖金分配挂钩4 与奖金分配挂钩5 与奖金分配挂钩6 与奖金分配挂钩7 与奖金分配挂钩8 与奖金分配挂钩9 与奖金分配挂钩10 与奖金分配挂钩11 与奖金分配挂钩12 与奖金分配挂钩13 与奖金分配挂钩14 与奖金分配挂钩15 与奖金分配挂钩16171819按照项目部安全管理目标书,为实现安全管理责任目标,将安全责任目标分解到各施工管理人员、各施工班组,使项目部各施工管理人员、各班组共同为安全责任目标的实现而努力,各司其职,各负其责,特对项目部管理人员实行定期考核。
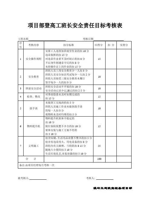
一、考核对象:项目经理、项目副经理、项目技术负责人、财务主管、项目施工员、项目安全员、项目材料员、质检员、泥工班长、电工班长、砼工班长、水工班长、钢筋工班长、登高工班长、电焊工班长。
二、考核人:公司(分公司)安全部门负责考核项目经理、项目经理考核各管理人员。
三、考核时间:每月。
四、考核形式:采用考核表评分形式。
五、考核评价:考核分值满分为100 分,考核得分值在85 分及以上为优良,考核得分值在70 分及其以上为合格,考核得分值在70 分以下的不合格。
六、考核奖罚:根据项目部制定的奖罚制度适时给以奖罚兑现。
太原滨河国际项目部(盖章)年月日项目经理安全责任目标考核表工程名称_太原滨河国际项目部__ 考核日期__________________序号考核内容1 安全责任制2 安全管理3 安全技术措施4 安全检查5 安全验收6 施工组织设计7 安全教育8 文明施工9 伤亡事故考核结果扣分标准未建立岗位责任制考核制度扣 3 分;未按考核制度定期对管理人员考核的扣 5 分;各级管理人员安全管理目标未分解的扣 3 分;项目部无安全管理组织机构的扣 4 分。
安全防护设施未及时到位的扣3 分;安全防护用品未及时到位的扣 2 分;注重生产、忽视安全管理工作的扣5 分。
项目管理人员安全责任目标考核记录汇总表项目副经理安全责任目标考核记录项目名称:姓名:考核时间:年月日项目主管工程师安全责任目标考核记录项目名称:姓名:考核时间:年月日项目书记或工会主席安全责任目标考核记录项目名称:姓名:考核时间:年月日项目主管会计师安全责任目标考核记录项目名称:姓名:考核时间:年月日项目安全员安全责任目标考核记录项目名称:姓名:考核时间:年月日项目土建工长安全责任目标考核记录项目名称:姓名:考核时间:年月日项目机械工长安全责任目标考核记录项目名称:姓名:考核时间:年月日项目电工工长安全责任目标考核记录项目名称:姓名:考核时间:年月日项目水暖工长安全责任目标考核记录项目名称:姓名:考核时间:年月日项目材料组长安全责任目标考核记录项目名称:姓名:考核时间:年月日项目劳资员安全责任目标考核记录项目名称:姓名:考核时间:年月日项目保卫干事安全责任目标考核记录项目名称:姓名:考核时间:年月日项目后勤管理员安全责任目标考核记录项目名称:姓名:考核时间:年月日用品用具管理工作要求,对生活办公用品用具进行管理。
扣25分2环境绿化未对项目部生活、办公区、施工现场环境进行绿化、美化,不断改善职工工作生活环境。
扣25分253饮食卫生未搞好饮食卫生、严防食物中毒,保障防暑降温用品及时发放,严防中暑。
扣25分254职工宿舍卫生管理未加强职工宿舍卫生、炉具和取暖设备的管理,及时检查,严防煤气中毒。
扣25分25考核项目合计100考核结果优良处理意见分数与奖金挂钩被考核人签字考核人签字。
项目部管理人员安全责任目标考核表
(1)项目技术负责人安全责任目标考核表
施工单位:广泰建设集团有限公司
施工单位:广泰建设集团有限公司
施工单位:广泰建设集团有限公司
施工单位:广泰建设集团有限公司
(5)项目质量员安全责任目标考核表
施工单位:广泰建设集团有限公司
项目部管理人员安全生产责任制考表
(1)项目经理安全生产责任制考核表
施工单位:广泰建设集团有限公司
(2)项目技术负责人安全生产责任制考核表
施工单位:广泰建设集团有限公司
(3)项目施工员安全生产责任制考核表
施工单位:广泰建设集团有限公司
(4)项目安全员安全生产责任制考核表
施工单位:广泰建设集团有限公司
(5)项目材料员安全生产责任制考核表
施工单位:广泰建设集团有限公司
班组长安全生产责任制考核表
施工单位:广泰建设集团有限公司。