首钢供冷轧用热轧酸洗钢带供货技术条件
- 格式:doc
- 大小:54.50 KB
- 文档页数:3
ICS77.140.50H 46 DB13 河北省地方标准DB13/T 1318—2017代替DB13/T 1318-2010 热轧酸洗钢板和钢带通用技术要求2017-03-29发布2017-06-01实施前言本标准按照GB/T 1.1-2009给出的规则起草。
本标准代替DB13/T 1318-2010《热轧酸洗钢板和钢带》。
本标准与DB13/T 1318-2010相比,主要技术变化如下:——标准名称更改为《热轧酸洗钢板和钢带通用技术要求》;——取消了330CL、380CL、440CL、490CL、540CL、590CL牌号;——增加了SPHF牌号;——对不切头尾的钢带,修改了检查尺寸时两端不考核的总长度;——修改了表面质量描述;——取消了“对于酸洗处理过程中未经拉矫和平整的钢板和钢带,性能可采用热轧基板的性能”规定。
本标准由邯郸市质量技术监督局提出。
本标准起草单位:邯郸钢铁集团有限责任公司。
本标准主要起草人:李玉谦、郭荣秀、张占杰、许用会。
本标准所代替标准的历次版本发布情况为:——DB13/T 1318-2010。
热轧酸洗钢板和钢带通用技术要求1 范围本标准规定了热轧酸洗钢板和钢带的分类、牌号、尺寸、外形、重量及允许偏差、技术要求、试验方法、检验规则、包装、标志和质量证明书等。
本标准适用于经过酸洗处理的热轧钢板和钢带。
2 规范性引用文件下列文件对于本文件的应用是必不可少的。
凡是注日期的引用文件,仅注日期的版本适用于本文件。
凡是不注日期的引用文件,其最新版本(包括所有的修改单)适用于本文件。
GB/T 222 钢的成品化学成分允许偏差GB/T 247 钢板和钢带包装、标志及质量证明书的一般规定GB/T 8170 数值修约规则与极限数值的表示和判定GB/T 17505 钢及钢产品的一般交货技术要求JIS G 3101 普通结构用轧制钢材JIS G 3113 汽车结构用热轧钢板和钢带JIS G 3131 热轧低碳钢板和钢带3 分类和牌号3.1 热轧酸洗钢板和钢带的分类和牌号延用基板的分类和牌号。
冷轧用热连轧SPHC钢带技术协议供应方:(以下简称供方)采购方:(以下简称购方)由供方提供给购方的冷轧用热连轧钢带SPHC,适用于购方生产罩式炉退火的冷轧冲压薄板产品。
相关要求如下:1、尺寸、外形、重量及允许偏差1.1 钢带尺寸厚度:2.0mm~5.5mm宽度:800mm~1380mm钢带卷内径:762mm钢带卷外径:≤2100mm 钢卷单位重量: 18~20Kg/mm1.2 尺寸允许偏差1.2.1 带钢厚差应符合GB/T709-2006相关规定。
1.2.2 钢带宽度允许偏差范围0~+15mm,钢带纵向宽度偏差小于3mm。
1.2.3 钢带的凸度值范围0.03~0.070mm。
1.2.4 钢带的楔形必须小于0.05 mm。
1.2.5 钢带的楔形必须小于凸度值。
1.2.6钢带的局部高点必须小于0.015mm。
1.2.7钢带的厚度应该负公差交货。
1.3 外形1.3.1 钢卷的塔形高度应小于30mm。
1.3.2 钢带侧边的镰刀弯在2m内不应大于5mm。
1.3.3 热轧钢卷不得有凸棱(起筋、边部隆起)缺陷。
2 、技术要求2.1 钢的牌号及化学成分和性能应符合以下要求:。
供冷轧罩式退火用热轧SPHC原料化学成分(%)C Si Mn P S Als≤0.045 ≤0.015 ≤0.2 ≤0.020 ≤0.015 0.03~0.060冷轧罩退后性能目标要求如下:屈服强度Y.S(MPa)抗拉强度T.S(MPa)伸长EL%(80标距)≤200 ≤335 ≥392.2钢带热轧状态交货,精轧终轧温度(FT7)870±20℃,终轧卷取温度(CT)580±20℃(目标580-600℃),目标晶粒度6~8级,适合于冷轧罩式退火。
2.3热轧钢带应保证表面硬度(横向与纵向)的一致性,冷轧后带钢边部不允许有亮印等缺陷。
2.4 表面质量2.4.1 钢带表面不应有气泡、结疤、折叠、裂纹、夹杂和压入氧化铁皮等对使用有害的缺陷,不允许有分层。
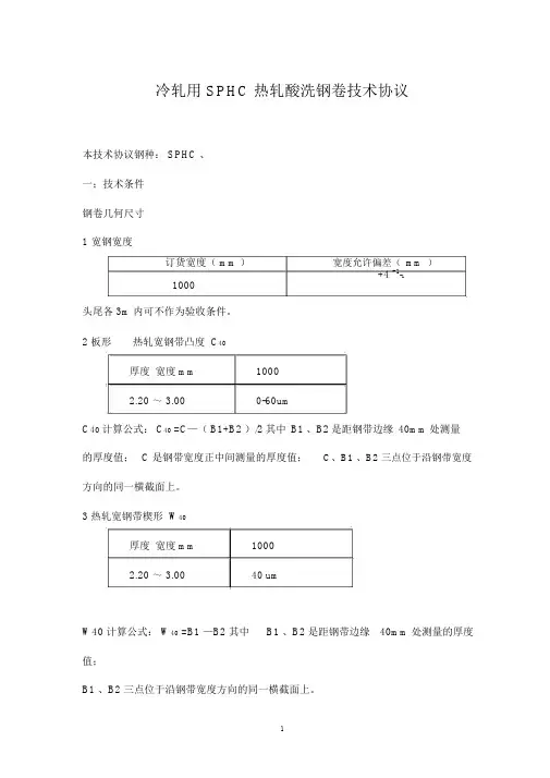
冷轧用 SPHC 热轧酸洗钢卷技术协议本技术协议钢种: SPHC 、一;技术条件钢卷几何尺寸1宽钢宽度订货宽度( mm )宽度允许偏差(mm)+4 +1-11000头尾各 3m 内可不作为验收条件。
2 板形热轧宽钢带凸度 C40厚度宽度 mm10002.20 ~3.000-60umC40 计算公式:C40=C—(B1+B2)/2其中B1、B2是距钢带边缘40mm处测量的厚度值; C 是钢带宽度正中间测量的厚度值;C、B1 、B2 三点位于沿钢带宽度方向的同一横截面上。
3 热轧宽钢带楔形 W40厚度宽度 mm10002.20 ~3.0040 umW40 计算公式: W40 =B1 —B2 其中B1 、B2 是距钢带边缘40mm 处测量的厚度值;B1 、B2 三点位于沿钢带宽度方向的同一横截面上。
4 卷外形( 1)镰刀弯热轧宽钢带的镰刀弯每米不得大于2mm 。
( 2)塔形公称宽度1000 mm塔形最大允许高度 1.5mm( 3)钢卷直径钢卷外径1850±30mm,内径610±10mm5化学成分供方按下表化学成分(熔炼分析)填写材质证明。
元素, %牌号C Si Mn P S AlS NSPHC ≤0.06≤0.020.10 ~≤0.015≤0.0150.015 ~—0.250.05备注: SPHC 必须经 RH 真空处理产品分析与上表规定的化学成分允许偏差应符合JISG3131 的规定6 力学性能牌号抗拉强度伸长率%拉力试样N/mm22.2-3.0 ㎜b=25 ㎜ L0 =50SPHC≥270≥38㎜7表面质量热轧酸洗宽钢带表面不得有气泡、结疤、裂纹、折叠、夹杂和压入的氧化铁皮。
钢带不得有分层。
不得有过酸洗、欠酸洗。
热轧酸洗宽钢带表面允许有不妨碍检查表面缺陷的薄层氧化铁皮、铁锈,由于压入氧化铁皮脱落所引起的不显著的粗糙、划痕,轧辊造成的网纹及其他局部缺陷,但凹凸度不得超过钢带厚度公差之半,并应保证不超过允许的最小厚度。
首钢1850冷轧线酸洗工艺1. 引言冷轧是钢材加工过程中的重要工艺之一,能够使钢材变薄、变窄、提高表面质量,并增加机械性能。
然而,在冷轧过程中,钢材表面常常会形成一层氧化皮和其他杂质,这会影响产品质量,降低其应用价值。
因此,冷轧后需要进行酸洗处理,以去除这些杂质。
本文将介绍首钢1850冷轧线的酸洗工艺,包括工艺流程、主要设备和操作要点等方面的内容。
2. 工艺流程首钢1850冷轧线酸洗工艺的主要流程包括预处理、酸洗和后处理。
2.1 预处理在进入酸洗环节之前,首先需要进行预处理。
预处理的目的是去除表面油污和氧化皮,以减少酸洗液的消耗和延长酸洗槽的使用寿命。
预处理工序主要有以下几个步骤:1.布料:将冷轧钢卷送入预处理设备,经过传动装置将钢卷送入预处理槽中。
2.水洗:使用清水对钢卷进行冲洗,去除表面的油污。
3.预酸洗:使用酸性溶液对钢卷进行浸泡处理,去除氧化皮。
2.2 酸洗酸洗环节是首钢1850冷轧线工艺中的核心环节,其主要目的是去除钢材表面的氧化皮和其他杂质。
酸洗工序主要步骤如下:1.酸洗槽:将预处理后的钢卷送入酸洗槽中,保证钢卷表面充分接触酸洗溶液。
2.洗涤:在酸洗槽中,通过机械搅拌和水流冲洗,将钢材表面的氧化皮和杂质溶解和冲刷掉。
3.酸洗液处理:酸洗槽中的酸洗液会逐渐被消耗和污染,需要定期进行处理,以维持酸洗液的使用寿命。
2.3 后处理在酸洗后,钢材表面可能残留有一定量的酸洗液,需要进行后处理工序。
后处理工序主要包括以下几个步骤:1.水洗:对酸洗后的钢材进行水洗,以去除残留的酸洗液和杂质。
2.除锈处理:使用除锈剂对钢材表面进行处理,去除可能残留的氧化物。
3.酸洗槽清洗:对酸洗槽进行清洗,将其中的酸洗液和杂质清除。
3. 主要设备首钢1850冷轧线酸洗工艺所需的主要设备包括预处理设备、酸洗槽、洗涤设备、酸洗液处理设备和后处理设备等。
•预处理设备:用于对冷轧钢卷进行表面油污和氧化皮预处理,包括布料装置和冲洗设备等。
(本钢)BX488-2021热轧酸洗钢板及钢带技术条件BX 本钢板材股份有限公司新产品供货技术条件BX488―2021热轧酸洗钢板及钢带2021-01-06 发布 2021-01-07 实施本钢板材股份有限公司发布本钢板材股份有限公司新产品供货技术条件热轧酸洗钢板及钢带BX488-20211 范围本技术条件规定了热轧酸洗钢板及钢带的尺寸、外形、重量及允许偏差、技术要求、检验和试验、包装、标志和质量证明书等。
本技术条件适用于本钢板材股份有限公司生产的热轧酸洗钢板及钢带。
2 规范性引用文件下列文件中的条款通过本技术条件的引用而成为本技术条件的条款。
GB/T222 钢的化学分析用试样的取样法及成品化学成分允许偏差 GB/T223 钢铁及合金化学分析方法 GB/T228 金属材料室温拉伸试验方法 GB/T232 金属材料弯曲试验方法GB/T2975 钢及钢产品力学性能试验取样位置及试样制备GB/T4336 碳素钢和中低合金钢的火花源原子发射光谱分析方法(常规法)GB/T20216 钢和铁化学成分测定用试样的取样和制样方法 YB/T081 冶金技术标准的数值修约与检测数值的判定原则 Q/BB108 热轧钢板及钢带的尺寸、外形、重量及允许偏差Q/BB116 热轧钢板及钢带的包装、标志和质量证明书的一般规定 GB/T17505 钢及钢产品一般交货技术要求GB/T20215 低合金钢多元素含量的测定电感耦合等离子体原子发射光谱法 3 分类及牌号3.1 钢板及钢带的牌号、公称厚度、用途如表1~表4所示。
3.2 表面处理方式为酸洗表面。
3.3 表面质量级别为合格品。
表1 冲压用钢牌号、公称厚度及用途牌号 SPHC SPHD SPHE SPHF DD11 DD12 DD13 DD14 HR1 HR2 HR3 1.2~6.0 公称厚度 /mm 用途一般用钢冲压用钢深冲压用钢一般用钢冲压用钢深冲压用钢一般用钢冲压用钢深冲压用钢本钢板材股份有限公司2021- 01-06批准 2021- 01- 07实施1BX488-2021表2 汽车结构用钢牌号、公称厚度及用途牌号 SAPH310 SAPH370 SAPH400 SAPH440 QStE340TM QStE380TM QStE420TM QStE460TM QStE500TM BG330CL BG380CL BG420CLBG490CL BG320L BG440L BG510L BG550L BG440QZR BG480QZR BG450QK表3 高强度结构用钢牌号、公称厚度及用途牌号 S315MC S355MC S420MC S460MC S500MC S550MC S600MC S650MC表4 普通结构用钢牌号、公称厚度及用途牌号 SS330~SS540 Q195 Q215AQ215B Q235A~Q235D Q275A~Q275D Q345A~Q345E2公称厚度 /mm 用途用于要求成型加工性能的汽车结构架、车轮等汽车结构件用于要求良好的冷成型性能并有较高或高强度要求的汽车大梁等结构件 1.2~6.0 具有良好的冷成型性能,用于制造汽车滚型车轮轮辐及轮辋供制造汽车大梁、横梁用供制造汽车传动轴管用供制造汽车桥壳用公称厚度 /mm 用途 1.2~6.0 冷成型用高强度结构件公称厚度 /mm 用途 1.2~6.0 用于建筑、桥梁、船舶、车辆等一般结构件。
首钢酸洗sphc标准首钢酸洗SPHC标准。
首钢酸洗SPHC标准是指在酸洗生产过程中,对SPHC钢板进行酸洗处理的相关标准规定。
SPHC钢板是一种常用的热轧钢板材料,具有良好的延展性和焊接性能,广泛应用于汽车制造、家电制造、建筑结构等领域。
酸洗是对SPHC钢板表面进行腐蚀去除氧化铁皮和其他杂质的过程,以提高钢板表面质量和涂层附着力。
首钢酸洗SPHC标准的制定和执行,对保障产品质量、提高生产效率具有重要意义。
首先,首钢酸洗SPHC标准明确了酸洗工艺参数。
在酸洗过程中,温度、酸液浓度、酸洗时间等工艺参数的控制对于保证酸洗效果至关重要。
标准规定了各项工艺参数的合理范围和要求,确保了酸洗过程的稳定性和可控性。
通过严格执行标准中的工艺参数要求,可以有效地提高酸洗效率,降低生产成本,同时保证了产品质量的稳定性。
其次,首钢酸洗SPHC标准对酸洗设备和设施提出了要求。
酸洗设备的运行状态直接影响到酸洗效果和生产安全,因此标准规定了设备的维护保养、操作规程、安全防护等方面的要求。
通过对设备和设施的规范管理,可以有效地预防事故的发生,保障生产安全,同时延长设备的使用寿命,提高设备的利用率。
另外,首钢酸洗SPHC标准还对酸洗废液处理和环保要求进行了规定。
酸洗过程中会产生大量的酸洗废液,其中含有大量的酸性物质和重金属离子,如果直接排放会对环境造成严重污染。
因此标准要求对酸洗废液进行有效处理,达到国家相关的排放标准,保护环境,实现可持续发展。
总的来说,首钢酸洗SPHC标准的制定和执行,对于提高酸洗生产的质量和效率具有重要意义。
通过严格执行标准,可以保证产品质量稳定,生产过程安全,同时降低生产成本,提高资源利用率,实现经济效益和社会效益的双重目标。
希望相关企业和生产单位能够严格遵守首钢酸洗SPHC标准,不断提升自身的生产管理水平,为行业发展做出积极贡献。
首钢京唐公司彩涂板事业部酸洗作业区作业指导书文件编号:CTBSCJSS004—2015版号:1修订:0编制:尹文亚日期:2015年5月5日审核:万黎明日期:2015年5月5日批准:冷艳红日期:2015年5月6日发放编号:2015年5月6日实施一、原料接收及检查1.核对热轧原料的各项基本信息(卷号、牌号、规格、重量)与下达的生产计划是否一致。
2.检查热轧卷的质量,测量热轧卷内径及宽度,发现问题及时反馈给当班入口主操,入口主操根据《彩涂板事业部内部缺陷钢卷封闭和揭封管理办法》进行处理。
二、入口段1.入口主操要仔细察看排产的热轧卷信息,如材质、规格、屈服强度等,遇到特殊材质(除普碳钢外)、薄规格(≤2。
0mm)的原料要与出口取得联系,检查切边剪剪刃有无钝化或崩口的状况,确认输入钢卷数据,注意计划的切边宽度,防止剪切宽尺或窄尺.当测得原料卷实际宽度与计划宽度相差严重,如原料实际宽度与切边要求值之差小于12mm时要立即与出口主操取得联系,得到允许后方可上线。
2。
入口辅操要跟踪每卷的带头带尾情况,发现有折边、裂边、大镰刀弯等缺陷及时与出、入口主操取得联系,追踪缺陷直至将缺陷切除完毕.入口辅操上卷前要关注原料表面是否有异物和夹杂,有粘胶和原料夹杂等问题的原料卷未经同意不允许上线.3. 遇有带头不好的情况下,辅操要及时协助主操观察,防止带钢“扎头”损坏设备.4. 带头带尾状况良好时,头尾分别切1至2刀即可,每刀500mm。
对于外卖酸洗板带尾切10m.5. 调整带头时,原则上按照带厚≤2.8mm的,使用矫直辊2,4,6,8;带厚>2。
8mm的,使用6号和8号矫直辊。
操作中主操可根据实际情况适当调整.6. 切头切尾后,注意板头在传送带上的运输情况,防止板头卡在传送带的缝隙间,引起传送带掉电.7。
带头进入酸槽后,主操要观察各个挤干辊的扭矩和速度,发现扭矩过大和速度过小要及时将带钢倒回,防止大量堆钢损坏设备。
特别是在生产2。
首钢供冷轧用热轧酸洗钢带供货技术条件
1 范围
本供货技术条件适用于首钢迁钢公司生产的供冷轧用SPHCCR-P热轧酸洗钢带。
本供货技术条件规定了冷轧用热轧酸洗钢带的尺寸、外形、重量及允许偏差、技术要求、检验和试验、包装、标志和质量证明书等内容。
2 规范性引用文件
下列文件对于本文件的应用是必不可少的。
凡是注日期的引用文件,仅所注日期的版本适用于本文件。
凡是不注日期的引用文件,其最新版本(包括所有的修改单)适用于本文件。
GB/T 222 钢的化学成分分析用试样取样方法及成品化学成分允许偏差
GB/T 228.1 金属材料拉伸试验第1部分:室温试验方法
GB/T 2975 钢及钢产品力学性能试验取样位置及试样制备
GB/T 4336 碳素钢和中低合金钢火花源原子发射光谱分析方法(常规法)
GB/T 20066 钢和铁化学成分测定用试样的取样和制样方法
Q/SGZGS 314 冷成型用低碳钢热连轧钢板和钢带
Q/SGZGS 297 热连轧钢板和钢带的外形、尺寸、重量及允许偏差
Q/SGZGS0322 冷轧钢板和钢带的包装、标志及质量证明书
3 订货内容
订货时,用户应提供下列信息:
a)本协议号;
b)订货牌号;
c)规格及尺寸精度(当未规定时,厚度偏差按较高精度供货);
d)涂油状态;
e)表面质量级别;
f)酸洗卷内径;
g)重量及单卷重。
4 尺寸、外形、重量及允许偏差
4.1 尺寸公差及板型要求,见表1。
编制:审核:批准:
日期:2014年2月14日日期:2013年月日日期:2013年月日
4.2 热轧酸洗卷内径约为610 mm或约为762mm。
客户可根据需求任选其一;外径
≤2100mm。
4.3 钢卷不允许有焊缝和接头。
塔形高度不得超过20mm。
4.4 钢带可以以毛边或切边状态交货。
钢带边缘不允许出现深度超过1.5mm的锯齿状边部裂纹、锯齿状锌粒、锋利飞边。
5 技术要求
5.1 牌号及化学成分
钢带的牌号及化学成分应符合表2的规定。
5.2 力学性能和工艺性能
钢带的力学性能,应符合表3的规定,在满足下述要求下可不进行检验。
5.3 表面处理方式
该牌号钢种热轧下线后不进行平整处理,若客户需要进行平整处理,则需进行加价。
酸洗表面的钢板及钢带,可以以涂油或不涂油状态交货。
不涂油的钢板在正常包装运输、搬运和贮存条件下,供方保证自生产完成之日起一周内不产生锈蚀,涂油钢板三个月内不产生锈蚀,所涂油膜应能用碱水溶液消除掉。
5.4 表面质量
表面粗糙度按Ra<2.0μm为目标控制。
带钢表面不可切除的缺陷如:辊印、划伤、裂纹、夹杂、结疤、折叠、麻点、过酸洗、欠酸洗、有手感屈服线等缺陷不得超过带钢全长的6%。
6 试验和检验规则
6.1 厚度测量应在距离纵边不少于20mm处,为保证测量精度,测量工具采用千分尺。
6.2 宽度测量:在垂直于钢带中心线的方位测量。
6. 3 钢带应成批验收。
每批由同一牌号、同一炉号、同一厚度规格、同一轧制制度的钢带组成。
7 包装、标志和质量证明书
7.1 热轧酸洗钢带的包装应执行Q/SGZGS0322的包装要求。
7.2 热轧酸洗钢带的标志和质量证明书执行Q/SGZGS0322的相关规定。
8 其他
8.1 供方对材料生产过程中进行成分调整或对生产工艺进行重大改动时,应提前与客户
沟通改动情况并进行验证后再批量生产;如未及时通知造成产品无法使用,责任由供方方承担,客户方有权无条件退货处理。
8.2 该协议中未尽事宜及不可预见问题,共需双方协商解决。