2 横向框架刚度计算
- 格式:doc
- 大小:138.00 KB
- 文档页数:2
引言作为四年大学里最后一个学习环节,毕业设计是至关重要的,起到了承前启后的作用,毕业设计是把在课堂学到的专业知识运用到工程实践上去,为即将踏上工作岗位以及进一步深造作好强实的基础。
和其他学习环节不同,毕业设计是在我们指导老师的指导下,独立系统地完成一项工程设计,解决与之相关的所有问题,熟悉相关设计规范、手册、标准图以及工程实践中常用的方法,具有实践性、综合性强的显著特点。
因而对培养我们的综合素质、增强工程意识和创新能力具有其他教学环节无法代替的重要作用。
本论文的内容是中国矿业大学南湖校区框架结构教学楼设计,侧重于结构计算,考虑结构的抗震设计,以此介绍框架结构体系的基本设计计算方法。
框架结构体系一般在教学楼和办公楼中被广泛应用,其特点是由梁、柱承受竖向和水平荷载,墙仅起维护作用,其整体性和抗震性均好于混合结构,且平面布置灵活,可提供较大的使用空间,也可构成丰富多变的立面造型。
需要时,可用隔断分隔成小房间,或拆除隔断改成大房间。
如果采用轻质隔墙和外墙,就可大大降低房屋自重,节省材料。
框架结构构件类型少,易于标准化、定型化;可以采用预制构件,也易于采用定型模板而做成现浇结构,有时还可以采用现浇柱及预制梁扳得半现浇半预制结构。
现浇结构的整体性好,抗震性能好,在地震区应优先采用。
在设计中,一方面要把所学的知识运用到设计、施工中去,熟悉国家有关规范、条例和规程并知道如何去查找规范里的相关条文;另一方面,由于现代化建筑一般都具有密度大,高度高,功能多,设备复杂,装修豪华,防火要求和管理自动化水平高,需要各工种交叉配合。
因此,通过这次毕业设计,扩大非本专业知识面也是十分重要的。
由于毕业设计是一种初步的尝试,涉及专业比较多,加上条件和水平所限,不可避免地存在疏漏与错误,敬请老师批评指正。
毕业设计(论文)原创性声明和使用授权说明原创性声明本人郑重承诺:所呈交的毕业设计(论文),是我个人在指导教师的指导下进行的研究工作及取得的成果。
框架刚度计算公式一、框架柱的线刚度(i)计算。
1. 等截面柱。
- 对于矩形截面柱,其线刚度计算公式为:i = (EI)/(h),其中E为柱材料的弹性模量(对于混凝土结构,不同强度等级的混凝土E值不同,例如C30混凝土E = 3.0×10^4N/mm^2),I为柱截面的惯性矩。
对于矩形截面b× h(b为截面宽度,h为截面高度),I=frac{bh^3}{12},h为柱的计算高度(柱上下节点中心之间的距离)。
- 对于圆形截面柱,I=frac{π d^4}{64}(d为圆形截面直径),线刚度i=(EI)/(h)。
2. 变截面柱。
- 当柱为变截面时,可采用等效惯性矩I_e来计算线刚度。
对于阶形柱,在计算柱顶位移等情况时,可根据不同的变截面形式和受力情况采用相应的等效方法计算I_e,然后再按照i=frac{EI_e}{h}计算线刚度。
二、框架梁的线刚度(i)计算。
1. 矩形截面梁。
- 同样采用i=(EI)/(l),其中E为梁材料的弹性模量(与柱材料相同时取值相同),I为梁截面的惯性矩。
对于矩形截面b× h(b为截面宽度,h为截面高度),I = frac{bh^3}{12},l为梁的计算跨度(一般取柱轴线之间的距离)。
2. T形、倒L形等截面梁。
- 对于T形截面,其惯性矩I的计算要考虑翼缘和腹板的共同作用。
对于翼缘宽度b_f、腹板宽度b、梁高h和翼缘厚度h_f的T形截面,其惯性矩I=(1)/(12)[b_fh^3-(b_f - b)(h - 2h_f)^3]。
然后再根据i=(EI)/(l)计算线刚度。
倒L形截面类似,根据其截面尺寸计算惯性矩后求线刚度。
三、框架整体刚度计算(以D值法为例)1. 柱的抗侧移刚度(D值)计算。
- 对于一般层柱:- 当框架结构为规则框架(各柱等高,梁的线刚度沿柱高度方向不变等情况)时,D=αfrac{12i_c}{h^2},其中α为柱的侧移刚度修正系数。
73 1XXXXX设计学生:指导老师:三峡大学XX学院摘要:本设计课题为。
Abstract:The project is the design of a express hotel.关键词:框架结构抗震等级内力分析荷载组合独立基础板式楼梯Keywords:frame structure前言毕业设计是大学本科教育培养目标实现的重要阶段,是毕业前的综合学习阶段,是深化、拓宽、综合教与学的重要过程,是对大学期间所学专业知识的全面总结。
本组毕业设计题目为。
1.建筑设计1.1工程概况本工程为该工程采用钢筋混凝土框架结构,抗震设防烈度为7度(0. 1g),设计地震分组为第一组,抗震等级为三级。
1.2地质资料工程重要性等级为三级,本地区属亚热带大陆行季风气候,1.3平面布置在平面布置中73 2 1.4立面布置1.5各种用房和交通联系的设计本工程工程重要性等级为三级,根据《旅馆建筑设计规范》1.6建筑各构件用料、装饰及做法1.墙体:2.结构设计2.1.1结构布置方案及结构选型根据建筑使用功能要求,本工程采用框架承重方案。
框架柱网布置如下图2.1.1:2.1.2确定结构计算简图(1)计算基本假定:○1一片框架可以抵抗在本身平面内的侧向力,而在平面外的刚度很小,可以忽略(因而整个结构可以划分成若干个平面结构共同抵抗与平面结构平行的侧向荷载,垂直于该方向的结构不参加受力);○2楼板在其自身平面内刚度无限大,楼板平面外刚度很小,可以忽略(因而在侧向力作用下,楼板可做刚体平移或转动,各个平面抗侧力结构之间通过楼板无相互联系和协同工作)。
73 3图2.1.1:框架柱网布置图框架近似计算补充假定:a.忽略梁、柱轴向变形及剪切变形;b.杆件为等截面等刚度,以杆件轴线作为框架计算轴线;c.在竖向荷载的作用下结构的侧移很小,因此,在计算竖向荷载作用时,假定结构无侧移。
(2)计算简图如下图2.1.2(1)根据图2.1.1框架柱网布置图,如图2.1.2(1)所示,选定阴影部分作为框架结构的计算单元,假定框架柱嵌固于基础顶面,框架梁与柱刚接。
一、横向水平地震作用下框架结构侧移验算1.横向框架梁的线刚度在框架结构中,现浇楼面可以作为梁的有效翼缘,增大梁的有效线刚度,减小框架侧移。
为考虑这一有利作用, ,在计算梁的截面惯性矩时,对现浇楼面的边框架梁取 I b1.5I 0 〔 I 0 为梁的截面惯性矩〕;对中框架梁取 I b2.0I 0 ,计算结果如下表所示:边框架梁中框架梁梁截面尺寸矩形截面惯性矩 混 凝E c〔 b/mm ×跨度 l/m土 强i b EI b / li b EI b / l /I 0 / ×103 m4I b1.5I 0I b 2.0I 0h/mm 〕度 等/ KN m2/×104KN m×104KN m级3 4/×103 4/×10mmAB 跨 300×600C3030×106横梁BC 跨 300×600C3030×106横梁AC 跨 300×600C30 30×106横梁CD 跨 300×450C3030×106横梁DE 跨 300×600C3030×106横梁2.柱的侧移刚度〔 D 值法〕柱线刚度计算结果如下表:混凝土强 截面尺寸2截面惯性矩线刚度 i c EI c / h柱号度等级〔a/mm × b/mm 〕柱高 h/mEc/KN mIc / ×103 m 4/ ×104 KN mZ 1C30 700×70030×106Z 2C30 ×6550 55030×10:楼层横向框架柱侧移刚度〔 D 值〕计算如下表所示:Ki b K(一般层 )(一般层 )2i c K12柱类型Dic h 2根数i b/ 104KN / mK K(底层 )2(底层 )i c K一层其他层边框架边柱边框架中柱中框架边柱中框架中柱D边框架边柱边框架中柱中框架边柱中框架中柱DA 轴2E 轴2C 轴2D 轴2A 轴2B 轴4E 轴6B 轴2C 轴6D 轴6653520KN/mA 轴2E 轴2C 轴2D 轴2A 轴2B 轴4E 轴6B 轴2C 轴6D 轴6794540KN/m3.横向框架自振周期结构自振周期按顶点位移法计算,将各楼层面处的重力荷载代表值G i作为水平荷载作用在各楼层标高处,按弹性方法求得结构顶点的假想侧移,并考虑填充墙对框架的影响取折减系数r,计算结果如下表结构顶点的假想侧移G/KN nG i/KND i / KN m 1i / mm i / mm楼层V Gii 16999099907945405114582144879454041145832906794540311458443647945402114585582279454011241563237653520T1T T4.横向水平地震作用及楼层地震剪力计算本结构重量和刚度沿高度方向分布比拟均匀,高度不超过40m,变形以剪切变形为主,故水平地震作用采用底部剪力法计算。
桥面板及框架横向计算1、计算理论及思路说明桥面板框架横向计算取用单位宽度的跨中断面进行计算,框架支承加在腹板中心线下;计算工具为《桥梁博士V3.1》程序。
2、恒载结构自重按26KN/m3桥面铺装8cm沥青砼0.08x1x25=2KN/m,按均布荷载施加;栏杆每米中2KN,按集中力施加;人行道重量折算为两个集中力,外侧为11.8KN内侧为5.9KN,分别施加在悬臂端和距离悬臂端2.4m。
3、人群荷载5Kpa均布荷载或1.5KN集中力分别计算取不利者(前者控制本桥横向设计)4、汽车按城市桥梁荷载《标准》4.1.3.1,总重70t,车轮着地尺寸纵x横=a2xb2=0.25x0.6m。
5、跨间板的有效分布宽度及车轴换算荷载计算1)、计算跨径车道:L=L0+t=3.65+0.26=3.91m铺装层厚0.08m2)、重车轮作用在顶板跨中最不利位置单个车轮的纵桥向分宽度计算:即a=2.6m,a>1.2m,说2X140车轴分布宽度有重叠,可以判断出200KN轴控制设计。
则:P1Qr20038.5KN/ma22.623)、重车轮作用在梁肋支承处a=(a1+2h)+t=(0.25+2x0.08)+0.26=0.67m<1.2m4)、重车轮作用在梁肋支承附近位置单个车轮纵桥向漫衍宽度计较:a=(a1+2h)+t+2X分别取X=0.1和X=0.5处进行计较A、X=0.1时a=(A=(0.25+2x0.08)+0.26+2x0.1=0.87<1.2mB、X=0.5时a=(A=(0.25+2x0.08)+0.26+2x0.5=1.67m>1.2m。
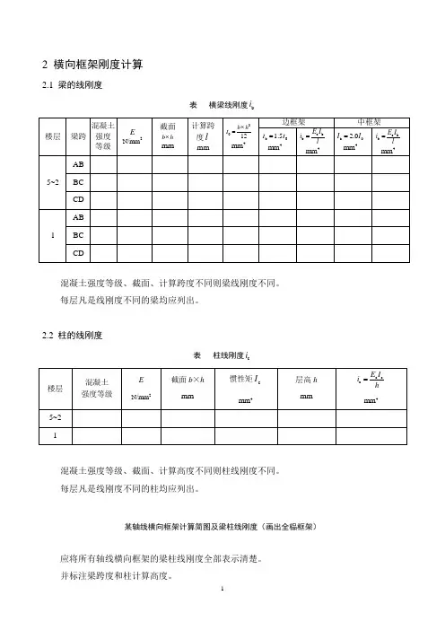
2 横向框架刚度计算
2.1 梁的线刚度
表 横梁线刚度b i
混凝土强度等级、截面、计算跨度不同则梁线刚度不同。
每层凡是线刚度不同的梁均应列出。
2.2 柱的线刚度
表 柱线刚度c i
混凝土强度等级、截面、计算高度不同则柱线刚度不同。
每层凡是线刚度不同的柱均应列出。
某轴线横向框架计算简图及梁柱线刚度(画出全榀框架)
应将所有轴线横向框架的梁柱线刚度全部表示清楚。
并标注梁跨度和柱计算高度。
2.3横向框架层间侧移刚度
表 5~2层层间侧移刚度D ∑
表中梁柱线刚度比: b2b4c 2K i =(边柱),b1b2b3b4c
2K i =(中柱)。
表 1层层间侧移刚度D ∑
表中梁柱线刚度比:b2c K i =(边柱),b1b2c
K i =(中柱)。
表 横向框架层间侧移刚度汇总
验算层间侧移刚度是否满足结构竖向设计要求。
第四章 横向框架刚度计算4.1 计算梁、柱的线刚度在计算框架梁截面惯性距I 时应该考虑到楼板的影响。
在框架梁两端节点附近,两承受负弯矩,顶部的楼板受拉,楼板对梁的截面弯矩刚度影响较小;而在框架梁的跨中,梁承受正弯矩,楼板处于受压区形成T 行截面梁,楼板对梁的截面弯矩影响较大。
为了方便设计,假设梁的截面惯性矩I 沿轴线不变,对现浇楼盖,中框架取I=2Io ,边框架取I=1.5Io ;梁线刚度计算类别Ec/(N/mm 2) b ⨯h /mm ⨯mm I 0 /mm4l /mm1.5E C I 0/l /N ⋅mm 2E C I 0/l N ⋅mm 走道梁 3.0⨯104 250⨯400 1.333⨯109 2400--3.332⨯1010纵横架 3.0⨯104250⨯600 4.5⨯1096000 3.375⨯1010--柱线刚度计算层次 c h /mmEc /(N/mm 2) b ⨯h /mm ⨯mm I c /mm 4E C I c /c h /N ⋅mm1 6300 3.00⨯104 500⨯500 5.208⨯109 3.472⨯1010 2~530003.00⨯104500⨯5005.208⨯1095.208⨯10104.2 计算柱的侧移刚度柱的侧移刚度D 计算公式:212jkhi D c c α=;表3.3 横向框架柱侧移刚度计算层次 层高h (m)柱根 数Kc α212h i D ccα=N/mm∑D2-5 3.0边柱 2 0.648 0.245 17013 84466中柱 2 1.287 0.392 25220 1 6.3边柱2 0.972 0.495 14185 61800中柱2 1.9310.618167157.073.0844666118021>==∑∑DD ,该框架为规则框架。
横向力系数取值表一、横向力系数的定义横向力系数是指在工程设计中,用于计算结构物受到横向力作用时的响应的一个参数。
它描述了结构物在受到横向力作用时的变形程度和抗力能力。
横向力系数的取值直接影响到结构物的稳定性和安全性。
二、横向力系数的计算方法横向力系数的计算方法根据具体的结构物和横向力的特点而不同。
下面是一些常见的横向力系数计算方法:1. 柱状结构物对于柱状结构物,横向力系数的计算可以采用以下公式:C = F / A其中,C为横向力系数,F为横向力的大小,A为结构物的横截面积。
2. 板状结构物对于板状结构物,横向力系数的计算可以采用以下公式:C = F / (L * W)其中,C为横向力系数,F为横向力的大小,L为结构物的长度,W为结构物的宽度。
3. 框架结构物对于框架结构物,横向力系数的计算可以采用以下公式:C = F / (H * D)其中,C为横向力系数,F为横向力的大小,H为结构物的高度,D为结构物的深度。
三、横向力系数的取值范围横向力系数的取值范围是根据结构物的类型和设计要求而不同的。
一般情况下,横向力系数的取值范围为0到1之间。
取值为0表示结构物完全不受横向力的作用,取值为1表示结构物完全受到横向力的作用。
具体的横向力系数取值范围可以根据结构物的设计规范和工程经验来确定。
不同的结构物类型和用途对横向力系数的要求也不同。
例如,对于地震区域的建筑物,横向力系数的要求通常较高,以提高结构物的抗震能力。
四、横向力系数的影响因素横向力系数的取值不仅与结构物的类型和设计要求有关,还受到多个因素的影响。
下面是一些常见的影响因素:1. 结构物的刚度结构物的刚度越大,其横向力系数通常越小。
这是因为刚度大的结构物能够更好地抵抗横向力的作用,减小变形程度。
2. 结构物的材料结构物的材料也会对横向力系数产生影响。
不同的材料具有不同的力学性质和抗力能力,因此其横向力系数也会有所不同。
3. 横向力的方向和大小横向力的方向和大小对横向力系数的取值也有影响。
一、框架梁柱线刚度初估梁柱截面尺寸:⑴、梁:493010104254103010604.2500250121,500250·1093.4780010373.1108.2,10373.165030012122300,2173273121(,650,65097512181(,7800mm I mm mm h b mmN l EI i C mm I I mmb mm ~ h ~b mm h mm mm ~l ~h mm l b ⨯=⨯⨯=⨯=⨯⨯=⨯⨯⨯==⨯=⨯⨯⨯=========次梁取级,混凝土用取)取)⑵、柱:混凝土用30C 级按层高确定截面尺寸:底层取mm H 71006504506000=++=,mmN i mm mm h b mm mm ~H ~b c ·10896.15400/100.3800121800800,355473201151(1144⨯=⨯⨯⨯=⨯=⨯==取)底层mm N i c ·10442.17100/100.38001211144⨯=⨯⨯⨯=取梁的线刚度值为基准值1,则柱为:846.3,底层柱为:925.2,见下图2:双向板板厚:mm h mm ~l ~h 100,785.97501401(===取) 1、恒荷载计算:(标准值)⑴、屋面恒载:屋10 KN/ m 2 100厚现浇混凝土屋面板 ×25= KN/ m 2 10厚水泥砂浆抹灰 ×20= KN/ m 2 合计: KN/ m 2⑵、楼面恒载:楼10 KN/ m 2结合层一道100厚现浇混凝土屋面板 ×25= KN/ m 2 10厚水泥砂浆抹灰 ×20= KN/ m 2 合计: KN/ m 2⑶、梁自重:主梁mm mm h b 650300⨯=⨯主梁自重 25×× KN/m 10厚水泥砂浆抹灰 × ×2×20=m合计: KN/m 次梁自重 25××( )= KN/m 10厚水泥砂浆抹灰 ×()×2×20=m合计: m⑷、柱自重:mm mm h b 800800⨯=⨯柱自重 25××=16KN/m10厚水泥砂浆抹灰 ××4×20=m合计: m⑸、外墙自重:粉煤灰轻渣空心砌块:自重取 KN/ m 3标准层 8××()=m水刷石外墙面 ×=m 水泥粉刷内墙面 ()×=m合计: m 底层 8××()=m水刷石外墙面 ×= KN/m 水泥粉刷内墙面 ()×= KN/m合计: KN/m⑹、内墙自重:(同外墙)标准层 8××()= KN/m 水泥粉刷墙面 ()×2×= KN/m合计: KN/m 底层 8××()= KN/m 水泥粉刷墙面 ()×2×= KN/m合计: KN/m 2、恒载作用下框架受力分析:板传到次梁以及次梁传到主梁的荷载按三角形和梯形进行传递,计算时折算为均布荷载。
毕业设计计算书Guang Xi university of technology 第四章结构(构件)刚度计算和荷载基本信息现浇框架柱和剪力墙的混凝土强度等级采用C40,现浇混凝土楼盖及框架梁和主梁的等级选用C30。
为简化计算,计算剪力墙的内力和位移时,忽略纵横墙的共同工作。
把计算方向上的剪力墙作为“一”字形截面剪力墙。
第一节框架刚度计算一、框架梁线刚度计算现浇混凝土结构框架梁的转动刚度应考虑楼板的影响。
框架梁的线刚度计算见表4-1-1。
表4-1-1框架梁线刚度注:主梁截面惯性矩考虑楼板平面外刚度影响,按《高规》第5.2.2条乘以放大系数计算。
其计算公式如下中跨:32212bhI I⨯==,边跨:31.51.512bhI I⨯==,线刚度:EIil=。
二、框架柱刚度计算(一)框架柱线刚度计算框架柱抗弯刚度见表4-1-2。
毕业设计计算书Guang Xi university of technology表4-1-2 框架柱线刚度(二)框架柱抗侧刚度和抗推刚度计算对于高宽比小于50m,且高宽比小于4的建筑物,仅考虑梁柱弯曲变形引起的柱侧移刚度,忽略柱的轴向变形。
框架柱的抗侧刚度应考虑与其相连的框架梁的影响,以梁、柱线刚度的比值K和抗侧刚度修正系数α来衡量。
柱的抗侧刚度和抗推刚度计算见表4-1-3。
表4-1-3 框架柱抗侧刚度(D值)注:1.系数K 为梁柱线刚度比,其值为2b c i K i ∑=(一般层),bci K i ∑=(底层)。
b i 为计算平面内与柱子两端刚接的梁的线刚度。
2.修正系数α的值计算如下:2K K α=+(一般层),0.5K Kα+=(底层)。
3.H 为层高。
三、框-剪抗侧力模型中框架刚度框剪结构协同工作中框架抗推刚度可取各层延高度的加权平均值,即NHhCC iFi F 9910563.3104.415.3175.345.3385.34.3645.34.374.322.4478.32.449.35.4446.4⨯=⨯⨯+⨯⨯+⨯+⨯+⨯⨯+⨯+⨯==∑第二节 剪力墙刚度计算剪力墙的等效抗侧刚度计算采用连梁连续化的假定,即假定:1)连梁是延整片墙高度连续均匀分布的,且忽略连梁的轴向变形;2)剪力墙的截面几何特征和材料性能延高度无变化;3)结构各层层高均匀相等。
一、框架梁柱线刚度初估梁柱截面尺寸: ⑴、梁:493010104254103010604.2500250121,500250·1093.4780010373.1108.2,10373.165030012122300,2173273121(,650,65097512181(,7800mm I mm mm h b mmN l EI i C mm I I mmb mm ~ h ~b mm h mm mm ~l ~h mm l b ⨯=⨯⨯=⨯=⨯⨯=⨯⨯⨯==⨯=⨯⨯⨯=========次梁取级,混凝土用取)取)⑵、柱:混凝土用30C 级按层高确定截面尺寸:底层取mm H 71006504506000=++=,mmN i mmmm h b mm mm ~H ~b c ·10896.15400/100.3800121800800,355473201151(1144⨯=⨯⨯⨯=⨯=⨯==取)底层mm N i c ·10442.17100/100.38001211144⨯=⨯⨯⨯=取梁的线刚度值为基准值1,则柱为:846.3,底层柱为:925.2,见下图2:G 44444G G G 3333321G21212121H J K L H J K L H J K L H J K L HJKL1.03.8462.9251.03.8461.03.8461.03.8463.8463.8463.8461.03.8461.03.8461.01.03.8461.03.8461.03.8461.03.8461.01.01.01.01.02.9252.9252.9252.9253.8463.846二、荷载计算双向板板厚:mm h mm ~l ~h 100,785.97501401(===取) 1、恒荷载计算:(标准值)⑴、屋面恒载:屋10 3.44 KN/ m 2 100厚现浇混凝土屋面板 0.1×25=2.5 KN/ m 2 10厚水泥砂浆抹灰 0.01×20=0.2 KN/ m 2 合计: 6.14 KN/ m 2 ⑵、楼面恒载:楼10 0.7 KN/ m 2 结合层一道100厚现浇混凝土屋面板 0.1×25=2.5 KN/ m 210厚水泥砂浆抹灰 0.01×20=0.2 KN/ m 2 合计: 3.4 KN/ m 2 ⑶、梁自重:主梁mm mm h b 650300⨯=⨯主梁自重 25×0.3×(0.65-0.1)=4.125 KN/m 10厚水泥砂浆抹灰 0.01×(0.65-0.1+0.3) ×2×20=0.34KN/m合计: 4.465 KN/m 次梁自重 25×0.25×(0.5-0.1 )=2.5 KN/m 10厚水泥砂浆抹灰 0.01×(0.5-0.1+0.25)×2×20=0.26KN/m 合计: 2.76KN/m⑷、柱自重:mm mm h b 800800⨯=⨯柱自重 25×0.8×0.8=16KN/m 10厚水泥砂浆抹灰 0.01×0.8×4×20=0.64KN/m合计: 16.64KN/m⑸、外墙自重:粉煤灰轻渣空心砌块:自重取8.0 KN/ m3标准层 8×0.2×(5.4-0.65)=7.6KN/m 水刷石外墙面 5.4×0.5=2.7KN/m 水泥粉刷内墙面 (5.4-0.65)×0.36=1.71KN/m 合计: 12.01KN/m 底层 8×0.2×(7.1-0.65)=10.32KN/m 水刷石外墙面 6.0×0.5=3.0 KN/m 水泥粉刷内墙面 (6.0-0.65)×0.36=1.926 KN/m 合计: 15.246 KN/m ⑹、内墙自重:(同外墙)标准层 8×0.2×(5.4-0.65)=7.6 KN/m 水泥粉刷墙面 (5.4-0.65)×2×0.36=3.42 KN/m 合计: 11.02 KN/m 底层 8×0.2×(6-0.65)=8.56 KN/m图2. 梁、柱相对线刚度图水泥粉刷墙面 (6-0.65)×2×0.36=3.852 KN/m 合计: 12.412 KN/m 2、恒载作用下框架受力分析:板传到次梁以及次梁传到主梁的荷载按三角形和梯形进行传递,计算时折算为均布荷载。
稳定杆刚度和应力计算公式
1、横向稳定杆刚度计算:大小相等A′处的载荷Pd,作用在两端点A,图示为圆形实心断面,直径为) 方向相反,载荷作用点处变形为f(不考虑横向稳定杆的橡胶衬套变形刚度K为:?1f232llll???2
sinR(??sin2?l)?[1R=2=002K p
02GI2EI3EI2t2l????2??sin?sin22[)]??(()1R1R0
22GI22t?????223]2?21lR(?cossin))?R?(sin1024 mm/N);()l?l?l?R(121,(mm)式中;201l2l2?arctanφrad;,
22l?l?l22
l14?d?l4
mm,——圆截面惯性矩,I=64
3?d?3,II=mm ——圆截面极惯性矩,32tt
G=G2N/mm75460,——剪切弹性模数,
模向稳定杆倾角刚度K为:R2Kl K (N.mm/rad)0?R
22、横向稳定杆应力计算:
车身侧倾角为时,稳定杆两端部载荷P为:?1 / 2
?K)P?(N R l0???处,′段的θ=在最大弯曲应力BC,B′C?R?arctan?l0P222?Rl??2(N/mm) 0Zt3?d ——扭转断面系数:Zt=式中:Zt3):mm(,单位
16)Rlll?2R(P222???120)/mm(单位:.,在?0处的CC'点处N?l?R?最大剪应力0Z22l?l t21′段,可近似用下式计算:B′C、最大主应力?BC发生在max P2(N/mm)22?)2R(??l?R0max Z t
(范文素材和资料部分来自网络,供参考。
可复制、编制,期待你的好评与关注)
2 / 2。
框架结构计算步骤1、主梁截面高度按梁跨度的1/12—1/8估算,次梁按跨度的1/18—1/12估算。
依据轴压比限值估算柱子截面2、框架侧移刚度的计算:先计算梁、柱的线刚度,然后计算各层横向框架侧移刚度(D值法),判断是否为规则框架(位移角是否满足规范要求)。
3、集中于各楼层标高处的重力荷载代表值计算:计算重力荷载代表值的公式为:G〔= G恒+ 0.5G活,形成“糖葫芦串”。
4、横向水平荷载(地震作用)作用下框架结构的内力和侧移计算(D值法),主要是各层柱端弯矩及剪力计算;梁端弯矩、剪力及柱轴力计算。
5、竖向荷载作用下框架结构的内力计算,采用分层法及弯矩分配法计算恒载作用下的梁端、柱端弯矩,另,梁端剪力可根据梁上竖向荷载引起的剪力与梁端弯矩引起的剪力相叠加而得。
柱轴力可由梁端剪力和节点集中力叠加得到。
6、横向框架内力组合,包括框架梁内力组合、框架柱内力组合:首先计算跨间最大弯矩并进行弯矩调幅(梁柱节点在理论计算中一般看作是绝对刚接,但实际的钢筋混凝土梁柱节点做不到完全刚接,更接近于刚接和铰接之间。
尤其是混凝土梁端开裂后,刚接的假定更是不太成立。
竖向荷载作用下,如果按照假定为刚接的理论计算值去设计,而实际做不到完全刚接,那么实质上是低估了跨中截面的实际弯矩值。
因此,可以考虑用梁端塑性调幅的方法来体现这一影响。
还有一个方面的考虑,梁端负弯矩钢筋都在梁顶部布置,如果数量过多,很难布置,混凝土也很难浇捣,施工质量没有保障。
适当的塑性调幅,相当于减少梁端负弯矩钢筋,增加梁跨中正弯矩钢筋,方便施工,保证质量。
弯矩调幅与抗震设计中的强柱弱梁无关,且只对竖向荷载作用下的内力进行调幅。
),然后进行框架梁的内力组合,最后进行梁端剪力的调整。
框架柱内力组合,取每层柱顶和柱底两个控制截面进行组合,组合后进行柱端弯矩调整。
7、框架结构抗震设计时候需要:“强剪弱弯”=调整梁端剪力和柱端剪力;“强柱弱梁”=调整柱端弯矩。
8、在算框架梁配筋计算中截面的弯矩设计值之前,是先要调幅,再把调幅后的M,V值进行内力组合,然后再把各种内力组合中的最大值提出来,进行截面设计,也就是你要问的“在框架梁配筋计算中截面的弯矩设计值”。
2 横向框架刚度计算
2.1 梁的线刚度
表 横梁线刚度b i
混凝土强度等级、截面、计算跨度不同则梁线刚度不同。
每层凡是线刚度不同的梁均应列出。
2.2 柱的线刚度
表 柱线刚度c i
混凝土强度等级、截面、计算高度不同则柱线刚度不同。
每层凡是线刚度不同的柱均应列出。
某轴线横向框架计算简图及梁柱线刚度(画出全榀框架)
应将所有轴线横向框架的梁柱线刚度全部表示清楚。
并标注梁跨度和柱计算高度。
2.3横向框架层间侧移刚度
表 5~2层层间侧移刚度D ∑
表中梁柱线刚度比: b2b4c 2K i =(边柱),b1b2b3b4c
2K i =(中柱)。
表 1层层间侧移刚度D ∑
表中梁柱线刚度比:b2c K i =(边柱),b1b2c
K i =(中柱)。
表 横向框架层间侧移刚度汇总
验算层间侧移刚度是否满足结构竖向设计要求。