同步发电机及调相机检测作业指导书
- 格式:doc
- 大小:519.50 KB
- 文档页数:26
发电机作业指导书
一、作业前准备
1.正确穿戴劳保防护用品,准备相关工具。
2.操作时应一人操作,一人监护。
3.送电前必须告知相关人员,然后再送电,以免发生人员触电。
4.检查发电机输出电压断路器及各负荷开关,应处于分断状态,检查双电源自动转换开关状态正常。
5.检查发电机机油有无渗漏,液位应在规定范围内。
6.检查发电机各连接处螺栓有无松动现象。
7.插入控制钥匙,拨到“开”位置,检查柴油箱油位。
二、操作步骤
1.控制钥匙拨到“START”,松开手,启动发电机。
2.观察变电箱上电压仪表、频率仪表。
3.观察显示屏,三相电压稳定后,闭合输出电压断路器。
双电
源自动转换开关自动转换为连接发电线路状态。
4.电网送电后,首先将控制钥匙拨到“关”位置,双电源自动
转换开关自动转换为连接电网线路状态。
5.断开发电机输出电压断路器。
三、注意事项
1.发电机电瓶至少1个月使用一次,并进行充电。
2.发电机运转时每小时检查燃油情况,需填加时及时加注。
3.若启动一次时,应30秒后再启动,1分钟启动次数不应超过2次。
4.当重新加入燃油后,需检查油路内是否混入空气,如有必须先排除空气。
四、事故状态操作
1.关闭控制器电源开关或设备防爆开关,使设备停车;
2.相关人员撤出,关闭泄漏点的前后阀门,放散并检测可燃气体浓度,再由专业人员穿防静电服进行维修,或采取其他处理。
发电机电气测量作业指导书
1. 引言
本指导书旨在帮助用户正确进行发电机电气测量作业。
在进行
测量之前,务必阅读并遵守本指导书中的说明。
本指导书包含测量
准备、测量步骤和注意事项三个部分。
2. 测量准备
在进行发电机电气测量之前,需完成以下准备工作:
- 确保测量设备完好并校准,如万用表、电流夹等。
- 了解发电机的电气系统结构和测量点位置。
- 关闭发电机的电源,并确保所有相关设备已停止运行并断电。
3. 测量步骤
下面是进行发电机电气测量的步骤:
1. 首先,确认测量点的位置并确定正确的电气参数,如电压、
电流和功率因数等。
2. 打开测量设备,并选择适当的测量范围和模式。
3. 对每个测量点,依次进行测量,并记录所得数据。
4. 对于电气参数之间存在关联关系的测量,需按照正确的顺序进行。
5. 将测量数据整理并归档,以备日后参考。
4. 注意事项
在进行发电机电气测量时,需注意以下事项:
- 使用正确的测量设备和方法,确保测量结果准确可靠。
- 遵守相关安全规定,穿戴必要的个人防护设备。
- 在进行测量前,仔细检查测量点和设备的接线是否正确。
- 注意电气设备的工作状态,避免触摸高电压部位。
- 如有测量异常或故障,应立即停止测量并采取适当的措施。
以上是发电机电气测量作业的指导书内容。
请在进行测量前认真阅读并遵守。
祝您工作顺利!。
第二章同步发电机及调相机本章标题为“同步发电机及调相机”,这里所指的同步发电机包括水轮发电机。
因为水轮发电机的交接试验项目和标准,除个别条款外,大部分与汽轮发电机相同,可以列在一起。
此外,1982年以前的施工验收规范以及原水电部的《电气设备交接和预防性试验标准》,都将水轮发电机的项目,列入同步发电机一章内。
第2.0.1条一、本条规定了“同步发电机及调相机”的试验项目,其条文说明在下面相应各条中加以说明。
二、本条注①、注②中,具体规定了容量6000kW以下,电压1kV以上的同步发电机及电压1kV及以下、各种容量的同步发电机的试验项目。
这是参照苏联电气装置安装法规1985年版拟定的。
这样,对电力系统内外各种不同容量的同步发电机,交接试验时应进行的工作,都有了依据。
第2.0.2条一、本条第二款规定“对沥青浸胶及烘卷云母绝缘的吸收比不应小于1.3;对环氧粉云母绝缘的吸收比不应小于1.6”,以与原水电部《电气设备预防性试验规程》统一;由于绝缘材料质量的提高,试验结果表明,此标准对于于燥的绝缘是能达到的。
二、注④“对水冷电机,应测量汇水管及引水管的绝缘电阻”。
因发生过由于汇水管及引水管的绝缘低而影响了发电机定子绕组绝缘电阻的实际值,从而作出错误判断的事例。
第2.0.4条本条规定了定子绕组直流耐压试验和泄漏电流测量的试验标准、方法及注意事项。
特别对氢冷电机,必须严格按本条要求进行耐压试验,以防含氢量超过标准时发生氢气爆炸事故。
第2.0.5条现场组装的水轮发电机定子绕组工艺过程中的交流耐压试验电压标准明确应按《水轮发电机组安装技术规范》(GB 856448〉的有关规定执行。
第2.0.7条增加了“当误差超过规定时,还应对各磁极绕组间的连接点电阻进行测量”,以便分析判断误差超过标准的原因。
第2.0.8条关于转子绕组的交流耐压试验,在1982年以前是参照原水电部《电力建设施工及验收暂行技术规范》电气装置篇第二十五章“电气装置的交接试验”第1218条的规定执行。
发电机及调相机试验作业指导书1范围本作业指导书适用于容量6000kW及以上的同步发电机及调相机的试验项目,规定了发电机及调相机交接验收、预防性试验、检修过程中的常规电气试验的引用标准、仪器设备要求、试验程序、试验结果判断方法和试验注意事项等。
制定本作业指导书的目的是规范试验操作、保证试验结果的准确性,为设备运行、监督、检修提供依据。
2引用文件下列文件中的条款通过本作业指导书的引用而成为本作业指导书的条款。
凡是注日期的引用文件,其随后所有的修改单或修订版均不适用于本作业指导书,然而,鼓励根据本作业指导书达成协议的各方研究是否可使用这些文件的最新版本。
凡是不注日期的引用文件,其最新版本适用于本作业指导书。
《电气装置安装工程电气设备交接试验标准》GB 50150-2006《电力设备预防性试验规程》DL/T 596-1996《三相同步电机试验方法》GB/T 1029-2005《单相同步电机试验方法》GB/T 14481-2008《现场绝缘试验实施导则第1部分:绝缘电阻、吸收比和极化指数试验》DL/T《现场绝缘试验实施导则第2部份:直流高电压试验》DL/T《现场绝缘试验实施导则第4部分:交流耐压试验》DL/T3检测项目3.1发电机常规试验包括以下试验项目(1)测量定子绕组的绝缘电阻和吸收比或极化指数;(2)测量定子绕组的直流电阻;(3)定子绕组直流耐压试验和泄漏电流测量;(4)定子绕组的交流耐压试验;(5)测量转子绕组的绝缘电阻;(6)测量转子绕组的直流电阻;(7)转子绕组的交流耐压;(8)测量励磁回路连同所连接设备的绝缘电阻;(9)励磁回路连同所连接设备的交流耐压试验;(10)埋入式测温计的检查;(11)测量灭磁电阻器、自同步电阻器的直流电阻;(12)测量转子绕组的交流阻抗和功率损耗;(13)测量相序;(14)测量轴电压;(15)定子绕组端部绝缘施加直流电压测量。
3.2试验程序3.2.1应在试验开始之前详细记录试品的铭牌参数,检查、了解试品的状态及其历史运行有无异常情况,并进行记录。
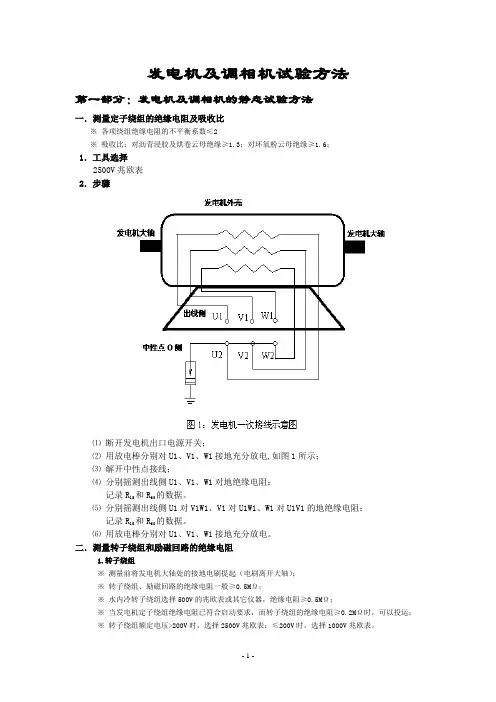
发电机及调相机试验方法第一部分:发电机及调相机的静态试验方法一.测量定子绕组的绝缘电阻及吸收比※各项绕组绝缘电阻的不平衡系数≤2※吸收比:对沥青浸胶及烘卷云母绝缘≥1.3;对环氧粉云母绝缘≥1.6;1.工具选择2500V兆欧表2.步骤⑴断开发电机出口电源开关;⑵用放电棒分别对U1、V1、W1接地充分放电,如图1所示;⑶解开中性点接线;⑷分别摇测出线侧U1、V1、W1对地绝缘电阻:记录R15和R60的数据。
⑸分别摇测出线侧U1对V1W1、V1对U1W1、W1对U1V1的地绝缘电阻:记录R15和R60的数据。
⑹用放电棒分别对U1、V1、W1接地充分放电。
二.测量转子绕组和励磁回路的绝缘电阻1.转子绕组※测量前将发电机大轴处的接地电刷提起(电刷离开大轴);※转子绕组、励磁回路的绝缘电阻一般≥0.5MΩ;※水内冷转子绕组选择500V的兆欧表或其它仪器,绝缘电阻≥0.5MΩ;※当发电机定子绕组绝缘电阻已符合启动要求,而转子绕组的绝缘电阻≥0.2MΩ时,可以投运;※转子绕组额定电压>200V时,选择2500V兆欧表;≤200V时,选择1000V兆欧表。
2.励磁回路※将回路中的电子元件拔出或将其两端短路。
三.测量轴承座的绝缘电阻※选择500V的兆欧表,测量值≥0.5 MΩ;※分别测量轴承座与薄铁板、薄铁板与基础台板、轴承座与基础台板之间的绝缘电阻。
四.测量定子绕组、转子绕组和灭磁电阻的直流电阻※测量定子绕组、转子绕组的直流电阻,应在冷态下进行,绕组表面温度与周围温度之差在±3℃内;※测量定子绕组、转子绕组的直流电阻,测量数值与产品出厂数值换算至同温度下的数值比较,其差值≤2%。
※测量灭磁电阻数值与铭牌数值比较,其差值≤10%。
1.电流、电压表法※ mV表的连线不应超过该表规定的电阻值,且应接于靠近触头侧2.平衡电桥法(电桥用法见《进网作业电工培训教材》P320※测量时,电压引线尽量靠近触头侧;电流引线在电压线外侧,宜分开不宜重叠※直流双臂电桥法:1~10-5Ω及以下※单臂电桥法:1~106Ω五.定子绕组的直流耐压和泄漏电流试验※定子直流耐压的试验电压为电机额定电压的3倍;※试验电压按0.5倍的额定电压分阶段升压试验,每段停留1min;※在试验电压下,各相泄漏电流的差别≤最小值的50%,当最大泄漏电流在20μA以下时,各相间差值与出厂值比较不应有明显差别;※水内冷电机,宜采用低压屏蔽法;※氢冷电机必须在充氢前或排氢后且含量在3%以下时进行。
发电机试验作业指导书(二)引言概述:本文档是针对发电机试验作业的指导书,旨在帮助操作人员正确进行试验操作,确保试验过程安全可靠、结果准确有效。
本文将从五个方面进行详细阐述,包括试验前准备、试验仪器设置、试验操作步骤、数据记录与分析、试验后清理与维护。
通过本指导书的使用,操作人员将能够熟练掌握发电机试验作业技能,并能够保证试验的顺利进行以及数据的可靠性。
正文:一、试验前准备1. 确认试验目的和要求2. 安排人员和时间3. 准备相关试验设备和工具4. 检查试验设备的完好性和安全性5. 确保试验现场的清洁和整洁二、试验仪器设置1. 配置必要的测量仪器和传感器2. 检查仪器的准确性和灵敏度3. 对仪器进行校准和校验4. 确保仪器的正常工作状态5. 设置试验仪器的参数和测量范围三、试验操作步骤1. 按照试验准备工作进行设备连接和安装2. 确认试验对象的基本参数和工作条件3. 启动试验设备并进行预热4. 按照试验流程进行参数设定和调整5. 开始试验操作并记录试验过程中的关键数据四、数据记录与分析1. 根据试验过程中的数据记录表格进行数据记录2. 对试验数据进行处理和分析3. 比对实际数据与理论数据,并进行误差分析4. 根据试验结果进行适当的调整和优化5. 生成试验报告并总结试验结果和经验教训五、试验后清理与维护1. 关闭试验设备并进行安全检查2. 清理试验现场和设备,确保干净整洁3. 对试验设备进行日常维护和保养4. 处理试验过程中产生的废物和污水5. 定期对试验设备进行维修和检修,确保试验设备的正常使用。
总结:本文档详细介绍了发电机试验作业的指导内容,包含试验前准备、试验仪器设置、试验操作步骤、数据记录与分析、试验后清理与维护等五个大点。
通过正确使用本指导书,操作人员能够熟练掌握发电机试验的操作技能,确保试验过程的可靠性和数据的准确性,同时也能够保证试验设备的安全和长期可靠运行。
同步发电机及调相机交接试验标准同步发电机及调相机交接试验标准公司新闻同步发电机及调相机交接试验标准同步发电机及调相机交接试验标准一、容量6000kW及以上的同步发电机及调相机的试验项目,应包括下列内容:1.测量定子绕组的绝缘电阻和吸收比或极化指数;2.测量定子绕组的直流电阻;3.定子绕组直流耐压试验和泄漏电流测量;4.定子绕组交流耐压试验;5.测量转子绕组的绝缘电阻;6.测量转子绕组的直流电阻;7.转子绕组交流耐压试验;8.测量发电机或励磁机的励磁回路连同所连接设备的绝缘电阻,不包括发电机转子和励磁机电枢;9.发电机或励磁机的励磁回路连同所连接设备的交流耐压试验,不包括发电机转子和励磁机电枢;10.测量发电机、励磁机的绝缘轴承和转子进水支座的绝缘电阻;11.埋入式测温计的检查;12.测量灭磁电阻器、自同步电阻器的直流电阻;13.测量转子绕组的交流阻抗和功率损耗(无刷励磁机组,无测量条件时,可以不测量);14.测录三相短路特性曲线;15.测录空载特性曲线;16.测量发电机定子开路时的灭磁时间常数和转子过电压倍数;17.测量发电机自动灭磁装置分闸后的定子残压;18.测量相序;19.测量轴电压;20.定子绕组端部固有振动频率测试及模态分析;21.定子绕组端部现包绝缘施加直流电压测量。
注:①电压1kV及以下电压等级的同步发电机不论其容量大小,均应按本条第1、2、4、5、6、7、8、9、11、12、13、18、19款进行试验;②无起动电动机的同步调相机或调相机的起动电动机只允许短时运行者,可不进行本条第14、15款的试验。
二、测量定子绕组的绝缘电阻和吸收比或极化指数,应符合下列规定:1.各相绝缘电阻的不平衡系数不应大于2;2.吸收比:对沥青浸胶及烘卷云母绝缘不应小于1.3;对环氧粉云母绝缘不应小于1.6。
对于容量200MW及以上机组应测量极化指数,极化指数不应小于2.0。
注:①进行交流耐压试验前,电机绕组的绝缘应满足本条的要求;②测量水内冷发电机定子绕组绝缘电阻,应在消除剩水影响的情况下进行;③对于汇水管死接地的电机应在无水情况下进行;对汇水管非死接地的电机,应分别测量绕组及汇水管绝缘电阻,绕组绝缘电阻测量时应采用屏蔽法消除水的影响。
ND/ZZD7.5-21 E1 发放编号:SMU-2型同步相量测量装置调试作业指导书2009-10-15发布 2009-11-01实施国电南瑞科技股份有限公司SMU-2型同步相量测量装置调试作业指导书1 目的对SMU-2型同步相量测量装置的调试检验工作进行指导,规范其调试检验步骤和方法,确保装置的各项性能指标能够满足产品设计要求。
2 适用岗位公司生产部、成套厂、设计部、工程部、质管部。
3 程序3.1前期准备3.1.1设计部根据合同技术条款或与用户达成的协议,确定合同或协议规定的技术参数,据此进行相关的工程设计,工程设计完后,图纸经工程部审核后,将该工程的生产任务交给生产部门,由生产部编制生产计划,组织生产。
3.1.2 调试员和检验员根据工程的安排领取相应的工程技术资料及相关图纸,尽快熟悉配置情况及技术要求。
3.1.3 调试员及检验员根据技术资料及相关图纸要求,配备好调试、检验机柜各单元及整机所需设备,做好调试检验前的准备,确保任务顺利完成。
3.2单元调试根据生产计划安排,须先对装置的各单元进行调试检验。
各装置的程序、调试流程请参见“SMU-2同步相量测量装置生产调试方法”。
3.2.1 SMU-2M装置调试1)检查装置的电源线是否正确,并检查其电源的正确性。
2)检查装置内部各连接线的正确性。
3)接通电源,对装置内部的各CPLD、DSP程序进行烧写。
4)检查串口是否正常。
5)按CPU初始化流程,安装LINUX操作系统。
6)检查各网络口是否正常。
7)格式化装置硬盘。
8)设置装置的IP地址、主站地址、辅助分析单元地址。
9)观察装置的通讯是否正常。
主要为与SMU-2CS、SMU-2P之间的通讯。
10)通过辅助分析单元对装置的各模拟量通道进行校验,其精度在0.2% 范围内。
校验每一条线路。
11)将电压信号并联到调试装置与标准测试仪上,电流信号串入调试装置及标准装置。
通过比较两台装置的角度差,校验调试装置的角度。
发电机试验作业指导书DQ-0231总则1.1 目的为了加强XXXXXX发电机检修技术工作,确保发电机检修工作符合工艺质量和安全生产管理要求,并确保该工作全过程无不安全情况发生,确保发电机检修检修后能安全、可靠地运行,所有参加本检修项目的工作人员、质检人员,必须遵循本质量确保程序。
1.2 范围本指导书适用于XXXXXX发电机试验工作,规定了发电机预防性试验、检修过程中的常规电气试验的引用标准、仪器设备要求、作业程序、试验结果判断方法和试验注意事项等。
2规范性引用文件(含验收标准等)《发电企业设备检修导则》DL/T838-2003《电力设备预防性试验规程》DL/T 596-1996《电业安全工作规程》(发电厂和变电站电气部分)DL408—1991《电力变压器检修导则》 DL/T 573-2010《三相同步电机试验方法》 GB/T 1029-2005《XXXXXX安健环作业指导书初稿编写规范》3 作业过程控制3.1 作业准备3.1.1 人员配备3.1.2工器具(安全工器具、作业工器具、安全防护用品、测量仪器等)3.1.3消耗材料包括备品3.2 作业过程及风险预控3.3 关键点作业质量标准及异常处理对策(可图示)3.4 验收、交接与其它标准要求3.4.1验收时间现场交接验收(以下简称现场验收)应在检修、调试完毕后、系统启动投运前进行。
检修项目现场验收的时间应根据现场验收内容的工作量决定,技术改造项目可根据工程实际情况采取阶段性验收。
3.4.2验收要求现场验收前,检修单位应编制验收方案报XXXXXX公司批准。
验收方案应包括验收依据、验收范围、验收时间、验收内容、验收工作组成员、验收配合组成员、验收组织措施、技术措施、安全措施。
3.4.3验收记录要求3.4.3.1按照验收内容及所列检修项目进行逐项检查、测试、逐项记录。
3.4.3.2特殊情况下征得生产管理部门的同意,现场验收试验的个别内容可结合施工调试进行,但需在交接验收中的验收报告做好记录。
同步发电机和调相机的试验同步发电机和调相机的常规试验项目{定子绕组的直流电阻{定子绕组的绝缘电阻、吸收比或极化指数{定子绕组的泄漏电流和直流耐压{定子绕组的交流耐压{转子绕组的绝缘电阻{转子绕组的直流电阻{转子绕组的交流阻抗和功率损耗{轴电压定子绕组的直流电阻{测量顺序问题(建议在绝缘试验前){绕组平均温度的测量z 温度计平均法(3~5只)z 使用发电机埋设的测温电阻011t 235t 235R R ++=定子绕组的绝缘电阻、吸收比或极化指数{定子水内冷发电机的绝缘测试z 正确将定子绕组进出水管和出线进出水管接入屏蔽回路z 检温元件绝缘不良{原理图{温度折算问题{绝缘绕组最低值的确定{吸收比和极化指数的规定tt t C R R )1(10−=α定子绕组的绝缘电阻、吸收比或极化指数{R1绝缘电阻{C1几何电容{R2 C2为吸收回路{R3汇水管电阻{R4汇水管法兰对地绝缘电阻定子绕组的泄漏电流和直流耐压{严禁在氢气置换过程中,进行耐压试验{正确将定子绕组进出水管和出线进出水管接入屏蔽回路{水质应合格,以降低电源容量,稳定读数{分段加压时,每段应在加压的1min内,仔细观察泄漏电流的变化情况定子绕组的泄漏电流和直流耐压{当发生读数急剧波动时,应仔细查找原因{读数不稳的情况时,应采用加大平波电容的电容量、提高水质、消除水的极化电势影响等方式,避免错误判断定子绕组的泄漏电流和直流耐压77437741150,22080,100060kV 64256427762750kV 51135115561540kV 39738841830kV 26325426420kV 131********kV 总电流(mA)泄漏电流(μA)总电流(mA)泄漏电流(μA)总电流(mA)泄漏电流(μA)C 相B 相A 相电压定子绕组的泄漏电流和直流耐压77437741784560kV 64256427702750kV 51135115561540kV 39738841830kV 26325426420kV 131********kV 总电流(mA)泄漏电流(μA)总电流(mA)泄漏电流(μA)总电流(mA)泄漏电流(μA)C 相B 相A 相电压定子绕组的泄漏电流和直流耐压定子绕组的交流耐压{耐压试验准备工作:转子绕组在滑环处接地;发电机出口CT二次绕组短路接地;埋置检温元件在接线端子处电气连接后接地;对绕组进行充分放电{并联谐振补偿电感的计算方法转子绕组的绝缘电阻{地线接于转子轴上,不要接在大地或机座上转子绕组的直流电阻{注意消除电桥的测量线与滑环的接触电阻转子绕组的交流阻抗和功率损耗{测量转子交流阻抗时,断开与励磁系统的联系{测量转子交流阻抗时,应先进行绝缘测量{应先进行退磁操作{应使用线电压,以避免相电压中的谐波分量{试验电压峰值不应大于转子绕组额定电压转子交流阻抗{在定子膛内测量时,定子绕组上有感应电压,因而应断开与外电路的连接轴电压{座式轴承轴电压{端盖式轴承轴电压{应同时记录发电机有功功率和无功功率(或空载、短路状态){使用高内阻电压表{轴电压不应超过10V{有条件时,可用录波仪测量。
发电机检修作业指导书引言:概述:正文:一、检修前的准备工作1.了解发电机的基本原理和结构2.熟悉发电机的使用说明书和维修手册3.准备必要的工具和设备4.检查发电机的运行记录和故障记录5.制定检修计划和安全计划二、机械结构的检修1.检查发电机外观,清洁发电机表面2.检查发电机的支承结构和联轴器的磨损情况3.检查发电机的轴承和密封件4.检查发电机的转子和定子绕组5.检查机械连接件和紧固件的松动情况三、电气元件的检修1.检查发电机的电气接线是否松动2.检查发电机的绝缘状况和绝缘电阻3.检查发电机的电刷和电刷摩擦面4.检查继电器、保护器和控制电路的工作状态5.检查电气控制盘和仪表的工作情况四、冷却系统的检修1.检查冷却风扇和风叶的清洁情况2.清洗并更换冷却系统的滤网和滤芯3.检查发电机的冷却水位和冷却液温度4.检查冷却系统的泵和管路是否正常5.检查冷却半径和冷却效果是否符合要求五、检修后的维护措施1.制定发电机的维护计划和运行监测措施2.建立发电机的故障诊断和排除机制3.定期检查和更换发电机的易损件和润滑油4.做好发电机的防腐保养工作5.做好发电机的备件储备和设备更新计划总结:发电机检修是确保发电机正常运行和延长其使用寿命的重要措施。
通过对发电机的机械结构、电气元件和冷却系统进行全面的检查和维护,可以提前发现问题并及时进行处理。
同时,制定合理的维护计划和监测措施,做好备件储备和设备更新工作,可以保证发电机的持久稳定运行。
只有在定期检修和维护的基础上,发电机才能发挥其最佳效能,为人们的生产和生活提供可靠的电力支持。
同步电机实验指导书实验一三相同步发电机的运行特性一.实验目的1.用实验方法测量同步发电机在对称负载下的运行特性。
2.由实验数据计算同步发电机在对称运行时的稳态参数。
二.预习要点1.同步发电机在对称负载下有哪些基本特性?2.这些基本特性各在什么情况下测得?3.怎样用实验数据计算对称运行时的稳态参数?三.实验项目1.测定电枢绕组实际冷态直流电阻。
2.空载试验:在n=n N、I=0的条件下,测取空载特性曲线U0=f(I f)。
3.三相短路实验:在n=n N、U=0的条件下,测取三相短路特性曲线I K=f(I f)。
4.纯电感负载特性:在n=n N、I=I N、cosϕ≈0的条件下,测取纯电感负载特性曲线。
5.外特性:在n=n N、I f=常数、cosϕ=1和cosϕ=0.8(滞后)的条件下,测取外特性曲线U=f(I)。
6.调节特性:在n=n N、U=U N、cosϕ=1的条件下,测取调节特性曲线I f=f(I)。
四.实验设备及仪器1.MEL系列电机系统教学实验台主控制屏。
2.电机导轨及测功机,转矩转速测量(MEL-13、MEL-14)。
3.功率、功率因数表(或在主控制屏,或采用单独的组件MEL-20、MEL-24)。
4.同步电机励磁电源(含在主控制屏右下方)。
5.三相可调电阻器900Ω(MEL-03)。
6.三相可调电阻器90Ω(MEL-04)。
7.波形测试及开关板(MEL-05)。
8.自耦调压器、电抗器(MEL-08)。
9.三相同步电机M08。
10.直流并励电动机M03。
五.实验方法及步骤1.测定电枢绕组实际冷态直流电阻。
被试电机采用三相凸极式同步电机M08。
测量与计算方法参见实验3-1。
记录室温,测量数据记录于表4-1中。
同步电机励磁电源为0~2.5A可调的恒流源,按装在主控制屏的右下部。
须注意,切不可将恒流源输出短路。
V1、mA、A1为直流电压、毫安、安倍表,按装在主控制屏的右下部。
交流电压表、交流电流表、功率表按装在主控制屏上,不同型号的实验台,其仪表数量不同,接法可参见异步电机的接线。
发电机试验作业指导书(一)引言概述:本文旨在为发电机试验的操作人员提供一份详细的作业指导书,以确保试验的顺利进行。
试验过程中需注意安全事项,并详细介绍了试验所需的材料和步骤。
正文:1. 准备工作a. 确保试验区域的安全性,清除杂物和易燃物。
b. 确认所有试验设备和工具的完整性和正确性。
c. 检查发电机的接线是否正确,电源是否正常供电。
2. 试验前检查a. 检查发电机的机械部件是否完好,如轴承、风机等。
b. 检查发电机的绝缘材料是否有损坏或老化。
c. 检查发电机的冷却系统是否运行正常。
d. 检查发电机的控制系统是否调整到合适的工作状态。
3. 试验过程a. 启动发电机并进行负荷试验,记录发电机的输出功率和电压。
b. 对发电机的绝缘性能进行试验,包括耐压试验和接地试验。
c. 检测发电机的运行稳定性,记录振动和噪音的水平。
d. 对发电机的温升进行试验,确保工作温度不超过规定范围。
e. 对发电机的效率进行试验,记录发电机的输入功率和输出功率。
4. 试验结果分析a. 根据试验结果判断发电机的工作状态是否正常。
b. 分析发电机在不同负荷下的输出变化。
c. 评估发电机的绝缘性能,确保其符合标准要求。
d. 分析发电机的运行稳定性,判断是否存在故障隐患。
e. 比较发电机的实际效率与设计效率,评估其工作性能。
5. 安全措施a. 在试验过程中要注意避免触碰发电机的旋转部件。
b. 确保试验区域的良好通风,防止发电机过热。
c. 严禁在发电机工作时进行接线或其他操作。
d. 如发现异常情况,应立即停止试验并进行必要维修。
总结:本文详细介绍了发电机试验作业的各个环节,包括准备工作、试验前检查、试验过程、试验结果分析和安全措施。
通过正确操作和细致的观察,能够确保发电机的正常工作和安全运行。
在试验过程中要时刻注意安全,并根据试验结果进行分析和评估,以进一步完善发电机的设计和运行。
发电机检修作业指导书(二)引言概述:发电机作为电力系统中重要的设备之一,在运行过程中可能会产生各种故障或损坏。
为了确保发电机正常运行和延长其使用寿命,进行定期的检修作业是必要的。
本文档将详细介绍发电机检修作业的步骤和注意事项,以指导操作人员进行有效的发电机检修。
正文内容:一、准备工作1.1 确定检修计划1.2 准备所需工具和设备1.3 了解发电机的基本结构和工作原理1.4 关闭并断开发电机与电力系统的连接1.5 确保工作场所安全,进行必要的防护措施二、拆卸与检查2.1 拆卸发电机外罩和警示标识2.2 拆卸接线盒和连接线路2.3 拆卸发电机轴承和轮盘2.4 检查绕组和绝缘体的情况2.5 清洁并检查发电机的旋转部件和冷却系统三、维修与更换3.1 清洗和擦拭发电机的各个部件3.2 更换损坏或老化的绕组和绝缘体3.3 维修或更换发电机轴承和轮盘3.4 检修并校准发电机的控制系统3.5 对发电机的涂层和防护系统进行保养和更换四、装配与调试4.1 安装发电机轴承和轮盘4.2 连接绕组和接线盒4.3 检查发电机各个部件的安装质量4.4 检查发电机的相位和电压调整4.5 进行发电机的试运行和运行参数调试五、安全与质量控制5.1 检查发电机的接地和绝缘情况5.2 检查发电机的防护措施和安全装置5.3 进行发电机的质量检测和保证5.4 编写发电机检修作业记录和报告5.5 维护发电机的运行和定期检查总结:通过本文档的阐述,我们详细介绍了发电机检修作业的各个步骤和注意事项。
只有进行规范而细致的检修作业,才能确保发电机的正常运行和延长其使用寿命。
操作人员应严格按照本指导书的要求进行检修作业,并做好安全和质量控制措施,以确保发电机的安全可靠性和稳定性。
发电机及调相机试验作业指导书1范围本作业指导书适用于容量6000kW及以上的同步发电机及调相机的试验项目,规定了发电机及调相机交接验收、预防性试验、检修过程中的常规电气试验的引用标准、仪器设备要求、试验程序、试验结果判断方法和试验注意事项等。
制定本作业指导书的目的是规范试验操作、保证试验结果的准确性,为设备运行、监督、检修提供依据。
2引用文件下列文件中的条款通过本作业指导书的引用而成为本作业指导书的条款。
凡是注日期的引用文件,其随后所有的修改单或修订版均不适用于本作业指导书,然而,鼓励根据本作业指导书达成协议的各方研究是否可使用这些文件的最新版本。
凡是不注日期的引用文件,其最新版本适用于本作业指导书。
《电气装置安装工程电气设备交接试验标准》GB 50150-2006《电力设备预防性试验规程》DL/T 596-1996《三相同步电机试验方法》GB/T 1029-2005《单相同步电机试验方法》GB/T 14481-2008《现场绝缘试验实施导则第1部分:绝缘电阻、吸收比和极化指数试验》DL/T《现场绝缘试验实施导则第2部份:直流高电压试验》DL/T《现场绝缘试验实施导则第4部分:交流耐压试验》DL/T3检测项目3.1发电机常规试验包括以下试验项目(1)测量定子绕组的绝缘电阻和吸收比或极化指数;(2)测量定子绕组的直流电阻;(3)定子绕组直流耐压试验和泄漏电流测量;(4)定子绕组的交流耐压试验;(5)测量转子绕组的绝缘电阻;(6)测量转子绕组的直流电阻;(7)转子绕组的交流耐压;(8)测量励磁回路连同所连接设备的绝缘电阻;(9)励磁回路连同所连接设备的交流耐压试验;(10)埋入式测温计的检查;(11)测量灭磁电阻器、自同步电阻器的直流电阻;(12)测量转子绕组的交流阻抗和功率损耗;(13)测量相序;(14)测量轴电压;(15)定子绕组端部绝缘施加直流电压测量。
3.2试验程序3.2.1应在试验开始之前详细记录试品的铭牌参数,检查、了解试品的状态及其历史运行有无异常情况,并进行记录。
3.2.2应根据交接或预试等不同的情况依据相关规程规定,从上述项目中确定本次试验所需进行的试验项目和程序。
3.2.3一般情况下,应按先低电压试验后高电压试验、先直流后交流的顺序进行试验。
应在绝缘电阻测量无异常后再进行耐压试验。
交流耐压试验后还应重复测量绝缘电阻,以判断耐压试验前后试品的绝缘有无变化。
4试验方法及主要设备要求4.1测量定子绕组的绝缘电阻和吸收比或极化指数4.1.1设备清单和要求(1)温度湿度计;(2)对空冷、氢冷及水冷绕组水回路干燥或吹干测量,额定电压为1000V以上者,采用2500V 兆欧表,量程一般不低于10000MΩ;对水冷绕组通水测量应采用水内冷发电机绝缘电阻测试仪(简称专用兆欧表);200MW及以上机组推荐测量极化指数。
4.1.2试验程序4.1.2.1测试方法如果各绕组的首末端单独引出,则应分别测量各绕组对机壳及绕组相互间的绝缘电阻,这时所有其他绕组应同机壳做电气连接。
当中性点不易分开时,则测量所有连在一起的绕组对机壳的绝缘电阻。
4.1.2.2试验步骤(1)测量前要把所有与发电机相连接设备断开,尽可能避免外部的影响。
(2)测量并记录环境温度和湿度,如果绕组温度与环境温度相差较大,应测量定子膛内平均温度作为绕组温度。
(3)将被测定子绕组充分预放电,否则所测得的绝缘电阻值将偏高,吸收比值将偏低。
(4)被测如果是水内冷发电机,将汇水管用导线引至试验场地。
把汇水管所有引下线拧在一起,用万用表测量汇水管对地电阻,通常应达到30kΩ以上方可进行步骤(5)。
将汇水管引线接至水内冷发电机绝缘电阻测试仪的屏蔽端子上。
(5)分相或分支测量时,每相或每个分支的绕组必须头尾短接,并将非被试绕组、转子绕组连接至机壳(见图1),而测量绕组整体的绝缘电阻(如整组启动时不能分相测量)一般在发电机中性点接地变压器或电抗器隔离开关上口进行。
(6)将地线端子用接地线和发电机的外壳连接好,将高压线端子接到被测量绕组的引出端头上,开始测量,记录15s、60s、600s的绝缘电阻值。
(7)将被测绕组回路对接地的机壳作电气连接5min以上使其充分放电。
(8)方法同以上步骤,测量其余绕组。
4.1.3试验结果判断依据(1)不同温度下定子绕组绝缘电阻的换算公式,可按IEEEStd43-1974推荐公式进行换算,其算式为R c = KtRt式中 Rc—换算至75℃或40℃时的绝缘电阻值,MΩ;Rt—试验温度为t时的绝缘电阻值,MΩ;Kt—绝缘电阻温度换算因数。
温度换算因数(K)t(2)绝缘电阻值自行规定,若在相近试验条件下,绝缘电阻值低到历年正常值1/3以下时,应查明原因。
(3)各相或分支绝缘电阻的差值不应大于最小值的100%。
(4)吸收比或极化指数:沥青浸胶及烘卷云母绝缘吸收比不应小于或极化指数不应小于;环氧粉云母绝缘吸收比不应小于或极化指数不应小于;水内冷定子绕组自行规定。
4.1.4注意事项(1)对水内冷绕组,绝缘电阻测量值受内冷水水质的影响,因此试验时应水质良好,电导率小于2μS/cm。
+1)MΩ机组即可启动(其中(2)如果测量带着封闭母线,有时绝缘电阻会较低,但达到(UNU为发电机额定电压,kV)。
N(3)应考虑环境温度和湿度对测量结果的影响。
4.2测量定子绕组的直流电阻4.2.1设备清单和要求(1)温度湿度计;(2)直流电阻测试仪。
4.2.2试验程序4.2.2.1测试方法(1)冷态测量,绕组表面温度与周围空气温度之差不应大于±3℃。
(2)如果各分支的首末端单独引出,则应分别测量各分支的直流电阻。
4.2.2.2试验步骤(1)测量并记录环境温度和湿度。
(2)用直流电阻测试仪测量各相或各分支的直流电阻值,作好记录。
4.2.3试验结果判断依据(1)各相或各分支绕组直流电阻,在校正了由于引线长度不同而引起的误差后,相互间差别不应超过其最小值的2%,与产品出厂时测得的数值换算至同温度下的数值比较,其相对变化也不应大于2%。
(2)汽轮发电机相间差或分支间差别与其历年的相对变化大于1%时应引起注意。
4.3定子绕组直流耐压试验和泄漏电流测量4.3.1设备清单和要求(1)对空冷、氢冷绕组和水冷绕组水路吹净测量采用普通直流高压发生器;(2)对水冷绕组通水测量采用水内冷发电机直流耐压试验装置。
4.3.2试验程序4.3.2.1测试方法(1)根据相关标准和规程及发电机的额定电压确定试验电压,并根据试验电压和发电机容量选择合适电压等级直流高压发生器。
(2)尽量在停机后清除污秽前热状态下进行,交接或处于备用时可在冷态下进行。
(3)对水内冷发电机汇水管直接接地者,应在不通水和饮水管吹净条件下进行试验,试验方法(包括设备、接线图、步骤等)与空冷和氢冷发电机相同。
(4)对水内冷发电机汇水管有绝缘者,应采用低压屏蔽法接线。
4.3.2.2试验原理接线图(1)对空冷、氢冷绕组和水冷绕组水回路干燥或吹干时,试验原理接线如图1所示。
(2)对水冷绕组通水时(低压屏蔽法),试验原理接线如图2所示。
4.3.2.3试验步骤(1)转子绕组在滑环处接地,发电机出口电流互感器二次绕组短路接地,埋置检温元件在接线端子处电气连接后接地,对绕组进行充分放电。
(2)将试验仪器准备就位。
(3)记录环境温度和湿度。
(4)确认一切正常后开始试验,先空载分段加压至试验电压以检查试验设备绝缘是否良好、接线是否正确。
(5)将直流高压输出加在被试相或分支绕组上,从零开始升压至试验电压,试验电压按分阶段升高,每阶段停留1 min,并记录每段电压开始和1 min时微安表的电流值。
(6)该相或分支试验完毕,将电压降为零,切断电源,必须等到10 kV以下充分放电后再改变接线对另一绕组进行试验或进行其他操作(特别是非水内冷发电机)。
4.3.3安全措施(1)为保证人身和设备安全,要求必须在试验设备周围设围栏并有专人监护,发电机出线侧和中性点侧应派专人把守防止无关人员误人。
试验时试验人员与看守人员通信要通畅,没有试验人员的命令看守人员不能乱动。
负责升压的人要随时注意周围的情况,一旦发现异常应立刻断开电源停止试验,查明原因并排除后方可继续试验。
(2)试验设备的布置应紧凑、连接线短,宜用屏蔽导线,接地线应牢固可靠。
(3)注意对试验完毕的绕组必须充分放电。
(4)试验过程中,如发现泄漏电流随时间急剧增长,或有绝缘烧焦气味,或冒烟,或发生响声等异常现象时,应立即降低电压断开电源停止试验,将绕组接地放电后再进行检查。
4.3.4试验结果判断依据(1)试验电压为相关标准的规定电压。
(2)在规定的试验电压下,各相泄漏电流的差别不应大于最小值的100%,最大泄漏电流在 20 µA以下者,相间与历次试验结果比较,不应有显著的变化。
(3)泄漏电流不随时间的延长而增大。
(4)任一级试验电压稳定时,泄漏电流的指示不应有剧烈摆动。
(5)试验过程中应无异常放电现象。
4.3.5注意事项(1)对水内冷绕组,泄漏电流测量值受内冷水水质的影响,因此试验时冷却水质应透明、纯净,无机械杂质,电导率在20℃时要求:对开启式水系统不大于×102 µS/m,对独立的密闭循环水为×102 µS/m。
(2)对氢冷发电机应在充氢后氢纯度为96%以上或排氢后含氢量在3%以下时进行,严禁在置换过程中进行试验。
4.4定子绕组交流耐压试验4.4.1设备清单和要求(1)温度湿度计;(2)变频/工频谐振耐压试验装置。
4.4.1.2交流试验电源推荐采用谐振方法,可根据设备情况选择并联或串联谐振。
(1)并联谐振耐压设备:A)并联电抗器。
可使用定值电抗器组或可调电抗器,必要时也可二者组合使用。
额定电压应高于试验电压Ux(kV),电感量L用下式估算:L=1(H)ω2Cxω=2πf式中:f——试验电源频率,通常为50Hz;Cx——被试绕组对地等效电容(µF)。
电抗器额定电流应大于试品所需电流Ix ,其中Ix可按下式估算:Ix =2πfCxUx× 10-3(A)B)试验变压器。
高压侧额定电压Un 高于Ux,容量和高压侧额定电流In可用下式估算:S>Ix Ux/Q(kVA)(电源频率可调,完全补偿时)S>-U2xωCx(非完全补偿时)In =S/ Un(A)式中:Q ——电抗器的品质因数,Q=2πf L/R,一般电抗器的Q值为10~40;R——电抗器的电阻(Ω)。
C)调压器容量与试验变压器匹配。
(2)串联谐振耐压设备:A)串联电抗器耐压应高于试验电压U+(kV);电感量和额定电流估算同并联谐振。
B)试验变压器额定电流In 大于试品所需电流Ix(估算公式同并联谐振);容量和高压侧额定电压Un可用下式估算:S>Ix Ux/Q(kVA)(电源频率可调,完全补偿时)Un =S/In(kV)U n >ωL-1·Ix(非完全补偿时)ωCxSn=UnIn(kVA)C)调压器容量与试验变压器匹配。