电气主接线图
- 格式:ppt
- 大小:126.00 KB
- 文档页数:36
第5、6章图形第五章图形L1 L2 L3 L4A i i hQSL 1 J J 1QF J_ _L A J.Q$ WB 「. 「__________________I L L1L2 L3 L4QF _L _L 丄QS电源i 电源n 图5-1不分段的单母线接线WBQFd电源I电源n 图5-2单母线分段接线WBaA Q SE1 { 丄 1 \L.丄L-I II II1QF QFa丄 丄 丄丄 丄WBL:L1L2QSaJWBa\ QSa>丄1丄 T1 丄WB |1段——T二 一na电源I 电源H图5-3单母线带旁路母线接线II J\ QFdf__________ I 」电源I电源H图5-4单母线分段带旁路母线接线电源I图5-5分段断路器兼作旁路断路器接线 图5-6旁路断路器兼作分段断路器接线L 1L2QS QS 2WBaQSa=丄 \ QS1QF1 J QFa2QFL ’丄LL2L 1QS 5QS 3[段H 段士QSWB Q3电源IL1 L2 L3 L1 L2 L3U I段■丄II--- ------------- 11QSi」TQSi -hr1QFQSU QQFjQS iL 1 br2QFWB丄□_1— 1 1n __ WB1丄」RTiU段.I段.QS1QS 1QS1QF QF. 2QF 电源I电源I图5-7双母线接线图5-8用母联断路器代替岀线断路器时电流的路径L2 L3 L4L1QFj1图5-9双母线分段接线L1L2 L3(b)图5-10双母线带旁路接线(b )母联断路器兼作旁路断路器接线(一)Jp\WBaL丄QFaL1L2 电源IWBL3电源U图5-10双母线带旁路接线(a)标准接线L1L2 L2WB电源I(C)图5-10双母线带旁路接线 (c)母联断路器兼作旁路断路器(二)WBWB_LQFj_T 4L -L .QS n \rLr电源i 电源n图5-11 一台半断路器接线L 1L2L 1L2上 1QF2QFQS2 2T(b)(a )_L丄 _L_L±G (a) (b)(c)1TQS1-(a )发电机—变压器单元 (b )发电机—三绕组变压器单元 (c )发电机—自耦变压器单元图5-12桥形接线 (a )内桥接线; (b )夕卜桥接线图5-14扩大单元接线1QF 2QF3QF-K —图5-13单元接线/ GG3QF9WLGQ-'(b) (a)图5-15发电机一变压器一线路单元接线4(a)r4图5-16多角形接线(a)四角形接线 (b)三角形接线LX . h(b)图5-17例5-1方案接线图(a )方案5-1-1接线,(b )方案5-1-2接线近区负荷10KV35KVG 1GG 2G3X 3.2MW(a)(b)近区负荷 10KV6.3KV图5-18例5-2方案接线图(a)方案5-2-1接线,(b)方案5-2-2接线,(c)方案5-2-3接线注:图5-19见:“主接线厂用电实例”图J:I 1(b)(c)丄I1::'oTMY-100X8ZN21-10/1250配CD10DLZZBJ-101000/50.5/10P励磁互感器(厂家配套)RN2-6/0.5ADJ-6 :v3励磁变(厂家配套):x (ZR-YJV 226/3 X240)SFWG8000-6/4950 Je=6.3kVe=916.45ACO® =0.8L ZX -10Q800/5 0.5/10PI IdTYD-110/v-0 07HGW4-110DW/630左接地GW4-110DW/630双接地LCWB-110100/50.2/0.5/10P/10PLW25-126—1250A 40kAGW4-110DW/630左接地LGJ-120SF9-20000/110Y,d11121±3X2.5 %/6.3kVJ k%=10.5%TMY-100X8IFZJ-102000/5.5/0.5/3 10/10PGW3-60G/400△Y1W-73/15 JDCF-110110 0.1 0.1 01v3 v3 V3 .GW4-110DW/630双接地Y5W1-100/260ZN21-10/2500配CD10H3TZN21-10/I配CD10DLZZBJ-10100/50.5/10PZR-YJV22-6/3SC9-800/6.3D,yn116.3 ±5 %/0.4kVUd%=7LMZ1-0.5 1200/5LMY10X8-40 X8DW15-1200 DW15-1200ZR-YJV22-10/3 X50ZN21-10/630配CD10DLZZBJ-10100/50.5/10PZR-YJV22-10/3 X50SC9-800/10D,yn1110±5 %/0.4kVUd%=7LMZ1-0.5 1200/5_MY10X&40 X8DW15-120010kV外来电源RN2-10/0.5AHY5WZ-17/5110/0.1kV 图5-19某水电站电气主接线全图图5-20地区变电所接线2X10MVA图5-21终端变电所接线第六章图形(a)(b)图6-1设两台厂变的厂用电源引接方式图6-2丿用负荷供电回路图6-3见“主接线厂用电实例”图配电屏型号GGD36 GGD-36(改) GGD10 GGID36(改)GGD36 配电屏编号 12345馈线名称集小井小 --- 动力箱吊车整 冬流器一安 云 .装场 〕力箱备用分卜电箱分电箱生活区 备用动1#机,#厂变进线母线分段 1#厂变进线2#机 动力盘备用备用整流器二室分电箱动力箱气系统 备用明分电箱备用回路电流(A )23.6 3411 2813 31.7 5725 1151152511 10.8271028刀开关 HD13BX-200/31HD13BX-200/31200/31HD13BX-200/31200/31HD13BX-200/31HD13BX-200/31断路器 1 1 Z20J-L Z20J-LZ20J-IZ20J- LZ20J-IZ20J- DZ 20J- DZ20J- DZ20J- DZ20J-DZ2UJ- --- 'DZ2UJ- --- DZ2UJ- ---00/32A 1 00/40A 100/20A 1 00/32A1 00/20A- 00/20A100/32A00/63A00/20A00/32A200/120A DW15-200/120A 200/120A 100/32A100/32A 100/20A 100/20A100/20A 100/32A 100/20A 100/20A 100/32A 100/20A电流互感器 LMZ1-0.66,100/5LMZ1-0.66,100/5150/5LMZ1-0.66,100/5LMZI-0.66, 150/5 LMZ1-0.66,100/5LMZ1-0.66,100/5弓 出电缆型号截面 y6+1X4 3X 22-1V 10+1X 6322-1 v 4+1X 2.5 3 :6+1X4-2 X4V22-1-4X63〉25+1X 10 3 <6+1X45X 50+1X 253X 50+1X25S X 6+1X4X 4+1X 2.5 3 X 4+1X 2.5 3 X 6+1X4 3X44X6穿管管径G25 G25 G25 G25G15G32 G32G25G25G25 G25 G25 G25G32BT95O9为事故照明切换板,其直流电源用 VV22-1-2X 4电缆引至直流屏。
什么是电气主接线图?一、什么是电力系统和电力网?答:由各种电压的电力线路将一些发电厂、变电所和电力用户联系起来的发电、输电、变电、配电和用电的整体称为电力系统。
大型电力系统可以是由发电厂联合供电的系统。
通常将电力系统中各级电压的电力线路及其联系的变电所称为电力网。
在我国习惯将电力系统称作电网,电网按电压等级来划分,有10kV电网、110kV电网等;也可按地域来划分,如华东电网、东北电网等。
抵押配电线路的额定电压为380V/220V。
用电设备的额定电压多数是220V和380V;大功率电动机的电压为3kV和6kV;机床照明和矿井安全电压规定为36V。
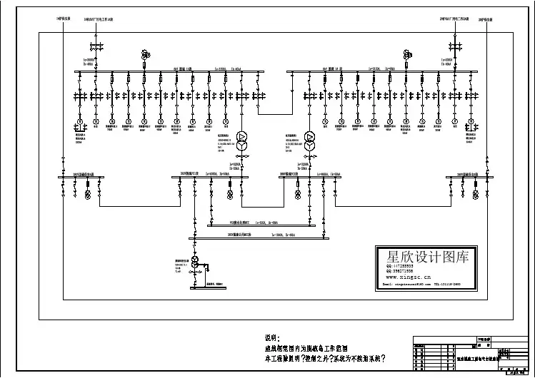
二、什么是电气主接线图?答:用国家统一规定的电气图形符号、文字符号表示主接线中各电气设备相互连接顺序的图形就是电气主接线图。
电气主接线图一般都用单线图表示,即一根线就代表三相。
但在三相接线不同的局部位置要用三线图表示,例如,较为常见的是接有电流互感器的部位。
三、电气主接线图有何特点?常用典型电气主接线图是指由电力主变压器、母线、各类断路器、隔离闸刀、负荷开关、进出架空线、电力电缆、并联电容器等一次电气设备,按一定的次序连接,汇集和分配电能的电路组合。
它是电气设备的选择、配电装置的确定、安装调试、运行操作、事故分析的重要依据。
四、电气主接线图有哪些类型?变电站的电气主接线图分为有母线和无母线两类结构。
所谓母线,是指汇集和分配电能的导线,又称汇流排。
母线按材料不同,又称为“铜排”、“铝排”。
连接各进出线的母线称为主母线,其余的为分支母线。
母线在电气主接线图中用黑粗线表示。
有无母线及母线的结构,是电气主接线形式的核心问题。
五、电气主接线的基本形式有哪些?变配电所电气主接线的基本形式较多。
应用不同的母线接线方式,可使在变压器数量少的情况下也能向多个用户的馈电线供电,或保证用户的馈电线能从不同的变压器获得供电。
对于中小型工厂的变配电所来说,其主接线大多是采用单母线接线,也有的采用其中两种基本形式的组合。