电气主接线图
- 格式:ppt
- 大小:2.09 MB
- 文档页数:7
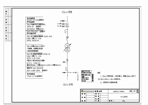
第5、6章图形,.2×8MW(a)2×10MVA1G G1TG2G2T110KV 35KV2×8MW(b)20MVAG1G 2GG110KV2T2G(c)2×8MW2×10MVAG1G 1T G35KVTMY-100X8ZN21-10/1250配CD10ⅢLZZBJ-101000/5 0.5/10P 2×(ZR-YJV 22-6/3×240)RN2-6/0.5ASFWG8000-6/4950Ue=6.3kV Ie=916.45A COSφ=0.8LZX-10Q800/5 0.5/10PJ Y N 2-10-03(改)1G励磁变(厂家配套)励磁互感器(厂家配套)JDJ-6 36 0.1√3√J Y N 2-10-17J Y N 2-10-18RN2-6/0.5A 36 0.1 0.1JDZJ-63√√3J Y N 2-10-20√ 6 0.1 0.1√333JDZJ-6RN2-6/0.5AHY5WZ-10/302G同左ZN21-10/2500配CD10ⅢLFZJ-102000/5 0.5/0.5/10/10PJ Y N 2-10-03SF9-20000/110Y,d11121±3×2.5%/6.3kV U k %=10.5%LGJ-120GW4-110DW/630左接地LW25-1261250A,40kA GW4-110DW/630双接地LCWB 6-110100/50.2/0.5/10P/10PTYD-110/ -0.07H 3√LRD-60-B 50/5GW4-110DW/630双接地JDCF-110Y5W1-100/260√110 0.1 0.13√√33GW 13-60G/400Y1W-73/15ZN21-10/630配CD10ⅢLZZBJ-10100/5 0.5/10PJ Y N 2-10-03ZR-YJV 22-6/3×50SC9-800/6.3D,yn116.3±5%/0.4kV Ud%=7LMZ1-0.5 1200/5LMZ1-0.5 1200/5SC9-800/10D,yn1110±5%/0.4kV Ud%=7ZR-YJV 22-10/3×50LZZBJ-10100/5 0.5/10PZN21-10/630配CD10ⅢJ Y N 2-10-06(改)ZR-YJV 22-10/3×5010kV外来电源J Y N 2-10-19JDZJ-10HY5WZ-17/51RN2-10/0.5A10/0.1kV0.4kVLMY100×8-40×8DW15-1200DW15-1200DW15-12000.1LMY100×8-40×8G~G~TMY-100X8GW4-110DW/630左接地图5-19 某水电站电气主接线全图图5-20 地区变电所接线8回35kV220kV4 回2×120MVA至无功补偿装置6 回2×60MVA4回2×10MVA1T图5-21 终端变电所接线4回10kV2T110kV 35kVVV22-13×50+1×251#厂变进线V 42L6-A,0~150A DT864-2,380/220V,3(6A)42L6-V,0~450V说明:BT95O9为事故照明切换板,其直流电源用VV22-1-2×4电缆引至直流屏。
各种变电站电气主接线图?TYD-110/ -0.07H3GW4-110DW/630左接地GW4-110DW/630双接地6-110LCWB100/5 0.2/0.5/10P/10PLW25-1261250A~40kAGW4-110DW/630左接地LGJ-120LRD-60-B 50/5GW4-110DW/630SF9-20000/110GW13-60G/400双接地Y,d11121?3×2.5%/6.3kVUk%=10.5%JDCF-110Y1W-73/15110 0.1 0.1 0.1???333 TMY-100X8Y5W1-100/260LFZJ-102000/5 0.5/0.5/10kV外来电源10/10PZN21-10/2500JYN2-10-03配CD10?TMY-100X8ZR-YJV22-10/3×50ZN21-10/630ZN21-10/1250ZN21-10/630RN2-6/0.5ARN2-10/0.5A配CD10?配CD10?配CD10?HY5WZ-10/30HY5WZ-17/51LZZBJ-10LZZBJ-10LZZBJ-10JDZJ-6JDZJ-10JYN2-10-20JYN2-10-19100/5 1000/5 100/5 JYN2-10-03 6 0.10.110/0.1kVJYN2-10-06(改)30.5/10P0.5/10P0.5/10P??33励磁互感器JYN2-10-03,改,,厂家配套,ZR-YJV22-6/3×50ZR-YJV22-10/3×50同RN2-6/0.5ASC9-800/6.3SC9-800/10D,yn11D,yn116 0.1 RN2-6/0.5AJDJ-6 ??JYN2-10-17336.3?5%/0.4kV10?5%/0.4kV左Ud%=7Ud%=7励磁变,厂家配套,JDZJ-6LMZ1-0.5 1200/5LMZ1-0.5 1200/5 6 0.1 0.12×(ZR-YJV223??33-6/3×240)LMY100×8-40×8LMY100×8-40×8GSFWG8000-6/4950G2G1GUe=6.3kVDW15-1200~~DW15-1200DW15-1200Ie=916.45A0.4kVCOSφ=0.8LZX-10Q800/5 0.5/10P 图5-19 某水电站电气主接线全图JYN2-10-184 回6 回220kV2×120MVA2×60MVA至无功补偿装置35kV8回图5-20 地区变电所接线110kV35kV1T2T2×10MVA10kV4回4回图5-21 终端变电所接线GGGGGG~~~~~~(a)(b)GGGGG~~~~~(c)(d)图6-1 设两台厂变的厂用电源引接方式?段?段cdabBDACefijghklmn图6-2 厂用负荷供电回路图6-3见“主接线厂用电实例”图6.3KV10kVRN1-6/10APRWG1-10/100SC-80/66.3?5##1厂变2厂变S9-80/35%/0.4KV10.5?2×2.5Y,yn0%/0.4KVKYN-28-10-78Uk%=4.0Y,yn0Uk%=4.0VV22-3×50+1×25VV22-3×50+1×25 DT864-2,380/220V,3(6A)DT864-2,380/220V,3(6A)42L6-A,0,150A42L6-A,0,150A42L6-V,0,450V42L6-V,0,450V42L6-A,0,100A42L6-A,0,100A42L6-A,0,150A42L6-A,0,100A42L6-A,0,100AkwhkwhAAAAAAAAAAAAAAAAAAAAAVVAI段380/220VBCLMY-40×4BT9509至直流屏GGD1-361-101-36GGDGGD配电屏型号1-36(改)GGD1-36(改)GGD配电屏编号 1 2 3 4 5集水井水安装场主厂房照明 1#机 2#机厂内油处理前池副厂房照事故照明整流器一整流器二馈线名称吊车母线分段备用备用1#厂变进线2#厂变进线备用生活区备用备用气系统备用泵动力箱动力箱分电箱室分电箱明分电箱分电箱动力盘动力盘动力箱回路电流,A, 25 23.6 34 11 281331.75725115115 1110.82710 28HD13BX-HD13BX-刀开关HD13BX-200/31HD13BX-200/31HD13BX-200/31HD13BX-200/31HD13BX-200/31200/31200/31DZ20J-DZ20J-DZ20J-DZ20J-DZ20J-DZ20J-DZ20J-DZ20J-DZ20J-DZ20J-DZ20J-DW15-DW15-DZ20J-DZ20J-DZ20J-DZ20J-DZ20J-DZ20J-DZ20J-DZ20J-DZ20J-断路器DW15-200/120A100/32A100/32A100/20A100/20A100/20A100/40A100/32A100/20A100/63A1 00/20A100/32A200/120A200/120A100/20A100/20A100/32A100/20A100/20A100/32A1 00/20A100/32A100/32ALMZ1-0.66,LMZ1-0.66,电流互感器LMZ1-0.66,100/5LMZ1-0.66,100/5LMZ1-0.66,100/5LMZ1-0.66,100/5LMZ1-0.66,100/5150/5150/5VV22-1VV22-1VV22-1VV22-1VV22-1VV22-1VV22-1VV22-1VV22-1VV22-1VV22-1VV22-1VV22-1 VV22-1VV22-1引出电缆型号截面VV22-1-4×63×25+1×103×4+1×2.5-2×43×6+1×43×6+1×43×50+1×253×6+1×43×4+1×2.53×6+1×43×44×63×6+1×43×50+1×253×10+1×63×4+1×2.5 G25 穿管管径 G25 G25 G25 G25 G25 G15 G32 G32 G25 G25 G25 G25 G32说明: BT95O9为事故照明切换板~其直流电源用VV22-1-2×4电缆引至直流屏。
精心整理学习帮手精心整理学习帮手精心整理学习帮手精心整理学习帮手精心整理学习帮手精心整理学习帮手精心整理学习帮手精心整理学习帮手2×8MW(a)2×10MVA1G G1TG2G2T110KV 35KV2×8MW(b)20MVAG1G 2GG110KV2T2G(c)2×8MW2×10MVAG1G 1T G35KV精心整理 学习帮手TMY-100X8ZN21-10/1250配CD10ⅢLZZBJ-101000/5 0.5/10P 2×(ZR-YJV 22-6/3×240)RN2-6/0.5ASFWG8000-6/4950Ue=6.3kV Ie=916.45A COSφ=0.8LZX-10Q800/5 0.5/10PJ Y N 2-10-03(改)1G励磁变(厂家配套)励磁互感器(厂家配套)JDJ-6 36 0.1√3√J Y N 2-10-17J Y N 2-10-18RN2-6/0.5A 36 0.1 0.1JDZJ-63√√3J Y N 2-10-20√ 6 0.1 0.1√333JDZJ-6RN2-6/0.5AHY5WZ-10/302G同左ZN21-10/2500配CD10ⅢLFZJ-102000/5 0.5/0.5/10/10PJ Y N 2-10-03SF9-20000/110Y,d11121±3×2.5%/6.3kV U k %=10.5%LGJ-120GW4-110DW/630左接地LW25-1261250A,40kA GW4-110DW/630双接地LCWB 6-110100/50.2/0.5/10P/10PTYD-110/ -0.07H 3√LRD-60-B 50/5GW4-110DW/630双接地JDCF-110Y5W1-100/260√110 0.1 0.13√√33GW 13-60G/400Y1W-73/15ZN21-10/630配CD10ⅢLZZBJ-10100/5 0.5/10PJ Y N 2-10-03ZR-YJV 22-6/3×50SC9-800/6.3D,yn116.3±5%/0.4kV Ud%=7LMZ1-0.5 1200/5LMZ1-0.5 1200/5SC9-800/10D,yn1110±5%/0.4kV Ud%=7ZR-YJV 22-10/3×50LZZBJ-10100/5 0.5/10PZN21-10/630配CD10ⅢJ Y N 2-10-06(改)ZR-YJV 22-10/3×5010kV外来电源J Y N 2-10-19JDZJ-10HY5WZ-17/51RN2-10/0.5A10/0.1kV0.4kVLMY100×8-40×8DW15-1200DW15-1200DW15-12000.1LMY100×8-40×8G~G~TMY-100X8GW4-110DW/630左接地图5-19 某水电站电气主接线全图精心整理学习帮手精心整理 学习帮手图5-20 地区变电所接线8回35kV220kV4 回2×120MVA至无功补偿装置6 回2×60MVA4回2×10MVA1T图5-21 终端变电所接线4回10kV2T110kV 35kV第六章图形精心整理学习帮手精心整理学习帮手精心整理学习帮手精心整理 学习帮手VV22-13×50+1×251#厂变进线V 42L6-A,0~150A DT864-2,380/220V,3(6A)42L6-V,0~450V说明:BT95O9为事故照明切换板,其直流电源用VV22-1-2×4电缆引至直流屏。
2×8MW(a)2×10MVA1G G1TG2G2T110KV 35KV2×8MW(b)20MVAG1G 2GG110KV2T2G(c)2×8MW2×10MVAG1G 1T G35KV图5-18 例5-2方案接线图(a )方案5-2-1接线,(b)方案5-2-2接线,(c)方案5-2-3接线注:图5-19见:“主接线厂用电实例”图TMY-100X8ZN21-10/1250配CD10ⅢLZZBJ-101000/5 0.5/10P 2×(ZR-YJV 22-6/3×240)RN2-6/0.5ASFWG8000-6/4950Ue=6.3kV Ie=916.45A COSφ=0.8LZX-10Q800/5 0.5/10PJ Y N 2-10-03(改)1G励磁变(厂家配套)励磁互感器(厂家配套)JDJ-6 36 0.1√3√J Y N 2-10-17J Y N 2-10-18RN2-6/0.5A 36 0.1 0.1JDZJ-63√√3J Y N 2-10-20√ 6 0.1 0.1√333JDZJ-6RN2-6/0.5AHY5WZ-10/302G同左ZN21-10/2500配CD10ⅢLFZJ-102000/5 0.5/0.5/10/10PJ Y N 2-10-03SF9-20000/110Y,d11121±3×2.5%/6.3kV U k %=10.5%LGJ-120GW4-110DW/630左接地LW25-1261250A,40kA GW4-110DW/630双接地LCWB 6-110100/50.2/0.5/10P/10PTYD-110/ -0.07H 3√LRD-60-B 50/5GW4-110DW/630双接地JDCF-110Y5W1-100/260√110 0.1 0.13√√33GW 13-60G/400Y1W-73/15ZN21-10/630配CD10ⅢLZZBJ-10100/5 0.5/10PJ Y N 2-10-03ZR-YJV 22-6/3×50SC9-800/6.3D,yn116.3±5%/0.4kV Ud%=7LMZ1-0.5 1200/5LMZ1-0.5 1200/5SC9-800/10D,yn1110±5%/0.4kV Ud%=7ZR-YJV 22-10/3×50LZZBJ-10100/5 0.5/10PZN21-10/630配CD10ⅢJ Y N 2-10-06(改)ZR-YJV 22-10/3×5010kV外来电源J Y N 2-10-19JDZJ-10HY5WZ-17/51RN2-10/0.5A10/0.1kV0.4kVLMY100×8-40×8DW15-1200DW15-1200DW15-12000.1LMY100×8-40×8G~G~TMY-100X8GW4-110DW/630左接地图5-19 某水电站电气主接线全图图5-20 地区变电所接线8回35kV220kV4 回2×120MVA至无功补偿装置6 回2×60MVA4回2×10MVA1T图5-21 终端变电所接线4回10kV2T110kV 35kVVV22-13×50+1×251#厂变进线V 42L6-A,0~150A DT864-2,380/220V,3(6A)42L6-V,0~450V说明:BT95O9为事故照明切换板,其直流电源用VV22-1-2×4电缆引至直流屏。
2×8MW(a)2×10MVA1G G1TG2G2T110KV 35KV2×8MW(b)20MVAG1G 2GG110KV2T2G(c)2×8MW2×10MVAG1G 1T G35KVTMY-100X8ZN21-10/1250配CD10ⅢLZZBJ-101000/5 0.5/10P 2×(ZR-YJV 22-6/3×240)RN2-6/0.5ASFWG8000-6/4950Ue=6.3kV Ie=916.45A COSφ=0.8LZX-10Q800/5 0.5/10PJ Y N 2-10-03(改)1G励磁变(厂家配套)励磁互感器(厂家配套)JDJ-6 36 0.1√3√J Y N 2-10-17J Y N 2-10-18RN2-6/0.5A 36 0.1 0.1JDZJ-63√√3J Y N 2-10-20√ 6 0.1 0.1√333JDZJ-6RN2-6/0.5AHY5WZ-10/302G同左ZN21-10/2500配CD10ⅢLFZJ-102000/5 0.5/0.5/10/10PJ Y N 2-10-03SF9-20000/110Y,d11121±3×2.5%/6.3kV U k %=10.5%LGJ-120GW4-110DW/630左接地LW25-1261250A,40kA GW4-110DW/630双接地LCWB 6-110100/50.2/0.5/10P/10PTYD-110/ -0.07H 3√LRD-60-B 50/5GW4-110DW/630双接地JDCF-110Y5W1-100/260√110 0.1 0.13√√33GW 13-60G/400Y1W-73/15ZN21-10/630配CD10ⅢLZZBJ-10100/5 0.5/10PJ Y N 2-10-03ZR-YJV 22-6/3×50SC9-800/6.3D,yn116.3±5%/0.4kV Ud%=7LMZ1-0.5 1200/5LMZ1-0.5 1200/5SC9-800/10D,yn1110±5%/0.4kV Ud%=7ZR-YJV 22-10/3×50LZZBJ-10100/5 0.5/10PZN21-10/630配CD10ⅢJ Y N 2-10-06(改)ZR-YJV 22-10/3×5010kV外来电源J Y N 2-10-19JDZJ-10HY5WZ-17/51RN2-10/0.5A10/0.1kV0.4kVLMY100×8-40×8DW15-1200DW15-1200DW15-12000.1LMY100×8-40×8G~G~TMY-100X8GW4-110DW/630左接地图5-19 某水电站电气主接线全图图5-20 地区变电所接线8回35kV220kV4 回2×120MVA至无功补偿装置6 回2×60MVA4回2×10MVA1T图5-21 终端变电所接线4回10kV2T110kV 35kV第六章图形VV22-13×50+1×251#厂变进线V 42L6-A,0~150A DT864-2,380/220V,3(6A)42L6-V,0~450V说明:BT95O9为事故照明切换板,其直流电源用VV22-1-2×4电缆引至直流屏。