锅炉设备及汽水流程 配图片
- 格式:docx
- 大小:7.16 MB
- 文档页数:14
锅炉设备及汽水流程锅炉设备介绍:1、钢结构:整个锅炉设备全部由钢结构支撑,悬吊在大板梁上,由于整个受热面系统的热胀冷缩,因此将水冷壁、过热器、再热器、省煤器等受热面设备通过吊挂装置全部悬挂在大板梁上,以保证整个锅炉能向上向下自然膨胀。
钢结构:一般材质为Q235A或Q235B,它是由几根大的钢柱和梁,还有斜撑构成。
钢结构设备到货为散件,钢结构到现场后由现场组合安装,钢结构的连接方式有焊接和螺栓连接,螺栓一般采用高强度螺栓。
采用螺栓连接的钢结构,在安装调整初期,要求每一层安装时需用临时普通螺栓初紧固,待调整和验收完毕,才能用高强度螺栓紧固,在钢架验收时候要对高强度螺栓的紧固度进行检查。
锅炉基础锅炉钢结构安装锅炉钢结构锅炉钢结构高强螺栓锅炉大板梁锅炉钢架锅炉钢架地面准备锅炉钢结构(注意剪力槽钢,与土建对应必须留有足够的剪力槽)锅炉吊挂装置,受热面设备全部吊挂在大板梁上2、水冷壁:炉膛四周由膜式管道密封组成,形成一个方体中空炉膛,由刚性梁连接形成方形整体,通过吊挂装置悬吊在大板梁上,保证向上和向下受热自然膨胀,前后左右膨胀由导向装置限制;接受炉膛火焰的直接辐射传热,水在水冷壁里经过加热至水沸腾,形成水与蒸汽的混合体,产生饱和蒸汽,最上端由上集箱连接,上端通过上集箱与锅筒连通,最下端由下集箱连接,最下端与下降管连通,同时也与锅筒连通。
水冷壁:一般材质为20G。
为保证炉膛燃烧后的热量能完全被水冷壁管内的水吸收,因此必须将炉膛密封起来,在安装水冷壁时候将管屏与管屏之间密封焊接起来保证密封形成密闭炉膛。
在水冷壁的外面为了防止热量损失及防止烫伤所以在水冷壁的外面设置了保温棉及耐火砖,保证热量损失。
水冷壁地面组合检查水冷壁地面组合水冷壁地面组合检查后吊装锅炉水冷壁安装水冷壁对口焊接锅炉水冷壁焊接及刚性梁安装下部水冷壁及水冷壁刚性梁水冷壁上集箱安装3、锅筒(汽包):圆筒形的筒体,通过吊挂装置悬挂安装在大板梁上,在炉膛的上部,与省煤器、过热器、水冷壁直接连通,在锅筒里起着汽水分离、沉淀、保证自然循环的压头、加药、排污等作用。
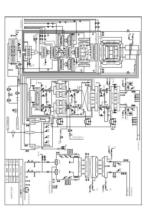
1、锅炉给水流程图(画图)2.过热器减温水系统过热器系统设有三级喷水减温器,用来调节过热蒸汽温度,一级减温器布置在低过出口集箱至大屏进口集箱的连接管上,二级减温器布置在全大屏过热器出口集箱至屏式过热器进口集箱的连接管上,共两只,三级减温器布置在屏式过热器出口集箱至高温过热器进口集箱的连接管上,共两只。
一级减温器在运行中作汽温的粗调节,是过热汽温的主要调节手段。
当切除高加时,喷水量剧增,此时大量喷水必须通过一级减温器,以防全大屏过热器、屏式过热器和高温过热器超温。
三级减温器作为调节过热蒸汽左、右侧的汽温偏差和汽温微调用,确保蒸汽出口温度。
二级减温器主要调节大屏过热器出口汽温及其左右汽温偏差。
三级减温器均采用多孔喷管式垂直于减温器筒体轴线的笛形管上有许多小孔,减温水从小孔喷出并雾化后,与同方向的蒸汽进行混合,达到降低汽温的目的,调温幅度通过调节喷水量加以控制。
过热器的作用:过热器的作用是锅炉受热面的重要组成部分,它的作用是将饱和蒸汽加热成为具有一定温度的过热蒸汽。
在实际工作时,要求锅炉负荷或其它工况发生变化时,能保证过热蒸汽温度维持在规定范围内。
再热器的作用加热汽轮机高压缸排出的蒸汽,使之成为具有一定温度的再热蒸汽,然后再送回到汽轮机的中低压缸内继续作功。
省煤器再循环的作用在锅炉启动初期,汽包上水结束后,应开启省煤器再循环电动门,以便在点火后升压升温期间使省煤器形成水循环,在汽包连续上水后,关闭省煤器再循环电动门。
对流式过热器的汽温变化具有对流特性,即它的出口温度是随锅炉蒸发量的增大而升高。
辐射和半辐射辐射式过热器的汽温特性与对流式过热器相反,即辐射式过热器的出口温度随锅炉蒸发量的增大而降低。
半辐射过热器同时吸收炉内辐射热量和烟气冲刷的对流热量,因此它的汽温特性介于辐射和对流之间,汽温随蒸发量的变化比较小。
当锅炉蒸发量增大时,其出口汽温可能又小量的增加,也可能有小量的降低,主要取决于辐射和对流两部分吸热量的比例。
锅炉设备及汽水流程锅炉设备介绍:1、钢结构:整个锅炉设备全部由钢结构支撑,悬吊在大板梁上,由于整个受热面系统的热胀冷缩,因此将水冷壁、过热器、再热器、省煤器等受热面设备通过吊挂装置全部悬挂在大板梁上,以保证整个锅炉能向上向下自然膨胀。
钢结构:一般材质为Q235A或Q235B,它是由几根大的钢柱和梁,还有斜撑构成。
钢结构设备到货为散件,钢结构到现场后由现场组合安装,钢结构的连接方式有焊接和螺栓连接,螺栓一般采用高强度螺栓。
采用螺栓连接的钢结构,在安装调整初期,要求每一层安装时需用临时普通螺栓初紧固,待调整和验收完毕,才能用高强度螺栓紧固,在钢架验收时候要对高强度螺栓的紧固度进行检查。
锅炉基础锅炉钢结构安装锅炉钢结构锅炉钢结构高强螺栓锅炉大板梁锅炉钢架锅炉钢架地面准备锅炉钢结构(注意剪力槽钢,与土建对应必须留有足够的剪力槽)锅炉吊挂装置,受热面设备全部吊挂在大板梁上2、水冷壁:炉膛四周由膜式管道密封组成,形成一个方体中空炉膛,由刚性梁连接形成方形整体,通过吊挂装置悬吊在大板梁上,保证向上和向下受热自然膨胀,前后左右膨胀由导向装置限制;接受炉膛火焰的直接辐射传热,水在水冷壁里经过加热至水沸腾,形成水与蒸汽的混合体,产生饱和蒸汽,最上端由上集箱连接,上端通过上集箱与锅筒连通,最下端由下集箱连接,最下端与下降管连通,同时也与锅筒连通。
水冷壁:一般材质为20G。
为保证炉膛燃烧后的热量能完全被水冷壁管内的水吸收,因此必须将炉膛密封起来,在安装水冷壁时候将管屏与管屏之间密封焊接起来保证密封形成密闭炉膛。
在水冷壁的外面为了防止热量损失及防止烫伤所以在水冷壁的外面设置了保温棉及耐火砖,保证热量损失。
查水冷壁地面组合水冷壁地面组合检查后吊装锅炉水冷壁安装水冷壁对口焊接锅炉水冷壁焊接及刚性梁安装下部水冷壁及水冷壁刚性梁水冷壁上集箱安装3、锅筒(汽包):圆筒形的筒体,通过吊挂装置悬挂安装在大板梁上,在炉膛的上部,与省煤器、过热器、水冷壁直接连通,在锅筒里起着汽水分离、沉淀、保证自然循环的压头、加药、排污等作用。
锅炉设备及汽水流程锅炉设备介绍:1、钢结构:整个锅炉设备全部由钢结构支撑,悬吊在大板梁上,由于整个受热面系统的热胀冷缩,因此将水冷壁、过热器、再热器、省煤器等受热面设备通过吊挂装置全部悬挂在大板梁上,以保证整个锅炉能向上向下自然膨胀。
钢结构:一般材质为Q235A或Q235B,它是由几根大的钢柱和梁,还有斜撑构成。
钢结构设备到货为散件,钢结构到现场后由现场组合安装,钢结构的连接方式有焊接和螺栓连接,螺栓一般采用高强度螺栓。
采用螺栓连接的钢结构,在安装调整初期,要求每一层安装时需用临时普通螺栓初紧固,待调整和验收完毕,才能用高强度螺栓紧固,在钢架验收时候要对高强度螺栓的紧固度进行检查。
锅炉基础锅炉钢结构安装锅炉钢结构锅炉钢结构高强螺栓锅炉大板梁锅炉钢架锅炉钢架地面准备锅炉钢结构(注意剪力槽钢,与土建对应必须留有足够的剪力槽)锅炉吊挂装置,受热面设备全部吊挂在大板梁上2、水冷壁:炉膛四周由膜式管道密封组成,形成一个方体中空炉膛,由刚性梁连接形成方形整体,通过吊挂装置悬吊在大板梁上,保证向上和向下受热自然膨胀,前后左右膨胀由导向装置限制;接受炉膛火焰的直接辐射传热,水在水冷壁里经过加热至水沸腾,形成水与蒸汽的混合体,产生饱和蒸汽,最上端由上集箱连接,上端通过上集箱与锅筒连通,最下端由下集箱连接,最下端与下降管连通,同时也与锅筒连通。
水冷壁:一般材质为20G。
为保证炉膛燃烧后的热量能完全被水冷壁管内的水吸收,因此必须将炉膛密封起来,在安装水冷壁时候将管屏与管屏之间密封焊接起来保证密封形成密闭炉膛。
在水冷壁的外面为了防止热量损失及防止烫伤所以在水冷壁的外面设置了保温棉及耐火砖,保证热量损失。
水冷壁地面组合检查水冷壁地面组合水冷壁地面组合检查后吊装锅炉水冷壁安装水冷壁对口焊接锅炉水冷壁焊接及刚性梁安装下部水冷壁及水冷壁刚性梁水冷壁上集箱安装3、锅筒(汽包):圆筒形的筒体,通过吊挂装置悬挂安装在大板梁上,在炉膛的上部,与省煤器、过热器、水冷壁直接连通,在锅筒里起着汽水分离、沉淀、保证自然循环的压头、加药、排污等作用。
锅炉设备及汽水流程锅炉设备介绍:
1、钢结构:整个锅炉设备全部由钢结构支撑,悬吊在大板梁上,由于整个受热面系统的热胀冷缩,因此将水冷壁、过热器、再热器、省煤器等受热面设备通过吊挂装置全部悬挂在大板梁上,以保证整个锅炉能向上向下自然膨胀。
钢结构:一般材质为Q235A或Q235B,它是由几根大的钢柱和梁,还有斜撑构成。
钢结构设备到货为散件,钢结构到现场后由现场组合安装,钢结构的连接方式有焊接和螺栓连接,螺栓一般采用高强度螺栓。
采用螺栓连接的钢结构,在安装调整初期,要求每一层安装时需用临时普通螺栓初紧固,待调整和验收完毕,才能用高强度螺栓紧固,在钢架验收时候要对高强度螺栓的紧固度进行检查。
锅炉基础
锅炉钢结构安装锅炉钢结构
锅炉钢结构高强螺栓
锅炉大板梁
锅炉钢架
锅炉钢架地面准备
锅炉钢结构(注意剪力槽钢,与土建对应必须留有足够的剪力槽)
锅炉吊挂装置,受热面设备全部吊挂在大板梁上
2、水冷壁:炉膛四周由膜式管道密封组成,形成一个方体中空炉膛,由刚性梁连接形成方形整体,通过吊挂装置悬吊在大板梁上,保证向上和向下受热自然膨胀,前后左右膨胀由导向装置限制;接受炉膛火焰的直接辐射传热,水在水冷壁里经过加热至水沸腾,形成水与蒸汽的混合体,产生饱和蒸汽,最上端由上集箱连接,上端通过上集箱与锅筒连通,最下端由下集箱连接,最下端与下降管连通,同时也与锅筒连通。
水冷壁:一般材质为20G。
为保证炉膛燃烧后的热量能完全被水冷壁管内的水吸收,因此必须将炉膛密封起来,在安装水冷壁时候将管屏与管屏之间密封焊接起来保证密封形成密闭炉膛。
在水冷壁的外面为了防止热量损失及防止烫伤所以在水冷壁的外面设置了
保温棉及耐火砖,保证热量损失。
水冷壁地面组合检查
水冷壁地面组合
水冷壁地面组合检查后吊装
锅炉水冷壁安装
水冷壁对口焊接
锅炉水冷壁焊接及刚性梁安装
下部水冷壁及水冷壁刚性梁
水冷壁上集箱安装
3、锅筒(汽包):圆筒形的筒体,通过吊挂装置悬挂安装在大板梁上,在炉
膛的上部,与省煤器、过热器、水冷壁直接连通,在锅筒里起着汽水分离、沉淀、保证自然循环的压头、加药、排污等作用。
锅筒(汽包):材质一般为13MnNiMoR(一种合金钢管),它的尺寸为内径1600mm,外形尺寸为12420mm-φ1790mm,炉水的容积为79立方,汽容积69立方,筒体端部布置有420mm的一个人孔。
锅炉内部由汽水分离器、一次分离器为旋风分离元件、二次分离器为波形板、三次分离器为多孔均布板,汽包外部有汽水、排污、加药、水位计、阀门等管座。
汽包(锅筒)与内部装置分开两部分到现场,设备到现场后对锅炉锅筒设备先检查材质、焊缝、划线、等、然后吊装锅筒设备,经调整验收后,再安装内部装置。
锅炉汽包
锅炉汽包内部装置
锅炉汽包吊装在大板梁上
4、下降管:由四根φ273-φ426的管子将锅筒和下降管连接起来,保证锅筒内的水自然通过压头流到水冷壁下降管,形成自然循环。
下降管材质一般采用20G-GB5310材质(不锈钢管)。
下降管由于考虑热散失在管外进行了保温,并加装了保温外壳。
防止热散失和烫伤人。
锅炉下降管与汽包管座焊接
未安装焊接的下降管
5、过热器:分高、低温过热器,是由管排组成。
锅筒里的饱和蒸汽由于在温度和含水份上达不到合格蒸汽标准,因此通过过热器对锅筒来的蒸汽进行加热,以使里面的蒸汽在温度和含水份上达到干蒸汽合格要求。
(布置在后竖井烟道、炉膛上部、顶棚等)。
过热器材质一般采用12Cr1MoVG、SA-213T91、20G等材质构成,在锅炉炉膛顶部布置的过热器为顶棚过热器,在炉膛上空布置的过热器为屏式高温过热器,在水平烟道布置的过热器为水平烟道过热器,在后竖井内布置的过热器为低温过热器。
过热器地面组合、检查、通球等
锅炉过热器安装
锅炉过热器、汽水连接管道顶部及吊挂装置
6、省煤器:由蛇形管排组成,布置在后竖井烟道内。
原水经过化学处理后,经省煤器进入锅筒,在省煤器里经过烟气加热(150°-200°烟气),将加热后的热水送入锅筒。
省煤器的目的就是利用烟气余热来加热给水,节约热量排除,同时加热给水保证给水达到设计要求的给水温度。
主省煤器及附属省煤器材质一般采用20G,省煤器采用蛇形管排与烟气逆向布置在后竖井烟道内.
省煤器管
7、空气预热器:布置在后竖井最下面,同样利用烟气余热加热鼓风机来的空气,以节约利用烟气排出的热量,同时也是保证空气进入燃烧器与煤气燃烧的送风温度。
空气预热器材质一般为Q215A,在后竖井烟道内,空气预热器管排以逆烟气流向布置的蛇形管排,
管箱式的省煤器
管排式空预器
8、再热器:通过汽轮机高压缸冲转做功的蒸汽引入再热器进行加热,加热后的再热蒸汽引入汽轮机低压缸做功,经过再热蒸汽加热后做功比不用再热蒸汽加热做功可提高热效率,因此在锅炉的烟道后竖井内和水平烟道内设置再热器管排。
再热器材质一般采用12Cr1MoVG、SA-213T91、20G等构成,在水平烟道内布置再热器,通过接受水平烟道来的烟气来加热过热蒸汽。
9、鼓风机:在锅炉零米两侧布置两台鼓风机,鼓风机的目的就是可燃物(煤
气)燃烧需要氧气助燃,通过鼓风机将空气(氧气)与燃烧可然物(煤气)混合,在炉膛里面燃烧。
10、引风机:由于炉膛里面是微负压,因此燃烧后的烟气不能迅速排出大气,在锅炉的尾部烟道设置两台引风机,形成抽力,将燃烧后的烟气抽送至烟囱,排入大气。
11、烟囱:在锅炉的尾部设置一根烟囱,将烟气排出大气,保证发电区域的卫生。
12、燃烧器:煤气燃烧时的设备,燃烧器将煤气和空气混合在炉膛燃烧,形成火焰加热水冷壁里面的水,将水加热成水蒸汽。
锅炉燃烧点火采用液化石油汽点火的方式引燃高炉煤气,在高炉煤气进入燃烧器前,高炉煤气在炉后煤气加热器(尾部烟气)的加热作用下,加热到100-140度之间,然后引入燃烧器与空气预热器的空气一起在炉膛内燃烧。
燃烧器与高炉煤气接触的部分材质为316L,保证能耐高温,确保燃烧器的安全。
煤粉锅炉燃烧器
锅炉的汽水流程:。