波纹管涵施工技术交底
- 格式:docx
- 大小:42.27 KB
- 文档页数:8
钢波纹管涵安全技术交底1. 引言钢波纹管涵是一种常用的交通运输设施,用于解决小河流、溪流或短途断流对交通的影响。
为了确保工程质量和用户的安全,必须在钢波纹管涵的设计、施工和使用过程中遵循相关的安全技术。
2. 设计方面的安全考虑在钢波纹管涵的设计过程中,需要综合考虑以下几个安全因素:2.1. 洪水流量计算钢波纹管涵的设计应根据当地历史洪水水位资料以及对应洪水流量计算方法,合理确定波纹管的尺寸和数量。
确保波纹管能够承受设计洪水流量,不发生破坏和冲刷。
2.2. 地质勘察在钢波纹管涵的设计阶段,应进行充分的地质勘察,了解所处地段的土壤情况、地下水位和地表稳定性等因素。
根据勘察结果,选择适当的施工方法和材料,确保工程的稳定性和耐久性。
2.3. 设计荷载考虑钢波纹管涵需要考虑各种荷载,如交通荷载、土压力、地震力等。
在设计中应根据实际使用情况和相关标准,对各种荷载进行合理的计算和分析,确保波纹管的结构强度和稳定性。
2.4. 排水设计钢波纹管涵在设计中还需要合理考虑排水问题。
确保波纹管内的排水系统能够有效地将积水排除,避免波纹管内部积水过深而影响使用安全。
3. 施工方面的安全要求在钢波纹管涵的施工过程中,必须严格按照相关的安全规范和要求操作,确保施工人员和周围环境的安全。
3.1. 施工现场管理在施工现场,应指定专人负责安全管理工作,制定详细的施工方案和操作规程,确保施工的顺利进行。
同时,施工现场应设置警示标示,明确安全区域和禁止进入区域,防止工作人员和外来人员不当操作和闯入。
3.2. 基坑支护在进行钢波纹管涵的基坑开挖时,需要根据土壤情况和设计要求,采取适当的基坑支护措施,确保基坑的稳定性和工作人员的安全。
3.3. 排水施工在施工过程中,应及时排除雨水和泥浆等积水,保持施工现场的干燥,防止工作人员滑倒和泥浆污染环境。
3.4. 施工材料质量控制施工过程中使用的材料必须符合相关标准和规范,并严格按照设计要求进行验收和使用。
一、交底目的为确保波纹管拱涵施工过程中的安全,提高施工人员的安全意识和操作技能,特进行本次安全技术交底。
二、交底内容1. 施工人员安全培训(1)所有参与波纹管拱涵施工的人员必须经过专业培训,了解施工工艺和安全操作规程。
(2)施工人员应熟悉本岗位操作规程,掌握安全生产知识和技能。
(3)施工过程中,严格遵守安全操作规程,不得违章作业。
2. 施工现场安全措施(1)施工现场设置明显的安全警示标志,确保施工区域安全。
(2)施工现场设置安全通道,保持通道畅通,防止人员拥堵。
(3)施工现场设置防护设施,如安全网、防护栏杆等,防止高处坠落。
(4)施工现场设置消防设施,如灭火器、消防栓等,确保火灾发生时能及时扑救。
3. 施工机械与设备安全操作(1)使用前,检查机械设备是否完好,操作人员应熟悉设备性能及操作方法。
(2)机械设备操作人员必须持证上岗,严格遵守操作规程。
(3)机械设备运行过程中,注意观察设备运行状态,发现异常情况立即停机检查。
4. 波纹管拱涵施工安全注意事项(1)施工前,对施工人员进行安全教育培训,提高安全意识。
(2)施工过程中,注意观察施工现场,防止人员碰撞、触电等事故发生。
(3)施工过程中,严格按照设计要求施工,确保施工质量。
(4)施工过程中,加强施工材料、设备的管理,防止丢失、损坏。
(5)施工过程中,加强施工现场的通风、防尘、防毒措施,确保施工人员身体健康。
5. 应急处理(1)施工现场发生安全事故时,立即停止施工,组织人员抢救受伤人员。
(2)立即上报相关部门,按规定程序处理事故。
(3)事故处理后,分析事故原因,制定预防措施,防止类似事故再次发生。
三、交底要求1. 施工单位应将本次安全技术交底作为施工前的必要程序,确保施工人员充分了解安全注意事项。
2. 施工人员应认真听取安全技术交底内容,确保掌握安全操作规程。
3. 施工单位应定期对施工人员进行安全教育培训,提高安全意识。
4. 施工现场应设置专职安全员,负责施工现场的安全管理工作。
右玉至平鲁高速公路建设项目
工程技术交底卡片SJ-02
填土相接触的坡面应按路基填筑规定开挖成阶梯状并压实。
涵管两侧回填应采纳振动压路机压实,压实度不小于96%。
结构近处采纳机械 夯实,管
底下方楔形部粗砂用“水密法”震荡器振实。
涵管上方当填土厚度小于最小填土厚度时采纳手扶振动压路机压实或采纳小 于6t 的静碾
压路机压实,压实度不小于96%。
当涵管顶填土大于最小填土厚度后, 方可采纳YZ12压路机施工,每层厚度20cmo
钢波纹管涵回填未达到最小填土高度时,严禁一起重型车辆同行。
八、留意事项
设拼装指挥员一名,负责指挥起吊及施工人员现场操作。
搭脚手架必需坚固、平稳。
架设内脚手,留意直径两端距离,以防安装时通道变形。
水准点、导线点闭合状况及其他:
本工程需要使用的掌握点有VCI8、VCl7、VC16,经复核此导线点满意施工要求。
技术负责人 接收人签字。
1)进入现场的每个人都应佩戴安全帽,并严格按照规定佩戴。
2)基坑开挖,随时掌握土体情况,避免基坑坍塌。
3)基坑较深时,要在四周设置好安全围护栏。
4)严格按照施工规范和安全操作规程施工,在作业地点挂警告示牌,严禁违章操作野蛮施工。
5)各专业施工人员都要参加专业安全教育,考试合格后才能上岗,特殊工种更要经过培训持证上岗。
6)施工操作人员要佩带安全防护工具,现场操作人员戴安全帽,禁止酒后作业,穿拖鞋上岗。
吊装作业起重臂下严禁站人,吊装现场要有专人指挥。
7)施工现场设置足够的照明装置,以便施工,夜间施工设红色标志灯以警示。
8)施工现场标识醒目,布局合理,施工人员持证牌上岗。
9)吊车和吊具上的钢丝绳,均应符合设计要求,使用时应有专人检查维修。
基坑四周设置栏杆进行防护。
10)所有的机电设备要由专人操作,各种设备的操作员应熟悉掌设备性能、路线、电源等,专人负责检修(定期检修),使用前应先进行检查,发现问题及时解决。
11)在施工时,严格按照环保措施进行施工,施工的废水、废料不得乱倒要运到指定的地方进行必要处理,严禁直接排往附近农田和河流等,基坑开挖的废土运到弃土场。
12)水泥等粉细散装材料,卸运时采取必要的措施,减少扬尘。
施工垃圾及时清运,适量洒水,减少扬尘。
钢波纹管涵技术交底————————————————————————————————作者:————————————————————————————————日期:平塘县S315团部口至通州公路改扩建工程钢波纹管涵施工技术交底黔南州交通建设公司二0一七年三月施工技术交底记录2017年3月1日编号:工程名称S315团部口至通州公路改扩建工程分部工程涵洞、通道工程分项工程名称钢波纹管涵交底内容:施工方案,质量检测,安全生产,施工期间的环境保护,施工期间的通车,文明施工。
1、施工准备1.1 技术准备1.1.1熟悉相关规范、图纸,掌握钢波纹管涵的设计要求。
1.1.2放样出基础的平面位置控制点,根据控制点弹出管涵位置线。
1.1.3在施工组织设计中明确钢波纹管涵的施工流程。
1.1.4施工前向施工班组及技术人员进行书面技术、安全、环保交底。
1.2机具准备:钢筋钩子、撬棍、扳子、汽车吊、墨斗、尺子、钢丝绳等。
1.3材料准备1.3.1涵管材质采用进口镀锌钢板。
1.3.2核对高强螺栓和钢波纹管涵产品的质量合格证明文件及检验报告。
2、操作工艺2.1工艺流程3.2 操作工艺要求 3.2.1测量放样管涵施工前,首先应准确定出管涵中心及纵横轴线。
基坑边坡坡度可依土质情况按设计和规范要求所列基坑坑壁坡度适当放陡。
基坑宽度与涵洞基础尺寸相同。
放边桩应考虑换填厚度,一次放够尺寸。
3.2.2 基坑开挖采用人工配合机械开挖的办法,反开槽放坡坡度为1:1,弃土应注意弃堆坡脚离开挖基坑上口边缘至少1.0m 以上,以免引起坑壁坍塌伤人,同时应注意圬工材料的进出口道路,避免被弃土堵塞,基坑上游可能被雨水冲刷处不宜堆弃土。
基底开挖完后,应检查如下内容:1)基底平面位置、尺寸及高程是否符合设计要求;施工准备 材料检验测量放样 基础开挖 基底处理 涵背回填基础施工 地 基 承 载 力 检墙体施工整 管 节 拼 成品检测、2)基底地质承载力是否与设计相符;3)基底处理及排水能否满足要求。
一、交底编号: [编号]二、工程名称: [工程名称]三、交底日期:年 [月] 日四、施工单位: [施工单位]五、分项工程名称:波纹管施工作业六、交底提要:为确保波纹管施工过程中的安全与质量,特进行安全技术交底。
请所有参与施工的人员认真阅读并严格执行以下安全措施。
七、交底内容:1. 施工前的准备工作:- 场地要求:根据施工现场总平面图,合理规划波纹管堆放区、施工通道及材料存放区域。
确保场地平整坚实,排水畅通。
- 材料准备:检查波纹管、连接件、密封件等材料的质量,确保符合设计要求。
不合格材料严禁使用。
2. 施工安全注意事项:- 个人防护:施工人员必须佩戴安全帽、防护眼镜、防尘口罩、手套等个人防护用品。
- 高空作业:进行高空作业时,必须使用安全带,并确保安全带连接牢固可靠。
- 电气安全:施工现场严禁私拉乱接电线,所有电气设备必须符合安全规范,并由专业人员操作。
3. 施工步骤及要点:- 定位放线:根据设计图纸,准确放线,确保波纹管安装位置准确无误。
- 连接安装:使用专用工具连接波纹管,确保连接牢固,无漏气、漏液现象。
- 密封处理:对连接处进行密封处理,防止介质泄漏。
- 试压检测:安装完成后,进行试压检测,确保波纹管及连接处无泄漏。
4. 施工环境控制:- 温度控制:波纹管施工环境温度应在规定范围内,避免温度过高或过低影响材料性能。
- 湿度控制:施工现场湿度应控制在合理范围内,防止材料受潮。
5. 应急预案:- 泄漏处理:发生泄漏时,立即关闭泄漏点附近的阀门,切断泄漏源,并采取堵漏措施。
- 火灾处理:发生火灾时,立即启动应急预案,使用灭火器或消防栓进行灭火。
八、人员安排:- 施工负责人: [姓名],负责全面协调和管理波纹管施工。
- 施工班组: [班组名称],负责具体施工操作。
- 安全员: [姓名],负责现场安全监督和管理工作。
九、注意事项:- 施工过程中,严格遵循操作规程,不得擅自更改施工方案。
- 定期对施工人员进行安全教育培训,提高安全意识。
一、交底对象本次安全技术交底的对象为参与波纹管拱涵施工的全体人员,包括施工管理人员、技术人员、操作人员及现场监理人员。
二、交底目的为确保波纹管拱涵施工过程中的安全,提高施工人员的安全意识,降低安全事故发生的风险,特进行本次安全技术交底。
三、交底内容1. 工程概况- 项目名称:[项目名称]- 施工地点:[施工地点]- 施工内容:波纹管拱涵施工- 施工工期:[施工工期]2. 安全操作规程- 人员进入施工现场必须佩戴安全帽,穿防滑鞋,系好安全带。
- 施工现场严禁酒后作业、疲劳作业。
- 上下班必须遵守交通规则,不得在施工现场追逐打闹。
- 施工现场严禁吸烟、使用明火。
3. 施工安全注意事项- 波纹管拱涵施工前,应进行全面的安全检查,确保施工设备、材料、环境等符合安全要求。
- 施工过程中,严禁在拱涵上方进行高空作业,如需进行,必须采取安全防护措施。
- 施工现场应设置明显的警示标志,确保施工人员了解危险区域和注意事项。
- 波纹管安装过程中,应确保管道连接牢固,防止管道脱落或变形。
- 施工过程中,应随时检查管道的密封性,防止渗漏。
4. 应急预案- 发生安全事故时,应立即停止施工,组织人员进行救援,并及时上报相关部门。
- 应急预案包括但不限于:火灾、触电、高空坠落、机械伤害等。
- 施工人员应熟悉应急预案,掌握救援知识和技能。
5. 培训与考核- 施工人员必须接受安全教育培训,考核合格后方可上岗。
- 定期对施工人员进行安全知识、技能的培训和考核。
四、交底要求1. 施工单位应组织专人进行安全技术交底,确保每位施工人员了解并掌握安全操作规程和注意事项。
2. 施工人员应认真听取安全技术交底,并做好记录。
3. 施工现场应设立安全监督员,对施工过程进行监督,确保安全措施落实到位。
五、总结通过本次安全技术交底,希望大家能够提高安全意识,严格遵守安全操作规程,确保波纹管拱涵施工过程中的安全。
如有任何疑问,请及时向安全监督员或项目负责人咨询。
目录1、施工放样 (1)2、基坑开挖和检测 (2)3、端墙基础砌筑 (2)4、基底砂砾土回填 (2)5、波纹管防腐处理及安装 (3)5.1施工前准备 (3)5.2安装操作方法 (3)6、端墙、八字墙砌筑 (4)7、帽石施工 (4)8、台背回填 (4)9、质量检测 (5)钢波纹管涵技术安全交底施工单位须对地面标高进行复测、地质进行核实,理解进出口衔接的设计意图,确认进出口排水顺畅或与其它构造物衔接合理时方可进行施工。
如果与设计不符,请及时与相关单位联系,共同解决.施工工艺流程:施工放样→基础开挖和检测→端墙基础砌筑→基底砂砾土回填→波纹管防腐处理及安装→端墙、八字墙砌筑→台背回填1、施工放样用全站仪对涵洞基础进行测量定位。
准确测量放样基础平面位置和中线平面位置并在地面上打桩标定,现场施工人员要对所放控制点加强保护.2、基坑开挖和检测开挖前根据设计图纸放出开挖边线,开挖采用人工配合挖掘机作业。
使用挖掘机开挖,挖至离基底10cm时,改用人工开挖,避免基底超挖。
基坑开挖放坡按1:0。
5进行,且保证基坑开挖后基础和坡脚之间有不小于50cm的工作平台.挖槽宽不但应方便管侧填土的夯填,而且还应满足设计上需要的基础宽度。
开挖过程中测量员及时用水准仪测量控制基底高程.涵底压实度要达到95%,承载力不得低于250KPa。
基坑开完完成后要找现场监理工程师、测量监理工程师和试验监理工程师报检。
3、端墙基础砌筑端墙基础采用M7.5浆砌块石砌筑,砌筑基础时应先坐浆后砌石,坐浆厚度应使石料在挤压安砌时能紧密连结,且砌石砂浆密实饱满.挂横线采用坐浆法分段分层砌筑。
应选用具有比较整齐表面的大尺寸石块作为定位石及镶面石。
外围固定砌块应与里层砌块交错连成一体,定位石的砌缝应满铺砂浆,不得镶嵌小石块。
砌筑时,砌体中的石块应大小搭配,石料间的砌缝要互相交错、咬搭,砂浆密实.石料之间不得无砂浆直接接触,也不准干填石料后铺灌砂浆。
片石不宜竖立使用,砌筑时应将尖锐突出部分敲除。
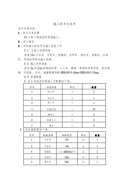
施工技术交底书技术交底内容:1.技术交底范围XX公路工程钢波纹管涵施工。
2.设计情况3.开始施工的条件及施工准备工作3.11施工机械准备准备25t汽车吊、平板车、挖掘机、自卸车、洒水车、装载机、压路机、发电机等相关施工机械。
3.2施工材料准备直径2m和L5m的钢波纹管、土工布、棉被、厚塑料布等材料、组合钢模、竹胶板、方木、端墙围圈钢筋HRB400Φ16mm›HRB400ΦIOmm o3.3资源配置4,施工工艺4.1施工工艺流程图钢波纹管涵施工工艺流程图5.2施工方法6.2.1测量放样对施工场地进行平整,安排布置各种材料堆放场地,组织所需机械设备。
施工前组织测量人员根据设计图纸放出管涵轴线,打好中边桩,在涵管中轴线和基础范围边缘撒上白色灰线,测出原地面高程。
放样后,根据施工现场具体地理条件及施工场地将相关的水系进行改道、汇拢、引流至工作面以外,以防止土体渗水对涵洞地基持力层的侵蚀。
7.2.2基坑开挖(1)按照设计要求开挖地基,为了便于机械碾压,基坑开挖宽度为波纹管最外侧各延伸2m,基坑坑壁坡度按照表4.1要求设置。
(2)基坑开挖应清除植被、松散沉积物和粒径大于75mm的岩石。
当基坑底部含有软弱土层、岩石时,应先进行地基处理。
(3)开挖过程中进行高程控制,机械开挖标高控制在设计基底标高以上20cm o(4)基坑开挖完成后,人工及时清底至设计基底标高。
挖至标高的土质基坑不得长期暴露,扰动或浸泡,并应及时进行自检基坑尺寸和高程,自检合格后,及时报请设计代表及监理工程师进行基坑验收工作。
(5)安装防护栏杆基坑顶面边缘设置护道,且护道宽度不小于1m。
距基坑边缘Im处设立防护栏杆,顶层栏杆高度1.2m,立柱水平间距2m,且距地面20Cnl设立踢脚板。
防护栏杆用密目式安全网进行封闭围护。
周围设置警示标识,无关人员禁止靠近。
示例见下图:密H网封闭振捣时,振动棒上下略有抽动,以使上下振动均匀,振捣时不得碰撞模板。
(3)混凝土养护①舲浇筑完成后,应在收浆后尽快予以覆盖土工布加厚塑料布,并洒水养护,覆盖时不得损伤或污染混凝土的表面。
ZT1103ZCGS01
编制:复核:签收:年月日注:“技术交底书”一式四份,一份交工班作为施工的依据,一份交单位工程主管技术负责人,一份交计经部作为验工计价的依据,一份项目工程部留存备查,并办理交接签字手续。
ZT1103ZCGS01
编制:复核:签收:年月日注:“技术交底书”一式四份,一份交工班作为施工的依据,一份交单位工程主管技术负责人,一份交计经部作为验工计价的依据,一份项目工程部留存备查,并办理交接签字手续。
ZT1103ZCGS01
编制:复核:签收:年月日注:“技术交底书”一式四份,一份交工班作为施工的依据,一份交单位工程主管技术负责人,一份交计经部作为验工计价的依据,一份项目工程部留存备查,并办理交接签字手续。
ZT1103ZCGS01
编制:复核:签收:年月日注:“技术交底书”一式四份,一份交工班作为施工的依据,一份交单位工程主管技术负责人,一份交计经部作为验工计价的依据,一份项目工程部留存备查,并办理交接签字手续。
一、工程名称:(填写具体工程名称)二、工程部位:(填写具体工程部位)三、工程编号:(填写具体工程编号)四、交底日期:(填写具体交底日期)五、交底内容:1. 工程概述(1)波纹管敷设工程概述,包括工程范围、施工内容等。
(2)工程地点、施工时间、施工队伍等信息。
2. 技术要求(1)波纹管材料要求:必须采用符合国家标准的阻燃型波纹管,确保波纹管具有足够的强度、耐腐蚀性、耐高温性和阻燃性能。
(2)施工工艺要求:严格按照设计图纸和施工规范进行施工,确保波纹管敷设质量。
3. 安全技术措施3.1 施工准备(1)对施工人员进行安全技术培训,确保施工人员掌握波纹管敷设的安全操作规程。
(2)对施工设备进行检查,确保设备安全可靠。
(3)对施工现场进行安全检查,消除安全隐患。
3.2 施工过程安全措施(1)施工人员必须佩戴安全帽、手套、防滑鞋等个人防护用品。
(2)施工过程中,严禁酒后作业、疲劳作业。
(3)在施工现场设置警示标志,提醒施工人员注意安全。
(4)施工过程中,严格按照操作规程进行施工,避免发生意外伤害。
3.3 高处作业安全措施(1)高处作业人员必须佩戴安全带,安全带应系在可靠的位置。
(2)高处作业平台应设置防护栏杆,确保作业人员安全。
(3)高处作业过程中,严禁随意攀爬、跳跃,避免发生坠落事故。
3.4 机械作业安全措施(1)机械作业人员必须经过专业培训,取得操作资格证书。
(2)机械作业过程中,严格按照操作规程进行操作,确保机械安全运行。
(3)机械作业现场设置警示标志,提醒周围人员注意安全。
4. 应急预案(1)发生安全事故时,立即停止施工,组织人员救援。
(2)迅速报告相关部门,启动应急预案,确保事故得到及时处理。
六、交底人:(填写具体交底人姓名及职务)七、接受人:(填写具体接受人姓名及职务)八、备注:(如有其他需要说明的事项,在此填写)请各施工人员认真阅读本安全技术交底,严格按照要求执行,确保施工安全。
施工技术交底三、基坑开挖1.将基坑控制桩延长于基坑外2m加以固定并保护好。
2.基坑开挖应保持良好的排水,并维护天然水道使地面排水畅通,防止地面水流入基坑。
开挖进程中,若有积水,应用水泵或其他方式进行排除。
3.基坑开挖时,应按设计规定的基槽断面宽度,结合施工需要增加一定宽度后进行开挖。
4.开槽基底不得超挖,尽量避免扰动基底土层,若有超挖现象时,应用砂砾或碎石进行回填,严禁用土回填。
5.在使用机械开挖时,应预留10—20cm的深度,由人工在基础施工前突击开挖,开挖后应对基底进行夯实,压实度不应小于90%。
基底承载力不得低于设计要求。
6.波纹管管底纵坡按设计要求施工,当涵管位置的天然地面高低不平或局部坡度较陡时,应进行必要的平整(挖除或补填)。
7.挖至标高的土质基坑不得长期暴露、扰动或浸泡,及时检查基坑尺寸、高程、基底承载力,并报监理工程师验收,符合要求后,应立即进行基础施工。
8.当基底土为淤泥等不良土层时,应按设计或监理工程师的要求进行换填处理。
四、波纹管涵洞施工1、波纹管的质量要求:A.由专业生产厂家采用2—8mm的薄钢板辊压成波纹管,卷制成管节,每个管节沿圆周方向分为整体及两片或多片。
B.每道波纹管出厂时,必须附有产品合格证书,运至施工现场后,必须逐节检查其几何尺寸。
C.波纹管的表面应光洁,镀层厚度及颜色均匀,无麻坑,焊接表面无气孔、裂纹、夹渣及飞溅物等缺陷。
D.凡在运输过程中变形的钢板及镀锌层划痕、擦伤等缺陷面积超过10cm2者不得直接使用。
必须采取刷红丹底漆、酚醛磁漆或其他适当的方式进行保护处理后,5、管节的铺设和连接:A .波纹管安装前,应检查涵管底部基础轴线偏位、中心点位、平整度、标高等技术指标,合格后方可进行管身安装。
B.安装应根据涵洞实际情况,排放涵管。
如果涵洞两侧进出水口是与路基同坡度的斜口形式,安装时先安装中间管节,在基础长度方向留出进水口的位置。
中间管节全部安装完毕,校正就位后再安装两侧进出水口。