低压开关柜设计指导手册
- 格式:doc
- 大小:30.00 KB
- 文档页数:12
2、MNS技术说明书MNS低压开关柜技术说明书1.适用范围MNS型低压开关柜适用于交流50HZ,额定工作电压690V及以下的系统,用于发电厂、变配电所、石油化工、工矿企业、高层建筑、车站码头等动力、照明配电系统中作为电能的分配、保护和监控之用。
2.技术标准MNS型低压开关柜符合下列技术标准●GB1207-86 电压互感器●GB1208-87 电流互感器●低电压并联电容器●低压电器外壳防护等级●低压成套开关设备●GB7261-87 继电器及继电保护装置基本试验方法●GB9166-88 低压成套开关设备基本试验方法●GB10231-88 保护继电器的结构型式与基本技术导则●GB13539-92 低压熔断器●GB/ 低压开关设备和控制设备●GB/T9661-1999 低压抽出式成套开关设备●GB50171-92 电气装置安装工程盘、柜及二次回路接线施工及验收规范●IEC51 直接动作指标模拟电气测量仪器及其附件●IEC129 交流断路器和接地保护●IEC185 电流互感器●IEC186 电压互感器●IEC255 继电器●IEC269 低压熔断器●低压成套开关设备和控制设备●IEC446 绝缘和非绝缘导体的色标●IEC73 指示灯和按钮的色标●IEC947 低压开关设备控制设备●CECS 49:93 低压开关设备控制设备3 使用环境条件周围空气温度不高于 40 C,不低于-30 C,并且24h内其平均温度不高于+35 C。
大气条件,空气清洁,相对湿度在最高温度为+40 C时不超过50%。
在较低温度时允许有较高的相对湿度。
例如:+20 C时相对湿度为90%。
但应考虑到由于温度的变化,有可能会偶然地产生适度的凝露。
海拔高度不超过2000m。
地震烈度8度;运行于无火灾、爆炸危险、严重污秽、化学腐蚀及剧烈震动的场所。
4 产品特点设计紧凑:以较小的空间能容纳较多的功能单元结构通用性强,组装灵活:以25mm为模数的C型材能满足各种结构型式`防护等级及使用环境的要求。
小三箱的设计一、实训目的学会设计一台配电小三箱和照明小三箱二、实训任务1、学会根据图纸出材料单2、学会根据图纸和材料设计小三箱的壳体和产品铭牌图。
3、学会设计小三箱的电气生产图三、实训要求1:能正确识读电气系统图和原理图,根据电路图,绘制元器件安装布置图。
2:熟练运用CAD软件。
3:能正确使用产品选型手册。
四、应知1.基本的电气元件符号。
2.主要元器件的功能、外形。
应会1、能正确识图配线。
2、能熟练操作CAD软件。
3、根据图纸选择元器件。
五、建议课时20课时你可能需要获得以下的资讯,才能更好地完成实训任务…………………………………………………………………………………六、相关理论知识小三箱主要包括:动力箱、照明箱、计量箱。
★说明:端子箱、信号箱、控制箱、插座箱属于动力箱类别;用户箱属于照明箱类别;电表箱属于计量箱类别。
这类非标的所有小箱体均称之为小三箱。
控制箱照明箱计量箱七、设计的流程1、销售部下发的图纸2、根据图纸设计出材料单3、根据图纸及材料单设计出壳体图1)按照1:1的尺寸在CAD画出元件布置图2)根据元件布置图设计出壳体3)制作要求4)制作说明4、根据原始图纸及材料单设计出生产图例题二1、销售部下发的图纸2、根据图纸设计出材料单3、根据图纸及材料单设计出壳体图1)按照1:1的尺寸在CAD画出元件布置图2)根据元件布置图设计出壳体3)制作要求4)制作说明4、根据原始图纸及材料单设计出生产图七、练习根据下列图纸设计出该小三箱的材料单,壳体图及生产图。
低压开关柜标准化设计方案(2020版)网公司设备部王庆杰2021-07-13国家电网公司设备部王庆杰202021-07-13国家电网公司设备部王庆杰2021-07-13 国家电网公司设备部王庆杰2021-07-13公司设备部王庆杰2021-07-13 国家电网公司设备部王庆杰2021-07-13国家电网公司设备部王庆2021-07-13 国家电网公司设备部王庆杰2021-07-13国家电网公司设备部王庆杰2021-07-13 家电网公司设备部王庆杰2021-07-13国家电网公司设备部王庆杰2021-07-13 国家部王庆杰2021-低压开关柜标准化设计方案(2020版) 目 录 前 言.............................................................................................................................................. I II 修编说明 .......................................................................................................................................... I V 第一部分 技术规范 ....................................................................................................................... 1 1 典型结构方案 ............................................................................................................................... 1 1.1 总则 .................................................................................................................................... 1 1.2 进线柜(方案1) ............................................................................................................. 1 1.3 母联柜(方案2) ............................................................................................................. 1 1.4 馈线柜(方案3~方案6) .............................................................................................. 2 1.5 无功功率补偿柜(方案7~方案8) .............................................................................. 3 2 一次接口及土建接口 ................................................................................................................... 4 2.1 通用参数 ............................................................................................................................ 4 2.2 SLVA 低压开关柜外形尺寸 ................................................................................................ 7 2.3 SLVA 低压开关柜拼柜尺寸 ................................................................................................ 7 2.4 断路器安装位置及铭牌位置尺寸 .................................................................................. 12 2.5 土建接口及安装位置尺寸 .............................................................................................. 12 2.6 底板开孔 .......................................................................................................................... 13 2.7 水平母线拼接尺寸 .......................................................................................................... 15 3 二次接口与仪表门布置 ............................................................................................................. 17 3.1 二次端子排 ...................................................................................................................... 17 3.2 断路器二次接口 .............................................................................................................. 17 3.3 无功功率补偿柜二次控制 .............................................................................................. 17 3.4 仪表门板 .......................................................................................................................... 18 3.5 柜内二次导线规格 .......................................................................................................... 24 3.6 核相装置 .......................................................................................................................... 24 3.7 配电自动化 ...................................................................................................................... 24 4 产品型号与标识说明 ................................................................................................................. 26 4.1 SLVA 产品型号组成说明 .................................................................................................. 26 4.2 产品型号示例与说明 ...................................................................................................... 29 4.3 SLVA 低压开关柜铭牌 ...................................................................................................... 30 4.4 SLVA 低压开关柜楣头 ...................................................................................................... 31 5 主要元器件要求及参数规格 ..................................................................................................... 32 5.1 抽屉单元一次插接件 ...................................................................................................... 32 5.2 抽屉单元二次插接件 ...................................................................................................... 32 5.3 绝缘件要求 ...................................................................................................................... 32 5.4 钣金件工艺要求 .............................................................................................................. 32 5.5 框架式断路器 .................................................................................................................. 32 5.6 塑壳式断路器 .................................................................................................................. 34 5.7 电流互感器 ...................................................................................................................... 34 5.8 过电压保护器 .................................................................................................................. 34 5.9 无功功率补偿柜(方案7) ........................................................................................... 35 5.10 无功功率补偿柜(方案8) ......................................................................................... 37 5.11 风机................................................................................................................................ 37 5.12 无功功率补偿控制器 .................................................................................................... 37 5.13 综合监测装置 ................................................................................................................ 38 5.14 二次控制保护元件 ........................................................................................................ 39 5.15智能化数据采集信息量表 ............................................................................................. 39 第二部分 检测规范 ..................................................................................................................... 41 6 规范性引用文件 ......................................................................................................................... 41 7 试验程序与试验申请资料要求 . (43)设备部 王庆杰 2021-07-13 国家电网公司 设备部 王庆杰 2021-07-13 王庆杰 2021-07-13 国家电网公司 设备部 王庆杰 2021-07-13 国家电网公司 设备部 王庆杰 2021-071-07-13 国家电网公司 设备部 王庆杰 2021-07-13 国家电网公司 设备部 王庆杰 2021-07-13 国家电网公司设备部 王庆杰 2021-07-13 国家电网公司设备部 王庆杰 2021-07-13 国家电网公司 设备 王庆杰 2021-07-13 国家电网公司 设备部王庆杰 221-07-13 国家电网公司设备部王07-13 低压开关柜标准化设计方案(2020版)7.1 试验程序 (43)7.2 试验申请资料要求 (43)8 试验样机与试验项目覆盖性要求 (44)8.1试验样机的覆盖性要求 (44)8.2关键元器件供应商数量要求 (44)8.3 试验项目的覆盖性要求 (45)9 试验项目 (47)10 试验方法与要求 (49)10.1 试验基本要求 (49)10.2标志 (50)10.3 布线、操作性能和尺寸检查 (50)10.4提升 (51)10.5 机械操作 (51)10.6 机械试验 (52)10.7 成套设备的防护等级 (53)10.8 电气间隙和爬电距离 (54)10.9 电击防护和保护电路完整性 (54)10.10 介电性能 (55)10.11主回路电阻测量 (57)10.12 温升验证 (58)10.13 电磁兼容性(EMC) (58)10.14 功能试验 (58)10.15 短路耐受强度 (58)10.16 耐腐蚀试验 (60)10.17 外壳热稳定性验证 (61)10.18 绝缘材料耐受内部电效应引起的非正常发热和着火的验证 (61)10.19 电弧故障试验 (63)10.20 无功功率补偿控制柜的附加试验 (63)附录 A (规范性附录)SLV A低压开关柜一次方案图 (67)附录 B (规范性附录)SLV A低压开关柜二次典型原理图 (98)附录 C (规范性附录)SLV A低压开关柜机械撞击位置示意图 (113)附录 D (规范性附录)SLV A低压开关柜温升验证 (121)D.1 SLVA低压开关柜温升验证 (121)D.2 无功功率补偿柜温升验证 (133)附录 E (规范性附录)电弧故障试验 (135)E.1 总则 (135)E.2 试验要求 (135)E.3试验准备 (136)E.4试验程序与结果评估 (139)E.5试验结果补充说明 (140)附录 F (资料性附录)样品描述说明与同一种类型关键元器件描述 (141)F.1 样品描述说明 (141)F.2 同一种类型关键元器件和材料描述 (145)F.3 申请人保证声明 (148)F.4 电气原理图 (149)附录 G (资料性附录)SLV A低压开关柜铭牌二维码格式要求 (150)G.1 二维码格式设置原则 (150)G.2 二维码格式分类与要求 (150)王庆杰2021-07-13国家电网公司设备部王庆杰2021-07-13 备部王庆杰2021-07-13国家电网公司设备部王庆杰2021-07-13 国家电网公司设备部王庆杰2027-13 国家电网公司设备部王庆杰2021-07-13国家电网公司设备部王庆杰2021-07-13 国公司设备部王庆杰2021-07-13 国家电网公司设备部王庆杰2021-07-13国家电网公司设备部王庆国家电网公司设备部王庆杰2021-07-13 国家电网公司设备部王庆杰2021-07-13国杰2021-07-13低压开关柜标准化设计方案(2020版)前言为进一步深化配电网标准化建设,推动配电设备向中高端迈进,国家电网有限公司设备部组织国网上海市电力公司、中国电力科学研究院以及运行单位、检测认证机构、制造企业开展了《低压开关柜标准化设计方案》编制工作。
目录第一章: 技术规范 (3)1、总则 (3)2环境条件与设计条件 (3)3.设备规范 (5)4技术条件 (6)5规范表 (18)第二章:供货范围 (23)1.一般要求 (23)2.供货范围 (23)第三章:技术资料及交付进度 (26)1一般要求 (26)2资料提交的基本要求 (26)3设备交货进度 (28)第四章:质量保证、设备监造、检验和性能试验 (29)1概述 (29)2工厂检验 (29)3性能验收试验 (31)4.包装、运输和储存 (32)第五章:技术服务和设计联络 (33)1、技术服务 (33)2设计联络会 (34)3.技术培训 (34)第一章: 技术规范1、总则1.1 本设备技术规范书适用于安徽华电六安电厂2×600MW级扩建工程全厂380V低压PC(动力中心)柜的功能设计、结构、性能、安装和试验等方面的技术要求。
1.2 本设备技术规范书提出的是最低限度的技术要求,并未对一切技术细节作出规定,也未充分引述有关标准和规范的条文,投标方应保证提供符合本技术协议和工业标准的优质产品。
1.3 如果卖方没有以书面形式对本规范书的条文提出异议,则意味着卖方提供的设备完全符合本规范书的要求。
如有异议,不管是多么微小,都应在投标书中以“对规范书的意见和同规范书的差异”为标题的专门章节中加以详细描述。
1.4 卖方须执行本技术规范书所列标准。
本技术规范书中未提及的内容均满足或优于本技术规范书所列的国家标准、国际标准、国家电力行业标准和技术支持方所采用的有关标准,有矛盾时,按较高标准执行。
1.5 卖方对PC柜成套系统设备(含辅助系统与设备)负有全责,即包括分包(或采购)的产品。
分包(或采购)的产品制造商应事先征得买方的认可。
1.6 卖方的产品应在相同容量及以上机组工程或相似条件下有5台运行并超过两年,已证明安全可靠。
并能在本工程的环境条件下安全、可靠地运行,各种类型的开关柜及其附件使用寿命应不少于30年。
低压开关柜使用手册一、低压开关柜概述低压开关柜设备:主要用于发电、输电、配电和电能转换的低压开关及其同控制、测量、保护和调节装置与电气连接,以及辅助外部设备等组成的设备。
低压开关柜是由一次设备和二次设备组成常用的一次设备有:刀开关,刀熔开关,负荷开关,智能断路器,塑壳断路器,接触器,热继电器,电流互感器,熔断器,电动机保护器及接线端子等。
低压开关柜的型号编制:依据GB/T3752.1-1999产品型号编制办法①②③④——⑤⑥1结构特征 P-开启式 G-封闭式柜 X-封闭式箱T-封闭式台 C-母线干线系统(母线槽)2外型特征 A-插拔式 B-固定安装 C-抽屉式(手车式)G-固定面板式 H-抽屉式或元件固定安装混合 L-电器件固定安装回路间加隔板 M-母线系统方式密集绝缘(用于母线槽)K-空气绝缘(用于母线槽)R-嵌入式 Y-移动式 Z-组合式3用途C-计量D-低压动态补偿E-端子F-分线J-无功功率补偿K-控制L-动力M-照明Z-直流插座(用于照明)4设计序号5规格号(方案号)6附加代号H-热带产品TH-湿热带F-防腐式C-防尘式W-户外R-耐燃型例如PGL——①②P-低压开启式配电屏G—固定安装接线L-动力①-主回路方案号②-辅助回路GGD――①②G-交流低压配电柜G-固定安装接线D-电力用GCS――①②G-封闭式开关柜C-抽屉式S-森源电器系统其中本公司通过3C认证的低压柜为GGD2和GCS二低压电器的分类和用途1低压断路器(俗称自动空气开关)是低压配电网中的主要电器开关之一,它不仅可以接通和分断正常负载电流,电动机工作电流和过载电流,而且可以接通和分断短路电流,主要用在不频繁操作的低压配电线路或开关柜中作为电源开关使用并对线路电器设备及电动机等实行保护。
当发生严重过电流,过载,短路,断相,漏电等故障时,能自动切断线路起保护作用。
有万能框架式,装置式(塑壳式),模数化小型及智能化断路器1)按用途分A保护配电线路用B保护电动机型C保护照明线路D漏电保护型2)按主回路极数分A单极B双极C三极D四极3)按脱扣器种类分A短路瞬时B短路延时C过载长延时(时限保护)D欠压瞬时E欠压延时F漏电保护G分励脱扣例如DZ20MTMWCW1AHMEYSA2DW15DW17DZ47C45NC65NC45AD等符号2接触器用于远距离控制,频繁操作交,直流主回路及大容量控制电路中。
GGD型交流低压配电柜一、概述:GGD型交流低压配电柜适用于发电厂、变电站、厂矿企业等电力用户的交流50Hz,额定工作电压380V,额定工作电流至3150A的配电系统,做为动力、照明及配电设备的电能转换,分配与控制之用。
二.用途:GGD型交流低压配电柜适用于发电厂、变电站、厂矿企业的交流50Hz,额定工作电压380V,额定工作电流至3150A的配电系统,作为动力、照明及配电设的电能转换、分配与控制之用。
GGD型交流低压配电柜是根据能源部广大电力用户及设计部门的要求,本着安全、经济、合理、可靠的原则设计的新型低压配电柜。
产品具有分断能力高,动热稳定性好,电气方案灵活、组合方便、系列性、实用性强、结构新颖、防护等级高等特点。
可作为低压成套开关设备的更新换代产品使用。
GGD型交流低压配电柜符合IEC439《低压成套开关设备和控制设备》,GB725《低压成套开关设备和控制设备》等标准。
三.产品型号及含义:G G D辅助电路方案代号主电路方案代号1 分析能分为15kA设计序号 2 分析能分为30kA3 分析能分为50kA电力用柜电器元件固定安装固定接线交流低压配电柜四.使用条件:3.1 周围空气温度不高于+40℃、不低于―5℃,24h内的平均温度不得高于+35℃。
3.2 户内安装使用,使用地点的海拔高度不得超过2000m。
3.3 周围空气相对湿度在最高温度为+40℃时不超过50℃,在较低温时允许有较大的相对湿度,列如+20℃时为90%,应考虑到由于温度的变化可能会偶然产生凝露的影响。
3.4 污染等级3。
3.5 设备安装时与垂直面的倾斜度不超过5°。
3.6 设备应安装在无剧烈震动和冲击的地方以及不足使电器元件受到腐蚀的场所。
3.7 用户哟普特殊要求时可与制造厂协商解决。
五、电气性能:4.1 基本电气参数型号额定电压v 额定电压A额定短路开断电流KA额定短时耐受电流(1s)(kA)额定峰值耐受电流KAGGD1 380 A 1000 15 15 30B 600 630C 400GGD2 380 A 1500 1600 30 30 63B 1000CGGD3 380 A 3150 50 50 105B 2500C 2000GGD型交流低压配电柜4.2 主电路方案GGD柜的主电路设计了129个方案,共298个规格(不包括辅助电路的功能及控制电压的变化而派生的方案和规格)。
低压配电设计规范第一章总则 (1)第二章电器和导体的选择 (2)第一节电器的选择 (2)第二节导体的选择 (2)第三章配电设备的布置 (4)第一节一般规定 (4)第二节配电设备布置中的安全措施 (5)第三节对建筑的要求 (6)第四章配电线路的保护 (6)第一节一般规定 (6)第二节短路保护 (7)第三节负载保护 (7)第四节接地故障保护 (8)第五节保护电器的装设位置 (11)第五章配电线路的敷设 (12)第一节一般规定 (12)第二节绝缘导线布线 (12)第三节钢索布线 (14)第四节裸导体布线 (14)第五节封闭式母线布线 (15)第六节电缆布线 (15)第七节竖井布线 (19)附录一名词解释 (19)第一章总则第1.0.1条为使低压配电设计执行国家的技术经济政策,做到保障人身安全、配电可靠、电能质量合格、节约电能、技术先进、经济合理和安装维护方便,制订本规范。
第1.0.2条本规范适用于新建和扩建工程的交流、工频500V以下的低压配电设计。
第1.0.3条低压配电设计应节约有色金属,合理地选用铜铝材质的导体。
第1.0.4条低压配电设计除应执行本规范外,尚应符合现行的国家有关标准、规范的规定。
第二章电器和导体的选择第一节电器的选择第2.1.1条低压配电设计所选用的电器,应符合国家现行的有关标准,并应符合下列要求:一、电器的额定电压应与所在回路标称电压相适应;二、电器的额定电流不应小于所在回路的计算电流;三、电器的额定频率应与所在回路的频率相适应;四、电器应适应所在场所的环境条件;五、电器应满足短路条件下的动稳定与热稳定的要求。
用于断开短路电流的电器,应满足短路条件下的通断能力。
第2.1.2条验算电器在短路条件下的通断能力,应采用安装处预期短路电流周期分量的有效值,当短路点附近所接电动机额定电流之和超过短路电流的1%时,应计入电动机反馈电流的影响。
第2.1.3条当维护、测试和检修设备需断开电源时,应设置隔离电器。
低压开关柜技术说明书一、设备名称及数量低压开关柜型号:GCL型式:抽屉式低压开关柜防护等级:IP4X母线排、铜排,由厂家依照柜面布置图制作母线排。
二、执行的主要技术标准、规范文件低压开关柜的设计、制造、试验及检查过程中执行以下标准及其它相关标准:GB7251.1-1997《低压成套开关设备》ZBK36001-89《低压抽出式成套开关设备》GB4942.2-85《低压电器外壳防护等级》IEC-439-1《低压成套开关设备和控制设备》IEC-439-2《工厂组装的低压成套开关设备和控制设备装置对母线干扰系统的补充要求》IEC-529《外壳防护等级的分类》GB14048-2002《低压开关设备和控制设备》注:本项目所选用的材料及配件均须保证符合相关的最新国际和国家标准。
三、工程环境及电气参数1、使用环境安装地点:户外温度:-207C -+422C海拔高度:1000m 平均日温差:不大于+35 C( 24小时内)相对湿度:月平均相对湿度不大于89%(25C)地震基本烈度:设计抗7级地震海拔高度:1000m2、开关柜额定参数额定工作电压:AC380V 额定绝缘电压:AC660V 额定频率:50Hz额定耐压:AC2500V/1分钟额定短时耐受电流(1S);水平母线80KA ;垂直母线80KA额定峰值耐受电流;水平、垂直主母线176KA ;分之母线105KA四、技术要求1、低压开关柜结构要求所有柜内母线及分支母线必须用热缩管加强绝缘。
抽屉与母线插头之间保持接触良好,做防腐、氧化处理。
柜体应具有防尘、防潮功能用螺丝组合装配制造柜体。
框架用镀锌材料,可调整间距、防护等级:IP4X2、元器件配置智能型框架式断路器 生产厂家:ABB 安装形式:抽屉式 技术要求:电气寿命5000次、机械寿命20000次、要有过载长延时+短路短延时+短路瞬时+接地故障保护,并且要灵敏、可靠。
电流互感器技术要求:外壳采用阻燃及耐高温 140C 的聚碳酸脂压注成型、铁芯采用优质硅钢片和新结构、额定工作电压 AC0.66KV 、最高耐温 120C 、工频耐压 3000V/1min,50HZ 。
元器件安装工艺电器元件装配工艺一、装配前准备工作:(1)装配前应先熟悉图纸及技术要求,检查元器件型号,规格,数量等与图纸是否相符,列入国家强制性认证目录的电器应验证其CCC标志,发现问题及时处理。
(2)检查元器件有无损坏,发现问题及时更换。
(3)组装前必须擦净元器件上的灰尘及油污二、装配工艺及要求(1)安装的元件应操作方便,操作时不受到空间或相邻元件的防碍,不能触及带电体。
(1)维修容易,能够较方便地更换元器件。
(2)满足电器元件产品说明书的要求。
例如,满足飞弧距离,电气间隙和爬电距离的要求。
(3)保证一、二次线的制作和安装距离。
(4)同一批次相同产品的装配应一致。
(5)先将元件或附件安装在相应的支架或安装板上,再将支架或安装板装在箱体上,准确测量,调整安装位置后将其紧固,调整时不得重击零部件和元器件。
(6)组装所用紧固元件,金属件的防护层不得有脱落、生锈。
螺丝选择要与元件固定孔相匹配,。
紧固后螺钉露出螺母2~5个螺距,其余螺钉应拧(7)组装时要充分考虑接地连续性,箱体内任意两个金属部件通过螺栓连接时如有绝缘层应采用相应规格的接地垫圈,并注意将接地垫圈齿面接触零部件表面,用以划破绝缘层。
(8)安装因震动易损坏的元件,应在元件和安装板之间加装橡胶垫减震。
(9)对于有操作手柄的元件应将其调整到位,不得有卡阻现象。
(10)将母线元件上预留给顾客接线用的螺栓拧紧。
(11)各种防护板应安装到位。
一次制做工艺母线加工及安装1.下料:母线要求平直,母线不得有明显的锤痕、凹坑等缺陷,母排下料一般用剪切机切断,母排在下料前或下料后进行校正,不能有毛刺存在,以防止产生尖端放电,便于装配。
2.弯制矩形母线应尽量减少弯曲。
母线弯曲部位距搭接面的边缘通常大于30㎜,母线扭转90°时,扭转部分长度不应少于母线宽度的2.5倍,并排母线的弯曲角度要一致,保证其连接安装时,不应产生内应力。
(1)平弯母线平弯在平弯机上进行,将需要弯曲的母线放在设备中,将尺寸线与弯排机刀片口对齐,使母排弯曲。
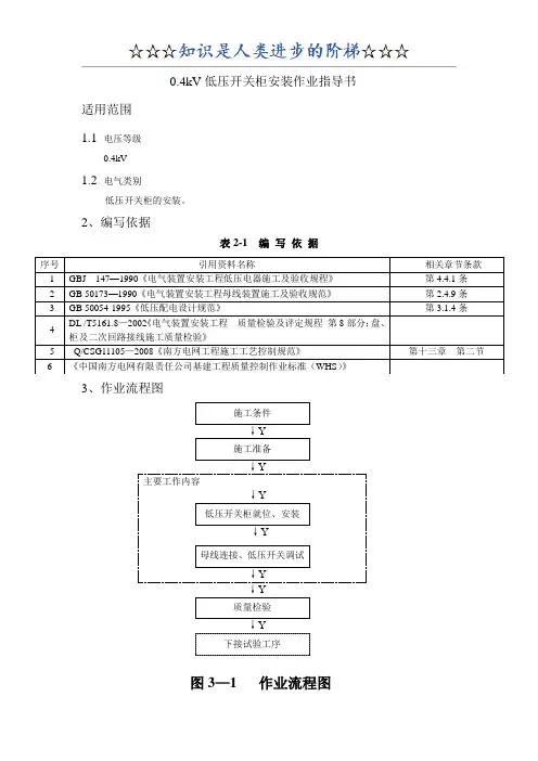
0.4kV 低压开关柜安装作业指导书适用范围 1.1 电压等级0.4kV1.2 电气类别低压开关柜的安装。
2、编写依据表2-1 编 写 依 据3、作业流程图施工条件↓Y施工准备主要工作内容↓Y低压开关柜就位、安装↓Y母线连接、低压开关调试↓Y质量检验↓Y下接试验工序图3—1 作业流程图序号 引用资料名称相关章节条款 1 GBJ 147—1990《电气装置安装工程低压电器施工及验收规程》 第4.4.1条 2 GB 50173—1990《电气装置安装工程母线装置施工及验收规范》 第2.4.9条 3 GB 50054-1995《低压配电设计规范》第3.1.4条4 DL /T5161.8—2002《电气装置安装工程 质量检验及评定规程 第8部分:盘、柜及二次回路接线施工质量检验》5 Q/CSG11105—2008《南方电网工程施工工艺控制规范》第十三章 第二节6《中国南方电网有限责任公司基建工程质量控制作业标准(WHS )》4、安全风险辨析与预控序号安全风险预控措施检查结果1 物体打击柜体重心靠上,搬运时要放柜体失重,倾覆伤人柜体拼装或底部加垫时,不得将手伸入柜底,要防止柜体挤压伤人高处安装时,应用绳索传递工器具、材料,有防止材料、工具掉下伤人的措施使用弯板机时,铜排要固定可靠,防止回弹伤人清理焊渣时必须戴上护目镜,并避免对着自己和他人的方向敲打焊渣2高处坠落高处作业应装设围栏,并系安全带安全带应系在牢固的构件上,移位时,不得时期安全带保护柜顶作业时应有安全带保护,没有地方系安全带时,可安装临时钢丝绳系挂安全带要使用合格的梯子,梯子应有人扶持,梯脚要有防滑措施3 触电邻近带电运行设备施工时要办理工作票,设专人监护、安全围栏,人体必须保持足够的距离,防止误入带电间格使用的临时电源,要有漏电保护装置,电线不能乱拉乱接防止重物、车辆砸、压电源线禁止将带电的绝缘导线搭在身上或踏在脚下使用的电动机具,外壳要接地4 火灾使用气焊作业,氧气管、乙炔管应完好无损没有龟裂,氧气表、乙炔表、防回火装置应完好指示正确氧气瓶、乙炔瓶之间距离应大于8m,距明火应大于10m电、气焊和油漆作业时应检查旁边是否有易燃、易爆物品,配备足够、有效的灭火器材,防止火灾发生5 中毒和窒息施工现场有足够的照明和通风排毒措施6 起重伤害工作人员不得站在吊臂和重物的笑面及重物移动的前方,防止器材起吊和防止过程中砸、撞伤作业人员7 机械伤害使用砂轮时应戴防护眼睛或装设防护玻璃使用砂轮时,应正面研磨,不能用砂轮的侧面研磨使用钻床或手电钻作业时不准戴手套,须把工件安装牢固,较大工件应采取固定措施,方可进行,钻孔时钻头应轻轻接触工件。
MNS低压开关柜产品说明书注意!对开关柜的任何操作都应预先阅读本说明书。
开关柜的安装和使用必须遵守标准和规范中对于电气产品的规定,必须遵守本说明书的要求。
开关柜必须安装在适合的室内环境中。
对开关柜的任何操作和维护都应由经过预先培训的专业电气人员进行。
禁止把开关柜置于超出其额定负载的情况下运行。
必须注意开关柜上的任何带电危险标记。
对开关柜的任何违规操作均可能损坏设备,甚至引起严重事故。
应把本手册放在可以方便拿到的地方。
应由专业人员负责电气设备的安全管理。
目录1总则1.1 概述1.2 标准与规范1.3 使用条件2 结构形式与技术参数2.1 电气数据2.2 防护等级2.3 结构形式2.3.1 结构形式概述2.3.2 抽出式开关柜2.3.2.1 母线系统2.3.2.2 抽屉单元2.3.2.3 PC柜2.3.2.4 无功功率补偿柜2.3.2.5 进出线电缆室2.3.2.6 外形尺寸与重量2.3.3 插拔式/固定式开关柜2.3.3.1 母线系统2.3.3.2 功能单元2.3.3.3 PC和无功功率补偿柜2.3.3.4 进出线电缆室2.3.3.5 外形尺寸与重量3 主要电气元件介绍3.1 一次回路3.2 二次回路4 主结线方案5 运输与保管5.1 运输5.2 交货与中间保管6 基础与现场安装6.1安装现场的一般要求6.2 配电室平面布置方案6.3 开关柜的基础6.3.1 以配电室地板作为基础6.3.2 混凝土地坪上的基础框架6.3.2 电缆沟施工6.4 开关柜的安装6.5 母线的安装6.6 电力电缆和控制电缆的安装6.7 开关柜的接地6.8 安装的收尾7 开关柜的运行7.1起动前的准备工作7.2 起动7.3 开关柜的操作7.3.1 框架式断路器的操作7.3.2 抽屉式开关柜的操作7.3.2.1 8E/4和8E/2抽屉单元的操作7.3.2.2 8E、16E、24E抽屉单元的操作7.3.3 横刀熔单元的操作7.3.4 插拔式开关柜的操作8 维护8.1 检查8.2 保养8.3 损坏元件的更换9 备品备件和专用工具1. 总则 1.1概述MNS 是采用标准模件、由工厂组装(FBA )的低压开关柜,它适用于交流50/60Hz ,额定工作电压≤660V ,额定电流6300A 及以下的供配电系统,作为电能分配、转换、控制和无功功率补偿之用。
M N S型低压抽出式开关柜技术规范书1、我方所提供开关设备的总体说明:1.1低压开关设备的型号规格:MNS是一种模块化、多功能的低压配电配;应用于冶金、石油、化工、工矿企业及基础设施等领域中所有需要高可靠性场合的低压、配电和电动机控制系统..MNS采用的柜体结构具有高度的灵活性..根据不同客户的需要或不同的使用场合;柜体内可安装多种型号及规格元器件..根据不同的用电设备;多种类型的馈电单元可以装在同一列柜或同一台柜中;如:馈电回路与电动机控制回路可混装在一起..MNS是一种全系列的低压开关柜;可以满足您全方位的需要;适用于4000A以下的所有低压系统..MNS可以提供高水准的可靠性和安全性、人性化的设计;加强了对人身和设备安全所需的保护..MNS为全组装式结构;其特有的型材结构及连接方式以及对各种元器件的兼容性;可满足苟刻工期及供电边续性的要求..1.2低压开关设备的主要材料:主构架柜体基础结构是由C型材装配组成;C型型材是以E=25mm为模数安装孔的钢板弯制而成;全部框架及内层隔板都作镀锌钝化处理;四周门板;侧板则作喷塑涂漆..1.3低压开关设备的技术特点:1.3.1MNS系列低压开关柜包括固定技术和抽屉技术..选用材料又分钢板结构技术和塑料结构技术..技术水平达到当代国际水平..1.3.2设计紧凑;以较小的空间能容纳较多的功能单元..1.3.3结构通用性强;组装灵活:以便25mm为模数的C型型材能满足各种结构型式、防护等级及使用环境的要求..1.3.4采用标准模块设计:分别可成保护、操作、转换、控制、调节、测定、指示等标准单元;用户可根据需要任意组装;以便200余种组装件可以组成不同方案的框架结构和抽屉单元..1.3.5安全性:大量采用高强度阻燃型工程塑料组件;有效加强防护安全性能..1.3.6技术性能高:主要参数达到当代国际水平..1.3.7压缩场所:三化程度高;可大大压缩储存和运输预制件的场所..1.3.8装配方便:不需要特殊复杂工具..1.3.9进线柜选用施耐德HWN1600A/D/1600A/3P/LSILCD-MT16;HWN2500A/D/2500A/3P/LSILCD型断路器:出线柜由大小抽屉组装而成;各回路主开关采用高分断塑壳断路器选用施耐德HB250N、HB400N、HWN400A、HWN630A、HWN800A开关..1.3.10MCC柜根据需要可组成单面操作柜或双面操作柜;每一柜体又固定分隔成三个小室;即主母线室、电器室和电缆室..1.3.11单元有可靠的机械连锁装置..1.3.12上、下层抽屉之间有带通风孔的镀锌金属地板相隔离;较小的8E/4、8E/2抽屉其四周均为阻燃型工程塑料件;故相邻回路之间有较强的绝缘隔离作用..1.3.13抽屉类型:有五种标准尺寸;都是以8E200mm高度为基准:8E/4:在8E高度空间组装4个抽屉单元8E/2:在8E高度空间组装2个抽屉单元1.3.138E:在8E高度空间组装1个抽屉单元16E:在16E400㎜高度空间组装1个抽屉单元24E:在24E600㎜高度空间组装1个抽屉单元五种抽屉单元可在一个柜体中作单一组装;也可作混合组装;一个柜体中作单一组装最多容纳单元数见表1所示..1.4低压抽出式开关柜主要元件清单;1.5低压开关柜主要技术参数:1.5.1额定绝缘电压:660V1.5.2额定工作电压:660V1.5.3主母线最大工作电流:2000A1.5.4主母线短时耐受电流1S:100KA有效值1.5.5主母线短时峰值电流:250KA1.5.6配电母线垂直母线最大工作电流:1000A配电母线垂直母线短时峰值电流标准型:90KA最大.加强型:130KA最大.防护等级防护等级IP30对大于2.5固体防护IP40对大于1.0固体防护IP54对尘埃和任意方向喷作防护2、低压开关柜生产遵循的标准:我方提供的低压开关柜符合以下标准:IEC439-11992低压成套开关设备和控制设备GB7251-1997低压成套开关设备GB1207额定电压3、低压开关柜使用环境条件:3.1海拔高度:≤2000米;3.2环境温度:-5℃~+40℃最大日温差:15℃;3.3相对湿度:最高温度为40℃时不超过50%;在较低温度时允许有较大的相对湿度:20℃≤90%;3.4安装时垂直面的倾度≤5%;且开关柜相对平整..3.5开关安装在无剧烈震动;不足以使电器元件受到不有腐蚀的场所..3.6污染等级Ⅲ..4、低压开关柜主要技术4.1系统概况:系统额定电压:380V660V系统最高电流:≤2000A系统额定频率:50Hz4.2安装地点:户内4.3接线方式:单母线;单母分段4.4开关柜基本参数:4.4.1名称型号:低压抽出式开关柜MNS4.4.2额定频率:50Hz4.4.3额定电压:380V4.5开关柜结构:4.5.1开关柜柜体的基础结构构架采用C型型材装配而成;C型型材是以E=25㎜为模数安装孔的钢板弯板而成;全部构架及内层隔板都作镀锌钝化处理;四周门板;侧板则作油漆涂覆..柜体基本尺寸如表2、3所示..4.7主要电器元件4.7.1主要电器元件的选用原则立足与引进技术;国内能成系列批量生产;又能满足高性能的要求..4.7.2电源及馈线单元断路器主选施耐德品牌断路器..该品牌断路器具有性能好、结构紧凑、重量较轻、系列性强的特点..价格相对较低;维护使用方便;各项性能指标满足本装置的要求..4.7.3抽屉单元电动机控制单元、部分馈电单元断路器选用施耐德HB250N、HB400N、HWN400A、HWN630A、HWN800A系列塑壳断路器;这些开关均有性能好、结构紧凑、短飞弧或无飞弧、技术经济指标高的特点;能满足本装置的要求..4.7.5熔断器主选上海华通NT系列..4.7.6交流接触器选用施耐德LC1-DMKM7C系列..5、技术文件和图纸5.1商务合同生效半个月内;我方向买方提供下列技术文件3份..总装图基础图电气原理图:5.2订货单位于合同签定后七天内;向供货方提供二次原理接线图..5.3产品出厂时;供货方将提供每台开关柜合格证书和安装使用说明书及本工程叁套完整的出厂文件..我方也可以代买方提供设计6、开关柜的试验6.1型式试验我方投标时保证提供权威部门的型式试验报告..型式试验符合GB7251.1:型式试验和部分型式试验成套设备的规定..6.2出厂检验每台低压开关柜均在工厂内进行整台组装并进行出厂检验;出厂检验的技术数据随产品一起交付需方..产品在拆装前对关键的连接部位和部件作好标记..6.2.2回路的工频耐压实验含局部放电实验..6.2.3辅助回路和控制回路的工频耐压实验6.2.4测量主回路电阻..6.2.5机械性能、机械操作及机械防止误操作装置电气联锁装置功能的实验..6.2.6仪表、继电保护校验及线正确性的鉴定..6.2.7在使用中可以互换的具有同样额定值和结构的组件;检验互换性..。
低压开关柜规格以及设计规范一、低压开关柜的规格要求:1.额定电压:低压开关柜的额定电压一般为380V,也可以根据实际需求进行调整。
2.额定电流:低压开关柜的额定电流根据负荷大小来确定,通常为1000A、1600A、2000A等。
3.架构形式:低压开关柜的架构形式主要有固定式、可拆卸式和半固定式等,根据实际使用情况选择合适的形式。
4.外观尺寸:低压开关柜的外观尺寸根据安装环境和要求来确定,需要确保安装和操作的便捷性。
5.绝缘等级:低压开关柜的绝缘等级一般为IP40,也可以根据实际需要增加防护等级。
二、低压开关柜的设计规范:1.设备选型:低压开关柜的选型应根据设计负荷、运行环境和安全要求进行合理选择,确保设备的适用性和可靠性。
2.绝缘设计:低压开关柜的绝缘设计应符合国家标准,确保设备的绝缘性能,防止漏电和触电等安全事故的发生。
3.排热设计:低压开关柜的排热设计应考虑设备在工作状态下的散热情况,合理安排通风孔和散热装置,以保证设备的安全运行。
4.接线方式:低压开关柜的接线方式应符合国家标准,确保接线的可靠性和安全性。
5.防火设计:低压开关柜的防火设计应根据安装环境和要求进行合理布置,确保设备在遇到火灾时能够起到防火和隔热的作用。
6.标识设计:低压开关柜的标识设计应符合国家标准,清晰明确地标识设备的功能、参数和操作方法,以方便操作和维护人员使用。
7.可靠性设计:低压开关柜的可靠性设计应考虑设备在长时间运行和恶劣环境条件下的工作情况,采用可靠的材料和结构,并预留足够的安全裕量。
通过遵循以上规格和设计规范,可以确保低压开关柜具备良好的性能和可靠的运行,保障电力系统的正常运行和工作安全。
同时,也需要定期进行维护和检修,及时发现和解决问题,以延长设备的使用寿命。
编写审核批准低压电器设备有限公司ABB Xiamen Low Voltage Equipment Co.,LtdMNS3.0低压开关柜版本:A第00章目录、版本、有效页00.1目录见下一页。
MNS3.0低压开关柜版本:A目录第00章目录、版本、有效页 (1)00.1目录 (1)00.2版本 (3)00.3有效页 (4)第0章概述 (1)0.1前言 (1)0.2正常运行环境条件 (1)第1章设备包装及运输 (1)1.1.包装尺寸 (1)1.2.包装形式 (1)1.2.1.柜体包装 (1)1.2.2.安装附件、特殊工具、备品备件包装 (1)1.3.设备装运 (1)1.3.1.起重机吊运 (1)1.3.2.叉车运输 (3)第2章设备仓储 (1)2.1.开关柜仓储 (1)2.2.备用抽屉仓储 (1)第3章设备安装 (1)3.1.安装前准备工作 (1)3.2.安装间距要求 (1)3.3.拼柜安装 (2)3.4.柜体固定 (6)3.5.与变压器的连接 (8)3.6.电缆连接 (8)3.6.1.动力电缆连接 (8)3.6.2.控制电缆连接 (11)3.6.3.接地保护(PE)导体连接 (11)3.7.螺丝或螺栓的扭力 (12)第4章其他注意事项 (1)4.1.施工中断 (1)4.2.柜体防护等级的说明 (1)4.3.油漆损伤 (1)4.4.安装完工前最后工序及检查 (2)MNS3.0低压开关柜版本:A 00.2版本版本日期章节页码修改范围及依据A 2009-05-15 所有所有初次出版MNS3.0低压开关柜版本:A 00.3有效页章节页码日期版本章节页码日期版本第00章 1 2009-05-15 A 第3章9 2009-05-15 A 第00章 2 2009-05-15 A 第3章10 2009-05-15 A 第00章 3 2009-05-15 A 第3章11 2009-05-15 A 第00章 4 2009-05-15 A 第3章12 2009-05-15 A 第0章 1 2009-05-15 A 第3章13 2009-05-15 A 第1章 1 2009-05-15 A 第4章 1 2009-05-15 A 第1章 2 2009-05-15 A 第4章 2 2009-05-15 A 第1章 3 2009-05-15 A 第4章 3 2009-05-15 A 第1章 4 2009-05-15 A第2章 1 2009-05-15 A第3章 1 2009-05-15 A第3章 2 2009-05-15 A第3章 3 2009-05-15 A第3章 4 2009-05-15 A第3章 5 2009-05-15 A第3章 6 2009-05-15 A第3章7 2009-05-15 A第3章8 2009-05-15 AMNS3.0低压开关柜版本:A第0章概述0.1前言由于MNS®系统的设计、制造及测试都要求相当精确,因此,在安装操作过程中需特别注意,以避免错误的操作引起可能产生的不良后果,为了更好地熟悉本设备的性能及操作维修要领,有关人员应参加本公司的培训。
MNS低压开关柜使用说明书(全)目录1一般信息 (3)1.1一般信息 (3)1.2技术参数 (4)1.2.1 使用环境 (4)1.2.2装置的技术参数 (5)1.3安全建议 (5)2发货 (5)2.1包装 (6)2.2收货 (7)2.3搬运 (7)2.4存放 (10)3安装 (10)3.1现场准备 (10)3.2并柜 (11)3.3母排连接 (13)3.3.1母线系统介绍 (13)3.3.2主母排连接 (15)3.3.3接地排连接 (18)3.4动力电缆连接 (19)3.5二次回路接线 (20)3.6最终安装步骤 (21)3.7基本检查 (21)3.8设备首次通电 (21)4操作 (22)4.1设备操作 (22)4.1.1进线回路的操作 (22)4.1.1.1断路器操作说明: (23)4.1.2抽屉单元的操作 (23)4.1.2.1 8E/4、8E/2抽屉单元的操作 (24)4.1.2.2 8E、16E、24E抽屉单元的操作 (25)4.1.3抽屉的抽出与插入 (28)4.1.4抽屉单元的紧急解锁 (29)4.2设备内元器件操作 (29)4.3维护 (29)4.3.1开关柜中固定安装部分的维护 (29)4.3.2抽屉维护 (30)4.3.3通电前检查 (30)4.3.4故障发生之后的维护 (30)4.3.5预防性维护的频度 (31)4.5扩展 (32)4.5.1订货时所需信息 (32)4.5.2增加回路 (32)4.5.3增加一面柜子 (33)4.6常见问题 (33)1一般信息1.1一般信息MNS低压成套开关柜是根据我国电力发展的需要,参考国外MNS系列低压开关柜设计并加以改进开发的高级型低压开关柜,其技术参数符合IEC60439-1,和GB7251.1-2005《低压成套开关设备和控制设备》,适应各种供电、配电的需要,能广泛用于发电厂、变电站、工矿企业、大楼宾馆、市政建设等各种低压配电系统。
图1.1-1 低压MNS柜图MNS开关柜骨架采用特殊的C型材,模数为25mm,其设计紧凑,结构通用性强,组装灵活,模块化设计,能满足各种结构形式、防护等级及使用环境的要求其主要参数达到当代国际技术水平。
低压开关柜设计指导手册二00五年七月内容提要:1.低压柜型号说明及特点2.常用配电系统介绍3.低压柜设计必需考虑的用户要求4.合同、技术协议、技术联系函的阅读5.审阅图纸6.柜体布置图设计及元件清单录入7.设计中常见问题一.低压开关柜型号说明及特点目前低压公司现已正常投入生产的低压开关设备有NGG1(GGD)、NGC1(GCK)、NGC2(GCS)、NGC3(NMNS)等,其中NGG1为固定柜,NGC1~3为低压抽出式开关柜(含固定分隔柜)。
柜体均采用C型材(宽50mm,厚25mm),上开模数孔(NGG1、NGC1、NGC2为20mm,NGC3为25mm),标准柜体尺寸有600、800、1000mm 宽、深,高均为2200。
NGG1为低压固定式开关设备,常规控制方式为HD13BX-口/31刀开关+断路器,刀开关作为隔离用,断路器起操作保护用。
因柜体结构强度、柜内所采用元器件及母排固定方式等多方面因素,开关柜水平母排短时耐受电流指标低,最高为50KA(1S)。
常用柜体尺寸为600、800、1000mm宽,600mm深,2200mm高,600宽柜常规安装一只刀开关,800宽柜可安装一只或两只或三只刀开关(一只刀关安装在柜体中心,两只刀开关中心距为360mm,安装三只刀开关时只能选择大小为200A的刀开关且中心距为240mm),1000宽柜为安装一只或两只刀开关(一只刀关安装在柜体中心,两只刀开关中心距为420mm)。
注意刀开关旋转操作构的安装方式及特点,旋转操作机构门上开孔尺寸为直径50mm圆孔,中心与刀开关中心右偏25mm,HS13BX刀开关刀旋梁与HD13BX刀旋梁制作有一点不同,因此在采用HS13BX刀开关时排列图中需注明。
NGC1为低压抽出式开关设备,开关柜水平母排最大额定电流3150A,短时耐受电流最高为80KA(1S)。
常用柜体尺寸为600、800、1000mm宽,800、1000mm深,2200mm 高,常用断路器为NA1、NM1系列,对于600宽柜可安装NA1-2000/3P断路器,NA1-3200/3P、NA1-2000/4P需800宽柜安装。
水平母排标准位置为:单排B相中心距柜前270mm、双排B相中心距柜前235mm,水平母排母线夹安装面距柜顶高度为:母排小于等于100mm宽时尺寸为205mm、母排宽度为120mm时尺寸为225mm(详见标准工艺规范)。
当水平母排为标准位置且进线断路器采用母排上进线引至断路器上端头时,断路器上下端头母排需左右错开,断路器面板开孔位置需偏向一边,下端母排需搭接,当电流大于2000A时,返排需考虑采用母线夹固定,此时最上仪表室单元后隔板高度及深度尺寸均需注意。
当馈电柜均为电缆下出线且柜深为1000mm时,为方便进线柜母排制作,也可以将水平母排放置在柜顶后部,此时需注意馈电柜垂直母排需非标制作。
NGC1抽屉单元以200mm高为单位(1E),标准抽屉单元有1/2 E、1E、1.5E、2E、3E等单元模数高度;1/2E抽屉单元一次插件最大额定电流为63A且无四极产品,二次插件最多16对;1E单元二次插件数量最多为24对;对于常用接触器控制回路(最多加一JZC1-44中继类似产品)的方案, 1/2E抽屉单元可安装7.5kW直接起动回路,1E抽屉单元可安装30kW直接起动回路,2E抽屉单元可安装55kW直接起动回路或30kW星三角起动回路,3E抽屉单元可安装132kW直接起动回路或55kW星三角起动回路。
采用NGC1系列固定分隔柜结构时,注意对断路器安装板安装深度及断路器进线端头与垂直母排的距离,保证断路器进线端母排的制作空间,配好断路器出线端的母排固定用支架或出线电缆用端子。
当进线柜为1000mm宽时,需注意断路器返排位置及电缆室大小、固定中立柱用横梁位置,返排母线夹的安装位置等。
二.低压配电系统介绍低压配电系统时额定工作电压1KV以下的配电系统,常用配电系统为0.4/0.23KV(通常所说380V)、50HZ 三相四线的交流(下同)低压配电系统。
三相四线系统为中性点直接接地(大电流接地系统),单相对地短路电注较大,一般要求快速保护跳闸,以保证员及财产安全。
配电系统中所选择的电器元件技术参数一定要与配电系统相适应,特别时额定工作电压、额定工作频率。
配电系统是一个从变压器低压出线则经进线开关、分支回路至各种各样的负载。
对负载可以大至分为如下几类:A.阻性负载,如加热器、电阻器、白炽灯等。
B.感性负载,如电动机、电磁阀、电抗器、变压器等。
C.整流设备。
注意整流设备由于在整流过程中存在选择导通角的问题,对电源侧会行成一个谐波干扰,特别时采用普通桥式整流时。
D.容性负载,由于常用负载多为感性的,为提高供电系统的功率因素,在配电系统中常采用电容器作为补偿感性负载对系统的因响,提高整个配电系统的功率因素。
当配电系统中存在较大谐波分量时,电容器分支加路需加电抗器以减小电容器对谐波的放大作用,保证整个供电系统的稳定性。
当采用三相三线系统时,配是系统只有ABC三相,无零线,在选择电器元件时注意选择合适的控制电压。
当二次控制电源采用经隔离变压器供电(380/220V)时,变压器付绕组不接地(与地隔离),当控制回路出现某点绝缘性能降低时不至引起系统正常运行及引发事故。
对于直流控制电源,注意控制电缆的连接及并柜线的连接方式,如采用小母线或电缆现场连接等,同时选的择合适的进线开关及分支开关或熔断器。
对于电压互感器和电流互感器二次则必需单点接地,以防止电流互感器的开路过电压,电压互感器的电容效应等。
对于660V系统,注意测量表计电压回路一般需经电压互感器取样,因无非标的测量仪表。
同时注意一次电缆的非标制作要求(额定绝缘电压1000V)。
当系统内采用漏电保护时,变压器中性点接地,漏电断路器出线则不允许中性点接地,当有单相负载时,漏电断路器必需选择四极断路器。
在选择断路器时需注意系统对断路器短路分断能力的要求,一般变压器越在,断路器的分断能力要求越高。
要保证断路器的分断能力高于变压器出线则的最大短路电流。
为保证供电系统的可靠性,常采用备用变压器或在两段母线之间加联络柜的方式,此时需注意系统对备用电源投入要求,是备用自设不是手动投切等。
备用自投有继电器控制形式和备自投形式,两者价格相差较大,一般采用备自投时采用DC220V 控制,进线断路器均不带欠压脱扣器,通过备自投检测母线电压高低并相应发不指令。
如采用继电器控制投切,一般断路器均带欠压脱扣器。
另主断路器采用塑壳断路器时,尽量不要采用欠压脱扣器和分励脱扣器,以避免增加控制系统的复杂程度(存在操作机构复位问题)。
对于多电源投切控制要求必较多时,可采用PLC控制投切。
在选择电动机负载回路控制元件是需考虑负载类型:重载型、轻载型、风机水泵类负载等,另同时选择合适的起动运行方式。
37KW及以下电机常采用直接起动,55KW及以上可以考虑采用软起动器起动,当负载是持续变化时,可考虑采用变频器起动运行以节约电力成本。
当功率较大的电动机采用直接起动时,需考虑整个系统容量配制是否允许,变压器容量是否够大,负载是否不需频繁起动且能够承受较大的起动冲击等。
对于高温环境下使用的配是系统,在系统设计时需考虑电器元件的降容使用问题。
对于高海拔地区的配电柜需考虑选择电器元件的额定绝缘电压等级较高的产品。
三.低压柜设计必需注意的用户要求3.1 根据用户提供的平面布置图,了解柜体进出线方式,前后维修通道情况,对元器件的安装要求等。
如地下无电缆沟或预埋管则均要求进出线为柜顶出线;如变压器与低压柜为直接母排连接则低压柜需按则进线制作,进线端母排需伸出柜外,且按变压器标准预留母排位置及开孔;如进线为母线桥(槽)上进线则零排需返至柜顶,地排视用户要求而定,一般无要求不返;如为母排柜顶进线时,柜顶需开母排进线孔并用绝缘板封住;当变压器进线采用母排下进线时,柜底板需开母排进线孔并且用绝缘板封住。
当采用电缆进出线时需注意电缆根数及大小,是多芯电缆还是单芯电缆,对应开电缆进出线孔。
如柜体靠墙布置时,柜内需操作维护的元件需正面安装,同时需考虑开关柜的维护及元器件的更换。
馈电柜为电缆上出线时柜顶需开电缆出线孔。
馈电柜为母线槽上出线时需返零地排至柜顶。
3.2 在开关柜制作时需注意地方标准要求:如北京地区的进线柜母排制作要求,电缆出线配护套,母排套热缩管等;如昆山地区计量室制作要求等。
四.合同、技术协议、技术联系函的阅读4.1 合同是整批柜的生产依据,它规定了双方的供求关系及价格,因此合同中对价格起决定作用的条款作为设计选型的第一选择,特别是对元器件选型、母排大小、柜体颜色、柜体材料等。
对于合同中所注明的特殊技术条件也需在设计之初一一逻列,并在本批合同设计技术要求中加以说明。
4.2 对于技术协议的审阅一定要注意时间的前后顺序,技术联系函的问与答的对应关系,对同一问题有不同答案时以时间最后的为准。
4.3 对于现有制造工艺条件所不能满足要求的一定要写技术联联系函加以联系确认。
4.4 对于元件选型中每种元件的技术参数的选择应特别注意,如断路器的分断能力、过电流脱扣器类型、有无通信要求、极数要求、安装方式等等。
4.5 对技术联系函、设计院更改通知单中有涉及图纸更改的部份一定要铅笔在图中对应位置作出更改并作记号,以便于设计时不至漏及提醒校对注意。
五.审阅图纸5.1审阅图纸要有一个好的方法及连贯的思路,同时要结合合同和技术联系函及技术协议进行。
5.2 检查一次方安中柜体尺寸与平面布置图中尺寸是否一致。
柜体尺寸是否满足元件安装空间要求及进出线要求。
5.3 如合同中元件作了更改,需查看是否满足图纸要求,是否有技术偏离等。
5.4 常规安装空间要求如下:5.4.1 框架断路器2000A三极框架及以下无返排错位要求的可以采用600mm 宽柜,2000A四极、3200A三极框架断路器需采用800mm宽柜, NA1-4000/4P需采用1200mm宽柜。
5.4.2 NGC柜抽屉单元1E只有断路器的馈电回路最大可采用250A 壳架三极断路器,二分之一单元可采用NM1-100H/3P 63A及以下。
5.4.3 对于交流接触器回路,NGC1、NGC2一单元抽屉最大可安装30KW及以下回路,NGC3一单元抽屉最大可安装37KW及以下。
对于直流控制交流接触器回路,NGC3一单元可采用中间断电器安装板安装两个DZ-200系列中间继电器(位于断路器安装板后面一次进线插件位置,此时控制电动机控制功率需减小至15KW)。
5.4.4 55~75KW交流接触器回路需采用2E抽屉单元制作,接触器及热继电器另配一块安装板。
5.4.5 正反转回路及安装在电流互感器二次回路的热继电器需配安装底座或选择独立安装的热继电器产品,一单元接触器回路(电流大于25A)的热继电器需单独安装(采用组合式安装空间不够)。