钢丝绳输送带接头工艺
- 格式:doc
- 大小:2.52 MB
- 文档页数:28
钢丝绳芯输送带接头工艺目录一、输送带接头用工具及辅助材料 (1)二、硫化胶接用胶料与胶浆 (2)三、硫化胶接工艺流程 (2)四、胶接工艺规程 (3)五、具体胶接形式及操作 (9)钢丝绳芯输送带的连接,主要是靠将接头处钢丝绳埋入带体中,经加压加热硫化来实现的,其连接有如下要求:一、输送带接头用工具及辅助材料带头都做成斜角,斜度为带宽30%;2.中心线要对正无误;3带头剥开:先用刀将钢丝绳带两侧边胶割掉,按画好的尺寸先割开一角,用导链吊起用力拉,另一个人开始割除上覆盖胶,直至将上覆盖胶全部剔除完毕;用同样的方法将下覆盖胶也剔除完,然后将钢丝绳上的胶也全部易除完毕;用这种方法剥带头的最大优点是将带头全部剥离后,被剥出的钢丝绳不会出现弯曲现象,不影响接头的强度;4钢丝绳输送带接头分为一阶接头、二阶接头、三阶接头、四阶接头四种搭接型式;钢丝截断首先按下面所列四种搭接型式提供的尺寸,预先画线或作好标记,然后将钢丝截断成各要求的长度;一阶接头:二阶接头: 带强度规格ST1600 ST2000 ST2500 ST3150 最小阶梯长度L st600 650 750 900 接头长度Lv 1550 1650 1850 2150 三阶接头:带强度规格ST3500 ST4000 ST4500 最小阶梯长度L st950 1050 1100 接头长度Lv 3250 3550 3700带强度规格ST630 ST800 ST1000 ST1250 最小阶梯长度L st450 500 500 550 接头长度Lv750 800 800 850四阶接头:带强度规格ST5000 ST5400 最小阶梯长度L1250 1350st接头长度Lv5450 58505切割斜坡面:按下图所示将覆盖胶切割成斜坡面;6打磨:用粗砂布逐根打毛剥出的钢丝绳,在不使钢丝绳绳受损的前提下,最大限度的将附在钢丝绳表面的残余胶打掉,钢丝根部的橡胶,斜坡面及邻近斜面的覆盖胶表面宽度约30mm以内用砂轮机细致地打磨成粗糙面;打磨完毕后,将带头和钢丝绳上的胶沫清除干净,并将硫化机、工作台清理干净;7胶接成型:A.将两带头钢丝绳平铺在硫化机下热板上,并且要对放,对放位置必须使最长的钢丝绳端头与另一带头钢丝绳根部离开间距100mm;B.重新检验两带头中心线,调整成一条直线为止;C.将两带头用卡子固定定位;D.将两带头的钢丝绳翻向两边,放在预先铺有干净的布上面;E.用干净机布蘸120汽油,涂擦干净打磨过的橡胶表面,待汽油挥发后,再均匀涂2~3遍胶浆,使钢丝绳表面均被胶浆覆盖;每次在涂下遍胶浆时,上遍胶浆必须已凉干;F.将已复合好的覆盖层胶片的一头裁成与带体斜坡面相一致的斜接头,并对正带体的覆盖胶斜坡面上缘,铺平且放置在硫化机的下热板上;在这之前,下热板预先铺平面积足够的干净白布或玻璃纸;用机布蘸120汽油将已放妥的覆盖层胶片擦净,凉干;注意分清复合胶片的覆盖胶与芯胶面,使其粘合作用的芯胶面向钢丝绳,切勿贴反;G.将带头及钢丝绳放在芯胶上;H.再找校一次中心线、调整或无错时将两带头的中间一根或两根钢丝绳定位;I.从带头中间向两侧逐根拉紧、拉直、摆放、排列均匀所有钢丝绳,并保持各绳不得变位、弯曲、拱起等;J.再在已铺入达到要求的全部钢丝绳上涂胶浆一至二遍,凉干;K.各胶接型式的接头结构图共分四种,分别为一、二、三、四级搭接;L.依照以上要求和作法,将上层复合胶片铺贴在钢丝绳上;同时注意芯胶面向钢丝绳贴合;M.在胶带两侧放出边线,将带接头部宽出原带体的胶料割去;N.在上下覆盖胶与硫化机热板间铺放平整足够面积的白布或报纸等,完成成型,等待硫化8硫化工艺A.平板硫化机热板对带头的定长,是在纵向两端皆应长出接头长度LS 值至少100mm为宜;B.盖上上热板,两人同时将对角螺栓拧紧,安放上横梁,用水泵开始加压,使其达到规定的压力;C.接通电路:当热板温度至150℃时,开始计算硫化时间;D.硫化条件及方法:<1>温度: 151±2℃<2>时间:普通钢丝绳输送带a.上、下覆盖胶总厚≤15mm者,按下式计算:T=27+ A-6b. 上、下覆盖胶总厚>15mm者,按下式计算:T=28+ A-6阻燃钢丝绳带:T=34+ A-6式中: T——正硫化时间 A——上、下覆盖胶总厚mm 说明:1、垫铁厚度比原带体厚度薄;2、接头部胶带总厚度大于原胶带厚度;。
输送带胶接指导一、总则所有的输送带(橡胶输送带)必须接成环形才能实际使用,所以输送带的接头是非常关键的一个准备环节。
接头的好坏直接影响橡胶输送带的使用寿命和输送线能否平稳顺畅地运行。
接头的关键在于细心。
1、接头的方法输送带接头的方法有:机械接头、冷粘接接头、热硫化接头等几个常用的方法。
机械接头一般是指使用皮带扣接头,这种接头方法方便快捷,也比较经济,但是接头的效率低,容易损坏,对输送带产品的使用寿命有一定影响。
在PVC和PVG整芯阻燃抗静电输送带接头中,一般8级带以下的产品都采用这种接头方法。
冷粘接接头,也就是采用冷粘粘合剂来进行接头。
这种接头方法比机械接头的效率高,也比较经济,应该能够有比较好的接头效果,但是从实践来看,由于工艺条件比较难得掌握,另外粘合剂的质量对接头的影响非常大,所以不是很稳定。
热硫化接头,实践证明是最理想的一种接头方法,能够保证较高的接头效率,同时也非常稳定,接头寿命也很长,容易掌握。
但是橡胶输送带存在工艺麻烦、费用高、接头操作时间长等缺点。
2、分层输送带的接头可以根据需要采用机械接头、冷粘接接头、热硫化接头等接头方法。
一般冷粘接接头、热硫化接头采取的是阶梯式结构接头。
3、钢丝绳芯输送带的接头钢丝绳芯输送带的接头是所有输送带〔橡胶输送带)接头技术最复杂的,不仅工艺比较复杂,其所设计的接头尺寸参数也最多。
不同级别的橡胶输送带产品所选用的接头结构不同,具体的结构请参看GB9770标准。
4、PVC和PVG整芯阻燃输送带的接头由于整芯带的结构比较特殊,接头不太容易,以大多数采用机械式接头方法,也就是皮带扣接头。
二、接头工艺指导人员在确定接头方法后严格按照接头工艺进行指导。
〔一〕冷胶接头1、划线:根据输送带宽度和强力设计接头,采用台阶搭接方式。
2、剥层:对应剥层,同一位置上下台阶数相加后应相同。
3、打磨:将被粘物外表打磨、不要破坏布层。
4、清洗:去污、清洗、干燥。
〔清洗时由一边向另一边清洗,以免重复污染。
钢丝绳芯输送带硫化接头工艺、做法、标准一、为规范集团公司钢丝绳芯输送带(以下简称高强皮带)硫化接头工艺,提高硫化接头质量,减少断带事故发生,特制定本标准。
二、硫化接头用设备及材料1、硫化器:硫化接头用硫化器必须是通过鉴定,证件齐全的合格产品(硫化器的性能要求见附一)。
在有瓦斯、煤尘爆炸危险的场所硫化接头必须使用具有防爆性能的硫化器,否则必须有严密的安全措施。
2、胶料:胶料包括复盖胶(面胶),芯胶和胶浆。
为保证硫化接头质量,胶料最好选用原皮带厂指定胶料。
若采用其它厂的胶料,必须事先做一个硫化接头送权威部门进行抗拉强度测试,符合要求后方可使用。
胶料最好使用时到厂家购置新配置生产的。
若存放期不超过三个月,且存放得当(温度在25°以下,避免阳光直射,远离热源,无油脂类物质污染),外观无异常变化,可直接使用。
若存放期超过三个月,使用前必需进行鉴定(胶料的鉴别见附2),确认未失效后方可使用。
3、工具及辅助材料硫化接头需用的工具和辅助材料见表一。
序号名称数量技术要求1 工作台2个木制厚度≥50mm,宽度>带宽500mm。
长度>接头长度0.6m。
2 夹板4付提前制作。
3 垫铁2根钢质、比待接胶带薄0.5-1.0mm宽为50-100mm,长度>接头长度400-500mm4 水银温度计12-15支测温范围-50-250℃。
5 白铁皮2张厚度0.5mm。
宽度100mm,长度为热板宽度6 活板手2把10寸-12寸。
7 游标卡1把刻度范围0-250mm8 钢卷尺2个长度范围10m9 不锈钢板尺2把长度范围1-1.5米10 直角尺1把400×500mm11 螺丝刀2把14″—16″12 断丝钳2把规格20″13 软轴砂轮机2台砂轮片直径150mm14 刀具20把15 电工钳2把规格:8″16 油石5块粗、细两种17 油刷4把6″18 粗砂布20张19 线绳20m φ1-3mm20 粉线包1个21 红色腊笔数支22 橡皮手套8双23 线手套8双24 新毛巾数条25 水盆4个26 白细布12m27 120#汽油25kg 25kg/每接头28 玻纸数张29 热风机1台1000W左右三、硫化接头前的准备工作1、硫化场地的选择硫化接头地点要选择在峒室(巷道)宽敞平坦、运输便利、风速小、空气中湿度小、温度低、煤尘少的地方。
Word格式高强度阻燃(钢丝绳芯)输送带硫化接头标准一、为规范公司钢丝绳芯输送带(以下简称高强皮带)硫化接头工艺,提高硫化接头质量,减少断带事故发生,特制定本标准。
二、硫化接头用设备及材料(一)硫化器:硫化接头用硫化器必须是通过鉴定,证件齐全的合格产品(硫化器的性能要求见附一)。
在有瓦斯、煤尘爆炸危险的场所硫化接头必须使用具有防爆性能的硫化器,否则必须有严密的安全措施。
(二)胶料:胶料包括复盖胶(面胶),芯胶和胶浆。
为保证硫化接头质量,胶料一般应选用原皮带厂指定胶料。
若采用其它厂的胶料,必须事先做一个硫化接头送权威部门进行抗拉强度测试,符合要求后方可使用。
胶料应在使用前到厂家购置新配置生产的。
若存放期不超过三个月,且存放得当(温度在25°以下,避免阳光直射,远离热源,无油脂类物质污染),外观无异常变化,可直接使用。
若存放期超过三个月,使用前必需进行鉴定(胶料的鉴别见附2),确认未失效后方可使用。
(三)工具及辅助材料硫化接头需用的工具和辅助材料见表一。
三、硫化接头前的准备工作(一)硫化场地的选择硫化接头地点要选择在峒室(巷道)宽敞平坦、运输便利、风速小、空气中湿度小、温度低、煤尘少的地方。
硫化接头前一班应对硫化点前后20米的巷道进行冲尘处理,并尽可能的在硫化点上方搭建一掩棚。
严禁在顶板破碎、淋水、煤尘大、风速大、湿度大的地方硫化接头。
(二)固定皮带、搭建工作台若对使用中的皮带重新做头,应将待硫化接头的皮带移至硫化点,先用皮带卡子将一侧皮带固定好,然后提皮带,使接头处存在有足够接头用的富裕皮带。
最后再将另一侧皮带固定好。
固定皮带的卡子要足够多,确保皮带不会滑动。
皮带固定好后即可拆除硫化点皮带机上托辊,搭建工作台,并将硫化器底座和下热板放在工作台上。
四、硫化接头作业程序及工艺(一)接头搭接形式和长度的的确定接头形式和接头长度的选择可遵从胶带厂家提供的形式和参数,也可根据胶带系列和胶带抗位强度从表二或表三中查得。
钢丝绳芯输送带硫化接头操作指南接头搭接,钢丝绳芯胶带接头搭接形式有一级、二级、三级和四级四种,其中前两者适用于钢丝绳根数少、直径小、间隙大的胶带,后两者适用于高、中强带。
选择接头形式要根据皮带的带型、带强、钢丝绳根数、钢丝绳直径、钢丝绳间距等诸多因素综合比较而定。
为了提高接头硫化质量,保证接头两端不起皮不开口,防止水份及杂质渗入接头内部腐蚀钢丝绳,在开口线处的坡口一般做成阶梯状,以利胶料与母带牢固粘接,确保接头的强度及使用寿命。
硫化时间,在一定温度下以一定的时间硫化后,胶料的综合物理机械性能达到最高,使用寿命最长,此时的硫化程度是正硫化,硫化时间过长(工艺上称过硫)或过短(工艺是称欠硫),都会使胶接达不到性能要求。
、硫化温度,硫化温度可以加快硫化速度,缩短硫化时间。
硫化温度每提高或降低100C,基本硫化时间可缩短1/2或延长1倍。
硫化温度一般为140-1500C为宜,温度过高会有损带芯强度或导致胶带内外硫化不均,过低则需时间长或硫化不彻底。
硫化压力,压力的作用在于使胶料紧密并充满模型和带芯纤维中,以提高钢丝绳的附着力和胶料的紧密程度以及接头的抗挠曲性能。
一般为1.8MPa左右,加压时应使压板两边同时受压,以保证胶带接头处受力均衡。
、在选用胶带接头时,一般来说,应保证满足以下几个方面:(1)接头强度应满足要求,并且达到胶带强度的90%以上。
(2)钢丝绳平均有效间距应大于钢丝绳直径的0.25倍。
(3)硫化设备应能满足硫化长度的需要,即接头应一次硫化成型.(4)目前接头型式有斜口和垂直平口两种。
根据生产实践运行情况看,我们一般宜采用斜口型式。
2 操作方法钢丝绳芯胶带接头硫化主要有以下几道工序:安设硫化器(操作平台)、清理接头、找中、刷胶浆、铺下胶、摆绳、铺上胶、安装上加热板、紧固、加热、打压、计时、起模、修整。
2.1、作业前准备1、人员要求:班前熟悉操作程序及工艺要求,四位一体、互联保到位,并有3--5名技术熟练工把关操作。
第20卷 第3期 中 国 水 运 Vol.20 No.3 2020年 3月 China Water Transport March 2020收稿日期:2019-12-20作者简介:杨 森(1982-),男,中交第四航务工程勘察设计院,项目副经理,工程师。
D600型大直径圆管钢丝绳芯输送带的接头硫化工艺杨 森,陈 斌(中交第四航务工程勘察设计院有限公司,广东 广州 510230)摘 要:随着全世界范围的环境保护呼声日益高涨,对高环保高效能圆管带式皮带物料输送技术的应用,已逐步成为相关行业革新换代的发展趋势。
掌握控制好大直径圆管式钢丝芯皮带接头的硫化工艺技术,则是这种环保输送方式稳定应用的关键。
关键词:钢丝绳芯管带机;接头;胶结长度;阶梯;硫化温度;压力中图分类号:TD528 文献标识码:A 文章编号:1006-7973(2020)03-0102-03引言在印度尼西亚万丹省的西冷市,发电规模为2×1,050 MW 的中资燃煤发电厂,应用了两条D600型大管径、超长距(3,800m)、设计输煤量3,000t/h 的管状带式输送机。
该型设备构成复杂,施工难度大,而现场皮带敷设粘接是其最大难点。
皮带接头的硫化工艺控制,对保证接头纵向强度和管带稳定运行有着极为关键的影响。
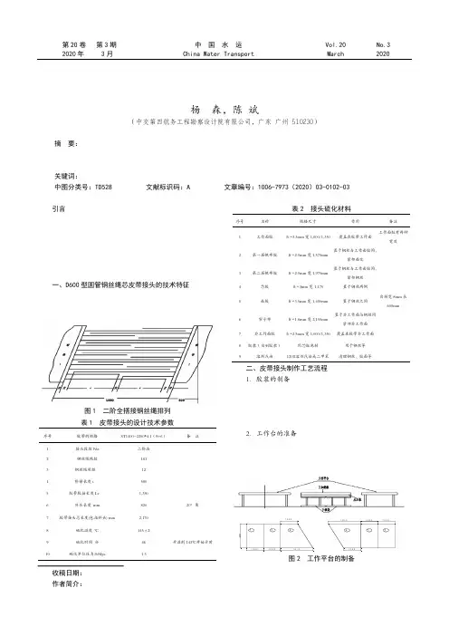
一、D600型圆管钢丝绳芯皮带接头的技术特征 D600型(ST1400-2250*4.1)圆管钢丝皮带带厚约20mm,展开带宽2,250mm,纵向拉伸强度1,400N/ mm。
皮带接头采用二阶接头硫化工艺,接头设计如下—图1 二阶全搭接钢丝绳排列 表1 皮带接头的设计技术参数序号 胶带的规格 ST1400-2250*4.1(9+6)备 注1 接头段数Nst 二阶法2 钢丝绳根数 1813 钢丝绳间距㎜ 124 阶梯长度s ㎜ 5805 胶带胶接长度Lv ㎜ 1,3506 斜头长度 mm820 20°角 7 胶带接头总长度(包括斜头) mm2,170 8 硫化温度 ℃ 145±29 硫化时间 分 46 升温到143℃开始计时10硫化单位压力≥Mpa1.5表2 接头硫化材料序号名称规格尺寸作用备注 1工作面胶 δ=3.3mm 宽1,000/1,350 覆盖在胶带工作面工作面胶有两种宽度 2第一层帆布胶δ=2.0mm 宽1,570mm置于钢丝与工作面胶间,紧邻面交3第二层帆布胶δ=2.0mm 宽1,970mm 置于钢丝与工作面胶间、紧邻钢丝 4芯胶 δ=3mm 宽1,175 置于钢丝两侧5嵌胶δ=3.5mm 宽1,400mm置于钢丝之间 自制宽8mm 长600mm6帘子布 δ=1.8mm 宽2,150mm 置于非工作面与钢丝间紧邻非工作面 7非工作面胶 δ=2.5mm 宽1,000/1,350覆盖在胶带非工作面8胶浆(自制胶浆)用芯胶泡制 用于钢丝等 9溶剂汽油120#溶剂汽油或二甲苯清理钢丝、胶面等二、皮带接头制作工艺流程 1.胶浆的制备胶浆料与溶剂的比率一般采用1∶4~5,并应提前2~3d进行,先将胶浆料剪成小块浸泡在溶剂中,浸泡时间在12~24h 后,搅拌至均匀糊状,胶浆应做好密闭防止溶剂挥发,并遮光15℃以下低温保存。
YINHE DEPREUX培训教材2003年3月钢丝绳芯橡胶输送带接头胶接技术中法合资银河德普胶带有限公司钢丝绳芯输送带胶接标准及银河德普胶接工艺输送带与接头常用的胶接角度:0°、16°42′、22°、25°。
一、接头过渡区二、接头与硫化机关系硫化工作温度:145℃、硫化工作压力:1.6——1.8Mpa。
三、银河德普钢丝绳芯输送带胶接标准主要数据A、一阶(一段)搭接胶接接头数据输送带型号(Type)ST800 ST1000 ST1250 级数最小长度Lst(mm)600 800 900 接头长度Lv(mm)900 1100 1200运行方向B、两阶(两段)搭接胶接接头数据输送带型号(Type)ST1600 ST2000级数最小长度Lst(mm)600 800接头长度Lv(mm)1550 1950运行方向C、三阶(三段)搭接胶接接头数据输送带型号(Type)ST2000 ST2500 ST3150 级数最小长度Lst(mm)550 600 700 接头长度Lv(mm)2050 2200 2500运行方向D、四阶(四段)搭接胶接接头数据输送带型号(Type)ST4000 ST4500级数最小长度Lst(mm)900 1000接头长度Lv(mm)4150 4550运行方向四、银河德普胶接工艺:1、安放硫化机和胶接操作所需工作平台。
2、接头部分画中心线、垂直线。
3、接头部分按照胶接长度画线。
4、切割过渡边线。
5、裁切输送带边角。
6、剥离输送带覆盖胶7、剥离输送带反面覆盖胶8、剥离钢丝绳——斜面切割。
9、剥离钢丝绳——分割钢丝绳芯。
10、打磨接头过渡区。
11、打磨钢丝绳芯。
12、按照接头数据制备输送带下覆盖层胶版、芯胶胶板。
13、检查核对下覆盖层尺寸。
14、对接接头。
15、制作接头——按照标准搭接、剪切钢丝绳,填充胶条。
16、制作接头——制作输送带边条。
17、制作接头——整理钢丝绳芯、检查尺寸、检查填充质量。
钢丝绳输送带热硫化接头工艺首先,钢丝绳输送带是一种由多股钢丝绳和橡胶层构成的输送带,常用于重型物料的长距离输送。
为了连接输送带的两端,需要使用热硫化接头工艺。
热硫化接头工艺的步骤如下:1. 准备工作,将输送带两端的钢丝绳进行剥离,露出橡胶层和钢丝绳。
清洁橡胶层和钢丝绳,确保表面干净无尘。
2. 预热,将输送带两端的钢丝绳进行预热,通常使用热风枪或火焰进行加热。
预热的目的是提高橡胶的粘合性和可塑性。
3. 涂胶,在预热后的钢丝绳和橡胶层上涂布硫化胶,确保涂布均匀。
硫化胶可以提高接头的粘合强度和耐磨性。
4. 拼接,将涂胶的部分钢丝绳和橡胶层按照一定的方式拼接在一起,通常采用重叠拼接或斜交拼接。
拼接时需要注意对齐和紧密度,确保接头的平整和牢固。
5. 压制,将拼接好的接头放入热硫化机中进行压制。
热硫化机会提供一定的温度和压力,使硫化胶在高温下发生化学反应,与钢丝绳和橡胶层形成牢固的粘合。
6. 冷却,经过一定时间的硫化反应后,将接头从热硫化机中取出,进行冷却。
冷却的过程中,接头会逐渐固化和稳定,形成完整的连接。
以上是钢丝绳输送带热硫化接头工艺的基本步骤。
这种工艺具有以下优点:1. 粘合强度高,热硫化接头可以使钢丝绳和橡胶层之间形成牢固的粘合,承受较大的拉力和冲击力。
2. 耐磨性好,硫化胶的添加可以提高接头的耐磨性,延长使用寿命。
3. 施工方便,热硫化接头工艺相对简单,操作方便,适用于现场施工。
然而,也需要注意以下几点:1. 温度控制,热硫化过程中的温度要控制在合适的范围,过高或过低都可能影响接头的质量。
2. 时间控制,硫化反应的时间也需要控制好,过短可能导致接头粘合不牢固,过长可能影响生产效率。
3. 质量检验,完成热硫化接头后,需要进行质量检验,确保接头的质量符合要求。
综上所述,钢丝绳输送带热硫化接头工艺是一种可靠的连接方法,具有高粘合强度和耐磨性。
在施工过程中,需要控制好温度和时间,并进行质量检验,以确保接头的质量和可靠性。
山东康迪泰克工程橡胶有限公司钢丝绳输送带接头硫化操作规程前言钢丝绳输送带是一种现代化运输工具,具有连续化和高效化的显著优点。
所以输送带为现代物流系统广泛采用,大量用于钢铁、煤炭、建材、化工、机械、港口、矿山、货场等。
输送带的接头是胶带使用过程中一个十分重要的环节,它决定着胶带能否正常运转,关系到用户的经济效益和生命财产安全。
我公司为了更好的服务于广大客户,根据钢丝绳输送带胶接的实际情况,并借鉴了德国DIN22131标准及Goodyearde标准,特制定了钢丝绳输送带现场胶接规程和胶接技术。
钢丝绳接头胶接工艺要求图:接头长度和制作接头的长度B-胶带的宽度;l v-接头的长度;l u-制作接头的长度;斜度:La —16.7°=带宽×0.320°=带宽×0.36422°=带宽×0.4备注:国内硫化机的斜度大多数是20°。
接头长度和几何结构的设计取决于钢丝绳直径d;钢丝绳间距t;钢丝绳的拉伸强度F bs;钢丝绳粘合强度F a。
为了胶带在辊筒上弯曲时,减轻胶带接头处的应力,钢丝绳端部应错位。
通常采用斜接头,但也允许直接头。
接头长度l v中包含以下几种长度(见图A):-钢丝绳偏移长度l q;-不同组阶梯的错位长度l p;-最小的阶梯长度l st。
-胶带接头中钢丝绳对接间隙l s≥3×d。
图A山东康迪泰克工程橡胶有限公司钢丝绳芯输送带胶接标准:A、一阶(一段)搭接胶接接头数据胶带强度规格S St630 St800 St1000 St1250 最小阶梯长度l st500mm 500mm 600mm 700mm 接头长度l v700mm 700mm 800mm 900mm 备注:1、无钢丝绳错位。
2、过渡段距离为100mm。
3、不用胶条,采用原盖胶、芯胶的尺寸标准执行。
运行方向上图:一级接头结构示意图B、二阶(二段)搭接胶接接头数据胶带强度规格S St1600 St2000(推荐)St2500(推荐)最小阶梯长度l st500mm 800mm 900mm接头长度l v1350mm 1950mm 2150mm 备注:1、有钢丝绳错位。
钢丝绳芯输送带接头技术及工艺操作
一、输送带与接头
我公司地面采用德国DIN22131标准,煤矿井下采用德国DIN22129标准,胶接角度为: 16.7º 如图所示:
+
三、接头与硫化机关系
接头方式:1阶法
四、接头工艺
1.安放硫化机和接头操作、所需工作平台。
2.在接头部分找出中心线、垂直线、角度线、角度为16.7º
3.接头部分按照胶接长度,接头方式、分段画线。
4.切割接头部分的边胶料剥去过度区。
5.剥离输送带上覆盖胶。
6.剥离输送带反面覆盖胶
7.切割钢丝绳与绳之间的芯胶(或用专用的剥皮机,剥出每根钢丝绳)。
8.打磨过度区(角度30°)。
9.打磨钢丝绳芯(注:不许磨伤钢丝绳、并保持钢丝绳芯的清洁)。
10.使用专用的清洗剂,对钢丝绳进行清洗(浆子胶)。
11.按照接头数据制作接头的下覆盖胶(盖胶、芯胶)。
12.在接头部分找出中心线,摆列钢丝绳。
13.制作接头,剪切钢丝绳,按照工艺要求进行排列(保证每根钢丝绳的直线度,钢丝绳与钢丝绳之间填充胶条)。
14.制作接头边胶,整理钢丝绳,检查尺寸,检查填充质量,均匀地涂刷一遍浆子胶。
15.待浆子胶完全凉干后,按照接头数据,制作接头上层覆盖胶(芯胶、TQA、盖胶)滚压排气。
16.切割多余的边胶,整理接头。
17.硫化接头(按工艺要求硫化时间、温度、压力准确)。
18.待温度降至70º以下时,拆除硫化机,检查接头,切除毛边。
钢丝绳输送带接头工艺接头工艺手册工目录Ⅰ应用范围Ⅱ钢丝绳输送带接头产品接Ⅲ工具和设备Ⅳ钢丝绳输送带接头总体情况体1 工作地点2 输送带3 设备和工具4 接头产品5 环境情况6 文档记录7 安全须知V. 钢丝绳输送带接头结构和尺寸构1 接头方法2 接头结构3 确定接头长度和级长VI. 钢丝绳输送带接头带1.接头准备措施2.准备输送带边部3.组装盖胶4.准备和放置下盖胶5. 匹配和布置钢丝绳6. 放置上盖胶7. 硫化接头8. 完成接头VII. 钢索输送带接头材料调查问卷调VIII. Ⅷ蒂普拓普接头记录单记页面3445555555566681010111616182223242526I . 应用范围本手册描述的是带有盖胶的钢丝绳输送带接头工艺(DIN22131),盖胶应由下列聚合物制成:—天然橡胶NR*—丁苯橡胶SBR*—异戊二烯橡胶IR*—丁二烯橡胶BR*—或者上述聚合物的混合物,例如NR/ SBR*如想进一步了解橡胶成分,请咨询输送带供应商。
如需带有防撕裂层的钢丝输送带接头,请咨询本地蒂普拓普经销商。
接头可在加工车间或施工现场制作完成。
*缩写根据DIN ISO 标准。
3II. 钢丝绳输送带接头产品接III. 工具和设备STB面胶编号. 528 8889 - 538 0529 STZ中垫胶编号. 538 8889 - 538 0938 STZ中垫胶条编号. 538 0952热硫化剂STL-RF (不易燃)编号. 538 1951编号538 1243编号538 1298LOBA-NW Nr.18.43.21热硫化剂STL-RF4 (易燃)编号.538 1274 - RF4编号.538 1267 - RF4清洗剂(不易燃)编号. 595 9022编号. 595 9084编号. 595 9091LOBA-NW Nr.12.22.64-1-25 清洗剂R4 (易燃)编号. 595 9118编号. 595 9125衬布编号. 538 0990压力平衡布平10kg/卷2-6mm×500mm10kg/卷2mm×500mm2kg/箱2mm厚1kg6kg12 kg3.5kg7.0kg800ml5L10L800ml5l1000mm宽接头遮盖物/帐篷聚乙烯膜(PE 膜)盖布螺丝钳卷尺尺子(mm/in.)金属尺直角钢尺标记笔(白色)橡胶标记笔粉线6″橡胶刀偏口刀磨刀石剪刀夹钳2 号虎钳3 号虎钳绞链/绞车钢丝绳切割机角磨机手刷胶刷压实滚轮锤子电线绕座安全护目镜手套编号. 538 10091250mm 宽STZ-注胶枪编号. 517 5174有关蒂普拓普钢丝绳输送带(M/N 等级)接头材料接头材详情,请见Ⅶ部分。
输送带的强度等级和接头方法一般煤矿用PVC和PVG整芯阻燃输送带用强度等级和带子的宽度来表示。
强度级别一般分为:4级、5级、6级、7级、8级、9级、10级、11级和最高16级带,分别对应的强度为:680S、800S、100S、1250S、1400S、1600S、1800S、2000S、2240、2500S、2800S、3100S和3400S等。
输送带的宽度一般为:500mm、650mm、800mm、1000mm、1200mm、1400mm、1600mm、1800mm等。
所有的输送带必须接成环形才能实际使用,所以输送带的接头是非常关键的一个准备环节。
接头的好坏直接影响输送带的使用寿命和输送带能否平稳顺畅地运行。
输送带接头的方法有:机械接头、冷粘接接头(冷硫化接头)、热硫化接头等几种常用的方法。
1、机械接头一般是指皮带扣接头,这种接头方法方便快捷,也比较经济,但接头的效率低,容易损坏,对输送带产品的使用寿命有一定影响。
在PVC和PVG整芯阻燃抗静电输送带接头中,一般8级带以下的都采用这种接头的方法。
2、冷粘接头(冷硫化接头)采用冷粘粘接剂来进行接头。
这种接头办法比机械接头的效率高,也比较经济,应该能够有比较好的接头效果,但从实践来看,由于工艺条件比较难掌握,另外粘接剂的质量对接头的影响非常大,所以不是很稳定。
3、热硫化接头实践证明是最理想的一种接头方法,能够保证高的接头效率,同时也非常稳定,接头寿命也很长,容易掌握。
但是存在工艺麻烦、费用高、接头操作时间长等缺点。
4、钢丝绳芯输送带的接头钢丝绳芯输送带的接头是所有输送带接头技术最复杂的,不仅工艺比较麻烦,其所设计的尺寸参数也做多。
不同级别的产品所选用的接头结构不同,具体的结构请参看GB9770标准。
钢丝绳输送带热硫化接头工艺
钢丝绳输送带热硫化接头工艺是一种比较复杂的操作过程,主要包括以下步骤:
1. 准备工作:首先需要对需要接头的钢丝绳进行预处理,例如矫直、除锈和涂润滑脂等。
同时,还需要准备好相应的工具和材料,如钢丝绳硫化器、热板、夹具、压辊、胶水等。
2. 加热:将钢丝绳输送带放在热板上,通过热板对其进行加热,使输送带与芯轴之间留有膨胀空隙,以便在加热时输送带能够自由伸展。
3. 剥去钢丝绳表面的油漆层和塑料涂层,使其充分裸露出来并暴露在空气中,以确保热硫化过程的顺利进行。
这一步很重要,因为油漆和塑料会阻碍胶水和钢丝的粘合。
4. 使用滚轮将接头部分来回反复碾压,使其平实固定。
这一步骤是为了让接头部分更加牢固,不容易脱落。
5. 在接头部分均匀涂抹胶水,并将表面清理干净。
可以使用钢板或夹具对接头部分进行固定。
6. 将接头部分放入热硫化箱中,控制好温度和时间,并进行硫化操作。
一般来
说,硫化时间一般为2~3小时。
7. 冷却后取下接头部分的夹具,检查接头处是否完好,如有不合适之处可以进行修整。
请注意,这只是一种常规的操作流程,具体细节可能会因实际情况而有所不同。
如果您对此有所不了解,建议咨询专业人士的意见。
钢丝绳输送带接头的方法1.机械接头机械接头是最常见的钢丝绳输送带接头技术之一、它是通过将输送带的两个端点连接起来,然后通过机械设备将它们固定在一起。
常见的机械接头有螺栓接头、钢钉接头、钢接钉接头等。
这些接头具有结构简单、可靠性高的优点,适用于大多数场合。
2.热缩接头热缩接头是使用热缩管将输送带两端连接在一起的方法。
首先,在输送带的两端分别套上热缩管,然后使用热风枪将热缩管加热,使其收缩并紧密连接在一起。
热缩接头具有安装方便、接头强度高等优点,适用于输送带连接较紧凑的场合。
3.冷接头冷接头是使用冷接胶将输送带的两个端点连接在一起的方法。
冷接胶是一种特殊的胶水,具有快速固化、强度高等特点。
在连接过程中,将冷接胶均匀涂抹在输送带的两端,然后将它们压紧并等待几分钟,使冷接胶固化。
冷接头适用于大型输送带的连接,并且在潮湿环境下仍然能保持良好的粘接效果。
4.钩接头钩接头是一种将钢丝绳输送带的两个端点用钩子连接在一起的方法。
首先,在输送带的两端打孔,并在孔边安装钩子。
然后,将钩子相互套在一起,形成连接。
钩接头简单易行,并且能够在较短的时间内完成连接。
在选择合适的接头方法时,需要考虑到输送带的类型、尺寸、工作环境以及运输物料的类型等因素。
此外,不同接头方法的适用范围和优缺点也需要仔细评估。
在进行接头操作时,应确保按照厂家提供的操作指南进行,并采取适当的安全措施,以减少操作中可能出现的风险。
总结起来,钢丝绳输送带接头的方法多种多样,包括机械接头、热缩接头、冷接头和钩接头等。
根据具体情况选择合适的接头方法,并注意遵循操作指南和安全规程,以确保接头的安全和可靠。
钢丝绳输送带接头操作程序更新时间: 12/24/2008 来源:点击数: 17821.先把胶带长度算好,张紧装置设在最小位置,然后胶带开始剥头。
接头角度度,用刀子45度化到钢丝位置。
两边去掉边胶,露出钢丝。
从边角去上盖胶,宽度300MM左右。
2.用刀在剥绳线处下刀,角度为30—45度,刻至坡口线下方钢丝绳。
3.用手锯和刀沿着切开端头剥离盖胶层。
4.部分盖胶剥离后,使用夹具夹持住剥开的端头部分,借助牵引钩加快剥离带度。
5.在剥绳过程中,严禁将水、油等脏物滴浸在剥出的钢丝绳上。
6.剥绳时如遇到原带芯胶与钢丝绳粘着不好时,应将接头部位粘着不好的芯胶完全剥掉。
7.用打毛机对坡口处进行打磨,同时对坡口邻近30毫米带面进行打磨,注意不要打焦。
8.裁胶:按尺寸要求裁取覆盖胶与粘合芯胶。
9.胶片复合:将芯胶与覆盖胶表面分别用胶浆清洗一遍,晾干后把两块清洗过的表面相对复合。
10.将接头硫化机的四根底梁等距离放平,摆放宽度要等于或小于水压板宽度,底梁端按硫化机70度角相互错落放置。
11.将水压板放在横梁上,再在水压板上放置隔热板,然后再在隔热板上放置下加热板,最后在下加热板上放置上光板。
12.如采用多台硫化机进行硫化,应在下加热板接缝处放置200×的铜皮或铁皮。
13.按预先划好的中心线、中心点,将两个带端摆正,放平加以固定。
14.从中心向两侧摆,将钢丝绳互相插入搭接,搭接与对接端用硫化的芯胶填充,将钢丝绳头固定牢实,钢丝绳必须排列整齐平直,避免出现不正确搭接方式。
15.在各个粘合过程中,都要用手滚或其他方式充分压合牢实。
16.按原带的尺寸将接头部位的生胶进行修整。
17.带两侧边缘的钢丝绳必须采用全搭接。
18.在钢丝绳两边贴上边胶,若带上有横向配筋,在芯胶上面铺设横向配筋后在其上铺1毫米厚的粘合芯胶(贴胶),最后铺上盖胶,其厚度不要低于输送带原厚度。
19.硫化前检查接头表面是否平整,核以厚度、宽度,正确选择模条(模条比带厚宽度薄1—2毫米)20.检查接头在硫化板上所处的位置,加热板纵向每侧应长出连接部位至少150毫米,横向每侧应宽于输送带至少50毫米。
钢丝绳输送带接头工艺接头工艺手册工目录Ⅰ应用范围Ⅱ钢丝绳输送带接头产品接Ⅲ工具和设备Ⅳ钢丝绳输送带接头总体情况体1 工作地点2 输送带3 设备和工具4 接头产品5 环境情况6 文档记录7 安全须知V. 钢丝绳输送带接头结构和尺寸构1 接头方法2 接头结构3 确定接头长度和级长VI. 钢丝绳输送带接头带1.接头准备措施2.准备输送带边部3.组装盖胶4.准备和放置下盖胶5. 匹配和布置钢丝绳6. 放置上盖胶7. 硫化接头8. 完成接头VII. 钢索输送带接头材料调查问卷调VIII. Ⅷ蒂普拓普接头记录单记页面3445555555566681010111616182223242526I . 应用范围本手册描述的是带有盖胶的钢丝绳输送带接头工艺(DIN22131),盖胶应由下列聚合物制成:—天然橡胶NR*—丁苯橡胶SBR*—异戊二烯橡胶IR*—丁二烯橡胶BR*—或者上述聚合物的混合物,例如NR/ SBR*如想进一步了解橡胶成分,请咨询输送带供应商。
如需带有防撕裂层的钢丝输送带接头,请咨询本地蒂普拓普经销商。
接头可在加工车间或施工现场制作完成。
*缩写根据DIN ISO 标准。
3II. 钢丝绳输送带接头产品接III. 工具和设备STB面胶编号. 528 8889 - 538 0529 STZ中垫胶编号. 538 8889 - 538 0938 STZ中垫胶条编号. 538 0952热硫化剂STL-RF (不易燃)编号. 538 1951编号538 1243编号538 1298LOBA-NW Nr.18.43.21热硫化剂STL-RF4 (易燃)编号.538 1274 - RF4编号.538 1267 - RF4清洗剂(不易燃)编号. 595 9022编号. 595 9084编号. 595 9091LOBA-NW Nr.12.22.64-1-25 清洗剂R4 (易燃)编号. 595 9118编号. 595 9125衬布编号. 538 0990压力平衡布平10kg/卷2-6mm×500mm10kg/卷2mm×500mm2kg/箱2mm厚1kg6kg12 kg3.5kg7.0kg800ml5L10L800ml5l1000mm宽接头遮盖物/帐篷聚乙烯膜(PE 膜)盖布螺丝钳卷尺尺子(mm/in.)金属尺直角钢尺标记笔(白色)橡胶标记笔粉线6″橡胶刀偏口刀磨刀石剪刀夹钳2 号虎钳3 号虎钳绞链/绞车钢丝绳切割机角磨机手刷胶刷压实滚轮锤子电线绕座安全护目镜手套编号. 538 10091250mm 宽STZ-注胶枪编号. 517 5174有关蒂普拓普钢丝绳输送带(M/N 等级)接头材料接头材详情,请见Ⅶ部分。
打磨机(带弹性轴)旋转钢丝刷槽形钢丝刷RTT 钢丝绳输送带剥头机硫化机(包括边缘条和夹具)温度计橡胶切割机厚度仪STZ 注胶枪关于设备,测量仪器和工具的详细信息,请咨询蒂普拓普工业事业部。
IV. 钢丝绳输送带接头总体情况总´1 工作地点为了确保接头的质量和耐久性,提供一个洁净和有遮蔽物的工作场所并正确使用和应用接头产品是最基本的要求。
暴露在外的钢丝绳表面,斜切面和盖胶片必须要保持绝对清洁。
2 输送带只有洁净和干燥的输送带才具有接头可靠性。
不干净的或被污染的输送带必须要清理干净。
能溶于水的污染物可以先刮掉,再用水清洗,最后干燥。
油和油脂可以用清洗剂清除。
3 设备和工具设备和工具必须处于最佳工作状态。
测量仪器必须经过校准。
4 接头产品蒂普拓普接头产品适用于M 和N 等级橡胶盖胶的钢丝绳输送带。
接头产品必须储存在干燥,黑暗,最高温度为25℃的地方(符合DIN 7716 标准)。
检查保质期并处理过期和受污染的产品。
5 环境情况任何湿度的影响,例如形成凝结水(温度降到露点以下)必须绝对避免。
如有必要,请预先处理产品以适应环境温度。
请搭建一个接头遮盖设施(帐篷)以抵挡日光,灰尘,风雨等的影响。
6 文档记录在接头操作过程中,所有不合常规及特殊情况都必须记录存档。
在每次当班结束时,由主管对记录单进行签名审核。
7 安全须知请注意遵守容器上的安全警告!备注:我们的建议来源于现场测试和多年的实践经验。
但是,考虑到不同的材料和工作情况有时是不能预期的,所以我们无法承担因这些推荐带来的任何责任,建议您一定要在使用前进行本地化的模拟测试。
V. 钢丝绳输送带接头结构和尺寸和1. 接头方法根据 DIN 22131 钢丝绳输送带接头可以是 1 级或多级的菱 形(带宽×0.3)或长方形接头。
Fig. 1长方形和菱形接头的载荷能力几乎相同。
通常推荐使用长方形接头,因其比较容易制作。
以下描述均以长方形接头为参考。
.2. 结构接头区域钢丝绳直径 d 和钢丝绳间距 t ,钢丝绳最小 破断强度和动态钢丝绳扯断强度决定了接头的长度和 几何结构。
接头几何结构由下列因素决定:-级数-级长-过渡区长度-循环钢丝绳布置顺序(包括切割钢丝绳)-接头区域的钢丝绳间距(中垫胶厚度)接头结构也受下列因素影响:-对接钢丝绳间距 -钢丝绳尾部的分级-钢丝绳布置的修正及其循环更正对接钢丝绳的间距最小为钢丝绳直径 d 的 3 倍, 最大为钢丝绳直径 d 的 4 倍。
为了减少输送带经过滚筒时的挠性负载,钢丝绳 尾部应当交叉排列。
主要应用于上盖胶较薄的输 送带。
输送带边缘的钢丝绳不应被切割。
它们应以与输 送带运行方向相反的位置布置成整个长度。
钢丝绳布置方案偏差应当移向输送带中心区域, 因为边缘区域暴露在更高负载之下。
lv=接头长度 lq=钢丝绳偏斜区域 lp=钢丝绳尾部交错长度 lst=最小级长ls=对接钢丝绳间距(3 到 4 倍钢丝绳直径)d=钢丝绳直径如果是带有防撕裂层的钢丝绳输送带,为了保持与 输送带结构一致,接头区域必须放置防撕裂层。
在 上盖胶防撕裂层与过渡区之间,应留有大约 50mm 的间隙。
上盖胶 防撕裂层 钢丝绳 下盖胶73. 确定接头长度和级长接头长度lv 包括:- 钢丝绳偏斜区域长度lq- 钢丝绳尾部交错长度lp- 最小级小lst- 对接钢丝绳间距ls等级长度及接头长度中垫胶规格型号(DIN)St 1000St 1250St 1600St 2000St 2500St 3150St 3500St 4000St 4500St 5000St 5400其它接头方法:连接等级11122233344最小级长(mm)l st6006006004005006506507508009001000接头长度(mm)l v80080080011501350165024502750290042504650厚度x 宽度(mm)2 x 62x 72x 72.5x 72.5x 102x 102.5x 112.5x 112x 122.5x 132.5x 13以上所示钢丝绳排列方案,级长,钢丝绳偏斜区域长度以及接头长度在实际情况下,可根据需要进行适当的更改,如,连接不同类型的输送带时(混合接头,输送带两端钢丝绳数量不同)。
当然TIP TOP都会对这些变动进行充分的验证,1 级接头局部视图Fig. 4输送带运行方向3 级接头局部视图Fig. 64 级接头局部视图VI. 钢索输送带接头送1. 接头准备措施1.1 准备工具,设备和接头材料 头1.2 搭一个帐篷,安装好工作台和硫化机:整个工作区域应当充分的被帐篷保护起来,从而避免 环境的影响。
工作区域由硫化机的下部机体(包括加热板及横梁)电热板必须与工作台保持水平,以避免输送带接头 处产生张力。
确保电热板在长度方向上比接头两端各长 8’’,在宽度方向和机体两端的两个大约 3~4 米长的木制工作台构成。
上比接头两侧各宽 3’’。
(确保边缘条也能被电热板覆盖)1.3 放置输送带尾把输送带两带尾对齐叠放在硫化机下机体和工作台上,确保两条 输送带互相搭接,且长度至少为接头长度加上 100mm ,用夹子在 此位置固定输送带。
2. 准备输送带尾部2.1 在两个输送带尾作标记- 输送带中心线- 垂直参考线参- 输送带面胶过渡线在沿输送带延伸方向标记三个间距最大为6’’的点以确定输送带中心线,这三个点均为输送带宽度方向的中心点。
确保至少有两个点不在接头区域内。
可使用两把尺子确定中心点,以便于作出输送带的中心线。
(Fig. 10).然后用粉线将三个纵向中心点连成一条直线,这条直线即代表输送带中心线。
该中心线可使输送带的两带尾准确定位,这对于输送带的平直运行是绝对有必要的。
接头区域以外的中心线标记必须足够清晰可辨,以便于在整个接头操作中作参考。
在作输送带中心线的过程中必须充分考虑到输送带边缘部位的橡胶破损情况。
所以在确定输送带宽度时,必须在带尾橡胶完好的区域进行测量。
.在接头区域以外,沿输送带宽度方向作两条与中心线垂直的参考线。
在比较窄的输送带上可直接使用直角钢尺来作参考线。
在较宽的输送带上可按如下步骤作参考线(Fig 11 to 13):在输送带接头区域以外的中心线上找一个点A,然后在中心线上另找两个与A等距的点。
(AB=AC) (Fig. 11).分别以B,C为圆点,使用铅垂线及标记笔作两个半径相等的圆。
两圆的交点必须仍在输送带上。
如图所示交点为过D,E必然将穿过A点。
(Fig.13)11在输送带边缘刻小的凹痕来标记参考线的位置。
.以输送带两边的凹痕(参考线)作参考点,来确定输送带的接 头长度lv 并作出相关的标记.(Fig. 14).Fig.14为了更为准确的测量接头长度,可在距参考线4"的位置作 另一条线。
用尺子及标记笔(或粉线)在输送带上作出以上直线。
这些直线即为过渡线,可便于在输送带的载物面上 作斜向橡胶坡面。
参考线参考线Fig. 152.2 掉两侧橡胶直至过渡线位置。
(Fig. 15).Fig. 162.3 最大为30o )切割输送带面胶直至钢丝绳部位。
(Fig. 16).过渡线122.4 移除输送带面胶并剥离钢丝绳a) 传统操作步骤 使用丹卡罗斯小刀,沿输送带运行方向将输送带载物面上的面胶切割成几条平行的胶带。
(根据 带宽,胶带宽度可为15’’-30’’) .从过渡线起,使用夹钳拉起胶带的一角,同时使 用丹卡罗斯小刀贴着钢丝绳切割面胶,直至可以 用虎钳将面胶直接撕下为止。
通过使用虎钳,绞链及持续的切割 (紧贴钢丝绳 表面),即可彻底移除面胶。
(Fig. 17).中心线有可能滑落,所以应使用一条绳子辅助作用以保证操作者 的安全。
割掉面胶之后,握住橡胶刀使其刀面呈一定角度以保证钢丝绳上仍保留有少量橡胶。
以避免暴露的输送带体受到污染, (如. PE 膜).移除输送带两边的面胶之后。
使用6"的小刀切割钢丝绳之间的 橡胶直至距离过渡区0.5"的位置。