边坡土钉支护施工方案(设计)
- 格式:docx
- 大小:23.11 KB
- 文档页数:7
土钉墙边坡支护专项施工方案一、项目概况:该项目位于XX地区XX路XX号,地势较为陡峭,存在边坡崩塌的隐患。
为了保障边坡的稳定性,需要进行土钉墙的支护工程。
二、施工单位及责任:施工单位:XX建筑工程有限公司三、施工前准备工作:1.确定施工范围和土钉墙的设计方案。
2.确定施工材料和设备,保证质量和数量充足。
3.制定施工计划和施工图纸。
四、施工步骤:1.清理施工区域,确保施工基础平整、无障碍物。
2.根据设计方案,进行土钉墙的基础开挖,确保基础尺寸和质量。
3.安装土钉,在边坡上按照设计要求进行布置,并确保土钉的锚固牢固。
4.进行喷射混凝土作为土钉墙的面层,并用细石混凝土进行保护。
5.进行土钉墙的排水处理,防止水土流失。
6.进行地面的修整和绿化工作,使其与周围环境协调一致。
五、施工安全措施:1.施工期间,所有施工人员必须佩戴安全帽和安全鞋,合理使用安全防护设备。
2.施工现场必须设立警示标志,指示施工区域,防止行人误入施工区域。
3.涉及高空作业时,必须采取安全绳网等措施,确保人员安全。
4.施工过程中,遵守施工规范和操作规程,确保作业平稳进行。
六、质量控制:1.施工过程中,严格按照设计方案进行施工,确保材料和施工质量达到设计要求。
2.施工结束后,进行验收,确保土钉墙的稳定性和安全性。
3.施工单位要对施工过程进行记录和整理,以备备案。
七、施工总结:通过以上的施工方案,可以保证土钉墙边坡支护工程的顺利进行,提高边坡的稳定性和安全性。
在施工过程中,要严格遵守相关规范和安全操作规程,加强施工管理,确保施工质量和安全。
土钉支护施工方案土钉支护施工方案一、项目背景土钉支护是一种常用的边坡支护措施,其原理是通过在边坡内侧钻孔安装锚杆,然后将锚杆与边坡土体进行紧密联系,使得边坡能够得到加固和稳定。
本施工方案旨在介绍土钉支护的具体施工步骤和注意事项。
二、施工准备1. 设备准备:准备好钢钉打入设备(空气钻、液压钻等)、滑动封胶注浆设备、平台搭设设备等。
2. 材料准备:准备好土钉、注浆材料(如水泥、砂浆等)、胶带和胶水等。
三、施工步骤1. 边坡勘测:对边坡进行勘测,确定土钉支护的具体位置和数量。
2. 钻孔预备:根据设计要求,在边坡上钻好孔洞,孔洞的深度和直径应符合设计要求。
3. 钢钉安装:把钢钉插入钻好的孔洞中,将其与孔洞内的土体紧密结合,并适当用锤轻敲使其固定。
4. 注浆加固:在钢钉孔洞周围注浆,以增强钢钉与土体之间的相互作用力,提高支护效果。
5. 滑动封胶:将钢钉的头部涂上封胶材料,以防止水分渗入,同时增强土钉与土体之间的摩擦力。
6. 定位标志:为了方便观察和监测,应在边坡上标出土钉的位置和数量。
四、施工注意事项1. 施工前要认真查看设计方案,了解边坡的地质情况、土体性质和设计要求,以确定施工方案。
2. 施工人员必须熟练掌握钻孔和注浆技术,确保孔洞的质量和深度。
3. 钢钉应均匀分布,间距不宜过大或过小,一般应根据设计要求进行。
4. 注浆时要确保浆料均匀注入,并注意防止注浆过多或过少导致支护效果不佳。
5. 滑动胶的涂抹要均衡一致,不能有漏涂或涂抹不均匀的情况。
6. 施工中应密切关注边坡的变化和支护效果,如发现异常情况应及时采取措施进行处理。
7. 施工完成后需要及时进行现场清理,确保施工区域的整洁和安全。
通过以上施工步骤和注意事项,可保证土钉支护施工的质量和安全。
如施工人员严格遵守施工规范和操作要求,结合具体的地质条件进行施工,将能够取得较好的边坡支护效果,并提高边坡的稳定性。
土钉墙边坡支护专项施工方案(深基坑专家论证版)一、工程概况咱们得了解一下这个工程的具体情况。
这是一个深基坑项目,基坑深度达到了惊人的20米,周边环境复杂,既有居民楼,又有交通要道。
这就要求我们在施工过程中,不仅要保证基坑的稳定性,还要确保周边环境的安全。
二、施工目标明确了工程概况,就是施工目标。
我们的目标是,通过土钉墙边坡支护施工,确保基坑周边土体稳定,防止土体位移,确保基坑施工安全顺利进行。
三、施工方法1.土钉墙设计:根据基坑深度和周边环境,我们采用预应力锚杆和土钉墙相结合的方式。
预应力锚杆可以有效地提高土体的抗剪强度,而土钉墙则可以增强土体的整体稳定性。
2.施工顺序:先进行预应力锚杆施工,再进行土钉墙施工。
这样既可以保证施工进度,又可以确保施工质量。
3.土钉墙施工:采用分段施工的方法,每段高度为2米。
施工过程中,严格控制土钉墙的倾斜度,确保其垂直度。
4.土钉墙支护:在土钉墙施工完毕后,立即进行支护施工。
采用喷射混凝土和挂网喷浆相结合的方式,提高土钉墙的支护效果。
四、施工工艺1.预应力锚杆施工:进行锚杆孔的钻进,然后放入预应力钢筋,进行注浆施工。
2.土钉墙施工:先进行土钉墙的放样,然后进行挖土,接着进行土钉的安装和注浆施工。
3.支撑施工:在土钉墙施工完毕后,立即进行支撑施工。
采用钢管支撑,确保基坑的稳定性。
五、施工质量控制1.施工过程中,严格按照设计要求进行施工,确保施工质量。
2.施工完毕后,对土钉墙进行验收,确保其满足设计要求。
3.施工过程中,定期进行监测,发现异常情况,立即采取措施进行处理。
六、施工安全措施1.施工现场设置安全警示标志,提醒施工人员注意安全。
2.施工人员必须佩戴安全帽、安全带等防护用品。
3.施工现场配备专职安全员,负责施工现场的安全监督。
4.定期对施工现场进行安全检查,发现问题及时整改。
七、施工进度安排1.预应力锚杆施工:预计用时10天。
2.土钉墙施工:预计用时15天。
3.支撑施工:预计用时5天。
边坡支护方案-土钉墙(共36页) -本页仅作为预览文档封面,使用时请删除本页-目录第一章工程概况及说明 0总述 0编制说明 0工程概况 0本方案编制依据的主要规范、规程 0.地质情况 (1)地层结构 (1)地下水 (1).工程设计做法及材料 (1)支护工程概括 (1)第二章施工部署 (2)施工总规划布置 (2)施工组织机构 (3)施工管理组织机构设置原则 (3)工作部署 (3)项目经理部组织机构 (3)施工现场设施布置 (4)施工临建设施 (4)施工供水设施 (4)施工供电设施 (4)第三章施工准备 (5)施工准备工作基本原则 (5)劳动力组织准备 (5)施工技术准备 (6)施工物质条件生产准备 (6)第四章主要分部(项)工程施工方案 (8)施工测量 (8)测量放线 (8)土钉支护施工方案 (8)施工准备 (8)土钉施工步骤 (9)土钉质量控制值标准及保证措施 (10)挂网、喷混凝土工程 (13)绑扎钢筋网片 (13)花管花管灌浆施工: (13)喷射混凝土 (15)第五章工程质量目标及保证措施 (16)质量及进度目标 (16)质量保证体系及责任制度 (16)质量保证具体措施 (17)质量检查、验收制度 (17)第六章工期保证措施 (18)进度控制的协调措施 (18)按施工阶段分解,突出控制节点。
(18)施工进度计划的动态控制 (18)确保工期的组织及经济措施 (19)保证工期的技术措施 (20)第七章安全管理 (21)安全目标 (21)安全保证体系 (21)安全责任制度 (21)安全保证措施 (22)第八章文明施工现场管理措施 (23)文明施工现场管理措施 (23)文明施工的管理 (23)施工现场场地的管理: (23)临时设施 (24)临时给水排水(设管理责任人) (24)现场卫生管理 (25)环境保护施工管理措施 (25)第九章雨季施工保证措施 (26)第十章基坑及支护结构监测 (27)第十一章应急预案 (27)应急预案工作流程图 (27)应急风险分析 (28)应急情况快速反应的工作程序 (30)基坑边坡常见事故应急措施 (31)洪、汛救援预案 (31)第十二章工程施工技术档案管理制度 (32)第一章工程概况及说明总述基坑边坡支护及桩基工程施工专项方案作为指导施工的指导性文件,在编制过程中我们对项目管理机构设置、劳动力安排、施工进度计划控制、机械设备及周转材料配备、主要分部分项及子分项工程的施工工法、工种质量控制措施、安全生产保证措施、文明施工、环境保护措施、雨季、夏季节施工保证措施及基坑监测及应急预案措施等诸多因素进行了综合考虑,以突出施工方案的科学性、可行性。
土钉支护施工方案地质工程中,土钉支护是一种常见的边坡稳定措施。
它适用于岩土边坡、高边坡、挡土墙和挡土基础等工程,能有效防止边坡和岩体的滑坡、塌方等危险情况。
本文将介绍土钉支护的施工方案,旨在提高工程施工效率、保障工程质量。
1. 施工前准备在进行土钉支护工程之前,需要做好充分的准备工作,确保施工过程顺利进行。
具体准备工作包括:•地质勘察:对工程现场进行详细的地质勘察,确定地层情况、地下水位等重要参数,为后续设计提供依据。
•设计方案:根据地质勘察结果,设计土钉支护的具体方案,包括土钉布设位置、长度、角度等参数。
•材料准备:准备好所需的土钉、锚杆、钢丝绳等材料,确保材料质量符合国家标准。
•机械设备:准备好挖掘机、起重机、搅拌机等施工机械设备,确保施工过程中的顺利进行。
2. 施工步骤步骤一:钻孔根据设计方案要求,在边坡上依次钻设土钉孔,孔深度一般为土钉长度的1.2~1.5倍,孔径和土钉直径匹配。
钻孔应该垂直于边坡面,并注意控制好钻孔的位置和间距,确保土钉的布设均匀稳固。
步骤二:灌浆在完成钻孔后,需在孔内灌入高强度灌浆材料,例如水泥浆,以增加土钉的支护力。
灌浆过程中要确保灌浆浆液的浓度、密实度,灌浆时应采用适当的灌浆设备和方法,确保灌浆效果良好。
步骤三:固定土钉将土钉插入已灌浆的孔内,使土钉的顶端留出一定长度,用以固定土钉头。
通过专用的土钉夯实机或手动套筒将土钉紧固在孔内,确保土钉与灌浆材料之间的紧密结合。
步骤四:布设防护网在土钉固定完成后,需要在边坡表面张设防护网,用以固定土钉头部,防止边坡松动。
防护网的张设密度应符合设计要求,同时注意防护网与土钉之间的连接牢固可靠。
3. 施工质量控制在进行土钉支护施工过程中,需要做好质量控制,确保工程质量达标。
主要质量控制点包括:•土钉孔直径和深度应符合设计要求,偏差控制在允许范围内。
•土钉灌浆浆液应均匀充实,无空洞和松动现象。
•土钉固定牢固,顶端露出长度符合要求。
•防护网张设紧密牢固,与土钉连接牢靠。
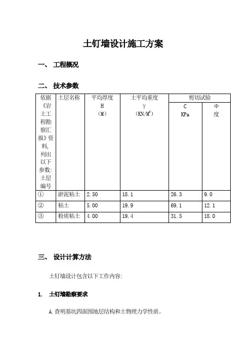
土钉墙设计施工方案一、工程概况二、技术参数三、设计计算方法土钉墙设计包含以下工作内容:1. 土钉墙勘察要求A.查明基坑四面围地层结构和土物理力学性质。
B、查明地下水类型, 埋藏条件及渗透性, 分析地下水对基坑开挖、基坑隆起和支护结构影响。
C.对基坑周围建筑物、地下管线和道路现实状况进行调查, 判定基坑开挖对其影响程度。
2. 确定土钉墙结构尺寸A、土钉墙用于4.8-5.0M基坑深边坡, 斜面坡度为84°。
B.土钉墙均是分层分段开挖, 每层开挖高度常和土钉竖向间距相同, 即为1.2m, 每层开挖纵向长度, 取决于土体维持稳定最长时间和施工步骤相互衔接, 暂定10m长。
3. 土钉参数设计依据土钉墙结构尺寸和工程地质条件, 进行土钉关键参数设计, 包含土钉长度、间距及部署, 孔径和钢筋直径等。
A.土钉长度设计(第一、第三排长度为7M, 第二排长度为9M。
)B、土钉直径及间距部署(第一、第三排土钉直径20, 第二排直径25。
竖向间距1.2M, 水平间距1.0M。
)C.土钉钢筋直径d选择为增加土钉钢筋和砂浆握裹力和抗拉强度, 土钉钢筋采取(25。
D.孔径D=110MM, 土钉注浆材料用1:0.5水泥浆,在需要时可加入多种外加剂。
4. 土钉墙内部稳定性分析土钉稳定性分析是土钉墙工程设计一项极其关键内容, 它能够验证初步设计所选各个参数合理性、可行性, 也能够确定土钉墙安全性、适用性, 所以它是土钉墙设计关键一步, 是土钉墙应用基础。
土钉墙分析基础原理分极限平衡方法和有限元方法, 但大多数均采取极限平衡方法。
4.1 基础假定A.破裂面假定为圆弧形B、破坏时, 土钉最大拉力和剪力在破裂面处。
C、土钉抗剪强度, 沿破裂面全部发挥。
D.土体强度参数取加权平均值。
4.2 土钉力简化A、土钉实际受力状态是很复杂, 通常情况下土钉中产生拉力、剪应力和弯矩, 土钉经过这个复合受力状态对土钉墙稳定性起作用。
为使分析计算简化, 只考虑土钉抗拉作用, 土钉抗拉作用计算为该土钉和破裂面交点处土钉拉力, 其抗拉能力标准值取为:B、土钉和土体界面抗剪强度由(i=c+k0*r*h*tgΦ=26.3+0.6*18.1*2.5*tg9.0=27.66 KN/m2, 则T x1 = π⋅D⋅L B⋅τi=3.14*0.11*式中L B—为土钉伸入破裂面外约束区内长度(m)τi—为土钉和土体间拉剪强度标准值(KN/m2)B.由土钉钢筋强度(y计算, 则τx2 = ƒy As式中ƒy—为钢筋抗拉强度标准值(KN/m2)As —为钢筋载面积C.由钢筋和砂浆间粘结强度(g计算, 则τx3 = π⋅d⋅L Bτg式中 d —为钢筋直径τg—为钢筋和砂浆界面粘结强度标准值(KN/m2)由A.B.C三式计算, 取用小值作为土钉抗拉能力标准值, 通常情况下, 土钉抗拉能力标准值由第一式决定。
基坑边坡支护施工方案本工程由于基坑挖深6m,为了确保安全,故基坑开挖后在本工程南北侧两侧的边坡上采用土钉进行加固。
1、编制依据本工程根据基坑土钉支护技术规范,按建筑Ⅱ类基坑设计。
2、施工流程坑内放线——已开挖部分土钉加固(二层)——土钉喷围护(上下三层)——中间土方挖运——放坡及坡面处理。
3、施工方法根据土钉支护的工艺要求,土方开挖必须采取分层分段自上而下的方法进行,各层开挖深度均控制在本排土钉高度以下0.3m,在未完成上层作业面的钉喷锚支护之前,不得进行下一层土的开挖。
1)修边坡首先确定基坑放样尺寸,然后进行人工切削,边坡修整,使边坡表面保持粗糙,以提高喷射砼的粘结度。
2)土钉制作按设计要求,本基坑土钉支护所采用的土钉均为5m长的Φ48普通钢管制作,靠孔底的一侧制作成桩尖状,管壁开设出浆孔,并设护孔板,布孔范围离护桩尖1m长。
3)打入土钉成孔前应根据设计确定孔位孔位的允许误差不大于200mm,成孔时应对土层进行保护。
成孔作业时要调整好角度,既要保护边坡,又要保证不损伤邻近建筑物和地下管线。
遇有障碍物需调整孔位时,不得影响边坡安全。
4)注浆料为水泥净浆,应采用普通硅酸盐425号水泥,水灰比0.3~0.4。
采用土钉底部注浆,即把注浆插入钢管内再开始注浆,边注浆边缓慢匀速撤出注浆导管。
注浆到钢管口时,应及时在钢管口设置浆塞,然后再加压二次注浆。
水泥浆液应搅拌均匀,已拌好的浆液应在初凝前用完,做到随拌随用。
5)挂网与加强筋钢筋网片采用φ6.5@200双向钢筋,钢筋网上部竖向钢筋可手工绑扎,下部必须焊接,水平钢筋可手工绑扎。
钢筋网片应牢固固定在边坡上,并符合保护层厚度要求。
水平加强筋采用二级14压在钢筋网片和钉上,且应与土钉焊牢。
6)土钉端部焊接土钉端部与加强筋、钢筋网片及井字架相互焊牢,以增强其整体风度。
7)喷射砼喷射砼强度等级为C20,采用425号普通硅酸盐水泥、瓜子片、不大于2.5mm的中细砂。
空压机风量为9m3/min,喷头水压不小于0.15MPa。
北京邮政速递处理中心项目生产辅助楼、地下锅炉房及地下消防水池基坑支护工程安全专项施工方案北京综建科技有限公司2016年4月审批人:审核人:编制人:编制时间:年月日编制单位:(盖章)北京综建科技有限公司目录第1章编制依据 01.1 相关图纸资料 01。
2 相关技术标准 01.3 相关法规 0第2章工程概况 (1)2。
1 工程地理位置 (1)2.2 工程规模 (2)第3章工程周边情况 (5)3。
1 基坑周边环境条件 (5)3.2 基坑使用条件 (5)3.3 基坑周边设施的保护 (6)第4章工程地质和水文地质条件 (7)4.1 工程地层条件 (7)4。
2 水文地质条件 (9)4。
2.1 地下水类型及埋藏条件 (9)4.2。
2 地下水水位动态变化特征 (10)4.2。
3 历年水位 (10)第5章支护结构、土方开挖及地下水控制施工要点 (11)5.1 支护结构施工要点 (11)5。
1。
1 土钉墙施工工艺 (11)5。
1。
2 钢管桩施工工艺 (12)5.1.3 施工控制要点 (13)5.2 土方开挖施工要点 (16)5。
3 地下水控制措施与施工要点 (17)5.3.1 地下水控制措施 (17)5.3.2 施工要点 (17)第6章施工组织设计 (19)6。
1 总体总体部署 (19)6。
2 施工进度计划 (19)6.2.1 工期要求 (19)6.2.2 工程开工竣工日期 (19)6.2。
3 工期保证措施 (19)6.3 施工平面布置 (20)6。
4 施工准备 (20)6。
5 土方施工 (21)6.5.1 土方施工注意事项 (21)6。
5.2 土方出土计划 (21)6。
6 主要资源配置计划 (21)6。
6.1 劳动力配置计划 (21)6。
6.2 施工机械配置计划 (22)6.6.3 施工机械管理 (22)6.6。
4 施工原材料配置计划 (23)6.7 施工质量计划 (23)6。
7。
1 质量管理目标 (23)6.7.2 施工试验 (23)6.7.3 施工质量检验 (23)6.7.4 质量管理组织体系 (24)6.7.5 质量保证措施 (24)6。
土钉墙边坡支护施工方案土钉是一种常用的边坡支护措施,通过将钢筋或玻璃钢土钉套入边坡中,再用高强度混凝土灌注固定,能够增加边坡的稳定性,防止边坡滑坡、崩塌等事故的发生。
以下是一种土钉墙边坡支护施工方案:1.资料准备:根据工程设计要求,准备所需的土钉、混凝土、钢筋等材料,并进行验收。
同时,需要准备好相关施工设备,如挖掘机、混凝土搅拌机、浇注设备等。
2.边坡开挖:首先根据工程设计要求,对边坡进行开挖,将边坡表土和松散的土体清除,使边坡基础达到设计要求的坡度和稳定性。
3. 土钉布置:按照设计要求的钢筋间距和埋置深度,在边坡上钻孔,钻孔直径一般为150-250mm,孔深一般为2-3m,孔与孔之间的距离一般为1-1.5m。
然后将土钉套入孔内,使其留出一定长度。
4.混凝土灌注:将混凝土搅拌机移至施工现场,调配好混凝土,并使用浇注设备将混凝土灌注至土钉孔中,填充孔隙。
同时,在灌注混凝土的过程中,用棒杆对土钉进行顶压,使其贴合边坡。
5.钢筋绑扎:在土钉灌注完毕后,需要对土钉进行钢筋绑扎,以增加土钉的抗拉能力。
根据设计要求,在土钉上固定好钢筋,并进行绑扎,确保钢筋的牢固。
6.土钉头部处理:土钉灌注固定后,需要对土钉头部进行处理,一般采用水泥封头的方法。
将水泥砂浆均匀地涂抹在土钉头部,使其与边坡表面相平。
7.养护:土钉墙施工完毕后,进行养护。
通常采取覆盖土袋或喷洒水等方式,保持土体湿润,待混凝土充分凝固后,方可进行后续施工。
8.监测:在土钉墙边坡支护施工完毕后,需要进行监测工作,以确保边坡的稳定性。
通过在边坡不同位置设置监测点,定期进行监测,监测土钉拉力以及边坡位移等数据。
以上是土钉墙边坡支护的施工方案,通过合理的施工操作和监测措施,能够提高边坡的稳定性,确保施工质量。
在实际施工过程中,应严格按照设计要求进行操作,以确保施工效果和工程安全。
同时,应进行必要的安全措施,规范操作,避免事故的发生。
土钉墙支护施工组织设计方案1. 引言土钉墙支护工程是一种常见的地质灾害治理和土壤稳定工程技术,适用于岩石或土壤边坡的支护和加固。
本文档旨在详细介绍土钉墙支护施工组织设计方案。
2. 项目概述土钉墙支护项目位于xxx地区的某边坡,主要目的是改善边坡的稳定性和防止地质灾害发生。
该项目的范围包括xxxx。
设计方案的目标是高效、安全地完成土钉墙支护施工。
3. 工程准备在施工开始前,需要进行一系列工程准备工作,包括但不限于: - 材料准备:根据设计要求,准备所需的土钉、注浆材料、土壤改良材料等。
- 设备准备:准备施工所需的土钉打孔机、喷射机、土钉拉力机等专用设备,并确保其正常运行。
- 人员组织:组建施工队伍,包括项目经理、工程师、施工人员等,确保人员配备齐全。
- 施工场地准备:对施工现场进行清理、平整,并设置施工标志和警示牌,确保施工安全。
4. 施工工艺流程本项目的施工工艺流程可以分为以下几个主要步骤:4.1 土壤钻孔处理1.在设计位置确定钻孔点位,使用土钉打孔机进行土壤钻孔。
钻孔深度和间距根据设计要求确定。
2.清理钻孔孔口,将孔口内的杂物清理干净,确保土钉后续注浆作业的顺利进行。
4.2 土钉注浆1.安装土钉注浆设备,将预先制备好的注浆材料注入注浆设备中备用。
2.将注浆设备连接到钻孔口,注浆材料通过压力送入土钉孔中,完成土钉注浆作业。
4.3 土钉固定1.在土钉注浆完成后,根据设计要求,在土钉头部安装预制头板或者临时接头,用以固定土钉。
2.使用土钉拉力机对土钉进行拉力,确保土钉紧固牢固。
4.4 喷射混凝土1.根据设计要求,在土钉支护的外表面进行喷射混凝土,以增加整个土钉墙的强度和稳定性。
2.控制喷射混凝土的厚度和均匀性,确保施工质量。
4.5 后期处理1.完成土钉墙的施工后,对施工现场进行清理,并将施工材料和设备进行撤离。
2.进行施工质量检查,确保施工符合设计要求和规范。
5. 安全措施在土钉墙支护施工过程中,为确保安全,需要采取以下措施: - 施工现场设置安全警示标志牌,提醒工作人员和过往人员注意安全。
第1篇一、工程概况1. 工程名称:XX项目基坑边坡支护工程2. 工程地点:XX市XX区XX路XX号3. 工程规模:建筑面积XX万平方米,基坑深度XX米4. 施工单位:XX建筑工程有限公司5. 施工日期:2022年X月X日至2023年X月X日二、施工方案概述为确保基坑边坡稳定,防止坍塌事故发生,根据工程地质勘察报告和设计要求,制定本基坑边坡支护施工方案。
本方案主要包括以下内容:1. 工程地质及水文地质条件2. 支护形式选择3. 施工工艺流程4. 施工质量控制措施5. 安全文明施工措施6. 施工进度计划三、工程地质及水文地质条件1. 地质条件:根据地质勘察报告,本工程场地地基土主要为粉质黏土、砂土、砾石等,土层厚度不等,最大厚度为XX米。
地下水位埋深为XX米。
2. 水文地质条件:地下水类型为孔隙潜水,主要补给来源为大气降水和地表水,排泄方式为蒸发和向下渗透。
四、支护形式选择根据工程地质条件、基坑深度、周边环境等因素,本工程采用以下支护形式:1. 喷射混凝土护面2. 钢筋混凝土支撑3. 土钉墙五、施工工艺流程1. 施工准备a. 场地平整:对施工场地进行平整,确保场地坚实、平整。
b. 材料准备:根据施工方案,提前准备所需材料,如钢筋、水泥、砂石、土钉等。
c. 施工设备:准备施工所需设备,如挖掘机、搅拌机、混凝土输送泵、钻孔机等。
2. 施工工艺a. 喷射混凝土护面:在基坑边坡上喷射一层混凝土,厚度为XX毫米,以保护边坡稳定。
b. 钢筋混凝土支撑:在基坑边坡上设置钢筋混凝土支撑,间距为XX米,确保支撑结构稳定。
c. 土钉墙:在基坑边坡上设置土钉墙,土钉间距为XX米,确保土钉墙的稳定性。
3. 施工验收a. 材料验收:对进场材料进行验收,确保材料质量符合要求。
b. 施工质量验收:对施工过程中的各项指标进行验收,确保施工质量。
六、施工质量控制措施1. 材料质量控制:严格按照设计要求选用优质材料,对进场材料进行检验,确保材料质量。
设计方案一、设计原则岩土工程设计应以至少旳投资,最短旳工期,到达设计基准期内安全运行,并满足所有旳预定功能规定,包括三个方面:1、安全性和耐久性规定:这是基坑工程施工旳首要问题,首先要保证基坑边坡及周围建(构)筑物旳安全和稳定。
2、预定功能规定:保证较短旳施工工期在保障安全旳前题下,要尽量旳压缩基坑工程旳施工工期,以便为后续旳主体构造施工赢得时间。
3、经济合理:在保障安全旳前提下,要尽量充足运用较先进旳理论及有关施工经验,最大程度旳减少造价,节省投资。
二,设计计算根据设计计算根据《建筑基坑支护技术规程》(JGJ120-99)计算公式,结合专家论证及经验公式,采用理正深基坑设计软件辅助计算。
设计时综合考虑旳原因:1)场区工程地质、水文地质状况。
2)基坑周围构造旳安全性。
3)周围红线外地下管线、构造物及市政管线旳安全性。
4)支护构造旳整体稳定及对周围环境影响,尽量减小施工引起旳地面沉降值及沉降影响范围。
5)综合考虑支护构造工程既安全又经济。
6)结合我企业既有机械实力状况,便于施工管理、机械调配。
7)在岩土工程设计中,岩土工程师与构造工程师应亲密配合,使岩土工程设计与构造工程设计协调一致。
综合考虑基坑周围状况及后期施工规定,在进行边坡支护设计时,分别对基坑周围施加了均部荷载和集中荷载,将整个基坑视为整体旳同步,采用了较为常用旳瑞典条分法进行了基坑支护设计。
三, 方案旳选择:本工程施工工序:先施工地下车库,其构造强度满足规定后施工5#楼,另一方面施工6#、7#楼。
椐以上特定条件和工序基坑支护设计选用支护方案:土钉支护四、土钉支护设计参数以基坑现实状况和坑深,划分6个经典剖面,其分布详见基坑平面图1-1剖面坡高10.5m 1:0.3放坡2-2剖面坡高10.5m 1:0.4放坡3-3剖面坡高8.0m 1:0.3放坡4-4剖面坡高8.0m 1:0.1放坡5-5剖面坡高3.3m 1:0.3放坡6-6剖面坡高3.3m 1:0.1放坡各剖面支护参数如下A 土钉参数:1-1,2-2剖面支护参数(1)开槽深度按10.5m进行设计,西坡坡度1:0.3东坡坡度1:0.4。
土钉墙支护设计施工方案一、设计1.1 设计原则土钉墙支护设计的目的是增强边坡的稳定性,减小边坡的倾动和滑移。
在设计土钉墙支护时,应遵循以下原则:•考虑地质条件,确定土钉的长度和布置密度;•确保土钉墙的整体稳定性和有效承载能力;•保证土钉的抗拉性能和连接性能;•考虑土钉与混凝土面板的连接方式。
1.2 设计内容1.确定设计边坡的稳定性分析结果;2.根据边坡工程实际情况确定土钉的长度和布置密度;3.设计土钉墙的结构形式和尺寸;4.确定土钉的类型、直径和长度;5.确定土钉与混凝土面板的连接方式。
二、材料2.1 土钉土钉是土工合成材料,由钢筋、钢绞线等材料组成,主要用于边坡支护和加固。
在土钉墙支护设计中,应选用质量可靠、抗拉力强的土钉。
2.2 混凝土在土钉墙支护中,混凝土是起着固定土钉和作为面板支护的作用。
混凝土应具有良好的抗压性能和抗震性能。
三、施工3.1 施工准备1.准备所需材料和设备;2.清理施工现场,并对边坡进行清理和整平;3.制定施工方案,并确定土钉的布置位置。
3.2 施工工艺1.钻孔:根据设计要求,对边坡进行钻孔,孔深应达到设计要求的土钉长度;2.安装土钉:将土钉插入孔内,填充灌浆材料,并进行双向交替锚固;3.制作混凝土面板:浇筑混凝土面板,保证表面光滑平整;4.进行土钉和混凝土面板的连接:根据设计要求将土钉与混凝土面板进行连接。
3.3 施工质量检查1.对土钉墙支护进行验收,并进行相关质量检查;2.对土钉的锚固长度和锚固质量进行检查;3.对混凝土面板的质量进行检查,保证面板平整、无裂缝。
四、验收1.完成土钉墙支护后,对工程进行验收;2.检查土钉的质量和连接情况;3.检查混凝土面板的质量;4.完成验收合格后,进行竣工验收。
五、总结土钉墙支护设计施工方案是土建工程中重要的一环,设计施工过程需严格按照相关规范和设计要求进行。
只有确保土钉墙支护质量和连接稳固,才能保证边坡支护工程的稳定性和安全性。
土钉墙支护施工方案50134一、施工准备工作1.按设计要求检查边坡地质情况和施工图纸,确定地面开挖范围和土钉布置位置。
2.准备好所需的施工机械设备和材料,包括挖掘机、空压机、土钉、支护板、胶结材料等。
3.划定施工现场,设置警示标志和安全围栏,确保施工区域的安全。
二、地面开挖1.按设计要求采用适当的方式进行地面开挖,确保边坡的坡度和高度符合要求。
2.在地面开挖的同时,进行边坡松土,清除掉边坡表面的松土层和碎石。
3.地面开挖的深度应考虑土钉的埋深和支护板的夯实,一般深度为1.5倍土钉长度。
三、土钉布置1.根据设计要求确定土钉的布置密度和位置,一般为水平间距1m-2m,垂直间距1m。
2.将土钉锚固至边坡内部,一般的锚固深度为土钉长度的1/3-1/23.将土钉安装在预先钻好的孔眼中,保持水平,采用适当的方法固定土钉。
四、钢筋网安装1.在土钉上张设钢筋网,将其与土钉牢固连接。
2.把钢筋网拉紧,使其紧贴边坡表面,确保支护效果。
五、胶结材料注浆1.采用空压机将胶结材料注入土钉孔眼中,并进行注浆捣实。
2.确保胶结材料充分填充土钉孔眼中的空隙和裂缝,提高土钉与边坡的结合强度。
六、支护板安装1.在土钉上安装支护板,与土钉连接紧密,确保支护板牢固。
2.采用适当的方法将支护板与土钉连接,如使用螺栓、焊接等。
七、边坡整体夯实1.在支护板安装完毕后,对整个边坡进行夯实,确保边坡表面平整。
2.采用均匀的力量和适当的方法进行夯实,使边坡稳定牢固。
八、施工质量控制1.施工过程中,根据设计要求和监理要求进行施工质量的检查和控制。
2.对施工过程中出现的质量问题及时进行处理和整改,确保施工质量。
总结:。
边坡支护施工方案-土钉墙1. 介绍土钉墙是一种常见的边坡支护结构。
它由锚杆、锚具、支撑土工布、预制混凝土面板等组成,可以将边坡稳定,并且减少土方量和基础面积,提高土地利用率。
本文将介绍土钉墙边坡支护的施工方案。
2. 工序2.1 边坡处理首先要进行边坡的处理,包括清理杂草、杂物等,并且进行挖掘,去除不稳定的土壤和碎石,使得边坡的坡度和形状满足设计要求。
2.2 布置基础钢筋在边坡的上沿处,要预留基础钢筋的位置。
按照设计要求进行布置,将钢筋固定到边坡的岩石或混凝土体上。
2.3 钻孔按照设计要求进行钻孔,进行土钉的灌注,并且对土钉的长度、直径和间距进行控制。
2.4 安装土钉在钻好孔的位置上进行土钉的安装。
进行土钉的钢钻和钢钉排布。
在钢钉里面灌注混凝土砂浆,以保证土钉的强度和稳定性。
2.5 安装加固土工布钉好土钉后,安装加固土工布,用于固定边坡上的土壤,并且将土壤进行支撑。
同时,加固土工布还可以承担一部分土钉的拉力。
2.6 安装预制混凝土面板安装预制混凝土面板,将其钉在土钉上,并且进行调整,使其垂直于边坡。
同时,要保证混凝土面板之间的间距均匀,并且不能出现缝隙。
2.7 其他注意事项在施工过程中,要进行现场监测和管理。
记录土钉长度、深度、倾角等数据,确保土钉的质量和强度。
同时,还要根据现场实际情况调整施工方案,保障施工安全和质量。
3. 安全措施在土钉墙的施工过程中,要采取多种措施确保安全:•外围自行车道、行人道要设置护栏、安全带等保护措施;•司机要熟悉土钉墙施工技术,遵守交通安全规定;•未经培训和考试的人员不得进入工地;•知晓施工方案和操作规程,保证施工质量;•穿防护服、安全帽、眼镜等防护装备;4. 问题在土钉墙施工过程中,可能会出现以下问题:4.1 土钉表面易腐蚀土钉在使用过程中,可能受到潮湿的土壤中水分蒸发、气温变化、雨雪侵蚀等多种因素影响,从而导致钢钉表面的锈蚀、腐蚀等问题。
为了避免这种情况,要保持土钉表面的清洁和干燥,以及防止钢锈腐蚀的发生。
土钉支护专项施工方案方案1.项目概述土钉支护是一种常用的岩土工程防护方法,通过注入土钉,增加地层的抗剪强度和抗滑性能,保证边坡、挡土墙等结构的稳定性。
本次施工方案旨在对工地进行土钉支护专项施工,确保施工质量和工程安全。
2.工程准备(1)设计准备:对工程的地质、水文条件进行调研和分析,确定土钉支护的具体参数、方案和施工工艺。
(2)施工准备:准备所需的施工机械设备、施工材料和人力资源,并进行必要的培训和技能考核。
3.施工流程(1)准备工作:清理施工现场,确保施工区域的平整和清洁,确保施工材料的储备和供应。
(2)预处理:对施工区域的地表进行清理,确保土钉的嵌入深度和接触面积。
(3)钻孔施工:选取适当的钻孔机械进行土钉孔的施工,钻孔直径和孔距需按设计要求进行控制。
(4)嵌入土钉:使用专用设备将土钉嵌入钻孔中,使其嵌入深度达到设计要求,保持垂直度和水平度。
(5)填充固结材料:采用适当的固结材料填充土钉孔,增加土钉与周围土体的摩擦力和抗剪强度。
(6)系梁处理:根据实际需求,在土钉之间设置横向系梁,增加整体稳定性和抗拉强度。
(7)防护层施工:在土钉支护体系外部进行防护层的施工,包括喷涂防水材料、设置排水管道等。
(8)后处理工作:进行施工现场的清理和维护,对施工过程进行总结和评估。
4.施工安全措施(1)施工人员必须经过资质培训和技能考核,确保具备相关工程知识和操作技能。
(2)在施工现场设置明显的警示标志和安全防护设施,确保施工人员的人身安全。
(3)严格遵守施工现场管理规程,确保施工机械设备的安全操作和维护。
(4)施工过程中注意排水和防水工作,及时清理施工现场的积水,并采取必要的防水措施。
(5)钻孔施工时,严禁在土体结构下方进行施工,以防止坍塌事故的发生。
(6)施工现场严禁吸烟、明火和易燃物品,确保施工过程的消防安全。
5.施工质量控制(1)施工过程中定期进行检查和测试,包括土钉的嵌入深度、水平度、垂直度等参数的控制。
目录1、工程概况21.1 工程概况21.2 基坑支护参数如下:32、项目管理组织机构32.1 施工组织机构32.2 项目人员的配备33、施工方案及施工方法33.1 土方开挖方案33.2 基坑支护方案33.3 施工方法44 施工进度计划45 施工质量标准及质量保证措施4 5.1 质量标准45.2 质量管理保证体系45.3 施工材料的质量保证45.4 工程技术、资料的质量保证55.5 雨季施工保证措施56、施工工期保证措施56.1 管理保证措施56.2 设备及劳动力保证措施57 施工机械及施工人员配备57.1 机具、设备配备57.2 劳动力配置68 施工安全保证措施68.1 安全管理措施68.2 安全用电措施69 应急预案610 文明施工措施611 竣工验收7********** 边坡土钉支护及排桩支护专项施工方案1、工程概况1.1 工程概况拟建的********** 基坑边坡支护工程,位于********** 。
该工程基坑开挖深度(由地表算起) 约8.2 米。
根据基坑开挖深度状况,开挖后的基坑必须进行边坡支护。
根据建设方对边坡支护的具体要求,结合本工程场地岩土分布状况,在保证基坑施工期间的安全性和稳定性,又能降低工程造价的原则,我公司承担了该基坑边坡支护的施工任务。
设计依据:《建筑基坑支护技术规程》 ( JGJ120-99)《建筑桩基技术规范》 ( JGJ94-2008)1.2 基坑支护参数如下:基坑采用锚杆支护:本基坑采用1:0.5 坡比,边坡支护均采用钢筋土钉墙支护施工:共设置五排钢筋土钉,挂网摩擦钉,L=1.00m ,拐头0.30m ,梅花布置@1000 ,单层双向钢筋网φ6.0@1000*1000mm,喷砼厚8—10cm 强度C20。
B —C 段采用钢筋混凝土锚杆排桩支护,设一道预应力锚杆,锚杆水平间距1.5m。
预应力锁定值为50KN 。
桩立面挂钢筋网喷面处理,钢筋网为φ6.0@200*200mm,面层厚度为50mm,强度等级为C20。
桩平面布置见图XK-S- 02B'C段。
钢筋笼分段制作时,从任一接头至35d 的区段内有街头的受力钢筋截面面积不得大于受力钢筋总截面面积的50%。
2、项目管理组织机构2.1 施工组织机构本工程实行项目管理,由*** 同志任项目经理,*** 同志任项目总工,和其他人员组成项目部,对工程实行指挥。
2.2 项目人员的配备3、施工方案及施工方法3.1 土方开挖方案1) .基坑土方挖运采用挖掘机挖土装车、载重汽车外运,人工修坡、清低的方式施工。
2) .开挖过程中,应与基坑支护施工相配合,采用分层分段开挖的原则,严禁超挖。
3.2 基坑支护方案1).基坑采用锚杆支护。
本基坑采用1:0.5 坡比,边坡支护均采用钢筋土钉墙支护施工:共设置五排钢筋土钉,挂网摩擦钉14@1000mm, L=1.00m ,拐头0.30m ,梅花布置@1000mm ,单层双向钢筋网φ6.0@200×200mm,喷砼厚8—10cm 强度C20.2) .B~C 段采用钢筋混凝土锚杆排桩支护,设一道预应力锚杆,锚杆水平间距 1.5m。
预应力锁定值为50kN 。
桩立面挂钢筋网喷面处理,钢筋网为Φ6.0@200×200,面层厚度为50mm,强度等级为C20.桩平面布置见图XK-S- 02 B'C段。
钢筋混凝土灌注桩桩径600mm,桩间距1.50m,桩长13.5m。
桩身强度等级为C30 ,钢筋保护层厚度不小于50mm 。
排桩桩顶设冠梁,强度等级为C30。
施工必须严格执行《建筑桩基技术规范》(JGJ94-2008)有关灌注桩施工的规定。
钢筋笼分段制作时,从任一接头至35d 的区段内有街头的受力钢筋截面面积不得大于受力钢筋总截面面积的50%。
3.3 施工方法施工内容为:支护点位的测放,人工整修边坡,人工洛阳铲成孔和钢筋土钉的制作及安装,钢板网片及加强筋的铺设及焊接、砼搅拌及坡面砼喷射,施工资料整理(按一般临时性资料整理)及竣工交验。
1)定位,土钉施工前,严格根据边坡支护设计要求定出孔位做好标记。
2)成孔,为保证土钉墙质量,本工程采用人工洛阳铲成孔法。
3)放置钢筋,钢筋置入孔中前,应先设置定位支架,保证钢筋处于钻孔的中心部位。
4)注浆,采用纯水泥浆或M15 砂浆,水灰比1:0.45—0.5,水泥采用PC32.5 水泥,注浆压力控制在2.0Mpa 。
5)挂钢板网面与喷射砼面层。
钢板网面按规格要求铺设,确保位于砼面层中间。
喷射砼面层中间。
喷射砼面层应设置厚度定位标志,保证厚度80mm—100mm 。
6)严格按设计图纸的要求进行施工,施工中加强隐蔽工程的自检和报验程序,保证满足规范和设计图纸的要求。
7)喷射混凝土(1 )喷射混凝土采用Po32.5 级普通硅酸盐水泥,砂子采用中砂,且砂的含水率宜控制在5%-7% ,石子应用坚硬、耐久的碎石,其最大粒径一般不应大于10mm。
(2)喷射混凝土的面层强度C20,配合比一般采用水泥:砂:碎石重量比为1:2:2,水灰比为0.40~0.50。
4 施工进度计划根据本工程的工作量及所处环境,计划工期为20 日历天。
施工进度安排1. 施工前的准备:安排2 天完成,包括水、电线路布置,场地清理,施工放线,人员、材料、机械进场,材料委托试验,混凝土配合比设计等,做好工程开工的一切准备工作。
2. 锚杆排桩及土钉墙护坡施工:安排18 天完成,依据具本土方开挖时间进行交叉施工,土方开挖必须不影响土钉支护作业面和作业空间,每次土方开挖完毕即可进行土钉施工,土方开挖及支护单位必须密切配合,保证工序衔接紧密,不影响各自的施工进度。
5 施工质量标准及质量保证措施5.1 质量标准1、确保基坑边坡稳定及周围建筑物的安全。
5.2 质量管理保证体系5.2.1 质量追究责任制1、对违反操作规定,造成不合格品者,除警告并视情节予以经济处罚,对造成重大质量事故者,报公司有关部门给予行政处分。
2、公司对创优质工程的项目部予以奖励,对发生重大质量事故的项目部予以经济处罚,视情节对相应责任人予以行政处理。
5.2.2 施工人员上岗资质审核制度1. 重要技术岗位由相应专业技术人员负责,如:测量放线由测量员负责。
2. 特种工种须持有上岗证,如:焊工须持有相应等级的操作证,方可施焊。
5.3 施工材料的质量保证1. 工程中的钢材及混凝土质量是直接影响工程质量的主要因素,进入现场材料都要按规定进行检验。
2. 项目部对所进的材料按质量要求进行验收,有质量问题的材料严根禁进入现场,坚决堵塞不合格材料混杂在己检验合格的材料中。
3. 有出厂材质合格证明的钢材送到现场后,试验员要在甲方或现场监理见证人在场的情况下,截取钢材原材送到法定检验单位进行接力试验及焊接性能测试。
4. 商品混凝土进入现场后,要对外观进行质量检查,并在现场测量混凝土坍落度,并制作砼试块。
5.4 工程技术、资料的质量保证由现场技术员负责技术资料的收集,并按如下规定进行整理。
1、技术资料的填写、收集、整理符合规范,堆放整齐,分类正确。
2、技术、质检资料的填写、收集、整理与施工进度同步。
3、责任人签字必须真实,与质量检验同步。
5.5 雨季施工保证措施加强是以气象部门联系,掌握并公布天气预报,使工地在降雨前进处于戒备状态。
对己开挖边坡及支护未完成的边坡进行覆盖,防止雨水冲刷坡体,保证边坡安全;下雨前对作业区域加以覆盖,并做好排水措施,确保雨后尽快恢复施工。
现场材料水泥、砂石及钢材等也均设防雨遮盖蓬布,保证施工材料符合要求。
加工完毕的钢筋注意防止放在泥坑、雨坑上面。
6、施工工期保证措施6.1 管理保证措施1、对各道工序进行合理有序的安排,每道工序制定完成时间,以便检查。
2、对护坡桩进行编号,对每天要完成的桩号及行车路线进行合理安排。
3、各道工序主要负责人应切实按施工计划及完成时间计划作业。
4、进行动态管理,前一道工序的延误必须在一定时段内弥补,同时,以下各道工序均应以大局为重,力争本循环补回延误的时间。
5、对突遇的影响因素,项目部及时启动应急措施。
6.2 设备及劳动力保证措施1、按实际工作量的120%配备设备及劳动力。
2、对不同岗位,安排相应能力、素质的人力。
3、严格要求岗位的人,切实做到人尽其责。
6.3 财务措施保障措施1、备足必要的生产资金。
2、落实生产资金使用计划,针对不同情况进行调整。
施工过程中各工序合理安排、交叉作业,以确保按合同工期完成本工程施工。
7 施工机械及施工人员配备7.1 机具、设备配备依据工程特点、本次桩基施工主要机械仪器设备配备计划如下表:机具、设备计划表7.2 劳动力配置根据进度计划和施工方案,编制劳动力计划见下表。
劳动力计划表8 施工安全保证措施8.1 安全管理措施进入施工现场的施工及管理人员必须遵守下列各条。
1、所有参加本工程的工作人员,都必须严格执行有关规程、规范、各工种安全生产操作规程和专项施工方案。
2、在现场施工工作的人员,必须着装劳保用品,不戴安全帽不得进入施工现场。
3、接受甲方及治安部门对现场质量、治安及环卫等工作的监督管理。
4、施工期间,现场技术员全面负责安全监督工作,发现不安全因素,随时排除,并采取有效预防措施。
8.2 安全用电措施1、现场施工用设备的线路,严格执行部颁规范安装架设要求。
严禁随意拉设。
2、实行三相五线制;金属配电箱作接零保护。
3、开关箱与用电设备实行一机一闸一保护,从配电箱引出线必须使用橡套电缆。
4、所有配电箱应有门锁,色标和统一编号,选用合理的额定漏电动作电流进行分级配合,防雨盖板,有危险标志。
地下室要用低压电源。
5、照明导线用绝缘子固定,严禁使用花线或塑料线,导线不得随地拖拉或绑扎在脚手架上。
单相回路内的照明天关箱必须装设漏电保护器。
6、电焊机上安有防雨罩,下有防潮垫,一、二次电源接头处有防护装置,二次线使用接线柱,一次电源采用橡套电缆或穿塑料软管。
7、切割机、空压机等手持电动工具要装有灵敏有效的漏电保护装置。
8、备用电源与市网电源切换前必须拉掉所有负荷开关(总配电箱内)后,方可进行切换操作,程序为:先拉闸、再送闸、然后送总配电箱内的负荷开关。
9 应急预案当监测发出预警通报后,有关各方面应及时互通情报,研究处理方案,有步骤地采取应急措施,及时排除险情,并跟踪检验处理后效果,从而确保后续工程的安全。
10 文明施工措施1、建立文明施工责任制,划分区域,明确管一负责人,实行持牌制,做到现场清洁整齐。
2、施工现场的临时设施及照明、动力线路,要严格遵循有关规定,搭设整齐。
3、工人操作地点和周围必须清洁整齐,做到活完脚夫下清,工完场地清。
丢洒在路上的砼应及时清理。
4、不乱丢生活垃圾。
应在适当地点设置垃圾临时堆放点,并定期外运、清运渣土垃圾及流体物品,要采取遮盖防漏措施。