E+H Gamma料位计FMG60技术手册
- 格式:pdf
- 大小:2.26 MB
- 文档页数:44
一 PLICSCOM显示调试模块设置1.1 概述功能/设置显示调试模块PLICSCOM用于测量显示、调整和测试,可安装于下列封装外壳和仪器中:●plics®系列传感器的所有单室壳体和双室壳体;●外置的显示调试单元VEGADIS61;从PLICSCOM的硬件版本…-01开始及其传感器,可以通过调试菜单设置背光显示。
硬件的版本号标示在PLICSCOM的标签上或传感器的电子部件中。
提示:此功能是用于带有安全许可的仪表,如:StEx、WHG或船用许可,以及FM、CSA等一些即将实施的国家专用许可。
备注:您可以在显示调试模块PLICSCOM的操作指引手册中获得详细的资料。
1.2 显示调试模块的安装装卸显示调试模块显示调试模块可随时装卸,装卸可带电操作,无需关闭供电电源。
安装步骤如下:1、旋开外壳面盖;2、把显示调试模块放入电子面板上(你可选择四种不同的方位,每个方位相差90°)3、压紧显示调试模块并顺时针转动,直至模块卡紧到位;4、装回带观察视窗的外壳面盖并旋紧。
拆卸方法则是上述步骤的反操作。
显示调试模块直接由传感器供电,无需连接额外的电源。
图26 显示调试模块安装示意图备注:如果您是在原有的VEGAPULS63上增加显示调试模块用于连续测量显示,将需要配置一个加高的带观察视窗的面盖。
1.3 系统调试图27 显示和调试部件1、液晶显示屏2、菜单编号显示3、调试按键按键功能●[OK] 按键:-返回到菜单首项-确认所选菜单-编辑参数-保存设置●[►]按键选择:-菜单选择-列出选项-位置编辑●[+]按键:-改变参数值●[ESC] 按键:-中断输入-返回上一层菜单系统调试传感器通过显示调试模块的四个按键作调整,液晶屏显示各个菜单选项,各个按键的功能如上所述。
在停止按键10分钟后,模块将会自动回复到显示测量值状态。
任何没有以[OK]键确认的设置将不会保存。
1.4 设置的步骤HART-Multidrop地址设置在HART-Multidrop模式(一个输入设置多个传感器),必须首先设置地址,然后才能作参数调整。
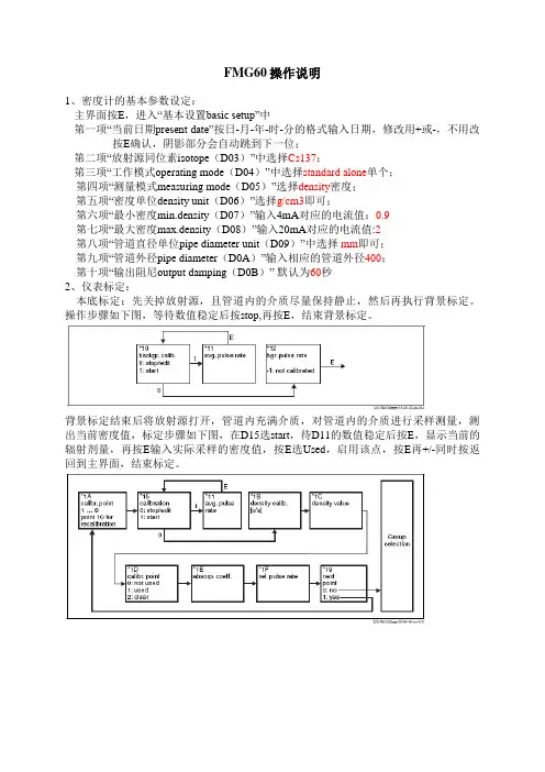
FMG60操作说明1、密度计的基本参数设定:主界面按E,进入“基本设置basic setup”中第一项“当前日期present date”按日-月-年-时-分的格式输入日期,修改用+或-,不用改按E确认,阴影部分会自动跳到下一位;第二项“放射源同位素isotope(D03)”中选择Cs137;第三项“工作模式operating mode(D04)”中选择standard alone单个;第四项“测量模式measuring mode(D05)”选择density密度;第五项“密度单位density unit(D06)”选择g/cm3即可;第六项“最小密度min.density(D07)”输入4mA对应的电流值:0.9第七项“最大密度max.density(D08)”输入20mA对应的电流值:2第八项“管道直径单位pipe diameter unit(D09)”中选择mm即可;第九项“管道外径pipe diameter(D0A)”输入相应的管道外径400;第十项“输出阻尼output damping(D0B)”默认为60秒2、仪表标定:本底标定:先关掉放射源,且管道内的介质尽量保持静止,然后再执行背景标定。
操作步骤如下图,等待数值稳定后按stop,再按E,结束背景标定。
背景标定结束后将放射源打开,管道内充满介质,对管道内的介质进行采样测量,测出当前密度值,标定步骤如下图,在D15选start,待D11的数值稳定后按E,显示当前的辐射剂量,再按E输入实际采样的密度值,按E选Used,启用该点,按E再+/-同时按返回到主界面,结束标定。
3、如果仪表出现报警,可对仪表进行复位操作,步骤如下:在标号为DA的菜单一直按E,到DA3,输入333或7864进行复位,注意复位前记录好之前标定好的背景剂量值和对应的密度及剂量值,复位后再输入这些数值。
即菜单中的D12(背景剂量)、D1B有介质时对应的剂量及对应的密度值(D1C)。
vega雷达液分解说明LO<YOUR L某某广告设计有时QGGQT-GX8G08Q8-GNQGJ8-MHHGN# i ,三三::A R mLbuoi of pain tines of call inff card of the professi one! e lectron that make3 e lectron^ cats product an in® t ion design,adv^rtisetiKint desigiir r^l^iase, Inst 1)Setup 设定此处设定的是仪表的名称,容器的类型,最大最小的量程设定,阻尼时间,输出的模式按[OK]键后进入显示如下菜单:Measurement loop name 仪表的名字Medium 介质的类型Application 容器的类型(有固液之分)Vessel type 容器底部形状Vessel height/ 容器的高度最大量程调整最小量程调整Damping 阻尼时间Current output mode 当前输出的模式Current output min./max. 当前输出的最大最小电流Lock adjustment 锁定调整按[0r键进入显示如下Measurement loop nameSensor 可以更改的名称按一下[OK]键和[]选择需要更改的字符位置。
""" 按[+]输入需要的名称按一下[OK]键确认。
完成输入按比56退出3)Medium 选择介质类型应用的模式按[0r键进入显示如下MediumLiquid ▼ 选择介质类型Water based ▼ 介质名称按OK]键和[]确认输入的信息固体液体选择液体显示如下信息选择固体显示如下信息Solvent 溶剂Powder/dust 粉末/灰尘化学混合物Gramules/pellets 固体小球Water based 普通水场Ballast/pebbles 石块、鹅卵石按一下[OK]键和[]键输入需要的信息后完成按【ESC】退出) 选择固体后出现如下信息Application 选择容器的类型按[加]键进入显示如下ApplicationnSilo 选择容器的类型V按[OK]键显示如下Silo 筒仓Bunker 煤仓Bunker quick filling 物位变化快的煤仓Heap 堆料Crusher 压碎器按[].键选择以上显示类型按[OK ]键完成选择按【ESC 】退出 ) 选择液体后出现如下信息Application选择容器的类型按[加]键进入显示如下 Application Storage tank选择容器的类型Storage tank储存罐Storage tank with product agitation Storage tank on ships (cargo tank) Dosing vessel Stilling tube BypassPlastic vessel (measurement through the vessel 穿透测量 Open water(gauge measurement) 开放水池 Open glume(flow measurement) 开放水池 Rain water overflow(weir) 水槽 Demonstration/test演示C 按[]键选择以上显示类型按[OK ]键完成选择按【ESC 】退出 4)Vessel type选择容器底部的类型储存罐带搅拌 轮船上的储存罐 反应器 定量给料器 导波管 旁通管按[OK]键进入显示如下Vessel typeVessel bottom容器底部的类型Angular ▼ 可以选择的类型按[oK]键显示顶部类型Straight 竖直的Comtical 圆弧的Angular 有尖角的按[]键选择以上显示类型按[OK]键完成选择按【ESC】退出5)Vessel height/选择容器的高度H按[OK]键进入显示如下Vessel height/可以按照实际高度更改的数值按一下[。
Services PressureTemperature LiquidAnalysis Registration SystemComponentsSolutionsBA 236F/00/en/11.0452023879操作指南放射性测量仪表Gammapilot M FMG60简介操作指南内容本操作指南描述了放射性一体化变送器Gamm a pi lot M F M G60的安装和调试,包括了标准测量任务需要的所有功能。
此外,G amm api lot M F MG60还提供了一些附加功能,比如测量值的优化和转换等,这些功能不包括在本操作指南中。
所有仪表功能的简介见附录。
在操作指南BA287F/00/en“G a mm apil ot M-仪表功能描述”的中包含了所有仪表功能的详细描述,这些都可以在在仪表附带的“T OF Too l-F iel dToo l P a c ka ge”光盘1中找到。
1安全指南2标识3安装4接线5操作6调试1.1正确使用1.2安装,调试和操作1.3危险区域1.4辐射防护1.5安全规范与符号2.1G a mma pi l ot M 的组件2.2铭牌2.3产品结构2.4交货范围2.5提供的文件2.6证书和认证2.7注册商标3.1交货、运输与储存3.2安装条件3.3水冷3.4安装检查4.1端子腔室4.2电缆入口4.3端子分配4.4总线插头连接器4.5电势平衡4.6端子腔室A 接线4.7端子腔室B 接线4.8远程显示和操作模块FH X40的连接4.9级连模式连接4.10限位检测触点连接4.11接线后检查5.1操作选项简介5.2操作显示5.3可选操作选项5.4锁定/解锁设置5.5复位到默认配置6.1简介6.2仪表上电6.3基本设置6.4料位测量和限位检测标定6.5密度和浓度测量标定7故障诊断8维护和维修9附件10技术数据11附录索引清洁去污声明7.1系统信息7.2可能的标定故障8.1外部清洗8.2维修8.3Ex-或SI L -认证设备的维修8.4更换8.5返修8.6处理8.7Endr ess +Ha use r 公司9.1Com m ubo x F X A1919.2FXA 193服务接口9.3FHX 40远程显示9.4FHG 60安装设备(用于料位测量和限位检测)9.5密度测量的支架9.6密度测量的测量路径10.1技术数据一览11.1料位测量操作菜单11.2限位检测操作菜单11.3密度和浓度测量操作菜单11.4测量原理故障联系地址的的的491421313944458910111212131314151920212122232425262728293031323637383940414757656971768088916568696969696970707171727375757680828486目录1安全指南1.1正确使用1.2安装、调试和操作1.3危险区域Gam map il ot M 是一个能够提供非接触料位测量、限位检测、密度和浓度测量的一体化变送器。
使用PACT ware TM VEGA DTM调试FLEX60 PULS60 SON60(仅供参考)一、VEGA-DTM的窗口格对所有的VEGA仪表的 DTM由一条菜单条和三个区域组成:1、导航区域显示被连的接仪表和打开的 DTM 的一些数据和状态。
在导航中对于参数部分,依靠被连接的仪器一个树状参数被显示。
通过选择进入树状参数,想要的参数将会在参数区域中显示出来。
可以对参数进行修改。
(在左下角有测量值的显示)。
导航区域菜单栏的前面如果有 +号,标志该菜单栏还有下一级菜单123 PACT ware TM应用-7用鼠标左键点击 + 号,使之变为–号,就会展开相关的下一级菜单2、参数区域在这里,可以显示所有仪器的数据并且能对传感器的参数调整做必要的修改。
在左下角有测量值的显示。
通过选择参数部分的功能块按钮或选择导航部分的树状菜单栏调整参数页面。
.几个功能块按钮:阻尼时间、最大最小调整、线性化、电流输出、显示等3、信息区域信息区域由经过挑选的几个文件卡片部分组成。
确定传感器连接的显示部分二、参数调整(修改过的参数用保存到传感器上)1、“Basic adjustment”基本调整在Sensor tag栏,可以为传感器做一个标记,如:“1#原煤仓”。
在Units of measurement测量单位栏,保留默认值 m 。
1.1 Min./Max. adjustment (量程调整)" Basic adjustment – Min-Max Adjustment" (设置物位百分比的距离)VEGAPULS、VEGASON、VEGAFLEX 传感器是距离测量仪表,它们测量的是(传感器)到产品之间的距离而并不是直接的物位。
为了显示这个物位,测量距离对应物位百分比的分配必须进行。
借助这一调整,物位被计算出来。
同样传感器的工作范围是从最大限制到所需的范围。
这些设置的始点是"Sensor reference plane"(传感器基准面),例如FLEX62传感器安装螺纹的根部。
Products Solutions Services KA01092F/00/ZH/14.1271216748简明操作指南Gammapilot M FMG60放射线测量仪表本文档为《简明操作指南》;不得替代随箱包装中的《操作手册》。
详细信息请参考随箱CD光盘中的《操作手册》和其他文档资料,或登录以下网址查询:/deviceviewer。
目录Gammapilot M FMG60 HART 2Endress+Hauser目录1 安全指南. . . . . . . . . . . . . . . . . . . . . . . . . . . . . . . . . . . . . . . . . . . . . . . . . . . . . . . . . . . . . . . . . 31.1 指定用途 . . . . . . . . . . . . . . . . . . . . . . . . . . . . . . . . . . . . . . . . . . . . . . . . . . . . . . . . . . . . . . . . . . . . . . . . . . . . . . . . . . . . . . . . . 31.2 安装、调试和操作 . . . . . . . . . . . . . . . . . . . . . . . . . . . . . . . . . . . . . . . . . . . . . . . . . . . . . . . . . . . . . . . . . . . . . . . . . . . . . . . . . 31.3 操作安全和过程安全 . . . . . . . . . . . . . . . . . . . . . . . . . . . . . . . . . . . . . . . . . . . . . . . . . . . . . . . . . . . . . . . . . . . . . . . . . . . . . . . 31.4 危险区域 . . . . . . . . . . . . . . . . . . . . . . . . . . . . . . . . . . . . . . . . . . . . . . . . . . . . . . . . . . . . . . . . . . . . . . . . . . . . . . . . . . . . . . . . . 41.5 辐射防护 . . . . . . . . . . . . . . . . . . . . . . . . . . . . . . . . . . . . . . . . . . . . . . . . . . . . . . . . . . . . . . . . . . . . . . . . . . . . . . . . . . . . . . . . . 51.6 图标 . . . . . . . . . . . . . . . . . . . . . . . . . . . . . . . . . . . . . . . . . . . . . . . . . . . . . . . . . . . . . . . . . . . . . . . . . . . . . . . . . . . . . . . . . . . . . 62 安装. . . . . . . . . . . . . . . . . . . . . . . . . . . . . . . . . . . . . . . . . . . . . . . . . . . . . . . . . . . . . . . . . . . . . 82.1 到货验收、运输、储存 . . . . . . . . . . . . . . . . . . . . . . . . . . . . . . . . . . . . . . . . . . . . . . . . . . . . . . . . . . . . . . . . . . . . . . . . . . . . . 82.2 安装条件 . . . . . . . . . . . . . . . . . . . . . . . . . . . . . . . . . . . . . . . . . . . . . . . . . . . . . . . . . . . . . . . . . . . . . . . . . . . . . . . . . . . . . . . . . 82.3 水冷 . . . . . . . . . . . . . . . . . . . . . . . . . . . . . . . . . . . . . . . . . . . . . . . . . . . . . . . . . . . . . . . . . . . . . . . . . . . . . . . . . . . . . . . . . . . . 122.4 安装后检查 . . . . . . . . . . . . . . . . . . . . . . . . . . . . . . . . . . . . . . . . . . . . . . . . . . . . . . . . . . . . . . . . . . . . . . . . . . . . . . . . . . . . . . 123 接线 . . . . . . . . . . . . . . . . . . . . . . . . . . . . . . . . . . . . . . . . . . . . . . . . . . . . . . . . . . . . . . . . . . . 133.1 电缆入口 . . . . . . . . . . . . . . . . . . . . . . . . . . . . . . . . . . . . . . . . . . . . . . . . . . . . . . . . . . . . . . . . . . . . . . . . . . . . . . . . . . . . . . . . 143.2 接线端子分配 . . . . . . . . . . . . . . . . . . . . . . . . . . . . . . . . . . . . . . . . . . . . . . . . . . . . . . . . . . . . . . . . . . . . . . . . . . . . . . . . . . . . 153.3 电势平衡 . . . . . . . . . . . . . . . . . . . . . . . . . . . . . . . . . . . . . . . . . . . . . . . . . . . . . . . . . . . . . . . . . . . . . . . . . . . . . . . . . . . . . . . . 163.4 在端子接线腔1中接线 . . . . . . . . . . . . . . . . . . . . . . . . . . . . . . . . . . . . . . . . . . . . . . . . . . . . . . . . . . . . . . . . . . . . . . . . . . . . 173.5 在端子接线腔2中接线 . . . . . . . . . . . . . . . . . . . . . . . . . . . . . . . . . . . . . . . . . . . . . . . . . . . . . . . . . . . . . . . . . . . . . . . . . . . . 183.6 连接分离型显示与操作单元FHX40 . . . . . . . . . . . . . . . . . . . . . . . . . . . . . . . . . . . . . . . . . . . . . . . . . . . . . . . . . . . . . . . . . 193.7 在级联连接方式中接线 . . . . . . . . . . . . . . . . . . . . . . . . . . . . . . . . . . . . . . . . . . . . . . . . . . . . . . . . . . . . . . . . . . . . . . . . . . . . 193.8 限位检测(200/400 mm)的连接实例 . . . . . . . . . . . . . . . . . . . . . . . . . . . . . . . . . . . . . . . . . . . . . . . . . . . . . . . . . . . . . . . 203.9 连接后检查 . . . . . . . . . . . . . . . . . . . . . . . . . . . . . . . . . . . . . . . . . . . . . . . . . . . . . . . . . . . . . . . . . . . . . . . . . . . . . . . . . . . . . . 214 操作 . . . . . . . . . . . . . . . . . . . . . . . . . . . . . . . . . . . . . . . . . . . . . . . . . . . . . . . . . . . . . . . . . . . 224.1 操作菜单结构 . . . . . . . . . . . . . . . . . . . . . . . . . . . . . . . . . . . . . . . . . . . . . . . . . . . . . . . . . . . . . . . . . . . . . . . . . . . . . . . . . . . . 224.2 显示与操作单元 . . . . . . . . . . . . . . . . . . . . . . . . . . . . . . . . . . . . . . . . . . . . . . . . . . . . . . . . . . . . . . . . . . . . . . . . . . . . . . . . . . 235 调试 . . . . . . . . . . . . . . . . . . . . . . . . . . . . . . . . . . . . . . . . . . . . . . . . . . . . . . . . . . . . . . . . . . . 255.1 标定:概述 . . . . . . . . . . . . . . . . . . . . . . . . . . . . . . . . . . . . . . . . . . . . . . . . . . . . . . . . . . . . . . . . . . . . . . . . . . . . . . . . . . . . . . 255.2 功能检查 . . . . . . . . . . . . . . . . . . . . . . . . . . . . . . . . . . . . . . . . . . . . . . . . . . . . . . . . . . . . . . . . . . . . . . . . . . . . . . . . . . . . . . . . 255.3 开启测量设备 . . . . . . . . . . . . . . . . . . . . . . . . . . . . . . . . . . . . . . . . . . . . . . . . . . . . . . . . . . . . . . . . . . . . . . . . . . . . . . . . . . . . 265.4 基本设置 . . . . . . . . . . . . . . . . . . . . . . . . . . . . . . . . . . . . . . . . . . . . . . . . . . . . . . . . . . . . . . . . . . . . . . . . . . . . . . . . . . . . . . . . 275.5 物位测量和限位检测的标定 . . . . . . . . . . . . . . . . . . . . . . . . . . . . . . . . . . . . . . . . . . . . . . . . . . . . . . . . . . . . . . . . . . . . . . . . 345.6 密度和浓度测量的标定 . . . . . . . . . . . . . . . . . . . . . . . . . . . . . . . . . . . . . . . . . . . . . . . . . . . . . . . . . . . . . . . . . . . . . . . . . . . . 465.7 密度测量/温度补偿 . . . . . . . . . . . . . . . . . . . . . . . . . . . . . . . . . . . . . . . . . . . . . . . . . . . . . . . . . . . . . . . . . . . . . . . . . . . . . . 585.8 放射线成像检测 . . . . . . . . . . . . . . . . . . . . . . . . . . . . . . . . . . . . . . . . . . . . . . . . . . . . . . . . . . . . . . . . . . . . . . . . . . . . . . . . . . 585.9 SIL 锁定(限位检测,200/400 mm,PVT 闪烁体) . . . . . . . . . . . . . . . . . . . . . . . . . . . . . . . . . . . . . . . . . . . . . . . . . . . . 58Gammapilot M FMG60 HART 安全指南Endress+Hauser 31安全指南1.1指定用途Gammapilot M 是一体式变送器,用于非接触式物位、限位、密度和浓度测量。
TI418F/24/ae/04.10Technical InformationSolicap M FTI55, FTI56CapacitancePoint level switch for bulk solidsApplicationSolicap M is used for point level detection in bulk solids and can be operated in minimum or maximum fail-safe mode.Due to its robust construction, it can also be used to provide accurate measurements in applications with very high tensile loads (up to 60 kN / 13,500 lbf for cable version) or lateral loads (up to 300 Nm / 220 lbf ft for rod version).In combination with Fieldgate (for remote interrogation of measured values using internet technology), Solicap M represents an ideal solution for material provisioning and logistical optimization (inventory control).Your benefits•Extremely robust design for harsh process conditions •Easy and fast commissioning as calibration is performed at the press of a button•Universal application thanks to wide range of certificates and approvals•Two-stage overvoltage protection against static discharges from the silo•Active buildup compensation for bulk solids that tend to cake•Use in safety systems with specific requirements in terms of functional safety to SIL2/SIL3 in conjunction with electronic insert FEI55•Increased safety due to permanent automatic monitoring of electronics•Reduction in storage costs thanks to easy-to-shorten rod model (for partial insulation) and cable model (for partial and full insulation)•Two-point control (e.g. for controlling a handling device)Solicap M FTI55, FTI562Endress+HauserTable of contentsFunction and system design. . . . . . . . . . . . . . . . . . . . .4Measuring principle . . . . . . . . . . . . . . . . . . . . . . . . . . . . . . . . . . . 4Application examples . . . . . . . . . . . . . . . . . . . . . . . . . . . . . . . . . . 4Measuring system . . . . . . . . . . . . . . . . . . . . . . . . . . . . . . . . . . . . . 5Electronic versions . . . . . . . . . . . . . . . . . . . . . . . . . . . . . . . . . . . . 7System integration via Fieldgate . . . . . . . . . . . . . . . . . . . . . . . . . . 8Operating conditions: Installation . . . . . . . . . . . . . . . .9General notes . . . . . . . . . . . . . . . . . . . . . . . . . . . . . . . . . . . . . . . . 9Preparing to install rod probes FTI55 . . . . . . . . . . . . . . . . . . . . . 10Preparing to install cable probes FTI56 . . . . . . . . . . . . . . . . . . . . 12Probe with separate housing . . . . . . . . . . . . . . . . . . . . . . . . . . . . 16Operating conditions: Environment. . . . . . . . . . . . . .18Ambient temperature range . . . . . . . . . . . . . . . . . . . . . . . . . . . . 18Storage temperature . . . . . . . . . . . . . . . . . . . . . . . . . . . . . . . . . . 18Climate class . . . . . . . . . . . . . . . . . . . . . . . . . . . . . . . . . . . . . . . 18Degree of protection . . . . . . . . . . . . . . . . . . . . . . . . . . . . . . . . . . 18Vibration resistance . . . . . . . . . . . . . . . . . . . . . . . . . . . . . . . . . . 18Cleaning . . . . . . . . . . . . . . . . . . . . . . . . . . . . . . . . . . . . . . . . . . 18Electromagnetic compatibility (EMC) . . . . . . . . . . . . . . . . . . . . . 18Shock resistance . . . . . . . . . . . . . . . . . . . . . . . . . . . . . . . . . . . . 18Operating conditions: Process. . . . . . . . . . . . . . . . . .19Process temperature range . . . . . . . . . . . . . . . . . . . . . . . . . . . . . 19Process pressure and temperature derating . . . . . . . . . . . . . . . . . 21State of aggregation. . . . . . . . . . . . . . . . . . . . . . . . . . . . . . . . . . 22Mechanical construction . . . . . . . . . . . . . . . . . . . . . .23Overview . . . . . . . . . . . . . . . . . . . . . . . . . . . . . . . . . . . . . . . . . . 23Material . . . . . . . . . . . . . . . . . . . . . . . . . . . . . . . . . . . . . . . . . . . 28Weight . . . . . . . . . . . . . . . . . . . . . . . . . . . . . . . . . . . . . . . . . . . . 28Input . . . . . . . . . . . . . . . . . . . . . . . . . . . . . . . . . . . . .29Measured variable . . . . . . . . . . . . . . . . . . . . . . . . . . . . . . . . . . . 29Measuring range (valid for all FEI5x) . . . . . . . . . . . . . . . . . . . . . 29Input signal . . . . . . . . . . . . . . . . . . . . . . . . . . . . . . . . . . . . . . . . 29Measuring conditions . . . . . . . . . . . . . . . . . . . . . . . . . . . . . . . . . 29Output. . . . . . . . . . . . . . . . . . . . . . . . . . . . . . . . . . . .30Galvanic isolation . . . . . . . . . . . . . . . . . . . . . . . . . . . . . . . . . . . . 30Switch behavior . . . . . . . . . . . . . . . . . . . . . . . . . . . . . . . . . . . . . 30Switch-on behavior . . . . . . . . . . . . . . . . . . . . . . . . . . . . . . . . . . 30Fail-safe mode . . . . . . . . . . . . . . . . . . . . . . . . . . . . . . . . . . . . . . 30Switching delay . . . . . . . . . . . . . . . . . . . . . . . . . . . . . . . . . . . . . 30Electronic insert FEI51 (AC 2-wire) . . . . . . . . . . . . .31Power supply . . . . . . . . . . . . . . . . . . . . . . . . . . . . . . . . . . . . . . . 31Electrical connection . . . . . . . . . . . . . . . . . . . . . . . . . . . . . . . . . 31Signal on alarm . . . . . . . . . . . . . . . . . . . . . . . . . . . . . . . . . . . . . 31Output signal . . . . . . . . . . . . . . . . . . . . . . . . . . . . . . . . . . . . . . . 31Connectable load . . . . . . . . . . . . . . . . . . . . . . . . . . . . . . . . . . . . 31FEI52 electronic insert (DC PNP) . . . . . . . . . . . . . . .32Power supply . . . . . . . . . . . . . . . . . . . . . . . . . . . . . . . . . . . . . . . 32Electrical connection . . . . . . . . . . . . . . . . . . . . . . . . . . . . . . . . . 32Output signal . . . . . . . . . . . . . . . . . . . . . . . . . . . . . . . . . . . . . . . 32Signal on alarm . . . . . . . . . . . . . . . . . . . . . . . . . . . . . . . . . . . . . 32Connectable load . . . . . . . . . . . . . . . . . . . . . . . . . . . . . . . . . . . . 32Electronic insert FEI53 (3-wire) . . . . . . . . . . . . . . . .33Power supply . . . . . . . . . . . . . . . . . . . . . . . . . . . . . . . . . . . . . . . 33Electrical connection . . . . . . . . . . . . . . . . . . . . . . . . . . . . . . . . . 33Output signal . . . . . . . . . . . . . . . . . . . . . . . . . . . . . . . . . . . . . . 33Signal on alarm . . . . . . . . . . . . . . . . . . . . . . . . . . . . . . . . . . . . . 33Connectable load . . . . . . . . . . . . . . . . . . . . . . . . . . . . . . . . . . . . 33FEI54 electronic insert (AC/DC with relay output) .34Power supply . . . . . . . . . . . . . . . . . . . . . . . . . . . . . . . . . . . . . . . 34Electrical connection . . . . . . . . . . . . . . . . . . . . . . . . . . . . . . . . . 34Output signal . . . . . . . . . . . . . . . . . . . . . . . . . . . . . . . . . . . . . . . 34Signal on alarm . . . . . . . . . . . . . . . . . . . . . . . . . . . . . . . . . . . . . 34Connectable load . . . . . . . . . . . . . . . . . . . . . . . . . . . . . . . . . . . . 34Electronic insert FEI55 (8/16 mA; SIL2/SIL3) . . . . .35Power supply . . . . . . . . . . . . . . . . . . . . . . . . . . . . . . . . . . . . . . . 35Electrical connection . . . . . . . . . . . . . . . . . . . . . . . . . . . . . . . . . 35Output signal . . . . . . . . . . . . . . . . . . . . . . . . . . . . . . . . . . . . . . . 35Signal on alarm . . . . . . . . . . . . . . . . . . . . . . . . . . . . . . . . . . . . . 35Connectable load . . . . . . . . . . . . . . . . . . . . . . . . . . . . . . . . . . . . 35FEI57S electronic insert (PFM) . . . . . . . . . . . . . . . . .36Power supply . . . . . . . . . . . . . . . . . . . . . . . . . . . . . . . . . . . . . . . 36Electrical connection . . . . . . . . . . . . . . . . . . . . . . . . . . . . . . . . . 36Output signal . . . . . . . . . . . . . . . . . . . . . . . . . . . . . . . . . . . . . . . 36Signal on alarm . . . . . . . . . . . . . . . . . . . . . . . . . . . . . . . . . . . . . 36Connectable load . . . . . . . . . . . . . . . . . . . . . . . . . . . . . . . . . . . . 36Electronic insert FEI58 (NAMUR H-L edge) . . . . . . .37Power supply . . . . . . . . . . . . . . . . . . . . . . . . . . . . . . . . . . . . . . . 37Electrical connection . . . . . . . . . . . . . . . . . . . . . . . . . . . . . . . . . 37Output signal . . . . . . . . . . . . . . . . . . . . . . . . . . . . . . . . . . . . . . . 37Signal on alarm . . . . . . . . . . . . . . . . . . . . . . . . . . . . . . . . . . . . . 37Connectable load . . . . . . . . . . . . . . . . . . . . . . . . . . . . . . . . . . . . 37Power supply. . . . . . . . . . . . . . . . . . . . . . . . . . . . . . .38Electrical connection . . . . . . . . . . . . . . . . . . . . . . . . . . . . . . . . . 38Connector . . . . . . . . . . . . . . . . . . . . . . . . . . . . . . . . . . . . . . . . . 38Cable entry . . . . . . . . . . . . . . . . . . . . . . . . . . . . . . . . . . . . . . . . 38Performance characteristics. . . . . . . . . . . . . . . . . . . .39Reference operating conditions . . . . . . . . . . . . . . . . . . . . . . . . . . 39Switch point . . . . . . . . . . . . . . . . . . . . . . . . . . . . . . . . . . . . . . . 39Ambient temperature effect . . . . . . . . . . . . . . . . . . . . . . . . . . . . 39Human interface . . . . . . . . . . . . . . . . . . . . . . . . . . . .40Electronic inserts . . . . . . . . . . . . . . . . . . . . . . . . . . . . . . . . . . . . 40Electronic inserts . . . . . . . . . . . . . . . . . . . . . . . . . . . . . . . . . . . . 41Electronic insert . . . . . . . . . . . . . . . . . . . . . . . . . . . . . . . . . . . . . 42Solicap M FTI55, FTI56 Certificates and approvals. . . . . . . . . . . . . . . . . . . . . 43CE approval . . . . . . . . . . . . . . . . . . . . . . . . . . . . . . . . . . . . . . . . 43Additional certification . . . . . . . . . . . . . . . . . . . . . . . . . . . . . . . 43Other standards and guidelines . . . . . . . . . . . . . . . . . . . . . . . . . 43Ordering information . . . . . . . . . . . . . . . . . . . . . . . . 44Solicap M FTI55 . . . . . . . . . . . . . . . . . . . . . . . . . . . . . . . . . . . . 44Solicap M FTI56 . . . . . . . . . . . . . . . . . . . . . . . . . . . . . . . . . . . . 46Accessories . . . . . . . . . . . . . . . . . . . . . . . . . . . . . . . . 47Weather protection cover . . . . . . . . . . . . . . . . . . . . . . . . . . . . . . 47Overvoltage protection HAW56x . . . . . . . . . . . . . . . . . . . . . . . . 47Spare parts . . . . . . . . . . . . . . . . . . . . . . . . . . . . . . . . . . . . . . . . . 47Documentation . . . . . . . . . . . . . . . . . . . . . . . . . . . . . 48Technical Information . . . . . . . . . . . . . . . . . . . . . . . . . . . . . . . . 48Operating Instructions . . . . . . . . . . . . . . . . . . . . . . . . . . . . . . . . 48Certificates . . . . . . . . . . . . . . . . . . . . . . . . . . . . . . . . . . . . . . . . 48Patents . . . . . . . . . . . . . . . . . . . . . . . . . . . . . . . . . . . . . . . . . . . 483Endress+HauserSolicap M FTI55, FTI56Function and system designMeasuring principle The principle of capacitance point level detection is based on the change in capacitance of a capacitor as a resultof the probe being covered by bulk solids. The probe and container wall (conductive material) form an electriccapacitor. When the probe is in air (1), a certain low initial capacitance is measured. If the container is beingfilled, the capacitance of the capacitor increases as more of the probe is covered (2), (3).The point level switch switches when the capacitance C S specified during calibration is reached.In addition, a probe with inactive length ensures that the effects of medium buildup or condensate near theprocess connection are avoided. A probe with active buildup compensation compensates for the effects ofbuildup on the probe in the area of the process connection.R: Conductivity of bulk solidsC: Capacitance of bulk solidsC A: Initial capacitance (probe not covered)C S: Switching capacitance∆C: Change in capacitanceFunctionThe electronic insert selected for the probe determines the change in capacitance depending on how much ofthe probe is covered. This ensures accurate switching at the switchpoint (level) calibrated for this purpose. Application examples Sand, glass aggregate, gravel, molding sand, lime, ore (crushed), plaster, aluminum shavings, cement, grain,pumice, flour, dolomite, sugar beet, kaolin, fodder and similar bulk solids.In general:Bulk solids with a relative dielectric constant εr≥ 2.5.4Endress+HauserSolicap M FTI55, FTI56Endress+Hauser 5Measuring system The make-up of the measuring system depends on the electronic insert selected.Point level switchThe complete measuring system consists of: •the point level switch, Solicap M FTI55 or FTI56•An electronic insert FEI51, FEI52, FEI54Two-point control ( s function)!Note!Partially insulated probes only in conjunction with nonconductive bulk solids.Solicap M FTI55, FTI56The point level switch can also be used to control a screw conveyor, for example, where the on and off valuescan be freely defined.Point level switchSolicap M FTI5x with electronic versions FEI53, FEI57S and FEI58 for connecting to a separate switching unit.The complete measuring system consists of:•the capacitance point level switch, Solicap M FTI55 or FTI56•an electronic insert FEI53, FEI57S, FEI58•a transmitter power supply unit e.g. FTC325, FTC625 (SW V1.4 or higher), FTC470Z, FTC471Z, FTL325N,FTL375N* Only possible with FEI53The following table shows the transmitter power supply units available which can be operated with electronicinserts FEI57S and FEI53.Electronic insert FEI57S FEI53FEI58Transmitter power supply unitFTC625x––FTC325x x–FTL325N––xFTL375N––xFTC470Z x––FTC471Z x––FTC520Z*x––FTC521Z*x––FTC420*–x–FTC421*–x–FTC422*–x–x Combination is possible– Combination is not possible* Product phase-out 20066Endress+HauserSolicap M FTI55, FTI56Point level switch 8/16 mAThe complete measuring system consists of:•the point level switch, Solicap M FTI55 or FTI56•the FEI55 electronic insert•a transmitter power supply unit (e.g. RN221N, RNS221, RMA421, RMA422)Electronic versions FEI51Two-wire AC connection•Load switched directly into the power supply circuit via the thyristor.•Point level adjustment directly at the point level switch.FEI523-wire direct current version:•Switch the load via the transistor (PNP) and separate supply voltage connection.•Point level adjustment directly at the point level switch.FEI533-wire direct current version with 3 to 12 V signal output:•For separate switching unit, Nivotester FTC325 3–WIRE.•Point level adjustment directly at the switching unit.FEI54Universal current version with relay output:•Switch the loads via 2 floating changeover contacts (DPDT).•Point level adjustment directly at the point level switch.FEI55Signal transmission 8/16 mA on two-wire cabling:•SIL2 approval for the hardware•SIL3 approval for the software•For separate switching unit (e.g. RN221N, RNS221, RMA421, RMA422).•Point level adjustment directly at the point level switch.FEI57SPFM signal transmission (current pulses are superimposed on the supply current):•For separate switching unit with PFM signal transmission e.g. FTC325 PFM, FTC625 PFM andFTC470Z/471ZEndress+Hauser7Solicap M FTI55, FTI568Endress+Hauser•Self-test from the switching unit without changing levels.•Point level adjustment directly at the point level switch.•Cyclical checking from the switching unit.FEI58 (NAMUR)Signal transmission H-L edge 2.2 to 3.5 / 0.6 to 1.0 mA as per IEC 60947-5-6 on two-wire cable:•For a separate switching unit (e.g. Nivotester FTL325N and FTL375N).•Point level adjustment directly at the point level switch.•Test the connection cables and slaves by pressing the button on the electronic insert.!Note!For additional information see 31 ff.System integration via FieldgateVendor managed inventoryThe remote interrogation of tank or silo levels via Fieldgate enables suppliers of raw materials to gatherinformation about the current inventories of their regular customers at any time and, for example, to take this into account in their own production planning. The Fieldgate monitors the configured point levels and automatically triggers the next order as required. Here, the range of possibilities ranges from simple requisitioning by e-mail through to fully automatic order processing by incorporating XML data into the planning systems on both sides.Remote maintenance of measuring systemsNot only does Fieldgate transmit the current measured values, it also alerts the standby personnel responsible by e-mail or SMS as required. Fieldgate forwards the information transparently. In this way, all options of the operating software in question are available remotely. By using remote diagnosis and remote configuration some onsite service operations can be avoided and all others can at least be planned and prepared better.Solicap M FTI55, FTI56Endress+Hauser 9Operating conditions: Installation!Note!All dimensions in inches (mm).General notesFilling the siloThe filling stream should not be directed onto the probe.Angle of material flowNote the expected angle of the material flow or of the outlet funnel when determining the mounting location or probe length.Distance between probesWhen installing several probes in a silo, a minimum distance of 20" (0.5m) between the probes must be observed.Threaded coupling for mountingWhen installing the Solicap M FTI55, FTI56, the threaded coupling should be as short as possible.Condensation or product residue may occur in a long threaded coupling and interfere with the correct operation of the probe.Heat insulationIn the event of high temperatures in the silo:Insulate the external silo wall to avoid exceeding the permitted temperature of the Solicap M housing.Heat insulation also prevents condensation from forming near the threaded boss in the silo. This reduces buildup and the risk of error switching.Solicap M FTI55, FTI5610Endress+HauserPreparing to install rod probes FTI55Correct installationa.For maximum point level detection, a short threaded coupling is used.b.For minimum point level detection, a short threaded coupling is used.c.In the event of light buildup on the silo wall, the threaded coupling is welded internally.The probe tip points slightly downwards so that bulk solids slide off more easily.Incorrect installationd.The threaded coupling is too long. This may cause material to settle inside and result in error switching.e.Horizontal mounting means a risk of error switching in the event of heavy buildup on the silo wall.In this case, the Solicap M FTI55 (rod probe) with inactive length is recommended.f.In areas where product buildup occurs, the device cannot detect if the silo is "empty". In this case, the FTI56 (cable probe) should be installed from above.Correct installationIncorrect installationProbe length and minimum coverage!Note!•When selecting the probe length, pay attention to the dependency between the relative dielectric constant εr and the minimum amount the probe rod needs to be covered (see Table). •For probe length tolerances see →26.•To ensure problem-free operation, it is important that the difference in capacitance between the covered and uncovered parts of the probe is at least 5 pF.•If you do not know the dielectric constant of the material, contact us for advice.In this example, the grounded steel plate forms the counter electrode.Heat insulation prevents condensation and therefore buildup on the steel plate.In a silo with concrete wallsWhen installing in a silo made of plastic, a sheet metal plate must be attached to the exterior of the silo as a counter electrode.This plate can be either square or round.–Dimensions in the case of a thin silo wall with a low dielectric constant:approx. 0.5 m along each side or ø0.5 m; –Dimensions in the case of a thicker silo wall or wall with a higher dielectric constant:approx. 0.7 m along each side or ø0.7 m.In a silo with plastic wallsPreparing to install cable probes FTI56Correct installationa.Solicap M FTI55, FTI56 with inactive length in the event of condensation and material buildup on the silo roof.b.At the correct distance from the silo wall, the material inlet and the material outlet.Close to the wall, for reliable switching in the case of a low dielectric constant (not for pneumatic filling).For pneumatic filling, the distance from the probe to the wall should not be too short, as the probe may swing.Incorrect installationc.If too close to the material inlet, inflowing bulk solids may damage the sensor.If close to the center of the material outflow, high tensile forces at this point may cause the probe to break off or subject the silo roof to excessive strain.d.The threaded coupling is too long. This may cause condensation and dust to settle inside which may result in error switching.e.If too close to the silo wall, the probe may swing slightly against the wall or come in contact with buildup. This can result in error switching.Correct installation Incorrect installationIn a silo with metal wallsDistance D between the probe and the wall approx. 10 to 25 % of the silo diameterSilo roofEnsure that the silo roof is of a sufficiently stable construction.High tensile forces may occur when material is being extracted, particularly in the case of heavy and powdery bulk solids which have a tendency to form buildup.Coarse-grained bulk solidsIn silos with extremely coarse-grained or extremely abrasive bulk solids, the use of a Solicap M FTI55 or FTI56 is recommended only for maximum detection.Distance between the rope probesTo rule out mutual probe interference, you must maintain a minimum distance of 0.5 m (20") between the cable probes. This also applies if you are installing several Solicap M units in adjacent silos with nonconductive walls.In the event of condensation:Use the Solicap M with inactive length.The inactive length (A ) prevents moisture and buildup forming between the active part of the probe and the silo roof.Or:To reduce the effects of condensation (B ) and buildup, the threaded coupling (length: max. 25 mm / 1") must project into the silo.Heat insulation reduces condensation and therefore buildup on the steel plate.ASilo with walls that conduct electricity BSilo with concrete wallsInstallation in the event of buildupInstallation in plastic tanksIf buildup on the probe rod can be expected when operating the measuring system, the active buildup compensation function prevents the measurement result from becoming distorted. No cleaning work has to be performed on the probe rod.When installing in a silo made of plastic, a counter electrode must be mounted on the silo exterior at the same height as the tensioning weight.The length of the edge of the counter electrode should be approximately the same length as the distance between the tensioning weight and the silo wall.In a silo with plastic wallsRange of sensor lengthsShortening the probeRod probe:The partially insulated version can be shortened at a later stage by the user.Cable probe:Both versions (partially and fully insulated) may be shortened at a later stage.Electrically conductive bulk solids (e.g. coal)Bulk solids with high dielectric constant (e.g. rock salt)Bulk solids with low dielectric constant (e.g. dried grain)* L B (covered length):For nonconductive bulk solids with a low dielectric constant, the cable probe must be approx. 5 % (but no less than 250 mm / 10") longer than the distance between the tank roof and the required point level.Probe with separate housing!Note!•For information on how to order, see also "Ordering information" from Page 44 under "Probedesign".•The maximum connection length between the probe and the separate housing is 6 m (L4).When ordering a Solicap M with a separate housing, the desired length must be specified.•If the connecting cable is to be shortened or passed through a wall, it must be separated from theprocess connection. See also Page 16 (extension heights).•The cable has a bending radius of r 100 mm (4"). This must be observed as a minimum.Rod length L1 max. 4 m (13 ft)Rope length L1 max. 19.7 m / 64.6 ft (the maximum total length of L1 + L4 should not exceed 20 m / 65 ft.)Extension heightsHousing side: wall mounting Housing side: pipe mounting Sensor sidePolyester housing F16Stainless steel housing F15Aluminum housing F17B- 2.99" (76) 2.52" (64) 2.56" (65)H1- 6.77" (172) 6.54" (166) 6.97" (177)D 1.97" (50)---H4 2.44" (62)---!Note!•Connecting cable: ø10.5 mmn (0.41")•Outer jacket: silicone, notch-resistantWall holder unit!Note!•The wall holder unit is part of the scope of supply.•The wall holder unit has to be screwed to the separate housing before you can use it as a drilling template.The distance between the holes is reduced by screwing it to the separate housing.Temperature-derating separate housingaT P: process temperature* temperature at remote housing 70°C (158°F)!Note!The maximum connection length between the probe and the separate housing is 6 m / 20 ft (L4). Whenordering a device with a remote housing, the desired length must be specified.If the connecting cable is to be shortened or passed through a wall, it must be separated from the processconnection. See "Documentation" => "Operating Instructions" on Page 49.Operating conditions: EnvironmentAmbient temperature range•Ambient temperature of the transmitter (note derating, see Page 19): ❑–50 to +70°C (-58 to +158°F)❑–40 to +70°C (-40 to +158°F), with F16 housing•A weather protection cover should be used when operating outdoors in strong sunlight. For further information on the weather protection cover, see Page 48.Storage temperature –50 to +85°C (-58 to +185°F)Climate class DIN EN 60068-2-38/IEC 68-2-38: test Z/ADDegree of protection* As per EN60529** As per NEMA 250*** Only with M20 cable entry or G1/2 threadVibration resistanceDIN EN 60068-2-64/IEC 68-2-64: 20 Hz– 2000 Hz; 0.01 g 2/HzCleaning Housing :When cleaning, make sure that the cleaning agent used does not corrode the housing surface or the seals.Probe :Depending on the application, buildup (contamination and soiling) can form on the probe rod. A high degree of material buildup can affect the measurement result. If the medium tends to create a high degree of buildup, regular cleaning is recommended. When cleaning, it is important to make sure that the insulation of the probe rod is not damaged. If cleaning agents are used make sure the material is resistant to them!Electromagnetic compatibility (EMC)•Interference emission to EN 61326, Electrical Equipment Class BInterference immunity in accordance with EN 61326, Appendix A (Industrial) and NAMUR Recommendation NE 21(EMC)•A usual commercial instrument cable can be used.Shock resistanceDIN EN 60068-2-27/IEC 68-2-27: 30g accelerationIP66*IP67*IP68*NEMA4X**Polyester housing F16X X -X Stainless steel housing F15X X -X Aluminum housing F17X X -X Aluminum housing F13with gas-tight process seal X –X***X Aluminum housing T13with gas-tight process seal andseparate connection compartment (EEx d)X–X***XSeparate housingX –X***X。
目录目录1 测量原理 . . . . . . . . . . . . . . . . . . . . . . . . . . . . . . . . . . . . . . . . . . . . . . . . . . . . . . . . . . . . . . . . . . . . . 32 型号概览 . . . . . . . . . . . . . . . . . . . . . . . . . . . . . . . . . . . . . . . . . . . . . . . . . . . . . . . . . . . . . . . . . . . . . 43 选择仪表 . . . . . . . . . . . . . . . . . . . . . . . . . . . . . . . . . . . . . . . . . . . . . . . . . . . . . . . . . . . . . . . . . . . . . 64 选择标准 . . . . . . . . . . . . . . . . . . . . . . . . . . . . . . . . . . . . . . . . . . . . . . . . . . . . . . . . . . . . . . . . . . . . . 75 外壳概貌. . . . . . . . . . . . . . . . . . . . . . . . . . . . . . . . . . . . . . . . . . . . . . . . . . . . . . . . . . . . . . . . . . . . .. 86 安装 . . . . . . . . . . . . . . . . . . . . . . . . . . . . . . . . . . . . . . . . . . . . . . . . . . . . . . . . . . . . . . . . . . . . . . . . 97 电子部件 - 4 … 20 mA/HART - 两线制 . . . . . . . . . . . . . . . . . . . . . . . . . . . . . . . . . . . . . . . . . . . . . .108 电子部件 - 4 … 20 mA/HART - 四线制 . . . . . . . . . . . . . . . . . . . . . . . . . . . . . . . . . . . . . . . . . . . . . .119 电子部件 - Profibus PA . . . . . . . . . . . . . . . . . . . . . . . . . . . . . . . . . . . . . . . . . . . . . . . . . . . . . . . . . 1210 电子部件 - Foundation Fieldbus . . . . . . . . . . . . . . . . . . . . . . . . . . . . . . . . . . . . . . . . . . . . . . . . . . .1311 电子部件 - Modbus. . . . . . . . . . . . . . . . . . . . . . . . . . . . . . . . . . . . . . . . . . . . . . . . . . . . . . . . . . . . . 1412 操作 . . . . . . . . . . . . . . . . . . . . . . . . . . . . . . . . . . . . . . . . . . . . . . . . . . . . . . . . . . . . . . . . . . . . . . . . .1513 尺寸 . . . . . . . . . . . . . . . . . . . . . . . . . . . . . . . . . . . . . . . . . . . . . . . . . . . . . . . . . . . . . . . . . . . . . . . . .16用于防爆场合时,请遵守专门针对防爆的安全手册,您可以在 下载,仪表发货也会随货附上。
Classification: CUSTOMER Slide 1放射性测量Endress+Hauser China基础介绍产品系列工具产品应用基础介绍 - Overview∙介绍∙辐射 / 安全∙基础基础介绍产品系列工具产品应用基础介绍 - 何时使用放射线测量高温有毒高压磨损安装高粘度设计极限的过程条件 ...基础介绍产品系列工具产品应用基础介绍 - 特点⏹非接触测量⏹安装在容器外部⏹安全,可靠⏹可用于连续液位、限位、密度和界面测量基础介绍产品系列工具产品应用基础介绍 - 不同测量原理的比较0440Pressure [bar]放射线雷达超声波导波雷达160150Temp.[°C]400350420差压连续物位测量基础介绍产品系列工具产品应用源 +源保护器探棒基础介绍 - 测量原理•射源发出辐射•射线穿透罐壁材料时被衰减•随着液面的变化,探棒处的辐射剂量率会相应地变化•探棒将辐射转换成电信号被介质衰减100%0%基础介绍产品系列工具产品应用基础介绍 - 测量任务限位开关物位密度 /质量流量界面100%0%35%01000LevelPulse rate inc/sρρ1ρ25°2°/4°基础介绍产品系列工具产品应用基础介绍 - 物理效应光电吸收全部的辐射能量被传递给电子.辐射被介质全部吸收.e-原子E = h · f被介质吸收e-e-基础介绍产品系列工具产品应用基础介绍 - 术语、公式Distance A [m]被介质衰减KFiFsFaP∙∙=射源活度是以下变量的函数:•探棒灵敏度Fi)•放射源的能量 (系数 K)•射源与探棒的距离(Fa = A2 )•罐壁结构的厚度和密度(Fs = )deqke∙活度的计算:源:活度P [Bq]或[mCi]探棒:剂量率Fi[μSv/h]基础介绍产品系列工具产品应用基础介绍 - 辐射比较发出: 能量接收: 功率光强度[watt]活度[mCi] / [Bq]照度[lux]剂量率[ Sv/h]Gamma可见光r基础介绍产品系列工具产品应用基础介绍 - 辐射的产生单位时间内发出的辐射:活度 = 1 decay/s = 1 Becquerel (Bq) 1 Curie (Ci) = 37 GBq3 种类型的辐射Alpha 氦原子核Beta 电子 Gamma 电磁波放射源材料:• Cs 137• Co 60原子的自发衰变称为放射性衰变,衰变时会发出电离辐射Source material源基础介绍产品系列工具产品应用基础介绍 - Radiation penetrate materials1,5 kg/dm³2,7 kg/dm³云母铝钢铅7,89 kg/dm³11,3 kg/dm³====密度值铝箔云母钢铅穿透任何材料衰减吸收基础介绍产品系列工具产品应用基础介绍 - 辐射可见光λ = 400 - 750 nm40050060070010-510-21041063102Gamma X-RayThermalIRMicrowaveReflectedIRUV RadioVisible(µm)波谱电磁波电磁波是由电磁场的振荡所引起,在空间中以光速传播的一种能量.Gamma 辐射⏹短波长λ = 10-5 - 10-7 µm⏹高频⏹电离辐射 (λ < 100 nm)⏹高能光子 (higher energy than light)基础介绍产品系列工具产品应用基础介绍 - 衰减的单位 Half value layer100 %1 x HVL50 %2 x HVL25 %材料的厚度,将辐射剂量率衰减到原来的一半.1 HVL for Cs13714,5 mm 钢9 mm 铅90 mm 水40 mm 混凝土1 HVL for Co6020 mm 钢12 mm 铅120 mm 水55 mm 混凝土beam pathHalf value layer (HVL)剂量率基础介绍产品系列工具产品应用基础介绍 - 按距离衰减放射源距离 r (m)1243辐射剂量按距离的平方关系衰减对电磁波100%25%21r:law Distance 6,25%基础介绍产品系列工具产品应用基础介绍 - 自然与人工的辐射地表0.4 mSv/a医疗~ 2 mSv/a宇宙辐射0.3 mSv/a (海平面)内部1.7 mSv/a Nuclear power engineering < 0.01Research, Industry < 0.01 m自然辐射2.4 mSv/a内部外部in Weil/Rhein:0.62mSv/a (=0.07 µSv/h)飞行 < 0.01 mSv/a人工辐射2 mSv/a本底辐射4.4 mSv/a (=0.5Sv/h)基础介绍产品系列工具产品应用基础介绍 - 医疗中的辐射X-Ray∙牙齿 0.01 mSv∙头部 0.1 mSv∙乳腺 0.5 mSv∙脊柱 1 mSv∙胃 10 mSvCT∙头部 3 mSv∙脊柱 10 mSv∙胃 20 mSv基础介绍产品系列工具产品应用基础介绍 - 飞行中的辐射飞行Frankfurt –上海 -Frankfurt~ 0.13 mSv海平面: 宇宙辐射0.3 mSv/a (=0.034 µSv海拔 12 000 m:宇宙辐射~ 52 mSv/a (= 6 µSv/h基础介绍产品系列工具产品应用基础介绍 - 辐射的比较探棒所需剂量率与自然辐射的比较2800 m 处之自然辐射8 000 m 处之自然辐射Geiger-Mülle管闪烁棒Geiger-Müller管1 µSv/h闪烁棒0.1 µSv/h探棒正常工作所需剂量率:基础介绍产品系列工具产品应用基础介绍 - 辐射的比较⏹从上海飞到北京所受辐射的1/10⏹1楼与7楼在1年内的宇宙辐射累计量的差Geiger-Müller管1 µSv/h闪烁体0.1 µSv/h 探棒所需的剂量:基础介绍产品系列工具产品应用基础介绍 - 辐射防护等级人体所受辐射剂量的限制控制区:7.5 μSv/h (北美)3 μSv/h (欧洲)2.5 uSv/h (中国)400 mSv 一生100 mSv 5年20 mSv/年6 mSv/年 ( = 3 µSv/h )1 mSv/年 ( = 0.5 µSv/h )监控Category B控制CategoryA∙identification duty∙ admittance restriction∙ instruction∙ Determination of whole-body(Dosemeter)∙ and medicine provide∙ admittance restriction∙ instruction∙ Determination of whole-body(Dosemeter)Geiger-Müller管1 µSv/h闪烁棒0.1 µSv/h探棒所需的剂量率:基础介绍 - 射源保护器处的剂量率基础介绍产品系列工具产品应用基础介绍产品系列工具产品应用基础介绍 - 辐射防护的基本原则距离时间屏蔽剂量率 [ Sv/h] 与以下三点有关:基础介绍产品系列工具产品应用产品系列 - 测量系统限位开关物位界面密度 / 质量流量基础介绍产品系列工具产品应用产品系列 - 已有的产品Products for measuring device:⏹放射源⏹射源保护器⏹探棒⏹变送器基础介绍产品系列工具产品应用产品系列 - 已有的产品放射源射源保护器探棒变送器137CsActivity:1 /2 /3 / 510 / 15 / 2030 / 50 / 100150 / 200250 / 300400 / 500 mCi60CoActivity:1 /2 /3 / 510 / 2030 / 50 / 100150 / 200 mCiDG 17/27 (Z)Standard or watercoolingDG 57Standard or water coolingLength: 100 / 400 / 600 /800 / 1000 / 1200 / 1500 /2000 mmQG 020Standard- / Chemical- /Sweden(Euro)-DesignQG 100Standard- / Chemical- /Sweden(Euro)-DesignQG 2000FTG 470FTG 671FMG 671(P)FMG 573In standard- orchemical-designLimit detectionLevel / interfaceDensity / mass flowGammapilotGammasilometerDifferentlength基础介绍产品系列工具产品应用Products for measuring device:产品系列 - 新产品⏹放射源⏹射源保护器⏹一体化变送器⏹可选: 现场显示基础介绍产品系列工具产品应用产品系列 - 新产品放射源射源保护器一体化变送器Integrated detector + transmitter137CsActivity:1 /2 /3 / 510 / 20 / 30 /50 / 100 / 200250 / 300500 mCi60CoActivity:1 /2 / 510 / 20 / 50 /100 / 200 mCiQG 020Standard- / Chemical- /Sweden(Euro)-DesignQG 100Standard- / Chemical- /Sweden(Euro)-DesignQG 2000With nipple(standard design)or thread(chemical design)Gammapilot-M FMG60DifferentlengthStandard or watercoolingLength: 200 / 400/ 800 /1200 / 1600 /2000 mm基础介绍产品系列工具产品应用产品系列 - 放射源技术数据:∙ 设计: 标准型为 nippel,化工型为 M4 thread ∙ 温度: -20...+250°C ∙ 外壳: 1.4541 (321 S 18)∙ 安全等级: C 66646 to ISO 2919壳体:双层结构, 不锈钢焊接尺寸比较外壳盖Spacer放射线材料137Cs ceramic60Co metal内壳盖尺寸:h = 17,6mm ∅ 6,4mmGammaradiation基础介绍产品系列工具产品应用产品系列 - 放射源满足最高防护等级C66646(ISO2919n o t e s t3333312345Classification振动冲击极限压力温度击穿1700 bar+800 °C -40 °C 800 °C and 20 min thermal shock1 h 20 °C20 kg1 m1 m1 kgæ6C 6664690 min25 Hz...85 Hz20 g基础介绍产品系列工具产品应用产品系列 - 放射源的半衰期Time 年010203051525100509080706040302010相对活度 in %60Co =5.3 年137Cs = 30 年The energy of 60Co is higher as 137Cs,but 60Co has a shorter half-life time.基础介绍产品系列工具产品应用产品系列 - 射源保护器钢壳夹铅法兰射线通道锁关⏹钢壳夹铅结构⏹球形设计,提供最佳防护⏹开口角5° 由于限位检测及密度测量20° 或 40° 用于连续液位测量⏹通过旋转 source holder 来开/关放射源⏹Pad-lock 防盗设计⏹化工型的source holder 带有 O-ring,可防腐蚀性气体或灰尘基础介绍产品系列工具产品应用产品系列 - 射源保护器标准 (R)化工型 (C)Sweden-设计 (S)•低价格•带有插入式锁•北欧安全规范•满足化工行业的要求•source holder带密封圈•放射源为螺纹安装基础介绍产品系列工具产品应用产品系列 - 射源保护器QG 020Weight: 40 kgQG 100Weight: 87 kgQG 2000Weight: 315 kgCs 137: < 1.85 GBq(50 mCi)Max. load forcontrol area <0.3m:For Germany, Europe: 3µSv/hFor Asia, America: 7,5µSv/hCs 137: < 3.70 GBq(100 mCi)Cs 137: < 22.2 GBq(600 mCi)Co 60: < 185 MBq (5mCi)Cs 137: < 55 GBq(1500 mCi)Co 60: < 740 MBq(20 mCi)Cs 137: > 22.2 GBq(600 mCi)Co 60: < 7.4 GBq(200 mCi)Cs 137: > 55 GBq(1500 mCi)Co 60: < 18.5 GBq(500 mCi)基础介绍产品系列工具产品应用产品系列 - 探棒 DG 57闪烁棒限位: 100 mm密度: 100, 400 mm物位与界面:400...2000 mm带有水冷套的探棒(40 °C...120 °C)带不锈钢外壳的探棒 (-20 °C...50 °C)参考脉冲闪烁棒光纤光电倍增器PT 100LED电子模块带有缆塞的探棒头基础介绍产品系列工具产品应用产品系列 - 探棒的灵敏度探棒比较:从给定的 60Co 放射源,探棒处剂量为:0,5 Sv/h5 c /sGM Tube300 c /sNaJ-Crystal1300 c /s400 mm DG 573200 c /s1500 mm DG 57P u l s e r a t e i n c o u n t s /sDetector type基础介绍产品系列工具产品应用产品系列 - 变送器密度物位 /界面限位检测FMG 573 Z/SFTG 470 Z FTG 671FMG 671 (P)基础介绍产品系列工具产品应用产品系列 – 新的一体化FMG60闪烁体原理闪烁体 (传感器):NaI-晶体 ∅ 50x50PVT 塑料 40 x L 200 ... 2000mm环境温度 -40°C ...+50°C带水冷套 +40°C ... 120°C原理∙ 射线进入闪烁体 ∙ 衰减时产生微小的光点∙ 光电倍增管将光脉冲转为电脉冲闪烁体(传感器)光电倍增管电子模块外壳1.4435 / SS316电缆接口Gamma 射线基础介绍产品系列工具产品应用产品系列 - Gammapilot M - FMG60传感器外壳ToF-Tool输出认证操作NaI –晶体Ø50x50 mm(稳定性 0.1%)PVT-塑料闪烁棒☐40 xL 400 ...2000mmLevelLimitInterfaceDensityPVT-塑料闪烁棒☐40 x L 200ConnectionHousing(2 separateconnectioncompartments)分离显示FHX 404-wire90...253 VAC18...32 VDC统一的软件软件应用EEx e/dEEx iATEX II 2G基础介绍产品系列工具产品应用产品系列 - FMG60 –模块化系统灵活的模块化设计特点∙快速修理∙节约费用∙操作简单光电倍增管电子模块外壳晶体塑料闪烁体基础介绍产品系列工具产品应用产品系列 - FMG60 接线腔EEx i输出与附件温度PT100Service/DisplayFF DIP-开关级联:主/从4...20 mA HART orProfibus PA or FF电源:90 ... 253 V AC18 ... 32 V DCEEx e or d电源与输出基础介绍产品系列工具产品应用产品系列 - FMG60 操作物位限位密度级联功能温度补偿线性化线性./浓度.MAXMlNWHGSlLRadiographyRadiographyRadiography基础介绍产品系列工具产品应用产品系列 - FMG60 进度III Q/04II Q/04ATEX II2GLaunch PackageI Q/04IV Q/04First delivery1. JuliSAP open1.Mai基础介绍产品系列工具产品应用产品系列 - Geiger-Müller管:探棒 DG 17 /27用于限位开关Gas-filledglass AnodeHelical wire cathodeDetector versions:DG 17 (1 Geiger-Müller 管DG 27 (2 Geiger-Müller 管原理:∙辐射使惰性气体电离∙离子向电极移动产生电脉冲环境温度: -20°C...+ 60°C带水冷套: 0°C...+180°C基础介绍产品系列工具产品应用产品系列 - 限位检测Installation for 19“Rack or Monorack模拟输出 1/2模拟输入 1(/2)Relay 1/24...20 mA HARTLevelmAFMG60FTG470Z分体式变送器Plug-in card 4 HP Relay 1DG17/27Geiger-Müller 管RMA 422基础介绍产品系列工具产品应用产品系列 - 液位测量MasterSlave Slave End-Slave4...20 mA主从4...20 mA⏹双倍灵敏度 or 冗余⏹大量程 (级联)基础介绍产品系列工具产品应用产品系列 - 密度测量特点⏹ 敏感元件:NaI 晶体50 x 50 mm⏹ 高稳定性 0,1%输出信号⏹ 密度 (0.5 ... 3.0 g/cm 3)⏹ 浓度 ⏹ 固体含量(% 重量, % 体积, weight/volume)⏹质量流量⏹ 密度, 带温度补偿FMG60基础介绍产品系列工具产品应用产品系列 - 密度测量DµeFs⋅⋅-=ϕ• Fs = 衰减• µ = 线性吸收率•ϕ = 介质的密度• D = 射线穿透介质的长度衰减与下列参数有关:ϕD脉冲率c/s密度ϕ基础介绍产品系列工具产品应用产品系列 - 密度测量的温度补偿外部 PT100输入PT 1004 ... 20 mA HART PA, FFFMG60基础介绍产品系列工具产品应用工具 - ApplicatorSelection program for radiometricmeasurementC alculation of the necessary source activity,control areaand selection of all necessary components.GeometryActivityof thesourceLinearisationControlarea。
E+H仪表技术指标说明书高工:022-********E+H仪表技术指标说明书A.概述功能:测量、指示和传送过程检测介质的PH值信号形式:玻璃复合电极(测量电极、参比电极和Pt100温度电极复合一体)组合:测量、变送、元件及全部安装附件B.性能:测量范围:1~12PH测量精度:0.5%信号输出精度:0.75%重复性:0.2%指示器:LCD数字显示,可现场操作,可同时输出温度信号4~20mA防护等级:IP65C.变送器隔离输出信号:两路4~20mA HART协议电源:220VAC,50Hz断电自动储存系统数据故障报警:开关量输出自身报警220VAC,5A(2路)安装方式:墙挂式D.检测方式:浸没式或流通式(取样式)E.电缆:型号:由制造厂提供长度:由承包商确定A.概述功能:测量、指示和传送过程检测介质中的浊度形式:90度散射光原理组成:测量、变送元件及全部安装附件和清洗装置B.性能测量范围:见仪表清单测量精度:1%信号输出精度:1%重复性:1%防护等级:IP65指示器:LCD数字并有现场操作,带温度补偿,并可同时输出温度信号4~20mA气泡:要求具备气泡消除系统清洗装置:机械(电刷)自清洗,C.变送器隔离输出信号:两路4~20mA HART协议电源:220VAC,50Hz断电自动储存系统数据故障报警:开关量输出自身报警220VAC,5A(2路)安装方式:墙挂式D.检测方式:流通式(取样式)E.电缆型号:仪表厂家确定长度:承包商确定污泥浓度测量传感器、变送器A.概述功能:测量、指示和传送过程检测介质中的浊度形式:90度散射光组成:测量、变送、元件及附件安装附件和清洗装置B.性能测量范围:见仪表清单测量精度:1%信号输出精度:1%重复性:1%防护等级:IP65指示器:LCD数字并有现场操作,带温度补偿,并可输出4~ 20mA温度信号清洗装置:机械(电刷)自清洗C.变送器隔离输出信号:两路4~20mA HART协议电源:220VAC,50Hz断电自动储存系统数据故障报警:开关量输出自身报警220VAC,5A(2路)安装方式:墙挂式D.检测方式:浸没式,浸没深度2米E.电缆:型号:仪表厂家确定长度:承包商确定A.概述功能:测量、指示和传送过程检测介质中的溶解氧信号形式:覆膜式组成:测量、变送元件及全部安装附件和清洗装置B.性能测量范围:见仪表清单测量精度:0.5%信号输出精度:0.75%重复性:0.2%防护等级:IP65指示器:LCD数字并有现场操作,带温度补偿,并可输出温度值4~20mAC.变送器隔离信号输出:两路4-20mA HART 协议电源:220VAC、50HZ断电自动储存系统数据故障报警:开关量输出自身报警220VAC,5A (2路)安装方式:墙挂式D.检测方式:浸没式E.电缆:型号:仪表厂家确定长度:承包商确定A. 概述功能:测量、指示和传送过程检测介质中的电导率信号形式:电感式组成:测量、变送元件及全部安装附件B. 性能测量范围:见仪表清单测量精度:0.5%信号输出精度:0.75%重复性:0.2%防护等级:IP65指示器:LCD数字并有现场操作,带温度补偿,并可输出温度值4~20mAC.变送器隔离输出信号:两路4~20mA HART协议电源:220VAC、50HZ断电自动储存系统数据故障报警:开关量输出自身报警220VAC,5A (2路)安装方式:墙挂式D.检测方式:浸没式E.电缆:型号:仪表厂家确定长度:承包商确定余氯测量传感器、变送器A.概述功能:测量、指示和传送过程检测介质中的余氯信号形式:极化法组成:测量、变送元件及全部安装附件B.性能测量范围: 0~5mg/l测量精度:0.5%信号输出精度:0.75%重复性:0.2%防护等级:IP65指示器:LCD数字并有现场操作信号补偿:带PH和温度补偿C.变送器隔离输出信号:两路4~20mA HART协议电源:220VAC,50Hz断电自动储存系统数据故障报警:开关量输出自身报警220VAC,5A(2路)安装方式:墙挂式D.检测方式:流通式E.电缆:型号:仪表厂家确定长度:承包商确定自动采样站A.概述功能:定时自动取出过程介质样品,供化验分析形式:真空法组成:定时及控制装置和样品容器B.特点取样距离:30m取样高度:6m带12个3升容器和样品分配器可自动取样带温度调节,可在现场运行断电自动储存系统数据C.技术参数环境温度:-15°C~+40°C防护等级:IP55电源:220VAC、50Hz /60HzD.尺寸(HXWXD):800 x 1300 x 700mmA.概述功能:测量、指示和传送压力信号形式:干式陶瓷传感器,两线制变送器B.性能测量范围:见仪表清单测量精度:0.2%环境温度:-20°C~60°C稳定性:十二个月0.1%量程比:10:1零点迁移:满量程90%防护等级:IP65C.特点安装位置:任选、带现场显示线性度:>=0.1%结构:变送器、测量元件一体安装D.变送器隔离输出信号:4~20mA, DC 带HART协议电源:12.5~30VDC安装方式:直接安装或柱装或墙装A.概述功能:测量、指示和传送差压信号形式:干式陶瓷或扩散硅传感器,两线制变送器B.性能测量范围:见仪表清单测量精度:0.2%环境温度:-20°C~60°C稳定性:十二个月0.1%量程比:20 : 1零点迁移:满量程90%防护等级:IP65C.特点安装位置:任选、带现场显示线性度:>=0.1%结构:变送器、测量元件一体安装D.变送器隔离输出信号:4~20mA,DC 带HART协议电源:12.5~30VDC安装方式:墙装或柱装数字显示表A.概述功能:接收一个过程变量并以工程单位显示其数值形式:盘装式LCD数字显示器B.性能测量范围:见仪表清单测量精度:0.05%输出精度:0.04%环境温度:-10°C ~+ 50°C保护等级:IP65显示:5位LED数字显示C.信号界面:输入:4~20mA.DC、1~5V.DC或Pt100输出:4~20mA.DC / 0~10V接点输出信号:2个继电器接点输出用于上下限报警,接点容量为220VAC,3AD. 电源:220VAC,50Hz或24VDCE. 外形尺寸:48 X 96mmF. 数字显示表的数量和安装位置:见仪表设备清单电磁流量测量传感器、变送器(分体型)A.概述功能:测量、指示和传送管道内导电液体的流量形式:利用法拉第电磁感应测量原理组成:传感器、变送器,全部安装附件和电缆B.性能:测量范围:见仪表清单测量精度:0.2%重复性:0.1%环境温度:-20~+60°C介质温度:0~ +80°C保护等级:传感器:IP68 变送器:IP67C.特点:指示器:LCD数字指示,可现场操作、设置变送单元:微处理器、积分自动校零、自诊断、故障报警和小信号切除D.测量传感器衬里材料:硬橡胶4电极测量系统:测量电极、参比电极、空管检测电极电极材料:1.4435不锈钢E.隔离输出信号:4~20mA, HART和频率信号输出F.电源:220VAC,50HzG.安装方式:管道法兰安装涡街流量测量传感器、变送器A. 概述功能:测量、指示和传送管道内液体或气体的流量形式:利用卡门涡街原理组成:一体化传感器及变送器B. 性能:测量范围:见仪表清单测量精度:1%(气体),0.75%(液体)重复性:0.2%环境温度:-40~+80°C介质温度:-200~+400°C保护等级:IP65C. 特点:指示器:LCD数字指示,可现场操作、设置变送单元:微处理器、自诊断、故障报警和小信号切除抗振性:各方向1g/500Hz 振动D. 测量传感器材料:316L不锈钢形式:差动电容E. 隔离输出信号:4~20mADC,HART及频率信号输出F. 电源:24VDCG.安装方式:管道法兰安装热式气体质量流量计A. 概述功能:测量,指示传送管道内气体的质量流量形式:利用热式原理组成:一体化传感器、变送器及安装附件(带切断球阀)B. 性能:测量范围:见仪表清单测量精度:0.5%重复性:0.25%环境温度:-30~+80°C介质温度:-10~+100°C保护等级:IP65C. 特点:指示器:LCD数字指示,可现场操作、设置变送单元:微处理器、自诊断、故障报警和小信号切除量程比:100 : 1D. 接液部分材料:316L不锈钢(哈氏合金可选)E. 隔离输出信号:4~20mADC,HART协议F. 电源:20~30VDCG.安装方式:插入式管道安装超声波流量测量传感器、变送器(分体型)A.概述功能:测量、指示和传送管道内液体的流量和声速形式:时差法组成:传感器、变送器,全部安装附件和电缆B.性能:测量范围:见仪表清单测量精度:0.5%重复性:+/-0.4%环境温度:-20~+60°C介质温度:-40~+170°C保护等级:传感器:IP68 变送器:IP67C.变送器显示:两行背光LC指示,可现场操作、设置变送单元:微处理器、自诊断、故障报警和小信号切除输入:双通道4~20mA信号输出:隔离4~20mA及继电器接点信号电源:86~260VAC(50~60Hz)或16~62VDC安装方式:墙装或柱装D.测量传感器材料:304不锈钢及塑料安装方式:管道夹装E.电缆型号:仪表厂家确定长度:由承包商确定(长度可达30米)Pitot管流量计A.概述功能:测量、指示和传送管道内气体,蒸汽及液体的流量值形式:Pitot管差压法组成:一体化Pitot管,差压变送器及连接附件B.性能:测量范围:0.5~150 m/s(气体),0.025~40 m/s(液体)测量精度:1.5%FS重复性:0.1%FS过程温度:-20~+300°C过程压力:0~420bar环境温度:-20~+60°C量程比:3 : 1材料:316Ti不锈钢C.特点可带一体化温度探头进行补偿管道直接安装,可测量圆形及方形管道中介质流量管道口径范围为DN25~DN12000流量计算机A. 概述功能:对来自流量、压力、温度及密度传感器的信号应用内置公式计算质量或体积流量等重要参数并显示其数值。
利用P A C T W A R E操作软件对VEGA物位传感器的调试说明FX60系列导向微波式物位传感器版本:3.0寇新华2006.9目录调试设备及连线------------------------------------------------------------------------------------3PACTWARE的进入和初步配置----------------------------------------------------------------4 传感器量程的设定---------------------------------------------------------------------------------11 传感器的缆(棒)长------------------------------------------------------------------------------13 传感器测量条件的选择---------------------------------------------------------------------------15 电流输出的设定--------------------------------------------------------------------------------------17虚假回波的处理--------------------------------------------------------------------------------------18测量数据采集周期的设定--------------------------------------------------------------------------23传感器的快速反应-----------------------------------------------------------------------------------25结束-----------------------------------------------------------------------------------------------------27调试设备及连线调试设备:●安装了PACTWARE软件的PC;----------------------------------●VEGA的通讯接口转换器CONNECT3;----------------------连线:●可以在安装物位传感器的现场,利用专用“I2C”插头插入传感器的“I2C”插座(见下图)用安装了PACTWARE软件的PC和通讯接口转换器CONNECT3对传感器进行调试。
Products Solutions Services TI00363F/28/ZH/15.14技术资料Gammapilot M FMG60放射线测量一体式变送器,用于非接触式液位测量、限位检测和密度检测应用•液体、固体、悬浮液或污泥等的连续非接触式测量•可以在极端工况条件下测量,例如:高压、高温、强腐蚀、毒性及磨损介质•适用于各种过程容器,例如:反应罐、高压釜、分离器、酸液罐、混合罐、旋风分离器、冲天炉•适用于食品加工行业,无需其他要求或认证•通过HART、PROFIBUS PA和基金会现场总线(FF)实现系统集成•进行高限和低限检测时符合安全功能要求优势•一体式变送器:一台仪表即可完成所有测量任务•即使在极端过程条件和环境条件下,也具有最高的适用性、可靠性和安全性•在最低剂量率具有最高灵敏度和最高测量精度(ALARA原理)•使用不同的探测器针对不同应用进行优化调节:–点探测器–不同长度的棒探测器•Ex d、Ex e或Ex i型电流输出,便于实现工厂集成•不锈钢316L外壳,适用于耐用持久的应用场合•进行高限和低限检测时满足SIL2/3认证要求,符合IEC 61508标准•WHG认证•密度测量时带温度补偿•放射线探伤检测•通过四行纯文本显示简单进行菜单引导式现场操作•通过FieldCare调试工具进行简单调试、文档编制和维护/诊断Gammapilot M FMG602Endress+Hauser目录文档信息 . . . . . . . . . . . . . . . . . . . . . . . . . . . . . . . . . . . . . .3图标 . . . . . . . . . . . . . . . . . . . . . . . . . . . . . . . . . . . . . . . . . . . . . . . . 3功能与系统设计 . . . . . . . . . . . . . . . . . . . . . . . . . . . . . . . .4测量原理 . . . . . . . . . . . . . . . . . . . . . . . . . . . . . . . . . . . . . . . . . . . . 4测量系统 . . . . . . . . . . . . . . . . . . . . . . . . . . . . . . . . . . . . . . . . . . . . 5信号计算 . . . . . . . . . . . . . . . . . . . . . . . . . . . . . . . . . . . . . . . . . . . . 7系统集成 . . . . . . . . . . . . . . . . . . . . . . . . . . . . . . . . . . . . . . . . . . . 10输入 . . . . . . . . . . . . . . . . . . . . . . . . . . . . . . . . . . . . . . . . .13测量变量 . . . . . . . . . . . . . . . . . . . . . . . . . . . . . . . . . . . . . . . . . . . 13灵敏度 . . . . . . . . . . . . . . . . . . . . . . . . . . . . . . . . . . . . . . . . . . . . . 13典型脉冲率 . . . . . . . . . . . . . . . . . . . . . . . . . . . . . . . . . . . . . . . . . 14测量范围 . . . . . . . . . . . . . . . . . . . . . . . . . . . . . . . . . . . . . . . . . . . 14密度测量的温度输入(PT100) . . . . . . . . . . . . . . . . . . . . . . . . 15输出 . . . . . . . . . . . . . . . . . . . . . . . . . . . . . . . . . . . . . . . . .16输出信号 . . . . . . . . . . . . . . . . . . . . . . . . . . . . . . . . . . . . . . . . . . . 16故障信号 . . . . . . . . . . . . . . . . . . . . . . . . . . . . . . . . . . . . . . . . . . . 16负载 . . . . . . . . . . . . . . . . . . . . . . . . . . . . . . . . . . . . . . . . . . . . . . . 16输出阻尼时间 . . . . . . . . . . . . . . . . . . . . . . . . . . . . . . . . . . . . . . . 16电源 . . . . . . . . . . . . . . . . . . . . . . . . . . . . . . . . . . . . . . . . .16供电电压 . . . . . . . . . . . . . . . . . . . . . . . . . . . . . . . . . . . . . . . . . . . 16功率消耗 . . . . . . . . . . . . . . . . . . . . . . . . . . . . . . . . . . . . . . . . . . . 16过电压保护等级 . . . . . . . . . . . . . . . . . . . . . . . . . . . . . . . . . . . . . 16防护等级 . . . . . . . . . . . . . . . . . . . . . . . . . . . . . . . . . . . . . . . . . . . 16电势平衡 . . . . . . . . . . . . . . . . . . . . . . . . . . . . . . . . . . . . . . . . . . . 16电气连接 . . . . . . . . . . . . . . . . . . . . . . . . . . . . . . . . . . . . .17端子接线腔 . . . . . . . . . . . . . . . . . . . . . . . . . . . . . . . . . . . . . . . . . 17电缆入口 . . . . . . . . . . . . . . . . . . . . . . . . . . . . . . . . . . . . . . . . . . . 17电势平衡 . . . . . . . . . . . . . . . . . . . . . . . . . . . . . . . . . . . . . . . . . . . 17接线端子分配 . . . . . . . . . . . . . . . . . . . . . . . . . . . . . . . . . . . . . . . 18连接头 . . . . . . . . . . . . . . . . . . . . . . . . . . . . . . . . . . . . . . . . . . . . . 20性能参数/稳定性 . . . . . . . . . . . . . . . . . . . . . . . . . . . . .21响应时间 . . . . . . . . . . . . . . . . . . . . . . . . . . . . . . . . . . . . . . . . . . . 21参考操作条件 . . . . . . . . . . . . . . . . . . . . . . . . . . . . . . . . . . . . . . . 21测量值分辨率 . . . . . . . . . . . . . . . . . . . . . . . . . . . . . . . . . . . . . . . 21环境温度的影响 . . . . . . . . . . . . . . . . . . . . . . . . . . . . . . . . . . . . . 21放射线衰减的统计波动 . . . . . . . . . . . . . . . . . . . . . . . . . . . . . . . 21安装条件 . . . . . . . . . . . . . . . . . . . . . . . . . . . . . . . . . . . . .22液位测量时的安装条件 . . . . . . . . . . . . . . . . . . . . . . . . . . . . . . . 22限位检测时的安装条件 . . . . . . . . . . . . . . . . . . . . . . . . . . . . . . . 23密度和浓度测量时的安装条件 . . . . . . . . . . . . . . . . . . . . . . . . . 23空管检测 . . . . . . . . . . . . . . . . . . . . . . . . . . . . . . . . . . . . . . . . . . . 24环境条件 . . . . . . . . . . . . . . . . . . . . . . . . . . . . . . . . . . . . .25环境温度 . . . . . . . . . . . . . . . . . . . . . . . . . . . . . . . . . . . . . . . . . . . 25气候等级 . . . . . . . . . . . . . . . . . . . . . . . . . . . . . . . . . . . . . . . . . . . 25安装高度(符合IEC 61010-1 Ed.3标准) . . . . . . . . . . . . . . . 25防护等级 . . . . . . . . . . . . . . . . . . . . . . . . . . . . . . . . . . . . . . . . . . . 25抗振性 . . . . . . . . . . . . . . . . . . . . . . . . . . . . . . . . . . . . . . . . . . . . . 25抗冲击性 . . . . . . . . . . . . . . . . . . . . . . . . . . . . . . . . . . . . . . . . . . . 25电磁兼容性 . . . . . . . . . . . . . . . . . . . . . . . . . . . . . . . . . . . . . . . . . 25水冷套管 . . . . . . . . . . . . . . . . . . . . . . . . . . . . . . . . . . . . . . . . . . . 26准直仪 . . . . . . . . . . . . . . . . . . . . . . . . . . . . . . . . . . . . . . .28准直仪 . . . . . . . . . . . . . . . . . . . . . . . . . . . . . . . . . . . . . . . . . . . . . 28过程条件 . . . . . . . . . . . . . . . . . . . . . . . . . . . . . . . . . . . . .28过程温度 . . . . . . . . . . . . . . . . . . . . . . . . . . . . . . . . . . . . . . . . . . . 28过程压力 . . . . . . . . . . . . . . . . . . . . . . . . . . . . . . . . . . . . . . . . . . . 28机械尺寸 . . . . . . . . . . . . . . . . . . . . . . . . . . . . . . . . . . . . .29设计及外形尺寸 . . . . . . . . . . . . . . . . . . . . . . . . . . . . . . . . . . . . . 29材料 . . . . . . . . . . . . . . . . . . . . . . . . . . . . . . . . . . . . . . . . . . . . . . . 30人机界面 . . . . . . . . . . . . . . . . . . . . . . . . . . . . . . . . . . . . .32显示与操作单元FHX40 . . . . . . . . . . . . . . . . . . . . . . . . . . . . . . 32远程操作 . . . . . . . . . . . . . . . . . . . . . . . . . . . . . . . . . . . . . . . . . . . 33证书与认证 . . . . . . . . . . . . . . . . . . . . . . . . . . . . . . . . . . .34安全手册(SIL 2/3) . . . . . . . . . . . . . . . . . . . . . . . . . . . . . . . . . . 34防爆认证(Ex) . . . . . . . . . . . . . . . . . . . . . . . . . . . . . . . . . . . . . . 34其他标准和准则 . . . . . . . . . . . . . . . . . . . . . . . . . . . . . . . . . . . . . 34证书 . . . . . . . . . . . . . . . . . . . . . . . . . . . . . . . . . . . . . . . . . . . . . . . 34订购信息 . . . . . . . . . . . . . . . . . . . . . . . . . . . . . . . . . . . . .37产品选型表 . . . . . . . . . . . . . . . . . . . . . . . . . . . . . . . . . . . . . . . . . 37附件 . . . . . . . . . . . . . . . . . . . . . . . . . . . . . . . . . . . . . . . . .37Commubox FXA195 HART . . . . . . . . . . . . . . . . . . . . . . . . . . . 37Commubox FXA291 . . . . . . . . . . . . . . . . . . . . . . . . . . . . . . . . . 37ToF 适配器FXA291 . . . . . . . . . . . . . . . . . . . . . . . . . . . . . . . . . 37Field Xpert SFX100 . . . . . . . . . . . . . . . . . . . . . . . . . . . . . . . . . . 37分离型显示单元FHX40 . . . . . . . . . . . . . . . . . . . . . . . . . . . . . . 38安装支架FHG60 (适用于液位测量和限位测量) . . . . . . . . . 40密度测量的固定装置FHG61 . . . . . . . . . . . . . . . . . . . . . . . . . . 41密度测量的测量段FHG62 . . . . . . . . . . . . . . . . . . . . . . . . . . . . 41Gammapilot M 的补充文档资料 . . . . . . . . . . . . . . . . .42应用文档 . . . . . . . . . . . . . . . . . . . . . . . . . . . . . . . . . . . . . . . . . . . 42技术资料 . . . . . . . . . . . . . . . . . . . . . . . . . . . . . . . . . . . . . . . . . . . 42操作手册 . . . . . . . . . . . . . . . . . . . . . . . . . . . . . . . . . . . . . . . . . . . 42安全手册 . . . . . . . . . . . . . . . . . . . . . . . . . . . . . . . . . . . . . . . . . . . 42密度测量的固定装置FHG61 . . . . . . . . . . . . . . . . . . . . . . . . . . 42密度测量的测量段FHG62 . . . . . . . . . . . . . . . . . . . . . . . . . . . . 42放射源、放射源盒和调制器的补充文档资料 . . . . . . . .43Gamma 放射源FSG60、FSG61 . . . . . . . . . . . . . . . . . . . . . . . 43源盒 FQG60 . . . . . . . . . . . . . . . . . . . . . . . . . . . . . . . . . . . . . . . . 43源盒FQG61, FQG62 . . . . . . . . . . . . . . . . . . . . . . . . . . . . . . . . . 43源盒FQG63 . . . . . . . . . . . . . . . . . . . . . . . . . . . . . . . . . . . . . . . . 43Gammapilot FTG20 . . . . . . . . . . . . . . . . . . . . . . . . . . . . . . . . . 43源盒QG2000 . . . . . . . . . . . . . . . . . . . . . . . . . . . . . . . . . . . . . . . 43Gamma 信号调制器FHG65 . . . . . . . . . . . . . . . . . . . . . . . . . . . 43Gammapilot M FMG60Endress+Hauser 3文档信息图标安全图标电气图标特定信息图标图中的图标图标说明A0011189-ZH危险!危险状况警示图标。