2017年度市级政府安全生产工作考核细则及评分标准
- 格式:doc
- 大小:114.50 KB
- 文档页数:33
2017年度市级政府安全生产工作考核细则及评分标准一级指标二级指标考核要点考核细则评分标准考核方式备注一、责任落实(12分)(一)安全生产领域改革发展深入贯彻落实《中共中央国务院关于推进安全生产领域改革发展的意见》和《中共黑1.深入学习、宣传贯彻《意见》《实施意见》,采取广泛宣讲、专家解读、集中培训等方式深刻学习领会,增进全社会共识。
(1分)(1)市级政府未组织开展学习宣传《实施意见》的,扣0.3分;市级政府安委会成员单位未组织学习,或未参加国务院安委办组织的《意见》宣讲的,扣0.3分(组织学习和参加宣讲合一的,不扣分)。
(2)抽查2个县级政府(下同):未组织开展学习宣传《实施意见》的,每个扣0.2分。
检查市级政府,抽查县级政府2.结合自身实际,制定出台贯彻落实《实施意见》的实施办法,并对贯彻落实情况进行督(3)市级政府未起草贯彻落实《实施意见》的实施办法的,扣1分;实施办法未经政府常务会议讨论通过的,扣1分。
检查市级政府龙江省委 黑龙江省人民政府关于深入贯彻落实<中共中央、国务院关于推进安全生产领域改革发展的意见 >的实查督办。
(2分)3.组织开展对下级政府和同级安全生产委员会成员单位安全生产工作责任目标考核;将职业病防治纳入民生工程项目,列入安全生产考核内容。
(1分)(4)市级政府未实施对县级政府安全生产工作责任目标考核的,扣0.3分;未实施对市级政府有关部门安全生产工作责任目标考核的,扣0.3分;未将职业病防治纳入民生工程项目的,扣0.3分;未将职业病防治列入安全生产考核内容的,扣0.3分。
逐项扣分,扣完为止。
检查市级政府施意见》,确保各项政策措施落地生根。
(二)领导责任按照“党政同责、一岗双责、齐抓共管、失职追责”的要求,落实属地管理责任。
4.按照“党政同责、一岗双责、齐抓共管、失职追责”的要求,进一步健全完善安全生产责任体系规定,明确党政领导干部安全生产责任。
(0.5分)(5)市级政府未制定并落实“党政同责、一岗双责、齐抓共管、失职追责”安全生产责任体系规定的,扣0.1分;未出台明确地方党委政府领导责任、部门监管责任和属地管理责任文件的,扣0.1分;未由常委副职分管安全生产工作、分管公安工作副职协助管理的,扣0.2分。
2017年度县(市、区)政府(管委会)安全生产工作考核评分标准被考核单位(公章):自评得分:考核得分:考核内容考核要点评分标准计分标准分值得分1 / 31责任落实(12分)贯彻落实中央和省关于推进安全生产领域改革发展的意见(以下简称意见)1.深入学习、宣传贯彻意见,采取广泛宣讲、专家解读、集中培训等方式深刻学习领会,增进全社会共识。
1分2.结合自身实际,制定出台贯彻落实意见的实施细则,并对贯彻落实情况进行督查督办。
2分3.组织开展对下级政府和同级安全生产委员会成员单位安全生产工作责任目标考核;将职业病防治纳入民生工程项目,列入安全生产考核内容。
1分各子项由市安委会年度考核组现场查文件、查记录。
42 / 31领导责任1.按照“党政同责、一岗双责、齐抓共管、失职追责”的要求,进一步健全完善安全生产责任体系规定,明确党政领导干部安全生产责任。
1分2.各级政府主要负责人担任同级安全生产委员会主任,班子其他成员对分管范围内的安全生产工作负领导责任;每季度至少召开一次专题会议研究部署安全生产工作。
1分3.建立安全生产绩效与履职评定、职务晋升、奖励惩处挂钩的相关制度,严格落实安全生产“一票否决”制度。
1分各子项由市安委会年度考核组现场查文件、查记录。
3部门监管责任1.推进建立负有安全监管职责部门和行业管理部门的安全生产权力和责任清单,按照“三个必须”要求,落实各行业领域属地管理责任和职业健康监管职责。
1分2.建立有关部门支持保障安全生产工作制度。
1分各子项由市安委会年度考核组查三定方案和文件。
23 / 31企业主体责任1.督促企业严格落实安全生产和职业病防治主体责任,建立健全自我约束、持续改进的内生机制,建立全过程安全生产和职业健康管理制度,实行全员安全生产责任制度、落实职业病防治制度措施;完善混合所有制企业及跨地区、多层级企业投资主体的安全生产责任。
1分2.指导企业开展安全生产标准化建设,完善隐患自查自改登记的排查治理闭环管理机制,大力推进建设隐患排查治理体系,建立企业重大隐患治理情况向负有安全监管职责的部门和企业职代会“双报告”制度。
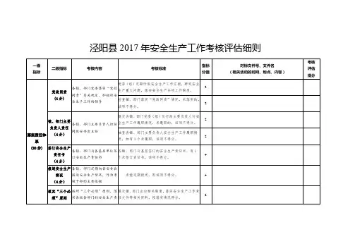
泾阳县2017年安全生产工作考核评估细则一级指标二级指标考核内容考核标准指标分值对标文件号、文件名(相关活动的时间、地点、内容)考核评估得分落实责任体系(30分)党政同责(4分)各镇、部门党委落实“党政同责”有关规定,加强对安全生产工作的领导党委(组)定期听取安全生产工作汇报,研究安全生产重大问题,落实安全生产各项工作制度。
2检查镇、部门落实“党政同责”情况,未落实的,该项不得分。
2镇、部门主要负责人责任(4分)各镇、部门主要负责人担任同级安委会主任提交各镇、部门党委(组)及行政主要负责人对安全生产工作履职情况,未履职的,该项不得分。
2抽查各镇、部门主要负责人安全生产工作履职情况,如有1个未履职,该项不得分。
2 签订安全生产责任书(4分)各镇、部门与各基层单位签订安全生产责任书各镇、部门与基层签订的安全生产责任书,有1个未签订责任书,该项不得分。
4报送安全生产情况(4分)各镇、部门定期向县安委会报送安全生产情况,作为考核干部的主要依据未能定期报送,则该项不得分。
4落实“三个必须”原则(4分)按照“三个必须”原则,落实各级各部门的安全生产责任,综合监管、行业监管、属地监管的责任提交镇、部门出台相关制度,落实安全生产工作责任文件等相关资料。
按落实情况得分。
2检查镇、部门出台相关制度,明确领导及下属单位安全生产责任,编制监管责任网格图,落实安全生产工作责任及相关资料;有1个未明确的,该项不得分。
2企业落实安全生产责任(10分)督促企业落实“五落实五到位”,明确安全生产责任分工未制定相关文件的扣5分;未明确责任的扣3分。
抽查2家企业落实“五落实五到位”落实情况。
未落实“五落实五到位”的扣10分。
10事故预防措施(10分) 安全生产大检查、打非治违和专项整治①建立领导机构,制定工作方案,明确责任分工;②开展“七打七治”专项行动,定期组织打击非法违法生产经营行为①未安排部署安全生产大检查、制定工作方案、明确工作任务扣5分;②未严格落实“四级清单”,建立检查台帐的扣2分;③未落实“七打七治”专项行动工作措施的扣3分;④未建立非法违法企业清单,对非法违法事故进行公开曝光扣2分;⑤未开展高危行业专项整治行动的扣2分。
十安发〔2017〕19号关于印发2017年度县市区政府(管委会)安全生产工作责任目标考核评分细则的通知各县(市区)人民政府,十堰经济技术开发区、武当山旅游特区管委会:按照《省人民政府关于印发湖北省安全生产工作责任目标考核办法的通知》(鄂政发〔2017〕42号)和《省安委会关于印发2017年度市(州)政府安全生产工作责任目标考核细则的通知》(鄂安(2017)27号)精神,为切实做好2017年全市安全生产责任目标考核工作,市安委会制定了《2017年度县市区政府(管委会)安全生产工作责任目标考核评分细则》,现印发给你们,并就有关事项通知如下。
一、考核评分及等级考核总分为100分,另设有加分项。
评分采取逐项扣分办法,每项扣分不超过本项总分。
考核结果分为优秀、先进、合格、不合格四个等次,总分90分以上(含90分)为优秀,90分以下至80分(含80分)为良好,80分以下至70分(含70分)为合格,70分以下为不合格。
二、考核程序1、自查自评。
各地接市安委会考核通知后,按照年初与市政府签订的《安全生产目标责任书》内容及考核评分细则和评分方法,对本地区2017年度安全生产目标完成情况进行自查自评,自评结果以书面形式报市安委会办公室。
2、组织考核。
市安委会派出综合考核组,对各县市区政府(管委会)进行实地考核。
3、反馈通报。
市安委会向市人民政府报告考核结果,经市政府确认同意后,反馈被考核单位,考核结果抄送市纪委(监察局)、市委组织部、市人社局、市文明办、市综治办等相关部门(单位)和被考核县市区党委、人大常委会,并在十堰有关媒体或网站予以公告。
三、考核加分有下列情形之一的予以加分:一是全年未发生较大以上事故的,加3分;二是县市区政府安全生产工作在全国、全省、全市安全生产方面的会议上介绍工作经验或安全生产工作创新,被国家、省、市级推广的,每次分别加1.5分、1分、0.5分;此项最高加3分;三是本部门在安全生产事故应急救援或抢险救援中,受到国家、省、市党委政府或省级以上部门通报表彰的,分别加1.5分、1分、0.5分;四是建立政府购买安全生产服务专项资金的,加0.5分;五是当年度被命名为全省安全生产社区、文化建设示范企业的每个加0.5分,最高加2分。
河南省2017年度安全生产责任目标考评细则(100分)一级指标二级指标考核要点评分细则评分标准现场考核方式实得分一、责任落实(24分)(一)贯彻落实《意见》贯彻落实《中共中央国务院关于推进安全生产领域改革发展的意见》和我省实施意见,确保《各项政策措施落地生根。
1.认真学习、宣传贯彻《意见》。
(2分)(1)未组织《意见》学习的,每个扣1分;未组织安委会成员单位进行《意见》学习的,少一个部门扣0.5分;未采取专题学习会或视频会议等形式,参加国务院安委办组织的《意见》宣讲的,扣0.5分(组织学习和参加宣讲合一的,不扣分)。
(2)抽查2个县级政府:未采取专题学习会或视频会议等形式,组织学习或参加国务院安委办组织的《意见》宣讲的,扣0.5分(组织学习和参加宣讲合一的,不扣分)。
核查省辖市、直管县级政府,抽查县级政府。
2分2.结合自身实际,制定出台《意见》贯彻落实实施方案,明确责任分工、时间进度,对贯彻落实情况进行督查督办、定期通报。
(2分)(3)未制定出台《意见》贯彻落实的意见或实施方案的,扣2分;意见或实施方案未明确具体工作任务的,扣0.5分;未明确责任部门的,扣0.5分;未明确完成时间的,扣0.5分;未结合本地区实际的,扣0.2至0.5分;未按照责任分工、时间进度进行督查督办和定期通报的,扣0.5分。
核查省辖市、直管县级政府。
2分— 1 —一级指标二级指标考核要点评分细则评分标准现场考核方式实得分一、责任落实(24分)(二)领导责任按照“党政同责、一岗双责、齐抓共管、失职追责”的要求,落实党政领导干部安全生产责任。
3.落实“党政同责、一岗双责、齐抓共管、失职追责”安全生产责任体系规定。
(1分)(4)未制定并落实“党政同责、一岗双责、齐抓共管、失职追责”安全生产责任体系规定的,或未出台明确地方党委政府领导责任、部门监管责任文件的,扣1分。
核查省辖市、直管县级政府。
1分4.落实党政领导干部安全生产责任,政府主要负责人担任同级安委会主任,领导班子其他成员对分管范围内的安全生产工作负领导责任。
南京市人民政府办公厅关于印发南京市安全生产工作考核办法的通知文章属性•【制定机关】南京市人民政府办公厅•【公布日期】2017.02.23•【字号】宁政办发〔2017〕40号•【施行日期】2017.02.23•【效力等级】地方规范性文件•【时效性】现行有效•【主题分类】市场规范管理正文南京市人民政府办公厅关于印发南京市安全生产工作考核办法的通知宁政办发〔2017〕40号各区人民政府,市府各委办局,市各直属单位:经市政府同意,现将《南京市安全生产工作考核办法》印发给你们,请认真贯彻执行。
南京市人民政府办公厅2017年2月23日南京市安全生产工作考核办法第一章总则第一条为贯彻落实党中央、国务院安全生产方针政策和省市两级党委政府的决策部署,强化安全生产责任落实,有效预防和遏制各类生产安全事故,促进全市安全生产形势进一步稳定好转,根据《中华人民共和国安全生产法》、《中华人民共和国职业病防治法》、《江苏省安全生产条例》、《南京市安全生产条例》、《省级政府安全生产工作考核办法》(国办发〔2016〕64号)、《市级政府安全生产工作考核办法》(苏政办发〔2016〕128号)、《中共南京市委、南京市政府关于印发〈南京市安全生产“党政同责、一岗双责”暂行规定〉的通知》(宁委发〔2015〕13号)、《市政府关于印发市有关部门和单位安全生产工作职责规定的通知》(宁政发〔2016〕186号)等法律法规和文件规定,制定本办法。
第二条本办法适用于各区人民政府、国家级开发区管委会以及负有安全生产监督管理职责的市有关部门、直属单位,市属产业园区、集团(平台)(以下简称:市有关部门和单位)。
第三条全市安全生产工作考核在市政府统一领导下,由市政府安全生产委员会(以下简称市安委会)负责组织实施,市安委会办公室(以下简称市安委办)负责具体承办。
第四条安全生产工作考核坚持客观公正、科学合理、公开透明、注重实效的原则,坚持目标控制与强化基层基础、加强监督管理相结合,突出工作重点,着力工作过程,注重工作实效。
附件 2017年全市综治考评安全生产考核评分办法季节中的花开花落,都有自己的命运与节奏,岁月如歌的谱曲与纳词,一定是你。
人生不如意十之八九,有些东西,你越是在意,越会失去。
一个人的生活,快乐与否,不是地位,不是财富,不是美貌,不是名气,而是心境。
有时候极度的委屈,想脆弱一下,想找个踏实的肩膀依靠,可是,人生沧海,那个踏实肩膀的人,也要食人间烟火,也要面对自己的不堪与无奈。
岁月告诉我:当生活刁难,命运困苦,你的内心必需单枪匹马,沉着应战。
有时候真想躲起来,把手机关闭,断了所有的联系,可是,那又怎样,该面对的问题,依旧要面对。
与其逃避,不如接纳;与其怨天尤人,不如积极主动去解决。
岁月告诉我:美好的人生,一半要争,一半要随。
有时候想拼命的攀登,但总是力不从心。
可是,每个人境况是不同的,不要拿别人的标准,来塑造自己的人生。
太多的失望,太多的落空,纯属生活的常态。
岁月告诉我:挫败,总会袭人,并且,让你承受,但也,负责让你成长。
人生漫长,却又苦短,幽长的路途充满险阻,谁不曾迷失,谁不曾茫然,谁不曾煎熬?多少美好,毁在了一意孤行的偏执。
好也罢,坏也罢,人生的路,必须自己走过,才能感觉脚上的泡和踏过的坑。
因为懂得,知分寸;因为珍惜,懂进退。
最重要的是,与世界言和,不再为难自己和别人。
《菜根谭》中说:花看半开,酒饮微醉。
就是说,做事不必完美,享乐不可享尽,这是一种含苞待放的人生状态。
即使是最美的月亮,也会有盈亏的自然之道。
否则便是过犹不及,弄巧成拙。
心灵松绑了,活着才自由。
半生已过,走走停停,看透了生活,选择了顺流的方式,行走。
流水今日,明月前身。
感谢每一粒种子,每一缕清风,每一个阳光的日子,于时光的碎屑中,静品一盏流年的香茗。
撕开浮云的遮掩,其实,每个人心中都有各自的山水,都有一段难捱的时光,好在,总有一天,你的淡然低调,你的暗自努力,你的理性豁达,终将点燃你的整个世界,让故事的结局,美好而温柔。
苏轼在《水调歌头》里写道:人有悲欢离合,月有阴晴圆缺,此事古难全。
2017年度市级政府安全生产工作考核细则及评分标准一级指标二级指标考核要点考核细则评分标准考核方式备注一、责任落实(12分)(一)安全生产领域改革发展深入贯彻落实《中共中央国务院关于推进安全生产领域改革发展的意见》和《中共黑1.深入学习、宣传贯彻《意见》《实施意见》,采取广泛宣讲、专家解读、集中培训等方式深刻学习领会,增进全社会共识。
(1分)(1)市级政府未组织开展学习宣传《实施意见》的,扣0.3分;市级政府安委会成员单位未组织学习,或未参加国务院安委办组织的《意见》宣讲的,扣0.3分(组织学习和参加宣讲合一的,不扣分)。
(2)抽查2个县级政府(下同):未组织开展学习宣传《实施意见》的,每个扣0.2分。
检查市级政府,抽查县级政府2.结合自身实际,制定出台贯彻落实《实施意见》的实施办法,并对贯彻落实情况进行督(3)市级政府未起草贯彻落实《实施意见》的实施办法的,扣1分;实施办法未经政府常务会议讨论通过的,扣1分。
检查市级政府龙江省委 黑龙江省人民政府关于深入贯彻落实<中共中央、国务院关于推进安全生产领域改革发展的意见 >的实查督办。
(2分)3.组织开展对下级政府和同级安全生产委员会成员单位安全生产工作责任目标考核;将职业病防治纳入民生工程项目,列入安全生产考核内容。
(1分)(4)市级政府未实施对县级政府安全生产工作责任目标考核的,扣0.3分;未实施对市级政府有关部门安全生产工作责任目标考核的,扣0.3分;未将职业病防治纳入民生工程项目的,扣0.3分;未将职业病防治列入安全生产考核内容的,扣0.3分。
逐项扣分,扣完为止。
检查市级政府施意见》,确保各项政策措施落地生根。
(二)领导责任按照“党政同责、一岗双责、齐抓共管、失职追责”的要求,落实属地管理责任。
4.按照“党政同责、一岗双责、齐抓共管、失职追责”的要求,进一步健全完善安全生产责任体系规定,明确党政领导干部安全生产责任。
(0.5分)(5)市级政府未制定并落实“党政同责、一岗双责、齐抓共管、失职追责”安全生产责任体系规定的,扣0.1分;未出台明确地方党委政府领导责任、部门监管责任和属地管理责任文件的,扣0.1分;未由常委副职分管安全生产工作、分管公安工作副职协助管理的,扣0.2分。
(6)县级政府未由常委副职分管安全生产工作、分管公安工作副职协助管理,每个扣0.2分。
检查市级政府,抽查县级政府逐项扣分,扣完为止。
5.各级政府主要负责人担任同级安全生产委员会主任,领导班子其他成员对分管范围内的安全生产工作负领导责任;每季度至少召开一次专题会议研究部署安全生产工作;督促重大隐患问题整改,实现闭合。
(2.5分) (7)市级政府主要负责人未担任安全生产委员会主任的,扣0.2分; 领导班子其他成员未就分管范围内的安全生产工作进行研究部署的,每个扣0.3分;每季度未召开安全生产工作会议的,每少1次扣0.3分;督促重大隐患和问题整改不力的,发现1次扣0.5分。
(8)县级政府主要负责人未担任安全生产委员会主任的,每个扣0.2分; 领导班子其他成员未就分管范围内的安全生产工作进行研究部署的,每个扣0.3分;每季度未召开安全生产工作会议的,每少1次扣0.3分; 检查市级政府,抽查县级政府(督促重大隐患和问题整改情况,由省政府安委办结合日常掌握复核评督促重大隐患和问题整改不力的,发现1次扣0.5分。
逐项扣分,扣完为止。
分)(三)部门监管责任按照“三个必须”和“谁主管谁负责”的原则,明确各有关部门安全生产和职业健康工作职责。
6.推进建立负有安全监管职责部门和行业管理部门的安全生产权力和责任清单,落实各行业领域属地监管责任和职业健康监管职责。
(1分)(9)市级政府未明确工矿商贸、建筑施工、民爆行业领域职业健康监管职责的,每个行业领域扣0.3分;行业领域主管部门未就职业健康监管工作出台制度或明确工作措施的,每个部门扣0.3分;公安交管、公安消防、工业信息化、住房城乡建设、农业、交通运输、特种设备、旅游、煤炭行业管理部门制定的权力和责任清单中,未包含安全生产内容的,每个部门扣0.3分。
逐项扣分,扣完为止。
检查市级政府7.建立有关部门支持保障安全生产工作制度。
(1分)(10)市级组织、宣传、政法、机构编制等部门未建立支持保障安全生产工作制度或未开展具体工作的,每个部门扣0.3分,检查市级政府扣完为止。
(四)企业主体责任严格落实企业安全生产主体责任,督促企业严格履行安全生产法定义务,加强和规范安全生产管理。
8.督促企业严格落实安全生产和职业病防治主体责任,建立健全自我约束、持续改进的内生机制,建立全过程安全生产和职业健康管理制度,实行全员安全生产责任制度、落实职业病防治制度措施;完善混合所有制企业及跨地区、多层级企业投资主体的安全生产责任。
(1分)(11)抽查4家企业(重点抽查煤矿、非煤矿山、交通运输、建筑施工、危险化学品、烟花爆竹、粉尘涉爆、金属冶炼等行业领域的企业,下同):未建立健全安全生产管理制度的,每家扣0.2分;安全生产管理制度与企业实际情况不符、操作性不强或不符合安全生产法律法规、制度、标准、政策要求的,每项制度扣0.2分;未建立职业健康管理制度的(《工作场所职业卫生监督管理规定》<国家安全监管总局令第47号>第十一条规定的12项制度规程),每家扣0.2分;职业健康管理制度与企业实际情况不符,操作性不强或不符合安全生产法律法规、制度、标准、政策要求的,每项制度扣0.2分;抽查企业未建立全员安全生产责任制度的,每家扣0.2分;制度未明确各岗位安全生产职责的,每家扣0.2分;未明确企业投资主体安全生产责任的,每家扣0.2分。
逐项扣分,扣完为止。
9.指导企业开展安全生产标准化建设,完善隐患自查自改自报的排查治理闭环管理机制,建立企业重大隐患治理情况向负有安全监管职责的部门和企业职代会“双报告”制度。
(1分)(12)企业未开展安全生产标准化建设的,每家扣0.2分;未建立完善隐患排查治理制度的,每家扣0.2分;制度与企业实际结合度不高、操作性不强、未做到定期排查与日常排查相结合或未按照制度执行的,每家扣0.2分;未建立隐患排查治理档案的,每家扣0.2分;未查询到全年完整档案的,每家扣0.2分;隐患整改未做到定时、定责、定人、明确整改期间安全防护措施和整改验收的,每家扣0.2分;未做到隐患治理闭环管理的,每家扣0.2分。
抽查企业大型企业未建立完善企业重大隐患治理情况向负有安全生产监督管理职责的部门和企业职代会“双报告”制度的,每家扣0.2分;未按制度报告的,每家扣0.2分。
高危行业未推行安全风险分级管控的,每家扣0.2分。
逐项扣分,扣完为止。
10.督促企业依法建立安全生产领导和管理机构,按规定配齐配强安全管理人员。
(1分) (13)企业主要负责人未履行安全生产工作职责的(《安全生产法》第十八条规定的7项职责),每家扣0.3分;2017年内,企业发生2起(含)以上造成人员死亡的生产安全事故的,扣0.5分;未按照《安全生产法》第二十一条之规定,设置安全生产管理机构(或者配备专、兼职安全生产管理人员)的,每家扣0.2分; 抽查企业未按照《工作场所职业卫生监督管理规定》第八条之规定设置或者指定职业卫生管理机构或者组织,配备专职职业卫生管理人员的,每家扣0.2分;生产经营单位的安全生产管理机构、安全生产管理人员未履行安全生产工作职责的(《安全生产法》第二十二条规定的7项职责),每家扣0.3分。
国有大中型企业或规模以上企业,未建立安全生产委员会,董事长或总经理未担任企业安委会主任的,每家扣0.2分。
危险物品的生产、储存单位以及矿山、金属冶炼单位安全生产管理人员中未配注册安全工程师的,每家扣0.2分。
逐项扣分,扣完为止。
二、(五)加快完善11.设区的市开展安全生产立(14)市级政府(不含大兴安岭、农垦、森工、绥芬河、抚远)检查市级依法治理(10分) 法规标准法规标准体系。
法。
(1分)未开展安全生产立法工作的,扣1分(已完成或正在开展安全生产立法工作的,不扣分)。
政府(六)监管执法认真落实监管执法职责,大力推进监管执法规范化建设,依法开展事故调查处理。
12.制定实施安全生产监管年度执法计划,规范执法程序,加强执法信息公开,提高执法规范化水平。
(2分)(15)市级安全监管部门未制定年度执法计划的,扣0.5分;未开展《安全生产监管执法手册(2016年)》宣传和培训的,扣0.5分;未按照《安全生产监管执法手册(2016年)》的要求规范执法程序和执法文书的,扣0.5分。
(16)县级安全监管部门未制定年度执法计划的,每个扣0.3分;未开展《安全生产监管执法手册(2016年)》宣传和培训的,每个扣0.3分;未按照《安全生产监管执法手册(2016年)》要求规范执法检查市级政府,抽查县级政府程序和执法文书的,每个扣0.3分。
逐项扣分,扣完为止。
13.加大安全生产执法检查力度,严格依法实施现场处理、行政强制、行政处罚,落实“四个一律”执法措施。
落实安全生产监管执法通报、问责和曝光机制。
(2分) (17)市级政府未对不履行安全监管监察职责、存在失职渎职行为进行通报、问责的,扣0.5分。
(18)市级安全监管部门采取现场处理、行政强制、行政处罚等执法措施的次数,年度同比增加不足10%的,扣0.3分;年度监督检查行政处罚案件占总检查次数的比例不足5%的,扣0.3分;年度监督检查行政处罚案件不足10件的,扣1分;行政处罚案件为零的,扣2分。
(19)县级安全监管部门采取现场处理、行政强制、行政处罚等执法措施的次数,年度同比增加不足10%的,每个扣0.2分;年度监督检查行政处罚案件占总检查次数的比例不足5%的,检查市级政府,抽查县级政府每个扣0.2分;年度监督检查行政处罚案件不足3件的,每个扣0.2分;行政处罚案件为零的,每个扣0.5分。
逐项扣分,扣完为止。
14.严肃事故调查处理,依法依规开展事故调查,所有事故都要在规定期限内结案,及时向社会全文公布事故调查报告,强化防范和整改措施的落实。
(2分)(20)市级政府或有关部门应在2017年内完成调查处理的事故(2016年10月1日至2017年9月30日期间发生的所有生产安全事故),未按期结案的,每起扣0.5分;2017年内完成调查处理的事故,未全文公开事故调查报告的,每起扣0.3分。
逐项扣分,扣完为止。
检查市级政府(七)联网直报严格落实生产安全事故统计15.严格落实生产安全事故统计制度,建立完善事故统计信息联网直报机制,督促检查直(21)市、县两级政府,未结合本地实际建立生产安全事故统计信息联网直报制度,未明确各部门职责的,扣0.5分;未组织会议或培训推动直报工作的,扣0.3分;未对统计直报情况检查市级政府,抽查县级政制度,真实、准确、完整、及时统计生产安全事故信息。