隧道结构限界
- 格式:ppt
- 大小:8.98 MB
- 文档页数:113
两车道公路隧道建筑限界横断面组成及基本宽度
公路隧道的建筑限界包括隧道行车道、路缘带、硬路肩、紧急停车带等横断面组成,各部分的宽度取决于隧道的类型、设计速度等因素。
具体来说,对于两车道的公路隧道,其建筑限界横断面的基本宽度大致如下:
1.正常路段:包括行车道和路缘带,宽度通常为7.5米至8米。
2.紧急停车带:为应对紧急情况而设,宽度通常为2.5米至3米。
3.侧向净宽:指隧道侧向边缘至障碍物(如侧向内壁)的最小距离,通常不
小于0.5米。
4.检修道:供检修和维护车辆使用,宽度一般为0.75米。
5.横断面总宽:这是上述各部分宽度的总和,通常在14米至16米之间。
隧道工程试题及答案之9一.单项选择题:(每题1分,共10分)1、隧道的主体建筑物是:1) 洞门,洞身支护衬砌2)洞门,洞身,防、排水系统及通风、照明系统3) 洞门,洞身,通风、照明及安全系统4) 防、排水系统,通风、照明、供电及安全系统2.单向交通隧道白天的照明可划分为:1) 引入段、过渡段、基本段和出口段2)引入段、适应段、基本段和出口段3) 引入段、过渡段、适应段、基本段和出口段4) 引入段、基本段和出口段3.对向交通隧道采用机械通风界限为:1)L N ≥600 km辆/h2)L N ≥500 km辆/h3) L N ≥800 km辆/h4) L N ≥900 km辆/h4.射流式通风属于下列哪类通风方式:1)纵向式2)横向式3) 半横向式4) 混合式5.公路隧道围岩分类中的Ⅳ类围岩硬质岩石其饱和抗压极限强度为:1)R b≥60MPa2)R b≥30MPa3) R b ≈30MPa4) R b=5~30MPa6.公路隧道的横断面,主要是指隧道的:1)净空断面与衬砌断面之和2)施工开挖断面3) 设计开挖断面4) 净空断面7.按《公路隧道设计规范》中隧道围岩分类标准,将围岩分为类1)三2)四3) 五4) 六8.在围岩地段隧道两相对的边墙之间,宜设置曲线形的仰拱。
1)Ⅳ类2)Ⅲ类3) Ⅲ类及以下4) Ⅱ类及以下9.设置仰拱的隧道,路面下应以密实回填。
1)天然砂砾2)粗砂3) 浆砌片石或贫砼4) 稳定土10.公路隧道洞门内行车道路面宜采用1)沥青混凝土2)沥青碎石3) 水泥混凝土4) 沥青贯入式二.多项选择题:(每题1分,共10分)1.隧道明洞的施工方法包括1)先拱后墙法2)先墙后拱法3) 墙拱交替法4) 跳槽挖井法2.隧道洞身的设计与施工方法包括1)新奥法2)矿山法3) 全断面法4) 台阶法3.公路隧道洞身目前采用的不同的设计与施工方法,即新奥法和矿山法。
矿山法与新奥法相比,存在下列特点。
1)施工进度慢,建设周期长2)机械化程度低3) 直接费用高(指洞身部分)4) 耗用劳动力多4.由于矿山法开挖隧道的开挖面积小,严重的制约了施工进度,因此当隧道稍长时,则应采用等辅助措施来增加工作面,加快施工进度,达到缩短施工工期的目的。
一名词解释衬砌:地层开挖后,除了在极为稳固的地层中而且没有地下水的地方外,大都要在坑道的周围修建支护结构,称为衬砌。
隧道建筑限界:在一般的“基本建筑限界”的基础上,再适当放大一点,留出少许空间,用以安装一些如照明、通讯、信号等设备,这便形成了隧道建筑限界。
岩体:岩体是在漫长的地质历史中,经过岩石建造、构造形变和次生形变而形成的地质体.干喷:把喷射混凝土的拌和材料在输送到喷嘴以前,与水汇合而成喷射的浆液,称为干喷。
蠕变:是流变的一种,指作用应力不变,而应变随着时间增长。
结构体:岩体被许多不同方向、不同规模的断层面、层理面、节理面和裂隙面等各种地质界面切割成大小不等,形状各异的各种块体,工程地质学中将这些块体称为结构体.隧道围岩:指地层中受开挖隧道影响的那一部分岩体。
结构面:岩体被许多不同方向、不同规模的断层面、层理面、节理面和裂隙面等各种地质界面切割成大小不等,形状各异的各种块体,工程地质学中将这些界面称为结构面。
岩爆:整体状和块状结构岩体,在高应力区,洞周应力集中处岩石成碎片射出并发出破裂响声,这种现象称为岩爆.初始应力场:由于岩体的自重和地质构造作用,在开挖隧道前岩体中就已经存在着一定的地应力场,称为初始应力场。
弹性抗力:支护结构在主动荷载作用下一部分将会发生向围岩方向的变形,只要围岩具有一定的刚度,就必然会对支护结构产生反作用力来抵制它的变形,这种反作用力就是弹性抗力,属于被动荷载。
形变压力:指在支护结构和围岩共同变形过程中围岩对支护结构施加的压力。
收敛:开挖隧道时,由于临空面的形成,围岩开始向洞内产生位移,这种位移称为收敛.锚喷支护:喷射混凝土是以压缩空气为动力,将掺有速凝剂的混凝土拌和料与水汇合成浆状,喷射道坑道的岩壁上凝结而成的,当围岩不够稳定时,可以加锚杆和金属网,构成一种支护形式,称为锚喷支护. 松弛:流变的一种形式,指作用的应变不变,而应力随时间而衰减。
岩体:岩体是在漫长的地质历史中,经过岩石建造、构造形变和次生形变而形成的地质体。
一.名词解释(5个)●隧道:隧道是一种修建在地下的,可供行人,交通及管线设施通过的一种工程建筑物。
●越岭线:通过山区的交通干线往往要翻越分水岭,从一个水系进入另一个水系,这段线路称之为越岭线,线路为穿越分水岭而修建的隧道称为越岭隧道。
●垭口:当线路必须跨越分水岭时,分水岭的山脊线上高程较低处,即称垭口。
●傍山隧道:山区铁路(或公路)除越岭地段以外,线路大多是沿河傍山而行,在地势陡峻的峡谷地段,常需修建的隧道即为傍山隧道,也有称之为河谷线隧道。
●◆概念:隧道平面是指隧道中心线在水平面的投影●隧道纵断面是中心线展直后在垂直面的投影●隧道净空:隧道衬砌内轮廓线所包围的空间,包括隧道的建筑界限,通风照明及其他功能所需的断面面积。
●隧道建筑限界:为了保证隧道内各种交通的正常运行与安全,而规定在一定宽度和高度范围内不得有任何障碍物的空间范围。
洞门:在隧道洞口用圬工砌筑并加以一定建筑装饰的支挡结构物。
●避车洞:列车通过隧道时,为保证洞内人员及维修设备安全,在隧道两侧边墙上交错均匀地修建了洞室,用于躲避列车,故称之为避车洞。
●自然通风:利用洞内的自然风(由洞口间的温度差、大气压力差引起)和列车运行所引起的活塞风以达到通风的目的。
●机械通风:在通风机的作用下使风流沿着隧道全长方向流动的通风方式。
●围岩:隧道开挖后对其稳定性产生影响的那部分岩(土)体。
●●蠕变:指应力不变,而应变随时间增长。
●●松弛:应变不变,而应力随时间而衰减●自然拱的概念:围岩的变形不能得到有效的控制,当变形超过一定限度后,围岩发生松动、坍落,最终在洞室上方形成拱形。
●传统矿山法:采用钻爆法开挖和钢木构件支撑的施工方法称为传统的矿山法,或称为背板法。
●衬砌:开挖后的隧道,为了保持围岩的稳定性,隧道必须有足够强度的支护结构称为衬砌。
●明洞:指的是没有覆盖层,在露天施作仰拱、填充、支内模、挂防水板、绑钢筋、支外模、浇筑衬砌混凝土,再人工填土覆盖的洞称明洞。
隧道建筑限界及内部轮廓一、公路隧道建筑限界为了保证车辆在隧道内安全地运行,隧道必须具有一定的限界空间,这个空间称为隧道净空。
隧道净空若不足,则不能保证车辆安全通行;净空若大了,则增加隧道开挖和衬砌工程数量,影响造价等。
因此,必须从使用上、经济上和施工等方面综合考虑,并按公路等级决定隧道的建筑限界。
公路隧道建筑限界应符合《公路工程技术标准》(JTGB01-2003) 第2.0.7条关于公路建筑限界的规定。
公路隧道建筑限界净空尺寸主要是指净宽和净高。
公路隧道建筑限界一般规定如图2-1所示。
在隧道建筑限界内,不得有任何部件侵入。
特长、长及中长隧道,应根据需要按《公路工程技术标准》第3.0.6条的规定设置紧急停车带。
四级公路当采用4.5m的单车道路基时,应在适当距离内设置错车道。
错车道应设在能使驾驶员看到相邻两错车道间相互驶来的车辆。
设置错车道路段的路基宽度不小于6.5m,有效长度不小于20m。
各级公路的行车道宽度,一般规定按《公路工程技术标准》表3.0.2布设。
公路隧道横断面设计,除应符合隧道建筑限界的规定外,还应满足洞内路面、排水设施、装饰的需要,并为通风、照明、消防、监控、营运管理等设施提供安装空间,同时考虑围岩变形、施工方法影响的预留富裕量,使确定的断面形式及尺寸符合安全、经济、合理的原则。
二隧道内部轮廓隧道内部轮廓的类型,从使用、受力及施工三个方面的要求,分别介绍如下:1.使用方面要求隧道衬砌的轮廓,应尽量接近隧道净空,以使开挖的土石方数量及衬砌的材料数量为最小。
2.受力方面要求隧道衬砌的内部轮廓,应尽力符合衬砌结构的受力状态,即尽力适应衬砌结构应力分布情况。
在良好的地质条件下,衬砌结构承受荷载较小时,可采用直边墙(称直墙式),如图2-2(a)所示;在地质较差的条件下,衬砌结构承受荷载较大时,一般多采用曲边墙(称为曲墙式)。
3.施工方面要求隧道衬砌内部轮廓应当便于施工,因此要求衬砌内部轮廓在各种条件下(如有不同的加宽值时),变化尽量小或不变化,这样可使拱架、模板能重复周转使用。
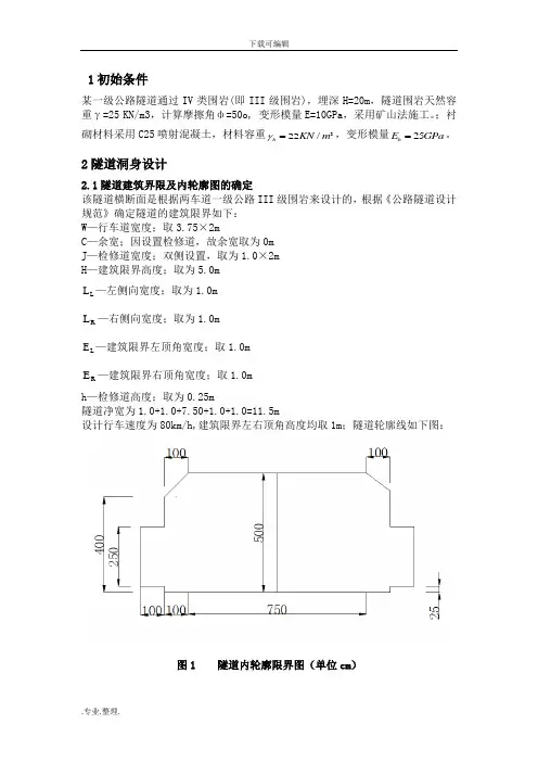
1初始条件某一级公路隧道通过IV 类围岩(即III 级围岩),埋深H=20m ,隧道围岩天然容重γ=25 KN/m3,计算摩擦角ф=50o, 变形模量E=10GPa ,采用矿山法施工。
;衬砌材料采用C25喷射混凝土,材料容重322/h KN m γ=,变形模量25h E GPa =。
2隧道洞身设计2.1隧道建筑界限及内轮廓图的确定该隧道横断面是根据两车道一级公路III 级围岩来设计的,根据《公路隧道设计规范》确定隧道的建筑限界如下: W —行车道宽度;取3.75×2mC —余宽;因设置检修道,故余宽取为0m J —检修道宽度;双侧设置,取为1.0×2m H —建筑限界高度;取为5.0mL L —左侧向宽度;取为1.0m R L —右侧向宽度;取为1.0m L E —建筑限界左顶角宽度;取1.0m R E —建筑限界右顶角宽度;取1.0mh —检修道高度;取为0.25m隧道净宽为1.0+1.0+7.50+1.0+1.0=11.5m设计行车速度为80km/h,建筑限界左右顶角高度均取1m ;隧道轮廓线如下图:图1 隧道内轮廓限界图(单位cm )根据规范要求,隧道衬砌结构厚度为45cm (一次衬砌为10cm 和二次衬砌35cm )通过作图得到隧道的尺寸如下:图2 隧道内轮廓图得到如下尺寸:123R 7.00m R 5.98m R 10.6m ===,,3隧道衬砌结构设计3.1支护方法及衬砌材料 根据《公路隧道设计规范》(JTG-2004),本设计为一级公路,采用复合式衬砌,复合式衬砌是由初期支护和二次衬砌及中间防水层组合而成的衬砌形式。
复合式衬砌应符合下列规定:1初期支护宜采用锚喷支护,即由喷射混凝土,锚杆,钢筋网和钢筋支架等支护形式单独或组合使用,锚杆宜采用全长粘结锚杆。
2二次衬砌宜采用模筑混凝土或模筑钢筋混凝土结构,衬砌截面宜采用连结圆顺的等厚衬砌断面,仰拱厚度宜与拱墙厚度相同。
隧道建筑限界及内轮廓设计要点探讨摘要:随着国家经济的发展和环保意识的提高,隧道在工程建设中的应用越来越多,尤其在高等级道路中,可以充分发挥避免山体开挖,减少施工及运营期病害,提高道路整体通行效率等优点。
隧道设计是隧道建设的重中之重,其中隧道建筑限界及内轮廓设计又是隧道设计的重要环节,隧道建筑限界是隧道内轮廓的关键,隧道内轮廓设计是隧道设计的基础。
关键词:隧道建筑;限界;内轮廓;要点探讨引言近年来,我国的隧道工程施工水平得到提升,并且相关施工设备也在不断更新,为工程建设发展提供了很大的推力。
合理配置机械设备可以为施工工作的顺利开展提供保障,并且也能减少施工风险,加强隧道质量,避免国家财产和施工人员安全受到威胁。
因此,隧道工程在设备建设环节,需要根据工程情况做好设备的配置管理工作。
1.影响我国高速公路连拱隧道发展的因素1.1.先导洞建设在隧道建筑施工中,导洞施工开挖断面通常在25米左右。
可根据地质情况确定,施工方法可采用全断面法和阶梯法,临时支护采取有效稳定措施。
施工周期短的公路隧道先导洞通常采用装载机反压砟法施工。
1.2.隧道导孔与隔墙不能平行施工公路隧道隔墙施工方法的选择,将对工程的后续工序和隧道的施工进度产生一定的影响。
其中,隧道中央导洞与中央隔墙平行施工以及隧道主洞的破坏,是影响隧道发展的主要因素。
因此,保证隧道施工过程的并行作业,可以有效提高公路隧道的施工技术和施工进度。
2.隧道建筑限界要求隧道建筑限界的确定应基于道路技术标准和隧道的功能需求,对于公路隧道建筑限界而言,隧道的建筑限界高度和宽度应严格按照现行JTGB01—2014《公路工程技术标准》和现行JTG3370.1—2018《公路隧道设计规范(第一册)土建工程》的要求执行。
根据公路相关规范要求,对于高速公路、一级公路、二级公路上的隧道建筑限界高度应为5.0m;对于三级公路、四级公路上的隧道建筑限界高度取为4.5m。
隧道建筑限界宽度应按照公路相关规范拟定。
隧道工程知识问答2第一章1.什么是隧道?以任何方式修建,最终使用于地表以下的条形建筑物,其内部空洞净空断面在2m2以上者均为隧道。
2.隧道在我国交通建设中的地位和作用是什么?作用:a重要性隧道是交通线上的重要组成部分,是国家重要的基础设施;b必要性快速畅通的交通网是经济发展的前提,低等级公路已不适应高速经济发展的需要;c紧迫性目前我国高速公路相对较少,与我国人口、经济发展相比,太少。
社会经济发展,交通必先行。
3.隧道工程的发展前景和需要解决的难题有哪些方面?数量大难度大造价高对围岩的性质还只能从定性的角度去衡量,工程应用中偏离较大,计算模型的选用和计算理论好不完全符合实际,施工技术水平和管理方法还较落后4.隧道按照用途分为哪些类型?交通隧道水工隧道市政隧道矿山隧道5.在我国《隧规》中隧道按照长度分为哪些类型?(1)特长隧道:L>3000 m(2)长隧道:3000 m ≥L>1000 m(3)中长隧道:1000 m ≥L>500 m(4)短隧道: L≤500 m 第二章1.隧道勘察的目的和意义是什么?a查明隧道所处位臵的工程地质条件和水文地质条件b 为规划、设计、施工提供资料c对存在的岩土工程问题、环境问题进行分析评价提出合理的设计和施工建议 d隧道施工和运营对环境保护的影响提出意见2.初步勘察和详细勘察有何异同?3.隧道勘察方法除了收集资料、调查测绘、勘探外,据你所知还有哪些高科技手段和方法可用于隧道勘察?一、挖探:2~3米二、简易钻探:3~10米三、钻探:冲击钻、回转钻等四、地球物理勘探第三章1.名词解释:分水岭:相邻两个流域之间的山岭或高地(分开相邻流域的山脊或边界线)越岭隧道:线路为穿越分水岭而修建的隧道称越岭隧道。
傍山隧道:山区道路通常傍山沿河而行,山区河流的特点是河床狭窄、弯曲,经过常年的河水侵蚀和风化作用,地势往往变得陡峻。
为改善线形、提高车速、缩短里程、节省时间,常需修建隧道,这种隧道叫做傍山隧道,或称河谷线隧道。
隧道建筑限界隧道建筑限界是指隧道的高度和宽度限制。
隧道作为现代交通建设的重要组成部分,承担着人们出行和货物运输的重要任务。
而隧道建筑限界的合理设定对于确保交通安全和保障交通运输的顺畅性至关重要。
首先,隧道建筑限界的设定既要考虑交通工具的通行需求,又要兼顾人员的舒适感。
在设计隧道时,必须定期了解并考虑各类车辆的尺寸,包括高度、宽度、长度等等,尤其是公共交通工具和货运车辆。
对于公共交通工具如公交车、火车等,限界应适当扩大,以方便乘客进出和行李携带。
而对于货运车辆,限界应相对较小,以确保货物安全和减少擦碰风险。
其次,隧道建筑限界的设定还需要考虑隧道周边地质条件和环境条件。
不同地区的地质条件和气候状况差异很大,这对于隧道建筑的限界设定也带来了挑战。
例如,在岩石较松散的地区,为了确保隧道的稳定性,限界可能需要适当增大,以增加构筑物的厚度和强度。
而在气候炎热的地区,由于车辆在隧道中排放的废气需要得到充分排放和通风,限界应保证隧道有足够的空间进行空气流通。
此外,隧道建筑限界还需要考虑未来交通发展的需求。
交通工具的尺寸和形式随着科技的进步也在不断变化和更新。
例如,电动汽车的普及带来了车辆高度和宽度的变化,为了适应这种新的交通方式,隧道建筑限界的设定需要具备一定的灵活性。
同时,对于新兴交通方式如磁悬浮列车等,限界的设定也需要考虑到其特殊需求,以便未来隧道能够适应新的交通工具。
最后,隧道建筑限界除了考虑车辆尺寸外,还需要注意交通流量的变化。
随着城市化进程的不断加速和人口的不断增长,交通拥堵问题日益严重。
因此,在隧道建筑限界的设定中,应充分考虑未来交通流量的增长,合理设计隧道的通行能力,以提高通行效率和降低交通拥堵。
综上所述,隧道建筑限界的设定在现代交通建设中起着至关重要的作用。
通过合理设置隧道的高度和宽度限制,可以确保交通工具的安全通行,提高交通运输的效率,保障人们出行和货物运输的顺畅性。
同时,限界的设定也需要考虑地质和环境条件、未来交通发展的需求以及交通流量的变化,以适应不断变化的交通需求。