现场签证单统一表格
- 格式:doc
- 大小:47.50 KB
- 文档页数:4
日 期: 2011年10月9日 编号:04
说明:1、一式四份,建设单位两份,施工单位、监理单位各保存一份,。
工 程 名 称 开阳县花梨乡政府综合楼改造工程
技术负责人 唐怀军 分部工程名称
蓄水池
施 工 员
余芳俊
签 证
工 程 内 容
事由: 因花梨乡缺水,水源无法满足施工需要;经业主要求与同意,现修建大型蓄水池一个;(附后图):
请予签证为谢!
项目经理: (项目部签章)
年 月 日
审 核
意 见 建设单位:(签章)
审 核 人:
年 月 日
监理单位:(签章)
审 核 人:
年 月 日
日 期: 2011年10月9日 编号:005
2
工 程 名 称 开阳县花梨乡政府综合楼改造工程
技术负责人 唐怀军 分部工程名称
基础工程及挡土墙工程
施 工 员
余芳俊
签 证 工 程 内
容
事由:因业主指定倒土场,运距改变。
1、土方外运运距为2.5公里
请给予签证为谢!
项目经理:
(项目部签章)
年 月 日
审 核
意 见 建设单位:(签章)
审 核 人:
年 月 日
监理单位:(签章)
审 核 人:
年 月 日。
施工签证单全部范本1.工程签证单样本附:基建工程签证单编号:工程名称变更部位签证类型设计变更□材料变更新增项目□其他()预算造价变更理由变更签证内容(签证内容如与合同重复,予以扣除)项目数量单价计算式预算金额决算方式附图及最终造价确定方式说明:签证人员:监理单位(及公章):姓名日期;负责人日期施工单位(及公章):姓名日期;负责人日期甲方代表(及公章):姓名日期;负责人日期甲方见证人:姓名日期;分管处长:姓名日期;处长:姓名日期;注:工程变更签证单须附详细预算书变更签证须审批完毕后,方可施工。
本表一式四份,学校基建、施工单位各执二份。
2.施工现场签证单范本怎么写工程现场签证单(V—1)分部工程名称右岸码头、3#坝广场混凝土面层及花岗岩板安装图号签证编号内容:1、5月22日,右岸码头台阶花岗岩铺设原设计为3cm厚砂浆,实际铺设厚超出设计,多出量素混凝土见计算。
2、5月22日,右岸码头前檐花岗岩原设计没有,后经监理、业主指示加花岗岩板;码头前檐因低于原设计9cm,需增加钢筋混凝土。
工程量计算:1、素混凝土工程量:31*4*0.035=4.34m32、钢筋混凝土工程量:15*0.27*0.09=0.37m3花岗岩板工程量:(0.1+0.37+0.25+0.45)*16=18.72m23、钢筋混凝土工程量:4.7*4.5*10*0.08=16.92m3施工单位监理单位业主单位三方代表签字现场代表:3.工程签证单按承发包合同约定,一般由承发包双方代表就施工过程中涉及合同价款之外的责任事件所作的签认证明。
1、工程签证的内容与施工发承包合同价款之间的关系及其作用。
在建设工程合同示范文本中,对合同价款是指“发包人、承包人在协议书中约定,发包人用以支付承包人按照合同约定完成承包范围内全部工程并承担保修责任的款项”。
合同价款是发包人、承包人两个法人在协议书中的“约定”,且是用以“支付”完成承包工程并承担保修责任的款项。
工程签证单表格范本1.工程签证单样本附:基建工程签证单编号:工程名称变更部位签证类型设计变更□材料变更新增项目□其他()预算造价变更理由变更签证内容(签证内容如与合同重复,予以扣除)项目数量单价计算式预算金额决算方式附图及最终造价确定方式说明:签证人员:监理单位(及公章):姓名日期;负责人日期施工单位(及公章):姓名日期;负责人日期甲方代表(及公章):姓名日期;负责人日期甲方见证人:姓名日期;分管处长:姓名日期;处长:姓名日期;注:工程变更签证单须附详细预算书变更签证须审批完毕后,方可施工。
本表一式四份,学校基建、施工单位各执二份。
2.谁有现场签证单表格模板工程施工现场签证单编号:01工程名称宝珊花园二期会所工程施工单位惠东建筑公司合同编号NH1-JZ-GC-0703-事项名称土方外运起止时间签证原因□设计变更(《设计变更单》)或施工图编号:)□零星增加和委托(甲方《工作联系单》编号:)□合同约定需实测工程量□其它原因:施工单位二期会所工程因场地土方开挖有大量土方外运,我公司按建设单位指定地点运到洋店苗圃。
因运距较远(2公里,超过预算1公里以内)增加汽车外运1公里。
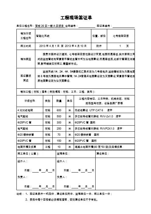
具体数量如下:1、7月3日:汽车运土方:71车*8M3/车=608M32、7月10日:汽车运土方:27车*8M3/车=216M33、7月11日:汽车运土方:64车*8M3/车=512M34、7月12日:汽车运土方:8车*8M3/车=64M35、7月14日:汽车运土方:29车*8M3/车=232M3合计:199车*8M3/车=1592M3现场施工员签字:年月日项目经理签字:年月日监理单位现场监理签字:年月日总监(代表)签字:年月日建设单位工程部、成本部现场工程式师意见:签字:年月日工程部经理核定意见:签字;年月日说明:1、本表原件一式两份,建设单位成本控制部,施工单位各存壹份,作为今后工程结算的依据;2、本表自2005年12月1日开始使用。
NO.
工程现场签证单(监理)
注:1、本签证单需三方签字、加盖各单位印章后方为有效。
2、签证内容如无法用文字表述清楚的需附图。
工程现场签证单(分包)
( 项目部月)
注:1.分包单位作业任务(段)完成经施工质量人员验收通过后,项目经理即可签发;2.签证内容如无法用文字表述清楚的需附图;3.本签证单一式三份,项目部、经营部、分包方各执一份。
现场签证单(范本)
注:本签证单一式六份,建设单位、监理单位、施工单位各二份。
现场签证原始记录建设单位:XXXXXXXXX公司
现场工程量确认单
工程签证核价单。
附表1现场签证单日期:编号:注:1.本单除核定结果和编号外,由承包人填写。
2.核定结果一栏由建设单位现场工程师和成本代表签认。
2、每月发生的现场签证须及时办理,禁止事后补办。
附表2 工程变更完工确认审批表工程变更完工确认审批表注:1.承包人在每份现场签证单全部实施完成2日内,填写《工程变更完工确认审批表》,经项目经理签字并加盖公章后提交我司工程设计部,申请已完成的设计变更的工程量审核及完工确认。
2附表3、现场签证结算申请表现场签证结算申请表日期:编号:注:每月5日前,承包人应就截止上月末现场签证审批完成已完工且手续完备的现场签证向工程设计部申报现场签证月度结算,填写《工程现场签证结算申请表》。
附表4工程现场签证结算工作交接单编号:致成本管理部:本部经办的以下工程项目,201 年月完成的现场签证资料的真实性及完整性已经核实并验收合格,完全符合办理工程价款变更月度结算的条件,请成本管理部安排办理结算。
工程名称承包方合同名称合同开竣工日期合同编号实际开竣工日期工程质量承包方联系人及联系电话根据工程现场实际情况,在工程结算中需特别注意如下事项(合同签证变更之外的增减款事项、工程遗留、合同违约、施工现场清理、甲供材料、隐蔽工程等问题):后附以下结算资料:□201 年月工程变更完工确认审批表□2010年4月工程月度工程验收资料□施工合同:编号□施工方案及施工组织设计□合同预算书:编号□月度结算书:编号□现场签证:编号□设计变更:编号□工作联系单:编号□工程洽谈记录:编号□价格确认单:编号□工程量确认单:编号工程设计部经办人(签字):成本管理部经办人(签字):工程设计部经理(签字):成本管理部经理(签字):日期:年月日日期:年月日注:收到承包人的结算申请书后,由现场工程师填写《工程现场签证结算工作交接单》并经项目经理、工程设计部经理审批后,于2个工作日内移交成本管理部审核造价。
附表5工程现场签证结算确认书XXXXXXXX有限公司:根据贵司200X年X月提交的题述工程现场签证结算书,经我司审核确认最终结算金额为人民币(¥元)。
施工现场工程量签证单工程名称:华宁矿业集团保安矿棚户区蒸汽管道安装工程
施工现场工程量签证单工程名称:华宁矿业集团保安矿棚户区蒸汽管道安装工程
施工现场工程量签证单工程名称:华宁矿业集团保安矿棚户区蒸汽管道安装工程
施工现场工程量签证单工程名称:华宁矿业集团保安矿棚户区蒸汽管道安装工程
施工现场工程量签证单工程名称:华宁矿业集团保安矿棚户区蒸汽管道安装工程
施工现场工程量签证单工程名称:华宁矿业集团保安矿棚户区蒸汽管道安装工程
施工现场工程量签证单工程名称:华宁矿业集团保安矿棚户区蒸汽管道安装工程
施工现场工程量签证单工程名称:华宁矿业集团保安矿棚户区蒸汽管道安装工程
施工现场工程量签证单工程名称:华宁矿业集团保安矿棚户区蒸汽管道安装工程
施工现场工程量签证单工程名称:华宁矿业集团保安矿棚户区蒸汽管道安装工程
施工现场工程量签证单工程名称:华宁矿业集团保安矿棚户区蒸汽管道安装工程
施工现场工程量签证单工程名称:华宁矿业集团保安矿棚户区蒸汽管道安装工程
施工现场工程量签证单工程名称:华宁矿业集团保安矿棚户区蒸汽管道安装工程
施工现场工程量签证单工程名称:华宁矿业集团保安矿棚户区蒸汽管道安装工程
施工现场工程量签证单工程名称:华宁矿业集团保安矿棚户区蒸汽管道安装工程
施工现场工程量签证单工程名称:华宁矿业集团保安矿棚户区蒸汽管道安装工程
施工现场工程量签证单工程名称:华宁矿业集团保安矿棚户区蒸汽管道安装工程。
NO.
工程现场签证单(监理)
注:1、本签证单需三方签字、加盖各单位印章后方为有效。
2、签证内容如无法用文字表述清楚的需附图。
工程现场签证单(分包)
( 项目部月)
验收人:制单人:
注:1.分包单位作业任务(段)完成经施工质量人员验收通过后,项目经理即可签发;2.签证内容如无法用文字表述清楚的需附图;3.本签证单一式三份,项目部、经营部、分包方各执一份。
现场签证单(范本)
施工单位:XXXXXXXXX公司编号:202x-日期-当天编号
现场签证原始记录
建设单位:XXXXXXXXX公司
施工单位:XXXXXXX公司签证单编号:201x-日期-当天编号
现场工程量确认单
第X页共X页
工程签证核价单
第页共页
本文档部分内容来源于网络,如有内容侵权请告知删除,感谢您的配合!。
抽水台班签证单表格抽水台班现场签证单编号:2010年1月15日建设单位:XXX工程名称:XXX限价商品房A地块监理单位:XXX施工单位:XXX在人工挖孔灌注桩的施工过程中,我们遇到了地下水,地下水压力较大,不得不采取污水泵抽水,降水后边开挖边抽水施工。
具体开挖时抽水时间(台班)如下:抽水机口径孔桩号开机时间停机时间合计时间施工孔深DN75 16 7时05分 10时30分 21小时30分 7米—8米DN75 42 7时10分 12时15分 2小时50分 7米—8米DN75 50 9时55分 16时20分 2小时40分 7米—8米DN75 58 12时10分 16时50分 2小时20分 7米—8米DN75 61 9时35分 10时15分 3小时10分 7米—8米DN75 83 15时00分 13时40分 3小时 7米—8米DN75 85 9时30分 17时20分 2小时30分 7米—8米DN75 88 13时40分 14时10分 2小时15分 7米—8米签证内容:建设单位代表、监理单位代表、施工单位代表签署了抽水台班现场签证单。
编号:2010年1月16日建设单位:XXX工程名称:XXX限价商品房A地块监理单位:XXX施工单位:XXX在人工挖孔灌注桩的施工过程中,我们遇到了地下水,地下水压力较大,不得不采取污水泵抽水,降水后边开挖边抽水施工。
具体开挖时抽水时间(台班)如下:抽水机口径孔桩号开机时间停机时间合计时间施工孔深DN75 18 6时50分 7时15分 45分钟 7米—8米DN75 22 10时30分 10时40分 10分钟 7米—8米DN75 24 13时50分 14时30分 40分钟 7米—8米DN75 37 7时10分 9时20分 2小时10分 7米—8米签证内容:建设单位代表、监理单位代表、施工单位代表签署了抽水台班现场签证单。
施工过程中不得不采取抽水降水的方式。
具体抽水时间如下:孔桩号口径开机时间停机时间合计时间施工孔深小计台班24 DN75 7时10分 23时40分 16小时30分 8米—9米 4429 DN75 7时05分 21时35分 14小时30分 7米—8米 4250 DN75 11时20分 13时50分 2小时30分 9米—10米 251 DN75 6时50分 9时30分 2小时40分 8米—9米 2总计 25小时40分以上数据已经过建设单位、监理单位及施工单位代表签字确认。
现场签证单表格
标准化文件发布号:(9312-EUATWW-MWUB-WUNN-INNUL-DQQTY-
现场签证单
施工单位:陕西略阳三秦建筑安装有限责任公司签证编号: 1
现场签证单
施工单位:陕西略阳三秦建筑安装有限责任公司签证编号: 2
现场签证单
施工单位:陕西略阳三秦建筑安装有限责任公司签证编号: 3
现场签证单
施工单位:陕西略阳三秦建筑安装有限责任公司签证编号: 4
现场签证单
施工单位:陕西略阳三秦建筑安装有限责任公司签证编号: 5
现场签证单
施工单位:陕西略阳三秦建筑安装有限责任公司签证编号: 6。