装修工程签证单范本
- 格式:docx
- 大小:28.66 KB
- 文档页数:4
工程签证单价跟合同单价我们需要明确什么是合同单价和工程签证单价。
合同单价是指在建设工程施工合同中约定的,按照一定计量单位计算出的工程量的价格。
而工程签证单价则是指在实际施工过程中,由于设计变更、工程量增减或其他原因,需要对原有合同单价进行调整时,双方协商一致后确定的新单价。
我们将通过一个范本来具体展示合同单价和工程签证单价的格式和内容。
【合同单价范本】1. 工程项目名称:XX工程2. 合同编号:XX-2023-0013. 甲方(业主):XX有限公司4. 乙方(承包商):XX建筑公司5. 合同单价表:- 土石方工程:每立方米XX元- 混凝土浇筑:每立方米XX元- 钢筋工程:每吨XX元- 砌筑工程:每平方米XX元- 屋面防水:每平方米XX元- 电气安装:每平方米XX元- 给排水安装:每平方米XX元- 装饰装修:每平方米XX元注:以上价格包含材料费、人工费、机械使用费等所有费用,不包含税金和附加费用。
【工程签证单价范本】1. 工程项目名称:XX工程2. 合同编号:XX-2023-0013. 甲方(业主):XX有限公司4. 乙方(承包商):XX建筑公司5. 工程签证单价表:- 新增地下室防水工程:每平方米XX元- 修改外墙涂料品牌及型号:每平方米增加XX元- 增加电梯安装工程:每台XX元- 修改室内装修材料:每平方米增加XX元- 增加绿化工程:每平方米XX元注:以上价格为甲乙双方协商一致后的调整价格,已包含相应的材料费、人工费、机械使用费等所有费用,不包含税金和附加费用。
在实际操作中,工程签证单价的确定往往需要双方进行充分的沟通和协商。
这要求双方都要有充分的专业知识和市场了解,以确保工程签证单价的公正合理。
同时,所有的调整都应该有书面记录,并由双方签字确认,以保证后续工作的顺利进行。
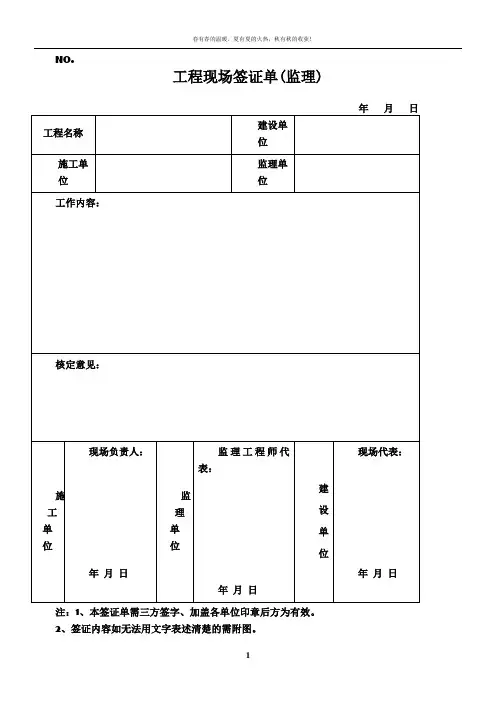
工程签证单表格范本完整版(可以直接使用,可编辑实用优秀文档,欢迎下载)NO.工程现场签证单(监理)注:1、本签证单需三方签字、加盖各单位印章后方为有效。
2、签证内容如无法用文字表述清楚的需附图。
工程现场签证单(分包)(项目部月)注:1.分包单位作业任务(段)完成经施工质量人员验收通过后,项目经理即可签发;2.签证内容如无法用文字表述清楚的需附图;3.本签证单一式三份,项目部、经营部、分包方各执一份。
现场签证单(范本)注:本签证单一式六份,建设单位、监理单位、施工单位各二份。
现场签证原始记录建设单位:XXXXXXXXX公司现场工程量确认单工程签证核价单第页共页消防检查记录簿寿光市侯镇全福元文化艺术培训学校寿光市侯镇全福元文化艺术培训学校防火检查记录灭火及疏散预案演练记录簿寿光市侯镇全福元文化艺术培训学校寿光市侯镇全福元文化艺术培训学校灭火及疏散预案演练记录消防安全培训记录簿寿光市侯镇全福元文化艺术培训学校寿光市侯镇全福元文化艺术培训学校消防安全培训记录消防设施设备月检查记录簿寿光市侯镇全福元文化艺术培训学校寿光市侯镇全福元文化艺术培训学校消防设施设备月检查记录表检测人员:年月日每日防火巡查记录簿寿光市侯镇全福元文化艺术培训学校寿光市侯镇全福元文化艺术培训学校防火巡查记录表燃气电气设备检测记录簿寿光市侯镇全福元文化艺术培训学校寿光市侯镇全福元文化艺术培训学校燃气、电气设备(防雷、防静电)检测记录注:检测结果若在火灾隐患的应具体填明;防雷防静电等由国家有关职能部门检测的测试报告应附后。
火灾隐患整改记录簿寿光市侯镇全福元文化艺术培训学校寿光市侯镇全福元文化艺术培训学校火灾隐患整改通知书:年月日防火检查发现你处存在火灾隐患,具体整改意见如下:﹉﹉﹉﹉﹉﹉﹉﹉﹉﹉﹉﹉﹉﹉﹉﹉﹉﹉﹉﹉﹉﹉﹉﹉﹉﹉﹉﹉﹉﹉消防灭火器材检查记录簿寿光市侯镇全福元文化艺术培训学校寿光市侯镇全福元文化艺术培训学校火灾隐患整改通知书消防水泵维护保养记录簿寿光市侯镇全福元文化艺术培训学校寿光市侯镇全福元文化艺术培训学校消防水泵维护保养记录表火灾隐患及其整改情况记录簿寿光市侯镇全福元文化艺术培训学校寿光市侯镇全福元文化艺术培训学校火灾隐患及其整改情况记录个人简历表-完整版个人简历表格-简体版。
NO.
工程现场签证单(监理)
注:1、本签证单需三方签字、加盖各单位印章后方为有效。
2、签证内容如无法用文字表述清楚的需附图。
工程现场签证单(分包)
( 项目部月)
验收人:制单人:
注:1.分包单位作业任务(段)完成经施工质量人员验收通过后,项目经理即可签发;2.签证内容如无法用文字表述清楚的需附图;3.本签证单一式三份,项目
部、经营部、分包方各执一份。
现场签证单(范本)
施工单位:XXXXXXXXX公司编号:202x-日期-当天编号
注:本签证单一式六份,建设单位、监理单位、施工单位各二份。
现场签证原始记录
建设单位:XXXXXXXXX公司
施工单位:XXXXXXX公司签证单编号:201x-日期-当天编
现场工程量确认单
第X页共X页
工程签证核价单
高考是我们人生中重要的阶段,我们要学会给高三的自己加油打气。
NO.工程现场签证单(监理)注:1、本签证单需三方签字、加盖各单位印章后方为有效。
2、签证内容如无法用文字表述清楚的需附图。
工程现场签证单(分包)(项目部月)注:1.分包单位作业任务(段)完成经施工质量人员验收通过后,项目经理即可签发;2.签证内容如无法用文字表述清楚的需附图;3.本签证单一式三份,项目部、经营部、分包方各执一份。
现场签证单(范本)注:本签证单一式六份,建设单位、监理单位、施工单位各二份。
现场签证原始记录建设单位:XXXXXXXXX公司现场工程量确认单工程签证核价单第页共页劳动合同用人单位名称劳动者姓名宁波市劳动和社会保障局使用说明一、甲乙双方订立劳动合同,应当遵循合法、公平、平等自愿、协商一致、诚实信用的原则。
二、双方在签订合同时,应仔细阅读合同书。
合同内容应协商一致后填写,合同中的空栏,必须填写清楚,不须填写的空栏请打上“/".本合同中的选择项目,只能选择一项填入确定的空格中.三、本合同必须由用人单位(甲方)的法定代表人(或委托代理人)和职工(乙方)本人签名(盖章),并加盖用人单位印章方为有效。
四、本合同的未尽事宜,可在“其它事项的约定"中列明,或另行签订补充协议。
另行签订的补充协议,作为本合同的附件,与本合同一并履行。
五、本合同请用黑墨水或蓝黑墨水填写,字迹清楚、文字简练、准确,不得涂改。
劳动合同甲方(用人单位)名称:法定代表人(或主要负责人):所在地址:乙方(劳动者)姓名: 文化程度:身份证号码:家庭地址:现居住地址:根据《中华人民共和国劳动法》、《中华人民共和国劳动合同法》(以下简称《劳动合同法》)等相关法律、法规和规章的规定,甲乙双方本着自愿、平等的原则,经协商同意订立本合同,并共同遵守履行。
一、合同期限劳动合同期限按下列第( )项确定A。
本合同为固定期限劳动合同,合同期从年月日起至年月日止,其中试用期为个月,即从年月日起至年月日止;B.本合同为无固定期限劳动合同,合同期从年月日起至符合法定终止时间止,其中试用期为个月,即从年月日起至年月日止;C.本合同为以完成一定工作任务为期限的劳动合同,合同期从年月日起至工作任务完成即行终止.若乙方实际用工起始时间与本合同约定起始时间不一致,以实际用工之日为本合同起始时间。
装饰工程签证单
编号:郎溪邮储银行报签日期:
装饰工程签证单
编号:郎溪邮储银行002 报签日期:
装饰工程签证单编号:报签日期:
装饰工程签证单
编号:邮储银行郎溪支行报签日期:
装饰工程签证单
编号:邮储银行郎溪支行报签日期:
装饰工程签证单
编号:邮储银行郎溪支行报签日期:
装饰工程签证单
编号:邮储银行郎溪支行报签日期:
装饰工程签证单
编号:邮储银行郎溪支行报签日期:
装饰工程签证单
编号:邮储银行郎溪支行报签日期:
装饰工程签证单
编号:邮储银行郎溪支行报签日期:
装饰工程签证单
编号:邮储银行郎溪支行报签日期:
实用
文档。
NO.
工程现场签证单(监理)
注:1、本签证单需三方签字、加盖各单位印章后方为有效。
2、签证内容如无法用文字表述清楚的需附图。
工程现场签证单(分包)
( 项目部月)
注:1.分包单位作业任务(段)完成经施工质量人员验收通过后,项目经理即可签发;2.签证内容如无法用文字表述清楚的需附图;3.本签证单一式三份,项目部、经营部、分包方各执一份。
现场签证单(范本)
注:本签证单一式六份,建设单位、监理单位、施工单位各二份。
现场签证原始记录建设单位:XXXXXXXXX公司
现场工程量确认单
工程签证核价单。
NO.工程现场签证单(监理)注:1、本签证单需三方签字、加盖各单位印章后方为有效。
2、签证内容如无法用文字表述清楚的需附图。
工程现场签证单(分包)(项目部月)验收人:制单人:注:1.分包单位作业任务(段)完成经施工质量人员验收通过后,项目经理即可签发;2.签证内容如无法用文字表述清楚的需附图;3.本签证单一式三份,项目部、经营部、分包方各执一份。
现场签证单(范本)现场签证原始记录建设单位:XXXXXXXXX公司施工单位:XXXXXXX公司签证单编号:201x-日期-当天编号现场工程量确认单工程签证核价单聘用合同编号:甲方:乙方:甲乙双方根据《中华人民共和国民法通则》,共同决定建甲乙双方在充分明确这一法律关系的基础上,根据《民法通则》和其他相关法律、法规,自愿签订本及公司制定的各项规章制度,按照自愿、平等、诚实、信用的原则,双方经友好协商,自愿签订本合同:一、合同期限:自2018年03月15日起至2019年03月15日止。
二、岗位职务及工作内容:1、乙方从事担任施工员(职务)2、乙方应按公司管理制度和各职能部门的管理细则及项目部《施工员岗位职责》中规定的工作范围内容、公司制定的相关岗位工作内容、会议纪要等文件中安排的工作任务,按时保质保量完成。
3、领导临时安排的其他工作任务。
三、岗位职责:1、负责按设计图纸施工,认真执行施工技术措施,确保工程质量。
2、负责工程施工中的各项测量放线及管理工作。
3、配合生产经理做好工期管理工作,配合材料员做好材料管理工作,配合质量员做好质量检验工作,配合安全员做好安全防范工作。
4、认真记好各项施工日记,做好工程隐蔽记录及现场经济签证工作。
5、认真执行工程施工方案中工期指标,编制月度每周工期计划并组织落实到各班组。
6、负责考核项目部对各班组下达的工期、质量指标,并实施奖罚。
四、应建资料台帐:1.安全、质量、文明施工等技术交底2.Vv x"?39617 9AC1 髁1。
装修工程签证单 Revised by Jack on December 14,2020目录一、客户授权书二十四、橱柜安装质量检测表二、客户特殊要求记录二十五、成品家具安装质量检测表三、施工前现场原状交接单二十六、木门安装质量检测表四、施工图现场设计交底单二十七、购买主材检查记录五、施工图现场设计交底单二十八、工程监理检查日志六、现场规范检查记录二十九、工程监理检查日志七、工地施工计划表三十、工程监理检查日志八、工地材料进场计划表(半包)三十一、工程监理检查日志九、工地材料进场计划表(全包)三十二、工程监理检查日志十、公司购买主要材料品牌确认单(水三十三、工程监理检查日志电)十一、电路隐蔽工程验收记录单三十四、工程监理检查日志十二、水路隐蔽工程验收记录单三十五、工程监理检查日志十三、水压试压情况记录三十六、工程监理检查日志十四、防水蓄水情况记录三十七、工程监理检查日志十五、公司购买主要材料品牌确认单(泥三十八、工程监理检查日志木)十六、木工基层结构隐蔽工程记录单项三十九、工程监理检查日志十七、木工饰面工程验收记录单项四十、工程监理检查日志十八、泥工工程验收记录单项四十一、工程监理检查日志十九、公司购买主要材料品牌确认单(涂四十二、内部验收自检表装)二十、涂装工艺基层验收记录单项四十三、工地竣工验收表二十一、安装项目检查记录(半包)四十四、客户满意度、安全访问表二十二、安装项目检查记录(全包)四十五、客户满意度、安全访问表二十三、涂装工艺饰面验收记录单项四十六、工地服务人员签到表客户授权书尊敬的客户:感谢您选择了我们装饰公司。
请您授权设计师、工程部项目经理、监理员为您的家装服务。
为了确保施工质量和工期,本公司采取了先进流程控制管理方法,很多施工控制点必须有您的参加和签字确认,衷心希望得到您的支持和协助。
以下是施工控制点明细,请您在需要亲自参加的控制点后打√确认。
参加,并在相关的记录上签字确认。
2、当您因其它原因无法按时参加相关验收时,请您指定代理人验收。
NO.
工程现场签证单(监理)
注:1、本签证单需三方签字、加盖各单位印章后方为有效。
2、签证内容如无法用文字表述清楚的需附图。
工程现场签证单(分包)
( 项目部月)
验收人:制单人:
注:1.分包单位作业任务(段)完成经施工质量人员验收通过后,项目经理即可签发;2.签证内容如无法用文字表述清楚的需附图;3.本签证单一式三份,项目部、经营部、分包方各执一份。
现场签证单(范本)
施工单位:XXXXXXXXX公司编号:202x-日期-当天编号
现场签证原始记录
建设单位:XXXXXXXXX公司
施工单位:XXXXXXX公司签证单编号:201x-日期-当天编号
现场工程量确认单
第X页共X页
工程签证核价单
第页共页
本文档部分内容来源于网络,如有内容侵权请告知删除,感谢您的配合!。
装修工程签证单范本
一、背景介绍
装修工程签证单在装修工程过程中非常重要,它是对装修工程施工过程中所发生的增项、变更和修补等事项的记录。
在装修工程施工过程中,装修工程签证单的签署将涉及到工程所发生的一系列变化,以及这些变化所带来的成本和时间的增加。
因此,装修工程签证单范本的制定和使用是必不可少的。
二、装修工程签证单的作用
1.记录变更
在装修工程的施工过程中,难免会出现变更,此时就需要装修工程签证单来记录这些变更。
签证单上需要记录变更的事项、原因、时间、价格等详细信息,这样能够帮助业主和装修公司更好地管理工程。
2.控制费用
随着施工的进行,可能会出现额外的费用,这时候就需要装修
工程签证单来控制这些费用。
工程变更后,签证单中需要记录变
更的价格,以及施工方和业主的同意,这样可以避免费用的不合
理增加。
3.协调工程进度
装修工程签证单可以帮助业主和装修公司更好地协调工程进度。
签证单上需要记录变更的时间,以及施工方和业主的同意,这样
可以避免工期的不必要延误。
三、装修工程签证单的范本制定
1.签证单格式
装修工程签证单的格式需要简单明了,内容详细。
签证单上需
要包含项目名称、变更项、变更原因、变更时间、变更价格、提
交人、审核人、审批人等相关信息。
2.签署流程
签证单的签署流程需要规范。
签证单需要提交给业主审核,审核通过后由业主签字并盖章,随后需要提交给施工方审核,审核通过后由施工方签字并盖章,最后需要提交给项目管理方审核,审核通过后由项目管理方签字并盖章。
签证单上所有涉及的人员都需要在签证单上签名并盖章。
3.签证单的存档
装修工程签证单需要存档。
签证单需要存档在业主、施工方和项目管理方的档案中,以备日后查阅和证明使用。
四、如何使用装修工程签证单
1.签证单的使用时机
装修工程签证单的使用时机需要注意。
如果变更事项不明确、变更内容不清晰或者没有提交签证单,那么将会给工程施工过程中的随后处理带来很大的困难。
因此,在装修工程施工过程中,只要有任何的工程变更,全部都需要填写装修工程签证单。
2.使用签证单的效果
使用装修工程签证单可以帮助业主和装修公司更好地管理工程,控制费用,协调工程进度。
同时,装修工程签证单的使用还可以
避免无谓的纷争和后期的变数,保障业主和装修公司的合作质量。
五、总结
装修工程签证单可以帮助业主和装修公司更好地管理工程,控
制费用,协调工程进度。
因此,装修工程签证单范本的制定和使
用是必不可少的。
在使用签证单的过程中,需要注意签证单的使
用时机,签证单的格式制定、签署流程和存档等细节问题。
只有
做好这些细节工作,才能够更好的保证工程的质量与效果。