扬尘污染治理使用费一览表
- 格式:doc
- 大小:31.50 KB
- 文档页数:2
序号扬尘污染防治费内容安全文明施工费相关内容一施工现场围挡封闭。
主要路段不得低于2.5米,一般路段不得低于1.8米。
围挡底边设置防溢沉淀井。
现场采用封闭围挡,高度不小于1.8米。
排水沟、排水设施通畅。
二施工现场出入口道路、现场内道路及加工区实施混凝土硬化,裸露场地采取覆盖或绿化。
工地地面硬化处理,部分绿化。
三配备车辆冲洗设施,现场设置洒水降尘设施,定时洒水降尘。
四不能及时回填的土方、砂石等散体材料、建筑垃圾分类、集中堆放并覆盖。
易飞扬细颗粒建筑材料应密闭存放或采用覆盖等措施。
五 土方、砂石、粉煤灰、建筑垃圾等易产生扬尘的材料,采取封闭运输。
在定额和材料价格中已包括六 外脚手架设置悬挂密目式安全网封闭。
在定额中已包括七 使用商品混凝土和预拌砂浆。
在定额中已包括八 现拌混凝土和砂浆采取封闭、降尘措施。
九 施工现场智能监控。
扬尘污染防治费与安全文明施工费相关内容对比表附件:(发稿时间:2014-5-28 阅读次数:40)造价〔2014〕13号各市造价(定额)站:为加强建设工程施工扬尘污染治理,改善大气环境质量,确保防治工作经费投入,根据《安徽省人民代表大会常务委员会关于加强建筑施工扬尘污染防治工作的决定》和《安徽省住房城乡建设厅关于印发安徽省建筑工程施工扬尘污染防治规定的通知》(建质〔2014〕28号)精神,现就我省建设工程造价中施工扬尘污染防治费的计取作如下规定:一、本通知所称施工扬尘污染防治费,是指按《安徽省建筑工程施工扬尘污染防治规定》第七条治理措施所需的费用。
扬尘污染防治费列入安全文明施工费,作为不可竞争性费用。
二、扬尘污染防治费的部分内容已经包括在现行定额的安全文明施工费中,未包括的部分作为扬尘污染防治增加费。
三、工程量清单计价和定额计价的工程,其安全文明施工费的计取,均应按《安徽省建设工程清单计价费用定额》执行。
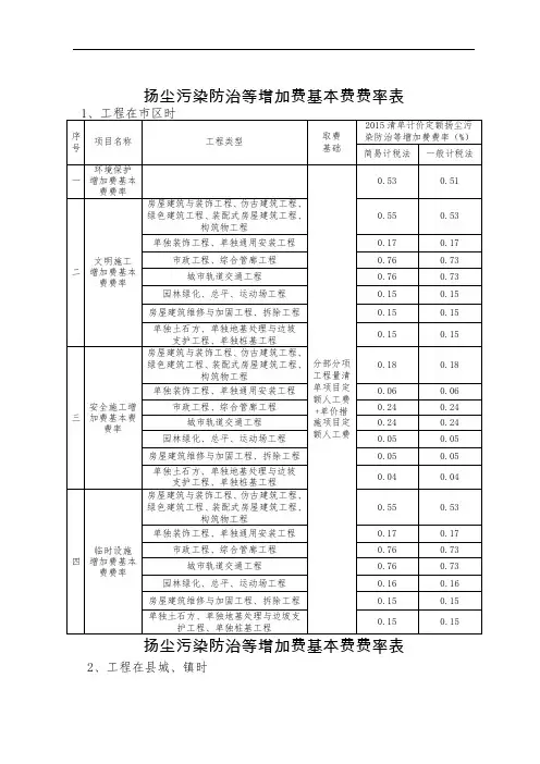
四、扬尘污染防治增加费以定额人工费与机械费之和作为取费基础,其计取标准为:建筑、市政工程费率为2%;装饰装修、园林绿化及仿古建筑工程费率为1%。
江西扬尘治理费用计算公式随着工业化进程的加快和城市化进程的加速,扬尘污染问题日益突出,给人们的生活和健康带来了严重的影响。
为了加强对扬尘污染的治理,江西省出台了一系列的扬尘治理政策,其中包括对扬尘治理费用的计算公式。
本文将重点介绍江西省扬尘治理费用的计算公式,并探讨其应用。
一、扬尘治理费用计算公式。
江西省扬尘治理费用的计算公式主要包括以下几个方面的内容:1. 总费用 = 治理设施建设投资 + 运行维护费用 + 管理费用 + 监测费用 + 其他费用。
2. 治理设施建设投资 = 设备购置费 + 安装费 + 工程费 + 设计费 + 管理费。
3. 运行维护费用 = 设备运行费 + 维护费 + 能耗费 + 人工费 + 材料费。
4. 管理费用 = 监管人员工资 + 监管设备费 + 监管车辆费 + 监管办公费。
5. 监测费用 = 监测设备购置费 + 监测设备维护费 + 监测数据处理费 + 监测人员工资。
6. 其他费用 = 环保宣传费 + 环保培训费 + 罚款费用 + 其他相关费用。
以上公式是江西省扬尘治理费用的基本计算公式,具体的费用计算还需要根据实际情况进行调整和补充。
二、扬尘治理费用计算公式的应用。
江西省扬尘治理费用计算公式的应用主要包括以下几个方面:1. 政府部门,政府部门可以根据扬尘治理费用计算公式,对扬尘治理项目进行预算和资金安排,确保治理工作的顺利进行。
2. 企业单位,企业单位作为扬尘污染的主要排放源,需要按照扬尘治理费用计算公式,合理安排和管理治理费用,确保治理工作的有效进行。
3. 环保部门,环保部门可以根据扬尘治理费用计算公式,对扬尘治理项目进行监督和检查,确保治理工作的合规进行。
4. 社会公众,社会公众可以通过了解扬尘治理费用计算公式,对扬尘治理工作进行监督和参与,促进治理工作的公开和透明。
以上是江西省扬尘治理费用计算公式的应用范围,通过合理的应用,可以有效地推动扬尘治理工作的开展和提高治理效果。
附件2建设工程扬尘污染防治费明细表注:施工现场与城市道路连接的施工道路硬化,属三通一平范围,是发包人向承包人提供正常施工所需要的进入施工现场的交通条件;如由承包人实施,其费用应按实际发生计取。
附件1安全文明施工费费率调整表注1.创建国家级标化工地的,按省级相应费率乘以系数1.2;创建市级标化工地的,按省级相应费率乘以系数0.85。
2.单独装饰及专业工程按相应工程的安全文明施工费费率乘以系数0.6。
3.建筑设备安装工程和民用建筑或构筑物合并为单位工程的,安装工程的安全文明施工费费率乘以系数0.7。
4.单独绿化工程安全文明施工费率乘以系数0.7。
关于规范建设工程安全文明施工费计取的通知建建发[2015]517号各市建委(建设局),宁波市城市管理局,宁波市发改委,绍兴市建管局:为进一步提高建筑工地安全文明管理水平,加强施工现场扬尘污染控制和治理,促进城市大气环境质量的改善,根据《浙江省建设工程造价管理办法》(省政府令296号)、住房城乡建设部《关于转发财政部、安全监管总局〈企业安全生产费用提取和使用管理办法〉的通知》(建质〔2012〕32号)的有关规定以及浙江省人大常委会《关于全省大气污染防治工作情况报告的审议意见》,现对建设工程安全文明施工费计取规定如下:一、调整安全文明施工费费用组成及费率标准。
在《浙江省建设工程施工费用定额》(2010版)中安全文明施工费(以下简称“基本费”)的基础上增加施工扬尘污染防治增加费、创安全文明施工标准化工地增加费(以下简称“创标化工地增加费”),基本费、施工扬尘污染防治增加费和创标化工地增加费三项费用合并为安全文明施工费。
安全文明施工费的基本费、施工扬尘污染防治增加费和创标化工地增加费等三项费率调整表详见附件1。
(一)施工扬尘污染防治增加费1.建设工程施工扬尘污染防治费是指按大气污染防治和城市建筑工地、道路扬尘的管理要求,对施工现场扬尘污染防治及治理所需的费用。
2.建设工程扬尘污染防治费的基本内容已经包含在基本费中,对因扬尘管理要求提高所需增加的费用作为扬尘污染防治增加费进行计取,费用明细详见附件2。
河南省交通运输厅关于发布河南省公路建设养护工程施工扬尘污染防治专项增加费费率标准的通知文章属性•【制定机关】河南省交通厅•【公布日期】•【字号】豫交文〔2017〕140号•【施行日期】•【效力等级】地方规范性文件•【时效性】现行有效•【主题分类】环境保护综合规定正文河南省交通运输厅关于发布河南省公路建设养护工程施工扬尘污染防治专项增加费费率标准的通知豫交文〔2017〕140号各省辖市、省直管县(市)交通运输局(委),厅直属有关单位,厅机关有关处室,其他有关单位:为贯彻落实省委、省政府关于大气污染防治工作的有关部署,进一步加强扬尘污染防治工作,改善大气环境质量,保障人民生活健康,实现可持续发展,依据《中华人民共和国环境保护法》、《中华人民共和国大气污染防治法》和《河南省公路水运工程施工扬尘污染防治标准》等有关规定,省厅研究制定了《河南省公路建设养护工程施工扬尘污染防治专项增加费费率标准》,现予以发布,请遵照执行。
一、费用包含范围。
裸露场地覆盖防尘网、绿化、喷洒抑尘剂等防尘措施费;施工便道、拌合站、预制场、办公生活区洒水及其他防尘措施费;环境敏感点区段围挡、物料运输与存放、环保监控与检测、扬尘防治标识等措施人工、材料、设备安拆使用费,以及扬尘防治专项方案及技术交底编制、扬尘防治教育宣传和培训费、扬尘防治检查考核和资料管理费等。
其中施工便道、拌和站、预制场、办公生活区硬化费用在施工标准化费用中计取。
二、费用计算方法。
以各类工程直接工程费为基数乘以表中相应费率。
三、适用范围。
已批复概算的公路建设项目及已批复预算的公路养护项目,其费用在批复的概(预)算范围内调剂适用;待审批概算的公路建设项目及待审批预算的公路养护项目,按本标准执行。
四、本通知自发布之日起施行,由省交通运输厅负责解释。
附件河南省公路建设养护工程施工扬尘污染防治专项增加费费率表注:路面挖除和路面铣刨按机械土石方工程计取。
附件2建设工程扬尘污染防治费明细表注:施工现场与城市道路连接的施工道路硬化,属三通一平范围,是发包人向承包人提供正常施工所需要的进入施工现场的交通条件;如由承包人实施,其费用应按实际发生计取。
附件1安全文明施工费费率调整表注1.创建国家级标化工地的,按省级相应费率乘以系数1.2;创建市级标化工地的,按省级相应费率乘以系数0.85。
2.单独装饰及专业工程按相应工程的安全文明施工费费率乘以系数0.6。
3.建筑设备安装工程和民用建筑或构筑物合并为单位工程的,安装工程的安全文明施工费费率乘以系数0.7。
4.单独绿化工程安全文明施工费率乘以系数0.7。
关于规范建设工程安全文明施工费计取的通知建建发[2015]517号各市建委(建设局),宁波市城市管理局,宁波市发改委,绍兴市建管局:为进一步提高建筑工地安全文明管理水平,加强施工现场扬尘污染控制和治理,促进城市大气环境质量的改善,根据《浙江省建设工程造价管理办法》(省政府令296号)、住房城乡建设部《关于转发财政部、安全监管总局〈企业安全生产费用提取和使用管理办法〉的通知》(建质〔2012〕32号)的有关规定以及浙江省人大常委会《关于全省大气污染防治工作情况报告的审议意见》,现对建设工程安全文明施工费计取规定如下:一、调整安全文明施工费费用组成及费率标准。
在《浙江省建设工程施工费用定额》(2010版)中安全文明施工费(以下简称“基本费”)的基础上增加施工扬尘污染防治增加费、创安全文明施工标准化工地增加费(以下简称“创标化工地增加费”),基本费、施工扬尘污染防治增加费和创标化工地增加费三项费用合并为安全文明施工费。
安全文明施工费的基本费、施工扬尘污染防治增加费和创标化工地增加费等三项费率调整表详见附件1。
(一)施工扬尘污染防治增加费1.建设工程施工扬尘污染防治费是指按大气污染防治和城市建筑工地、道路扬尘的管理要求,对施工现场扬尘污染防治及治理所需的费用。
2.建设工程扬尘污染防治费的基本内容已经包含在基本费中,对因扬尘管理要求提高所需增加的费用作为扬尘污染防治增加费进行计取,费用明细详见附件2。
附表1:建设工程施工扬尘污染防治措施费用计算表序号项目名称计算基础率费(%)备注房建(建筑、装饰、安装)市政、轨道交通、园林1 施工现场封闭围档定额人工费+机械费2.58 1.60安全防护文明施工措施费2 场内主要施工道路硬化 4.44 2.75安全防护文明施工措施费3 场内裸露地面绿化0.34 0.21安全防护文明施工措施费4 现场出入口车辆冲洗0.66 0.73 新增5 现场污水组织排放,设置沉淀池0.45 0.25 新增6建筑垃圾封闭式管道或容器运输1.67 1.04安全防护文明施工措施费7 施工现场洒水降尘、清扫 1.40 1.54安全防护文明施工措施费8 出入口及场地内易产生扬尘的作业场所安装视频监控和农民工远程教育(网络服务费)1.11 1.11 新增9 农民工业余学校 1.00 1.00 职工教育经费10 外运土方、渣土运输机械封闭外运土方体积2.30 2.30 定额已含(元)11 建筑物外立面悬挂密目网密目网面积0.80 定额已含(元)12施工现场与城市道路连接的施工道路硬化按实际计取三通一平注:1、施工现场与城市道路连接的施工道路硬化,属三通一平范围,是发包人向承包人提供正常施工所需要的进入施工现场的交通条件;如由承包人实施,其费用应按实际发生计取。
2、单独承接装饰工程,其建设工程扬尘污染防治措施费用本表“房建(建筑、装饰、安装)”费率的70%计取。
3、单独承接安装工程,其扬尘污染防治措施费用本表“房建(建筑、装饰、安装)”费率的的50%计取。
4、2015年4月1日前签订的合同,建设工程扬尘污染防治措施费用仍按《关于建设工程施工扬尘治理措施费用计取的通知》(合造价[2013]17号)规定计取。
附表2:建设工程施工扬尘污染防治措施费用计算表项目名称计算基础单位施工扬尘治理措施费用房屋民用建筑及公共建筑多层建筑面积(㎡)元22.50 小高层27.00单层15.00厂房多层24.00装饰装饰 6.00安装安装 4.50注:1、未以相关定额作为合同价款确定依据的,其建设工程施工扬尘污染防治措施费用依据本表计算。
关于进一步加强施工扬尘污染防治费管理的通知**新区国土规划建设城管局,各区县住房城乡建设行政主管部门,“两海”示范区自然资源规划建设局:根据**省住房和城乡建设厅《**省建设工程安全文明施工费计价管理办法》(川建发〔2017〕5号)和《关于调增工程施工扬尘污染防治费等安全文明施工费计取标准的通知》(川建造价发〔2019〕180号)文件要求,按照市委、市政府关于进一步强化我市建设工程扬尘污染防控工作决策部署,为确保我市建设工程安全文明施工措施费落实到位、专款专用,现就进一步加强我市施工扬尘污染防治费管理有关工作通知如下。
一、安全文明施工措施费的组成和计列安全文明施工措施费包括环境保护费、文明施工费、安全施工费、临时设施费及扬尘污染防治等增加费(一)环境保护费是指施工现场为达到环保等部门要求所需要的各项措施费用。
(二)文明施工费是指施工现场文明施工所需要的各项措施费用。
(三)安全施工费是指施工现场安全施工所需要的各项措施费用。
(四)临时设施费是指施工企业为工程施工所必须搭设的生活和生产用的临时建筑物、构筑物和其他临时设施费用等。
包括临时设施的搭建、维修、拆除、清理费或摊销费等。
(五)扬尘污染防治增加费主要包括PM10扬尘在线监测设备费用、喷淋系统增加费用、雾炮机增加费用、冲洗设施增加费用、施工围挡标准提高后增加费用、临时硬化路面标准提高后增加费用、除喷淋和喷雾外的湿法作业增加费用、现场卫生清扫和保洁增加费用以及其他扬尘防治增加的费用等内容;建筑工人实名制管理措施费主要包括制定建筑工人实名制管理制度,配备专(兼职)建筑工人实名制管理人员,配备实现建筑工人实名制管理所必须的硬件设施设备等内容。
建设工程安全文明施工费为不可竞争费用。
在编制设计概算、施工图预算、招标控制价时应按规定标准计价,足额计取,即安全文明施工费费率按基本费费率加现场评价费最高费率计列。
安全文明施工费分基本费、现场评价费两部分计取。
二、安全文明施工措施费的支付和使用安全文明施工措施费的总费用,以及费用预付、支付计划和使用要求、调整方式等内容由建设单位与施工单位在施工合同中约定;合同对费用预付、支付计划未作约定或约定不明的,按照住房城乡建设厅《**省建设工程安全文明施工费计价管理办法》(川建发〔2017〕5号)“合同工期在一年以内的,建设单位预付安全文明施工费用不得低于基本费的70%;合同工期在一年以上的(含一年),预付安全文明施工费用不得低于基本费的50%,其余费用按照施工进度依据合同约定支付”的规定支付。
兰州市建筑工地扬尘污染治理费用计算方法
一、执行日期:2014年10月1日
二、主要内容:
1、适用于兰州市中心城区内(不包括远郊三县一区及兰州新区)执行甘肃省
现行计价依据的房建、大型土石方、市政(不包括城市轨道交通工程)、园林绿化、仿古、抗震加固及维修工程。
2、扬尘污染治理费用由发包人承担,承包人负责实施。
3、承包人必须严格执行兰州市建筑施工工地治理扬尘污染要求的“六个百
分百”标准:施工工地周边100%围挡,物料堆放100%覆盖,出入车辆
100%冲洗,施工现场地面100%硬化,拆迁工地100%湿法作业,渣土车辆
100%密闭运输。
4、甘肃省现行计价依据中文明施工费及环境保护费包含:现场围挡设置、
地面硬化、场地洒水、裸露地面覆盖、易飞扬细颗粒建筑材料覆盖、废
弃物封闭式管道或容器运输、施工架外侧密目网搭设措施项目费。
以上
费用为综合考虑,不再另行公布。
新增费用包括:
(1)施工现场采用砼浇筑洗车台,采用高压冲洗设备的,冲洗设施新建费用为5万元/套(包括沉淀池);
(2)车辆冲洗费用为冲洗车辆数乘以7元/车•次;
(3)排渣费按市执法、环保部门的规定计取;
(4)施工现场安装视频监控设备费:工程建设期间,施工现场必须安装实时视频监控、粉尘传感器等设备,发包人承担相应费用。
(5)上述新增扬尘污染治理费不再计取任何费用。
(6)。
山东省市政工程扬尘治理费用建设单位支取标准
在省委、省政府有关环境保护、扬尘治理的工作部署下,我省市政工程施工现场的扬尘污染得到有效控制。
随着防治标准的提高,之前制定的相关费用标准已不能满足实际需要。
为保障施工现场环境卫生标准,落实扬尘防治费用,经调研、分析、测算,现对市政工程施工现场环境保护费费率标准进行调整。
调整后费率如下:
1、一般计税法
单位:%
专业名称费用名称道路、桥涵、隧道、排水工程给水、燃气、集中供热工程水处理、垃圾处理工程路灯工程
安全文明施工费 5.72 4.82 5.72 5.16
安全施工费 1.74
环境保护费 1.33 1.33 1.33 1.15
文明施工费 0.84 0.84 0.84 0.67
临时设施费 1.81 0.91 1.81 1.60
2、简易计税法
单位:%
专业名称费用名称道路、桥涵、隧道、排水工程给水、燃气、集中供热工程水处理、垃圾处理工程路灯工程
安全文明施工费 5.62 4.72 5.62 5.05
安全施工费 1.61
环境保护费 1.35 1.35 1.35 1.16 文明施工费 0.84 0.84 0.84 0.67 临时设施费 1.82 0.92 1.82 1.61。
合肥市建设工程造价管理站合造价〔2013〕17号合肥市建设工程造价管理站合造价〔2013〕17号关于建设工程施工扬尘治理措施费用计取的通知各有关单位:为加强建设工程施工扬尘治理,改善大气环境质量,根据《建设工程工程量清单计价规范》(GB50500-2013)、《建筑工程安全防护、文明施工措施费用及使用管理规定》(建设部办[2005] 89号)等规定,现对我市建设工程施工扬尘治理措施费用计取作如下规定:一、本通知所称施工扬尘治理措施费用,是指按《合肥市建设工程扬尘污染防治暂行规定》购置和更新施工扬尘治理用具和设施等所需费用,其中新增的现场出入口车辆冲洗、现场污水有组织排放、设置沉淀池、现场安装视频监控和农民工远程教育(网络服务费)等费用列入安全防护、文明施工措施费用中(费用计算详见附表1)。
二、建设单位、设计单位在编制工程概(预)算时,应按本通知要求,合理确定施工扬尘治理措施费用。
三、依法进行工程招标的项目,招标人编制招标控制价时,应按本通知要求单独列出施工扬尘治理措施费用,并随招标文件公布。
投标人投标报价中施工扬尘治理措施费用不得低于招标文件中公布的施工扬尘治理措施费用。
四、建设单位在申办建设工程质量安全监督手续时必须按本通知要求计算出相应的施工扬尘治理措施费用,并将费用一次性转付至建设工程扬尘污染防治经费专用账户,工程实施过程中督促施工单位落实施工扬尘治理各项措施。
五、工程监理单位应当对施工单位落实施工扬尘治理各项措施情况进行现场监理。
对施工单位已经落实的扬尘治理各项措施情况,应当及时签证确认。
六、施工单位应当确保施工扬尘治理措施费用专款专用,在财务管理中单独列出施工扬尘治理措施费用使用清单备查。
七、施工过程中施工单位未实施的施工扬尘治理措施项目,工程竣工结算时按《建设工程施工扬尘治理措施费用计算表》扣除相应费用。
八、本通知自2014年1 月1日起实施。
特此通知2013年12月23日抄报:安徽省住房和城乡建设厅、标准定额处、安徽省建设工程造价管理总站、合肥市城乡建设委员会抄送:巢湖市建设工程造价管理站附表1:建设工程施工扬尘治理措施费用计算表序号项目名称计算基础费率(%)备注建筑、装饰市政、轨道交通、园林1 施工现场封闭围挡定额人工费+机2.58 1.60 安全文明增加费2 场内主要施工道路硬化 4.44 2.75 安全文明增加费3 场内裸露地面绿化械费0.34 0.21 安全文明增加费4 现场出入口车辆冲洗0.66 0.73 新增5 现场污水有组织排放,设置沉淀池0.45 0.25 新增6 建筑垃圾封闭式管道或容器运输1.67 1.04 安全文明增加费7 施工现场洒水降尘、清扫 1.40 1.54 安全文明增加费8 施工现场安装视频监控和农民工远程教育(网络服务费)1.11 1.11 新增9 农民工业余学校 1.00 1.00 职工教育经费10 外运土方、渣土运输机械封闭外运土方体积2.30 2.30 定额已含(元)11 建筑物外立面悬挂密目网密目网面积0.80 定额已含(元)12 施工现场与城市道路连接的施工道路硬化按实际计取三通一平注:施工现场与城市道路连接的施工道路硬化,属三通一平范围,是发包人向承包人提供正常施工所需要的进入施工现场的交通条件;如由承包人实施,其费用应按实际发生计取。
扬尘治理措施费1. 简介扬尘治理措施费是指在建设工程中为减少扬尘污染而采取的相关措施所产生的费用。
扬尘污染是建设工程施工过程中常见的环境问题之一,对周边居民的健康和环境质量造成一定的影响。
因此,扬尘治理措施费的收取和使用对于保护环境和改善居民生活环境非常重要。
2. 扬尘治理措施费的收取标准和范围根据相关法律法规,扬尘治理措施费的收取标准和范围应根据建设工程的具体情况来确定。
一般来说,扬尘治理措施费的收取标准应与工程规模、施工方式、施工地点等因素相匹配,以确保工程的环境保护措施得到有效的执行。
扬尘治理措施费的收取范围通常包括但不限于以下方面:1.扬尘治理设备的购置费用:包括喷雾设备、净化设备等;2.扬尘治理材料的采购费用:如扬尘抑制剂、扬尘布等;3.扬尘治理工人的工资费用:用于雇佣和培训扬尘治理人员;4.扬尘治理监测费用:用于监测扬尘治理效果的设备和人员费用。
3. 扬尘治理措施费的使用方式扬尘治理措施费的使用应符合相关规定和要求,确保资金的合理使用和环境保护的有效实施。
具体的使用方式可以包括但不限于以下几种:1.扬尘治理设备和材料的购置和更新:将资金用于购买新的扬尘治理设备和材料,以保证设施的正常运行和扬尘治理效果的持续改善;2.扬尘治理培训和宣传:将资金用于培训扬尘治理人员,提高他们的专业水平和技能;同时,开展相关宣传活动,增强公众对扬尘治理工作的认识和支持;3.扬尘治理监测和评估:将资金用于购买和维护扬尘治理监测设备,对扬尘治理效果进行定期监测和评估,以及对治理措施进行调整和改进;4.扬尘治理项目的实施:将资金用于实施具体的扬尘治理项目,如道路喷雾、施工现场覆盖等,以减少或防止扬尘污染的产生。
4. 扬尘治理措施费的管理和监督为确保扬尘治理措施费的合理使用和环境保护工作的有效进行,需要进行相应的管理和监督。
具体的管理和监督措施可以包括但不限于以下几方面:1.资金管理:建立专门的资金管理制度,确保扬尘治理措施费的使用符合相关规定,避免资金的滥用和浪费;2.治理效果评估:定期对扬尘治理工作进行评估,对治理措施的实施效果进行监测,及时发现问题并采取相应的措施加以改进;3.外部监督:加强对扬尘治理措施费的外部监督,接受社会公众和相关部门的监督和检查,确保工作的公开、透明和有效进行;4.追责机制:建立健全的追责机制,对使用扬尘治理措施费过程中的不合规行为进行严肃处理,确保资金使用的合法性和效益性。
附件1:
安全文明施工费费率调整表
注1.创建国家级标化工地的,按省级相应费率乘以系数1.2;创建市级标化工地的,按省级相应费率乘以系数0.85。
2.单独装饰及专业工程按相应工程的安全文明施工费费率乘以系数0.6。
3.建筑设备安装工程和民用建筑或构筑物合并为单位工程的,安装工程的安全文明施工费费率乘以系数0.7。
4.单独绿化工程安全文明施工费率乘以系数0.7。
附件2:
建设工程扬尘污染防治费明细表
注:施工现场与城市道路连接的施工道路硬化,属三通一平范围,是发包人向承包人提供正常施工所需要的进入施工现场的交通条件;如由承包人实施,其费用应按实际发生计取。
附件二
建设工程施工费用计算程序参考表
综合单价法计价程序。
工程施工扬尘污染防治费用摘要:工程施工过程中扬尘污染是一种严重的环境问题,不仅影响了空气质量,还对周边居民的健康造成威胁。
因此,制定有效的扬尘污染防治费用,并合理分配,是非常重要的。
关键词:工程施工;扬尘污染;防治费用一、引言随着工程建设的不断发展,尤其是城市建设和基础设施建设的需求,工程施工活动不可避免地会产生扬尘污染。
扬尘污染不仅影响了空气质量,对周围环境和居民的健康造成了一定的威胁。
因此,制定合理的扬尘污染防治费用,并加强对施工扬尘污染的预防和治理,对于保障环境质量和周围居民的健康具有非常重要的意义。
本文将在分析扬尘污染原因的基础上,探讨工程施工扬尘污染防治费用的合理制定和分配。
二、扬尘污染的原因1、工程施工活动工程施工是扬尘污染的主要原因之一。
在建筑施工、道路施工、挖掘和土石方作业过程中,会产生大量的粉尘,而粉尘的悬浮颗粒就是扬尘污染的主要形式。
2、气候因素风力是影响扬尘污染的重要因素之一。
强风、风沙天气会导致扬尘更加严重,同时风向的变化也会影响扬尘的扩散范围。
3、地形环境地形环境也会对扬尘的扩散和沉积产生影响。
如既有的山地地形、缓坡地形等,都会影响扬尘的传播和沉积。
4、施工人员管理不当如果施工人员的管理不当,使用不当的施工方法和设备,也会导致扬尘的过度产生。
以上是扬尘污染的一些主要原因。
在工程施工中,制定合理的扬尘污染防治费用并加强对扬尘污染的预防和治理,是非常必要的。
三、扬尘污染防治费用的制定1、扬尘污染治理设施投资费用扬尘污染治理设施的投资费用是防治费用的一部分。
包括对施工现场的尘埃控制设施、喷淋设备、封闭作业车间等设备的投资。
2、扬尘监测及检测费用扬尘监测及检测费用是防治费用的重要组成部分。
通过对施工现场的扬尘进行监测和检测,及时掌握扬尘的扩散情况,对扬尘的来源和传播途径进行分析,为采取相应的防治措施提供数据支持。
3、扬尘治理设施运行维护费用扬尘治理设施的运行维护费用应包括在内,定期对扬尘治理设施进行维护和清洁保养,确保其正常运行。
工程名称:金宇•天地城5#、6#楼填报单位:合肥金海建筑安装工程有限责任公司序号材料名称使用部位金额备注
1 商品混凝土现场施工道路、场地硬化12500元
2 盖布场内裸露地面、水泥、砂、石子、砖等材料覆盖4000元
3 冲洗设备出入口冲洗水枪、水泵、沉淀池等设备1200元
4 垃圾筒生活垃圾及建筑垃圾的清运600元
5 安全网建筑物外立面悬挂安全网15000元
6 彩钢板围挡现场封闭围挡8000元
7 洒水车辆道路降尘、清扫2000元
8 宣传现场文明创建、扬尘治理、标识标语牌等10000元
9
10
建设单位:监理单位:施工单位:
金宇•天地城5#、6#楼
序号材料名称使用部位金额备注
1
2
3
4
5
6
7
8
9
10
合肥金海建筑安装工程有限责任公司。