兰州市扬尘污染治理费用
- 格式:docx
- 大小:204.24 KB
- 文档页数:2
施工扬尘治理费用使用情况扬尘是施工过程中常见的环境污染问题之一,不仅对施工现场的工人造成健康影响,还会扩散到周边居民区域,给周围环境带来不良影响。
为了控制施工扬尘,保障施工现场的环境质量,施工扬尘治理费用成为不可或缺的一部分。
本文将探讨施工扬尘治理费用使用情况。
首先,施工扬尘治理费用主要用于采取各种措施减少扬尘产生。
可能的措施包括但不限于:湿化处理、覆盖物搭设、洒水喷淋、绿化环境等。
这些措施旨在减少土壤扬尘、露天堆放物料扬尘、机械振动扬尘等,从而降低扬尘对环境的威胁。
然而,在实际的施工扬尘治理中,费用的使用情况存在一定的问题。
首先,有些施工单位可能会存在敷衍了事的情况,没有真正采取有效的治理措施。
他们可能只是简单地洒水喷淋或者进行道路湿化处理,而没有进行更深入的治理措施,这是因为这些措施相对简单和成本较低。
然而,这种做法不能从根本上解决扬尘问题,治理效果有限。
因此,需要加强对施工单位的监督,确保他们真正投入足够的治理费用,并采取可行的措施来降低扬尘产生。
其次,施工扬尘治理费用的使用情况还存在一定的浪费现象。
有些施工单位可能会过度使用防尘设备和材料,导致费用的浪费。
例如,他们可能会在道路上过度喷洒水分,导致水的浪费;或者使用大量的覆盖物,但实际上只需要使用一小部分即可。
这样的浪费现象不仅浪费了费用,还可能对环境造成不必要的负面影响。
因此,施工单位需要对防尘设备和材料的使用进行合理规划和控制,以避免浪费现象的发生。
此外,施工扬尘治理费用的使用情况还需要加强公开和透明。
目前,很多施工单位对于费用的使用情况并不公开,缺乏透明度。
一些不良的施工单位可能会将治理费用用于其他用途,而不是真正用于扬尘治理。
这样的行为不仅违法违规,也损害了施工单位的声誉。
因此,需要建立相关的制度和机制,确保施工扬尘治理费用的使用情况公开透明,并接受社会监督。
同时,相关部门也应加大对施工单位的监督力度,对于违规使用费用的单位依法进行严厉处罚。
扬尘治理措施费用背景在城市化进程中,尤其是在建筑施工、道路施工和工业生产等领域,扬尘是一个普遍存在的问题。
扬尘不仅对环境造成污染,还可能对人类健康产生负面影响。
为了控制扬尘污染,各级政府和相关企事业单位采取了一系列的扬尘治理措施。
这些措施需要进行专业设备和设施的购置、人员的培训和管理等方面的投入,因此,扬尘治理措施费用成为了一个必要的经济支出。
扬尘治理措施费用的构成扬尘治理措施费用主要包括以下几个方面:1.设备和设施费用:扬尘治理需要使用专业的设备和设施,如扬尘防护网、扬尘管道、扬尘吸附器等。
这些设备和设施通常需要从专业制造商或供应商处购买,价格因规格、材质和品牌而有所不同。
2.人员培训费用:扬尘治理工作需要专业的操作人员,他们需要接受相关培训以掌握正确的操作方法。
人员培训费用包括培训课程费用、培训材料费用、培训人员的交通和住宿费用等。
3.维护和管理费用:设备和设施的维护和管理是保证扬尘治理工作持续有效的关键。
维护和管理费用包括设备保养和维修的费用、设备运营和管理人员的工资和福利等。
4.监测费用:为了确保扬尘治理措施的有效性,需要进行定期或不定期的扬尘监测。
监测费用包括监测设备的采购和维护费用、监测人员的工资和福利等。
5.其他费用:扬尘治理过程中可能还涉及到其他费用,如场地租赁费用、咨询和评估费用等。
这些费用因具体情况而异。
扬尘治理措施费用的影响因素扬尘治理措施费用的多少受到以下几个因素的影响:1.规模和性质:扬尘治理措施费用与治理对象的规模和性质相关。
例如,在大型建筑工地上进行扬尘治理所需费用较高,而在小型工业企业中进行扬尘治理所需费用相对较低。
2.技术水平:扬尘治理靠先进的技术手段和设备实现。
技术水平的提升通常需要更高的投入,因此,技术水平越高,费用也相应增加。
3.区域差异:不同地区的扬尘治理措施费用可能存在一定差异。
这与地区经济水平、资源分配等方面有关。
发达地区的扬尘治理措施费用通常较高,而欠发达地区的费用相对较低。
扬尘治理专项保障费用措施
扬尘治理是指通过采取一系列措施,降低或消除扬尘对环境和人体健康产生的影响。
扬尘治理专项保障费用措施主要是为了保障扬尘治理工作的顺利进行,确保资金到位,使用合理,发挥最大的效益。
下面是我对扬尘治理专项保障费用措施的一些建议。
首先,要建立健全专项保障费用的筹集机制。
可以通过政府财政拨款、企业自筹资金、社会捐赠等方式,建立起一笔专门用于扬尘治理的资金池。
政府应该主导筹集工作,通过制定相应的法规和政策,鼓励企业和个人积极参与。
其次,要建立科学合理的资金使用机制。
扬尘治理涉及到多个领域和多个环节,需要统筹规划和使用资金。
可以根据扬尘治理的重点和紧迫程度,制定好相应的资金分配比例和使用标准。
同时,要建立监督和评估制度,确保资金使用的效果和效益。
再次,要采取多种措施,确保资金到位。
可以通过建立专项资金管理机构,对资金的筹集、分配和使用进行管理和监督。
也可以通过市场化手段,吸引社会资本参与,通过投资扬尘治理项目来获得经济回报。
最后,要加强宣传和教育,提高社会对扬尘治理的认识和参与度。
可以利用新闻媒体、宣传广告等渠道,向广大民众普及扬尘治理的重要性和意义。
同时,要开展相关培训和教育活动,提高社会各界对扬尘治理工作的认知水平。
综上所述,建立健全的扬尘治理专项保障费用措施对于保障扬尘治理工作的顺利进行具有重要的意义。
这需要政府、企业和社会各界的积极参与和合作,共同推动扬尘治理工作的进展。
只有通过有效的资金筹集和使用机制,才能最大程度地降低扬尘对环境和人体健康的影响,实现可持续发展的目标。
从距离兰州70公里的进城,沿途几乎没有任何绿色植物,有的是遍布树坑却一派荒芜的圆形山丘,当地人说,这里的树种了死,死了种,一颗树的成活成本高得惊人,而已经几十年没见到成活的树了;狭长的河西走廊形成了兰州冬春沙尘暴的通途,来自内蒙古东部的沙尘直接影响了兰州备受诟病的TSP总悬浮颗粒物指数;但这绝对不是惟一的原因,记者从位于兰州市中心的出发,东到榆中县西到着名的工业城区西固绕城一周,车速不算太慢,整整花了四个小时;这像是一次对50年工业文明的回顾之旅,沿途的知名企业就有西北油漆厂、兰州铝厂、兰州钢铁厂、、兰州石油化工厂等等;锁住兰州东口的钢铁厂为了养活上万名职工,目前在倒闭传言中利用破旧的厂房继续开工,高耸的烟囱冒出五颜六色的烟雾;作为的西北油漆厂,就在年成交额达45亿元以上的西北后边,这里做生意的人来来往往,人们对空气中整日里弥漫的浓烈的油漆味已经习以为常;在兰炼、兰化所在的西固,以前兰州人形容,在那里是外出戴了口罩,鼻子处会有两个黑印儿,天上的太阳大白天看起来像月亮,西固内曾有一个一望无际的垃圾山,山上有一些拾荒的人兼养猪,养出来的猪被称为“垃圾猪”;如今虽然再找不到垃圾山,但在大街上随便行走都会觉得呼吸不畅、眼睛不适;记者采访到的所有了解兰州环境问题的人都格外强调,正因为东西走向狭长的地形,导致了兰州空气流通不畅,污染后的空气不容易散发,郁积城内,造成了可怕的“逆温层”;也就是大气层上层的气温比下层高,形成了一个让人头疼的“罩子”;5年前,在兰州东部近郊榆中县的大青山,曾做过一个类似于“愚公移山”的“引风入城”工程,前后至少投入了约9000万元,试图将挡住兰州东面风入口的山头削平,这个当时经过专家教授严谨求证的工程,后来被证实是一个笑话;出面说服政府做这个工程的大青山开发公司,据说其背景为一家,更多人认为这家公司不过是想在那削平的山头上搞一些楼盘,现在它正和榆中县政府为了这起旧公案来回打官司;兰大一位不愿意透露姓名的研究资源环境的教授认为:“这个当时被认为是惊天地泣鬼神的工程纯是在玩玄的,其结果不过是把东部污染后的大气带入城区,在里边搅匀了;这个工程的原计划是把山削到与地面平,然后借助黄河水冲出至少3000亩地,按照每亩3000元算,利润确实可观;”自2000年6月5日,全国实行制度至今,兰州市优级水平的天气仅有4天,被污染天气出现的频率高于65%;在已经实施的42个城市中,兰州的空气质量居倒数第三位,在世界污染最严重的十大城市中,兰州成为国内的代表性城市;这些数字导致了环境问题在兰州的敏感;听说记者要采访兰州环境问题,甘肃省环保局环境监测中心数据室主任牛耘说:“这个问题还是问市环保局比较合适,因为太敏感了,我们不好说什么;”随后,环境监测站副站长王庆梅接受了记者采访,她提供了一组关于兰州飘尘天气连续上升的数字,1998年是1起,1999年是5起,2000年上升到7起,而2001年仅9月以前就已经达到了17起,这种天气的特征是开始的时候突然烟雾弥漫,两三天后变成了静止的飘尘;而导致这种天气的原因,她并没有给更详细的解释;关于它对人体的危害,她认为:“据我们分析,这里边主要就是TSP,主要对儿童老人的呼吸道有影响,其中并没有含毒气体,所以还不是最有害人体的污染物;”兰州有一个污染企业“黑名单”,目前列在这个名单内的有28个,同时它们多数也是兰州的纳税大户,基本上动不得,名单也是不公布的;1998年公布的重点污染源为21个,含糊其词为全市三大铝厂、三大电厂以及钢厂、化肥厂、煤制气厂、维尼纶厂等,它们的工业废气排放量已经占到了全市的%,工业废水占44%,工业废渣占%,以粉煤灰、炉渣、煤钎石和冶炼废渣为主;王庆梅举例说明目前让他们比较头疼的污染企业是紧贴着城市中心区域的第二热电厂,这家工厂有个排放烟柱抬升高度达220米的大烟囱,烟尘落点正好在位于闹市的铁路局和南关十字一带;兰州从9月20日开始引入天然气,有关方面对这次改造期待颇高,王庆梅认为如果冬季采暖不用煤的话,兰州的TSP指数可望减少五至六倍;问题是,天然气价格至少是煤气的一倍左右;要把400台锅炉变成天然气,至少需要6亿元;但是它得到的直接好处是可以减少二氧化硫1320吨,烟尘8460吨;兰州大学城市规划设计研究所副所长张旺峰对兰州空气问题所持态度却并不太乐观,他认为:“仅仅从央视天气预报的数字看来,兰州空气指数最恶劣的时候为500,2000年12月有过连续7天超过300的重度污染气候;仅仅从这个意义上比较极端地说,兰州应该归于不适合人类居住的城市之列;”他还补充道,“到现在为止,对于TSP,官方还没有作过原解释,它对人体伤害程度也没有一个权威说法,我们仅仅知道那是一种沾到肺泡的尘肺污染;而从国家预防医学科学院提供的一份最新的调查报告显示,TSP是对人体伤害最大的污染物,特别是对呼吸能力弱的人群;”市政府在2001年拨出了2800万元用于治理环境,这是往年的八倍;但是要根除兰州的污染,关系到改变整个城市功能;张旺峰认为:“兰州的纬度位置、地形位置和城市的功能规划因素,加剧了环境污染,而环保立法一直滞后于经济发展;”最初,出于交通和战略上考虑而在兰州至少2/3的地区修建工业区,在修建时代,并非一点环保意识没有,比如当时就埋设了一条长28公里、直径米的污水管,从东港直接进入黄河,绕过了市区;但对大气的考虑却比较少,东西两面的工业区正好是城市冬夏两季的上风区;兰州的工业生产结构是以电力、石化、建材、金属冶炼、机械和防治等部门为主导,工业构成中,轻重工业分别占18%和82%,重工业中原材料和采掘业占77%,加工业仅占23%,重工业的能源年消耗量占总量的%,其中%一次性能源为煤炭;张旺峰还指出,由于兰州是河谷,交通流动上东西干线上十字路口极多,跑个几百米就有个红绿灯,很多车在市区时速只能在20公里左右,汽油燃烧不充分导致更多的污染;在兰州街头常常可以看到车况极差的车辆,比如农用车或者“面的”,在冒着黑烟坚持运营,目前市区内登记在册的机动车有180万辆,但作为西部必经之道的兰州,有无数跑长途运输的过路车,通过市内主干道,留下了更多挥之不去的烟尘;当然,据说这种状况也在改变的努力中,正在修建的西宁到兰州到天水高速公路,将把这些车引到城外;干旱的兰州年降水量仅为300毫米,而年蒸发量达到1650毫米,但是降雨给兰州带来的并非福音;记者在兰州遇到了一次雨,雨水夹带着大量的沙尘,城市里泥泞不堪,地面雨水蒸发后,整个城市的路面都会留下厚厚的一层细黄沙,车辆过后,成为长时间内难于消除的扬尘;记者/巫昂。
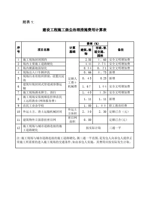
附表1:建设工程施工扬尘污染防治措施费用计算表序号项目名称计算基础率费(%)备注房建(建筑、装饰、安装)市政、轨道交通、园林1 施工现场封闭围档定额人工费+机械费2.58 1.60安全防护文明施工措施费2 场内主要施工道路硬化 4.44 2.75安全防护文明施工措施费3 场内裸露地面绿化0.34 0.21安全防护文明施工措施费4 现场出入口车辆冲洗0.66 0.73 新增5 现场污水组织排放,设置沉淀池0.45 0.25 新增6建筑垃圾封闭式管道或容器运输1.67 1.04安全防护文明施工措施费7 施工现场洒水降尘、清扫 1.40 1.54安全防护文明施工措施费8 出入口及场地内易产生扬尘的作业场所安装视频监控和农民工远程教育(网络服务费)1.11 1.11 新增9 农民工业余学校 1.00 1.00 职工教育经费10 外运土方、渣土运输机械封闭外运土方体积2.30 2.30 定额已含(元)11 建筑物外立面悬挂密目网密目网面积0.80 定额已含(元)12施工现场与城市道路连接的施工道路硬化按实际计取三通一平注:1、施工现场与城市道路连接的施工道路硬化,属三通一平范围,是发包人向承包人提供正常施工所需要的进入施工现场的交通条件;如由承包人实施,其费用应按实际发生计取。
2、单独承接装饰工程,其建设工程扬尘污染防治措施费用本表“房建(建筑、装饰、安装)”费率的70%计取。
3、单独承接安装工程,其扬尘污染防治措施费用本表“房建(建筑、装饰、安装)”费率的的50%计取。
4、2015年4月1日前签订的合同,建设工程扬尘污染防治措施费用仍按《关于建设工程施工扬尘治理措施费用计取的通知》(合造价[2013]17号)规定计取。
附表2:建设工程施工扬尘污染防治措施费用计算表项目名称计算基础单位施工扬尘治理措施费用房屋民用建筑及公共建筑多层建筑面积(㎡)元22.50 小高层27.00单层15.00厂房多层24.00装饰装饰 6.00安装安装 4.50注:1、未以相关定额作为合同价款确定依据的,其建设工程施工扬尘污染防治措施费用依据本表计算。
兰州市扬尘污染治理费
用
Company Document number:WUUT-WUUY-WBBGB-BWYTT-1982GT
兰州市建筑工地扬尘污染治理费用计算方法
一、执行日期:2014年10月1日
二、主要内容:
1、适用于兰州市中心城区内(不包括远郊三县一区及兰州新区)执行甘
肃省现行计价依据的房建、大型土石方、市政(不包括城市轨道交通工程)、园林绿化、仿古、抗震加固及维修工程。
2、扬尘污染治理费用由发包人承担,承包人负责实施。
3、承包人必须严格执行兰州市建筑施工工地治理扬尘污染要求的“六
个百分百”标准:施工工地周边100%围挡,物料堆放100%覆盖,出入车辆100%冲洗,施工现场地面100%硬化,拆迁工地100%湿法作业,渣土车辆100%密闭运输。
4、甘肃省现行计价依据中文明施工费及环境保护费包含:现场围挡设
置、地面硬化、场地洒水、裸露地面覆盖、易飞扬细颗粒建筑材料覆盖、废弃物封闭式管道或容器运输、施工架外侧密目网搭设措施项目费。
以上费用为综合考虑,不再另行公布。
新增费用包括:(1)施工现场采用砼浇筑洗车台,采用高压冲洗设备的,冲洗设施新建费用为5万元/套(包括沉淀池);
(2)车辆冲洗费用为冲洗车辆数乘以7元/车次;
(3)排渣费按市执法、环保部门的规定计取;
(4)施工现场安装视频监控设备费:工程建设期间,施工现场必须安装实时视频监控、粉尘传感器等设备,发包人承担相应费用。
(5)上述新增扬尘污染治理费不再计取任何费用。
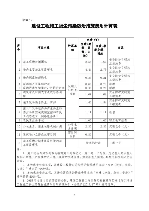
- 1 -附表1:建设工程施工扬尘污染防治措施费用计算表序号项目名称 计算基础率费(%) 备注房建(建筑、装饰、安装)市政、轨道交通、园林1 施工现场封闭围档 定额人工费+机械费 2.58 1.60安全防护文明施工措施费2 场内主要施工道路硬化 4.44 2.75安全防护文明施工措施费3 场内裸露地面绿化0.34 0.21安全防护文明施工措施费 4 现场出入口车辆冲洗0.66 0.73 新增 5 现场污水组织排放,设置沉淀池0.45 0.25 新增6建筑垃圾封闭式管道或容器运输 1.67 1.04安全防护文明施工措施费7 施工现场洒水降尘、清扫 1.40 1.54安全防护文明施工措施费 8 出入口及场地内易产生扬尘的作业场所安装视频监控和农民工远程教育(网络服务费) 1.11 1.11 新增 9 农民工业余学校1.001.00 职工教育经费 10 外运土方、渣土运输机械封闭 外运土方体积2.30 2.30 定额已含(元)11 建筑物外立面悬挂密目网 密目网面积0.80定额已含(元)12施工现场与城市道路连接的施工道路硬化 按实际计取 三通一平注:1、施工现场与城市道路连接的施工道路硬化,属三通一平范围,是发包人向承包人提供正常施工所需要的进入施工现场的交通条件;如由承包人实施,其费用应按实际发生计取。
2、单独承接装饰工程,其建设工程扬尘污染防治措施费用本表“房建(建筑、装饰、安装)”费率的70%计取。
3、单独承接安装工程,其扬尘污染防治措施费用本表“房建(建筑、装饰、安装)”费率的的50%计取。
4、2015年4月1日前签订的合同,建设工程扬尘污染防治措施费用仍按《关于建设工程施工扬尘治理措施费用计取的通知》(合造价[2013]17号)规定计取。
第1篇一、征收背景近年来,我国城市空气质量问题日益突出,建筑施工扬尘污染成为主要原因之一。
为了改善空气质量,保护人民群众身体健康,我国政府出台了一系列环保政策,要求施工单位在施工过程中采取有效措施,降低扬尘污染。
工程施工排污扬尘费便是其中一项重要措施。
二、征收标准工程施工排污扬尘费的征收标准由各地根据实际情况制定。
一般包括以下因素:1. 工程规模:工程规模越大,扬尘污染越严重,征收标准越高。
2. 施工地点:施工地点空气质量越差,征收标准越高。
3. 施工时间:施工时间越长,征收标准越高。
4. 施工单位环保措施:施工单位采取的环保措施越完善,征收标准越低。
三、征收流程1. 施工单位在领取施工许可证前,需向当地环保部门提交工程扬尘污染防治方案。
2. 环保部门对施工单位的扬尘污染防治方案进行审核,符合要求后,施工单位缴纳工程施工排污扬尘费。
3. 施工单位在施工过程中,需按照扬尘污染防治方案执行,确保扬尘污染降至最低。
4. 环保部门对施工单位的扬尘污染防治情况进行监督检查,对违反规定的行为进行处罚。
四、征收目的1. 促使施工单位加强环保意识,采取有效措施降低扬尘污染。
2. 为政府环保部门提供资金支持,用于改善空气质量,保障人民群众身体健康。
3. 促进我国环保事业的发展,实现可持续发展。
五、征收意义1. 降低扬尘污染,改善空气质量,保障人民群众身体健康。
2. 促进施工单位加强环保管理,提高施工质量。
3. 为政府环保部门提供资金支持,加强环保执法力度。
总之,工程施工排污扬尘费是一项重要的环保措施,对于改善我国空气质量、保障人民群众身体健康具有重要意义。
在今后的工作中,各地应继续加强工程施工排污扬尘费的管理,确保其发挥应有的作用。
第2篇随着我国经济的快速发展,工程建设领域逐渐成为推动经济增长的重要力量。
然而,在工程建设过程中,施工排污和扬尘问题也日益凸显,严重影响了周边环境和人民群众的生活质量。
为了有效治理施工排污扬尘,我国政府出台了相关政策和收费标准,即工程施工排污扬尘费。
扬尘治理措施费1. 简介扬尘治理措施费是指在建设工程中为减少扬尘污染而采取的相关措施所产生的费用。
扬尘污染是建设工程施工过程中常见的环境问题之一,对周边居民的健康和环境质量造成一定的影响。
因此,扬尘治理措施费的收取和使用对于保护环境和改善居民生活环境非常重要。
2. 扬尘治理措施费的收取标准和范围根据相关法律法规,扬尘治理措施费的收取标准和范围应根据建设工程的具体情况来确定。
一般来说,扬尘治理措施费的收取标准应与工程规模、施工方式、施工地点等因素相匹配,以确保工程的环境保护措施得到有效的执行。
扬尘治理措施费的收取范围通常包括但不限于以下方面:1.扬尘治理设备的购置费用:包括喷雾设备、净化设备等;2.扬尘治理材料的采购费用:如扬尘抑制剂、扬尘布等;3.扬尘治理工人的工资费用:用于雇佣和培训扬尘治理人员;4.扬尘治理监测费用:用于监测扬尘治理效果的设备和人员费用。
3. 扬尘治理措施费的使用方式扬尘治理措施费的使用应符合相关规定和要求,确保资金的合理使用和环境保护的有效实施。
具体的使用方式可以包括但不限于以下几种:1.扬尘治理设备和材料的购置和更新:将资金用于购买新的扬尘治理设备和材料,以保证设施的正常运行和扬尘治理效果的持续改善;2.扬尘治理培训和宣传:将资金用于培训扬尘治理人员,提高他们的专业水平和技能;同时,开展相关宣传活动,增强公众对扬尘治理工作的认识和支持;3.扬尘治理监测和评估:将资金用于购买和维护扬尘治理监测设备,对扬尘治理效果进行定期监测和评估,以及对治理措施进行调整和改进;4.扬尘治理项目的实施:将资金用于实施具体的扬尘治理项目,如道路喷雾、施工现场覆盖等,以减少或防止扬尘污染的产生。
4. 扬尘治理措施费的管理和监督为确保扬尘治理措施费的合理使用和环境保护工作的有效进行,需要进行相应的管理和监督。
具体的管理和监督措施可以包括但不限于以下几方面:1.资金管理:建立专门的资金管理制度,确保扬尘治理措施费的使用符合相关规定,避免资金的滥用和浪费;2.治理效果评估:定期对扬尘治理工作进行评估,对治理措施的实施效果进行监测,及时发现问题并采取相应的措施加以改进;3.外部监督:加强对扬尘治理措施费的外部监督,接受社会公众和相关部门的监督和检查,确保工作的公开、透明和有效进行;4.追责机制:建立健全的追责机制,对使用扬尘治理措施费过程中的不合规行为进行严肃处理,确保资金使用的合法性和效益性。
住建部:扬尘治理费列入工程造价造价施工必看近年来,随着城市化进程的不断加快,建筑施工对城市环境的影响也日益受到关注。
其中,扬尘污染是建筑施工中不可避免的问题之一,给城市空气质量和人们健康带来极大危害。
为了有效减轻施工扬尘污染,住房和城乡建设部印发了《建筑工程施工现场扬尘减排技术规范》(下称《规范》),也在其中提出了在工程造价中列入扬尘治理费用,其对于工程施工至关重要。
什么是扬尘治理费?扬尘治理费,顾名思义,是指在建筑施工中,为预防和消除扬尘所产生的费用。
扬尘治理费包括安装防尘网、喷洒降尘剂等物理治理手段,也包括设置净化设备、折算周转花费等经济支出。
除此之外,扬尘治理费还包括施工队伍的培训、技术指导等人力成本。
为什么要将扬尘治理费列入工程造价?将扬尘治理费列入工程造价,一方面可以规范建筑施工行业的发展,尽量减少对城市环境、人民群众的影响。
另一方面,作为工程建设必要成本之一,扬尘治理费可以通过列入工程造价对工程项目开支进行把控,从而提高投资效益和质量。
此外,从立法层面来看,国家相关部门已经出台了一系列保护环境政策法规。
为顺应这一趋势,将扬尘治理费列入工程造价是其法治化的必要手段之一。
而现实中,将扬尘治理费纳入工程造价之后,建筑单位也更加重视了扬尘治理工作的实施。
扬尘治理费如何具体收取?按照《规范》的规定,扬尘治理费应列入工程造价,并按照合同约定的支付方式进行收取。
建筑施工单位应根据项目的具体情况和技术要求,进行预估和核算,合理计算扬尘治理费用,写入工程造价清单中,并在标底或施工合同中标明扬尘治理费用收取标准和方式。
如若发生违约,建筑施工单位应付出相应的违约金。
另外,监理工程师也应对施工现场的扬尘治理问题进行监管和验收,确保扬尘污染降至最低。
结语扬尘治理已经成为建筑施工行业不可或缺的一部分。
随着社会的发展和人们生态文明意识的不断增强,将扬尘治理费列入工程造价,是加强环保工作、推进绿色建筑的重要举措之一。
兰州市扬尘污染治理费用 Jenny was compiled in January 2021
兰州市建筑工地扬尘污染治理费用计算方法
一、执行日期:2014年10月1日
二、主要内容:
1、适用于兰州市中心城区内(不包括远郊三县一区及兰州新区)执行甘肃省现行计价
依据的房建、大型土石方、市政(不包括城市轨道交通工程)、园林绿化、仿
古、抗震加固及维修工程。
2、扬尘污染治理费用由发包人承担,承包人负责实施。
3、承包人必须严格执行兰州市建筑施工工地治理扬尘污染要求的“六个百分百”标
准:施工工地周边100%围挡,物料堆放100%覆盖,出入车辆100%冲洗,施工现场地面100%硬化,拆迁工地100%湿法作业,渣土车辆100%密闭运输。
4、甘肃省现行计价依据中文明施工费及环境保护费包含:现场围挡设置、地面硬
化、场地洒水、裸露地面覆盖、易飞扬细颗粒建筑材料覆盖、废弃物封闭式管道
或容器运输、施工架外侧密目网搭设措施项目费。
以上费用为综合考虑,不再另
行公布。
新增费用包括:
(1)施工现场采用砼浇筑洗车台,采用高压冲洗设备的,冲洗设施新建费用为5万元/套(包括沉淀池);
(2)车辆冲洗费用为冲洗车辆数乘以7元/车次;
(3)排渣费按市执法、环保部门的规定计取;
(4)施工现场安装视频监控设备费:工程建设期间,施工现场必须安装实时视频监控、粉尘传感器等设备,发包人承担相应费用。
(5)上述新增扬尘污染治理费不再计取任何费用。