3 IO接口实验(交通灯控制实验)
- 格式:ppt
- 大小:208.50 KB
- 文档页数:12
本科实验报告课程名称:微机原理及接口技术实验项目:十字路口红绿灯闪烁实验实验地点:微机原理实验室专业班级:电信1001 学号:2010001207 学生姓名:吴清涛指导教师:任光龙2013年6 月5 日一、实验目的通过对红,绿,黄灯的控制,熟练掌握掌握8255A接口芯片的变成方法。
二、实验内容对8255A接口芯片进行编辑,是红,绿,黄灯发光二极管按照十字路口交通灯的形式点亮或熄灭。
三、线路连接发光二极管共8个,其中两组红、黄、绿灯用6个,L1,L2,L3为一组,L4,L5,L6为一组,实验台连接如图。
低电平“1”时,点亮。
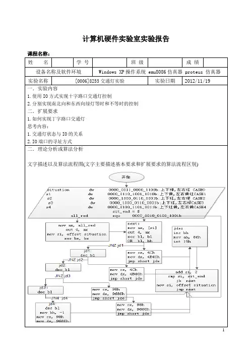
四、程序流程图五、参考程序程序列表DA TA SEGMENTIOPORT EQU 0D880H-280HIO8255C EQU IOPORT+282HIO8255T EQU IOPORT+283HPB DB ?MESS DB 'ENTER ANY KEY CAN EXIT TO DOS!',0DH,0AH,'$' DA TA ENDSSTACK SEGMENT STACKSTA DW 50 DUP(?)TOP EQU LENGTH STASTACK ENDSCODE SEGMENTASSUME CS:CODE,DS:DA TA,ES:DA TA,SS:STACKSTART: MOV AX,DA TAMOV DS,AXMOV ES,AXMOV AH,09HMOV DX,OFFSET MESSINT 21HMOV DX,IO8255TMOV AL,81HOUT DX,ALMOV DX,IO8255CIN AL,DXMOV PB,ALMOV DX,IO8255TMOV AL,80HOUT DX,ALMOV DX,IO8255CMOV AL,PBOR AL,0CHOUT DX,ALMOV AL,30HOUT DX,ALCALL DELAY10LLL: MOV DX,IO8255CMOV AL,12HOUT DX,ALCALL DELAY10CALL DELAY10CALL DELAY10CALL DELAY10MOV AL,10HOUT DX,ALMOV CX,0040HTTT: MOV AL,0CH OUT DX,ALPUSH CXMOV CX,80HLOP1: CALL DELAY1 LOOP LOP1MOV AL,00HOUT DX,ALMOV CX,80HLOP2: CALL DELAY1 LOOP LOP2POP CXLOOP TTTMOV AL,30HOUT DX,ALCALL DELAY10MOV AL,21HCALL DELAY10CALL DELAY10CALL DELAY10CALL DELAY10MOV AL,20HOUT DX,ALMOV CX,0040HGGG: MOV AL,0CH OUT DX,ALPUSH CXMOV CX,80HLOP3: CALL DELAY1 LOOP LOP3MOV AL,00HOUT DX,ALMOV CX,80HLOP4: CALL DELAY1 LOOP LOP4POP CXLOOP GGGMOV AL,30HOUT DX,ALCALL DELAY10MOV AH,06HMOV DL,0FFHINT 21HJNZ PPPJMP LLLPPP: MOV AX,4C00HINT 21HDELAY1 PROC NEARPUSH CXMOV CX,0FFFFHCCC: LOOP CCCPOP CXRETDELAY1 ENDPDELAY10 PROC NEARPUSH AXPUSH CXMOV CX,0F00HUUU: CALL DELAY1LOOP UUUPOP CXPOP AXRETDELAY10 ENDPCODE ENDSEND START六、实验结果七、思考题程序中红,绿,黄灯点亮和熄灭的延时时间是如何设定的?答:通过用延时子程序CALL DELAY 10的次数来设定。
8255控制交通灯实验原理我们需要了解交通灯的工作原理。
一般来说,交通灯是通过控制红、黄、绿三个灯的亮灭来指示交通的状态。
红灯表示停车,黄灯表示准备行车,绿灯表示可以行车。
交通灯的亮灭是通过控制电流的开关来实现的。
在实验中,我们将使用8255芯片的三个I/O端口来控制交通灯的红、黄、绿三个灯。
具体来说,我们将把红灯连接到8255芯片的一个I/O端口,黄灯连接到另一个I/O端口,绿灯连接到第三个I/O端口。
通过编程控制这三个I/O端口的输出电平,我们就可以控制交通灯的亮灭。
在编程方面,我们需要使用汇编语言来编写控制程序。
首先,我们需要初始化8255芯片的工作模式。
通过将控制字写入控制寄存器,我们可以将8255芯片设置为输出模式,同时设置输出的电平。
然后,我们需要编写一个循环程序,不断改变输出的电平,从而实现交通灯灯光的变换。
具体来说,我们可以通过改变红、黄、绿三个灯的输出电平的组合来控制交通灯的亮灭。
在实验中,我们可以通过按下开关来触发交通灯的变换。
当按下开关时,控制程序将会执行一次循环,改变交通灯的亮灭状态。
这样,我们就可以通过按下开关来模拟交通灯的工作过程。
通过这个实验,我们可以更好地理解8255芯片的工作原理,并且掌握使用8255芯片来控制外部设备的方法。
在实际应用中,我们可以利用8255芯片来控制各种外部设备,如LED灯、电机等。
这样,我们可以通过编程来实现对外部设备的控制,从而实现各种功能。
使用8255芯片来控制交通灯是一种简单而有效的方法。
通过编程控制8255芯片的输出电平,我们可以实现交通灯的亮灭变换。
这个实验不仅可以帮助我们更好地理解8255芯片的工作原理,还可以培养我们的编程能力。
希望通过这个实验,我们可以更好地掌握8255芯片的使用,为以后的学习和工作打下良好的基础。
微机原理上机实验(三+五)实验报告实验三:简单I/O(16位)实验一、实验目的1、了解外设的扩展方法,掌握外设的读写时序。
2、了解74HC273、74HC244的功能,掌握它们的使用方法。
3、掌握CPU对16位外设的访问方法4、认真预习本节实验内容,尝试自行编写程序,填写实验报告。
二、实验内容1、说明:二片74HC244组成16位的只读外设,二片74HC273组成16位的只写外设,它们都可以按字节或字方式操作。
实验仪具有16位数据总线D0..D15、BLE(低电平有效,选中挂在低8位数据总线上外设)、BHE(低电平有效,选中挂在高8位数据总线上外设);BLE、BHE同时有效,对外设字方式读写,BLE或BHE有效,对外设字节方式读写。
二片74HC273的输出端与F4区的16个发光二极管相连;低位74HC244的输入端与F4区的8个拨动开关相连,8个拨动开关循环左移一位后与高位74HC244的输入端相连。
2、编写程序:将B4区的二片74HC244中数据读出、写入二片74HC273中;然后逐一点亮挂在74HC273上的16个发光二级管;循环执行3、连接线路验证功能,熟悉它的使用方法。
三、实验代码IO244 EQU 0230H ;244(16位)片选信号IO273 EQU 0230H ;273(16位)片选信号_STACK SEGMENT STACKDW 100 DUP(?)_STACK ENDS_DATA SEGMENT WORD PUBLIC'DATA'_DATA ENDSCODE SEGMENTSTART PROC NEARASSUME CS:CODE, DS:_DATA, SS:_STACKMOV MOV AX,_DATA DS,AXMOV DX,IO244 ;选定244IN AX,DX ;从244读取开关数据(16位,K0 K7K6 K5 K4 K3 K2 K1 K7 K6 K5 K4K3 K2 K1 K0)MOV DX,IO273OUT DX,AX ;将244的开关数据传输至273的对应接口CALL Delay 调用Delay程序CALL DelayCALL DelayCALL DelayCALL DelayCALL DelayMOV DX,IO273MOV AX,0FFFEHSTART1: OUT DX,AX ;将273的K0置0,其余端口置1CALL DelayTEST AX,8000H ;检查AX的D15位是否为1JZ START ;若AX的D15位为1,则转向START程序ROL AX,1 ;将AX循环左移一位JMP START1 ;循环执行START1Delay PROC NEAR ;延时Delay1: XOR CX,CX ;将CX清零LOOP $ ;延时RET 返回调用处Delay ENDPSTART ENDPCODE ENDSEND START四、拓展题与拓展实验1、画出读(74HC244)写(74HC273)的时序。
实验八 交通灯控制实验一、实验目的:1、学习并掌握并行接口8255A的内部结构,功能及编程。
2、通过并行接口8255A实现十字路口交通灯的模拟控制,进一步掌握对并行A、B、C端口能在以下三种方式下工作:方式0—基本输入/出方式方式1—选通输入/出方式方式2—双向选通输入/出方式8255A的工作方式控制字用来决定8255A端口的工作方式,方式控制字的格式如图2-2所示。
表2-1 8255端口地址L12、L11、L10作为东西路口的交通灯与PC0、PC1、PC2相连,编程使六个交通灯按如下变化规律燃灭。
十字路口交通灯的变化规律要求:(1)南北路口的绿灯、东西路口的红灯同时亮。
(2)南北路口的黄灯闪烁若干次,同时东西路口红灯继续亮。
(3)南北路口的红灯、东西路口的绿灯同时亮。
(4)南北路口的红灯继续亮,同时东西路口的黄灯亮闪烁若干次。
(5)转(1)重复。
四、实验步骤1、按图2-1连接实验线路,注意切断实验箱电源。
2、参考下面的实验流程编写实验程序。
实验流程如下:3、经汇编、链接后将程序装入系统。
4、运行程序,观察交通灯的变化。
交通灯控制实验程序1: data segmentprotc1 db 9bh,0bbh,0fbh,0bbh,0fbh,0bbh,0fbh db 7eh,7dh,7fh,7dh,7fh,7dh,7fhdb 0ffhdata endscode segmentassume cs:code,ds:datastart: mov ax,datamov ds,axmov dx,0e3hmov al,90hout dx,almov dx,0e2hloop1: mov bx,0000hloop2:mov al,protc1[bx]cmp al,0ffhjz loop1out dx,alcall delayinc bxjmp loop2delay:mov cx,01ffhde1: mov di,0ffhde0: dec dijnz de0loop de1retcode endsend start交通灯控制实验程序2:data segmentprotc1 db 0dbh,0bbh,0fbh,0bbh,0fbh,0bbh,0fbhdb 7eh,7dh,7fh,7dh,7fh,7dh,7fhdb 0ffhdata endscode segmentassume cs:code,ds:datastart: mov ax,datamov ds,axmov dx,0e3hmov al,90hout dx,almov dx,0e2hloop1: mov bx,0000hloop2:mov al,protc1[bx]cmp al,0ffhjz loop1out dx,aland al 21hcmp al,21hjz aamov cx,0effhjmp bbaa: mov cx,01dfhbb: call delayinc bxjmp loop2delay:de1: mov di,0ffhde0: dec dijnz de0loop de1retcode endsend startdata segmentportc1 db 24h,44h,04h,44h,04h,44h,04h ;六个灯可能db 81h,82h,80h,82h,80h,82h,80h ;的状态数据 db 0ffh ;结束标志 data endscode segmentassume cs:code,ds:datastart:mov ax,datamov ds,axmov dx,io8255bmov al,90hout dx,al ;设置8255为C口输出mov dx,io8255are_on: mov bx,0on: mov al,portc1[bx]cmp al,0ffhjz re_onout dx,al ;点亮相应的灯inc bxmov cx,20 ;参数赋初值test al,21h ;是否有绿灯亮jz de1 ;没有,短延时mov cx,5000 ;有,长延时de1: mov di,9000 ;di赋初值5000de0: dec di ;减1计数jnz de0 ;di不为0loop de1push dxmov ah,06hmov dl,0ffhint 21hpop dxjz on ;没有,转到onexit: mov ah,4ch ;返回int 21hcode endsend start。
实验三流水灯实验(I/O口和定时器实验)一、实验目的1.学会单片机I/O口的使用方法和定时器的使用方法;2.掌握延时子程序的编程方法、内部中断服务子程序的编程方法;3.学会使用I/O口控制LED灯的应用程序设计。
二、实验内容1.控制单片机P1口输出,使LED1~LED8右循环轮流点亮(即右流水),间隔时间为100毫秒。
2.控制单片机P1口输出,使LED1~LED8左循环轮流点亮(即左流水),间隔时间为100毫秒。
3.使用K1开关控制上面LED灯的两种循环状态交替进行;4. 用定时器使P1口输出周期为100ms的方波,使LED闪烁。
5.使用定时器定时,使LED灯的两种循环状态自动交替,每一种状态持续1.6秒钟(选作)。
三、实验方法和步骤1.硬件电路设计使用实验仪上的E1、E5和E7模块电路,把E1区的JP1(单片机的P1口)和E5区的8针接口L1~L8(LED的驱动芯片74HC245的输入端)连接起来,P1口就可以控制LED 灯了。
当P1口上输出低电平“0”时,LED灯亮,反之,LED灯灭。
E7区的K1开关可以接单片机P3.0口,用P3.0口读取K1开关的控制信号,根据K1开关的状态(置“1”还是置“0”),来决定LED进行左流水还是右流水。
综上,画出实验电路原理图。
2.程序设计实验1和实验2程序流程图如图3-1实验3程序流程图如图3-2所示。
图3-1 实验1,2程序流程图图3-2 实验3程序流程图实验4程序流程图如图3-3,3-4所示。
实验5程序流程图如图3-5,3-6所示。
图3-5 实验5主程序流程图图3-6 定时器中断服务子程序流程图图3-4 定时器中断服务子程序流程图图3-3 实验4主程序流程图编程要点:(1)Pl,P3口为准双向口,每一位都可独立地定义为输入或输出,在作输入线使用前,必须向锁存器相应位写入“1”,该位才能作为输入。
例如:MOV P1,A; P1口做输出MOV P1,#0FFHMOV A,P1;P1口做输入SETB P3.0MOV C,P3.1;从P3.1口读入数据(2)每个端口对应着一个寄存器,例:P1→90H(P1寄存器地址);P3→B0H(P3寄存器地址);寄存器的每一位对应着一个引脚,例:B0H.0→P3.0(3)对寄存器写入“0”、“1”,对应的外部引脚则输出“低电平”、“高电平”。
哈尔滨德强商务学院实验报告课程名称:可编程控制器原理与应用系别:计算机与信息工程系专业:工业工程班级:09-2学号:2009510591(29)学生姓名:梅松2012年6月5日实验室名称:工业工程专业实验室(504)实验机器号:10 实验分组:10实验时间:2012.6.5 指导教师签字:成绩:实验项目五:十字路口交通灯控制一、实验目的和要求1.实验目的(1)熟练地掌握PLC的编程和程序调试方法,灵活掌握定时器的使用。
(2)进一步熟悉PLC的I/O连接。
2.实验要求熟悉十字路口交通灯的控制方式及其编程方法,在十字路口交通灯控制的模拟实验区完成实验。
二、实验原理1.实验原理信号灯受一个起动开关控制,当起动开关接通时,信号灯系统开始工作,且先南北红灯亮,东西绿灯亮。
当起动开关断开时,所有信号灯都熄灭。
2.程序流程图三、主要仪器设备1.计算机(V4.0 STEP 7 MicroWIN SP3软件)1台2.THFDC-1型可编程控制器·单片机·传感器综合实验装置1套3.A11实验挂箱1个4.PC/PPI通讯电缆1根5.3号导线12根四、实验内容、步骤及操作方法1.内容:根据控制要求分配I/O点并编程完成十字路口交通灯控制的模拟实验。
2.步骤及操作方法(1)按照控制要求分配I/O点;(2)按设计好的I/O分配情况把PLC的I/O端子分别接线至对应的按钮、开关或输出指示灯。
(3)编写PLC梯形图或指令表程序使之满足控制要求,编译通过;(4)把编译好的程序下载到PLC中;(5)按下实验板上的启动按钮开始工作,顺次模拟动作实验装置,观察输出的逻辑次序是否符合控制要求,若符合,实验结束,若不符合,返回3修改程序继续调试。
4.控制接线图五、实验数据记录和处理程序注释:网络1// 初始复位LD SM0.1ON I0.0MOVB 0, VB0MOVB 0, QB0网络2// 启动上升沿、循环一个周期结束下降沿,将初始值1写入循环寄存器位LD I0.0EULD V0.5EDOLDMOVB 1, VB0网络3// 循环移位LD V0.0A T37LD V0.1A T38 OLDLD V0.2A T39 OLDLD V0.3A T37 OLDLD V0.4A T38 OLDLD V0.5A T39 OLDEUSLB VB0, 1 网络4// 各时间段控制LD SM0.0 LPSLD V0.0O V0.3 ALDTON T37, 200 LRDLD V0.1O V0.4 ALDTON T38, 30 LPPLD V0.2O V0.5 ALDTON T39, 20 网络5// 输出处理LD SM0.0 LPSLD V0.4A SM0.5O V0.3ALD= Q0.0LRDA V0.5= Q0.1LRDLD V0.0O V0.1O V0.2ALD= Q0.2LRDLD V0.1A SM0.5O V0.0ALD= Q0.3LRDA V0.2= Q0.4LPPLD V0.3O V0.4O V0.5ALD= Q0.5六、实验结果与分析1.实验结果:完成十字路口交通灯运行控制。
哈尔滨德强商务学院实验报告课程名称:可编程控制器原理与应用系别:计算机与信息工程系专业:工业工程班级:09-2学号:2009510591(29)学生姓名:梅松2012年6月5日实验室名称:工业工程专业实验室(504)实验机器号:10 实验分组:10实验时间:2012.6.5 指导教师签字:成绩:实验项目五:十字路口交通灯控制一、实验目的和要求1.实验目的(1)熟练地掌握PLC的编程和程序调试方法,灵活掌握定时器的使用。
(2)进一步熟悉PLC的I/O连接。
2.实验要求熟悉十字路口交通灯的控制方式及其编程方法,在十字路口交通灯控制的模拟实验区完成实验。
二、实验原理1.实验原理信号灯受一个起动开关控制,当起动开关接通时,信号灯系统开始工作,且先南北红灯亮,东西绿灯亮。
当起动开关断开时,所有信号灯都熄灭。
2.程序流程图三、主要仪器设备1.计算机(V4.0 STEP 7 MicroWIN SP3软件)1台2.THFDC-1型可编程控制器·单片机·传感器综合实验装置1套3.A11实验挂箱1个4.PC/PPI通讯电缆1根5.3号导线12根四、实验内容、步骤及操作方法1.内容:根据控制要求分配I/O点并编程完成十字路口交通灯控制的模拟实验。
2.步骤及操作方法(1)按照控制要求分配I/O点;(2)按设计好的I/O分配情况把PLC的I/O端子分别接线至对应的按钮、开关或输出指示灯。
(3)编写PLC梯形图或指令表程序使之满足控制要求,编译通过;(4)把编译好的程序下载到PLC中;(5)按下实验板上的启动按钮开始工作,顺次模拟动作实验装置,观察输出的逻辑次序是否符合控制要求,若符合,实验结束,若不符合,返回3修改程序继续调试。
4.控制接线图五、实验数据记录和处理程序注释:网络1// 初始复位LD SM0.1ON I0.0MOVB 0, VB0MOVB 0, QB0网络2// 启动上升沿、循环一个周期结束下降沿,将初始值1写入循环寄存器位LD I0.0EULD V0.5EDOLDMOVB 1, VB0网络3// 循环移位LD V0.0A T37LD V0.1A T38 OLDLD V0.2A T39 OLDLD V0.3A T37 OLDLD V0.4A T38 OLDLD V0.5A T39 OLDEUSLB VB0, 1 网络4// 各时间段控制LD SM0.0 LPSLD V0.0O V0.3 ALDTON T37, 200 LRDLD V0.1O V0.4 ALDTON T38, 30 LPPLD V0.2O V0.5 ALDTON T39, 20 网络5// 输出处理LD SM0.0 LPSLD V0.4A SM0.5O V0.3ALD= Q0.0LRDA V0.5= Q0.1LRDLD V0.0O V0.1O V0.2ALD= Q0.2LRDLD V0.1A SM0.5O V0.0ALD= Q0.3LRDA V0.2= Q0.4LPPLD V0.3O V0.4O V0.5ALD= Q0.5六、实验结果与分析1.实验结果:完成十字路口交通灯运行控制。
一、实验目的1. 理解交通灯控制系统的工作原理和基本组成。
2. 掌握PLC(可编程逻辑控制器)编程和调试方法。
3. 学习交通灯控制系统的硬件连接和电路设计。
4. 提高实际应用中解决复杂问题的能力。
二、实验原理交通灯控制系统是城市交通管理的重要组成部分,其基本原理是通过对交通信号灯进行控制,实现交通流量的有序疏导。
本实验采用PLC作为控制核心,通过编写程序实现对交通灯的定时控制。
三、实验器材1. PLC主机2. 交通灯控制模块3. 电源模块4. 交通灯模型5. 连接线四、实验步骤1. 硬件连接:- 将PLC主机与交通灯控制模块、电源模块和交通灯模型连接。
- 将PLC主机与计算机连接,以便进行程序编写和调试。
2. 程序编写:- 根据交通灯控制要求,编写PLC程序。
- 程序主要包括以下部分:- 启动信号处理:检测启动开关状态,控制交通灯开始工作。
- 定时控制:根据设定的时间,控制交通灯的红、黄、绿灯亮灭。
- 紧急处理:检测紧急处理开关状态,实现交通灯的紧急控制。
3. 程序调试:- 在计算机上运行PLC程序,观察程序运行效果。
- 根据实际情况,对程序进行调试和优化。
4. 实验验证:- 在实际硬件环境中运行程序,观察交通灯控制效果。
- 验证程序是否满足实验要求。
五、实验结果与分析1. 实验结果:- 在实验过程中,成功实现了交通灯的控制,实现了红、黄、绿灯的定时切换。
- 在紧急情况下,能够实现交通灯的紧急控制。
2. 结果分析:- 通过实验,掌握了PLC编程和调试方法,提高了实际应用中解决复杂问题的能力。
- 实验结果表明,所设计的交通灯控制系统具有良好的稳定性和可靠性。
六、实验总结本次实验成功实现了交通灯控制系统的设计与实现,达到了预期目标。
通过实验,我们掌握了以下知识点:1. 交通灯控制系统的工作原理和基本组成。
2. PLC编程和调试方法。
3. 交通灯控制系统的硬件连接和电路设计。
本次实验提高了我们的实际应用能力,为以后从事相关领域工作奠定了基础。
§3 十字路口交通灯实验
3. 1 实验目的
1.练习根据控制任务设计PC控制电路和程序。
2.练习组建模拟实验线路并进行程序调试。
3.练习可编程控制器在时间顺序(不等间隔)控制中的应用。
3.2 实验设备
实验箱、连接线、通信电缆、计算机、编程软件
3. 3 实验内容
图4.1 十字路口的信号灯示意图
I/O分配
十字路口的信号灯分为南北和东西方向两组。
PLC输出 01000—(东西方向绿灯);
01001—(东西方向黄灯);
01002—(东西方向红灯);
01003—(南北方向绿灯);
01004—(南北方向黄灯);
01005—(南北方向红灯);
●实验内容:
闪烁的频率为0.2亮和0.2灭。
●实验步骤
1、编写梯形图程序,下载实验程序,成功完成后,使PLC处于监控
状态,RUN指示灯亮;
2、注意交通信号灯的运行情况和编程软件中的定时器运行情况,反复
调试直到满足控制要求。
4. 4 实验报告
写出调试通过的梯形图和命令语句表。
附I/O分配表。
仔细观察实验现象,认真记录实验中发现的问题、错误、故障及解决方法。
十字路口交通灯控制
一、实验目的
1.掌握定时器指令的使用及编程方法。
2.掌握复杂梯形图的编制方法。
3.掌握十字路口交通灯控制系统的接线、调试、操作方法。
二、实训设备
三、面板图
四、控制要求
五、端口分配及接线图
1
2.控制接线图
六、操作步骤
1.按控制接线图连接控制回路;
2.将编译无误的控制程序下载至PLC中,并将模式选择开关拨至RUN状态;
3.拨动启动开关SD为ON状态,观察并记录东西、南北方向主指示灯点亮状态;
4.尝试编译新的控制程序,实现不同于示例程序的控制效果。
七、实训总结
1.尝试分析整套系统的工作过程;
2.尝试用其他不同于示例程序所用的指令编译新程序,实现新的控制过程。
八、示例程序。
25S30S30S 25S20S3S 2S3S 2S起动X400 B3-1 交通信号灯时序波形图南北红灯东西绿灯东西黄灯 东西红灯 南北绿灯南北黄灯实验三 十字路口交通灯自动控制的编程实验一. 实验目的1. 进一步练习定时器、计数器的基本使用方法。
2. 掌握PLC 的编程和调试方法。
3. 初步了解应用PLC 解决实际问题的全过程。
二. 控制要求十字路口简单交通信号灯的基本控制要求如下:信号灯受一个起动开关控制。
当起动开关接通时,信号灯系统开始工作。
先南北红灯亮,东西绿灯亮。
工作时序波形图如图B3-1所示。
南北红灯亮维持25S ,在南北红灯亮的同时,东西绿灯也亮,并维持20S 。
到20S 时,东西绿灯闪亮,绿灯闪亮周期为1S (亮0.5S ,熄0.5S )。
绿灯闪亮3S 后熄灭,东西黄灯亮,并维持2S 。
到2S 时,东西黄灯熄,东西红灯亮,同时南北红灯熄,南北绿灯亮。
东西红灯亮维持30S ,南北绿灯亮维持25S 。
到25S 时,南北绿灯闪亮3S 后熄灭,南北黄灯亮,并维持2S 。
到2S 时,南北黄灯熄,南北红灯亮,同时东西红灯熄,东西绿灯亮,开始第二周期的动作,以后周而复始地循环。
当起动开关断开时,所有信号灯熄灭。
三. I/O 接线图采用CPU224,I/O 端子分配及接线如图B3-2所示。
分析时序波形图可知,一个循环周期可分为两节拍:第一节拍为南北红灯亮,东西绿灯、东西黄灯工作,需20S 、3S 、2S 的定时器三个。
25S 的定时由前三个定时器累加得到。
第二节拍为东西红灯、南北绿灯、南北黄灯工作,需25S 、3S 、2S 的定时器三个,30S 的定时由前三个定时器累加得到。
此外还需一个用来产生闪烁的定时器。
南绿灯 北绿灯 起动开关南黄灯 北黄灯 南红灯 北红灯东绿灯 西绿灯 东黄灯 西黄灯 东红灯 西红灯I0.0 M 1ML+ 1L+ Q0.0 Q0.2 Q0.12L+ Q0.4Q0.5Q0.6B3-2 交通信号灯控制I/O 接线图定时器分配如表B3-1所示。
2.4实验详细步骤首先接线,8255C口的0、1、2、5、6、7号管脚接LED显示电路L0、L1、L2、L5、L6、L7,D0~D7接JD1,RD*、WR*、A0、A1、RESET、CS*接IOR、IOW、A0、A1、RST、Y1,各模块接电。
然后运行DVCC软件,替换I/O基址,汇编、链接、运行,查看结果。
2.5实验结果LED显示电路的L0、L1、L2、L5、L6、L7按照十字路口交通灯的变化规律显示。
2.6实验过程遇到的问题与解决方案当出现红绿灯交换闪烁时,老师说体现不了交叉路口的灯的感觉(灯的排布的问题),后来我们把两个控制线叠加连接,使相同的灯闪烁。
江西理工大学《微机原理与接口技术》课实验报告实验二交通灯控制实验专业班级实验人学号实验日期同组人2.1 实验目的通过并行接口8255实现十字路口交通灯的模拟控制,进一步掌握对并行口的使用。
2.2实验内容1.如图16-1,L8、L7、L6作为南北路口的交通灯与PC7、PC6、PC5相连,L2、L1、L0作为东西路口的交通灯与PC2、PC1、PC0相连。
编程使六个灯按交通灯变化规律亮灭。
2.L0对应东西路口绿灯,L1对应东西路口黄灯,L2对应东西路口红灯;L6对应南北路口绿灯,L7对应南北路口黄灯,L8 对应南北路口红灯。
D034D133D232D331D430D529D628D727PA04PA13PA22PA31PA440PA539PA638PA737PB018PB119PB220PB321PB422PB523PB624PB725PC014PC115PC216PC317PC413PC512PC611PC710R D5W R36A09A18R ESET35C S6U18255D0D1D2D3D4D5D6D7/R D/W RA0A1R STPA0PA1PA2PA3PA4PA5PA6PA7PB0PB1PB2PB3PB4PB5PB6PB7PC0PC1PC2PC3PC4PC5PC6PC7R14.7KVCCD0D1D2D3D4D5D6D7JD1IORIOWA0A1RST(288H)Y1L6L7L8L0L1L28255C S图2-12.3实验整体思路实验时,首先根据实验手册连线,待连好后检查无误时,打开电脑中的程序,修改其地址,然后运行程序。