KF-2008H型焦炭反应性及反应后强度
- 格式:doc
- 大小:49.50 KB
- 文档页数:4
注焦炭反应性及反应后强度试验方法1 范围本标准规定了测定焦炭反应性及反应后强度试验方法的原理、试验仪器、设备和材料、试样的采取与制备、试验步骤、试验结果的计算及精密度。
2 本标准适用高炉炼铁用焦的焦炭反应性及反应后强度的测定, 其他用途焦炭可参照执行。
3 规范性引用文件下列文件中的条款通过本标准的引用而成为本标准的条款。
凡是注日期的引用文件, 其随后所有的修改单(不包括勘误的内容)或修订版均不适用于本标准, 然而, 鼓励根据本标准达成协议的各方研究是否可使用这些文件的最新版本。
凡是不注日期的引用文件, 其最新版本适用于本标准。
GB/T1997-1989 焦炭试样的采取和制备GB/T2006-1994 冶金焦炭机械强度的测定方法4 原理称取一定质量的焦炭试样, 置于反应器中, 在1100℃±5℃时与二氧化碳反应2小时后, 以焦炭质量损失的百分数表示焦炭反应性(CRI%)。
5 反应后焦炭, 经I型转鼓试验后, 大于10mm粒级焦炭占反应后焦炭的质量百分数, 表示焦炭反应后强度(CSR%)。
6 试验仪器、设备和材料6.1 电炉电炉用电炉丝、碳化硅或其它能满足试验要求的加热元件加热均可。
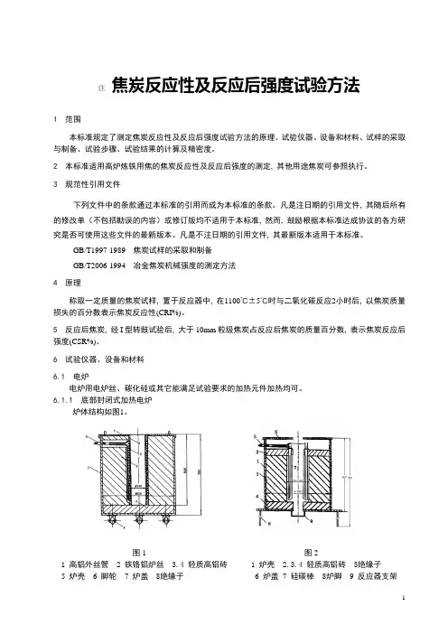
6.1.1 底部封闭式加热电炉炉体结构如图1。
图1 图21 高铝外丝管2 铁铬铝炉丝 3.4 轻质高铝砖 1 炉壳 2.3.4 轻质高铝砖 5绝缘子5 炉壳6 脚轮7 炉盖8绝缘子 6 炉盖7 硅碳棒8炉脚9 反应器支架炉膛内径140mm, 外径160mm, 高度640mm(高铝质外丝管)。
加热元件: 使用碳化硅加热器或者电炉丝, 前者的使用寿命较长, 后者的使用寿命较短, 而且更换麻烦。
6.1.2 使用电炉丝时的电炉安装要点:炉壳底部封闭, 上口敞开, 预先在底板上装好脚轮。
在底部铺一层耐火砖, 将绕好电阻丝的外丝管立放于底板正中。
在外丝管与炉壳间隙之间, 填充轻质高铝砖预制件(由标准尺寸的轻质高铝砖切制)或者保温棉, 炉丝由上下两端引出, 与固定在炉壳上的绝缘子相联接。
焦炭反应性及反应后强度机械制样技术规范篇一:焦炭反应性及反应后强度试验操作规程焦炭反应性及反应后强度试验操作规程(一)取样与制样1.取样按GB1997规定的取样方法,按比例取大于25mm焦炭20kg,弃去泡焦和炉头焦。
2.制样方法(1)用颚式破碎机破碎、混匀、缩分出10kg,用Φ25mm、Φ23mm圆孔筛筛分;大于Φ25mm的焦块再破碎、筛分。
(3)取Φ23mm的筛上物,去掉片状焦和条状焦,保留较厚片状焦和和较粗条状焦用手工修整成颗粒状焦片,用Φ23mm圆孔筛筛分后与未经过修整的颗粒状焦块混匀。
缩分得焦块2kg。
(4)分两次(每次1kg)置于I型转鼓中,以20r/min的转速转50r(2分30秒)。
(5)取出后再用Φ23mm圆孔筛筛分。
(6)将筛上物缩分出900g作为试样。
用四分法将试样分成4份,每份不得少于220g.(7)在170-180度的烘箱中,烘干时间不低于2小时;取出焦炭冷却至室温。
取出后再用Φ23mm圆孔筛筛分。
称取200g±0.5g(二)试验过程1. 先将气体减压阀打开。
2. 按以下要求,对试验用焦炭进行称量、并装入反应罐中。
(1)称量200克±0.5g焦炭,记为m0,盖上筛盖,大幅度筛动20下,筛去浮灰。
(2)将反应罐下部先放一个筛板,再放73颗左右高铝球,拨平后再放一个筛板,使H球+筛≈90~100mm。
(5)将称量好的焦炭一半放入反应罐中将筛板压住再将反应罐倾斜,将剩下的的焦炭放入反应罐中,保持反应罐倾斜,将柔性垫和炉盖插入反应罐中扶正。
H焦≈80mm。
(6)称量装完后余下的筛底中的粉焦记为m粉,则m=m0-m 粉。
(7)拧上反应罐法篮的螺钉,以便密封(注意用力均匀)。
3.将反应罐装入炉内,将热电偶插入护管底部,接通进气管和出气管;将热电偶信号线、挂在支架上避免碰到炉体。
4.开配电箱内的空气开关,开控制柜总电源开关。
5.开计算机,进入焦炭反应控制系统:(1)调用1100开度制度并发送给下位机;(2)输入文件名;(3)开控制柜上的启动开关;(4)在温度控制画面中选择阀门自动或手动控制,点击启动按钮。
焦炭反应性及反应后强度的测定1主要内容及适用范围规定了测定焦炭反应性及反应后强度的方法提要、实验仪器、设备和材料、试样的采取和制备、实验步骤、试验的结果计算和精密度。
适用高炉炼铁用焦的焦炭反应性及反应后强度的测定,其它用途可参照执行。
2 原理称取一定质量的焦炭试样,置于反应器中,在1100+5℃时与二氧化碳反应2小时后,以焦炭质量损失的百分数表示焦炭反应性(CRI%)。
反应后的焦炭,经I型转鼓试验后,大于lOmm粒级焦炭占反应后焦炭的质量百分数,表示反应后强度(CSR%)。
3 试验仪器、设备和材料电炉、反应器、I型转鼓、转鼓控制器、圆孔筛、干燥箱、架盘天平、红外线灯泡、热电偶、筛板、高铝球、托架、反应器支架、块焦反应监控仪、计算机显示器、二氧化碳供给系统及氮气供给系统中的(转子流量计、洗气瓶、干燥塔、,缓冲瓶)等。
4 技术条件4.1 升温速度:O-1100℃,平均升温速度为8-16℃/min。
4.2 控温精度:1100±5℃,通二氧化碳j言面度在10-25min内恢复到1100±5℃。
4.3 通气温度:400℃时通氢气,1100℃切断氮气通二氧化碳。
4.4 温度显示误差:不大于±5℃。
4.5 时间显示误差:24小时内不大子30s。
4.6 电源电压:220(±10%)V,500HZ。
4.7 最大负载功率:8千瓦。
4.8 使用环境:温度10-35℃,湿度不大于80%,周围无强电磁场及腐蚀性气体的场所。
5 操作程序5.1 试验前试样的采取和制备5.1.1 按GBl997规定的取样方法,按比例取大于25mm焦炭20kg,弃去泡焦和炉头焦。
用颚式破碎机破碎、混匀、缩分出10kg,再用φ25mm、φ21mm圆孔筛筛分,大于φ25mm的焦块再破碎、筛分,取φ21mm筛上物,去掉片状焦和条状焦,缩分得焦块2kg,分两次(每次lkg)置于I型转鼓中,以20r/min的转速,转50r,取出后再用φ21mm圆孔筛筛分,将筛上物缩分出900g作为试样,用四分法将试样分成四份,每份不少于220g。
焦炭反应性及反应后强度
焦炭反应性是指煤中的分子组成对反应热的响应能力,也就是焦炭可
以通过热量和其他物质的反应而发挥的作用。
焦炭的反应性主要取决于其
组成元素的种类数量以及分子结构。
焦炭的反应性直接影响着焦炭的热解
性能,也影响焦炭在高温下的拉伸强度。
焦炭反应后强度和焦炭反应性有关系。
焦炭反应后强度取决于焦炭在
反应过程中的温度和质量,及焦炭的特性和结构的变化。
一般采用高温反
应或是热处理的方式进行反应,反应本身也会产生新的化学物质,这些除
了热解将焦炭变为气体外,还会形成一层结晶状的化合物,这些结晶状的
化合物可以紧密的结合在彼此之间,从而能够显著提高焦炭的反应后强度。
焦炭反应性及反应后强度试验中注意事项:焦炭反应性及反应后强度是评价焦炭热性质的重要指标,对高炉冶炼影响很大。
近年来随着高炉大型化,该两个指标越来越受到人们的重视,许多国家根据国资源和技术需要制定不同的测试方法,并用相应的指标来控制焦炭的质量,我国于1983年制定了国家标准,但是由于试验条件不易掌握,导致两指标的测定值误差较大,影响了对焦炭质量的评价。
根据几年来的工作经验,提出几个测定中注意的问题仅供大家参考。
1.自测观察其大小是否均匀外,每次试验不仅要保证试样质量符合标准。
同时还要尽量使试样的焦块数目相等。
在反应器底部装100mm后高铝球时要装平,装焦炭块时也要均匀装平。
2.按GB/T4000-2008规定,焦炭在装入反应器前需在烘箱中干燥,温度在170-180度,干燥2小时,去除焦炭外表面吸收的水分,放入干燥器中冷却到室温。
称重(200±0.5g)入炉,为防止试验过程中焦炭丢失影响试验的准确性,试验做完后,要重新数一数焦块数目,检查与装入数目是否一致,还要检查以下反映后的焦块,如果有说明取样不好,数据的代表性和准确性差。
1.严格按照国标制焦炭样使粒度形状尽量接近。
(1).按GB/T4000-2008规定的制样方法,按比例取大于25mm焦炭20kg,弃去泡焦和炉头焦。
用颚式破碎机破碎、混匀、缩分出10kg,再用25mm、23mm圆孔筛筛分,大于25mm焦块再破碎、筛分。
取23mm筛上物,去掉薄片状焦和细条状焦,保留较厚片状焦和较粗条状焦,并将较厚片状焦和较粗条状焦用手工修整成颗粒状焦块,用制样方法一(1)在厚度为8-10mm的钢板上,钻若干个直径为21mm的圆孔钢板,在此钢板砸出110粒焦炭试样。
(2)在170-180度的烘箱中,烘干时间不低于2小时;取出焦炭冷却至室温。
(3)用二分法将试样分成2份,放入干燥瓶中备用。
制样方法二(1)用颚式破碎机破碎、混匀、缩分出10kg。
(2)用Φ25mm、Φ21mm圆孔筛筛分;大于Φ25mm的焦块再破碎、筛分。
探究焦炭反应性及反应后强度测定中应注意问题邝宏春【摘要】Based on mass literature information,starting from aspects of thermocouple,CO 2 airflow,constant temperature section,temperature, parameters determination of automatic temperature controlling system,and strict airing system,the article summarizes coke reactivity and post-re-action strength measurement matters,with a view to improve measurement accuracy of the above-mentioned two indexes.%通过查阅大量的文献资料,从热电偶、CO 2气体流量、恒温段、温度、自动控温系统中参数的设定、供气系统的严密性等方面,总结了焦炭反应性及反应后强度测定中应注意的问题,以期提高这两个指标测定结果的准确性。
【期刊名称】《山西建筑》【年(卷),期】2016(042)032【总页数】3页(P99-100,101)【关键词】焦炭;热电偶;控温系统;供气系统【作者】邝宏春【作者单位】山西省地质勘查局二一三地质队,山西临汾 041000【正文语种】中文【中图分类】TF526.1作为高炉冶炼作业中评价焦炭热性质的关键参数,焦炭反应性及反应后强度在很大程度上影响着高炉冶炼。
并且随着高炉逐渐向着大型化发展,人们对上述2个指标的关注程度越来越高。
大多数国家都依据自己的技术、资源情况,研发了不同的测定方法,同时运用这两种指标来提高焦炭质量。
我们国家在1983年的时候也有了自己的标准,1999年,2008年这两年又对其做出了修订。
燃料与化工Fuel &Chemical Processes2012年3月第43卷第2期随着高炉生产大型化和喷煤技术的应用,焦炭在高炉中的骨架作用更为重要,焦炭反应性(CRI )及反应后强度(CSR )已经成为评价焦炭质量优劣的重要指标[1-2]。
本文对影响CRI 及CSR 检测方法的各种因素进行分析,以找到测试结果重现性较差的原因,从而使焦炭热性能实验能够真实反应焦炭质量。
1实验部分1.1实验设备电子天平:MP2100型;干燥箱:101型;标准筛:23mm 、25mm 、10mm ;I 型转鼓机:转速20±1.5r/min ;反应器:高温合金钢制成;S 分度热电偶:规格700mm ;氮气:氮含量大于99.99%;CO 2气体:CO 2含量大于99.99%;焦炭反应性装置:KF —100型,鞍山热能研究院制造。
1.2实验方法按GB 1997取样,并按GB/T 4000—2008制取准23~25mm 的样品900g ,缩分出220g 左右,烘干后待用。
称取200g 样品置于反应器中,在1100℃通CO 2气体反应2h ,以焦炭质量损失的百分数表示CRI 。
反应后的焦炭再以20r/min 的转速在I 型转鼓机转30min 后,用大于10mm 粒级的焦炭占反应后焦炭的质量百分数表示CSR 。
2影响因素与结果讨论2.1试样的影响样品的均匀性影响实验结果的重复性。
样品的粒度变化造成焦粒表面积的差异,使实验过程中反应界面不同,从而造成实验结果的差异。
GB/T4000—2008中已经将样品的粒度范围由准21~25mm 修订为准23~25mm ,实验过程中样品的粒度和粒数趋于一致。
取制样的人为因素也影响实验结果的重复性。
保留泡焦和焦头的热性能实验结果表明,CRI 极差为6.1%,CSR 极差为9.0%,大大超出实验重复性要求[3]。
虽然GB/T 4000—2008中明确要求弃去泡焦,但泡焦的区分和判断上的人为差异仍会造成样品的差异。
焦炭反应性和反应后强度关系及影响因素论文【摘要】为了预测焦炭在高炉中的反应行为,本文对某公司大量的焦炭进行了检测及数据分析,说明焦炭反应性与反应后强度之间有良好的负相关性。
对焦炭冷态强度与热态性能之间进行了对比,建议企业在保证焦炭的冷态强度合格的同时更要关注焦炭的热态性能指标。
在高炉内焦炭起到骨架支撑、还原剂和燃料的作用。
高炉内下降的液态炉渣及铁水都需要通过焦炭料柱的孔隙落入炉缸,而上升的气流也需要通过焦炭料柱的孔隙到达炉顶,因此,焦炭料柱必须要有良好强度才能保证高炉冶炼过程能顺利进行。
焦炭质量指标确定为6个:M40和M10两个冷态性能指标,CRI和CSR两个热态性能指标,还有灰分(Ad)和硫分(Sd)两个成分指标。
CRI是指焦炭的化学稳定性,CSR是指焦炭在炉内的高温稳定性。
焦炭的热态性能变差时,往往会造成高炉顺行变差或失常,直接影响产量和综合焦比。
因此降低CRI、提高CSR、改善高温性能已成为炼焦炼铁界共识。
一、试验方法1、焦炭反应性试验方法。
按照GB/T4000-2008,称取一定质量的焦炭试样,置于反应器中,在(1100±5)℃时与二氧化碳反应2h 后,以焦炭质量损失的百分数表示焦炭的反应性(CRI%)。
2、焦炭反应后强度实验方法.按照GB/T4000-2008,反应后的焦炭经过Ι型转鼓以20r/Min的转速共转30Min,总转数600转后,取出焦炭筛分、称量、记录各筛级质量,大于10MM粒级的焦炭占反应后焦炭的质量百分数表示焦炭的反应后强度(CSR%)。
3、焦炭取制样方法.按照GB/T1997规定的取样方法,按照GB/T4000-2008规定的试验操作方法,注意严格控制好设备的气密性、不同阶段气体的流速、各阶段的升温速度以及试验用气体的纯度。
二、焦炭的反应性和反应后强度的关系按上述试验方法对某公司的焦炭进行大量的测定并对数据进行分析,发现二者之间具有负相关性。
即反应性CRI每降低1%,反应后强度CSR就增加1.13%,反之亦然。
关于焦炭热反应性反应后强度检测中的几个问题思考作者:刘海莹来源:《中国科技博览》2016年第04期[摘要]焦炭反应性及反应后强度是评价焦炭热性质的重要指标,本文对焦炭反应性及反应后强度,检测进行了思考,阐述了影响检测结果的几种因素如粒度形状、热电偶的位置、自动控温的参数、气流控制、CO2纯度。
[关键词]焦炭;反应后强度;检测中图分类号:TQ533 文献标识码:A 文章编号:1009-914X(2016)04-0061-011 前言焦炭反应性及反应后强度作为评价焦炭热性质的关键指标,对高炉冶炼具有较高影响。
当前高炉大型化,这两个指标也越来越重要,根据本单位在检测这两项指标的过程中积累的经验,提出检测过程中应注意的一些问题。
取一定质量的焦炭试样,置于反应器中,在1100+5℃时与二氧化碳反应2小时后,以焦炭质量损失的百分数表示焦炭反应性(CRI%)。
反应后的焦炭,经I型转鼓试验后,大于lOmm粒级焦炭占反应后焦炭的质量百分数,表示反应后强度(CSR%)。
2、粒度形状要求焦样粒度取200±0.5g焦炭试样约38~42个,在反应器底部铺一层高约100mm的高铅球,上面平放筛板。
由于焦块粒度和形状对反应性有一定影响,粒度范围宽,形状变化大,必然会使试验数据分散。
选取试样粒度相近的焦块按比例取大于25mm焦炭20kg,弃去泡焦和炉头焦。
用颚式破碎机破碎、混匀、缩分出10kg,再用φ25mm、φ21mm圆孔筛筛分,大于φ25mm的焦块再破碎、筛分,取φ21mm筛上物,去掉片状焦和条状焦,缩分得焦块2kg,分两次置于I型转鼓中,以20r/min的转速,转50r,用φ21mm圆孔筛筛分,将筛上物缩分出900g作为试样,用四分法将试样分成四份,每份不少于220g。
试验焦炉的焦炭可用40mm~60mm粒级的焦炭进行制样。
将制好的试样放入干燥箱中,在170~180℃温度下烘干两小时,取出焦炭冷却至室温,称取200±5g待用[1]。
焦炭反应性及反应后强度测定中应注意的问题【摘要】焦炭反应性和反应后强度是指导高炉生产的重要指标,但焦炭反应性及反应后强度测定中测定结果受试样加工、反应温度及保护气体流量等因素的影响都很大。
所以,如何控制好这些因素,使测定结果能正确指导生产,是人们一直关心的问题。
本文通过大量实验数据,总结出焦炭反应性及反应后强度测定中应注意的事项。
【关键词】反应性和反应后强度;样品形状;升温速度;反应温度;气体流量焦炭反应性和反应后强度是指导高炉生产的重要指标,近年来,高炉炼铁越来越大型化,此项指标可较好的反映焦炭的热性能情况以及在高炉中的骨架作用,指导焦炭的生产和高炉使用焦炭[1]。
在钢铁产量快速发展的今天,焦炭反应性及反应后强度测定已成为钢铁企业分析检验部门的日常工作。
随着钢铁企业之间竞争的日益加强,GB/T4000-2008[2]已被许多企业采用,但由于不同的操作人员对实验条件的掌握不尽相同,影响了对焦炭质量的评价。
本文通过丰富的实验数据,总结出焦炭反应性和反应后强度测试中需要注意的问题。
1.在制样过程中,应尽量选取接近球形的样品来试验GB/T4000-2008修定了GB/T4000-1996中的制样方法,焦样粒度由φ21 25改为φ23 25,焦炭样品的粒度范围缩小了,使所取焦炭样品粒度更接近,使试验结果更准确。
但对试样的具体形状,没做严格要求,这样一来,不同的试验者选取试样的标准不一样,导致试验结果相差较大。
通过大量实验发现,如果在筛子上的样品试验者不认真挑选,所取的片状焦过多,就会使测得的反应性偏高,反应后强度偏低。
片状焦越多,焦炭反应性偏高越多,焦炭反应后强度偏低得越多。
而所选的焦炭越接近球形,所测得的反应性及反应后强度值越接近真实值。
2.升温速度要按要求进行,反应温度要严格控制通过试验发现,升温速度太快或太慢都会影响反应结果,一般升温时间在100min附近最好,升温速度过快,就会在保护气对焦炭没保护好之前,焦炭由于温度过高而与氧气发生反应,使测得的反应性严重偏高,反应后强度结果严重偏低。
块焦炭反应性和反应后强度检验稳定性的探讨目前焦炭的质量对高炉生产的稳定性、炼铁的成本、物料量大影响都比较大。
特别是在1350m2以上的大高炉对焦炭的各项指标要求比较高,随着燃料的紧缺,焦炭的各项指标波动越来越大,检验工作的难度越来高,要求也越来越严。
因此焦炭的热强度已经成为衡量焦炭质量指标的基准。
焦炭反应性(CRI)和反应后强度(CSR)是表征焦炭热态强度的重要指标,焦炭与CO2的反应程度直接反映了焦炭在高炉中的行为,因此焦炭热态检验的稳定性为高炉生产提供强有力的保障。
标签:焦炭反应性;影响因素;制样粒度;温度控制1 试验原理、定义、试验技术条件(1)试验原理是焦炭在1100℃高温下与CO2发生反应,测定反应后焦炭失重率及其机械强度,即焦炭反应性及反应后强度。
(2)焦炭反应性指块度为φ23mm-φ25mm焦炭在1100±5℃时与CO2反应2h后,焦炭重量损失的百分数。
(3)反应后强度指反应后焦炭,经I型转鼓试验后,大于10mm粒级焦炭占反应后焦炭的重量百分数。
(4)试验技术条件。
a.控温范围:0~1100℃。
b.控温精度:1100±5℃。
c. CO2和N2的气体控制流量及精度:入口气体压力允许范围为0.2~0.3MPa,最大流量为20L/min,控制精度不大于±2%。
d.温度显示误差:不大于±5℃。
e.时间显示误差:24小时内不大于30S。
f.电源电压:220(±10%)V,50Hz。
g.最大负载功率:8千瓦。
h.使用环境:温度10~35℃,湿度不大于80%,周围无强电磁场及腐蚀性气体的场所。
i.升温时N2为0.8L/min,反应时CO2为4L/min,冷却时N2为2.0L/min。
2 试验的采取制备按GB1997规定的取样方法,按比例取不小于25mm焦炭20kg,弃去泡焦和炉头焦。
用颚式破碎机破碎、混匀、缩分出10kg,再用φ25mm、φ23mm圆孔筛筛分,大于φ25mm的焦块再破碎筛分,取φ23mm筛上物,去掉片状焦,缩分得焦块2kg,分两次(每次1kg)置于I型转鼓中,以20r/min的转速,转50r,取出后再用φ23mm圆孔筛筛分,将筛上物缩分出900g作为试样,用四分法将试样分成四份,每份不少于220g。
文件号:
KF-2008H型焦炭反应性及反应后强度
测定仪
2011年月日发布 2011年月日实施鞍钢集团朝阳鞍凌钢铁有限公司
化检验中心
CMW/AnLsteel 6240 EA (0403)-2010/0 第1页共4页
文件更改一览表
KF-2008H型焦炭反应性及反应后强度使用与维护规程
本规程适用于KF-2008H型焦炭反应性及反应后强度使用与维护。
该设备是一种通用的加热设备
一、操作
主要技术参数
a、功率:7kw。
b、控温范围:0℃-1150℃,分辨率:1℃。
c、控温精度:1100±2℃。
d、控温元件:N型热电偶。
e、加热体:硅碳棒。
f、电源电压:AC220V±10%,50Hz±5%三相五线制。
二、操作方法
1:将承重好的焦炭(200±0.5g)放入反应器中,并拧紧螺丝,防止漏气。
2:打开测定仪总电源,先打开PLC电源,待初始化结束后,再打开控制电源,将反应器升入加热炉。
3:打开计算机,进入KF2008H程序,点击“主回路启动”,再点击“运行”,实验开始。
打开氮气和二氧化碳气的气瓶。
4:当中心温度达到400℃时,系统会自动接通氮气(0.8L/min)。
5:当中心温度达到1050℃时,系统会自动给二氧化碳气瓶瓶口预热。
6:当中心温度达到1100℃稳定10分钟后,系统会自动切断氮
气,改通二氧化碳气(5L/min)。
开始反应。
7:当反应结束后(120分钟),升降器会自动下降,系统会自动切断二氧化碳气,改通氮气(2L/min)。
开始降温。
8:当中心温度降到100℃时,点击系统中的“停止”,再点击“主回路停止”,将焦炭取出,称重并记录。
关闭氮气和二氧化碳气的气瓶。
9:将称重后的焦炭放入I型转鼓转600r(20r/min)。
10:将转鼓后的焦炭取出,过筛(Φ10mm),称取筛上物并记录。
11:打开报告,认真填写并报存(在E盘)打印,实验结束。
二、保养与维护
1、维护过程中应注意易损件位置,以免维修过程中易损件损坏。
2、设备用完后应定期除尘保养,以免灰尘过多影响实验结果。
三、注意事项
1、反应器上升时一定要对准炉膛不要碰炉壁。
编制人:罗慧远审核人:王身庆批准人:宋任伟。