别克GL8 豪华商务车保修及保养手册
- 格式:pdf
- 大小:924.50 KB
- 文档页数:82
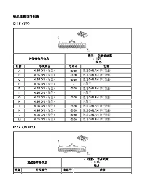
星形连接器端视图 X117(I/P )X117(BODY )连接器部件信息l线束: 仪表板线束l OEM : l 描述:针脚 导线颜色 电路号 功能A 0.35 GN (绿色) 5060 低速GMLAN 串行数据B 0.35 GN (绿色) 5060 低速GMLAN 串行数据C 0.35 GN (绿色) 5060 低速GMLAN 串行数据D 0.35 GN (绿色) - 未使用E 0.35 GN (绿色) 5060 低速GMLAN 串行数据F 0.35 GN (绿色) - 未使用G 0.35 GN (绿色) 5060 低速GMLAN 串行数据 H 0.35 GN (绿色) - 未使用J 0.35 GN (绿色) 5060 低速GMLAN 串行数据 K 0.35 GN (绿色) 5060 低速GMLAN 串行数据 L 0.35 GN (绿色) 5060 低速GMLAN 串行数据 M0.35 GN (绿色)5060低速GMLAN 串行数据连接器部件信息l线束: 车身线束l OEM : l 描述:针脚导线颜色电路号功能A 0.35 GN(绿色)5060 低速GMLAN 串行数据B - - 未使用C - - 未使用D 0.35 D-GN (深绿色)5059 低速GMLAN 串行数据E 0.35 GN(绿色)5060 低速GMLAN 串行数据F 1.35 D-GN (深绿色)5061 低速GMLAN 串行数据G 0.35 GN(绿色)5060 低速GMLAN 串行数据(GT&XT)H 0.35 GN(绿色)- 未使用J 0.35 GN(绿色)5060 低速GMLAN 串行数据(GT&XT)K 0.35 GN(绿色)- 未使用L 0.35 GN(绿色)5060 低速GMLAN 串行数据(GT&XT)M 0.35 GN(绿色)5060 低速GMLAN 串行数据(GT&XT)。
暖风、通风和空调系统规格紧固件紧固规格应用规格公制英制空调压缩机软管锁止附件至储能器螺栓16牛z米11磅力英尺空调压缩机软管锁止附件至压缩机螺母33牛z米24磅力英尺空调压缩机软管锁止附件至辅助(后)吸入管螺栓16牛z米11磅力英尺储能器箍带螺栓 5.5牛z米49磅力英寸空气分配器壳体盖 1.6牛z米14磅力英寸进气壳体螺钉 1.6牛z米14磅力英寸进气阀电动执行器螺钉 1.6牛z米14磅力英寸鼓风机马达电阻器/继电器螺钉 1.9牛z米16磅力英寸鼓风机马达螺钉20牛z米15磅力英尺中心空气分配管固定螺母10牛z米89磅力英寸压缩机装配螺栓50牛z米37磅力英尺压缩机轴螺母18牛z米13磅力英尺除霜器出口管道固定螺钉10牛z米89磅力英寸加热器空调系统模块螺栓至内乘客室20牛z米15磅力英尺加热器空调系统模块螺母至发动机室10牛z米89磅力英寸加热器空调系统模块上装配螺钉 1.6牛z米14磅力英寸加热器芯线路卡夹螺钉 1.6牛z米14磅力英寸加热器芯装配卡夹螺钉 1.6牛z米14磅力英寸加热器盖螺钉 1.6牛z米14磅力英寸加热器进口管装配螺母7牛z米62磅力英寸在锁止装配螺栓处的液体管路16牛z米12磅力英尺辅助加热器空调系统模块装配螺栓和螺母10牛z米89磅力英寸制冷剂管路托架螺母 3.3牛z米29磅力英寸储能器接头处的吸入管47牛z米35磅力英尺芯组装配螺栓处的吸气管路16牛z米12磅力英尺节温器旁通管螺栓至气缸盖25牛z米18磅力英尺节温器旁通管螺栓至水泵12牛z米106磅力英寸节温器旁通管螺母25牛z米18磅力英尺热膨胀阀螺栓5牛z米44磅力英寸热膨胀阀管路托架螺栓 1.6牛z米14磅力英寸温度阀电动执行器螺钉 1.6牛z米14磅力英寸模式执行器螺钉 1.6牛z米14磅力英寸进风门执行器螺钉 1.6牛z米14磅力英寸接头和管路紧固扭矩值应用规格公制英制空调系统压力传感器5牛z米44磅力英寸空调系统制冷剂维修阀11牛z米98磅力英寸压缩机泄压阀9牛z米80磅力英寸冷凝器接头处的液体管路27牛z米20磅力英尺量孔接头处的液体管路27牛z米20磅力英尺后接头处的液体管路27牛z米20磅力英尺系统容积参数应用规格公制英制空调系统R-134a加注容量 1.1千克 2.4英磅制冷剂油分布规格应用材料类型上海通用汽车件号空调系统空气和接头润滑油525 粘度矿物机油12301108或等效产品空调系统内部润滑油(包括压缩机)聚烷撑二醇(PAG)合成制冷剂润滑油12378526或等效产品诊断信息和程序泄漏测试制冷系统泄漏测试遇到如下情况之一时,对制冷系统进行制冷剂泄漏测试:z因系统指示制冷剂缺少时而怀疑泄漏。
中控方向盘第1段● 内饰:环抱式座舱设计、悬浮式中控内饰方面,全新别克GL8豪华商务车的最大特色就是采用了家族化的环抱一体式座舱设计,采用上深下浅的配色效果,在方向盘、换挡把以及中央显示屏处都有不同程度的镀铬装饰,相比起老款车型,更加清新,也更加高档。
不过由于中控材质为硬质塑料,触碰起来手感并不是很好。
而中控台设计和它的家族兄弟一样采用悬浮式,为的是方便驾驶者操作按键。
节选自《充分满足后排乘客全新GL8顶配抢先实拍》返回顶部↑中控方向盘第2段天窗尺寸第1段我们再来看看车内座椅和车身细节等部分,在最顶配车型上,采用的是双片式电动天窗,相比马自达8、普瑞维亚来说,GL8的后排乘客在这方面的待遇显得更加优越。
后备厢第1段● 后备厢:后备厢方面,目前没有准确的数据。
不过从视觉上看,在不放倒第三排座椅的情况下,GL8的置物空间并不算小,装备一些日常出行的物品等应该是绰绰有余。
动力系统第1段● 动力全面升级:3.0L/2.4L全新发动机+6速手自一体变速器动力方面则是我们很熟悉的组合了,3.0L V6 SID直喷发动机能够提供190kW(258马力)/6800rpm的最大功率和290Nm/5200rpm的最大扭矩,官方公布的数据显示,这款3.0L发动机能使全新GL8在10.9秒内就能完成0-100km/h加速。
除了亮相的3.0L V6 SIDI智能直喷发动机之外,2.4L Eco发动机作为产品系列的另一动力选择。
可输出123kW/6500rpm的最大功率以及225Nm/4400rpm的最大扭矩。
对于消费者关心的老款变速器工作不够智能的弊病,此次升级车型上也有所改进,全系标配的是6速手自一体变速箱。
轮胎规格第1段车身尺寸第1段全新GL8车身尺寸达到了5256mm/1878mm/1800mm(不带鲨鱼鳍式天线的为1772mm),轴距则为3088mm。
从外观上来,由于全新设计的外形饱满、圆润,给人更加厚实的感觉,而相比老款车型,略多出的车身尺寸则是贡献给了造型的需要,车身内部空间并没有明显加大。
别克保养手册两次免费保养以后,需要每5000公里保养一次,一次大概200元左右吧:5000km:更换机油、机滤、添加剂10000km:更换机油、机滤、添加剂15000km:更改机油、机滤、添加剂20000km:更换机油、机滤、添加剂,并更换空气滤、汽油滤、空调滤、轮胎换位、四轮定位25000km:更改机油、机滤、添加剂30000km:更换机油、机滤、添加剂,并更换制动液、助力转向油。
其中凯越1.6l更换火花塞。
40000km:更改机油、机滤、添加剂,并更改空气滤、汽油滤、空调滤、轮胎轮转、四轮定位45000km:更换机油、机滤、添加剂,其中凯越更换正式皮带及轮500000km:更改机油、机滤、添加剂,其中君威2.0l更改火花塞,林荫大道更改油箱内的汽油滤55000km;更换机油、机滤、添加剂60000km:更改机油、机滤、添加剂,并更改空气滤、汽油滤、空调滤、轮胎轮转、四轮定位,并更改制动液、助力转为油、凯越1.6l、1.8l均更改火花塞,君威2.0l更改正式宣布皮带及轮、更改变速箱油。
100000km:更换机油、机滤、添加剂,并更换空气滤、汽油滤、空调滤、轮胎换位、四轮定位,更换火花塞高压线,发动机皮带及轮,更换防冻液、电瓶。
温馨提示信息:建议每1万公里冲洗一次发动机,每2万公里冲洗一次燃油系统,一年冲洗一次空调系统,两年冲洗一次冷却系统。
新凯越配件价格和保养说明配件名称更换费用(元)更改表明机油、机滤175每5000公里或半年更换汽油滤清器82每1万公里更改空气滤清器93每1万公里更换空调滤清器170每6万公里更改火花塞206每2.5万公里更换刹车油160每3万公里更改变速箱油335每6万公里助力转为油190每4万公里更改新凯越维修保养明细表高速行驶里程(公里)机油机滤变速箱油滤芯和汽滤空调肝益火花塞助力转为油刹车油维修保养费用5000●○○○○○○免费10000●○●○○○○免费15000●○○○○○○175元20000●○●○○○○350元25000●○○○●○○381元30000●○●○○○●510元35000●○○○○○○175元40000●○●○○●○540元45000●○○○○○○175元50000●○●○●○○556元55000●○○○○○○175元60000●●●●○○●1015元对于一款已经成熟的车型,其保养的日常使用事项是车主尤其是新车车主非常关心的问题。
车辆合格证、轮胎标签、防盗标签和维修零件识别号标签车辆合格证、轮胎标签、防盗标签和维修零件识别号标签引出编号说明车辆合格证标签:车辆合格证标签位于副驾驶员侧车门门框上。
1 品牌2 整车型号3 车辆识别代号(VIN)4 制造年月5 座位数6 最大设计总质量(千克)7 发动机额定功率(千瓦)8 发动机排量(升)9 发动机型号轮胎标签:轮胎标签位于驾驶员侧前车门上。
10 前/中/后排载客人数11 总乘客数12 气压(仅对冷态轮胎有效)13 额定后桥载重量车辆识别(VIN)系统 14额定前桥载重量 15车辆识别号(VIN) 16额定整车载重量 17日期 18 轮胎尺寸19速度级 20车型 维修零件识别号标签:维修零件识别号标签有助于确定车辆原装零件和选装件,此标签位于行李箱内随车工具箱装饰盖上。
21工程设计型号 22车辆识别号(VIN) 23 车辆选装件内容24内饰等级和装饰件 车辆识别号(VIN)标牌:车辆识别号标牌位于仪表板左上角,可从车外透过挡风玻璃看到。
25车辆识别号(VIN)标牌是法定标识。
位置 定义 字符说明 1-3 世界制造商识别号 LSG 上海通用汽车有限公司4-5 车辆品牌和车型 UASGM6520ATA 型、SGM6521ATA 型、SGM6522ATA 型旅行乘用车 6 车型类型 8二厢五门乘用车或旅行乘用车 7 保护系统类型 3手动安全带及驾驶员、前排乘客正面及侧面安全气囊,帘式安全气囊 4手动安全带及驾驶员、前排乘客正面及侧面安全气囊 8发动机类型 B 3.0L 、V6、SIDI 、DOHC 、VVT 、ALUM X 2.4L 、L4、DOHC 、MPFI 9 确认位置 0-9或X检验位 10 车型年 B2011 11 总装厂 E上海通用汽车有限公司沈阳生产基地(北盛一) 12-17 生产顺序号- -。
GL8豪华商务车重点功能操作及注意事项本次话术结构为三层结构1.配置说明:明确告诉顾客该配置的名称,以防顾客将不同配置张冠李戴。
2.操作说明:明确按照使用手册上的操作要点告诉顾客该配置的操作流程及方法。
3.要点提醒:针对该配置可能由于操作而引起的误解,在表述完操作方法后,针对关键点做出特别提醒,并明确顾客理解。
GL8豪华商务车现有2.4L CT\LT 3.0L GT\XT两个排量共4款车型。
请在交车时首先向客户说明以下操作内容:交车时必说的四句话目的:重点强调客户车辆初次使用时必须注意的事项话术:请销售顾问讲解时须结合示范动作(也可以制作温馨提示卡给客户)。
先生/小姐:恭喜您成为尊贵的别克GL8豪华商务车车主,在初次使用GL8豪华商务车时有四个事项,请您一定注意:1. GL8豪华商务车的滑移门,无论是手动的,还是电动的,在开、关前都需要您向外拉动门把手,将防滑锁扣解锁,请不要强行拉动。
2. GL8豪华商务车的遮阳板在开启前,需点按PUSH并向斜上方轻推打开锁扣,才能打开遮阳板,与滑移门一样不要强行拉动。
3.挂挡时请务必观察仪表盘的档位显示,以免挂错档。
4.如果车辆无法启动并显示“无法检测到钥匙”时,可能是钥匙受到强磁场的干扰,您只需将钥匙放入中控台的下方,点烟器右边的钥匙学习位置,然后尝试启动发动机。
重点操作项目:1、滑移门•GL8豪华商务车3.0L GT和XT二个型号配备了右侧防夹电动滑移门,其它车型左右两侧的滑移门均为手动操作。
•特别需要注意的是:为了防止滑移门在坡道驻车时的惯性滑动,我们所有车型的滑移车门都设计有坡道锁止功能。
因此您在车外手动开启或关闭两侧滑移门时,都必须先将门把手往外侧拉动进行解锁,才能实现打开或关闭车门的操作。
•而配备电动滑移门的GL8豪华商务车除了刚才提到的手动开闭方式外还有三种操作方式:车内顶置开关、B柱开关开闭、遥控钥匙开闭。
1)当使用顶置操控台上的电动滑移门按钮打开电动滑移门的时候,档位必须在P档(关闭电动滑移门则不受档位限制);2)当车门滑动的时候请不要用手去拉门,这样容易损坏车门电机。
轮胎和车轮规格紧固件紧固规格规格应用公制英制车轮螺母140牛顿米100磅力英尺车轮螺母盖3牛顿米27磅力英寸上海通用汽车零件组编号应用上海通用汽车零件组编号轮毂盖 5.858车轮螺母 5.813车轮双头螺栓 5.812气门杆 5.875车轮配重 5.805车轮 5.803诊断信息和程序轮胎诊断-不规则或过早磨损导致不规则或时期轮胎磨损的原因很多。
z不正确的充气压力会导致轮胎不规则或过早磨损。
z缺乏定期换位会导致轮胎不规则或过早磨损。
z驾驶习惯会导致轮胎不规则或过早磨损。
z不正确的车轮定位会导致轮胎不规则或过早磨损。
检查程序1.检查前轮胎磨损。
检查后轮胎磨损。
2.如果明显出现如下情况,调换轮胎:z任何轮胎花纹出现不均匀磨损。
z左侧轮胎磨损和右侧轮胎磨损不相同。
z达到定期保养间隔。
3.遇到如下情况时,执行车轮定位:z左侧前轮胎磨损和右侧不相同。
z轮胎花纹磨损不均匀。
z轮胎花纹出现磨损状,轮胎肋纹或胎面一侧呈羽状边缘。
轮胎诊断-摇摆投诉143350143354143359175760轮胎摇摆就是车辆前部和/或车辆后部的侧向运动。
导致摇摆的条件如下:z轮胎内的钢带不直z轮胎横向跳动量过大z车轮横向跳动量过大轮胎摇摆在约10-50公里/小时(5-30英里/小时)的低速时最明显。
在10-50公里/小时(5-30英里/小时)的速度下,轮胎摇摆可能表现为行驶平顺性差。
在80-110公里/小时(50-70英里/小时)的速度下,轮胎摇摆可能表现为振动。
检查程序1.用安全支台举起并支承车辆。
2.执行如下初步检查:2.1.检查轮胎时,戴好手套,防止钢带可能刺破轮胎。
2.2.用彩色粉笔标记轮胎,以记录开始和停止的位置。
2.3.用手旋转各轮胎和车轮。
2.4.检查轮胎是否起包或车轮是否弯曲,必要时更换。
3.用替换轮胎识别轮胎故障。
按如下步骤用替换轮胎进行检查:3.1.用一个具有可比性的轮胎,一次替换一个轮胎。
3.2.测试车辆。
座椅8-797座椅规格紧固件紧固规格应用规格公制英制方便托盘螺钉9牛z米80磅力英寸装饰盖螺钉2牛z米18磅力英寸前排座椅螺母40牛z米30磅力英尺前排座椅靠背调角器螺栓48牛z米35磅力英尺座椅调节机构螺栓32牛z米24磅力英尺单座椅靠背调角器螺栓32牛z米24磅力英尺靠背调角器盖板螺钉2牛z米18磅力英寸后排靠背调角器螺栓48牛z米35磅力英尺单座椅翻转支座释放手柄螺栓4-8牛z米36-72磅力英寸上海通用汽车零件组编号应用上海通用汽车零件组编号儿童座垫14.870前排座椅调节器导轨罩11.573前排座椅扶手14.900前排座椅扶手盖14.900前排座椅靠背架11.373前排座椅靠背罩11.362前排座椅靠垫14.802前排座椅靠背调节装置11.373前排座椅靠背调节装置把手11.377前排座椅座垫14.890前排座椅座垫罩14.880前排座椅座垫架11.419前排座椅座垫支座11.419前排座椅头枕14.924前排座椅头枕罩14.924前排座椅头枕夹持器11.376手动座椅调节机构11.561后排座椅扶手15.039后排座椅扶手盖15.040后排座椅方便托盘11.610后排座椅靠背罩15.000后排座椅靠垫15.002后排座椅靠背架11.628后排座椅靠背调节装置11.6558-798座椅上海通用汽车零件组编号(续)应用上海通用汽车零件组编号后排座椅靠背调节装置罩11.620后排座椅座垫15.036后排座椅座垫罩15.035后排座椅座垫支座11.610后排座椅头枕14.925后排座椅头枕罩14.925后排座椅头枕导套11.625后排座椅调节机构11.655座椅8-799示意图和布线图8-800座椅座椅8-801部件地位图座椅电气连接器端视图座椅调节器电机总成(如装备)连接器零件信息z12064752z6路 F Metri-pack 280 系列(黑色)针导线颜色电路编号功能A 黄褐色285驾驶员电动座椅水平电机向前控制B 浅绿色284驾驶员电动座椅水平电机向后控制C 深绿色286驾驶员电动座椅前部垂直电机向上控制D 深蓝色287驾驶员电动座椅前部垂直电机向下控制E 黄色282驾驶员电动座椅后部垂直电机向上控制F浅蓝色283驾驶员电动座椅后部垂直电机向下控制62456乘客座椅调节器电机总成(AG2 或 AH8)连接器零件信息z12064752z6路 F Metri-pack 280 系列(黑色)针导线颜色电路编号功能A 黄褐色296乘客电动座椅水平电机向前控制B 浅绿色290乘客电动座椅水平电机向后控制C 深绿色297乘客电动座椅前部垂直电机向上控制D 深蓝色298乘客电动座椅前部垂直电机向下控制(AG2)E 白色298乘客电动座椅前部垂直电机向下控制(AH8)F 黄色288乘客电动座椅后部垂直电机向上控制G浅蓝色289乘客电动座椅后部垂直电机向下控制624568-802座椅六方位驾驶员左前座椅调节器开关(如装备)连接器零件信息z 15326928z8路 M GT 280 系列(黑色)针导线颜色电路编号功能A 红色/白色1140蓄电池正极电压B 黄色282驾驶员电动座椅后部垂直电机向上控制C 浅蓝色283驾驶员电动座椅后部垂直电机向下控制D 浅绿色284驾驶员电动座椅水平电机向后控制E 黄褐色285驾驶员电动座椅水平电机向前控制F 深绿色286驾驶员电动座椅前部垂直电机向上控制G 深蓝色287驾驶员电动座椅前部垂直电机向下控制H黑色650接地542307乘客座椅调节器开关(AG2)连接器零件信息z15326928z8路 M GT 280 系列(黑色)针导线颜色电路编号功能A 红色/白色1140蓄电池正极电压B 黄色288乘客电动座椅后部垂直电机向上控制C 浅蓝色289乘客电动座椅后部垂直电机向下控制D 浅绿色290乘客电动座椅水平电机向后控制E 黄褐色296乘客电动座椅水平电机向前控制F 深绿色297乘客电动座椅前部垂直电机向上控制G 深蓝色298乘客电动座椅前部垂直电机向下控制H黑色850接地542307座椅8-803乘客座椅调节器开关(AH8)连接器零件信息z15326935z10路 M GT 280 系列(黑色)针导线颜色电路编号功能A 红色/白色1140蓄电池正极电压B 黄色288乘客电动座椅后部垂直电机向上控制C 浅蓝色289乘客电动座椅后部垂直电机向下控制D 浅绿色290乘客电动座椅水平电机向后控制E 黄褐色296乘客电动座椅水平电机向前控制F 深绿色297乘客电动座椅前部垂直电机向上控制G 深蓝色298乘客电动座椅前部垂直电机向下控制H 黑色850接地I 浅蓝色277驾驶员电动座椅靠背倾角调节电机向后控制J浅绿色276驾驶员电动座椅靠背倾角调节电机向前控制800517乘客座椅靠背倾角调节电机(AH8)连接器零件信息z 15324915维修:参见目录z4路 F (黑色)针导线颜色电路编号功能1浅绿色276乘客座椅靠背倾角调节电机向前控制2浅蓝色277乘客座椅靠背倾角调节电机向后控制3-4--未用15407788-804座椅诊断信息和程序诊断起点通过查看系统“说明与操作”开始系统诊断。
车顶规格紧固件紧固规格应用规格公制英制天窗总成固定螺栓10牛z米89磅力英寸天窗驱动装置2牛z米35磅力英寸天窗玻璃40牛z米35磅力英尺示意图和布线图电动天窗示意图部件定位图电动车顶系统部件名称位置定位视图连接器端视图保险丝盒仪表右侧面,车门开口右前侧“线路系统”中的“电源和接地部件视图”-天窗执行器位于天窗前部“电动车顶系统部件视图”“电动车顶系统连接器端视图”天窗模块(快开)位于天窗前部“电动车顶系统部件视图”-天窗开关位于车顶前部中央“电动车顶系统部件视图”-C200(56插孔)仪表导线束到车身导线束,位于仪表板右后侧“线路系统”中的“线束布线图”“线路系统”中的“直列线束连接器端视图”C398(3插孔)车顶线束至天窗线束,位于车顶前中部,连接在天窗模块。
“线路系统”中的“线束布线图”“线路系统”中的“直列线束连接器端视图”C308(23插孔)车身线束至车顶线束,位于右B支柱内,下装饰衬板后部“线路系统”中的“线束布线图”“线路系统”中的“直列线束连接器端视图”电动车顶系统部件视图天窗U081902图标(1)天窗总成(2)天窗控制模块电动车顶系统连接器端视图C398诊断信息和程序电动天窗系统检查步骤操作正常结果异常结果11.确保天窗关闭2.按动开启按钮(开关后部)两下天窗玻璃板倾斜,并自动向后滑动至全开位置,直到出现如下条件之一:z天窗开关被按动参见“电动天窗有故障不能工作”21.确保天窗处于全开位置2.持续按下关闭按钮(开关前部)天窗玻璃板滑动关闭(向前),直到出现如下条件之一:z天窗玻璃板到达全闭位置参见“电动天窗有故障不能工作”31.确保天窗处于全闭位置2.按动开启按钮(开关后部)一下玻璃板升起后不打开,直至出现如下条件之一:z玻璃板打开至完全倾斜通风位置参见“电动天窗有故障不能工作”41.确保天窗处于完全倾斜通风位置2.按动开启按钮(开关后部)一下玻璃板向后滑动,直到出现如下条件之一:z天窗玻璃板到达全开位置参见“电动天窗有故障不能工作”51.确保天窗处于全开位置2.持续按动关闭按钮(开关前部)天窗玻璃板向前滑动,直到出现如下条件之一:z天窗开关被释放z天窗玻璃板到达关闭位置参见“电动天窗有故障不能工作”电动天窗有故障不能工作步骤操作数值是否1是否执行了电动天窗系统检查-至步骤2至“电动天窗系统检查”2将点火开关拨到ON(接通)位置1.从顶篷衬层上拆卸天窗开关,保持天窗开关线束连接器的连接。