防火门安装工程隐蔽验收记录
- 格式:doc
- 大小:1.18 MB
- 文档页数:2
防火门____隐蔽工程检查验收记录文稿防火门隐蔽工程检查验收记录项目名称:XXX项目工程地点:XXX地点一、工程概况:本项目是为了提升建筑物的消防安全性而进行的隐蔽工程检查与验收工作。
主要涉及的工程项目包括防火门安装、防火门密封件安装、防火门框架安装等。
二、工程进展:1.防火门安装:根据设计要求,共安装了50扇防火门,其中40扇为室内防火门,10扇为通道防火门。
安装工作在规定时间内顺利完成,并经过了验收。
2.防火门密封件安装:根据设计要求,密封件采用了耐高温、防烟的密封材料。
密封件的安装工作由专业人员进行,经过验收,密封效果良好。
3.防火门框架安装:根据设计要求,防火门框架采用了钢质材料,具有良好的防火性能。
框架的安装工作已经完成,并经过了验收。
三、检查验收内容:根据相关法规和设计要求,对防火门的安装、防火门密封件的安装、防火门框架的安装进行了详细的检查验收。
1.防火门安装:(1)检查了防火门的样式、型号和规格是否符合设计要求;(2)检查了防火门的材质是否符合要求;(3)检查了防火门的安装位置、固定方式是否符合设计要求;(4)检查了防火门的开启、闭合是否灵活,并测试了其防火性能。
2.防火门密封件安装:(1)检查了密封件的材质是否符合要求;(2)检查了密封件的粘贴、固定方式是否正确;(3)检查了密封件是否密封良好,并测试了其防火、防烟性能。
3.防火门框架安装:(1)检查了框架的材质是否符合要求;(2)检查了框架的安装位置、固定方式是否符合设计要求;(3)检查了框架的结构是否稳固,并测试了其防火性能。
四、验收结论:经过检查,本次防火门隐蔽工程的安装和施工质量符合相关标准和要求。
防火门的样式、型号、规格、材质、安装位置、固定方式等均符合设计要求,并通过了防火性能测试。
防火门密封件的材质、安装方式、密封效果均符合要求,并通过了防火、防烟性能测试。
防火门框架的材质、安装位置、固定方式等均符合设计要求,并通过了防火性能测试。
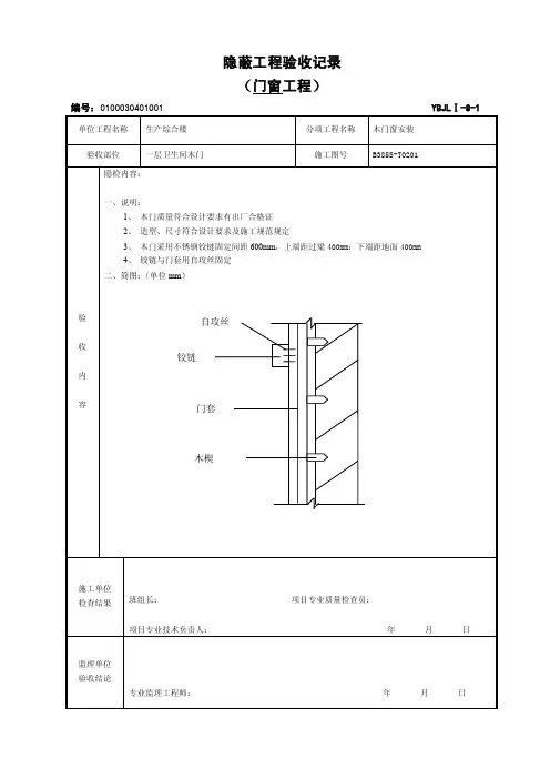
(门窗工程)编号:0100030401001 YBJL Ⅰ-8-1单位工程名称 生产综合楼 分项工程名称 木门窗安装 验收部位一层卫生间木门施工图号B385S-T0201验 收 内 容隐检内容:一、说明:1、 木门质量符合设计要求有出厂合格证2、 造型、尺寸符合设计要求及施工规范规定3、 木门采用不锈钢铰链固定间距600mm ,上端距过梁400mm ;下端距地面400mm4、 铰链与门套用自攻丝固定 二、简图:(单位mm )施工单位 检查结果班组长: 项目专业质量检查员:项目专业技术负责人: 年 月 日 监理单位 验收结论专业监理工程师: 年 月 日门套木楔铰链自攻丝(门窗工程)编号:0100030402001 YBJL Ⅰ-8-1单位工程名称 生产综合楼分项工程名称 金属门窗安装 验收部位电缆半层、一层、二层防雨百叶窗施工图号B385S-T0201验 收 内 容1、百叶窗框上的连接铁件与墙体间采用塑料膨胀螺钉固定,固定件离框角120mm ,固定件间距500mm 。
2、门窗框与墙体间填充发泡剂,填塞严密。
施工单位 检查结果班组长: 项目专业质量检查员:项目专业技术负责人: 年 月 日 监理单位 验收结论专业监理工程师: 年 月 日砖墙C25混凝土1:3水泥砂浆 百叶窗发泡胶填充密实密封胶塑料膨胀螺栓(门窗工程)编号:0100030403001 YBJL Ⅰ-8-1单位工程名称 生产综合楼分项工程名称 金属门窗安装 验收部位一层、二层、三塑钢窗安装施工图号B385S-T0201验 收 内 容1、铝合金窗框上的连接铁件与墙体间采用膨胀螺钉固定,固定件离框角120mm ,固定件间距500mm 。
2、门窗框与墙体间填充发泡剂,填塞严密。
施工单位 检查结果班组长: 项目专业质量检查员:项目专业技术负责人: 年 月 日 监理单位 验收结论专业监理工程师: 年 月 日砖墙C25混凝土1:3水泥砂浆 塑钢窗发泡胶填充密实密封胶膨胀螺栓(门窗工程)编号:0100030404001 YBJL Ⅰ-8-1单位工程名称 生产综合楼 分项工程名称 特种门安装 验收部位电缆半层防火门施工图号B385S-T0201验 收 内 容1、钢质防火门框与墙体间采用膨胀螺栓固定,固定位置:上端距过梁400mm ;下端距地面400mm ;两点中间位置按间距600mm 加设固定点。
防火安全隐蔽工程验收记录
项目信息
- 工程名称:
- 工程地点:
- 施工单位:
- 监理单位:
- 设计单位:
- 验收日期:
验收人员
- 验收单位:
- 验收人员:
验收内容
1. 隐蔽工程验收
工程隐蔽部位已按照设计要求完成,无明显质量问题。
2. 防火安全验收
- 防火门及门窗的安装和材质符合设计要求。
- 防火隔离带的设置符合相关标准,并已完好安装。
- 防火卷帘门、防火板等防火设施未损坏或变形,功能完好。
- 防火墙及其附属构件的施工符合要求,无渗漏、裂缝等问题。
- 电气设备、照明设施等符合防火安全要求,布置合理,线路
明确,使用安全。
3. 消防设施验收
- 室内火灾自动报警系统的设置与布置符合设计要求。
- 灭火器、灭火器箱等消防设施已按要求配置,并经过质量测试。
- 安全疏散通道已设置并保持畅通无阻。
验收结论
根据以上验收内容的评估,该防火安全隐蔽工程经过细致检查,符合设计要求和相关标准,可以正式进行验收。
验收人员: [验收人员姓名] 日期: [验收日期]。
消防工程隐蔽验收记录一、消火栓给水系统验收的重点1、水泵、室内外消火栓、消防水泵接合器及闸阀等主要设备的性能指标的资料和产品合格证书,隐蔽工程的施工验收记录、管道通水冲洗记录、管道试压试验记录、水泵等消防用电设备的试运转记录、工程质量事故的处理记录。
2、系统安装情况的一般性检查:主要检查消防水泵、水泵接合器、消防水池取水口、室内外消火栓及闸阀等主要设备的安装与图纸是否相符,使用是否方便,有无正确的明显标志,有无外观损坏及明显缺陷;系统中各常开或常闭闸阀的启闭状态是否符合原设计要求。
3、系统综合性功能试验:根据原设计的不同要求,对消防水泵分别进行自动、手动、远程和泵房内就地启泵的试验;消防水泵组的主泵与副泵互为备用功能的相互切换试验;系统压力试验和供水试验。
二、火灾自动报警系统验收的重点1、图纸、材料的审查:初始设计图纸、施工图纸、设计变更及竣工图,火灾探测器、报警控制器、火灾显示盘、手动火灾报警按钮、消防联动控制设备等主要设备及线路的性能指标的材料和产品及格证书,隐蔽工程的施工验收记录、报警系统检测敷陈等。
2、系统综合性功能试验:火灾探测器模拟报警试验及核实编码,火灾报警控制器和火灾显示盘的自检等其他功能、电源转换、消音、复位操作、电源容量、电源电性能,联动控制设备的故障报警、自检、控制、火灾信号接收功能和电源容量、电性能检,核实手动火灾报警按钮编码。
三、自动喷水灭火系统验的重点1、图纸、材料的审查:初始设计图纸、施工图纸、设计变更及竣工图,喷头、水流指示器、报警阀组、消防水泵、消防水泵接合器及闸阀等主要设备的性能指标的材料和产品及格证书,隐蔽工程的施工验收记录、管道通水冲洗、打压试验记录、水泵等消防用电设备的试运转记录,工程质量事故的处理记录。
2、系统装置情况的普通性检查:检查消防水泵、水泵接合器、消防水池取水口、及闸阀等主要设备的装置与图纸是不是相符,利用是不是轻易,有没有正确的明明标记,有没有外观损坏及明明缺陷。
防火门----隐蔽工程检查验收记录————————————————————————————————作者:————————————————————————————————日期:防火门隐蔽工程检查验收记录C6-01工程名称验收时间编号施工单位验收部位一单元进户防火门1-15层依据及内容1.防火门质量证明文件齐全、合格。
2.防火门的数量、品种、规格、外形尺寸等符合设计规定,表面洁净,无划痕,碰伤。
3.防火门、门框上中设置3处固定点,上固定点位置应矩门角450毫米,下固定点位置应距门胶390毫米,中间固定点在上下固定点上下固定点的中间,采用膨胀螺栓固定。
位置正确,安装牢固,开启方向均符合设计要求。
4.门框的垂直及平整度均在允许范围内。
主要材料规格及试验编号材料名称及规格合格证编号报告编号结论监理工程师施工技术施工填写人:(建设单位代表)负责人质检员防火门隐蔽工程检查验收记录C6-01工程名称验收时间2012年9月11-15日编号002 施工单位验收部位二单元进户防火门1-15层依据及内容1.防火门质量证明文件齐全、合格。
2.防火门的数量、品种、规格、外形尺寸等符合设计规定,表面洁净,无划痕,碰伤。
3.防火门、门框上中设置3处固定点,上固定点位置应矩门角450毫米,下固定点位置应距门胶390毫米,中间固定点在上下固定点上下固定点的中间,采用膨胀螺栓固定。
位置正确,安装牢固,开启方向均符合设计要求。
4.门框的垂直及平整度均在允许范围内。
主要材料规格及试验编号材料名称及规格合格证编号报告编号结论监理工程师施工技术施工填写人:(建设单位代表)负责人质检员防火门隐蔽工程检查验收记录C6-01工程名称验收时间2012年9月16-20日编号003 施工单位验收部位一单元进户防火门16-30层依据及内容1.防火门质量证明文件齐全、合格。
2.防火门的数量、品种、规格、外形尺寸等符合设计规定,表面洁净,无划痕,碰伤。
3.防火门、门框上中设置3处固定点,上固定点位置应矩门角450毫米,下固定点位置应距门胶390毫米,中间固定点在上下固定点上下固定点的中间,采用膨胀螺栓固定。
消防验收隐蔽工程施工记录工程名称:XX大厦消防隐蔽工程施工工程地点:XX市XX区XX街XX号施工单位:XX建筑工程有限公司施工人员:X先生(施工负责人)、X先生(消防工程师)、X先生(安全员)、施工队伍等一、施工前准备1. 施工单位根据工程计划,确定了施工队伍和施工方案,并将方案报送给相关部门进行审核。
经审批后,施工单位组织人员进行岗前培训,确保施工人员具备相应的技能和素质。
2. 施工单位根据实际情况,采购了符合国家标准的消防设备和器材,并按照规定进行了验收和登记。
同时,施工单位还对消防设备和器材进行了分类存放,并进行了定期的检查和维护。
3. 在施工前,施工单位对施工现场进行了彻底的清理,确保施工场地整洁、安全,消防设备和器材的安装位置符合施工方案的要求。
二、施工过程1. 施工单位严格按照消防隐蔽工程的施工方案进行施工,确保施工质量符合国家标准和相关规定。
施工人员在施工过程中,严格按照施工方案进行操作,确保隐蔽工程的质量和安全。
2. 施工单位对施工现场的安全进行了全面的监控,确保施工现场的安全和秩序。
同时,施工单位对施工人员进行了安全教育和培训,提高了施工人员的安全意识和技能。
3. 在施工过程中,施工单位根据实际情况进行了及时的调整和改进,并对施工过程中的问题进行了及时的解决,确保了施工的顺利进行。
4. 施工单位在施工过程中,严格按照相关规定和标准进行了验收,对施工现场的施工质量进行了全面的检查和记录,确保了消防隐蔽工程的施工质量。
5. 施工单位对工程验收过程进行了全程记录,并仔细整理了施工记录和验收报告,确保了验收的真实性和准确性。
三、施工结束1. 施工单位在工程施工结束后,对施工现场进行了全面的清理和整理,并对隐蔽工程进行了全面的检查和验收。
2. 施工单位对施工现场的安全进行了全面的监控,确保施工现场的安全和秩序,并对施工现场进行了全面的清理和整理。
3. 施工单位对施工现场的相关设备和器材进行了分类存放,并进行了定期的检查和维护,确保设备的安全和可靠。
防火门安装工程隐蔽验收记录
C2。
4.3。
3编号:
工程名称南昌昌北国际机场扩建工程航站楼幕墙工程施工单位珠海兴业幕墙工程有限公司
隐蔽验收部位A1区A1A—A1N/A1—A7轴防火门工程隐
蔽
隐检时间
隐检依据施工图
隐检内容施工单位自检情况监理(建设)单位验收意见
防火门预埋件和锚固件、螺栓的
规格、数量、位置、间距
采用15mm厚镀锌片,位置详见图符合设计规范要求
防火门预埋件和锚固件、螺栓的埋设方式、与框的连接方式防火门预埋件与锚固件采用钢钉固定的连接
方式,与主体连接采用60*8的拉暴螺栓固定
符合设计规范要求
防火门与主体连接部位的防腐、嵌填处理门防火门与主体部位的防腐符合设计规范要
求
符合设计规范要求
密封材料的粘结密封材料的粘结使用发泡剂符合设计规范要求
塑料门窗内衬增强型材的
壁厚及设置
/
附
图
会签
监理(建设)单位(签章)施工单位(签章)
专业监理工程师(专业负责人) 专业技术负责人质检员专业工长。
消防工程隐蔽查收记录第一部分消防查收要点及查收方法一、消火栓给水系统查收的要点1、水泵、室内外消火栓、消防水泵接合器及闸阀等主要设施的性能指标的资料和产品合格证书,隐蔽工程的施工查收记录、管道通水冲刷记录、管道试压试验记录、水泵等消防用电设施的试运行记录、工程质量事故的办理记录。
2、系统安装状况的一般性检查:主要检查消防水泵、水泵接合器、消防水池取水口、室内外消火栓及闸阀等主要设施的安装与图纸能否符合,使用能否方便,有无正确的显然标记,有无外观破坏及显然缺点;系统中各常开或常闭闸阀的启闭状态能否切合原设计要求。
3、系统综合性功能试验:依据原设计的不一样要求,抵消防水泵分别进行自动、手动、远程和泵房内就地启泵的试验;消防水泵组的主泵与副泵互为备用功能的互相切换试验;系统压力试验和供水试验。
二、火灾自动报警系统查收的要点1、图纸、资料的审察:初始设计图纸、施工图纸、设计更改及完工图,火灾探测器、报警控制器、火灾显示盘、手动火灾报警按钮、消防联动控制设施等主要设施及线路的性能指标的资料和产品合格证书,隐蔽工程的施工查收记录、报警系统检测报告等。
2、系统综合性功能试验:火灾探测器模拟报警试验及核实编码,火灾报警控制器和火灾显示盘的自检等其余功能、电源变换、消音、复位操作、电源容量、电源电性能,联动控制设施的故障报警、自检、控制、火灾信号接收功能和电源容量、电性能检,核实手动火灾报警按钮编码。
三、自动喷水灭火系统验的要点1、图纸、资料的审察:初始设计图纸、施工图纸、设计更改及完工图,喷头、水流指示器、报警阀组、消防水泵、消防水泵接合器及闸阀等主要设施的性能指标的资料和产品合格证书,隐蔽工程的施工查收记录、管道通水冲刷、打压试验记录、水泵等消防用电设施的试运行记录,工程质量事故的办理记录。
2、系统安装状况的一般性检查:检查消防水泵、水泵接合器、消防水池取水口、及闸阀等主要设施的安装与图纸能否符合,使用能否方便,有无正确的显然标记,有无外观破坏及显然缺点。
防火门安装工程隐蔽验收记录
C 2.4.3.3 编号:
工程名称南昌昌北国际机场扩建工程航站楼幕墙工程施工单位珠海兴业幕墙工程有限公司隐蔽验收部位A1区A1A-A1N/A1-A7轴防火门工程隐蔽隐检时间
隐检依据施工图
隐检内容施工单位自检情况监理(建设)单位验收意见
防火门预埋件和锚固件、螺栓的
采用15mm厚镀锌片,位置详见图符合设计规范要求规格、数量、位置、间距
防火门预埋件和锚固件、螺栓的
防火门预埋件与锚固件采用钢钉固定的连接符合设计规范要求
埋设方式、与框的连接方式
防火门与主体连接部位的
门防火门与主体部位的防腐符合设计规范要符合设计规范要求防腐、嵌填处理
密封材料的粘结密封材料的粘结使用发泡剂符合设计规范要求
塑料门窗内衬增强型材的
/
壁厚及设置
附
图
监理(建设)单位(签章)施工单位(签章)
会
专业监理工程师(专业负责人)专业技术负责人质检员专业工长。