煤矿井下固定式避难硐室建设标准
- 格式:doc
- 大小:100.00 KB
- 文档页数:4
煤矿井下避难硐室根据其服务范围及使用年限,分为永久避难硐室和临时避难硐室,永久避难硐室的标记为DMY,临时避难硐室的标记为DML。
临时避难硐室设计额定避险人数不少于10人,不多于40人。
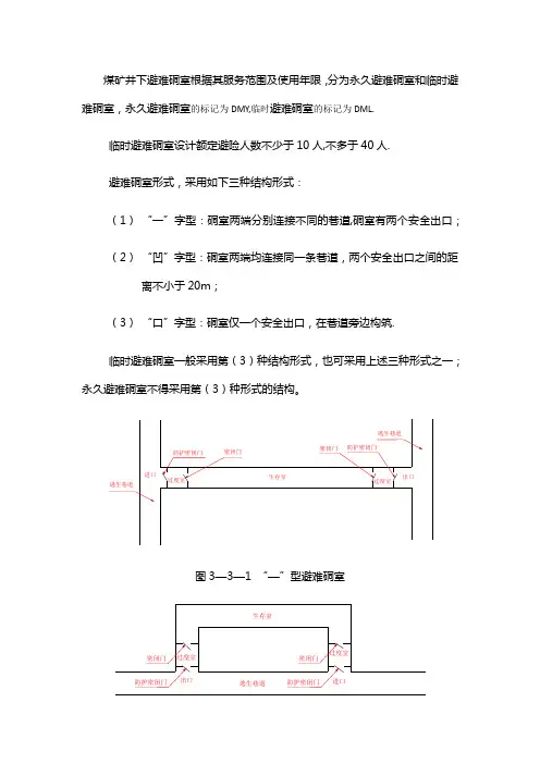
避难硐室形式,采用如下三种结构形式:(1)“一”字型:硐室两端分别连接不同的巷道,硐室有两个安全出口;(2)“凹”字型:硐室两端均连接同一条巷道,两个安全出口之间的距离不小于20m;(3)“口”字型:硐室仅一个安全出口,在巷道旁边构筑。
临时避难硐室一般采用第(3)种结构形式,也可采用上述三种形式之一;永久避难硐室不得采用第(3)种形式的结构。
图3-3-1 “—”型避难硐室图3-3-2 “凹”型避难硐室图3-3-3 “口”型避难硐室临时避难硐室应设置在采掘区域或采区避灾路线上,主要服务于采掘工作面及其附近区域,服务年限一般不大于5年。
硐室容量应满足突发紧急情况下所服务区域全部人员紧急避险的需要,包括生产人员、管理人员及可能出现的其他临时人员,并应有一定的备用系数。
永久避难硐室的备用系数不低于1.2,临时避难硐室的备用系数不低于1.1。
1、功能要求避难硐室必需具备安全防护、氧气供给保障、有害气体去除、环境监测、通讯、照明、人员生存保障等基本功能,在无任何外界支持的情况下额定防护时间不低于96小时。
2、位置选择避难硐室应布置在稳定的岩层中,避开地质构造带、高温带、应力异常区以及透水危险区。
特殊情况下确需布置在煤层中时,应有控制瓦斯涌出和防止瓦斯积聚、煤层自燃的措施。
永久避难硐室应确保在服务期间不受采动影响,临时避难硐室应在服务期间避免受采动损害。
3、安全出口结构避难硐室安全出口应采用向外开启的两道门结构。
外侧第一道门采用既能抵挡一定强度的冲击波,又能阻挡有毒有害气体的防护密闭门;第二道门采用能阻挡有毒有害气体的密闭门。
两道门之间为过渡室,密闭门之内为避险生存室。
4、硐室面积临时避难硐室过渡室的净面积应不小于2.0米2。
第六节矿井避难所随着我国经济社会飞速发展,对于煤炭的需求迅速增长,我国煤炭企业生产能力在不断提高,随之而来的是大量的煤矿事故在不断攀升。
在煤矿发生事故后,为将灾害的程度降到最低,根据国家有关安监法规的要求,应在井下生产作业场所分区建立灾害避难所。
在发生事故后,井下作业人员可以在最短时间内,逃逸到可以提供生命条件的场所等待救援,以减少在逃逸井上过程中,吸入大量有害气体,造成的大量人员伤亡。
所以,建立井下分区域避难所是煤矿企业在短时间内必须进行的一项重要工作。
一、矿井避难所设置原则煤矿井下避难所目前主要有固定式避难硐室和可移动式救生舱两种类型。
矿井可根据自身的特点自主选择,并以满足矿井灾变条件下矿工应急避险需要、安全、实用、救生为基本原则。
李子梗煤矿设计能力为90Kt/a,为小型煤矿,采用移动式求生舱初期投入大,经与业主沟通,本设计初期采用固定式避难硐室,投产时在主、副暗斜进上部车场、下部车场及区段运输石门附近各设一个固定式避难硐室。
二、矿井避难所位置根据我国安监法规规定:井下有人工作的地点均应有避难所为其服务。
避难所距工作地点的距离,以矿工在瓦斯煤尘爆炸、煤与瓦斯突出或矿井火灾等灾害事故应急避险情况下,佩戴随身携带的自救器能够安全到达为原则,一般不超过1000m。
井下避难所的设置要与矿井避灾路线相结合。
突出矿井的井底车场应设置固定式避难所,有突出煤层的采区应设置采区避难所,掘进距离超过500m的巷道应设置工作面避难所。
由于本设计采用双翼开采,掘进巷道最大距离未超过500m,故不考虑设置工作面避难所。
设计在主副暗斜进上部车场、下部车场及区段运输石门附近各设一个固定式避难硐室。
三、固定式避难所要求(一)井下避难所的通用技术要求1、井下避难所应具备安全防护、氧气供给、有害气体处理、温湿度控制、通讯、照明及指示、基本生存保障等功能,保证在无任何外部支持的情况下维持避难所内额定避险人员生存(即避难所额定防护时间)96小时以上。
煤矿避难硐室最新标准
煤矿避难硐室是煤矿安全生产的重要设施,其建设和管理关系到矿工的生命安全。
为了提高煤矿避难硐室的安全性能,最新的标准对其建设和管理提出了更高的要求。
首先,煤矿避难硐室应当设置在矿井主要通风巷道上,并且应当远离矿井井口
和矿井工作面,以减少矿难发生时的冲击和危害。
硐室应当远离矿井主要通风巷道的转弯处和支护不良的地方,以确保其稳定性和安全性。
其次,煤矿避难硐室应当具备一定的防爆能力。
硐室内部应当设置防爆照明和
通风设备,并且应当配备防爆通讯设备,以便在矿难发生时与外界进行及时的通讯和联络。
硐室内部还应当配备一定数量的防爆呼吸器和医疗急救设备,以应对矿难发生时可能出现的突发情况。
此外,煤矿避难硐室的建设和管理应当符合相关的法律法规和标准要求。
硐室
的建设应当经过严格的设计、施工和验收,确保其结构稳固、通风良好、设备完善。
硐室的管理应当落实到位,定期进行检查和维护,确保硐室的各项设备和设施处于良好状态。
总的来说,煤矿避难硐室是煤矿安全生产的重要保障,其建设和管理关系到矿
工的生命安全。
最新的标准对硐室的建设和管理提出了更高的要求,希望各个煤矿单位能够严格按照标准要求进行硐室的建设和管理,确保煤矿避难硐室的安全性能达到最新标准的要求,为矿工的生命安全提供更加可靠的保障。
煤矿井下避难硐室根据其服务范围及使用年限,分为永久避难硐室和临时避难硐室,永久避难硐室的标记为DMY ,临时避难硐室的标记为DML 。
临时避难硐室设计额定避险人数不少于10人,不多于40人。
避难硐室形式,采用如下三种结构形式:(1) “一”字型:硐室两端分别连接不同的巷道,硐室有两个安全出口;(2) “凹”字型:硐室两端均连接同一条巷道,两个安全出口之间的距离不小于20m ;(3) “口”字型:硐室仅一个安全出口,在巷道旁边构筑。
临时避难硐室一般采用第(3)种结构形式,也可采用上述三种形式之一;永久避难硐室不得采用第(3)种形式的结构。
图3-3-1 “—”型避难硐室图3-3-2 “凹”型避难硐室图3-3-3 “口”型避难硐室临时避难硐室应设置在采掘区域或采区避灾路线上,主要服务于采掘工作面及其附近区域,服务年限一般不大于5年。
硐室容量应满足突发紧急情况下所服务区域全部人员紧急避险的需要,包括生产人员、管理人员及可能出现的其他临时人员,并应有一定的备用系数。
永久避难硐室的备用系数不低于1.2,临时避难硐室的备用系数不低于1.1。
1、功能要求避难硐室必需具备安全防护、氧气供给保障、有害气体去除、环境监测、通讯、照明、人员生存保障等基本功能,在无任何外界支持的情况下额定防护时间不低于96小时。
2、位置选择避难硐室应布置在稳定的岩层中,避开地质构造带、高温带、应力异常区以及透水危险区。
特殊情况下确需布置在煤层中时,应有控制瓦斯涌出和防止瓦斯积聚、煤层自燃的措施。
永久避难硐室应确保在服务期间不受采动影响,临时避难硐室应在服务期间避免受采动损害。
3、安全出口结构避难硐室安全出口应采用向外开启的两道门结构。
外侧第一道门采用既能抵挡一定强度的冲击波,又能阻挡有毒有害气体的防护密闭门;第二道门采用能阻挡有毒有害气体的密闭门。
两道门之间为过渡室,密闭门之内为避险生存室。
4、硐室面积临时避难硐室过渡室的净面积应不小于2.0米2。
煤矿永久避难硐室规范要求按照国家相关文件要求,煤矿井下必须形成六大系统,其中施工永久避难硐室以以下规范要求:避难硐室施工图设计是以矿井井下紧急避险系统初步设计为依据,额定避难人数80人;避难硐室内及出口外5m范围内,设计采用混凝土砌碹支护,支护厚度300mm,混凝土强度等级C30,在出口5m范围外,20m范围内必须采用不燃性支护材料支护。
过度室密闭门在门洞墙体浇筑时一次固定,混凝土浇筑须满足以下要求:(1)浇筑混凝土时底板、两帮、顶部围岩必须清理干净,并用水冲洗应形成粗糙面,四周墙帮必须用铁刷子刷洗,经矿工程技术人员验收后,方可浇灌。
(2)用于配制砼的碎石粒径规格为5~25mm,碎石内严禁混入土、木屑、煤粉及铝土岩等杂物,配制前碎石必须用水冲洗干净。
砂为中砂,砂内不得有任何杂物。
(3)配制砼时需加入JD-HEA缓凝泵送型防水剂,配合比见产品说明。
(4)浇灌砼必须连续,并严格控制好砼的配比(比例按1:2:3),尤其是水灰比,严禁在墙体内搅拌混凝土。
(5)在浇灌过程中,必须用振动棒捣实,特别是墙体边缘。
浇灌出的砼必须均匀致密,不得出现蜂窝状或局部地方砂浆与碎石分离的现象。
(6)模板与模板之间,模板与围岩之间,必须封严,防止振动时混凝土浆液流出。
(7)交接班时,墙体所留接触面必须拉毛。
(8)由于自重作用,挡水墙顶部混凝土难以充填密实,可采用混凝土输送泵加压或预埋注浆管注浆等方式对顶部进行充填。
(9)注浆管采用DN25的水煤气管,沿轴向每隔100mm钻1个直径10mm的孔,相邻孔呈90°错开,使孔均匀分布在管壁四周。
并预先沿墙与巷道拱径向接触线固定,并紧贴拱岩壁。
浇筑完,经7d养护后方可注浆。
注浆采用瓦斯抽采封孔注浆泵,浆液采用425号水泥按1:2的水灰比配制成的素水泥浆,注浆压力控制在2MPa。
硐室内及硐室外20m范围内压风管、通讯等所有管路均需埋设于管沟内,管沟尺寸见图,管路安设完成后,管沟需用混凝土填实。
中平〔2013〕151号关于印发《中国平煤神马集团煤矿永久避难硐室建设标准》的通知各原煤生产单位,机关各有关业务部门:《中国平煤神马集团煤矿永久避难硐室建设标准》已经集团同意,现印发给你们,请认真贯彻执行。
中国平煤神马集团2013年3月28日(电子公文)中国平煤神马集团煤矿永久避难硐室建设标准1 适应范围本标准适用于2013年及以后中国平煤神马集团所属矿井永久避难硐室建设。
2 规范性引用文件GB 50215—2005 煤炭工业矿井设计规范《煤矿安全规程》《防治煤与瓦斯突出规定》《矿山救护规程》GB/T 1226 一般压力表《煤矿井下紧急避险系统建设管理暂行规定》安监总煤装〔2011〕15号《关于煤矿井下紧急避险系统建设管理有关事项的通知》安监总煤装〔2012〕15号《关于加快推进煤矿井下紧急避险系统建设的通知》(安监总煤装〔2013〕10号)《河南省煤矿井下安全避险“六大系统”验收标准和评分办法(修订)》(豫煤安避险〔2013〕1号)《关于加强煤矿井下安全避险“六大系统”建设完善工作的通知》(中平〔2013〕7号)3 分类3.1 避难人数及防护时间1.人数本标准适用于人数50、80人的永久避难硐室。
2.防护时间依据本标准进行装备的永久避难硐室,额定防护时间为96小时。
3.2 硐室结构形式避难硐室形式,采用如下两种结构形式:“一”字型:硐室两端分别连接不同的巷道,硐室有两个安全出口;“凹”字型:硐室两端均连接同一条巷道,两个安全出口之间的距离不小于20m;图3-2-1 “—”型避难硐室4 基本要求4.1 设计避难硐室施工前,应有专门的施工设计,报单位技术负责人批准后方可实施。
永久避难硐室应设置在井底车场、水平大巷、采区(盘区)避灾路线上,服务于整个矿井、水平或采区,服务年限一般不低于5年。
硐室容量应满足突发紧急情况下所服务区域全部人员紧急避险的需要,包括生产人员、管理人员及可能出现的其他临时人员,并应有一定的备用系数。
井下临时避难硐室标准
井下临时避难硐室是矿井中用于矿工在紧急情况下避难的设施,其设计和建造
需要符合一定的标准以确保矿工的安全。
本文将介绍井下临时避难硐室的标准要求,以供相关人员参考。
首先,井下临时避难硐室的位置应当合理,应该远离可能受到地质灾害影响的
区域,如倾倒岩层、断层带等地质构造。
同时,硐室的位置应当便于矿工快速到达,以便在紧急情况下及时避难。
其次,井下临时避难硐室的结构设计应当牢固可靠。
硐室应当具有一定的抗压
能力,能够承受一定范围内的地质灾害影响。
硐室内部应当配备必要的生活设施和医疗急救设备,以满足矿工在硐室内的基本生活和医疗需求。
另外,井下临时避难硐室的通风系统也是至关重要的。
硐室内部应当设计有相
应的通风设备,以保证硐室内空气的清新和充足,避免二氧化碳和有害气体的积聚。
此外,井下临时避难硐室的应急照明系统也需要得到重视。
在紧急情况下,照
明系统能够为矿工提供必要的照明,确保他们能够正常活动和使用设施。
最后,井下临时避难硐室的标准还应当包括硐室的规模和容纳人数。
硐室的规
模应当根据矿井的实际情况和矿工的数量来确定,能够容纳足够数量的矿工避难。
同时,硐室内部的布局应当合理,确保矿工在硐室内能够有序避难。
总的来说,井下临时避难硐室的标准涉及到硐室的位置、结构设计、通风系统、应急照明系统以及规模和容纳人数等多个方面。
只有严格按照标准要求设计和建造井下临时避难硐室,才能有效保障矿工在紧急情况下的安全。
希望相关人员能够重视井下临时避难硐室的标准要求,确保矿工的生命安全。
煤矿井下固定式避难硐室技术要求煤矿井下固定式避难硐室技术要求煤矿是我国主要的能源产业和工业领域,也是一种高风险行业。
为确保井下矿工的生命安全,必须设置有效的避难设施。
固定式避难硐室是煤矿井下常见的避难设施之一,它的各项技术要求直接关系到煤矿井下矿工人身安全,因此国家对固定式避难硐室的生产、施工和使用进行了严格的规定。
本文主要介绍煤矿井下固定式避难硐室技术要求。
一、选址要求固定式避难硐室的选址要满足以下几个要求:1.地质条件要稳定;2.地下水条件要适宜;3.与采矿工作面的距离要适当,通道要畅通;4.与其他避难设施的距离不能过近。
二、硐室结构要求固定式避难硐室的结构要满足以下几个要求:1.硐室体积要足够,可以容纳所有矿工;2.硐室内要有充足空气,通风要良好;3.硐室内要有足够的照明设备;4.硐室要坚固耐久,具备防火、防爆、防烟等特性。
三、硐室安全要求固定式避难硐室的安全使用要满足以下几个要求:1.固定式避难硐室要在地下矿井开工前进行验收,验收合格后方可投入使用;2.硐室内要配备必需的生命维持、废气排放、火情探测、自动灭火等设备;3.硐室内要设置标志牌和出口指示标志;4.硐室要定期维护保养,确保设备功能的使用可靠。
四、安全培训要求1.每位进入煤矿井下的人员都要接受必要的安全培训,并了解避难硐室布置图和避难预案;2.每位进入煤矿井下的人员都要熟悉硐室的组成、装置、使用方法及注意事项;3.井下矿工要定期接受救生、消防、安全知识和技能培训。
五、演习要求定期演习避难演练,检验矿工应急避难能力,并对非常规状况进行应急处置演练,以提高工人应对突发事件能力。
六、总结固定式避难硐室技术要求是确保煤矿井下矿工安全的基础。
我国相关法律法规和标准对固定式避难硐室的生产、施工和使用都有严格的规定。
煤矿企业要认真执行相关标准和规定,保证硐室的质量和矿工的安全。
同时,煤矿企业要提高矿工安全意识,认真进行安全培训和演练,让矿工明白避难硐室的位置和使用方法,提高应对突发事件的能力,确保安全生产。
煤矿井下避难硐室根据其服务范围及使用年限,分为永久避难硐室和临时避难硐室,永久避难硐室的标记为DMY ,临时避难硐室的标记为DML.临时避难硐室设计额定避险人数不少于10人,不多于40人.避难硐室形式,采用如下三种结构形式:(1) “一”字型:硐室两端分别连接不同的巷道,硐室有两个安全出口;(2) “凹”字型:硐室两端均连接同一条巷道,两个安全出口之间的距离不小于20m ;(3) “口”字型:硐室仅一个安全出口,在巷道旁边构筑.临时避难硐室一般采用第(3)种结构形式,也可采用上述三种形式之一;永久避难硐室不得采用第(3)种形式的结构。
图3—3—1 “—”型避难硐室图3-3-2 “凹”型避难硐室图3—3—3 “口”型避难硐室临时避难硐室应设置在采掘区域或采区避灾路线上,主要服务于采掘工作面及其附近区域,服务年限一般不大于5年.硐室容量应满足突发紧急情况下所服务区域全部人员紧急避险的需要,包括生产人员、管理人员及可能出现的其他临时人员,并应有一定的备用系数。
永久避难硐室的备用系数不低于1.2,临时避难硐室的备用系数不低于1。
1. 1、功能要求避难硐室必需具备安全防护、氧气供给保障、有害气体去除、环境监测、通讯、照明、人员生存保障等基本功能,在无任何外界支持的情况下额定防护时间不低于96小时。
2、位置选择避难硐室应布置在稳定的岩层中,避开地质构造带、高温带、应力异常区以及透水危险区。
特殊情况下确需布置在煤层中时,应有控制瓦斯涌出和防止瓦斯积聚、煤层自燃的措施。
永久避难硐室应确保在服务期间不受采动影响,临时避难硐室应在服务期间避免受采动损害。
3、安全出口结构避难硐室安全出口应采用向外开启的两道门结构。
外侧第一道门采用既能抵挡一定强度的冲击波,又能阻挡有毒有害气体的防护密闭门;第二道门采用能阻挡有毒有害气体的密闭门。
两道门之间为过渡室,密闭门之内为避险生存室。
4、硐室面积临时避难硐室过渡室的净面积应不小于2。
临时难硐室建设要求1、设计要求临时避难硐室应布置在稳定的岩(煤)层中,避开地质构造带、高温带、应力异常区,确保服务期间受采动影响小。
前后20米范围内巷道应采用不燃性材料支护,顶板完整、支护完好,符合安全出口的要求。
布置在煤层中时应有控制瓦斯涌入和防止瓦斯集聚、煤层自燃等措施。
临时避难硐室应由过渡室和生存室等构成,采用向外开启的两道隔离门结构。
过渡室净面积应不小于2.0米2,内设压缩空气幕和压气喷淋装置,第一道隔离门上设观察窗,靠近底板附近设单向排水管和单向排气管。
生存室净高应不低于1.8米,长度、宽度根据设计的额定避险人数以及内配装备情况确定。
每人应有不小于0.6米2的使用面积,设计的额定避险人数应不少于10人,不宜多于50人。
靠近底板附近设置不少于两趟的单向排水管和单向排气管。
隔离门应不低于井下密闭门的标准,密封可靠,开闭灵活,防水抗压达1Mpa~2Mpa,隔离门上应设置观察窗。
隔离门墙周边掏槽,或见硬顶、硬帮,墙体用强度不低于C25的混凝土浇筑,并与岩(煤)体接实,保证足够的气密性。
利用可移动式救生舱的过渡舱作为过渡室时,过渡舱外侧门框宽度应不小于300毫米,安装时在门框上整体灌注混凝土墙体。
硐室四周掏槽深度、墙体强度及密封性能要求不低于隔离门安装要求。
临时避难硐室应采用锚网、锚喷、砌碹等方式支护,支护材料应阻燃,顶板宜采用半圆拱形,室内顶板和墙壁颜色为浅色,以减轻受困人员的心里压力,硐室地面应高于巷道底板不小于0.2米。
临时避难硐室应接入矿井压风、供水、监测监控、人员定位、通讯和供电系统。
接入的矿井压风管路,应设减压、消音、过滤装置和带有阀门控制的呼吸嘴,压风出口压力在0.1~0.3兆帕之间,连续噪声不大于70分贝,过滤装置具备油水分离功能。
接入的矿井供水管路,应有接口和供水阀。
接入的安全监测监控系统应能对硐室内的O2、CH4、CO2、CO、温度等进行实时监测。
硐室入、出口处应设人员定位基站,实时监测人员进出紧急避险设施情况。
煤矿避难硐室建设标准1适应范围本标准规定了本公司建造煤矿井下避难硐室(包括永久避难硐室及临时避难硐室)的设计、装备、检测及管理要求。
本标准呼吸困难用作金属非金属地下矿山避灾硐室。
2规范性引用文件gb50215―2021煤炭工业矿井设计规范《煤矿安全规程》2021年版《防治煤与瓦斯突出规定》2021年版《矿山救护规程》2021年版《煤矿井下应急买盘系统建设管理暂行规定》安监总煤装〔2021〕15号《关于煤矿井下紧急避险系统建设管理有关事项的通知》安监总煤装〔2021〕15号3分类3.1分类及代号煤矿井下暂避硐室根据其服务范围及采用年限,分成永久暂避硐室和临时暂避硐室,永久暂避硐室的标记为dmy,临时暂避硐室的标记为dml。
3.2避难人数根据矿山的实际情况展开设计,但应当满足用户如下规定:永久避难硐室设计额定避险人数不少于20人,宜不多于100人;临时避难硐室设计额定避险人数不少于10人,不多于40人。
3.3硐室结构形式避难硐室形式,采用如下三种结构形式:(1)“一”字型:硐室两端分别相连接相同的巷道,硐室存有两个安全出口;(2)“凹陷”字型:硐室两端均相连接同一条巷道,两个安全出口之间的距离不小于20m;(3)“口”字型:硐室仅一个安全出口,在巷道旁边构筑。
1临时暂避硐室通常使用第(3)种结构形式,也可以使用上述三种形式之一;永久暂避硐室严禁使用第(3)种形式的结构。
逃生巷道防护密闭门密闭门密闭门防护密闭门进口逃生巷道过度室生存室过度室出口图3-3-1“―”型暂避硐室生存室密闭门过度室密闭门过度室防护密闭门出口逃生巷道防护密闭门进口图3-3-2“凹”型避难硐室存活室密封门防水密封门过度室灭火巷道图3-3-3“口”型暂避硐室3.4硐室型号表示暂避硐室型号则表示:dm/-硐室结构代号,永久缺省为1,临时缺省为3硐室设计防护时间,缺省为96,单位为小时(h)设计避难人数硐室类型:y、永久暂避硐室,l、临时暂避硐室2暂避硐室型号表中类型永久避难硐室临时避难硐室标记人数结构形式1:“一”字型;2:“凹”字型1:“一”字型;2:“凹”字型;3:“口”字型dmy20~100dml10~404基本建议4.1设计暂避硐室设计,应由具有煤炭行业专业(矿井)设计资质的机构顺利完成。
山西朔州平鲁区森泰煤业有限公司永久避难硐室系统及配置基本条件要求一、必须符合国家安监总煤装【2010】146号、【2011】15号、【2011】33号、【2012】15号、【2013】10号文件规定对各系统要求;二、硐室内所有配置设备、设施必须符合煤矿井下用要求,并取得相关煤安标志和防爆标志,安全生产许可证、产品合格证等相关部门要求;三、1、防爆密封门必须大于1.6×0.8,抗爆压力大于1.05MPa,密封门大于1.6×0.8且门上设观察窗,隔离门不低于反向风门的标准;密封可靠,开闭灵活,在1.5倍使用压力下保压1小时,压力应当无明显下降;在500±20Pa压力下泄压速率应当不大于350Pa/h,正压设定工作状态下紧急避险设施内部气压应当始终保持高于外界气压100~500Pa;2、气幕喷淋(保压)系统:(一)喷淋气幕装置2套,(二)空气幕控制箱2套,(三)空气幕控制球阀DN20,2个,(四)空气幕供气管路2套,(五)空气幕流量计LZT—10A08M0,2个,(六)气幕喷淋控制箱HRPK(A)2套,(七)喷淋流量计LZT—10A24M2个,(八)压缩空气钢瓶加气80L (15MPa)32个,(九)空气减压器:YQK—352,,32个,(十)空气记流装置:YQHL—8S, 2套,(十一)喷淋供气管路配件2套,手动排气阀DN50,4个,自动单向排气阀8个,排气管路配件12套。
3、排水系统(一)供水控制阀DN25,2套,(二)洗手盆1个,(三)水净化器1个,(四)不锈钢水龙头DN25,1个,(五)水比例减压器1个,(六)排水管路止回阀1个,(七)供水管路配件,(八)手摇水泵CS—20,1套,(九)矿用供水自救装置KGS—2,1套。
4、压风供氧系统(一)手动闸阀DN80,1个,(二)过滤器—020(20Nm3/min)1套,(三)过滤器—010(10Nm3/min)1套,(四)减压阀QTY—50,3套,(五)闸阀DN50,3只,(六)截止阀DN25,1个,(七)截止阀DN50,2个,(八)消声器DN25,8个,(九)流量计6套,(十)流量计固定支架6个,(十一)压风管路配件1套。
煤矿避难酮室建设标准1适应围本标准规左了本公司建造煤矿井下避难嗣室(包括永久避难嗣室及临时避难嗣室)的设计、装备、检测及管理要求。
本标准不适用于金属非金属地下矿山避灾爾室。
2规性引用文件GB 50215—2005煤炭工业矿井设计规《煤矿安全规程》2011年版《防治煤与瓦斯突出规泄》2009年版《矿山救护规程》2009年版《煤矿井下紧急避险系统建设管理暂行规定》安监总煤装(2011) 15号《关于煤矿井下紧急避险系统建设管理有关事项的通知》安监总煤装(2012) 15号3分类3.1分类及代号煤矿井下避难碉室根据其服务围及使用年限,分为永久避难碉室和临时避难碉室,永久避难碉室的标记为DMY,临时避难碉室的标记为DML03.2避难人数根据矿山的实际情况进行设计,但应满足如下规定:永久避难碉室设计额定避险人数不少于20人,宜不多于100人;临吋避难碉室设计额定避险人数不少于10人,不多于40人。
3.3嗣室结构形式避难碉室形式,釆用如下三种结构形式:(D “一”字型:砺室两端分别连接不同的巷道,%同室有两个安全出口;(2) “凹”字型:碉室两端均连接同一条巷道,两个安全出口之间的距离不小于20m:(3) “口”字型:砺室仅一个安全出口,在巷道旁边构筑。
临时避难碉室一般采用第(3)种结构形式,也可釆用上述三种形式之一;永久避难碉室不得采用第(3)种形式的结构。
生存室 密闭门丿人^过度室防护密闭门透生卷逍图3-3-3 “口”型避难砺室3.4碣室型号表示避难嗣室型号表示:嗣室结构代号,永久缺省为1,临时缺省为3碉室设计防护时间,缺省为96,单位为小时(h) 设计避难人数爾室类型:Y 、永久避难鬧室,L 、临时避难嗣室密闭门 逸生巷逋密闭门防护曲闭门生处出口逃生巷逍 助护密闭门4基本要求4. 1设计避难碉室设计,应当由具备煤炭行业专业(矿井)设计资质的机构完成。
避难碉室施工前,应有专门的施工设计,报企业技术负责人批准后方可实施。
大黄山豫新公司大黄山煤矿井下永久性避难硐室管理规定为贯彻落实《国务院关于进一步加强企业安全生产工作的通知》和《国家安全监管总局国家煤矿安监局关于建设完善煤矿井下安全避险“六大系统”的通知》精神,按《煤矿井下安全避险“六大系统”建设完善基本规范》,根据《煤矿安全规程》、《防治煤与瓦斯突出规定》有关规定。
特制定井下永久性避难硐室(以下简称避难硐室)管理规定:一、建设基本要求1、避难硐室的设置应避开地质构造带、应力异常区以及透水威胁区,并要求尽量布置于岩层中,且顶板完整、支护完好,前后20m范围内应采用不燃性材料支护,符合安全出口的相关要求。
2、井下避难硐室应具备安全防护、氧气供给、有害气体处理、温湿度控制、避难硐室内外环境参数监测、通讯、照明及指示、基本生存保障等功能,保证在无任何外部支持的情况下维持避难硐室内额定避险人员生存96h以上。
3、矿井避灾路线图应包含井下所有避难硐室设置情况。
避难硐室应有清晰、醒目的标识牌,并悬挂于避难硐室外。
标识牌中应明确标注避难硐室位置和规格、种类,井巷中应有避难硐室方位的明显标示,以便灾变时遇险人员能够迅速到达避难硐室。
4、避难硐室内应有简明、易懂的使用和操作步骤说明,以指导遇险人员正确使用避难设施,安全避险。
5、根据井下作业人员和巷道断面等情况,结合本矿井避灾路线的情况,本避难硐室布置在733副井码头门东50m处,避难硐室的额定人数为75 人,能满足所服务区域内同时工作的最多人员的避难需要,富裕系数不低于5%。
二、设计施工要求1、避难硐室净高不低于2m,长度、深度根据同时避难最多人数以及避难硐室内配置的各种装备来确定,每人应有不低于0.5m2的面积。
2、避难硐室的形状采用半圆拱形,内部顶板和墙壁的颜色为浅色,以减轻受困人员的心理压力。
3、避难硐室设置与外界相通的单向排气管,室内一侧的管口靠近避难硐室底板。
4、避难硐室顶板应安装防水设施,不得有滴水现象。
硐室地面应高于巷道底板0.2m,硐室内应设置单向排水管;避难硐室内应设计承重挂钩,以方便设备安装。
煤矿井下固定式避难硐室建设标准
煤矿井下固定式避难硐室建设标准
1适用范围
本标准规定了煤矿井下固定式避难硐室(以下简称避难硐室)的设计、装备、管理等要求。
本标准适用于井工煤矿,包括新建与改、扩建矿井。
2编制依据
《煤炭工业矿井设计规范》GB50215—2005
《煤矿安全规程》2010年版
《防治煤与瓦斯突出规定》2009年版
《矿山救护规程》2009年版
国家煤矿安全监察局《煤矿井下避难所试点建设基本要求》(煤安监司办2010第9号)
国家安全监管总局国家煤矿安监局关于《建设完善煤矿井下安全避险“六大系统”的通知》(安监总煤装〔修2010〕146号) 本文来自
3基本要求
3、1矿井应根据井下作业人员与巷道断面等情况,结合矿井避灾路线,合理选择与布置避难硐室或移动式救生舱。
3、2有突出煤层的采区应设置采区避难硐室,设置位置应当根据实际情况确定,但必须设置在防逆流风门外的进风流中。
煤与瓦斯突出矿井以外的其她矿井,从采掘工作面步行,凡在自救器所能提供的额定防护时间内不能安全撤到地面的,必须在距离采掘工作面1000米范围内建设避难硐室或救生舱
突出煤层的掘进巷道长度及采煤工作面走向长度超过500米时,必须在距离工作面500米范围内建设避难硐室或设置救生舱。
3、3避难硐室的额定人数,应满足所服务区域内同时工作的最多人员的避难需要,并考虑不低于5%的富裕系数。
其中,采区避难硐室至少满足15人的避难需求。
3、4避难硐室的设置应避开地质构造带、应力异常区以及透水威胁区,并要求尽量布置于岩层中,且顶板完整、支护完好,前后20m范围内应采用不燃性材料支护,符合安全出口的相关要求。
3、5井下避难硐室应具备安全防护、氧气供给、有害气体处理、温湿度控制、避难硐室内外环境参数监测、通讯、照明及指示、基本生存保障等功能,保证在无任何外部支持的情况下维持避难硐室内额定避险人员生存96h以上。
3、6矿井避灾路线图应包含井下所有避难硐室设置情况。
避难硐室应有清晰、醒目的标识牌,并悬挂于避难硐室外。
标识牌中应明确标注避难硐室位置与规格、种类,井巷中应有避难硐室方位的明显标示,以便灾变时遇险人员能够迅速到达避难硐室。
3、7避难硐室内应有简明、易懂的使用与操作步骤说明,以指导遇险人员正确使用避难设施,安全避险。
4设计要求
4、1避难硐室净高不低于2m,长度、深度根据同时避难最多人数以及避难硐室内配置的各种装备来确定,每人应有不低于0、5m2的面积。
4、2避难硐室的形状宜采用半圆拱形,内部顶板与墙壁的颜色为浅色,以减轻受困人员的心里压力。
4、3避难硐室应设置与外界相通的单向排气管,室内一侧的管口靠近避难硐室底板。
4、4避难硐室顶板应安装防水设施,不得有滴水现象。
硐室地面应高于巷道底板0、2m,硐室内应设置单向排水管。
4、5避难硐室内应设计承重挂钩,以方便设备安装。
4、6避难硐室外20米范围内不应堆放易燃物品。
4、7避难硐室应采用向外开启的2道隔离门结构,以形成风障。
隔离门不低于反向风门的标准,高不小于1、5m,宽不小于0、8m。
密封可靠,开闭灵活。
隔离门上应设置观察窗。
4、8隔离门墙体周边掏槽,深度不小于0、2m,或见硬顶、硬帮,墙体用强度不低于C25的混凝土浇筑,并与岩体接实。
4、9压风、供水及信号传输管线在进入避难硐室前应埋设于巷底或巷壁,或采取其她措施保护,确保在灾变发生时不被破坏。
埋设或保护距离在避难硐室设计中明确,但至少不得低于200米。
4、10避难硐室应根据不同岩性采用锚喷、砌碹等方式支护,支护材料应阻燃、抗静电、耐高温、耐腐蚀。
4、11在井下通往避难硐室的入口处应有“避难硐室”的反光显示标志,标志应符合AQ1017-2005标准要求。
5功能及配置
5、1避难硐室内部与外部巷道相比始终处于不低于200Pa的正压状态,防止有毒有害气体渗入。
5、2避难硐室应配备矿井灾变期间的空气供给装置或设施,在额定防护时间内提供避险人员人均供风量不低于0、3m3/min,氧气浓度在18、5%~22、0%之间。
避难硐室氧气供给应以压风为主,接入矿井压风管路,设有减压装置与带有阀门控制的呼吸嘴,也可以大直径钻孔直通地面。
5、3避难硐室采用压缩空气供氧方式时,可不考虑空气净化与调节;采用压缩氧供气时,应具备对有毒有害气体的处理能力与空气调节控制能力,对CO2的吸收(排除)能力不低于每人0、5L/min,对CO的吸收(排除)能力不低于400ppm/h,在额定防护时间内,避难硐室环境参数应符合表1规定。
表1
5、13避难硐室布置示意图见图1。
防爆电气论坛
图1避难硐室布置示意图
1、隔离门
2、喷淋系统
3、药品食品柜
4、供水管
5、压风管
6、人员管理系统终端
7、压风自救器箱
8、座椅
9、压缩氧供气系统10、担架11、环境参数监测仪器12、矿用荧光灯13、空气过滤系统14、防爆空调15、电源箱16、矿用红外摄像仪17、集便器18、排水管19、排气管20、自救器及工具柜
6管理与维护
6、1避难硐室应专门设计并编制施工措施,报矿井总工程师审批后施工;竣工后由安全副矿长组织通风、安全及生产部门相关人员进行验收,合格后才能投入使用。
6、2矿井建立避难硐室管理制度,设专人管理,每周检查一次。
按相关规定对其配套设施、设备进行维护、保养或调校,发现问题及时处理,确保设施完好可靠。
6、3避难硐室配备的食品与急救药品,过期或失效的必须及时更换。
欢迎访问防爆电气网
6、4避难硐室保持常开状态,确保灾变时人员可以及时进入。
6、5矿井应对入井人员进行避难硐室使用的培训,每年组织一次避难硐室使用演练,确保每位入井员工都能正确使用避难硐室及其配套设施。