垃圾焚烧发电技术PPT讲稿
- 格式:ppt
- 大小:7.72 MB
- 文档页数:94
生活垃圾焚烧发电技术-焚烧总图与各流程-PPT演示文稿第一部分:引言1.1介绍生活垃圾焚烧发电技术的背景和意义1.2阐述生活垃圾焚烧发电技术的发展现状和前景第二部分:生活垃圾焚烧总图2.1展示生活垃圾焚烧发电厂的总体结构图2.2说明各个部分的功能和作用2.3强调生活垃圾处理过程中的环保措施和各种排放治理设施第三部分:各流程详解3.1垃圾投放与收集系统3.1.1介绍垃圾从收集到焚烧发电厂的流程3.1.2说明垃圾的分类与处理方式3.2预处理系统3.2.1详细解释垃圾进入发电厂后的预处理过程3.2.2强调对垃圾进行破碎、分拣和分离等工艺3.3燃烧系统3.3.1介绍垃圾燃烧过程中所需的燃烧设备和技术3.3.2强调燃烧产生的高温和高压对垃圾进行充分燃烧和分解3.4发电系统3.4.1解释垃圾燃烧产生的热能如何转化为电能3.4.2说明焚烧发电厂的发电设备和工艺流程3.5排放系统3.5.1详细介绍焚烧过程中产生的废气与废渣的处理方式3.5.2强调环保排放标准和治理技术的应用第四部分:生活垃圾焚烧发电技术的优势和挑战4.1分析生活垃圾焚烧发电技术的优点和经济效益4.2阐述生活垃圾焚烧发电技术面临的挑战和问题4.3提出解决方案和改进措施第五部分:结论5.1总结生活垃圾焚烧发电技术的主要内容和优势5.2展望生活垃圾焚烧发电技术的未来发展趋势通过以上的PPT演示文稿,我们可以全面了解生活垃圾焚烧发电技术的总体结构和各个流程,包括垃圾投放与收集系统、预处理系统、燃烧系统、发电系统和排放系统等。
并且了解到该技术的优势和挑战,以及未来的发展前景。
同时,演示文稿还强调了该技术在垃圾处理和资源利用方面的重要性,以及环保措施和治理设施的应用。
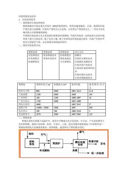
垃圾焚烧发电技术1.垃圾处理技术一、我国城市垃圾处理现状我国的城市垃圾总量正以每年10%的速度增长,种类也越来越多。
目前,我国的垃圾产量正进入高峰期,垃圾年产量约为1.5亿吨,占世界总产量的四分之一。
约有2/3的城市陷入垃圾围城的困境。
中国的垃圾处理方式主要是把垃圾堆放在填埋场,不做任何处理。
这种处理方法给环境带来了相当大的危害,除了会对土壤、地下水和周边环境造成污染外,垃圾产生的以甲烷为主的温室气体,还会加剧全球的温室效应。
二、城市垃圾处理方法堆肥处理焚烧处理填埋处理其它方法厌氧堆肥法好氧堆肥法机械堆肥法简易燃烧技术焚烧发电技术传统堆置法围海造地法卫生填埋法热解法垃圾衍生燃料技术垃圾碳化水解技术垃圾厌氧产沼技术垃圾制作建筑材料技术垃圾压缩打包技术垃圾养殖蚯蚓技术填埋场填埋库容/万m³处置能力/t.d-1使用年限建设费用/百万元杭州天子岭600 2000 1991-2014 31.6上海老港1200 3000 1989- 104广州李村180 **** ****-1997 16广州大田山1700 2000 1992-1999 -西安江村沟4900 - 1995-2045 37深圳下坪14000(5000)1800 1997 300包头青山200 200 1990-2010 3北京阿苏卫1070 2000 1995-2005 110二.焚烧处理焚烧法是将垃圾置于高温炉中,使其中可燃成分充分氧化的一中方法,产生的热量用于发电和供暖。
我国已有深圳、杭州、石家庄、上海、武汉等城市相继建造了垃圾焚化电厂。
焚烧处理的优点是减量效果好,处理彻底。
建设和生产费用极为昂贵。
三.堆肥处理将生活垃圾堆积成堆,保温至70℃储存、发酵,借助垃圾中微生物分解的能力,将有机物分解成无机养分。
垃圾处理的前景——垃圾的“四化”:资源再生化,能源化,无害化,减量化2.垃圾焚烧发电技术从20世纪70年代起,一些发达国家便着手运用焚烧垃圾产生的热量进行发电。