桩基础毕业设计实例
- 格式:docx
- 大小:404.74 KB
- 文档页数:25
一引言桩基础是一种重要的基础型式,在房屋建筑、桥梁、海洋等工程中都有广泛的应用。
但桩基础的设计和计算过程比较复杂,手工计算十分麻烦、且很难得到满意的结果。
目前,有关桩基础设计与分析的软件非常少见。
本研究根据现有桩基础设计与分析理论,以VisualB++6.0为开发平台,研制了能够设计与分析单桩或群桩基础的程序。
程序设计主要包括界面设计与计算程序两个方面。
界面除了起交换数据作用外,更重要是直观、方便,能够有效地减少设计中的错误。
计算程序分别采用静力触探法、经验公式法、按土的抗剪强度指标法计算单桩竖向承载力,能够简单分析单桩和群桩的桩基础受力与变形。
随着计算机的普遍应用,国内外工程师加快了桩基础设计分析软件的开发和设计,国内外桩基础设计软件成果如下:国外桩基础程序设计起步较早,现在发展成熟的常见的软件有FAD3DPG,AllPile,mPile等国内桩基础程序设计起步较晚,当经过几年的发展桩基础设计程序日趋完善,国内有代表性的软件有:①湖南大学桩基础辅助设计软件PFCA D;②浙江大学某设计院以Visual C++6.0为平台开发设计横向承载桩基础分析软件;③华侨大学开发的PFOD系统;④同济大学启明星桩基础设计计算软件 Pile 2009等桩基础是目前在高层建筑,桥梁港口设计中应用极为广泛的一种基础形式,本设计的目的是为了使设计人员从枯燥的计算中解脱出来,并能够有效的减少人为设计错误二桩基础设计计算2.1 桩基础设计一般步骤:桩基础的设计应力求选型适当、经济合理、安全适用,对桩和承台有足够的强度、刚度和耐久性;对地基(主要是桩端持力层)有足够的承载力和不产生过量变形,其设计内容如下图所示:无必要验算整体强度图2.1 桩基础设计框图即:(1) 进行调查研究,场地勘察,收集有关资料;(2) 综合勘察报告、荷载情况、使用要求、上部结构条件等确定桩基持力层; (3) 选择桩材,确定桩的类型、外型尺寸和构造; (4) 确定单桩承载力特征值;(5) 根据上部结构荷载情况,初步拟定桩的数量和平面布置; (6) 根据桩的平面布置;初步拟定承台的轮廓尺寸及承台底标高; (7) 验算作用于单桩上的竖向和横向荷载; (8) 验算承台尺寸及结构强度;(9) 必要时验算桩基整体承载力及沉降量,当持力层下有软弱下卧层时,验算软弱下卧层的地基承载力;(10) 单桩设计,绘制桩和承台的结构及施工详图。
任务书
一、工程设计概况
(1)拟建建筑及场地
某市拟建一栋6层框架结构的办公楼,其建筑场地地势平坦,地层层位稳定,地下水位埋深位于地表下3.2m处,场地的工程地质条件和土层物理性质指标(表1)如下。
试设计柱下独立承台桩基础(假设不考虑地震作用的影响),桩的类型(预制桩或灌注桩)及桩的施工方式自行设定。
场地土层分布情况及各土层物理、力学指标见表1.
表1 土层物理性质指标
(2)上部结构资料
拟建建筑物为6层框架结构,长30m,宽9.6m,室外地坪标高同自然地面,室内外高差450mm,柱截面尺寸均为mm
400 ,横向
mm
400
承重,柱网布置如图1所示。
上部结构荷载作用:上部结构作用在柱底的荷载效应标准组合值如表2所示,上部结构作用在柱底的荷载效应基本组合值如表3所示。
表2 柱底荷载效应标准组合值
表3 柱底荷载效应基本组合值
二、设计内容及要求
(1)确定单桩竖向承载力特征值;
(2)确定桩数,桩的平面布置,承台平面尺寸,单桩承载力验算;(3)软弱下卧层承载力验算;
(4)桩基沉降验算;
(5)桩身结构设计及验算;
(6)承台结构设计及验算;
(7)桩及承台施工图设计:包括桩平面布置图、桩身配筋图、承台配筋图、节点详图、钢筋图、钢筋表和必要的施工说明;
三、设计成果及提交
(1)计算说明书
(2)桩基础施工图。
本科毕业设计(论文)三亚望海国际酒店静压桩基设计专业名称:年级班级:学生姓名:指导教师:河南理工大学土木工程学院二○一○年六月十日河南理工大学毕业设计(论文)任务书专业班级:学生姓名:一、题目:三亚望海国际酒店静压桩基设计二、起止日期 2012 年 3 月 20日至 2012 年 6 月 10日三、主要任务与要求①通过三亚望海国际酒店静压桩基设计、施工,了解高强度预应力混凝土PHC管桩在沿海地区的使用以及在内地推广的展望。
②指导教师:职称:院领导:签字(盖章)年月日毕业设计(论文)评阅人评语题目:三亚望海国际酒店静压桩基设计评阅人:职称:工作单位:年月日毕业设计(论文)评定书题目:三亚望海国际酒店静压桩基设计指导教师:职称:年月日毕业设计(论文)答辩许可证答辩前向毕业答辩委员会(小组)提交了如下资料:1、设计(论文)说明共页2、图纸共张3、指导教师意见共页4、评阅人意见共页经审查,岩土与地下工程专业同学所提交的毕业设计(论文),符合学校本科生毕业设计(论文)的相关规定,达到毕业设计(论文)任务书的要求,根据学校教学管理的有关规定,同意参加毕业设计(论文)答辩。
指导教师:签字(盖章)年月日根据审查,准予参加答辩。
答辩委员会主席(组长)签字(盖章)年月日毕业设计(论文)答辩委员会(小组)决议土木工程学院岩土与地下工程专业 2 班学的毕业设计(论文)于2012 年 06 月日进行了答辩。
根据所提供的毕业设计(论文)材料、指导教师和评阅人意见以及在答辩过程中学生回答问题的情况,毕业设计(论文)答辩委员会(小组)做出如下决议。
一、毕业设计(论文)的总评语二、毕业设计(论文)的总成绩:三、答辩组组长签名:答辩组成员签名:答辩委员会主席:签字(盖章)年月日摘要改革开放以来,我国经济建设带动了土木工程的迅速发展,大量的高层建筑、民用住宅、公用工程、大跨度桥梁、高速公路、港口、码头等工程均需优质的桩基础。
预应力静压管桩是重要的桩基材料,它是体现了当代混凝土制品高新技术水平的预制混凝土桩,与其他桩基础相比它主要具有施工时无噪音、无震动、无油烟,环保性强,适合在市区和其他对噪音、震动有限制的场地施工,比如学校、医院、办公楼及住宅小区、精密仪器房等附近区域等,而且目前有些城市已禁止在市区内锤击打桩,静压施工法是一种理想的选择;送桩深度比打入式桩要深,且送桩后桩身质量可靠,接桩方便;可以24小时施工,无季节性限制,经济效益高,相对于其他桩型具有单位承载力造价低、桩身质量有保障、承台小、施工周期短等优点。
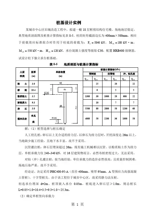
桩基设计实例某城市中心区旧城改造工程中,拟建一幢18层框剪结构住宅楼。
场地地层稳定,典型地质剖面图及桩基计算指标见表8-5。
柱的矩形截面边长为400mm ×500mm ,相应于荷载效应标准组合时作用于柱底的荷载为:5840=k F kN ,180=xk M kN ·m ,550=yk M kN ·m ,120=xk H kN 。
承台混凝土强度等级取C30,配置HRB400级钢筋,试设计柱下独立承台桩基础。
表8-5 地质剖面与桩基计算指标解:(1)桩型选择与桩长确定人工挖孔桩:卵石以上无合适的持力层。
以卵石为持力层时,开挖深度达26m 以上,当地缺少施工经验,且地下水丰富,故不予采用。
沉管灌注桩:卵石层埋深超过26m ,现有施工机械难以沉管。
以粉质粘土作为持力层,单桩承载力仅240~340 kN ,对16层建筑物而言,必然布桩密度过大,无法采用。
对钻(冲)孔灌注桩,按当地经验,单位承载力的造价必然很高,且质量控制困难,场地污染严重,故不予采用。
经论证,决定采用PHC400-95-A (直径400mm 、壁厚95mm 、A 型预应力高强混凝土管桩),十字型桩尖。
由于该工程位于城市中心区,故采用静力法压桩。
初选承台埋深d =2m 。
桩顶嵌入承台0.05m ,桩底进入卵石层≥1.0m ,则总桩长L=0.05+1.0+10.4+3.5+9.3+1.0≈25.3m 。
(2)确定单桩竖向承载力①按地质报告参数预估 =1150kN②按当地相同条件静载试验成果u Q 的范围值为2600 ~3000kN 之间,则 1500~13002/==u a Q R kN ,经分析比较,确定采用13502/==u a Q R kN 。
(2)估算桩数与平面布桩 ①初选桩的根数 3.413505840==a k R F n >根,暂取5根。
②初选承台尺寸桩距2.14.00.30.3=⨯==d s m ,并考虑到xk yk >M M ,故布桩如图8-29所示:(a) 平面 (b) 立面图8-29 承台尺寸及荷载图初选承台埋深d =2m ,承台高度h 为1.2m ,桩顶伸入承台50mm ,钢筋保护层取70mm ,则承台有效高度为:13.107.02.10=-=h m=1130mm采用平板式承台,取承台及其上土的平均重度20=Gk γkN/m 3。
桩基设计实例桩基设计实例一、设计数据:施工现场信息与任务书相同。
建筑地基土层分布及土层物理力学指标见表1。
土层编号、土层名称、底部埋深(m)、厚度(m)(kn/m3)ew(%)ILC(kpa)(o)es(MPa)fk(kpa)PS(MPa)1杂填土1.41.418.02粉质粘土8 . 26 . 819 . 10 . 819260 . 613811 . 26 . 431401 . 603粉质粘土17 . 5 . 39 . 317 . 414951 . 34955二、选择桩型、桩端持力层、桩帽埋深1、选择桩型由于框架跨度大且不均匀,柱底荷载大,不宜采用浅基础。
根据施工场地、地基条件和场地周围环境条件,选择桩基。
可以选择预制桩或钻孔桩。
2.根据地基土的分布情况选择桩的几何尺寸和承台的深度,第四层土是桩端较合适的持力层。
桩端的整个截面进入持力层(> 2d),以确定工程桩的埋深。
承台底部进入第二层土壤,承台埋深为 2.0m,确定桩基有效桩长。
预制桩:桩的横截面尺寸为边长400毫米~ 500毫米(450毫米×450毫米)。
根据施工设备的要求,桩分为两段。
实际桩长比有效桩长长1米。
这是考虑到持力层可能有一定的起伏,需要将桩嵌入承台一定的长度以留出空间。
桩基和土层分布如图1所示。
3.单桩极限承载力标准值的确定。
本设计属于二级建筑桩基。
单桩承载力标准值由经验参数法确定:规范p33图2五桩基础单桩竖向承载力特征值图1桩基和土层分布示意图4.确定桩的数量和承台底面的尺寸。
以下所有计算均基于轴⑦-一、设计数据:施工现场信息与任务书相同。
建筑地基土层分布及土层物理力学指标见表1。
土层编号、土层名称、底部埋深(m)、厚度(m)(kn/m3)ew(%)ILC(kpa)(o)es(MPa)fk(kpa)PS(MPa)1杂填土1.41.418.02粉质粘土8 . 26 . 819 . 10 . 819260 . 613811 . 26 . 431401 . 603粉质粘土17 . 5 . 39 . 317 . 414951 . 34955二、选择桩型、桩端持力层、桩帽埋深1、选择桩型由于框架跨度大且不均匀,柱底荷载大,不宜采用浅基础。
桩基础设计框图设计实例一1. 设计资料某多层建筑一框架柱截面为mm400⨯,承担上部结构传来的荷载设计值为:800轴力kN.mM,剪力kN50H。
经勘察地基土依次为:0.8m==2800=F,弯矩kN.m420厚人工填土,1.5m厚粘土;9.0m厚淤泥质粘土;6m厚粉土。
各层物理力学性质指标如下表所示。
地下水位离地表1.5m。
试设计桩基础。
表各土层物理力学指标依据:承台的尺寸和结构(1) 形状 方,矩型,三角形,多边形,圆形 (2) 最小宽度 ≥50 cm (3) 最小厚度 ≥30 cm (4) 桩外缘距离承台边≥15 cm 边桩中心距离承台边≥1.0D (5) 桩嵌入承台 大桩横向荷载≥10 cm, 小桩≥5 cm,钢筋伸入承台30d (5) 混凝土标号≥C15 cm,保护层7cm 2 设计计算2.1 桩基持力层、桩型、承台埋深和桩长的确定由勘察资料可知,地基表层填土和1..5m 厚的粘土以下为厚度达9m 的软粘土,而不太深处有一层形状较好的粉土层。
分析表明,在柱荷载作用下天然地基难以满足要求时,考虑采用桩基础。
根据地质情况,选择粉土层作为桩端的持力层。
根据工程地质情况,在勘察深度范围内无较好的持力层,故桩为摩擦型桩。
选择钢筋混凝土预制桩,边长mm 350350⨯,桩承台埋深1.2m ,桩进入持力层④层粉土层2d ,伸入承台100mm ,则桩长为10.9m 。
2.2 单桩承载力确定(1)单桩竖向极限承载力标准值uk Q 的确定 查相关表格:第②粘土层:5kPa 7=sik q , m 1.12.15.08.0=-+=i l 第③粘土层:kPa 23=sik q , m 9=i l第④粉土层:kPa 55=sik q , m 7.035.022=⨯==d l ikPa 1800=pk qkN 679=+=∑pk p i sik uk q A l q u Q(2) 桩基竖向承载力设计值R 。
桩数超过3根的非端承桩复合桩基,应考虑桩群、土、承台的相互作用效应,由下式计算: kN 5.3392==uka Q R 因承台下有淤泥质粘土,不考虑承台效应。
桩基础毕业设计范文
引言:
桩基础是建筑工程中常用的一种基础形式,它通过将钢筋混凝土桩插入土壤中,利用桩的承载能力来传递建筑物的荷载,确保建筑物的稳定性和安全性。
本毕业设计旨在通过对桩基础的设计和施工过程的探讨,加深对桩基础工程的理解和应用。
一、桩基础的设计原理和方法:
1.桩基础的分类和特点;
2.桩基础的承载力计算方法;
3.选择桩基础类型的依据;
4.桩的布置和间距的确定;
5.桩基础的设计例子分析。
二、桩基础的施工过程和质量控制:
1.桩基础的施工方法和工序;
2.桩基础施工中的常见问题及处理方法;
3.桩基础施工的质量控制措施;
4.桩基础施工的安全注意事项。
三、桩基础的案例分析:
1.大型商业综合体桩基础设计和施工过程分析;
2.高层住宅楼桩基础设计和施工过程分析;
3.桥梁工程桩基础设计和施工过程分析。
四、总结与展望:
1.对桩基础设计和施工过程的总结;
2.对桩基础工程的发展趋势的展望;
3.桩基础设计和施工过程中存在的问题和改进方向的探讨。
结论:
本毕业设计通过对桩基础的设计和施工过程进行研究,对桩基础工程的理论和实践经验有了较为全面的了解。
通过分析桩基础设计和施工中存在的问题,可以为今后的相关工程提供参考和借鉴。
随着建筑工程的不断发展和桩基础工程的不断完善,相信桩基础工程会在将来发挥更加重要的作用。
毕业设计设计题目某住宅楼桩基础设计毕业设计(论文)原创性声明和使用授权说明原创性声明本人郑重承诺:所呈交的毕业设计(论文),是我个人在指导教师的指导下进行的研究工作及取得的成果。
尽我所知,除文中特别加以标注和致谢的地方外,不包含其他人或组织已经发表或公布过的研究成果,也不包含我为获得及其它教育机构的学位或学历而使用过的材料。
对本研究提供过帮助和做出过贡献的个人或集体,均已在文中作了明确的说明并表示了谢意。
作者签名:日期:指导教师签名:日期:使用授权说明本人完全了解大学关于收集、保存、使用毕业设计(论文)的规定,即:按照学校要求提交毕业设计(论文)的印刷本和电子版本;学校有权保存毕业设计(论文)的印刷本和电子版,并提供目录检索与阅览服务;学校可以采用影印、缩印、数字化或其它复制手段保存论文;在不以赢利为目的前提下,学校可以公布论文的部分或全部内容。
作者签名:日期:学位论文原创性声明本人郑重声明:所呈交的论文是本人在导师的指导下独立进行研究所取得的研究成果。
除了文中特别加以标注引用的内容外,本论文不包含任何其他个人或集体已经发表或撰写的成果作品。
对本文的研究做出重要贡献的个人和集体,均已在文中以明确方式标明。
本人完全意识到本声明的法律后果由本人承担。
作者签名:日期:年月日学位论文版权使用授权书本学位论文作者完全了解学校有关保留、使用学位论文的规定,同意学校保留并向国家有关部门或机构送交论文的复印件和电子版,允许论文被查阅和借阅。
本人授权大学可以将本学位论文的全部或部分内容编入有关数据库进行检索,可以采用影印、缩印或扫描等复制手段保存和汇编本学位论文。
涉密论文按学校规定处理。
作者签名:日期:年月日导师签名:日期:年月日目录1.宜春学院毕业设计任务书2.宜春学院毕业设计开题报告3.资格审查表4.宜春学院学士学位原创性申明5.学位论文版权使用授权书6.毕业设计7.外文资料译文8.外文资料原文宜春学院毕业设计任务书题目:某住宅楼桩基础设计学院:物理科学与工程技术学院系:土木工程专业:土木工程班级:07土木工程学号:0734305229姓名:宋月程起止日期:2010.11.15-2011.5.17指导教师:职称:系主任:审核日期:说明1.毕业设计任务书由指导教师填写,并经教研室审定,下达到学生。
基础工程课程设计目录一、设计资料 (4)二、确定桩的长度和承台埋深 (5)三、确定单桩的竖向承载力 (5)四、轴线选择 (5)五、初步确定桩数及承台尺寸 (5)六、群桩基础中单桩承载力验算 (6)七、确定桩的平面布置 (6)八、承台结构计算 (6)1、桩顶最大竖向力 (6)2、承台受弯验算及承台配筋 (6)3、承台柱下抗冲切验算 (7)4、承台角桩抗冲切验算 (8)5、承台抗剪验算 (9)九、单桩配筋设计和计算 (10)一、设计资料1、工程概况某综合楼,框架结构,柱下拟采用桩基础。
柱尺寸400X400,柱网平面布置见图1。
室外地坪标高同自然地面,室内外高差450mm。
上部结构传至柱底的荷载效应见表1、表2,表中弯矩、水平力的作用方向均为横向。
对于任意一位学生,荷载效应的取值为表内值加学号的后两位乘以10。
如某同学学号后两位是21,则该同学在计算①轴交B轴处的柱荷载效应标准组合的取值为:轴向力=1765+21×10=1975 kN,相应的计算弯矩和水平荷载以及荷载效应的基本组合值。
表1 柱底荷载效应标准组合值图1 柱网平面布置2、工程与水文地质条件建筑场地平整,地层及物理力学参数见表3。
场地抗震设防烈度为7度,场地内砂土不会发生液化现象。
拟建场区地下水位深度位于地表下,地下水对混凝土结构无腐蚀性。
表3 地基岩土物理力学参数土层 编号 土的名称厚度(m ) 孔隙比e 液性指数 I L标准贯入锤击数N 天然容重γ(kN/m 3)压缩模量Es (MPa ) 地基承载力特征值f ak (KPa)素填土 - - - 50 淤泥质土 - 60 粉砂 - 14 180 粉质黏土 - 230 粉砂层-31203003、材料混凝土强度等级为C25~C30,钢筋采用HPB235、HRB335级。
二、确定桩的长度和承台埋深1、材料信息:柱混凝土强度等级:30C桩、承台混凝土强度等级:30C 2/43.1mm N f t = 钢筋强度等级:235HpB 2/210mm N f y = 钢筋强度等级:335HRB 2/300mm N f y =2、确定桩的长度及截面尺寸:根据设计资料,选第四层粉质粘土为持力层,进入持力层2.1m ,承台埋深2.5m ,桩长11m 。
桩基础设计实例
以下是一个桩基础设计实例:
项目概况:
- 设计地点:某市某地
- 设计用途:办公大楼
- 地基情况:软土层深度10米,下面为坚硬的岩石层
- 最大荷载:5000吨
设计步骤:
1. 地质勘察:对地基进行详细勘察,确定软土层深度、岩石层情况以及地下水位等重要参数。
2. 天地线计算:根据设计荷载和地基情况,计算出合适的桩基础直径和长度。
3. 桩基础布置:确定桩基础的布置方式,一般为桩群或桩桥。
4. 桩身计算:根据桩基础布置确定桩身所受力情况,计算桩身受到的摩擦力和承载力。
5. 桩头设计:根据桩身受力情况和工程要求,设计桩头的直径和长度。
6. 桩基础施工:根据设计图纸,进行桩基础的施工工艺和流程。
实例设计方案:
- 设计荷载:5000吨
- 地基情况:软土层深度10米,下面为坚硬的岩石层
- 桩基础布置方式:桩群
- 桩直径:1.5米
- 桩长度:14米
- 桩头直径:2.5米
- 桩头长度:6米
- 桩基础数量:20根
设计计算:
- 桩身承载力:根据地基情况和桩身直径及长度,计算出每根桩的承载力。
- 桩身摩擦力:根据桩直径和桩身长度,计算桩与土壤的摩擦力。
- 桩头承载力:根据桩直径和桩头长度,计算桩头的承载力。
施工方法:
- 桩基础施工工艺:先进行桩孔钻探,然后进行桩基础灌注混凝土,并在桩头部分加入钢筋进行加固。
这是一个简单的桩基础设计实例,具体的设计还需要根据具体工程要求和现场实际情况进行详细设计。
2.1 设计资料2.1.1 上部结构资料某教学实验楼,上部结构为七层框架,其框架主梁、次梁、楼板均为现浇整体式,混凝土强度等级为C30。
底层层高3.4m(局部10m,内有10 t桥式吊车),其余层高3.3m,底层柱网平面布置及柱底荷载见附图。
2.1.2 建筑物场地资料拟建建筑物场地位于市区内,地势平坦,建筑物平面位置见图2-1。
图2-1 建筑物平面位置示意图建筑物场地位于非地震区,不考虑地震影响。
场地地下水类型为潜水,地下水位离地表2.1米,根据已有资料,该场地地下水对混凝土没有腐蚀性。
建筑地基的土层分布情况及各土层物理、力学指标见表2.1.表2.1地基各土层物理,力学指标土层编号土层名称层底埋深(m)层厚(m)3(kN/m)γe(%)ωLI(kPa)c()ϕ︒(MPa)sE(kPa)kfMPasP()1 杂填土 1.8 1.8 17.52灰褐色粉质粘土10.1 8.3 18.4 0.90 33 0.95 16.7 21.1 5.4 125 0.723灰褐色泥质粘土 22.1 12.0 17.8 1.06 34 1.10 14.2 18.6 3.8 95 0.864 黄褐色粉土夹粉质粘土 27.4 5.3 19.1 0.88 30 0.70 18.4 23.3 11.5 140 3.445 灰-绿色粉质粘土>27.4 19.7 0.72 26 0.46 36.5 26.8 8.6 210 2.822.2 选择桩型、桩端持力层 、承台埋深2.2.1 选择桩型因为框架跨度大而且不均匀,柱底荷载大 ,不宜采用浅基础。
根据施工场地、地基条件以及场地周围环境条件,选择桩基础。
因转孔灌注桩泥水排泄不便,为减少对周围环境污染,采用静压预制桩,这样可以较好的保证桩身质量,并在较短的施工工期完成沉桩任务,同时,当地的施工技术力量、施工设备以及材料供应也为采用静压桩提供可能性。
2.2.2 选择桩的几何尺寸以及承台埋深依据地基土的分布,第③层是灰色淤泥质的粉质粘土,且比较后,而第④层是粉土夹粉质粘土,所以第④层是比较适合的桩端持力层。
目录2 桩基础课程设计.............................................................................................................. - 2 -2.1设计资料................................................................................................................. - 2 -2.1.1地形........................................................................................................... - 2 -2.1.2工程地质条件......................................................................................... - 2 -2.1.3岩土设计技术参数................................................................................ - 3 -2.1.4水文地质条件......................................................................................... - 3 -2.1.5场地条件.................................................................................................. - 4 -2.1.6上部结构资料......................................................................................... - 4 -2.1.7本人设计资料......................................................................................... - 4 -2.2 灌注桩基设计....................................................................................................... - 5 -2.2.1单桩承载力计算..................................................................................... - 5 -2.2.2桩基竖向承载力验算........................................................................... - 6 -2.2.3承台设计.................................................................................................. - 8 -2.2.4桩身结构设计....................................................................................... - 11 -2.2.5桩身构造设计.......................................................... 错误!未定义书签。
桩基础课程毕业设计桩基础课程毕业设计?以下带来关于桩基础课程毕业设计一般的选桩型原则,相关内容供以参考。
桩型的选择应根据建筑物的使用要求,上部结构类型、荷载大小及分布、工程地质情况、施工条件及周围环境等因素综合确定。
1)预制桩适宜用于持力层层面起伏不大的强风化层、风化残积土层、砂层和碎石土层,且桩身穿过的土层主要为高、中压缩性粘性土,穿越层中存在孤石等障碍物的石灰岩地区、从软塑层突变到特别坚硬层的岩层地区均不适用。
其施工方法有锤击法和静压法两种。
2)沉管灌注桩适用持力层层面起伏较大、且桩身穿越的土层主要为高、中压缩性粘性土;对于桩群密集,且为高灵敏度软土时则不适用。
由于该桩型的施工质量很不稳定,故宜限制使用。
3)在饱和粘性土中采用上述两类挤土桩尚应考虑挤土效应对于环境和质量的影响,必要时采取预钻孔。
设置消散超孔隙水压力的砂井、塑料插板、隔离沟等措施。
钻孔灌注桩适用范围最广,通常适用于持力层层面起伏较大,桩身穿越各类上层以及夹层多、风化不均、软硬变化大的岩层;如持力层为硬质岩层或地层中夹有大块石等,则需采用冲孔灌注桩。
无地下水的一般土层,可采用长短螺旋钻机干作业成孔成桩。
钻孔时需泥浆护壁,故施工现场受限制或对环境保护有特殊要求的,不宜采用。
4)人工挖孔桩适用于地下水水位较深,或能采用井点降水的地下水水位较浅而持力层较浅且持力层以上无流动性淤泥质土者。
成孔过程可能出现流砂、涌水、涌泥的地层不宜采用。
5)钢桩工程费用昂贵,一般不宜采用。
当场地的硬持力层极深,只能采用超长摩擦桩时,若采用混凝土预制桩或灌注桩又因施工工艺难以保证质量,或为了要赶工期,此时可考虑采用钢桩。
钢桩的持力层应为较硬的土层或风化岩层。
6)夯扩桩,当桩端持力层为硬粘土层或密实砂层,而桩身穿越的土层为软土、粘性土、粉土,为了提高桩端承载力可采用夯扩桩。
由于夯扩桩为挤土桩,为消除挤土效应的负面影响,应采取与上述预制桩和沉管灌注桩类似的措施。
桩基础工程毕业设计【篇一:桩基础毕业设计实例】目录1 .建筑设计资料 .......................................... 1 1.1 上部结构资料 ..................................... 1 1.2 建筑物场地资料 ................................... 1 2 .选择桩型、桩端持力层、承台埋深 ....................... 1 2.1 选择桩型 ......................................... 1 2.2选择桩的几何尺寸以及承台埋深 ..................... 2 3 .确定单桩极限承载力标准值 .............................. 3 3.1 确定单桩极限承载力标准值 ......................... 3 4 .确定桩数和承台底面尺寸 ................................ 4 4.1 ①—c柱的桩和承台的确定 .......................... 4 5 .确定复合基桩竖向承载力设计值 .......................... 5 5.1 四桩承台承载力计算(①—c承台) .................. 5 6 .桩顶作用验算 .......................................... 6 6.1 四桩承台验算(①—c承台) ........................ 6 7 .桩基础沉降验算 ........... ............................. 7 7.1 c柱沉降验算 ...................................... 7 8 .桩身结构设计计算 ...................................... 9 8.1 桩身结构设计计算 ................................. 9 9 .承台设计 ............................................. 10 9.1 四桩承台设计(c柱) ............................. 10 10.参考文献 (13)1.建筑设计资料1.1 建筑上部结构资料某教学实验楼,上部结构为七层框架,其框架主梁、次梁、楼板均为现浇整体式,混凝土强度等级为c30。
土木工程〔桩根底〕毕业设计桩基础设计(3),斜截面抗剪验算(4)、受弯计算7.桩根底沉降验算8.结论与建议结束语参考文献1、建筑设计资料〔1〕>设计原始资料拟建三明大酒店工程位于三明市东兴五路以南,其东临电子商城,西侧为居民住宅,房地产公司.南侧为儿童服装设计公司.拟建建筑物为一框架结构,地面以上9层,地下2层,总建筑面积27000m:基坑长约60nb宽约40m,基坑开挖深度6%本次设计主要是对酒店的某根柱进行桩根底设计,作用于该柱〔600mmX 400ra m〕柱底面〔根底顶面〕处的荷载根本组合设计值有两类:大轴力组合:轴向力F=6200kN,柱底弯矩为510 kN , m ,水平荷载V=285kN;桩身采用C3.的混凝土浇筑0最大弯矩组合:轴向力F=4715kN,柱底弯矩为670 kN,m ,水平荷载V=385kN;〔M, H作用于柱的长边方向且均为从左指向右〕0基坑周边无复杂管线,有利于基坑施工.根据钻探揭露,拟建场区地貌单元为阶地,地形较平坦,场地四周均无特殊情况分布.在基坑支护影响范围内,自上而下有以下土层:①-1层填土:灰色,稍密,主要由碎石,碎砖、建筑垃圾组成,硬质含量30-60%,填龄大于5年.②层粉质粘土:黄褐色,可塑〜硬塑,含少量铁镒结核,稍有光泽,无摇震反应,干强度中等,韧性中等.③层粉质粘土:黄褐色,可塑,局部软塑,稍有光泽,无摇震反响,干强度中等,韧性中等.④层细砂:褐黄,黄色,细砂为主,含少量粘性土,分选性较好,成分多为石英质,含云母,很湿“饱和,稍密状态.⑤砂土状强风化花岗岩〔丫/⑶浅肉红色,原岩结构根本保存,岩芯呈砂土状,岩芯手可掰碎,遇水易散、易软化,干钻困难,岩体根本质量等级为V级.该层全场地分布,层厚5. 00-16, 50m测得孔内初见水位埋深2. 00-6. 50m,稳定水位埋深2. 20-6. 20m.地下水位埋深按3米计算,场地地下水对混凝土无腐蚀性影响.场地土体情况一览(2)、建筑基地平面图北环路总平囱函2、选择桩型、桩端持力层、承台埋深(1)、选择桩型由于框架跨度大而且不均匀,柱底荷载大 ,不宜采用浅根底.又由于灌注桩具有承载力水平高,施工方便,工期短,造价低,施工时无振动、无地面隆起或侧移, 对周边建筑物危害小,使用范围大,适用于各种地质条件.所以,根据施工场地属于市区,地基条件以及场地周围环境条件,应该选择灌注桩根底.(2)、选择桩的几何尺寸以及承台埋深由于基坑开挖深度为6米;依据地基土的分布,第①层灰色的填土,厚度为1.5 米,第②层是黄褐色粉质粘土,厚度为6.5米,既不用考虑;第③层是黄褐色粉质粘土,厚度为3米,承载力低,土层太薄,不宜做持力层;第④层是黄褐色、黄色细砂土,厚度为5米,很湿〜饱和,稍密状态,土层比拟薄,桩承载力不够,所以不宜做持力层;第⑤层浅肉红色砂土状强风化花岗岩(丫52⑶c),厚度为12米,桩端承载力也比拟高;所以,综上各方面的情况应该选择第⑤层为持力层.桩端全断面进入持力层1.0m (>2d ),工程桩入土深度为h o故:h 2 3 5 1 11m选择承台埋深为2.0m ,桩基得有效桩长即为11-2=9.0m .桩截面尺寸选用:由于经验关系建议:楼层<10时,桩边长取300〜400,故取d=350m ,由施工设备要求,桩分为两节,上段长4.5m ,下段长4.5m (不包括桩尖长度在内),实际桩长比有效桩长长0.5m ,这是考虑持力层可能有一定的起伏以及桩需要嵌入承台一定长度而留有的余地.3、确定单桩极限承载力标准值(1)确定单桩极限承载力标准值本设计属于二级建筑桩基,当根据土的物理指标与承载力参数之间的经验关系确定单桩竖向极限承载力标准值时,宜按下式计算:Q uk Q sk Q pk u q sik l i q pk A pQ sk ——单桩极限摩阻力标准值〔kNQ pk ——单桩极限端阻力标准值〔kN〕桩的横断面周长〔R〕A p——桩的横断面底面积〔m2)桩周各层土的厚度〔弱q sik桩周第i层土的单位极限摩阻力标准值〔明〕q pk ——桩底土的单位极限端阻力标准值〔kP a〕经查?建筑桩基技术标准?得:按经验参数法确定单桩竖向承载力极限承载力标准值:Q Uk Qk Qk uq S i k l i q pk A p=3.14 0.35 60 3 35 5 200 1 0.3523.14 4 7500609.945 721.219=1254.234kN估算的单桩竖向承载力设计值〔s p 1.65〕Q sk Q pk 1254.234760.142kN1.65R——单桩竖向极限承载力设计值, kNQ sk ——单桩总极限侧阻力力标准值,kN Q pk ——单桩总极限端阻力力标准值,kNs——桩侧阻力分项抗力系数 ——桩端阻力分项抗力系数 p所以最终按经验参数法计算单桩承载力设计值,即采用R 760.142kN ,初步确定 桩数.4、确定桩数和承台底面尺寸下面以①一C 的荷载计算.柱底荷载设计值如下:最大轴力组合:最大轴力6200kN , 弯矩510 kN ?m,剪力285kN 最大弯矩组合:轴力4715 kN , 最大弯矩670kN ?m, 剪力385kN(1)①一C 柱桩数和承台确实定最大轴力组合的荷载:F=6200kN , M=510kN ?m , Q=285kN 初步估算桩数,由于柱子是偏心受压,故考虑一定的系数,标准中建议取1.1~1.2 ,取n = 9根,正方形布桩,查书161页表4-9有:桩距 S 4d=4可取S=1.4m 承台底面尺寸为 3.5m X3.5m;假设承台高为1.3m , 60mm ,钢筋保护层取80mm ,那么承台有效高度为h 0=1.3-0.08=1.22m如以下图所示:ID现在取1.2的系数,即:n 品1.2二黑二1-27.25 根0.35m 1.4m ,桩顶伸入承台装的布置图3501400 1400350 .阳©©©㊉ ㊉ ㊉㊉ ㊉ ㊉35.,3500桩基平面图14001400350(2)计算桩顶荷载取承台及其上土的平均为重度为G 20KN/m3___2F KG K 6200/1.35 10 2 3.52Q K9桩顶平均竖向力:n537.510KN R a760.142 KN 满足要求5、桩身结构设计计算(1 )、桩身结构设计计算两端桩长各4.5m,采用单点吊立的强度进行桩身配筋设计.吊立位置在距桩顶、桩端平面0.293L(L=4.5m) 处,起吊时桩身最大正负弯矩M max 0.0429KqL2,其中K=1.3; q 3.14 0.352 4 25 1.2 2.885kN/m..即为每延米桩的自重(1.2为恒载分项系数).桩身长采用混凝土强度C30, 级钢筋,所以:一2-一2 一M max 0.0429KqL0.0429 1.3 2.885 4.53.258kNm取桩身保护层的厚度50mm ,那么桩身截面有效直径d 0 0,35 0.05 0.30m M3.258 106s f y h .0.99537 300 300所以按最小配筋率计算A S 0.4% 3002 3.14 4 242.6mm 2台连接钢筋,锚入承台至少30倍主筋直径且伸入桩身长度不小于 5d ,对于沿管灌注桩,配筋长度不小于承台软弱土层层底深度; 所以,4_10(A S 4 3.14 102 4 314mm 2242.6mm 2)314配 筋率为 … 〞八2 ,0.444% % > min 0.4 %.所以,最终3.14 3004A S 4 3.14 102 4 314mm 2其他构造要求配筋见施工图. 桩身强度:(f S)1.0 (10143 314 3002 4 300 314)故满足要求1104495kN R 760.142KN如以下图所示:装的截面图桩身受拉主筋A s236.368mm又由,二级建筑桩基,根据桩径大小配置4〜8根①10〜12的桩顶与承桩的剖面图(2)、确定复合基桩竖向承载力设计值该桩基属于非端承桩,并n>3,承台底面下并非欠固结土,新填土等,故承台底面不会于土脱离,所以宜考虑桩群、土、承台的相互作用效应,按复合基桩计算竖向承载力设计值.目前,考虑桩基的群桩效应的有两种方法.?地基标准?采用等代实体法,?桩基标准?采用群桩效应系数法.下面用群桩效应系数法计算复合基桩的竖向承载力设计值(3)、九桩承台承载力计算(①一C承台)222承台净面积:A 3.59 3.14 0.35 4 11.385m o承台底地基土极限阻力标准值:q ck 2 f ka 2 170 340 KPaq c k A c340 11.385Q ck t一也2 430 .1kNQ sk uq.k l i 609 .945 kN Q pk A p q p 721 .219 kN分项系数s p 1.65, c 1.70B c 3.5———0.389 l9侧阻群桩效应系数端阻群桩效应系数 承台土阻力阻群桩效应系数 承台内区土阻力群桩效应系数承台外区土阻力群桩效应系数 承台土阻力分项抗力系数(kN),力标准值,可按?地基标准?中相应的地基土承载力 标准值乘以2取值,〔kN 〕;由于桩分布不规那么,所以要对桩的距径比进行修正,修正如下: SaA皿 0.886——e 0.886 d. nb\3.5 3.52.9530.35群桩效应系数查表得:s 0.8,1 .67承台底土阻力群桩效应系数:cA C A ce Aje cA cQc kck桩基中相应于每一根桩的承台底地基土极限抗力标准值 q ck承台底1承台宽度的深度范围内〔l 5m 〕,地基土极限抗A c ——承台底地基土净面积〔m 2).A ci ——承台内区的净面积A ——承台外区的净面积f k ——承载力特征值,kP a..e222承台外区净面积A 3.5 (3.5 0.35)2.3275m承台内区净面积 A A c83.5293.140.3524232759057n 2m 2查表得:c 0.14,: 0那么,C 复合桩基竖向承载力设计值 R:那么,C 复合桩基竖向承载力设计值 R:取R = 760.142KN(4)桩顶作用验算,桩承台验算(①一 C 承台)荷载取 C 柱的 Nmax 组合:F=6200 kN , M= 510kN ?m , Q=285 kN承台高度设为1.3m 等厚,荷载作用于承台顶面,桩顶伸入承台 60mm ,钢筋 保护层取 80mm ,那么承台有效高度为h 0=1.3-0.08=1.22m ,承台的平均埋深d 2m ;但由于基坑开挖深度为6米,地下水位埋深按3米计算,所以承台埋置于 地下水位以下.本工程平安等级为二级,建筑物的重要性系数.=1.0.那么作用在承台底形心处的竖向力有 F 、G,但是G 的分项系数取为1.2.___2__F kG k 4592.593 3.5210 1.24886.593kN作用在承台底形心处的弯矩M 510 285 1.3 880.5kN 桩顶受力计算如下:9.057 11.385八 2.3275 11.385 0.1114 Q skss609.945 1.671.65721.219 1.650.1114430.1 1.701053.876kNi区c A c 0.14Q pk pp0.80M y max (y 2)4886.593 880.5 1.4 Z -Z 2―96 1.4 647.776kNQ maxF kG knQF kG kM y maX逊93 8805单337.505kN(y i )96 1.44886.5939542,955kNR 760.142KN 符合要求Q max 647.776 kN 1.2R 1.2 760.142912.1704 kNQ min 0Q 542 .955 kN R 760 .142 kN满足要求M x ——作用于承台底面的外力对通过群桩形心的x 轴的力矩设计值V \——第i 桩至x 轴的距离荷载取 M max组合:F=4715 kN , M= 670kN ?m, Q=385 kNF G 4715 3.52 2 10 1.2 4715 294 5009kNM 670 385 1.3 1170.5kN桩顶受力计算如下:F G M y maxN max 2n(y \ ) F G M y maxN min/ 2、n(y i )F G 5009 N556.556kNn 9N max 678.483kN 1.2R 1.2 760.142 912.1704kN N min 0 N 556.556kN R 760.142kN 满足要求5009 50091170.5 1.6 6 1.621170.5 1.6 6 1.62556.556 121.927 678.483kN556.556 121.927 434.629kN6、承台设计承台混凝土强度等级采用C20,承台是正方形,双向配筋相同桩承台设计(C 柱)由于桩的受力可知,桩顶最大反力N max 678.483kN ,平均反力N 556.556kN ,桩顶 GN jmax N max 678 .483净反力:nN jmin N —523.889 kNn(1)、柱对承台的冲切层厚度取80mm.故取 出x 925 mm故取 a 0y 1025 mm截面高度影响系数:当hw 800mm 时,Bh=1.0;当 h n2000mm 时,取 Bh = 0.9 ,其间按线性内插法取用;hp冲切力设计值:F | F Q6200 1 760.142 5439.858kN% 1200mma y1025mm a xx925mm:即 h 0/a y满足要求即:冲垮比oxa oxh 09250.758 1220a oy 1025 oy -y 0.840 h 0 1220冲切系数 0x — ox084 0.2 0.758 0.2084 八 0.877084 0yoy02 0.840 0.2 0840.808受冲切承载力截面高度影响系数:hp混凝土的抗拉强度设计值:f t 1100kP a 3.51 2 2 10 1.29678 .483 32.667645 .816 kN计算截面处的有效高度h o1300 80 1220mm,承台底保护当00.20h 0时,取0.20h 0;当 0h 0时,取 0 h 0 ,满足0.2 —1.0 0.2h 0 244.mma 0x 1400 350/2 600/2 925mmh . 1220mm0.2h 0 244.mm a 0y 1400 350/2400/2 1025mm h 0 1220mm2 0xb c a 0 y2 0.8770.4 0y b c a 0xhp f t h满足要求(2)、角桩对承台的冲切角桩的冲切系数GC ——从角桩内边缘至承台外边缘的距离(m),此处应取桩的有效范度;GC a 1x ,a 1y ——从承台底角桩内边缘引一450冲切线与承台顶面相交点,至角桩内边缘的水平距离;当柱或承台边阶处位于该450线以内 时,取由柱边或变阶处与桩内边缘连线为冲切锥体的锥线.h 0 1200mm a y 1025mm a x 925mm:即 h 0/a y 1 满足要求al yax[1x (c 2 y) 1y (G])] ph f t h .1.0250.585 0.525 0.53821478.602 KN N max 678.483KN iax6448.329KNF l 5439.858KN1.0250.808 0.6 0.9250.968 1100 1.22由图9.1.1 ,叩 a °x925mm; a 1ya 〞 1025 mm; c 1 c 2525mm角桩冲垮比1xa 1xOxh e0.758;0y氏 0.840 h 01 x1x0.56 0.20.560.758 0.20.5850.56 0.2 0.56 0.840 0.20.538iy角桩的冲切系数;iy角桩冲跨比,具值满足0.2〜1.0 ,a 〔x0.9250.525 2 0.968 1100 1.22满足要求〔3〕、斜截面抗剪验算截面有效高度h o 1.22m,截面的计算宽度b b 3.5 2 0.08 3.34m,混凝土的抗压 强度f t 1100kPa,该计算截面的最大剪力设计值: 截面高度影响系数:hs 800/h o 1/4800/1220 /1/4 0.9 对। ।斜截面对于柱下正方形独立承台,只需要对柱的一个轴进行验算承台的斜截面抗 剪承载力即可.?桩基标准?规定,剪切破裂面为通过柱边和桩边连接线形成的斜 截面,抗剪验算应满足:垂直于x 方向斜截面的最大剪力值,可取抗剪计算截面一侧的桩顶净反力设计值总和〔kN 〕; V y ——垂直于y 方向斜截面的最大剪力值, 可取抗剪计算截面一侧的桩顶净反力设计值总和〔垂直于x 方向的斜截面抗剪承载力设计值〔 垂直于y 方向的斜截面抗剪承载力设计值〔n ---延轴方向一边的桩数0.3时,取 =0.3;当 3.0时,取 0.922645.816 1937 .448 kN 满 足要求对II II 斜截面:a y 1025 mm ;nV x V °x nV y V °y式中:VV °x V °ykN ) kN )V 0x = hsf c b y h .,V °y =hsa x 925mm;剪跨比 xh 0-0.758 ;所以:0.758 ; 剪切系数1.75x 1.0x肃T0 a955hs3 N j maxf c b y h . 3 645 .8161937 .448 kN 0.9 0.955 1100 3.34 1.223852.520 kN V 3N jmaxiaxV 3N 3 556 .5561669 .668 kNhs f c b x h 00.9 0.951 1100 3.34 1.22 3836.383kN V 3N3 556.556 1669.668kN 满足要求 (4)、受弯计算:承台I-I 截面处最大弯矩M y 3N jmax X 3 645.816 (1.4 0.3) 1937.448 (1.4 0.3) 2131.193kN.m2级钢筋 f y 300N / mm , f t 1100 kPa .f c ——混凝土的轴心抗压强度设计值; bh .——构件截面面积;A S ——全部纵向钢筋的截面面积;f y — —纵向钢筋的抗压强度设计值;所以:A s 6469.924mm 2承台 II II 截面处最大弯矩 M x 3N 1669.668 (1.4 0.2) 2003.602kN.m级钢筋 纵向钢筋的抗压强度设计值:f y 300N/mm 2,混凝土的抗拉强度设计值:f t 1100kPa .剪跨比 ya y一 °a 0剪切系数1.75x 1.0 0.840 1.0人1.750.951 A s0.9f y h 02003.602 1060.9 300 122026082.580mm 2由于:A S 6082.58S 0.1493% b%3340 1220min0.15%A sM y 0.9 f y h .2131.193 106 0.9 300 122026469.924mm 2由于:A q 6469.9243-0.1588%b 0儿 3340 1220min0.15%所以,选用33 16 〜间距为S 100 mm,A s 6631 .68 mm 26469s〔双向布置〕如以下图所示:X截面桩基剖面图2 .924 mmY截面桩基剖面图7.桩根底沉降验算采用长期效应组合的荷载标准值进行桩根底的沉降计算.由于桩根底的桩中央距S 1.4m 6d 6 0.35 2.1m ,所以可以采用分层总和法计算最终沉降量.桩基的最终沉降量表达式为:m nZ ijij Z i 1 j i 1 je %j iE si式中:S ——桩基的最终沉降量〔mm 〕;S 1——按分层总和法计算经验系数〔mm 〕;S 1——按分层总和法计算经验系数,当无地区经验时,可参考:非软土地区和软土地区桩端有良好持力层时,=1;软土地区,且桩端无 良好持力层时,当 lW 25m,=1.7;当 l 25m,=5.91 20 ;71 100S'l 桩长〔m 〕;e——桩基等效系数e——桩基等效系数.定义为:群桩根底按明德林解计算沉降量S m 与按布氏解计算沉降量S B 之比,可按下式简化计算:式中:C o, C1, C2 ——反映群桩不同距径比长径比L,及承台的长宽dd比生等因素的系数,可查?根底工程?的附录IV 表.Lc, Bc, n 分别为矩B c形承台的长、宽及桩数.In b ——矩形布桩时的短边布桩数,当布桩不规那么时可按n b J 吗,■, L c近似,当.计算值小于1时,取n b = 1m ——角点法计算点对应的矩形荷载分块数P oj ——角点法计算点对应的第 j 块矩形底面长期效应组合的附加力,kNn ——桩基沉降计算深度范围内所划分的土层数C on b 1 -二,n ba( n b 1)C 2nB c L c 'E si ——等效作用底面以下第I 层土的压缩模量〔MR 〕;采用地基土自重压力至自重压力加附加应力作用时的压缩模量42 1j ——桩端平面第j 块何 在计算点至第i 层土,第i 1层土底面的距离〔项ij , i1j——桩端平面第j 块荷载计算点至第I 层土,第i 1层土底面深度范围内平均附加应力系数,可按标准附录 G 采用矩形根底中央点沉降nzzz z i i z i 1 i 1eP 0"iE si计算各层土的自重应力:si第i 层土的重度,在地下水位以下用浮重度式中: 根据矩形长宽比■a及深度比冬刍z 1 2z 1 'bB cc查附录G 地基沉降计算深度4,按应力比法确定,且 4处的附加应力z 与土的自重应力c 应该符合下式要求:0.2 °csi第i 层土底的自重应力,hi第i 层土的厚度,由于:B C H 1j_ _9_ d 0.3525.7sad1.4 0.35n b查表得:用内插法算得C o =0.06101=1.603 C 2=11.505e cn —1——0.061 C 1(n b 1) C 21.603 (3 1) 11.5050.197竖向荷载标准值: F k 4715/1.35 3492.593kN基底自重应力:G k d l 2 19 3 19.9 5 20.5 1 21 /11 102 9111.2kPa3492 .593 3.52 111 .23.5 3.52 193 19.9 5 20.5 1 21 /11 10 2 9111.2kPa基底处的附加应力:P 0P kc 396.310 111.2 285.110kPa c桩端平面下的土的自重应力c 和附加应力z( z 4 P0)计算如下: 一下不是特殊值用内插法计算:a(下面中的l b 3.5/2 1.25m 分别是小矩形的长与宽) ①.当在桩基下z=0时的自重应力:i h i 19 10 2 19.9 10 3 (20.5 10) 5 (21.0 10) 1111.2kPa在桩基下z=0时的附加应力:0.25,2 4 P0 4 0.25 285.110 285.110kPa ②.当在桩基下z 2m 时:⑤.当在桩基下z 6m 时基底处应力:P k F 〞实体深根底基地处原有 的土中自重应力396.310 kPac1lb 1, zb 0,c2ih i 111.2 2 (21.0 10) 133.2kPa1b 1, zb 21.25 m0.112,z2 4 P 0下z 4m 时c3 ih i 111.2 4 (21 10) 155.2kPalb 1,zb 41.25 32O .40,z 4桩基下z 5m 时.4ih 111.2 5 (21 10) 166.2kPalb 1,zb 51.25 4.°,0.027,z4 0.112 285.110 127.729kPa ③.当在桩基p 0 4 0.040 285.110 45.618kPa ④.当在4 p 0 4 0.027 285.110 30.792kPaih 111.2 6 (21 10) 177.2kPa各层土的自重应力与附加应力成果表位置深度z i m z i /bl /bksz 4k s P n呜自重应力s呜1 0 0 1 0.2500 285.110 111.2 2 2 1.6 1 0.112 127.729 133.234 3.2 1 0.040 45.618 155.2 45 4 1 0.027 30.792 166.2 564.810.01921.668177.240.20.2 4 0.2 166.2 33.24kPaz30.792kPa故沉降计算截止到4号砂土状强风化岩 查标准得,当2, 3, 4,位置上的:2=0.1939,3 0.1310,4 0.09671 0.197285 .1102 0.19394 0.1312 0.19395 0.09764 035.035.035.03.13 m m 小于标准允许值,所以满足要求.1 ―—09— 1300 8000.9682000 800zb61.25 4.0,0.019, z 4 P 0 4 0.019 285.11021.668kPa30 .792166 .20.1850.2ne Piz i 1 i 1E si131。
桩基础毕业设计实例 Document serial number【UU89WT-UU98YT-UU8CB-UUUT-UUT108】目录1 .建筑设计资料 (1)上部结构资料 (1)建筑物场地资料 (1)2 .选择桩型、桩端持力层、承台埋深 (1)选择桩型 (1)选择桩的几何尺寸以及承台埋深 (2)3 .确定单桩极限承载力标准值 (3)确定单桩极限承载力标准值 (3)4 .确定桩数和承台底面尺寸 (4)①—C柱的桩和承台的确定 (4)5 .确定复合基桩竖向承载力设计值 (5)四桩承台承载力计算(①—C承台) (5)6 .桩顶作用验算 (6)四桩承台验算(①—C承台) (6)7 .桩基础沉降验算 (7)C柱沉降验算 (7)8 .桩身结构设计计算 (9)桩身结构设计计算 (9)9 .承台设计 (10)四桩承台设计(C柱) (10)10.参考文献 (13)1.建筑设计资料建筑上部结构资料某教学实验楼,上部结构为七层框架,其框架主梁、次梁、楼板均为现浇整体式,混凝土强度等级为C30。
底层层高3.4m(局部10m,内有10 t桥式吊车),其余层高3.3m,底层柱网平面布置及柱底荷载见附图。
建筑物场地资料拟建建筑物场地位于市区内,地势平坦,建筑物场地位于非地震区,不考虑地震影响。
场地地下水类型为潜水,地下水位离地表2.1米,根据已有资料,该场地地下水对混凝土没有腐蚀性。
建筑地基的土层分布情况及各土层物理、力学指标见表1.2.1。
表1.2.1地基各土层物理、力学指标2. 选择桩型、桩端持力层、承台埋深选择桩型因为框架跨度大而且不均匀,柱底荷载大,不宜采用浅基础。
根据施工场地、地基条件以及场地周围环境条件,选择桩基础。
因转孔灌注桩泥水排泄不便,为减少对周围环境污染,采用静压预制桩,这样可以较好的保证桩身质量,并在较短的施工工期完成沉桩任务,同时,当地的施工技术力量、施工设备以及材料供应也为采用静压桩提供可能性。
选择桩的几何尺寸以及承台埋深依据地基土的分布,第②层是灰褐色粉质粘土,第③层是灰色淤泥质的粉质粘土,且比较厚,而第④层是黄褐色粉土夹粉质粘土,所以第④层是较适合的桩端持力层。
桩端全断面进入持力层1.0m(>2d),工程桩入土深度为h。
故:mh8.++=5.1=+3.812212由于第①层厚1.5m,地下水位为离地表2.1m,为了使地下水对承台没有影响,所以选择承台底进入第②层土0.6m,即承台埋深为2.1m,桩基得有效桩长即为20.7m。
桩截面尺寸选用:由于经验关系建议:楼层<10时,桩边长取300~400,故取350mm×350mm,由施工设备要求,桩分为两节,上段长11m,下段长11m(不包括桩尖长度在内),实际桩长比有效桩长长1.3m ,这是考虑持力层可能有一定的起伏以及桩需要嵌入承台一定长度而留有的余地。
桩基以及土层分布示意如图2.2.1。
图2.2.1土层分布示意3 .确定单桩极限承载力标准值确定单桩极限承载力标准值本设计属于二级建筑桩基,当根据土的物理指标与承载力参数之间的经验关系确定单桩竖向极限承载力标准值时,宜按下式计算:p pk i sik pk sk uk A q l q u Q Q Q +=+=∑式中sikq --- 桩侧第层土的极限侧阻力标准值如无当地经验值时可按《建筑桩基技术规范》JGJ 94-94中表5.2.8-1(桩的极限侧阻力标准值)取值。
pkq ---― 极限端阻力标准值如无当地经验值时可按表《建筑桩基技术规范》JGJ 94-94中表GE5.2.8-2(桩的极限端阻力标准值)取值。
对于尚未完成自重固结的填土和以生活垃圾为主的杂填土不计算其桩侧阻力sikq 。
根据表地基各土层物理、力学指标,按《建筑桩基技术规范》JGJ 94-94查表得极限桩侧、桩端阻力标准值(表2.3.1)。
表2.3.1 极限桩侧、桩端阻力标准值层序液限指数经验参数法I L)(a sk kP q)(a pk kP q② 粉质粘土 ③淤泥的粉质粘土④ 粉质粘土按经验参数法确定单桩竖向承载力极限承载力标准值:=+=pk sk uk Q Q Q p pk i sik A q l q u +∑=[]428.13910.35 18.3812912.56)6.03.8(552.4235.042 ⨯+⨯+⨯+-⨯⨯⨯=450.170152.1469+=kN 1639.602估算的单桩竖向承载力设计值(65.1==p s γγ)kN Q ppks698.99365.1602.1639Q R sk==+=γγ所以最终按经验参数法计算单桩承载力设计值,即采用kN R 698.993=,初步确定桩数。
4 .确定桩数和承台底面尺寸下面以①—C 的荷载计算。
柱底荷载设计值如下:最大轴力组合: 最大轴力3121kN , 弯矩32 kN •m , 剪力20kN 最大弯矩组合: 轴力 3002 kN , 最大弯矩197 kN •m , 剪力62kN 最大轴力标准值:2400 kN①—C 柱桩数和承台的确定最大轴力组合的荷载:F=3121 kN ,M= 32kN •m ,Q=20 kN初步估算桩数,由于柱子是偏心受压,故考虑一定的系数,规范中建议取1.1~1.2, 现在取的系数, 即: ()根14.31.1698.99331211.1n =⨯=⨯≥R F 取n =4根,桩距 1.05m 3d =≥a S ,桩位平面布置如图4.1.1,承台底面尺寸为1.9m 1.9m ⨯。
图4.1.1四桩桩基础5. 确定复合基桩竖向承载力设计值该桩基属于非端承桩,并n>3,承台底面下并非欠固结土,新填土等,故承台底面不会于土脱离,所以宜考虑桩群、土、承台的相互作用效应,按复合基桩计算竖向承载力设计值。
目前,考虑桩基的群桩效应的有两种方法。
《地基规范》采用等代实体法,《桩基规范》采用群桩效应系数法。
下面用群桩效应系数法计算复合基桩的竖向承载力设计值四桩承台承载力计算(①—C 承台)承台净面积:22212.335.049.1m A c =⨯-=。
承台底地基土极限阻力标准值:KPa f q k ck 22011022=⨯==kN n A q Q c ck ck 6.171412.3220=⨯==kN l quQ isik sk 152.1469==∑kN q A Q p p pk 450.170==分项系数70.1,65.1===c ps γγγ因为桩分布不规则,所以要对桩的距径比进行修正,修正如下:4.235.049.19.1886.0886.0=⨯⨯==b n e A d a S 09.07.209.1==l Bc 群桩效应系数查表得:64.1,8.0==p s ηη承台底土阻力群桩效应系数:c ece c c i c icc A A A A ηηη+= 承台外区净面积2222.1)35.09.1(9.1m A ec =--= 承台内区净面积92.12.112.3=-=-=e c c ic A A A m 2查表63.0,11.0==ec i c ηη31.012.32.163.012.392.111.0=+=+=c ece cc i c icc A A A A ηηη 那么,C 复合桩基竖向承载力设计值R:kN Q Q Q R cckcppkpssks025.91370.16.17131.065.1450.17064.165.1152.14698.0=⨯+⨯+⨯=++=γηγηγη 6 .桩顶作用验算四桩承台验算(①—C 承台)(1)荷载取C 柱的max N 组合:F=3121 kN ,M= 32kN •m ,Q=20 kN 承台高度设为1m 等厚,荷载作用于承台顶面。
本工程安全等级为二级,建筑物的重要性系数0λ=.由于柱处于①轴线,它是建筑物的边柱,所以室内填土比室外高,设为0.3m ,即室内高至承台底2.4m ,所以承台的平均埋深m d 25.2)4.21.2(21=+=。
作用在承台底形心处的竖向力有F,G,但是G 的分项系数取为.kN G F 94.331594.19431212.12025.29.131212=+=⨯⨯⨯+=+作用在承台底形心处的弯矩∑=⨯+=kN M 5212032桩顶受力计算如下:kN y y M n G F N i 652.8506.046.052494.3315)(22max max =⨯⨯+=⨯++=∑∑ kN y y M n G F N i 318.8076.046.052494.3315)(22max min =⨯⨯-=⨯-+=∑∑ kN n G F N 985.828494.3315==+=kN R kN N 63.1095025.9132.12.1652.850max 0=⨯=<=γ0m in 0>N γkN R kN N 025.91398.8280=<=γ 满足要求(2)荷载取max M 组合:F=3002 kN ,M= 197kN •m ,Q=62 kN∑=⨯+==+=⨯⨯⨯+=+kNM kNG F 25916219794.319694.19430022.12025.29.130022桩顶受力计算如下:kN y y M n G F N i 152.907917.107235.7996.046.0259494.3196)(22max max =+=⨯⨯+=⨯++=∑∑ kN y y M n G F N i 318.691917.107235.7996.046.0259494.3196)(22max min =-=⨯⨯-=⨯-+=∑∑ kN n G F N 235.799494.3196==+=kN R kN N 63.1095025.9132.12.1152.907max 0=⨯=<=γ0min 0>N γkN R kN N 025.913235.7990=<=γ 满足要求7. 桩基础沉降验算采用长期效应组合的荷载标准值进行桩基础的沉降计算。
由于桩基础的桩中心距小于6d ,所以可以采用分层总和法计算最终沉降量。
7.1 C 柱沉降验算 竖向荷载标准值kN F 2400= 基底处压力kPa A G F p 820.7099.19.12025.29.19.12400=⨯⨯⨯⨯+=+=基底自重压力kPa d 63.331.21.26.03.175.15.15=⨯⨯+⨯=γ基底处的附加应力kPa d P P 19.67663.33820.7090=-=-=γ 桩端平面下的土的自重应力c σ和附加应力z σ(04p z ασ=)计算如下: ①.在z=0时:1)103.18(12)102.16(7.7)103.17(6.03.175.15.15⨯-+⨯-+⨯-+⨯+⨯==∑i i c h γσ=kPakPa p b z b l z 19.67619.67625.044,25.0,02,10=⨯⨯=====ασα②.在m z 2=时:kPa h i i c 14.189)103.18(254.172=-⨯+==∑γσkPa p b z b l z 324.21219.6760785.044,0785.0,1.29.142,10=⨯⨯======ασα③.在m z 3.4=时kPa h i i c 23.208)103.18(3.454.172=-⨯+==∑γσkPa p b z b l z 96.5819.6760218.044,0218.0,526.49.16.82,10=⨯⨯======ασα ④.在m z 7.5=时kPa h i i c 69.220)109.18()3.47.5(23.208=-⨯-+==∑γσkPa p b z b l z 162.3519.676013.044,013.0,0.69.14.112,10=⨯⨯======ασα 将以上计算资料整理于表7.1.1表7.1.1z c σσ,的计算结果(C 柱)在z=5.7m 处,2.016.069.220162.35<==cz σσ,所以本基础取m Z n 7.5=计算沉降量。