电力电子器件及其驱动电路实验报告
- 格式:docx
- 大小:730.46 KB
- 文档页数:16
电力电子技术实验报告全一、实验目的本次电力电子技术实验旨在加深学生对电力电子器件工作原理的理解,掌握其基本应用和设计方法,提高学生的动手能力和解决实际问题的能力。
二、实验原理电力电子技术是利用电子器件对电能进行高效转换和控制的技术。
通过电力电子器件,可以实现电能的变换、分配和控制,广泛应用于工业、交通、能源等领域。
常见的电力电子器件包括二极管、晶闸管、IGBT等。
三、实验设备和材料1. 电力电子实验台2. 晶闸管、IGBT等电力电子器件3. 电阻、电容、电感等基本电子元件4. 示波器、万用表等测量仪器5. 连接线、焊锡等辅助材料四、实验内容1. 晶闸管触发电路的搭建与测试2. 单相桥式整流电路的设计和测试3. 三相桥式整流电路的设计与测试4. PWM控制技术在电能转换中的应用5. IGBT驱动电路的设计与测试五、实验步骤1. 根据实验要求,设计电路图,并选择合适的电力电子器件和电子元件。
2. 在实验台上搭建电路,注意器件的连接方式和电路的布局。
3. 使用示波器和万用表等测量仪器,对电路进行测试,记录实验数据。
4. 分析实验数据,验证电路设计的正确性和性能指标。
5. 根据实验结果,调整电路参数,优化电路性能。
六、实验结果与分析通过本次实验,我们成功搭建了晶闸管触发电路、单相桥式整流电路、三相桥式整流电路,并对PWM控制技术在电能转换中的应用进行了测试。
实验结果表明,所设计的电路能够满足预期的性能要求,验证了电力电子器件在电能转换和控制方面的重要作用。
七、实验总结通过本次电力电子技术实验,我们不仅加深了对电力电子器件工作原理的理解,而且提高了实践操作能力和问题解决能力。
实验过程中,我们学会了如何设计电路、选择合适的器件和元件,以及如何使用测量仪器进行测试和数据分析。
这些技能对于我们未来的学习和工作都具有重要意义。
八、实验心得在本次实验中,我们体会到了理论与实践相结合的重要性。
通过亲自动手搭建电路,我们更加深刻地理解了电力电子技术的原理和应用。
电力电子技术实验报告总结电力电子技术作为一门重要的电气工程学科分支,在现代工业和生活中有着广泛的应用。
通过一系列的电力电子技术实验,我不仅加深了对理论知识的理解,还提高了自己的实践操作能力和解决问题的能力。
以下是我对这些实验的总结。
一、实验目的和要求电力电子技术实验的主要目的是让我们熟悉各种电力电子器件的特性和工作原理,掌握基本电力电子电路的分析、设计和调试方法。
同时,培养我们的实验技能、数据处理能力和创新思维。
在实验过程中,我们被要求严格遵守实验室的安全规则,正确使用实验仪器设备,认真观察实验现象,准确记录实验数据,并对实验结果进行分析和总结。
二、实验设备和仪器实验所用到的设备和仪器包括示波器、信号发生器、万用表、电力电子实验箱等。
其中,示波器用于观测电路中的电压和电流波形,信号发生器用于产生各种控制信号,万用表用于测量电路中的电压、电流和电阻等参数,电力电子实验箱则集成了各种电力电子器件和电路模块,方便我们进行实验操作。
三、实验内容(一)单相半波可控整流电路实验在这个实验中,我们研究了单相半波可控整流电路在不同控制角下的输出电压和电流特性。
通过改变触发角,观察输出电压的平均值和有效值的变化,并与理论计算值进行对比。
同时,还分析了负载性质(电阻性负载、电感性负载)对电路工作性能的影响。
(二)单相桥式全控整流电路实验单相桥式全控整流电路是一种常见的整流电路结构。
在实验中,我们深入了解了其工作原理和特性。
通过调节触发角,观察输出电压和电流的波形,并计算输出电压的平均值和有效值。
此外,还研究了电路的有源逆变工作状态,以及逆变失败的原因和预防措施。
(三)三相桥式全控整流电路实验三相桥式全控整流电路是大功率整流装置中常用的电路拓扑。
通过这个实验,我们掌握了三相电路的工作原理和调试方法。
观察了不同控制角下的输出电压和电流波形,分析了三相电源的相序对电路工作的影响,并研究了电路在电阻性负载和电感性负载下的性能差异。
一、前言电力电子技术是一门研究电力电子器件及其在电力系统中的应用的学科,是电气工程及其自动化专业的一门核心课程。
为了更好地理解和掌握电力电子技术的理论知识,提高动手实践能力,我参加了电力电子技术课程实训。
以下是实训过程中的总结和体会。
二、实训目的1. 理解电力电子器件的工作原理和特性;2. 掌握电力电子电路的设计和调试方法;3. 培养动手实践能力,提高解决实际问题的能力;4. 提高团队合作意识,增强沟通能力。
三、实训内容1. 电力电子器件实验:实验内容包括晶闸管、二极管、可控硅等电力电子器件的伏安特性测试、开关特性测试等。
2. 电力电子电路实验:实验内容包括可控整流电路、逆变电路、斩波电路等电力电子电路的设计、搭建和调试。
3. 电力电子装置实验:实验内容包括电力电子装置的组成、工作原理、性能测试等。
四、实训过程1. 实验准备:根据实验要求,准备好实验所需的器件、仪器和设备。
2. 实验操作:按照实验步骤,进行电力电子器件的测试、电路的搭建和调试。
3. 结果分析:对实验数据进行整理和分析,找出实验过程中存在的问题,并提出改进措施。
4. 实验报告撰写:根据实验过程和结果,撰写实验报告。
五、实训成果1. 理解了电力电子器件的工作原理和特性,掌握了器件的伏安特性测试和开关特性测试方法。
2. 掌握了电力电子电路的设计和调试方法,能够根据电路原理图搭建和调试电路。
3. 提高了动手实践能力,能够独立完成电力电子电路的设计和调试。
4. 增强了团队合作意识,与团队成员共同完成实验任务。
六、实训体会1. 实践是检验真理的唯一标准。
通过实训,我深刻认识到理论知识与实际操作之间的紧密联系。
2. 电力电子技术是一门综合性较强的学科,需要掌握多个方面的知识。
在实训过程中,我意识到只有不断学习,才能提高自己的综合素质。
3. 实训过程中,我学会了如何与他人沟通和协作,提高了自己的团队协作能力。
4. 在实训过程中,我遇到了一些问题,通过查阅资料、请教老师和同学,最终解决了这些问题。
[实验名称]二、实验目的1. 理解并掌握电力系统基本特性和参数测量方法。
2. 学习电力电子器件及其驱动电路的基本原理和特性。
3. 掌握电力系统稳态和动态分析的基本方法。
4. 培养实验操作能力和数据分析能力。
三、实验原理[简要介绍实验涉及的原理和公式,包括但不限于电路分析方法、电力电子器件工作原理、电力系统稳态和动态特性等。
]四、实验仪器与设备1. [列出实验所需的仪器和设备,如示波器、万用表、直流稳压电源、电阻箱、电容箱、电力电子器件等。
]2. [说明仪器的使用方法和注意事项。
]五、实验步骤1. 连接电路- 按照实验电路图连接电路,确保连接正确无误。
- 检查电路连接是否牢固,防止短路或接触不良。
2. 参数设置- 根据实验要求设置电源电压、电流、频率等参数。
- 调整电阻箱、电容箱等元件的阻值或容量。
3. 稳态实验- 进行稳态实验,观察电路的稳态特性。
- 记录相关数据,如电压、电流、功率等。
- 进行动态实验,观察电路的动态特性。
- 记录相关数据,如电压、电流、功率等。
5. 数据分析- 对实验数据进行处理和分析,得出实验结论。
- 绘制实验曲线,如伏安特性曲线、相量图等。
6. 实验总结- 总结实验过程,分析实验结果,得出实验结论。
- 提出改进建议和注意事项。
六、实验数据[记录实验过程中获取的电压、电流、功率等数据,并附上表格或曲线图。
]七、实验结果与分析1. 稳态特性分析- 分析电路的稳态特性,如电压、电流、功率等。
- 对比理论值和实验值,分析误差原因。
2. 动态特性分析- 分析电路的动态特性,如过渡过程、稳态响应等。
- 对比理论值和实验值,分析误差原因。
3. 实验结论- 总结实验结果,得出实验结论。
- 对实验过程中遇到的问题进行分析和解决。
八、实验讨论1. 实验现象- 讨论实验过程中观察到的现象,如电路稳定性、电压波动等。
2. 实验误差- 分析实验过程中可能出现的误差,如测量误差、连接误差等。
3. 改进建议- 提出改进实验方案的建议,如提高精度、改进电路设计等。
电力电子实验报告学院名称电气信息学院专业班级电气自动化03班学号学生姓名指导教师实验一电力晶体管(GTR)驱动电路研究一.实验目的1.掌握GTR对基极驱动电路的要求2.掌握一个实用驱动电路的工作原理与调试方法二.实验内容1.连接实验线路组成一个实用驱动电路2.PWM波形发生器频率与占空比测试3.光耦合器输入、输出延时时间与电流传输比测试4.贝克箝位电路性能测试5.过流保护电路性能测试三.实验线路四.实验设备和仪器1.MCL-07电力电子实验箱2.双踪示波器3.万用表4.教学实验台主控制屏五.实验方法1.检查面板上所有开关是否均置于断开位置2.PWM波形发生器频率与占空比测试(1)开关S1、S2打向“通”,将脉冲占空比调节电位器RP顺时针旋到底,用示波器观察1和2点间的PWM波形,即可测量脉冲宽度、幅度与脉冲周期,并计算出频率f与占空比D当S2通,RP右旋时:当S2断,RP右旋时:当S2通,RP左旋时:当S2断,RP左旋时:(2)将电位器RP左旋到底,测出f与D。
(3)将开关S2打向“断”,测出这时的f与D。
(4)电位器RP顺时针旋到底,测出这时的f与D。
(5)将S2打在“断”位置,然后调节RP,使占空比D=0.2左右。
3.光耦合器特性测试(1)输入电阻为R1=1.6K 时的开门,关门延时时间测试a.将GTR单元的输入“1”与“6”分别与PWM波形发生器的输出“1”与“2”相连,再分别连接GTR单元的“3”与“5”,“9”与“7”及“6”与“11”,即按照以下表格的说明连线。
b.GTR单元的开关S1合向“”,用双踪示波器观察输入“1”与“6”及输出“7”与“11”之间波形,记录开门时间ton(含延迟时间td和下降时间tf)以及关门时间toff(含储存时间ts和上升时间tr)对应的图为:(2)输入电阻为R2=150 时的开门,关门延时时间测试将GTR单元的“3”与“5”断开,并连接“4”与“5”,调节电位器RP顺时针旋到底(使RP短接),其余同上,记录开门、关门时间。
电力电子实验报告电力电子实验报告引言:电力电子是现代电气工程领域中重要的研究方向之一,它涉及到电力的转换、控制和调节等方面。
本次实验旨在通过实际操作,加深对电力电子原理的理解,并掌握电力电子器件的使用和调试技巧。
一、实验目的本次实验的主要目的是通过搭建电力电子系统,实现对交流电的变换、控制和调节,掌握电力电子器件的使用和调试技巧,加深对电力电子原理的理解。
二、实验装置与方法实验装置包括交流电源、电力电子器件(如整流器、逆变器等)、控制电路以及负载等。
实验方法主要是通过搭建电路,调试参数和观察输出结果,来验证电力电子原理。
三、实验内容1. 整流器实验通过搭建单相半波整流电路,将交流电转换为直流电。
调节输入电压和负载电阻,观察输出的直流电压波形和电压波动情况,并记录实验数据。
2. 逆变器实验通过搭建单相半桥逆变电路,将直流电转换为交流电。
调节输入电压和负载电阻,观察输出的交流电压波形和电压波动情况,并记录实验数据。
3. DC-DC变换器实验通过搭建DC-DC变换电路,将直流电转换为不同电压的直流电。
调节输入电压和负载电阻,观察输出的直流电压波形和电压波动情况,并记录实验数据。
4. AC-DC变换器实验通过搭建AC-DC变换电路,将交流电转换为直流电。
调节输入电压和负载电阻,观察输出的直流电压波形和电压波动情况,并记录实验数据。
四、实验结果与分析在整流器实验中,通过调节输入电压和负载电阻,可以得到稳定的直流输出电压。
而在逆变器实验中,通过调节输入电压和负载电阻,可以得到稳定的交流输出电压。
在DC-DC变换器和AC-DC变换器实验中,通过调节输入电压和负载电阻,可以得到不同电压的直流输出。
实验结果表明,电力电子器件能够有效地实现对电能的变换、控制和调节。
通过调整电路参数,可以实现不同电压、频率和波形的输出。
这为电力系统的稳定运行和能源的高效利用提供了技术支持。
五、实验总结通过本次实验,我深入了解了电力电子的基本原理和应用。
电力电子实验报告————————————————————————————————作者:————————————————————————————————日期:实验一SCR(单向和双向)特性与触发实验一、实验目的1、了解晶闸管的基本特性。
2、熟悉晶闸管的触发与吸收电路。
二、实验内容1、晶闸管的导通与关断条件的验证。
2、晶闸管的触发与吸收电路。
三、实验设备与仪器1、典型器件及驱动挂箱(DSE01)—DE01单元2、触发电路挂箱Ⅰ(DST01)—DT02单元3、触发电路挂箱Ⅰ(DST01)—DT03单元(也可用DG01取代)4、电源及负载挂箱Ⅰ(DSP01)或“电力电子变换技术挂箱Ⅱa(DSE03)”—DP01单元5、逆变变压器配件挂箱(DSM08)—电阻负载单元6、慢扫描双踪示波器、数字万用表等测试仪器四、实验电路的组成及实验操作图1-1 晶闸管及其驱动电路1、晶闸管的导通与关断条件的验证:晶闸管电路面板布置见图1-1,实验单元提供了一个脉冲变压器作为脉冲隔离及功率驱动,脉冲变压器的二次侧有相同的两组输出,使用时可以任选其一;单元中还提供了一个单向晶闸管和一个双向晶闸管供实验时测试,此外还有一个阻容吸收电路,作为实验附件。
打开系统总电源,将系统工作模式设置为“高级应用”。
将主电源电压选择开关置于“3”位置,即将主电源相电压设定为220V;将“DT03”单元的钮子开关“S1”拨向上,用导线连接模拟给定输出端子“K”和信号地与“DE01”单元的晶闸管T1的门极和阴极;取主电源“DSM00”单元的一路输出“U”和输出中线“L01”连接到“DP01”单元的交流输入端子“U”和“L01”,交流主电源输出端“AC15V”和“O”分别接至整流桥输入端“AC1”和“AC2”,整流桥输出接滤波电容(“DC+”、“DC-”端分别接“C1”、“C2”端);“DP01”单元直流主电源输出正端“DC+”接“DSM08”单元R1的一端,R1的另一端接“DE01”单元单向可控硅T1的阳极,T1的阴极接“DP01”单元直流主电源输出负端“DC-”。
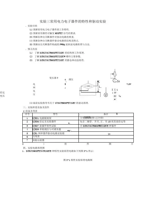
实验三常用电力电子器件的特性和驱动实验、实验目的(1)掌握常用电力电子器件的工作特性.(2)掌握常用器件对触发MOSFET 信号的要求. (3)理解各种自关断器件对驱动电路的要求.(4)掌握各种自关断器件驱动电路的结构及特点.(5)掌握由自关断器件构成的PWMg 流斩波电路原理与方法.、预习内容(1) 了解SCRGTOGTRMOSFETIGBT 的结构和工作原理. (2) 了解SCRGTOGTRMOSFETIGBTW 哪些主要参数. (3) 了解SCRGTOGTRMOSFETIGBT 的静态和动态特性.(4)阅读实验指导书关于GTOGTRMOSFETIGBT 的驱动原理.三、实验所需设备及挂件 1)设备及列表 序号型号备注1 DJK01电源限制屏 主电源限制屏(已介绍) 2 DJK06给定及实验器件 包含二极管、开关,正、负15伏直流给定等 3 DJK07新器件特性试验 含SCRGTOGTRMOSFETIGBTE 种器件 4 DJK09单相调压与可调负载5 DJK1网率器件驱动电路实验箱6 万用表7 双踪示波器2)挂件图片四、实验电路原理图1、SCRGTOMOSFETGTRIGBTE 种特性实验原理电路如下列图X-1所示:图X-1特性实验原理电路图变压器T电网电压A —&B C调压AI d+15VI 五1 I 种'|器! ;#!U g 给定 电压I直流整A,U iE B Z :UvR1 ..SCR 上3SFET1IGBT X-2虚框中五种器件的1、2、3标号连接示意图1GTR1\G T O一・二LM2、GTOMOSFETGTRIGBT四种驱动实验原理电路框图如下列图X-3所示:图X-3GTO、MOSFETGTRIGBT四种驱动实验原理电路框图3、GTOMOSFETGTRIGBT四种驱动实验的流程框图如图X-4图X-4GTO、MOSFETGTRIGBT四种驱动实验的流程框图五、实验内容1、SCRGTOMOSFETGTRIGBT五种器件特性的测试2、GTOMOSFETGTRIGBTW动电路的研究.六、考前须知(1)注意示波器使用的共地问题.(2)每种器件的实验开始前,必须先加上器件的限制电压,然后再加主回路的电源;实验结束时,必须先切断主回路电源,然后再切断限制电源.(3)驱动实验中,连接驱动电路时必须注意各器件不同的接地方式.(4)不同的器件驱动电路需接不同的限制电压,接线时应注意正确选择.七、实验方法与步骤1、SCRGTOMOSFETGTRIGBT五种器件特性的测试b 〕直流电压表V,直流电流表A,用DJK01电源屏上的直流数字表. d 〕DJK07中各器件图片及接线标号图如下:a 〕局部实验图片如下:单相调用与可■食就(?>DJK09整流输出Uo=40VDJK09调压器输出,开始时旋在最小.c 〕负载电阻R,用DJK09中的两个90◎串连.ya¥DJK09电阻.将两个90a 电阻串连且旋在最大DJK06输出给定Ug,分别接器件的3端,2端〔地〕2〕调整直流整流电压输出Uo=40V接线完毕,并检查无误后〔注意调压器输出开始为最小〕,将DJKO1的电源钥匙拧向开,按启动按钮.将单相调压器输出由小到大逐步增加,使整流输出Uo=40V3〕各种器件的伏安特性测试a〕将DJK06的给定电位器RP谜时针旋车t到底,S1拨向“正给定〞,S2拨向“给定〞,打开DJK06上的电源开关,DJK0防器件提供触发电压信号.b〕逐步右旋RP1,使给定电压从零开始调节,直至器件触发导通.记录UgM小到大的变化过程中Id、Uv的值,从而可测得器件的V/A特性.〔实验最大可通过电流为1.3A〕.c〕将各种器件的U4Id、Uv的值填入下表中:SCR UgIdUvGTO UgIdUvMOSFET UgIdUvIGBT UgIdUvGTR UgIdUv2、GTOMOSFETGTRIGBT驱动电路的研究.1〕关闭D J K01总电源,按图X—6的框图接线.〔注意:实验接线一个个进行〕图X—6GTO、MOSFETGTRIGBT驱动电路实验a 〕直流励磁电源和灯泡负载图片b 〕直流电压和电流表同上.c 〕四种电力电子器件均在DJK07挂箱上.d 〕DJK12中图片标注如下:PWM 局部GTR 局部 GTO 局部稳压电源部分,供各驱动电路用.注意:各直流电压要对应.GTR 局部.C 端与器件 GTR 的C 连接 2〕观察PWM 波形输出变化规律正常否?IGBT 局部. C 端与器件 IGBT 的C 连接 MOSFET 局部本实验板电源开关a)检查接线无误后,将DJK01的钥匙拧向开,不按启动按钮.翻开DJK12的电源开关.b)将示波器的探头接在驱动电路的输入端.选择好低频或高频后,分别旋转W1W 霍波形输出变化规律.W 倜频率;W 调占空比.选择低频时,调W1频率可在200〜1000Hz3)当观察PW 跛形及驱动电路正常输出且可调后,将占空比调在最小.按DJK01的启动按钮,参加励磁电源后,再逐步加大占空比,用示波器观测、记录不同占空比时基极的驱动电压、负载上的波形.测定并记录不同占空比〞时负载的电压平均值Ua 于下表中.不同占空比a 时负载的电压平均值U 蕨:GTO aUaGTR aUaMOSFE aUaIGBTaUa八、实验报告(1)根据得到的数据,绘出各器件的输出特性Uv=f(Id).(2)整理并画出不同器件的基极(或限制极)驱动电压、元件管压降的波形. (3)画出Ua=f (“)的曲线.(4)讨论并分析实验中出现的问题.附:GTOIGBT 、MOSFETGTR 驱动电路原理图. 1、GTO 区动电路如图F-1所示GTO 的驱动与保护电路如图F-1所示:电路由±5V 直流电源供电,输入端接PWM 发生器输出的PWM 信号,经过光耦隔离后送入驱动电路.当比拟器LM311输出低电平时,V2、V4截止,V3导通,+5V 的电源经R11、R12、R14和C1加速网络向GTO 提供开通电流,GTO 导通;当比拟器输出高电平时,V2导通、V3截止、V4导通,-5V 的电源经L1、R1&V4、R14提供反向关断电流,关断GTO 后,再给门极提供反向W1调频率范围W2调PWM 的占空比变化;选择高频时,调W1频率可在2K 〜10K 变化.调W2f 占空比可调范围.做GTR 、GTO 时,选低频1000Hz .做MOSFET 、IGBT 时选高频8KHz~10KHz偏置电压.图F-2IGBT 管的驱动与保护电路4、IGBT 驱动与保护电路IGBT 管的驱动与保护电路如图F-2所示,该电路采用富士通公司开发的IGBT 专用集成触发芯片EXB84%它由信号隔离电路、驱动放大器、过流检测器、低速过流切断电路和栅极关断电源等局部组成.EXB841的“6〞脚接一高压快恢复二极管VD1至IGBT 的集电极,以完成IGBT 的过流保护.正常工作RI 1~输 /■一LiVD1计EXB341时,RS触发器输出高电平,输入的PWM言号相与后送入EXB841的输入端“15〞脚.当过流时,驱动电路的保护线路通过VD1检测到集射极电压升高,一方面在10us内逐步降低栅极电压,使IGBT 进入软关断;另一方面通过“5〞脚输出过流信号,使RS 触发器动作,从而封锁与门,使输入封锁.5、MOSFET1动电路MOSFET 勺驱动与保护电路如图1-15所示,该电路由土15V 电源供电,PWM$制信号经光耦隔离后送入驱动电路,当比拟器LM311的“2〞脚为低电平时,其输出端为高电平,三极管V1导通,使MOSFE 硒栅极接+15V 电源,从而使MOSFETf 导通.当比拟器LM311“2〞脚为高电平时,其输出端为低电平-15V,三极管V1截止,VD1导通,使MOSFETf 栅极接-15V 电源,迫使MOSFET 断+J5V图1-15MOSFET 管的驱动与保护电路6、GT 用区动与保护电路GTR 的驱动与保护电路原理框图如图1-16所示:该电路的限制信号经光耦隔离后输入555,555接成施密特触发器形式,其输出信号用于驱动对管V1和V2,V1和V2分别由正、负电源供电,推挽输出提供GTR 基极开通与关断的电流.C5C6为加速电容,可向GTR 提供瞬时开关大电流以提升开关速度.VD1〜VD4接成贝克钳位电路,使GTR 始终处于准饱和状态有利于提升器件的开关速度,其中VD1、VD2、VD3为抗饱和二极管,VD4为反向基极电流提供回路.比拟器N2通过监测GTR 的BE 结电压以判断是否过电流,并通过门电路限制器在过电流时关断GTR 当检测到基极过电流时,通过采样电阻R11得到的电压大于比拟器N2的基准电压,那么通过与非门使74LS38的6脚输出为高电平,从而使V1管截止,起到关断GTR 的作用.ZSvDR6ZKVSZV3■Ro-[ 000o HLM31IVITP3R2 R :3 Klb谕入 -3VO — TP7.74LS367P6,T_&工1 R7-H>0O 3LM3#上图1-16GTR 的驱动与保护电路原理图5551R10CQ B00<1(18出VD :畀VD1将XVD2VD3。
电力电子技术实验实验报告一、实验目的电力电子技术实验是电气工程及其自动化专业的重要实践环节,通过实验,我们旨在深入理解电力电子器件的工作原理、特性以及电力电子电路的构成和工作过程。
具体目的包括:1、熟悉各类电力电子器件的特性和参数测试方法。
2、掌握基本电力电子电路的工作原理、分析方法和调试技巧。
3、培养实际动手能力和解决问题的能力,提高对电力电子技术在实际应用中的认识。
二、实验设备本次实验所使用的主要设备包括:1、电力电子实验台:提供电源、控制电路和测量仪表等。
2、示波器:用于观测电路中的电压、电流波形。
3、万用表:测量电路中的电压、电流、电阻等参数。
4、电力电子器件模块:如晶闸管、IGBT 等。
三、实验内容1、晶闸管特性测试(1)导通特性测试将晶闸管接入实验电路,逐渐增加阳极电压,观察并记录晶闸管导通时的电压和电流值。
(2)关断特性测试在晶闸管导通后,减小阳极电流至维持电流以下,观察并记录晶闸管关断时的电压和电流变化。
2、单相半波可控整流电路实验(1)搭建电路按照电路图连接好单相半波可控整流电路,包括电源、晶闸管、负载电阻等。
(2)调节触发角通过改变触发电路的参数,调节晶闸管的触发角,观察输出电压的变化。
(3)测量输出电压和电流使用示波器和万用表测量不同触发角下的输出电压和电流值,并记录数据。
3、三相桥式全控整流电路实验(1)电路连接仔细连接三相桥式全控整流电路,确保连接正确无误。
(2)触发脉冲调试调整触发脉冲的相位和宽度,保证晶闸管的正确导通和关断。
(3)性能测试测量不同负载条件下的输出电压、电流和功率因数等参数。
四、实验步骤1、实验前准备(1)熟悉实验设备的使用方法和注意事项。
(2)预习实验内容,理解实验原理和电路图。
2、进行实验(1)按照实验内容的要求,依次进行各项实验。
(2)在实验过程中,认真观察实验现象,准确记录实验数据。
3、实验结束(1)关闭实验设备的电源。
(2)整理实验仪器和设备,保持实验台的整洁。
电力电子器件及其驱动电路实验报告一、引言电力电子器件的使用已经成为现代电力系统中不可或缺的一部分。
电力电子器件主要应用于交流调制、直流传输、发电机控制、照明系统、电机控制等领域。
因此,针对电力电子器件及其驱动电路的实验研究显得尤为重要。
本报告将介绍我们所设计和构建的电力电子器件及其驱动电路的实验,并阐述实验过程中所用到的材料和方法,同时给出相关实验结果和结论。
二、材料和方法本实验所用到的器材和材料如下:1.三相桥式整流电路;2.IGBT(绝缘栅双极型晶体管);3.隔离型驱动电路;4.直流电源;5.电容;6.电感;7.示波器;8.信号发生器。
实验过程如下:1.首先将电容和电感串联。
2.将IGBT与串联的电容和电感并联,形成一个单臂桥式逆变电路。
3.将上述电路与隔离型驱动电路相连。
4.将三相桥式整流电路连接到隔离型驱动电路的输出端。
5.将信号发生器连接到隔离型驱动电路的输入端,并设定不同的频率,并在示波器上观察输出波形。
6.调整逆变电路的PWM信号,使输出波形变为纯正弦波。
三、实验结果与分析在实验过程中,我们通过改变信号发生器的频率来观察在不同频率下的输出波形。
实验结果表明,当信号发生器的频率在低频率时,输出是一个方波,当频率逐渐升高时,输出波形逐渐接近纯正弦波。
同时,我们在实验过程中发现,当逆变电路的PWM信号调整为一定的占空比时,输出波形能够变为纯正弦波。
由此可以得出,逆变电路的PWM信号占空比是影响输出波形的一个重要因素。
通过测量和分析我们得出,隔离型驱动电路能够有效的控制电力电子器件的开关状态,并降低逆变电路的损耗。
同时,逆变电路的PWM信号占空比是影响输出波形的一个关键因素。
四、结论本次实验我们成功地设计与构建了一个单臂桥式逆变电路,并通过实验验证了隔离型驱动电路的有效性以及PWM信号占空比对输出波形的影响。
实验结果表明,电力电子器件及其驱动电路的设计和优化对于优化电力系统的性能具有重要意义,并有望推动电力系统在未来的发展方向上得以进一步优化。
一、实验目的1. 熟悉电力电子实验的基本流程和操作规范。
2. 掌握电力电子器件的工作原理和特性。
3. 了解电力电子电路的设计与调试方法。
4. 培养实际动手能力和团队协作精神。
二、实验内容1. 电力电子器件实验(1)实验原理:通过实验观察电力电子器件(如二极管、晶闸管、GTR、MOSFET 等)在电路中的工作状态和特性。
(2)实验步骤:a. 根据实验要求,搭建实验电路。
b. 测量并记录器件的静态特性,如正向导通电压、反向阻断电压、开通和关断时间等。
c. 通过实验观察器件在不同工作状态下的表现。
2. 电力电子电路实验(1)实验原理:通过实验了解电力电子电路(如整流电路、逆变电路、变频电路等)的工作原理和特性。
(2)实验步骤:a. 根据实验要求,搭建实验电路。
b. 测量并记录电路的静态特性,如输出电压、电流、功率等。
c. 通过实验观察电路在不同工作状态下的表现。
3. 电力电子电路控制实验(1)实验原理:通过实验了解电力电子电路的控制方法,如PWM控制、斩波控制等。
(2)实验步骤:a. 根据实验要求,搭建实验电路。
b. 利用控制信号对电力电子器件进行控制,观察控制效果。
c. 分析控制信号的时序和波形,优化控制策略。
三、实验结果与分析1. 电力电子器件实验结果与分析(1)实验结果:通过实验观察,二极管、晶闸管、GTR、MOSFET等器件在电路中的工作状态和特性符合理论分析。
(2)实验分析:实验结果验证了电力电子器件的基本特性和工作原理。
2. 电力电子电路实验结果与分析(1)实验结果:通过实验观察,整流电路、逆变电路、变频电路等电力电子电路在不同工作状态下的表现符合理论分析。
(2)实验分析:实验结果验证了电力电子电路的基本工作原理和特性。
3. 电力电子电路控制实验结果与分析(1)实验结果:通过实验观察,利用PWM控制、斩波控制等控制方法对电力电子器件进行控制,实现了电路的稳定运行。
(2)实验分析:实验结果验证了电力电子电路控制方法的有效性。
电力电子实验报告一、实验目的本实验旨在通过搭建电力电子电路和测量电路参数,深入理解电力电子的基本原理和应用。
二、实验装置与仪器1. 稳压直流电源2. 功率电子器件(如二极管、晶闸管、MOS管等)3. 示波器4. 变压器5. 整流电路、逆变电路等电力电子实验电路板6. 电阻、电容、电感等元件7. 其他必要的实验器材和配件三、实验内容1. 实验一:整流器的实验a. 搭建并测量单相半波和全波整流电路的输出电压波形、输出电压和电流的平均值、有效值等参数。
b. 分析和比较两种整流电路的性能差异,并讨论其应用特点和限制。
2. 实验二:逆变器的实验a. 搭建并测量单相半桥和全桥逆变电路的输出电压波形、输出电压和电流的平均值、有效值等参数。
b. 分析和比较两种逆变电路的性能差异,并讨论其应用特点和限制。
3. 实验三:电力电子开关功率调节实验a. 搭建开关转换器或斩波电路实验电路,测量不同调节方式下的输出电压、电流和效率等参数。
b. 讨论开关功率调节的优缺点,以及不同调节方式的适用场景。
4. 实验四:PWM调制电路的实验a. 搭建简单的PWM调制电路,测量输出电压的调节范围、带宽等参数。
b. 分析PWM调制电路的工作原理和调节性能,探讨其在电力电子中的应用前景。
5. 实验五:电力电子控制系统的实验a. 搭建基于微控制器的电力电子控制系统,实现对某一电力电子器件的自动控制。
b. 测试并分析控制系统的稳定性、响应速度等性能指标,并讨论控制系统的设计考虑因素。
四、实验步骤与结果根据实验内容,按照以下步骤进行实验并记录实验结果:1. 记录实验所使用的电路和元件的连接方式和参数设置。
2. 使用示波器等仪器测量电路各个节点的电压和电流,并记录数据。
3. 分析实验结果,计算输出电压的平均值、有效值、波形畸变率等参数。
4. 对比实验数据,进行数据处理和性能比较。
5. 撰写实验结果报告并进行讨论。
五、实验结果分析根据实验结果,对各个实验内容进行数据分析和讨论,包括:1. 整流电路的性能比较:比较半波和全波整流电路的输出电压波形、平均值、有效值等参数,分析其差异和应用场景。
电力电子技术实验报告姓名教师班级学院实验一二、电力晶体管(GTR)特性研究一.实验目的1.熟悉(GTR)的开关特性与二极管的反向恢复特性及其测试方法2.掌握GTR缓冲电路的工作原理与参数设计要求二.实验内容1.不同负载时的GTR开关特性测试。
2.不同基极电流时的开关特性测试。
3.有与没有基极反压时的开关过程比较。
4.并联冲电路性能测试。
5.串联冲电路性能测试。
6.二极管的反向恢复特性测试。
三.实验线路四.实验设备和仪器1.MCL-07电力电子实验箱中的GTR与PWM波形发生器部分2.双踪示波器3.万用表4.教学实验台主控制屏五.实验方法1.不同负载时GTR开关特性测试(1)电阻负载时的开关特性测试GTR单元的开关S1合向“”,将GTR单元的输入“1”与“6”分别与PWM波形发生器的输出“1”与“2”相连,再分别连接GTR单元的“3”与“5”,“9”与“7”,“15”、“16”与“19”,“29”与“21”,以及GTR单元的“8”、“11”、“18”与主回路的“4”,GTR单元的“22”与主回路的“1”,即按照以下表格的说明连线。
GTR :1 PWM:1 GTR:6PWM:2GTR:3GTR:5GTR:9GTR:7GTR:8GTR:11GTR:18主回路:4GTR:15GTR:16GTR:19GTR:29GTR:21GTR:22主回路:1用示波器观察,基极驱动信号ib(“19”与“18”之间)及集电极电流ic(“21”与“18”之间)波形,记录开通时间ton,存贮时间ts、下降时间tf。
t on = 1.8 us,ts= 1.8 us,tf= 1.2 us(2)电阻、电感性负载时的开关特性测试除了将主回器部分由电阻负载改为电阻、电感性负载以外(即将“1”与“22”断开而将“2”与“22”相连),其余接线与测试方法同上。
t on = 2.1 us,ts=10.0 us,tf= 2.5 us2.不同基极电流时的开关特性测试(1)基极电流较小时的开关过程断开GTR单元“16”与“19”的连接,将基极回路的“15”与“19”相连,主回路的“1”与GTR单元的“22”相连,其余接线同上,测量并记录基极驱动信号ib(“19”与“18”之间)及集电极电流ic(“21”与“18”之间)波形,记录开通时间ton,存贮时间ts、下降时间tf。
实验一电力电子器件的驱动与保护电路实验一、实验目的(1)理解各种自关断器件对驱动与保护电路的要求。
(2)熟悉各种自关断器件的驱动与保护电路的结构及特点。
(3)掌握由自关断器件构成PWM 直流斩波电路原理与方法。
二、实验设备及仪器1.THPE-1 型实验箱2.双踪示波器三、GTR实验线路及实验方法1、实验线路自关断器件GTR驱动和保护实验的实验接线及实验原理图如图2所示。
主回路由GTR、灯泡负载组成,为了测量主回路电流,在主回路中还应串入直流电流表。
主回路由实验箱上的直流220V电压供电,接线时,应从直流电源的正极出发,经过主回路各串联器件回到直流电源负端。
GTR驱动和保护电路的输入信号为PWM发生器的输出信号,GTR驱动和保护电路的三个输出端子则分别连接到GTR器件的相应端子。
GTR驱动和保护电路的由实验箱的+5V和-5V供电。
2、实验方法及步骤(1)断开主回路,把PWM模块的频率选择开关拨至“低频档”,并使用示波器在输出端观察输出波形,调节频率按钮,使PWM波输出频率在“1KHz”左右。
(2)检查驱动电路的工作情况。
在未接通主电路的情况下,接通驱动模块的电源并按图2所示将输入端与PWM模块的输出端相连接。
使用示波器在驱动模块的输出端观察驱动电路输出波形,调节PWM 波形发生器的频率及占空比,观测PWM 波形的变化规律。
(3)驱动电路正常工作后,将占空比调小,然后合上主电路电源开关,再调节占空比,用示波器观测、记录不同占空比时GTR基极的驱动电压、GTR 管压降及负载上的波形。
(4)测定并记录不同占空比α时负载的电压平均值U a于下表中:表1 GTR实验结果3、注意事项驱动与保护电路接线时,要注意控制电源及接地的正确连接。
对于GTR 器件,采用±5V 电源驱动。
四、GTO实验线路及实验方法GTO实验方法与GTR的实验方法相同。
表2 GTO实验结果五、MOSFET实验线路及实验方法除了应该将PWM的频率选择开关拨至“高频档”,使方波的输出频率在“8KHz~10KHz”范围内之外,其实验方法与GTR的实验方法相同。
北航电力电子实验报告一、实验目的电力电子是指能够对电能进行控制、调节和变换的设备和技术。
本实验旨在通过对电力电子元件和电路的实际操作,了解电力电子的基本原理和工作特性,掌握电力电子技术的应用。
二、实验内容1.了解电力电子元件的工作原理和特性,包括二极管、晶闸管、MOSFET等。
2.使用电力电子元件搭建基本电力电子实验电路,包括电压倍增器、交流调压电路等。
3.对电力电子元件和电路进行实验调试,观察和测量电路中电压、电流等参数。
4.记录实验结果,撰写实验报告。
三、实验步骤1.根据实验要求和提供的材料,准备实验所需的电力电子元件和电路板。
2.根据实验指导书的要求,依次搭建不同的电力电子电路。
3.使用万用表、示波器等测试仪器,对电路中的电压、电流等参数进行测量和观察。
4.调试电路,观察电力电子元件的工作情况,并记录实验数据。
5.完成实验后,将实验所用的设备归还到指定位置,整理实验报告。
四、实验结果分析本实验以搭建电压倍增器为例,观察和测量了电压倍增器电路中的输入电压、输出电压和负载电流等参数。
通过实验发现,当输入电压为直流电压时,输出电压比输入电压高;当输入电压为交流电压时,输出电压也为交流电压,但其幅值大于输入电压。
此外,当负载电流增加时,电路中的电流也相应增加,但电压倍增器的输出稳定性有一定的局限性,不适用于所有场合。
五、实验总结通过本次实验,我深入了解了电力电子元件和电路的工作原理和特性,通过实际操作和测量,进一步加深了对电力电子技术的理解。
实验过程中,我掌握了搭建和调试电力电子电路的方法和技巧,提高了实际操作的能力。
同时,也意识到了电力电子技术在现代工程和生活中的广泛应用,对工程实践有着重要的意义。
在未来的学习和实践中,我将进一步探索和应用电力电子技术,为工程和生活提供更好的解决方案。
同时,也要不断学习和更新电力电子技术的知识,跟随科技的发展,不断提升自己的专业素养和技能水平。
电力电子技术实验报告姓名教师班级学院实验一、电力晶体管(GTR)特性研究1 •熟悉(GTR)的开关特性与二极管的反向恢复特性及其测试方法2. 掌握GTR缓冲电路的工作原理与参数设计要求二.实验内容1. 不同负载时的GTF开关特性测试。
2. 不同基极电流时的开关特性测试。
3. 有与没有基极反压时的开关过程比较4. 并联冲电路性能测试。
5. 串联冲电路性能测试。
6. 二极管的反向恢复特性测试。
三.实验线路四.实验设备和仪器1. MCL-07电力电子实验箱中的GTR与PWM波形发生器部分2. 双踪示波器3. 万用表4. 教学实验台主控制屏五.实验方法1 •不同负载时GTR开关特性测试(1)电阻负载时的开关特性测试GTF单元的开关S1合向“ ”,将GTF单元的输入“ 1”与“6”分别与PWM波形发生器的输出“ 1”与“ 2”相连,再分别连接GTF单元的“3”与“ 5”,“9”与“ 7”,“ 15”、“ 16” 与“ 19”,“29”与“21”,以及GTF单元的“ 8”、“ 11”、“ 18” 与主回路的“ 4”,GTF单元的“22”与主回路的“1”,即按照以下表格的说明连线。
用示波器观察,基极驱动信号ib (“19”与“18”之间)及集电极电流ic (“21”与“18” 之间)波形,记录开通时间ton,存贮时间ts、下降时间tf。
t on= 1.8 us ,t s= 1.8 us ,t f= 1.2 us(2)电阻、电感性负载时的开关特性测试除了将主回器部分由电阻负载改为电阻、电感性负载以外(即将“ 1”与“22”断开而将“ 2”与“22”相连),其余接线与测试方法同上。
t on= 2.1 us,t s=10.0 us,t f= 2.5 us2.不同基极电流时的开关特性测试(1)基极电流较小时的开关过程断开GTR单元“16”与“19”的连接,将基极回路的“ 15”与“19”相连,主回路的“ 1”与GTR单元的“22”相连,其余接线同上,测量并记录基极驱动信号ib (“19”与“18”之间)及集电极电流ic (“21”与“18”之间)波形,记录开通时间ton,存贮时间ts、下降时间tf ot on= 1.9 us,t s= 10.3 us,t f=2.0 us(2)基极电流较大时的开关过程将GTR单元的“ 15”与“19”的连线断开,再将“14”与“19”相连,其余接线与测试方法同上。
t on= 1.7 us,t s= 10.9 us,t f= 2.2 us1. 绘出电阻负载与电阻、电感负载时的G TR ff关波形,并在图上标出ton、tS与tf,并分析不同负载时开关波形的差异。
电阻负载阻感负载分析:相较于电阻负载来说,阻感负载多了电感的储能与续流作用,所以开通和关断时间均长于电阻负载。
2.绘出不同基极电流时的开关波形并在图上标出ton、ts与tf,并分析理想基极电流的形状,探讨获得理想基极电流形的方法。
基极电流较小基极电流较大理想电流形状:开通时间较小,斜率接近90形成手段:需要较为理想的驱动电路,使其开通和关断时间减少,并且使其幅值在一个较稳定并合适的值。
七、实验心得体会629曾祎玲:对原本较为抽象的GTR开关特性,二极管的反向恢复特性等有了更直观的了解。
622王凝碧:不同的负载与基极电流都会影响GTR的开关特性,本次实验使我对这些规律有了更深刻的体会,并对GTR有了进一步的认识。
619孙亚妮:作为这门课的第一个实验,在实验仪器的使用上有麻烦,示波器的波形调了很久。
通过实验基本对实验仪器有所接触和了解通过实验我了解了不同负载时的GTR开关特性及不同基极电流时的开关特性。
三功率场效应晶体管(MOSFET )特性与驱动电路研究一、实验目的1 •熟悉MOSFET主要参数的测量方法2. 掌握MOSEET对驱动电路的要求3 •掌握一个实用驱动电路的工作原理与调试方法二、实验内容1. MOSFET主要参数:开启阀值电压VGS(th),跨导gFS,导通电阻Rds输出特性ID=f (Vsd) 等的测试2. 驱动电路的输入,输出延时时间测试。
3. 电阻与电阻、电感性质载时,MOSFET开关特性测试。
4. 有与没有反偏压时的开关过程比较5. 栅-源漏电流测试。
三、实验设备和仪器1. NMCL-07电力电子实验箱中的MOSFET与PWM波形发生器部分2. 双踪示波器3•毫安表4. 电流表5. 电压表四、实验线路五、实验方法(1)开启阀值电压VGS(th)测试开启阀值电压简称开启电压,是指器件流过一定量的漏极电流时(通常取漏极电流ID=1mA)的最小栅源电压。
在主回路的“ 1”端与MOS管的“25”端之间串入毫安表,测量漏极电流ID,将主回路的“3” 与“4”端分别与MOS管的“24”与“23”相连,再在“24”与“23”端间接入电压表,测量MOS 管的栅源电压Vgs,并将主回路电位器RP左旋到底,使Vgs=O。
将电位器RP逐渐向右旋转,边旋转边监视毫安表的读数,当漏极电流ID=1mA时的栅源电压值即为开启阀值电压VGS( th)。
读取6—7组ID、Vgs,其中ID=1mA必测,填入表2—6。
(2)跨导gFS测试gFs =0.14286 S(3)转移特性I D f (V GS )栅源电压Vgs与漏极电流ID的关系曲线称为转移特性。
根据表2-6的测量数值,绘出转移特性。
图4•转移特性I D f(V Gs)(4)导通电阻RDS测试导通电阻定义为RDS=VDS/ID将电压表接至MOS管的“25”与“23”两端,测量UDS,其余接线同上。
改变VGS从小到大读取(5)ID = f (VSD)测试ID = f (VSD)系指VGS = 0时的VDS特性,它是指通过额定电流时,并联寄生二极管的正向压降。
a•在主回路的“ 3”端与MOS管的“23”端之间串入安培表,主回路的“ 4端与MOS管的“25”端相连,在MOS管的“ 23”与“ 25”之间接入电压表,将RP右旋转到底,读取一组ID 与VSD的值。
|D=30.2 mA V GS=0.617 Vb.将主回路的“ 3”端与MOS管的“23”端断开,在主回路“ 1”端与MOS管的“23”端之间串入安培表,其余接线与测试方法同上,读取另一组ID与VSD的值。
I D =0.549 A V GS =0.863 Vc•将“ 1”端与“23”端断开,在在主回路“ 2”端与“ 23”端之间串入安培表,其余接线与测试方法同上,读取第三组ID与VSD的值。
I D= 0.625 A V GS =0.900 V将MOSFET单元的输入“ 1”与“4”分别与PWM波形发生器的输出“ 1与“2”相连,再将MOSFET单元的“2”与“ 3”、“9”与“4”相连,用双踪示波器观察输入波形(“ 1”与“4”) 及输出波形(“ 5”与“9”之间),记录开门时间ton、关门时间toff。
ton= 0.54 us ,toff= 0.15 us3.驱动电路的输入、输出延时时间测试在上接线基础上,再将“ 5”与“8”、“6”与“7”、“ 10”、“ 11”与“12”相连,“13”、“ 14”与“16”相连,用示波器观察输入“ 1”与“4”及驱动电路输出“18”与“9”之间波形,记录延时时间toff。
t off= 0.05 ms4、电阻负载时MOSFE开关特性测试(1)无关联缓冲时的开关特性测试在上述接线基础上,将MOSFET单元的“ 9”与“4”连线断开,再将“ 20”与“24”、“22” 与“23”、“ 21”与“ 9”以及主回路的“ 1”与“4”分别和MOSFET单元的“ 25”与“ 21”相连。
用示波器观察“ 22”与“21”以及“24”与“21”之间波形(也可观察“ 22”与“21”及“25” 与“21”之间的波形),记录开通时间ton与储存时间ts。
to n= 3.4 us ts=1.6 us(2)有并联缓冲时的开关特性测试在上述接线基础上,再将“ 25”与“ 27”、“ 21”与“26”相连,测试方法同上。
ton=3 us ts=1.5 us(1)有并联缓冲时的开关特性测试将主回路“ 1”与MOSFET单元的“25”断开,将主回路的“ 2”与MOSFET单元的“ 25”相连,测试方法同上。
ton =1.6 us ts=2.0 us6、有栅极反压时的开关过程。
ton=2.8 us ts=2.6 us六、实验总结1、快速光耦6N1372、驱动电路I .iff - t C ' ivs3、电阻负载无并联缓冲U 0 I - 1fill1:4、电阻负载有并联缓冲■■0 Ltoi l - k &u s6、有反压七、思考题1. 增大栅极电阻可消除高频振荡,是否栅极电阻越大越好,为什么?请你分析一下,增大栅极电阻能消除高频振荡的原因。
答:栅极电阻并非越大越好。
栅极电阻过大,会与极间电容形成RC电路,严重影响MOSFET 充放电时间,造成其消耗功率过高,发热严重。
2. 从实验所测的数据与波形,请你说明MOSFET对驱动电路的基本要求有哪一些?答:要求驱动电路具有较小的输入电阻,驱动功率小且电路简单。
3. 从理论上说,MOSFET的开、关时间是很短的,一般为纳秒级,但是试验中所测得的开、关时间却要大得多,你能否分析一下其中的原因吗?答:可能的原因有:元器件老化、测量仪器误差、人为读数误差等。
八、心得体会629:掌握了实用驱动电路的工作原理与调试方法,并且对示波器的使用更加熟练。
622:经过本次试验我熟悉了MOSFET主要参数的测量方法以及其对驱动电路的要求。
619:经过对MOSFET 参数的测量和电路的调试,使我加深了对MOSFET 的了解,了解了电路的原理。