配对样本资料的t检验
- 格式:ppt
- 大小:179.00 KB
- 文档页数:15
配对样本t检验(p本人red sample t-test)是一种统计分析方法,用于比较同一样本在两个不同条件下的平均值是否存在显著差异。
在进行配对样本t检验时,需要满足一定的前提条件,并且需要理解其定义和具体步骤。
为了充分理解配对样本t检验的定义和前提条件,我们需要对其进行深入解析和探讨,以便更好地应用于实际研究中。
1. 配对样本t检验的定义配对样本t检验是一种用于比较两个相关样本平均值差异的统计方法。
它适用于不同条件下对同一组样本进行观察或测量的情况,例如同一组人员在两种不同条件下的表现、同一组产品在不同时间点的质量等。
配对样本t检验的目的在于判断两种不同条件对同一组样本的影响是否存在显著差异。
2. 配对样本t检验的前提条件在进行配对样本t检验前,需要满足以下前提条件:(1)样本来自正态分布总体。
为了验证此条件是否成立,可以通过观测样本数据的直方图或利用正态性检验进行检验。
(2)样本的差异服从正态分布。
此条件可以通过绘制差值的直方图或进行正态性检验来验证。
(3)样本来自的总体具有相同的方差。
可以利用方差齐性检验来验证此条件。
3. 配对样本t检验的具体步骤进行配对样本t检验时,需要完成以下步骤:(1)计算每一对配对样本的差值(即两个条件下的差异),并计算差值的平均数。
(2)计算差值的标准差,以验证差值的正态性和方差齐性条件是否成立。
(3)利用配对样本t检验公式计算t统计量,并根据自由度和显著性水平查找t临界值。
(4)根据t统计量和t临界值的比较,判断两个条件下的平均值是否存在显著差异。
4. 实例分析为了更好地理解配对样本t检验的应用,我们以一个具体实例进行分析。
假设某药物在治疗前后对同一组病人进行了血压测量,我们希望利用配对样本t检验来判断治疗前后的血压平均值是否有显著差异。
在这个实例中,我们需要计算每个病人的血压差值,并进行配对样本t检验,以验证治疗的效果是否显著。
5. 结论配对样本t检验是一种用于比较同一组样本在不同条件下平均值差异的统计方法,它能够帮助研究人员判断两种条件对同一组样本的影响是否存在显著差异。
配对样本t检验公式
配对样本t 检验用于比较同一组个体或实验对象在不同时间点或条件下的平均值是否有显著差异。
其计算公式如下:
t = (x̄d - μd) / (sd / √n)
其中:
t 是检验统计量;
x̄d是配对样本差值(即两个时间点或条件下的观测值之差)的平均值;
μd 是假设的差异均值(通常为0,表示没有显著差异);
sd 是配对样本差值的标准差;
n 是配对样本观测数量。
接下来,根据计算得到的t 值,可以参考t 分布表确定其对应的P 值,从而判断是否存在显著性差异。
若P 值小于预先设定的显著性水平(通常为0.05),则可以拒绝原假设,认为两个时间点或条件下存在显著性差异。
需要注意的是,在进行配对样本t 检验之前需要满足以下前提条件:
已知数据符合近似正态分布;
配对样本之间是相关联或相关程度较高。
在实际应用中,可以使用统计软件(如SPSS、R、Excel等)进行配对样本t 检验的计算和结果分析。
配对样本t检验,95%人忽视的一步!背景在我们进行配对t检验时,SPSS统计分析结果,必然会计算一个两个配对数据的相关系数,这是干啥的呢,绝大多数人忽略这步,直接看配对t检验的t值和P值,可是正确的配对结果的如何解读呢?(松哥统计)实践是检验真理的唯一标准1、先看一组数据,某药物治疗胃胀疗效比较,效应指标为胃胀的评分。
因为同组前后位配对设计,异组为成组设计,我们看一下配对设计的结果。
2、点击菜单分析-比较均值-配对样本t检验。
如下框设置-点击确定。
3、结果解读(三步法)3.1第一步:获取胃胀前与胃胀后的三个核心统计量(样本量、均数和标准差)。
产生主观意识:本例胃胀前均数4.37,胃胀治疗后均数2.65,可能治疗有效,但这种疗效可能是抽样误差所致,因此需要进行检验。
知识连接配对设计是一种配对后两组数据相互关联的设计,也就是说配对后数据如果不相关,那就失去了配对设计t检验的前提条件,因此,很多软件进行配对设计时,会检验数据是否存在相关性。
3.2结果解读第二步:检查配对前后数据的相关性,本例相关系数r=0.520,P=0.000<>3.3结果解读第三步:配对t检验结果,发现t=8.121,对应的P=0.000<>大同小异),本例小于0.05,因此小异,有差异。
即治疗前后胃胀评分差异有统计学意义。
在结合前后的均数,可以得出治疗后胃胀评分下降,该药有效。
松哥统计说配对样本t检验的相关系数检验,确实很多人忽视,甚至一些供研究生用的统计教材都用错了。
下图(中间部分)为某教材中部分,分析认为配对组相关系数r=0.075>0,就配对成功。
个人认为确实不太妥当,至少2点。
一为:只看r值大小,不看r值的P值,本例虽然r=0.075>0,但后面的P=838>0.05。
意思是前面的r=0.075可能是有抽样误差导致,并不是匹配的结果。
二为:忽视r值的专业意义,本例r=0.075是一份非常小的值,微弱微弱,几乎无相关性。
两独立样本T检验目的:利用来自两个总体的独立样本,推断两个总体的均值是否存在显著差异。
检验前提:样本来自的总体应服从或近似服从正态分布;两样本相互独立,样本数可以不等。
两独立样本T检验的基本步骤:提出假设原假设H_0:μ_1-μ_2=0备择假设H_1:μ_1-μ_2≠0建立检验统计量如果两样本来自的总体分别服从N(μ_1,σ_1^2)和N(μ_2,σ_2^2),则两样本均值差(x_1 ) ?-x ?_2应服从均值为μ_1-μ_2、方差为σ_12^2的正态分布。
第一种情况:当两总体方差未知且相等时,采用合并的方差作为两个总体方差的估计,为:s^2=((n_1-1) s_1^2+(n_2-1) s_2^2)/(n_1+n_2-2)则两样本均值差的估计方差为:σ_12^2=s^2 (1/n_1 +1/n_2 )构建的两独立样本T检验的统计量为:t= ((x_1 ) ?-x ?_2)/√(s^2 (1/n_1 +1/n_2 ) )此时,T统计量服从自由度为n_1+n_2-2个自由度的t分布。
第二种情况:当两总体方差未知且不相等时,两样本均值差的估计方差为:σ_12^2=(s_1^2)/n_1 +(s_2^2)/n_2构建的两独立样本T检验的统计量为:t= ((x_1 ) ?-x ?_2)/√((s_1^2)/n_1 +(s_2^2)/n_2 )此时,T统计量服从修正自由度的t分布,自由度为:f= ((s_1^2)/n_1 +(s_2^2)/n_2 )^2/(((s_1^2)/n_1 )^2/n_1 +((s_2^2)/n_2 )^2/n_2 )可见,两总体方差是否相等是决定t统计量的关键。
所以在进行T检验之前,要先检验两总体方差是否相等。
SPSS中使用方差齐性检验(Levene F检验)判断两样本方差是否相等近而间接推断两总体方差是否有显著差异。
三、计算检验统计量的观测值和p值将样本数据代入,计算出t统计量的观测值和对应的概率p值。
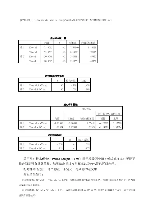
[数据集1] C:\Documents and Settings\math\桌面\成绩1班配对样本t检验.sav
成对样本检验
t df Sig.(双侧)
对 1 ECtotal - CCtotal -.650 41 .519
对 2 ECread - CCread .155 41 .877
采用配对样本t检验(Paired-Sample T Test)用于检验两个相关或成对样本对所得平均数间是否有显著差异。
结果输出是以双侧概率以及95%置信区间表示。
配对样本t检验:这个你查一下定义,写到你的论文中
分析结果如下:
对这组数据:ECtotal – Cctotal,t=-0.650,双侧显著性概率P=0.519>0.05, 按照0.05的显著性水平,认为前后成绩没有显著差异。
对这组数据:ECread - CCread,t=0.155,双侧显著性概率P=0.877>0.05, 按照0.05的显著性水平,认为前后成绩没有显著差异。
1、两配对样本T检验2、单因素方差分析3、多因素方差分析一、两配对样本T检验定义:两配对样本T检验就是根据样本数据对样本来自得两配对总体得均值就是否有显著性差异进行推断。
一般用于同一研究对象(或两配对对象)分别给予两种不同处理得效果比较,以及同一研究对象(或两配对对象)处理前后得效果比较。
两配对样本T检验得前提要求如下:两个样本应就是配对得。
在应用领域中,主要得配对资料包括:具有年龄、性别、体重、病况等非处理因素相同或相似者。
首先两个样本得观察数目相同,其次两样本得观察值顺序不能随意改变。
样本来自得两个总体应服从正态分布二、配对样本t检验得基本实现思路设总体服从正太分布,总体服从正太分布,分别从这两个总体中抽取样与,且两样本相互配对。
要求检验就是否有显著差异。
第一步,引进一个新得随机变量对应得样本值为,其中,这样,检验得问题就转化为单样本t检验问题。
即转化为检验Y 得均值就是否与0有显著差异。
第二步,建立零假设第三步,构造t统计量第四步,SPSS自动计算t值与对应得P值第五步,作出推断:若P值<显著水平,则拒绝零假设即认为两总体均值存在显著差异若P值>显著水平,则不能拒绝零假设,即认为两总体均值不存在显著差异三、SPSS配对样本t检验得操作步骤例题:研究一个班同学在参加了暑期数学、化学培训班后,学习成绩就是否有显著变化。
数据如表3所示。
1、操作步骤:首先打开SPSS软件1、1输入数据点击: 文件-----打开文本数据(D)-----选择需要编辑得数据-----打开图1 (这个就是已经导入数据得截图)在这里首先需要确定导入得数据就是符合两配对样本T检验得前提得。
1、2找到配对样本T检验得位置点击:菜单栏得分析按钮----选择比较均值-----配对样本T检验(如图2 )图21、3将数据对应导入配对样本T检验得选项框图1、31导入前得图像如图3图31、32导入后得图像如图4图4在此选项中需要设置“选项”得值为95%图5选择选项完成后,点击“继续”,接下来执行下面步骤:图6点击确定生成我们需要得表格:图7表1 成对样本统计量均值N 标准差均值得标准误对 1 数学1 72、94 18 20、157 4、751 数学2 84、78 18 10、339 2、437对 2 化学1 81、83 18 15、240 3、592 化学2 89、44 18 8、183 1、929该表1给出了本实验对样本得一些统计量。
三种t检验的应用条件
1. 独立样本t检验的应用条件:
- 两个样本的数据是独立的;
- 各个样本服从正态分布或总体方差未知但相等;- 总体均值相等的假设未被拒绝。
2. 配对样本t检验的应用条件:
- 数据来自一个总体的两个相关样本;
- 样本数据呈正态分布或总体方差未知但相等;
- 样本数据的差值为零的假设未被拒绝。
3. 单样本t检验的应用条件:
- 数据来自一个总体的一个样本;
- 样本数据呈正态分布或总体方差未知但相等;
- 样本数据的均值等于某个已知值的假设未被拒绝。
两配对样本T检验整理T检验(t-test)是一种用于比较两组样本均值是否有显著差异的统计方法。
它可以帮助我们判断观察到的均值差异是否由随机因素引起,还是由真实的总体差异引起。
在实际应用中,T检验广泛用于医学、社会科学和市场研究等领域。
两配对样本T检验(paired-samples t-test)是T检验的一种特殊形式,它用于比较同一组被试在两个不同条件下的观测值。
例如,我们可以使用两配对样本T检验来比较同一组学生在干预前后的成绩或同一组患者在治疗前后的疼痛程度。
两配对样本T检验的原假设(null hypothesis)是两个条件下的均值相等,备择假设(alternative hypothesis)是两个条件下的均值不等。
如果T检验的结果显示拒绝了原假设,则我们可以得出两个条件下的均值存在显著差异的结论。
下面是进行两配对样本T检验时的步骤:1.收集数据:对于每个被试,需要收集两个条件下的观测值。
确保每个被试在两个条件下的观测值是相互对应的。
2.计算差值:对于每个被试,需要计算两个条件下的观测值的差值。
例如,如果我们比较同一组学生在干预前后的成绩,那么差值就是干预后的成绩减去干预前的成绩。
3.计算平均差值:对于所有被试,计算差值的平均值。
这个平均值代表两个条件下的平均差异。
4.计算标准差:计算差值的标准差。
这个标准差代表差值的变异程度。
5.计算T值:使用以下公式计算T值:T=平均差值/标准差/√(被试数)6.确定自由度:自由度等于被试数减17.查找T分布表:使用自由度和显著性水平来查找T分布表中的临界值。
通常,显著性水平选择为0.05或0.01、如果我们选择了0.05的显著性水平,那么我们需要查找T分布表中的临界值,使得有95%的概率落在这个值以下。
8.比较T值和临界值:如果计算得到的T值大于临界值,我们可以拒绝原假设,得出两个条件下的均值存在显著差异的结论。
如果计算得到的T值小于临界值,则无法拒绝原假设,即不能得出两个条件下的均值存在显著差异的结论。
两独立样本t检验与两配对样本t检验的异同在统计学中,t检验是一种用于比较两个样本均值是否有显著差异的常用方法。
在实际应用中,我们通常会遇到两种常见的t检验方法,即两独立样本t检验和两配对样本t检验。
本文将详细介绍这两种方法的异同点。
一、两独立样本t检验两独立样本t检验用于比较两个独立样本的均值是否有差异。
通常情况下,我们希望了解两个样本是否来自于同一总体分布。
1. 假设检验:- 零假设(H0):两个样本的均值相等。
- 备择假设(H1):两个样本的均值不相等。
2. 检验统计量:两独立样本t检验的检验统计量为:t = (x1 - x2) / sqrt(S1^2 / n1 + S2^2 / n2)其中,x1和x2分别为两个样本的均值,S1和S2分别为两个样本的标准差,n1和n2分别为两个样本的观测值个数。
3. 确定拒绝域:根据显著性水平(α)和自由度(df)来确定拒绝域。
在两独立样本t检验中,自由度为 df = n1 + n2 - 2。
根据给定的显著性水平和自由度,我们可以在t分布表中找到对应的临界值。
4. 检验决策:如果计算得到的检验统计量t的绝对值大于临界值,我们就可以拒绝零假设。
否则,我们接受零假设,认为两个样本的均值相等。
二、两配对样本t检验两配对样本t检验用于比较相对于同一组观测对象(配对样本)的两个相关变量之间的均值差异。
它适用于进行前后观测、对照实验等研究。
1. 假设检验:- 零假设(H0):配对样本的均值差等于0。
- 备择假设(H1):配对样本的均值差不等于0。
2. 检验统计量:两配对样本t检验的检验统计量为:t = (x d - μd) / (sd / sqrt(n))其中,x d为配对样本均值差的平均值,μd为期望的均值差(通常为0),sd为样本均值差的标准差,n为样本容量。
3. 确定拒绝域:与两独立样本t检验相似,根据显著性水平和自由度来确定拒绝域。
在两配对样本t检验中,自由度为 df = n - 1。
配对t检验样本量
配对t检验是用于比较两组相关样本数据差异的假设检验方法。
在进行配对t检验时,需要收集两组相关样本数据。
每个样本都有两个相关的变量值,例如同一受试者在不同时间点或不同条件下的测量值。
样本量的大小与样本的方差、标准误和效应大小等因素有关,一般来说,样本量越大,检验结果就越可靠。
通常建议样本量至少为30个,这是由于中心极限定理指出,当样本数量足够大时,样本平均数将近似于正态分布。
但是,实际上样本量的大小因研究目的而异。
在确定样本量时还要考虑以下因素:
1. 效应大小:较小的效应需要更大的样本量才能检测到显著差异。
2. 样本方差:方差较大的样本需要更大的样本量才能达到相同的统计功效。
3. 显著性水平和统计功效:确定显著性水平和统计功效后,可以采用统计工具计算出所需的最小样本量。
4. 研究预算:样本量会影响实验成本,因此需要根据预算来确定合适的样本量。
需要注意的是,配对t检验要求两组样本之间存在相关性,因此不同于独立样本t检验,随机分配每个样本到两个组中进行比较。
在确定样本量时,应用正确的方法来计算所需的样本容量。