市政隧道洞口明挖段技术交底
- 格式:docx
- 大小:103.38 KB
- 文档页数:12
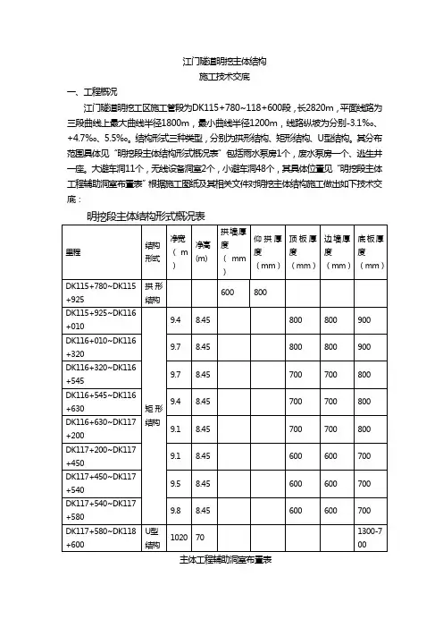
江门隧道明挖主体结构施工技术交底一、工程概况江门隧道明挖工区施工管段为DK115+780~118+600段,长2820m,平面线路为三段曲线上最大曲线半径1800m,最小曲线半径1200m,线路纵坡为分别-3.1‰、+4.7‰、5.5‰。
结构形式三种类型,分别为拱形结构、矩形结构、U型结构。
其分布范围具体见“明挖段主体结构形式概况表”包括雨水泵房1个,废水泵房一个、逃生井一座。
大避车洞11个,无线设备洞室2个,小避车洞48个,其具体位臵见“明挖段主体工程辅助洞室布臵表”根据施工图纸及其相关文件对明挖主体结构施工做出如下技术交底:明挖段主体结构形式概况表1)基坑开挖至设计标高后,仔细进行测量、放样及验收,严禁超挖。
2)结构施工前,对围护结构表面进行有效的防水处理,确保围护结构表面不渗漏。
3)在每一结构段施工前首先进行垫层施工。
4)对侧墙、顶板模型支撑系统进行设计、检算,根据施工进度提前安排进料。
5)防水材料的检验,进料。
6)对结构施工顺序、施工进度安排、施工方法及技术要求向工班及全体管理人员进行认真交底。
三、主体结构施工顺序主体结构施工工序流程如下:许偏差表施作1)底板(仰拱)防水层的施工本工程按全包防水设计,防水项目有全包防水卷材,防水卷材采用EVA高分子防水卷材,5cm厚的细石混凝土,环向施工缝位臵设臵中埋设钢边止水带、背贴式橡胶止水带、涂刷水泥基涂料、Ø50打孔波纹管外包无纺布;沉降缝位臵设双组份聚硫密封胶。
(2)垫层等强期为1天。
在垫层首层达到等强期后按设计要求进行防水作业。
先摊铺设防水卷材,再进行防水卷材接缝处的焊接,经检验合格后进行5cm厚细石混凝土的施作。
2)底板(仰拱)钢筋及砼施工主要技术参数“底板厚度参见明挖段主体结构形式概况表”矩形结构主筋为Φ25螺纹钢筋间距200mm,纵向分布筋为Φ14螺纹钢筋环向间距100mm,架立筋为Ø10圆钢,普通地区为200mm*400mm梅花形布臵,加密区为200mm*200mm梅花型布臵。
隧道开挖及凿孔作业安全技术交底(最新版)编制人:__________________审核人:__________________审批人:__________________编制单位:__________________编制时间:____年____月____日序言下载提示:该文档是本店铺精心编制而成的,希望大家下载后,能够帮助大家解决实际问题。
文档下载后可定制修改,请根据实际需要进行调整和使用,谢谢!并且,本店铺为大家提供各种类型的安全管理制度,如通用安全、交通运输、矿山安全、石油化工、建筑安全、机械安全、电力安全、其他安全等等制度,想了解不同制度格式和写法,敬请关注!Download tips: This document is carefully compiled by this editor. I hope that after you download it, it can help you solve practical problems. The document can be customized and modified after downloading, please adjust and use it according to actual needs, thank you!In addition, this shop provides you with various types of safety management systems, such as general safety, transportation, mine safety, petrochemical, construction safety, machinery safety, electrical safety, other safety, etc. systems, I want to know the format and writing of different systems ,stay tuned!隧道开挖及凿孔作业安全技术交底。
技术交底书技术交底书定点并用红色油漆做标记。
为确保施工过程中能随时复测开挖边线及基坑支护边线在测量定点时长宽可各放大1m。
测量放样完成后应对现场技术人员、工区主任及作业班组长进行现场桩位及书面交底。
5.2基坑防护明挖隧道基坑深度为 5.4m~8m,为确保基坑开挖完成后基坑坑壁的稳定性及作业人员深基坑施工的安全性,基坑两侧采用打拉森钢板桩+Ø273×7钢管进行支撑防护。
两端采用1:1放坡开挖。
5.2.1拉森钢板桩施工钢板桩前先开挖0.7m~1m基坑在施工钢板桩。
根据测量放样画出钢板桩纵向轴线,并用白灰洒出钢板桩纵向轴线位置,钢板桩设在本次开挖段隧道两侧,每侧各设一排。
详见下图(拉森钢板桩平面图、拉森钢板桩断面图):拉森钢板桩平面图拉森钢板桩断面图钢板桩施工要点(1)施工时钢板桩应按白灰洒出的轴线方向逐根打桩;(2)打桩前对钢板桩逐根检查,踢出连接锁口的锈浊、变形严重的钢板桩应调直校正后才可使用;(3)打桩前应对钢板桩的锁口内涂油脂,以方便打桩及拔桩;(4)在打桩是应随时检查每根钢板桩的倾斜度,倾斜度不能大于2%,如倾斜度过大无法校正时应拔起重新打桩;(5)钢板桩施工时应严格控制纵向轴线偏差,偏差值不得大于±10cm。
5.3基坑开挖基坑开挖采用挖机开挖,开挖遵循“纵向分段,竖向分层,从上至下,随挖随支”的施工原则进行,从一段向另一端开挖,开挖长度达到2.5m在不影响挖机作业情况下应及时添加横向支撑钢管做到边开挖边支撑,防治钢板桩外侧因土压力过大导致钢板桩向内倾斜变形导致基坑坍塌,开挖至基坑底部如果基底土质较差时应该在基础底部上1m的地方增加临时纵横支撑。
基坑两端采用放坡开挖,坡比为1:1。
基坑开挖与支护详见下图(基坑开挖平面图、基坑开挖纵断面图)基坑开挖平面图基坑开挖纵断面图基坑开挖施工要点(1)基坑两侧堆土高度不准超过1m,堆土距离基坑边线不得小于1m。
尽量较少基坑四周侧压力(2)基坑开挖完成后应在基坑外侧1m处修建临时排水沟,在基础底部最低点开挖集水井,便于下雨时基坑外侧雨水不会向基坑内侧倒灌及基坑内侧雨水可集中抽排。
隧道洞口施工技术交底书1、洞顶截水沟首先在洞口边仰坡开挖边缘线外5m施作洞顶截水沟60cm*60cm,以拦截地表水,防止地表水冲刷边仰坡,避免雨水冲刷洞门造成危害;截水沟用M7.5浆砌片石砌筑,应做到圆顺流畅,不积水,不渗水,拦截引导地表水,防止地表水影响洞口施工,达到稳定坡面的目的。
2、洞口开挖边仰坡开挖应根据测量人员放出的边仰坡开挖轮廓线,清除开挖范围内的植被,按照“分层、分段、自上而下,边开挖、边防护”的原则,采用挖掘机自上而下进行开挖,人工配合精确刷坡。
避免围岩振动过大,造成边坡、仰坡坍塌,甚至造成山体滑坡,影响洞口施工安全,边仰坡开挖坡比为隧道口左右两侧一级坡坡比为1:0.5,二级坡坡比为1:1,隧道洞门坡面坡比为1:1.25,洞顶坡比为1:0.75。
3、洞口边仰坡防护明洞段临时开挖坡面采用喷锚网防护,喷砼厚10cm,强度等级C20,Φ22砂浆锚杆长3.5m,间距1.2m*1.2m呈梅花型布置,φ6.5钢筋网片,网格间距0.2m*0.2m。
明洞段开挖应从上而下分段进行,分段及时防护,并加强对坡面的监测。
钢筋网片采用Φ6.5钢筋、间距20×20cm,再钢筋加工场内集中加工,先用钢筋调直机把钢筋调直,在截成钢筋条。
钢筋焊接前要先将钢筋表面的油渍、漆污、水泥浆用锤敲击剥落,浮皮,铁锈等均清除干净,加工完毕后的钢筋网片应平整。
4、预制、铺挂钢筋网制作成型的钢筋网片必须轻抬轻放,避免摔地产生变形。
钢筋网片成品应远离加工场地,堆放在指定的成品堆放场地上。
存放和运输过程中要避免潮湿的环境,防止锈蚀、污染和变形。
按图纸标定的位置挂设加工好钢筋网片,将钢筋网片绑扎或焊接于先期施工的砂浆锚杆之上,钢筋网的搭接长度不小于25cm.5、喷射混凝土作业在每层坡面开挖完后,立即对边坡上的浮石、危石及时清险,坡面凹凸不平处应予整修平顺,然后按照图纸设计,边仰坡布置1.2×1.2m梅花型砂浆锚杆孔,采用人工手持风凿机钻孔,砂浆锚杆外露10-15cm。
一、交底目的为确保明挖隧道施工过程中普工人员的人身安全,提高施工安全意识,预防安全事故的发生,特制定本安全技术交底。
二、交底对象本交底适用于参与明挖隧道施工的普工人员。
三、交底内容1. 工程概况(1)工程名称:__________隧道工程(2)施工单位:__________(3)施工地点:__________2. 施工安全基本要求(1)进入施工现场必须正确佩戴安全帽,并系好帽带。
(2)严格遵守安全规程,禁止违章指挥、违章操作。
(3)施工过程中,必须保持施工现场整洁,不得随意堆放杂物。
(4)严禁酒后作业、疲劳作业。
3. 施工现场安全注意事项(1)作业前,必须了解作业区域内的危险源,熟悉应急预案。
(2)挖掘、装运、运输等作业过程中,必须严格遵守操作规程,确保作业安全。
(3)挖掘作业时,应先清除地表障碍物,确保作业面平整。
(4)挖掘过程中,遇到不明管线、电缆等设施,应立即停止作业,报告现场负责人。
(5)挖掘、装运、运输等作业过程中,必须使用符合安全要求的工具、设备。
(6)施工过程中,严禁擅自拆改、移动安全防护设施。
4. 个人防护用品(1)正确佩戴安全帽,防止物体打击。
(2)佩戴防尘口罩,防止粉尘吸入。
(3)佩戴防护手套,防止手部受伤。
(4)穿着符合安全要求的鞋子,防止滑倒、摔伤。
5. 应急处理(1)发生安全事故时,立即停止作业,迅速撤离危险区域。
(2)及时向现场负责人报告,请求救援。
(3)按照应急预案进行应急处置。
四、交底时间________年________月________日五、交底人__________六、被交底人__________七、注意事项1. 本安全技术交底为普工人员提供施工安全指导,具体施工操作应严格按照施工图纸、施工方案和操作规程执行。
2. 普工人员应认真学习本安全技术交底内容,提高安全意识,确保自身及他人安全。
3. 施工单位应定期对普工人员进行安全教育培训,提高施工安全水平。
4. 施工现场负责人应加强对普工人员的安全管理,确保施工安全。
一、交底目的为确保隧道施工安全、高效、有序地进行,预防安全事故的发生,特制定本安全技术交底。
二、交底对象隧道施工全体人员,包括但不限于施工人员、管理人员、技术人员等。
三、交底内容1. 安全法规与标准- 严格遵守国家相关安全生产法律法规和行业标准。
- 熟悉隧道施工安全技术规范和操作规程。
2. 隧道施工基本要求- 洞口工程:洞口路基及边坡开挖应自上而下进行,一次完成土石方工程,禁止上下重叠作业。
- 边坡及危石处理:边坡以上松动危石应在开挖前清除,施工过程中应定期检查,发现松动危石应立即清除。
- 爆破作业:爆破作业必须按照《爆破安全规程》执行,爆破后应清理边坡松动石块,地质不良时应采取加固措施。
- 隧道门及端墙施工:砌体工程脚手架、工作平台应牢固,设有扶手、栏杆,不得妨碍车辆通行;起拱线以上端墙施工时应设安全网。
3. 隧道开挖安全技术- 根据施工方法和地质情况制定相应安全技术措施。
- 钻眼作业:钻眼前检查工作环境安全,清除浮石和瞎炮,保持碴堆稳定,不得在残眼中钻眼。
- 凿岩机使用:用电钻钻眼时,不得用手导引回转的钎子,不得处理被夹住的钎子。
4. 爆破作业安全- 爆破作业必须按照《爆破安全规程》执行,编制爆破作业方案。
- 爆破后及时清理现场,确保安全。
5. 临时设施与用电安全- 临时设施应符合防火、防尘、防爆、防洪、防盗、防雷电等安全和文明施工要求。
- 施工现场照明必须保证充足,不得有黑暗死角。
- 进入施工现场人员必须佩戴安全帽,禁止穿拖鞋、高跟鞋等易滑鞋。
- 高空作业人员必须佩戴安全带,系好保险扣。
- 特殊工种人员必须持有效证件上岗。
- 施工现场临时用电线路必须符合《施工临时用电安全技术规范》要求,非电工严禁任意拉线接电。
6. 应急处理- 制定应急预案,确保发生事故时能够迅速有效地进行处理。
- 定期进行应急演练,提高人员应急处置能力。
四、交底要求1. 施工单位应组织全体施工人员进行安全技术交底,确保每位人员熟悉并掌握安全操作规程。
一、交底目的为确保明挖隧道施工过程中的安全,预防安全事故发生,提高施工人员的安全意识,特制定本安全技术交底。
二、交底时间年月日三、交底对象所有参与明挖隧道施工的施工人员、管理人员及监督人员。
四、交底内容1. 施工环境及地质条件分析- 详细介绍隧道施工所处的地质环境、水文条件、周边环境等,对可能存在的风险进行评估。
2. 施工工艺及流程- 介绍隧道施工的主要工艺流程,包括前期准备、土方开挖、支护结构施工、衬砌施工、防水及排水施工等。
3. 安全技术措施- 土方开挖安全措施:- 开挖前应进行地质勘察,了解土层分布、岩性及地下水情况。
- 开挖过程中,应遵循自上而下、分层开挖的原则,严禁超挖。
- 开挖面应设置安全防护设施,如安全网、警示标志等。
- 遇到软弱地基、断层、溶洞等特殊情况时,应采取相应的加固措施。
- 支护结构施工安全措施:- 支护结构施工前,应进行技术交底,明确施工工艺、质量要求及安全注意事项。
- 支护结构施工过程中,应确保模板、支撑、钢筋等材料符合设计要求,并严格执行施工规范。
- 施工现场应设置安全防护设施,如防护栏杆、安全网等。
- 衬砌施工安全措施:- 衬砌施工前,应进行技术交底,明确施工工艺、质量要求及安全注意事项。
- 衬砌施工过程中,应确保混凝土材料符合设计要求,并严格执行施工规范。
- 施工现场应设置安全防护设施,如防护栏杆、安全网等。
- 防水及排水施工安全措施:- 防水及排水施工前,应进行技术交底,明确施工工艺、质量要求及安全注意事项。
- 施工过程中,应确保防水材料符合设计要求,并严格执行施工规范。
- 施工现场应设置安全防护设施,如防护栏杆、安全网等。
4. 个人防护用品及安全培训- 施工人员应配备符合国家标准的安全帽、安全带、防尘口罩等个人防护用品。
- 施工单位应定期对施工人员进行安全教育培训,提高安全意识。
5. 应急救援预案- 制定应急救援预案,明确事故发生时的应急处置流程、应急队伍及联系方式。
明挖隧道开挖安全技术交底一、门户工程1. 洞口的路基及边、仰坡断面应自上而下分层开挖,分层支护,严禁掏底开挖及上下重叠作业。
雨雪天气禁止明洞及边仰坡开挖。
边坡开挖前应按要求设置截排水设施。
洞门口土石方应结合底层稳定程度、施工季节和隧道施工方法进行。
2. 边、施工前,应清除前坡上方山坡上的松散和危险岩石,施工中经常检查,特别是雨雪过后,发现松动危石立即清除。
3. 爆破后应将边、上坡松散危岩清除后,方可继续施工。
地质条件较差时,应采取临时加固措施。
4. 端墙土方开挖后,对松动岩层应进行支护。
5. 拱线以上端墙施工应设置安全网,防止人员、工具、材料坠落。
工作平台应搭设牢固,设有扶手、栏杆。
脚手架不得妨碍车辆通行。
6. 在边坡喷射砼前,先清理防护岩面杂物,清除浮石及松动的岩石;用高压水冲洗坡面,保持岩石表面湿润。
7. 在岩面上确定排水孔位,采用风动凿岩机进行钻孔,钻孔完毕后,将孔内岩粉送风吹干净,安装排水管。
埋设控制喷射砼厚度的标志,铺设钢筋网或土工格栅,并与锚杆联接牢固,其与岩石表面之间的间隙应控制在规定值内。
最后进行喷射砼施工。
8. 洞口开挖及支护前,应首先清除钻孔上方和侧面可能坍塌的表土,灌木及危石,疏通流水沟渠,排出积水。
9. 处于陡峭、应在高边坡开口处增加安全棚、安全栏栅或安全网,危险地段应采取加固措施。
10. 采用大管棚、抗滑桩等措施进行洞口地层加固时,管棚内钢管的吊装和使用应符合吊装安全规定;抗滑桩施工时应采取防护措施,加强通风,防止坠物伤人。
11. 洞口开挖区域应设置防护栏杆和防护网,在高于2米的边坡及基坑作业时,应采取安全措施,并有人进行安全防护,围岩较差时采取加固措施。
二、明挖隧道开挖1. 明挖隧道开挖避开雨天施工,在施工过程中,应加强对山体稳定性的监测和检查。
2. 明挖隧道开挖前,应采取洞顶及四周的排水、防水措施,防止地表水冲刷引起的边坡和前坡落石和坍塌。
3. 边坡和前坡的开挖应自上而下进行,边开挖边进行防护;在松软地层开挖边仰坡时,应随挖随支护。
施工技术交底记录施工班组或部门交底时间接受交底人数分项工程名称隧道工程施工部位洞口工程交底部门交底人姓名及职务监理签字施工期限年月日至年月日交底内容:一、洞口工程施工工序流程测量放样→清表→施工截水沟→边仰坡开挖及防护→套拱施工→长管棚施工→进洞施工二、施工方法及注意事项2.1、洞顶截水沟洞口工程先进行截水沟施工,把坡面的地表水引到路基外,防止坍塌。
截水沟开挖完成后用浆砌片石封闭,使其排水通畅,避免因截水沟的积水渗入到洞口的土体中,影响土体的稳定。
(1)施工控制要点:①、在距仰坡顶开挖线5m外施做截水沟,截水沟开挖时要注意几何尺寸以及水沟线形的顺畅;②、人工开挖土石方,弃方不得弃于水沟上方,水沟不得砌于虚填土上;③、浆砌片石采用挤浆法砌筑,座浆饱满,由下向上砌筑,先砌沟底,再砌沟墙;④、砌筑时要保证砂浆饱满,做到内实外美,无裂缝、空鼓;⑤、砌筑时要保证砂浆饱满,做到内实外美,无裂缝、空鼓;⑥、截水沟每隔50m设置伸缩缝一道,沉降缝用沥青麻絮塞填密实;⑦、按要求进行养生,养生时间为7天,每天洒水次数以砌体表面湿润为准,在中午高温时段要增加洒水次数;⑧、施工过程中尽量不破坏周边植被。
(2)雨季施工措施雨季施工,预计将对砌筑物造成影响,应采取适当的技术措施保证其质量。
①、注意收听天气预报,尽量不要安排在雨天进行浆砌石砌筑。
②、小雨中砌筑砌石时,应适当减小水灰比,及时排除仓内积水,做好表面保护。
③、在施工中遇大雨、暴雨时,应立即停止施工,妥善保护表面。
雨后应先排除积水,并及时处理受雨水冲刷的部位,如表层砂浆尚未初凝时,应加铺水泥砂浆继续砌筑,否则应按工作缝处理。
2.2洞口挖方及刷坡洞口土石方利用机械自上而下分层开挖,及时分层、分块施作边、仰坡面临时喷锚防护或永久防护,使坡面尽早封闭。
成型后的边、仰坡面要求平顺,符合设计及规范要求。
施工控制要点①、在洞顶截水沟挖通及砌体完成后,根据仰坡开挖总高度及挖掘机有效工作高度确定开挖台阶数量,台阶高2米,准确按边桩开挖,以真正实现从上而下开挖;②、如遇石方开挖需要爆破施工,则采用松动爆破,按设计坡面,顺帮打眼,进行光面爆破;③、对有防护要求的坡面,应结合开挖,边开挖边防护;④、放炮作业必须按300m设置安全防护距离;⑤、刷坡施工时要保证坡面平顺,不亏坡,变坡点标高准确,坡率误差在±5%以内;⑥、刷坡过程中要由专人用坡度尺进行检查;⑦、边仰坡开挖过程中尽量不破坏周边植被。
技术交底书(5)、正确处理好各施工层、各工作面、各工序的施工关系,以形成科学合理顺畅的流水施工节奏,从而有效的确保质量、工期、投资、安全等各项目标的实现。
四、施工准备(1)、在土方开挖前首先对技术人员、作业人员进行技术交底、安全交底。
让每个参与施工的人员都清楚施工流程,盯控的关键点,做到心中有数。
(2)、准备好施工前所需要的机械设备和材料。
技术人员应对准备情况进行检查和落实,避免出现准备不足的情况,影响施工质量及进度。
(3)、基坑开挖前应复核测量基准线、水准点,并给现场技术人员进行交底。
基准线、水准点应设在不受基坑开挖影响区域内,并应注意在施工过程中的保护工作。
(附:基坑开挖标高控制表)(4)、制定监测、保护措施,做好监测控制点,并记录下原始数据备案。
(5)、基坑开挖前应按施工平面布置图的要求做好施工区域的供水、供电、排水系统、施工便道、基坑内挖土临时坡道、施工设施、材料堆场等的布置安排。
确保做到科学、合理、有条不紊的进行施工。
(6)、根据基坑开挖进展情况,做好基坑临边防护,在基坑四周搭设强度符合要求、高度不低于1.20m 的防护栏杆,护栏外侧挂设绿色密目安全网封闭,防止物体打击、高空坠落等不安全因素的发生。
同时基坑施工场地应距坑壁一定距离,坑边2m范围内不得堆放任何材料。
五、基坑开挖方法(1)、基坑土方开挖方向及开挖方式基坑开挖施工总体划分为3个施工区段进行,第一段为DK11+684~DK11+714,第二段为DK11+714~DK11+762,第三段为 DK11+762~DK11+800。
根据现场出土条件,计划第三区段基坑先开挖,待明暗挖隧道口长管棚施工完成提供场地后进行第一区段土方开挖;第二区段土方待暗挖提供条件后进行开挖;采用机械开挖为主、人工清理基底、自卸汽车运输的方式进行基坑土方开挖。
具体步骤详图:第一步:开挖Ⅱ部分土体,施做第一道钢支撑第二步:开挖Ⅲ部分土体,挂网喷射砼。
第三步:开挖Ⅳ部分土体,验槽合格后浇筑垫层断面上基坑土方开挖分层进行,每层开挖深度不大于2m,每层根据土层情况放1:1~1:2.5的坡度,基底标高以上20~30cm 层采用人工清底。
一、交底对象1. 施工单位全体管理人员及施工人员;2. 监理单位相关人员;3. 业主单位相关人员。
二、交底时间[具体时间]三、交底地点[具体地点]四、交底内容一、施工前准备1. 施工单位应按照工程设计文件、施工图纸及施工组织设计要求,编制详细的施工方案,并报监理单位审核批准。
2. 施工单位应确保施工人员具备相应的资质和技能,并对其进行安全教育和培训。
3. 施工现场应配备必要的安全防护设施和应急救援设备。
二、施工安全注意事项1. 隧道施工前,应做好地质勘察,了解隧道地质条件,确保施工安全。
2. 隧道施工过程中,应严格遵守《建筑工程施工安全规范》等相关规定。
3. 隧道施工应遵循“预防为主、安全第一”的原则,做好施工现场安全管理。
三、隧道开挖安全措施1. 隧道开挖应采用合适的施工方法,如钻爆法、盾构法等,并确保施工质量。
2. 隧道开挖过程中,应加强对围岩的监测,及时发现并处理围岩失稳现象。
3. 隧道开挖应严格控制爆破作业,确保爆破安全。
4. 隧道开挖应做好排水、通风、防尘、防噪等工作。
四、隧道支护安全措施1. 隧道支护应选用合适的支护形式,如喷射混凝土、锚杆、钢架等,确保支护效果。
2. 隧道支护施工过程中,应确保施工质量,防止支护结构失稳。
3. 隧道支护施工应做好防护措施,防止人员伤害。
五、隧道衬砌施工安全措施1. 隧道衬砌施工应选用合适的施工方法,如模板法、滑模法等,确保施工质量。
2. 隧道衬砌施工过程中,应确保施工质量,防止衬砌结构失稳。
3. 隧道衬砌施工应做好防护措施,防止人员伤害。
六、隧道施工临时设施安全措施1. 施工现场临时设施应符合安全、卫生、防火、防爆等要求。
2. 临时设施应定期检查,确保设施完好,防止事故发生。
七、隧道施工用电安全措施1. 施工现场用电应符合《施工现场临时用电安全技术规范》等相关规定。
2. 施工现场用电设备应定期检查、试验,确保设备完好。
3. 施工现场用电线路应规范敷设,防止触电事故发生。
一、交底目的为确保明挖隧道施工过程中人员安全和工程顺利进行,特进行本次安全技术交底,要求所有施工人员认真阅读并严格执行以下安全措施。
二、交底内容1. 施工现场安全(1)施工现场应设立明显的安全警示标志,施工人员必须佩戴安全帽、反光背心等防护用品。
(2)施工现场必须设置安全通道,保持通道畅通,不得堆放杂物。
(3)施工现场临时用电线路必须符合国家相关安全规范,非电工严禁任意拉线接电。
(4)施工现场应配备必要的安全防护设施,如安全网、防护栏杆、安全梯等。
2. 施工人员安全(1)施工人员必须接受安全教育培训,了解并掌握施工过程中的安全操作规程。
(2)施工人员应遵守施工现场各项规章制度,服从现场管理人员指挥。
(3)施工人员必须正确佩戴个人防护用品,如安全帽、安全带、防护眼镜等。
(4)施工人员应定期进行健康检查,确保身体健康,如有不适应及时报告。
3. 施工设备安全(1)施工设备必须定期检查、维护,确保设备处于良好状态。
(2)设备操作人员必须持证上岗,熟悉设备性能和操作规程。
(3)施工过程中,设备操作人员应严格按照操作规程进行操作,确保设备安全运行。
4. 隧道开挖安全(1)隧道开挖前,必须进行地质勘察,了解地质情况,制定相应的施工方案。
(2)隧道开挖过程中,应遵循自上而下、分层开挖的原则,严禁上下重叠作业。
(3)隧道开挖过程中,应密切关注围岩变化,发现异常情况立即停止施工,采取应急措施。
(4)隧道开挖过程中,应做好排水、防坍塌等工作,确保施工安全。
5. 隧道支护安全(1)隧道支护应根据地质情况和施工方案进行设计,确保支护结构稳定。
(2)支护材料应选用合格产品,不得使用不合格材料。
(3)支护施工过程中,应严格按照施工方案进行操作,确保支护质量。
(4)支护施工完成后,应进行验收,确保支护结构满足设计要求。
三、交底要求1. 施工单位应将本次安全技术交底内容纳入施工组织设计,确保施工过程中严格执行。
2. 施工单位应定期对施工人员进行安全技术培训,提高施工人员的安全意识。
一、工程概况1. 工程名称:[工程名称]2. 施工地点:[施工地点]3. 施工单位:[施工单位名称]4. 施工时间:[施工开始时间]至[施工结束时间]二、安全注意事项1. 施工人员必须熟悉本交底内容,并严格遵守各项安全操作规程。
2. 施工现场必须设立安全警示标志,施工区域实行封闭管理。
3. 施工人员必须佩戴安全帽、安全带等个人防护用品。
4. 严禁酒后作业,严禁无关人员进入施工现场。
三、洞口工程安全要求1. 洞口施工前,应进行地质勘探,了解洞口地质情况,确保施工安全。
2. 洞口路基及边、仰坡断面应自上而下开挖,一次将土石方工程做完,开挖人员不得上下重叠作业。
3. 边、仰坡以上山坡松动危石应在开挖前清除干净;施工中应经常检查,发现松动危石必须立即清除。
4. 爆破作业应符合规定要求。
爆破后应在清除边仰坡上的松动石块后,方可继续施工。
地质不良时,边、仰坡应采取加固措施。
5. 端墙处的土石方开挖后,对松动岩层应进行支护。
四、隧道门及端墙施工安全要求1. 砌体工程脚手架、工作平台应搭设牢固,并设有扶手、栏杆。
脚手架不得妨碍车辆通行。
2. 起拱线以上的端墙施工时应设安全网,防止人员、工具和材料坠落。
3. 起吊材料时机下严禁车辆和人员通行。
五、开挖作业安全要求1. 隧道开挖应根据各种施工方法及地质情况制订相应的安全技术措施。
2. 钻眼作业应符合下列规定:(1)钻眼前,应检查工作环境的安全状态,应待开挖面清除浮石以及瞎炮处理完毕后方可进行钻作业。
(2)凿岩机的支架,在碴堆上钻眼时,应保持碴堆的稳定。
(3)用电钻钻眼时,不得用手导引回转的钎子、用电钻处理被夹住的钎子。
(4)不得在残眼中钻眼。
六、爆破作业安全要求1. 爆破作业必须按现行国家标准《爆破安全规程》(GB6722)要求,编制爆破设计,确保爆破安全。
2. 爆破作业前,应对爆破区域进行安全检查,确保无安全隐患。
3. 爆破作业时,施工人员必须保持安全距离,不得靠近爆破区域。
施工技术交底一、分项工程概述1.工程概况1.1概述北大道一期工程2号隧道进口段路基K0+805.129~K0+885段全部为挖方路基,路基长度为79.871米,整个路基为路堑边坡,边坡设计坡率为1:1.5,最大挖方高度为7.9m;明洞施工范围为K0+885~K0+918m段,全长33m,基坑开挖边、仰坡设计坡率为1:1.5,最大挖方高度为14.8m。
2,本次技术交底适用于北大道一期工程2号隧道进口段路基K0+805.129~K0+885段与明洞明挖K0+885~K0+918m段。
二、施工前准备1.劳动力计划根据本工程特点,劳动力计划见下表2.机械设备配置计划机械配置如下表所示3.主要材料供应计划材料计划如见下表所示:4.施工进度计划根据施工节点工期要求,2号隧道进口路基K0+805.129~K0+885土石方在2015年5月11日完成,明洞明挖K0+885~K0+918土石方在2015年5月25日完成。
4.1主要工程项目工期安排4.1.1根据2号隧道进口端施工节点工期要求,先施工隧道进口段路基土石方,K0+805.129~K0+885路基要求2015年5月11完成,该段路基土石方15266m ³;4.1.2 K0+885~K0+918明洞明挖段土石方有17325m³,计划于2015年5月25日完成;4.1.3隧道进口段明洞明挖边坡防护计划于2015年5月25日完成;4.2施工进度计划横道图1.施工现场准备1.1 测量放样在施工测量放样之前,项目部测量工程师复测控制点是否满足施工精度要求。
根据洞口附近基准点及时设置10m间距中线桩,按照设计文件进行洞外路基及基坑开挖放样,开挖边界桩、截水沟中心线桩、洞口位置桩及相应的检查桩,经监理工程师认可后,依据施工放样数据核实开挖工程数量,并将计算结果报请监理工程师及跟踪审计审核。
在施工放样期间,工作要点如下:(1)及时核查开挖边界及放线是否有误,设计的边仰坡率是否合理;(2)检查截水沟布设是否顺应地势,并满足截流坡面水要求,与开挖边界的紧边距离是否满足规范要求;(3)经常检查基准标记与测桩,如有损坏、遗失、移位,及时修复。
1.2 地下综合管网摸排及保护1.2.1 地下综合管网的摸排(1)在施工前,查阅设计施工图和勘测报告,然后利用管网定位探测仪(型号:RD7000)进一步查清地下各类型管线的走向、埋设深度数量等。
(2)成立综合管网摸排小组,根据周边建筑物的分布情况、道路走向,通过查访和打听,尽量详细了解周边以往曾进行哪些综合管网方面的施工,同时与道路管理单位或部门、产权单位收集施工竣工图纸,以掌握各型管网的详细情况。
(3)在将进行施工的区域,通过人工小范围先行开挖的方式进行摸排。
(4)探测过程中要做好记录、建立管网布设查探情况台账,以便能够准确的指导工程施工。
1.2.2管网保护措施(1)在施工影响范围内及时协助建设单位与管线产权单位进行沟通,协调迁建事宜,为工程的顺利施工提供强有力的保障。
(2)在施工影响范围内及时协助建设单位与管线产权单位进行沟通,协调迁建事宜,为工程的顺利施工提供强有力的保障。
(3)管网的保护以防为主,充分查明管网的走向,要用挖掘文物的耐心,人工开挖探坑,当遇到管网时,应采取人工的方式清理该段基坑。
(4)管网探查清楚后,将对无需迁移的管网,进行保护,架空段采用刚支架悬挂,不能任由其悬空,以造成管网的拉裂、拉断,悬空时,要采用下托上盖,将受保护的管网包裹起来。
(5)基坑开挖时,在接近管网时,应采取人工开挖的方式进行,严禁采用机械挖土,以免造成管网的破损。
(6)当查明管网在基坑边时,应尽量采取钢板桩的支护方案,并并在基坑开挖时及时做好支顶,以免造成基坑边土层塌方受到破坏。
(7)当管网在不可避免地受到破坏时,应及早通知有关部门处理,将由此而产生的损失减到最低。
(8)遇到高压电网的地段,测量高压网对施工的影响,是否要采取避让。
高压网施工是否有危险,要充分了解清楚。
制定安全可靠的施工方案。
2 施工过程2.1施工技术参数2.1.1边沟、截水沟施工边沟和截水沟开挖采取小型机具配合人工进行开挖,开挖出的水沟应形成洞口排水工程,包括边仰坡外的截水沟、洞口两侧边沟以及洞口改沟等。
其工作要点为如下:(1)洞口边、仰坡处的截水沟与路基排水沟在土石方开挖前施工,截水沟上游进口与原地面衔接紧密,不得出现溢流或渗漏;下游出水口引入排水系统并妥善处理。
开挖出的截水沟及时采用沙浆封闭或浆砌片石铺砌,防止地表水流沿沟底下渗,特别是在土质和风化严重石质的坡面,避免裸沟排水下渗造成坡体滑塌。
(2)洞口及洞顶范围内,地面上的坑洼积水采取先排水,后夯填,再封顶的措施处理,对于原地表落水井和地陷处应用粘土夯填处理,夯填土密实度要大于90%。
(3)洞口及边仰坡以外上方不得堆置弃土,以免弃土流失堵塞排水沟槽、威胁洞口安全。
(4)改沟沟槽将就原地形走向修整平缓顺直,并符合排水要求,有水流的沟槽事先采取引排措施。
(5)浆砌的块、片石之前应将基地进行找平和夯实。
(6)浆砌的块、片石须清洗干净、饱水后使用,所有石块都应栽在新拌的砂浆上,并在砂浆凝结前将石块就位固定;干砌的块、片石每层大致水平,空隙处不得用小石块塞垫找平,并注意下一层的每块石块至少有三个分开的坚实支承点。
(7)浆砌片石的上层石块应交错排列、竖缝不得重合,竖缝与平缝的平均厚度不大于25mm,最大厚度为50mm;浆砌石块丁石和顺石相间,每层的竖缝与邻层的竖缝错开至少80mm,不能恰于丁石的上方或下方,竖缝与平缝宽度不超过30mm,背墙石块的长边垂直于斜坡表面,并错缝砌筑,表面砌筑的宽度不超过25mm。
(8)浆砌石块最好在砂浆凝结前将灰缝勾好,否则需在砂浆凝结前将灰缝刮深50mm,为以后勾缝作好准备,随后的勾缝用净水浸湿砌缝,再填砂浆进行勾缝,施工完成注意养生。
(9)洞顶截水沟与路基排水沟及临时排水沟要顺接,流水要通畅,因路基是反坡排水,必要时设置集水井,用水泵抽至城市污水管网。
2.1.2基坑开挖2.2.1基坑开挖原则(1)基坑开挖前做好临时排水设施,基坑管线要摸排清楚,对于无法拆迁的管线在施工过程中要保护号。
(2)基坑开挖时必须分段、分区、分层、对称进行,不得超挖。
分段长度不得大于基坑宽度,竖向分层厚度不大于1m。
严禁在一个工况条件下一次性开挖到底。
(3)基坑周边地面采取防排水措施,严禁地表水进入基坑周围土体。
(4)土方开挖顺序、方法必须与设计工况相一致,并遵循“开槽支撑、先撑后挖、分层开挖、严禁超挖”(5)机械挖土时,坑底应保留20~30cm厚土层用人工挖除整平,防止坑底土扰动,并合理确定土体回弹超挖量。
(6)土方开挖时,弃土堆放应远离基坑顶边,应大于基坑2倍基坑深度。
(7)在施工过程中,特别是在接近管网位置的范围和管线埋深可能深度范围内,应用人工小心挖掘,以免破碎孙,损坏管线,确保在施工期间所有地下管线的安全和正常使用。
2.1.3边坡支护(1)边坡支护参数钢筋网片:Φ6.5HBP300,网格尺寸为20cm×20cm;喷射砼:C25砼,喷射厚度为8cm;锚杆:根据边坡稳定性确定锚杆规格;2.2施工工艺流程2.2.1基坑开挖工艺(1)基坑开挖应在干地施工,对开挖中地下水,雨水和施工积水要采取可靠截排水措施予以排除。
(2)开挖应采取自上而下,由外向内施工,任何部位均不得采用自下而上造成岩体的开挖方式施工。
(3)居民区域附近开挖,采取有效措施保护房屋及施工人员安全。
(4)基坑在开挖之前,做好附近居民楼及建筑物位移和沉降原始数据。
(9)2号隧道进口端开挖分层施工示意图如下所示:①用人工修整边坡,与设计边坡坡度一致,经现场监理确认边坡的稳定性,确认边坡支护参数,边坡不稳定时,设置锚杆。
②锚杆采用砂浆锚杆,布置尺寸1.5m×1.5m呈梅花型布设,孔内砂浆要饱满。
③铺设钢筋网片,网片搭接1个至1.5个网格长度,与锚杆连接要牢固,喷射砼时不晃动。
④喷射砼采用湿喷,先初喷2cm至3cm厚,再喷至设计厚度8cm,湿喷工艺如下:四、质量检查项目、方法、频率及标准。
1.截水沟检查截水沟砂浆配合比,砌缝内砂浆是否饱满、勾缝是否密实。
砌体抹面是否平整、直顺,不得有裂缝空鼓现象。
2. 路基边坡检查坡面是否稳定、平顺、边线是否顺直,表面无松土,是否出现倒坡。
坡面基底高程、平面尺寸及边坡坡率是否符合设计和施工工艺要求,开挖允许偏差是否合格。
(1)检查方法和频率用全站仪测设坡脚线是否偏位、边坡坡率是否不陡于设计值,每10米一个点;用三角形直角尺测量坡面平整度是否平整,每10米测一处。
3.坡面防护1)喷射混凝土强度检查。
喷射混凝土配合比既要兼顾强度指标的要求,又要兼顾施工工艺的要求。
施工过程中按照规范规定取样,试样强度不低于设计值。
2)喷射混凝土厚度检查。
在施工过程中,喷射时可插入长度比设计厚度长约5cm的铁丝,用于施工时控制喷层厚度。
喷射混凝土施工完成后,用凿孔或激光断面仪检查喷层厚度。
每10延米至少检查一个断面。
厚度质量标准。
平均厚度不小于设计厚度;全部检查点的60%以上不小于设计厚度;最小厚度不小于设计厚度的1/2,且不小于60mm。
3)喷层与围岩粘结情况检查。
用锤敲击,如有空响应凿除喷层,洗净重喷,必要时应进行粘结力测试。
4)喷层外观质量检查。
当发现喷射混凝土表面有裂缝、脱落、露筋、渗水等情况时,应予修补,凿除喷层重喷或进行整治。
2、施工完成后的质量控制措施喷射混凝土终凝2h后,应喷水养护,养护时间一般不得少于7d。
在养护过程中如果发现剥落、外鼓、裂纹、局部潮湿、色泽不均等不良现象,应分析原因、采取措施进行修补,以防后患。
五、质量保证措施(1)严格按图纸、技术规格书和技术规范施工。
严格执行设计图纸要求及技术规范、标准、法规,做好自身的施工监督检查工作,设专职质量检查员,建立严格的自检制度。
(2)自觉接受业主代表、监理工程师及质量部门的检查和监督。
(3)钢材、水泥、砼试拌等按规范要求的频率和数量送检。
砂、石、砼外加剂等,均需按设计要求及技术规范试验合格后方能使用。
(4)加强工程基线和高程控制点的测设和管理,根据工程师正式提供的导线点和水准点,认真进行复测,并定期检查、交接、保护好。
因工程需要增设的控制点,应经常校核和妥善保护,如发现破坏和移动应及时通报工程师,及时补救修复。
(5)严格执行“三检”制度,上一道工序未经签证验收合格,禁止进入下一道工序的施工。
(6)施工前组织召开技术、质量交底会,使所有参与到本工程施工的人员了解和掌握施工技术要求和质量验收标准,并加强施工责任心和提高自身的质量意识。
六、安全技术措施及文明施工保证措施1.1落实安全责任制(1)实行项目经理负责制,项目经理在施工过程中对本项目的施工安全负全面责任。