预应力孔道压浆表56
- 格式:doc
- 大小:31.50 KB
- 文档页数:2
预应力孔道压浆稳压时间预应力孔道压浆稳压时间,说起来可能让人觉得有点复杂,甚至有点生涩。
但它就像你在煮一锅汤,得把火候把握得刚刚好,不多不少。
我们讲的压浆呢,说白了就是为了保证结构的稳定,避免孔道内部空隙导致钢筋锈蚀或是其他隐患。
而稳压时间,就是在压完浆之后,得等一等、看一看,确保压得稳稳的,不会一通水泼下去就失了效。
想象一下,你做一杯拿铁,得等奶泡稳定了,不能一倒就喝,要等它成型了,才不至于糊弄人,明白吗?好啦,回到压浆这个话题,为什么稳压时间这么重要?其实呢,这是个需要耐心的活,跟烤蛋糕一样,刚进烤箱的时候面糊还很软,得耐得住性子,等它熟透了才能拿出来。
压浆就是要把浆体打进去后,保持一定的压力,确保它能够均匀填满孔道,不留死角。
就像你刷墙一样,涂料得涂均匀,哪儿漏了气,哪儿就可能会出问题,咱们可不想以后有个“龟裂”出现不是?为什么不直接压个几分钟就行呢?偏偏得等那么久呢?其实啊,这个时间不能少。
想想你给车充电,电池电量不够,短时间充不满,不等就走,怎么可能保证动力强劲呢?同样的道理,压浆的稳压时间,得保证浆体能够在压力下逐渐渗透进孔道的每个角落,把空气排得干干净净。
你不等,气泡还在,未来可就麻烦了。
其实呢,这个稳压时间还跟外界环境有关系。
夏天的太阳一晒,浆体干得快,时间得相对短点;反之,寒冷的天气则会让浆液的流动变慢,这时候就得延长稳压时间了。
就好比给你冻了一杯冰饮,你让它自然解冻,得等得久一些。
反过来说,夏天的热气蒸腾,真是让人心烦,一下就融化了,压浆也是类似的道理,得看天气办事,不能死板地按着时间表来。
你想想,压浆稳压时间就像是烘焙时间,不能急,也不能懒。
太短,压浆不均,孔道里充不满,可能就得重新来过,搞得一团糟;太长,又可能浆体的压力不再稳定,甚至可能会影响钢筋的预应力效果。
你这不是多此一举吗?最后弄得时间久了,反倒影响效果,哪里值得呢?所以呀,得掌握个度,刚好能保证孔道里的浆体沉稳下来,但也不会过度影响结构本身。
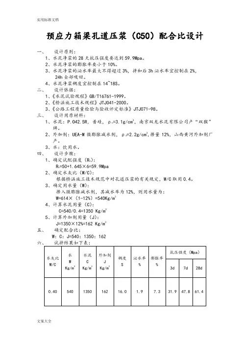
预应力箱梁孔道压浆(C50)配合比设计一、设计原则:1、水泥净浆的28天抗压强度要达到59.9Mpa。
2、水泥净浆的膨胀率要小于10%。
3、水泥净浆的泌水率最大不得超过3%,拌和后3h泌水率宜控制在2%,24h全部吸回。
4、水泥净浆稠度宜控制在14~18S。
二、设计依据:1、《水泥试验规程》GB/T16761-1999。
2、《桥涵施工技术规程》JTJ041-2000。
3、《公路工程质量检验与验收评定标准》JTJ071-98。
三、设计用原材料:=3.1g/cm3,南京双龙水泥有限公司产“双猴”1、水泥:P.O42.5R,普硅,ρc牌。
2、外加剂:UEA-M微膨胀减水剂,ρ=2.2g/cm3,掺量12%,山西黄河外加剂厂J产。
3、水:饮用水。
四、设计步骤:):1、确定试配强度(Rh=50+1.645×6=59.9MpaRh2、确定水灰比(W/C):根据桥涵施工技术规范中对孔道压浆的有关规定,W/C取用0.4。
3、确定用水量(W):掺入微膨胀减水剂,其减水率为12%,则用水量为:W=614×(1-12%)=540Kg/m34、计算水泥用量(C):C=540/0.4=1350 Kg/m35、计算外加剂用量(J):J=1350×12%=162 Kg/m3五、确定配合比:W:C:J=540:1350:162预制箱梁(C50)配合比设计一、技术要求:1.设计强度:fcu、k=50Mpa。
2.设计坍落度:90~120mm。
二、原材料:1、水泥:P、O42.5普硅,淮安产“海螺”牌。
2、黄砂:中粗砂,细度模数2.5~2.8,表观密度2.62g/cm3,宿迁骆马湖产。
3、碎石:玄武岩,5~25mm(5~10mm30%+10~25mm70%)连续级配,表观密度2.951g/cm3,盱眙产。
4、外加剂:JM-9型高效缓凝早强减水剂(水剂),视比重1.2g/cm3,掺量1.4%,江苏博特新材料有限公司南京道鹭建设材料厂产。
铁路后张法预应力混凝土梁管道压浆技术条件目录前言 (1)1 范围 (1)2 规范性引用文件 (1)3 术语和定义 (1)4 分类及标记 (2)5 技术要求 (2)6 施工工艺 (3)7 检验规则 (5)8 包装、标志、运输、贮存 (7)9 试验方法 (7)附录A 毛细泌水试验 (10)附录B 压力泌水试验 (11)附录C 充盈度试验 (13)编制说明 (14)前言本标准是为了提高预应力混凝土桥梁耐久性,保证后张法预应力混凝土梁管道灌浆材料的性能,满足其施工及质量检验需要而编制。
根据后张法预应力混凝土桥梁的特点,在本技术条件编制过程中参考了《铁路混凝土工程施工技术指南》、《公路桥涵施工技术规范》、美国后张法预应力协会指导规范《后张法预应力结构压浆规范》、FIP相关指南,在总结实验数据和工程实践经验基础制订。
本标准由中铁工程设计咨询集团有限公司提出本标准由铁道部经济规划研究院归口本标准起草单位:中铁工程设计咨询集团有限公司、铁道科学研究院、铁道部产品质量监督检验中心、北京建工华创工程技术有限公司本标准主要起草人:本标准由铁道部科学技术司负责解释本标准首次发布时间:2006年7月1日1 范围本标准规定了铁路后张法预应力混凝土梁管道压浆的材料、技术要求、试验方法、施工工艺、检验规则及包装、标志、运输、贮存。
2 规范性引用文件下列标准及设计规范、规程包含的条文,通过在本技术条件中引用而构成为本技术条件的条文。
在本技术条件颁布时,所示版本均为有效。
所有标准都会被修订,使用本技术条件的各方应探讨使用下列标准最新版本的可能性。
TZ210-2005 铁路混凝土工程施工技术指南JTJ041-2000 公路桥涵施工技术规范铁技基[2005]101号客运专线高性能混凝土暂行技术条件客运专线预应力混凝土预制梁暂行技术条件GB175-1999 硅酸盐水泥、普通硅酸盐水泥GB8076-1997 混凝土外加剂JC476-2001 混凝土膨胀剂GB/T 1346-2001 水泥标准稠度用水量、凝结时间、安定性检验方法GB/T 17671-1999 水泥胶砂强度检验方法(ISO法)GB/T 8077-2000 混凝土外加剂匀质性试验方法GB12573-1990 水泥取样方法GB176-1996 水泥化学分析方法JC/T 729-2005 水泥净浆搅拌机JC/T 681-1997 行星式水泥胶砂搅拌机PTI 指导规范 Specification for grouting of post-tensioned structures(后张预应力结构压浆规范)3 术语和定义预应力压浆料(M):包括水泥、高效减水剂、微膨胀剂等多种材料加工而成的干拌混合料,用于后张预应力管道压浆,现场按比例加水搅拌均匀即可使用的压浆材料。
预应力孔道压浆操作规程预应力孔道压浆是预应力结构施工中的关键工序,其目的是保护预应力筋免受腐蚀,提高结构的耐久性和整体性。
为确保压浆质量,特制定本操作规程。
一、施工准备1、材料准备(1)水泥:应采用强度等级不低于 425 级的硅酸盐水泥或普通硅酸盐水泥,其质量应符合现行国家标准的规定。
(2)水:应采用清洁的饮用水,水中不应含有对水泥浆性能有影响的有害物质。
(3)外加剂:根据需要可掺入适量的外加剂,如减水剂、膨胀剂等,其性能应符合现行国家标准的规定。
2、设备准备(1)压浆泵:应选用性能稳定、排量适中的压浆泵,其最大压力应能满足压浆要求。
(2)储浆桶:应具有足够的容量,以保证压浆的连续进行。
(3)搅拌机:用于搅拌水泥浆,应保证搅拌均匀。
(4)压力表:用于测量压浆压力,其精度不应低于 15 级。
(5)压浆管:应选用耐压、耐磨损的橡胶管或塑料管,其内径不宜小于 20mm。
3、孔道清理(1)在压浆前,应先用高压水冲洗孔道,去除孔道内的杂物和积水。
(2)对于有油污的孔道,应先用中性洗涤剂清洗,再用清水冲洗干净。
二、水泥浆的制备1、配合比设计(1)根据设计要求和施工条件,确定水泥浆的配合比。
一般情况下,水泥浆的水灰比宜为 040 045,掺入适量的外加剂后,可适当减小水灰比。
(2)膨胀剂的掺量应根据试验确定,一般不宜超过水泥用量的10%。
2、搅拌(1)先将水倒入搅拌机内,再加入水泥和外加剂,搅拌时间不应少于 2min。
(2)搅拌好的水泥浆应通过滤网过滤,去除其中的杂物和大颗粒。
3、性能检测(1)制备好的水泥浆应进行流动性、泌水性和膨胀率等性能检测,其性能应符合设计要求。
(2)流动性可采用流动度测试仪进行检测,流动度应在 18 22s 之间。
(3)泌水性可通过泌水率试验进行检测,泌水率应小于 2%。
(4)膨胀率可采用膨胀剂试验进行检测,膨胀率应符合设计要求。
三、压浆操作1、压浆顺序(1)应先压下层孔道,后压上层孔道。
预应力孔道压浆记录表(一)
施工单位:中交二公局第一工程有限公司合同号:HRTJ15
记录人:叶文强日期:2010.4.12 复核人:刘胜智日期:2010.4.12
钢筋检查记录表
承包单位:中交二公局第一工程有限公司合同号:HRTJ15
监理单位:育才- 布朗交通咨询监理有限公司编号:ZJ-075-□□-□□□□□□□-□□
检验:华小鸿日期:2010.5.7
记录:叶文强日期:2010.5.7
钢筋检查记录表
承包单位:中交二公局第一工程有限公司合同号:HRTJ15
监理单位:育才- 布朗交通咨询监理有限公司编号:ZJ-075-□□-□□□□□□□-□□
检验:华小鸿日期:2010.5.7记录:叶文强日期:2010.5.7
钢筋安装质量交验单
承包单位:中交二公局第一工程有限公司合同号:HRTJ15
混凝土浇筑申请批复单
施工单位:中交二公局第一工程有限公司合同号:HRTJ15
监理单位:育才-布朗交通监理咨询有限公司编号:ZK-009-□□-□□□□□□□-□□
混凝土施工原始记录表
施工单位:中交二公局第一工程有限公司合同号:HRTJ15.
监理单位:育才-布朗交通监理咨询有限公司编号:ZJ-084-□□-□□□□□□□-□□
水泥混凝土拌和物坍落度、稠度试验记录表
编号:S-080—□□□—□□□□。
压浆料后张法预应力孔道压浆料湖南宝隆科技发展有限公司一一压浆料后张法预应力孔道压浆料 JTG/TF50-2011公路铁路压浆料一、产品介绍预应力筋张拉锚固后,孔道应尽早压浆,且应在48h 内完成。
针对此压浆需 求,我司研发的BL-Y I 预应力管道压浆料性能优越,处于全国领先技术水平。
具有流动性好、不泌水不分层、耐久性好、预应力钢筋不锈蚀、与混凝土粘结牢 固、压浆饱满早强、微膨胀高充盈,可一次性压浆施工,管道内浆体密实无空隙 等特性。
产品使用方便,直接加入水即可使用,符合《公路桥涵施工技术规范》(JTG/T F50— 2011)、《铁路后张法预应力混凝土梁管道压浆技术条件》 (TB/T3192-2008)及《预应力孔道灌浆剂》(GB/T25182-2010)标准要求。
、主要性能______________ 28d对钢筋的锈蚀作用 > 10 无锈蚀 14无锈蚀三、主要特点1、流动性好,强度高,不泌水,不分层。
2、耐久性好,不存在老化,对钢筋无锈蚀,耐久坚固。
3、压浆具有饱满早强、微膨胀等特性。
4、产品具有高充盈性,可一次性压浆施工,管道内浆体密实无空隙。
5、预应力钢筋不锈蚀,与混凝土粘结牢固。
6使用方便,直接加入水即可使用。
四、适用范围适用于水泥浆、水泥砂浆和水泥混凝土灌浆作业,特别适合普通公路、高速公路、高速铁路、桥梁、核电站等大型工程的后张法预应力的孔道灌浆施工。
五、使用注意事项1、预应力筋的制作,锚具、夹具等的安装,预应力的施加,压浆等应满足设计要求,并符合JTG/TF50—2011《公路桥涵施工技术规范》、TB/T3192-2008 《客运专线预应力混凝土预制梁暂行技术条件》及GB/T25182-2010《预应力孔道灌浆剂》的规定。
2、拌制预应力管道压浆料水泥浆的参考水胶比为0.26〜0.28,在搅拌机中加入实际拌和水的80%〜90%,开动搅拌机,均匀加入全部压浆料,边加入边搅拌。
附录 A(规范性附录)桥梁预应力孔道压浆密实度无损检测流程图桥梁预应力孔道压浆密实度无损检测流程如图A.1所示:图A.1 桥梁预应力孔道压浆密实度无损检测流程图附录 B(资料性附录)桥梁预应力孔道压浆密实度无损检测现场记录表桥梁预应力孔道压浆密实度无损检测现场记录表如表B.1所示:表B.1 桥梁预应力孔道压浆密实度无损检测现场记录表检测:记录:附录 C(资料性附录)冲击回波法C.1 检测仪器与设备C.1.1 冲击回波法检测可采用单点式或扫描式冲击回波仪,整个检测系统包括信号采集及处理仪、信号放大器、传感器、激振设备、连接电缆和接头及其它专用附件。
C.1.2 信号采集及处理仪应符合下列规定:a)采集仪宜配有不少于2通道的模/数转换器,转换精度不低于16位;b)采集间隔应不大于2μs,可调;c)单通道采样点数应不小于8192点,可调;d)应符合GJB 1805的规定;e)采集及分析软件应可实时显示每次冲击时传感器输出的时间域波形,包括相对应的时间和电压的读数,且具有时间域窗口选择、数字滤波、时域分析、频率幅值谱(FFT)分析功能,宜具有三维图形等分析功能。
C.1.3 信号放大器应符合下列规定:a)宜选用电荷放大器,可调,线性度较好;b)放大器应具有滤波功能;c)放大器的频响范围应宽于传感器的频响范围;d)放大器应符合JJG 338 的规定。
C.1.4 传感器应符合下列规定:a)传感器应为能测量表面振动的高性能宽频带接收传感器,可为位移传感器或加速度传感器,工作频率带宽宜为800Hz~100kHz;b)传感器应符合JB/T 6822的规定;c)传感器应可通过强力磁座与两端外露的预应力钢束相耦合,或可通过手持方法与混凝土构件表面相耦合。
C.1.5 激振设备可采用钢球型冲击器或电磁激振的圆柱型冲击器,且应符合下列规定:a)定性检测时,优先采用电磁激振的圆柱型冲击器,其次采用钢球型冲击器配备激振锥进行激振检测;b)定位检测时,应根据被测构件厚度按表C.1规定选择钢球型冲击器进行激振检测。
后张法预应力结构孔道压浆技术指南目次1 范围 (1)2 规范性引用文件 (1)3 术语和定义 (1)4 技术要求 (2)4.1原材料 (2)4.2施工设备 (4)4.3浆体性能 (4)5 配合比设计 (5)5.1设计原则 (5)5.2设计准备 (5)5.3试验室设计 (5)5.4生产配合比验证 (6)5.5试生产 (6)6 试验方法 (7)7 施工工艺 (8)7.1施工准备 (8)7.2制浆 (8)7.3抽真空 (8)7.4压浆 (8)7.5工作温度 (9)7.6质量检查 (9)8 规范性附录 (10)附录A1高速制浆试验机 (10)附录A2流动度试验 (11)附录A3沉积率试验 (12)附录A4自由膨胀率试验 (13)附录A5压力泌水试验 (14)附录A6V管注浆充盈度试验 (15)附录B1斜管压浆充盈度试验 (16)附录C1高速制浆、压浆站 (17)附录C2预应力孔道压浆施工记录表 (18)1 范围本标准规定了后张法预应力结构孔道压浆的材料检验规则、浆体性能、配合比设计、试验方法、施工工艺等要求。
本标准适用于桥梁结构、岩体滑坡加固等后张法预应力结构孔道压浆使用。
2 规范性引用文件下列文件中的条款通过本标准的引用而成为本标准的条款。
凡是注日期的引用文件,其随后所有的修改单(不包括勘误的内容)或修订版均不适用于本标准,然而,鼓励根据本标准达成协议的各方研究是否可使用这些文件的最新版本。
凡是不注日期的引用文件,其最新的版本适用于本标准。
GB 175-2007 通用硅酸盐水泥GB 176-1996 水泥化学分析方法GB/T 1346-2001 水泥标准稠度用水量、凝结时间、安定性检验方法GB 12573-1990 水泥取样方法GB/T 17671-1999 水泥胶砂强度检验方法(ISO法)JGJ 63-1989 混凝土拌和用水标准JTG E41-2010 公路桥涵施工技术规范CCES 01-2004 混凝土结构耐久性设计与施工指南3 术语和定义下列术语和定义适用于本标准。