常用密度表
- 格式:docx
- 大小:22.10 KB
- 文档页数:8
钢筋Φ6;kg/m0.222钢筋Φ8;kg/m0.3950钢筋Φ10 kg/m 0.6169钢筋Φ12 kg/m 0.8880钢筋Φ14 kg/m 1.21钢筋Φ16 kg/m 1.5800钢筋Φ18 kg/m 2钢筋Φ20 kg/m 2.4700钢筋Φ22 kg/m 2.98钢筋Φ25 kg/m 3.8500钢筋Φ28 kg/m 4.8300钢筋Φ32 kg/m 6.3100钢筋Φ36 kg/m 7.9900钢筋Φ40 kg/m 9.8700钢筋Φ50 kg/m 15.42低碳钢热轧圆盘条Φ5.5 kg/m;0.187 低碳钢热轧圆盘条Φ6.0 kg/m;0.222 低碳钢热轧圆盘条Φ6.5 kg/m;0.2600 低碳钢热轧圆盘条Φ7.0 kg/m;0.3019 低碳钢热轧圆盘条Φ7.5 kg/m;0.3469 低碳钢热轧圆盘条Φ8.0 kg/m;0.3950 低碳钢热轧圆盘条Φ8.5 kg/m;0.4450 低碳钢热轧圆盘条Φ9.0 kg/m;0.499 钢板密度为:7.85g/cm^3或7.85*10^3Kg/m^3常用材料密度表石灰岩密度 g/cm3 2.60 花岗岩密度 &n bsp;g/cm3 2.60~2.80(石灰岩)碎石密度 g/cm3 2.60砂密度g/cm3 2.60粘土密度 g/cm3 2.60普通粘土砖密度 g/cm3 2.50~2.80 粘土空心砖密度 g/cm3 2.50水泥密度 g/cm3 3.10普通混凝土密度 g/cm3 2.60轻骨料混凝土密度 g/cm3 2.60石灰岩容重 kg/m3 1000~2600花岗岩容重 kg/m3 2500~2700(石灰岩)碎石容重 kg/m3 1400~1700砂容重kg/m3 1450~1650粘土容重 kg/m3 1600~1800普通粘土砖容重 kg/m3 1600~1800粘土空心砖容重 kg/m3 1000~1400水泥容重 kg/m3 1200~1300普通混凝土容重 kg/m3 2100~2600轻骨料混凝土容重 kg/m3 800~1900常用钢丝钢丝 0.05 kg/km 0.016钢丝 0.055 kg/km 0.019钢丝 0.063 kg/km 0.024钢丝 0.07 kg/km 0.03钢丝 0.08 kg/km 0.039钢丝 0.09 kg/km 0.05钢丝 0.1;kg/km 0.062钢丝 0.11 kg/km 0.075钢丝 0.12 kg/km 0.089钢丝 0.14 kg/km 0.121钢丝 0.16 kg/km 0.158钢丝 0.18 kg/km 0.199钢丝 0.2;kg/km 0.246钢丝 0.22 kg/km 0.298钢丝 0.25 kg/km 0.385钢丝 0.28 kg/km 0.484钢丝 0.30* kg/km 0.555钢丝 0.32 kg/km 0.631钢丝 0.35 kg/km 0.754钢丝 0.4;kg/km 0.989钢丝 0.45 kg/km 1.248钢丝 0.5;kg/km 1.539钢丝 0.55 kg/km 1.868预应力混凝土用钢绞线名称型号单位数值预应力混凝土用钢绞线(1×2) 10 kg/km 310 预应力混凝土用钢绞线(1×2) 12 kg/km 447 预应力混凝土用钢绞线(1×3) 10.8 kg/km 465 预应力混凝土用钢绞线(1×3) 12.9 kg/km 671预应力混凝土用钢绞线(1×7)标准型 9.5;kg/km 432预应力混凝土用钢绞线(1×7)标准型 11.1 kg/km 580预应力混凝土用钢绞线(1×7)标准型 12.7 kg/km 774预应力混凝土用钢绞线(1×7)标准型 15.2 kg/km 1101预应力混凝土用钢绞线(1×7)摸拔型 12.7 kg/km 890预应力混凝土用钢绞线(1×7)摸拔型 15.2 kg/km 1295注: 1.表中的理论重量是按密度为7.85g/cm3 计算的,对特殊合金钢丝,在计算理论重量时应采用相应牌号的密度。
一张完整的密度表满意答案常用物质密度表(1g/cm3=1000kg/m3=1吨/立方米)材料名称密度(g/cm3) 材料名称密度(g/cm3)水 1.00 玻璃 2.60冰 0.92 铅 11.40银 10.50 酒精 0.79水银(汞) 13.60 汽油 0.75灰口铸铁 6.60-7.40 软木 0.25白口铸铁 7.40-7.70 锌 7.10可锻铸铁 7.20-7.40 纯铜材 8.90铜 8.90 59、62、65、68黄铜 8.50铁 7.86 80、85、90黄铜 8.70铸钢 7.80 96黄铜 8.80工业纯铁 7.87 59-1、63-3铅黄铜 8.50普通碳素钢 7.85 74-3铅黄铜 8.70优质碳素钢 7.85 90-1锡黄铜 8.80碳素工具钢 7.85 70-1锡黄铜 8.54易切钢 7.85 60-1和62-1锡黄铜 8.50锰钢 7.81 77-2 铝黄铜 8.6015CrA铬钢 7.74 67-2.5、66-6-3-2、60-1-1铝黄铜 8.5020Cr、30Cr、40Cr铬钢 7.82 镍黄铜 8.5038CrA铬钢 7.80 锰黄铜 8.50铬、钒、镍、钼、锰、硅钢 7.85 7-0.2、6.5-0.4、6.5-0.1、4-3锡青铜 8.80 纯铝 2.70 5-5-5铸锡青铜 8.80铬镍钨钢 7.80 3-12-5铸锡青铜 8.69铬钼铝钢 7.65 铸镁 1.80含钨9高速工具钢 8.30 工业纯钛(TA1、TA2、TA3) 4.50含钨18高速工具钢 8.70 超硬铝 2.850.5镉青铜 8.90 LT1特殊铝 2.750.5铬青铜 8.90 工业纯镁 1.7419-2铝青铜 7.60 6-6-3铸锡青铜 8.829-4、10-3-1.5铝青铜 7.50 硅黄铜、镍黄铜、铁黄铜 8.5010-4-4铝青铜 7.46 纯镍、阳极镍、电真空镍 8.85高强度合金钢 ` 7.82 镍铜、镍镁、镍硅合金 8.85轴承钢 7.81 镍铬合金 8.727铝青铜 7.80 锌锭(Zn0.1、Zn1、Zn2、Zn3) 7.15铍青铜 8.30 铸锌 6.863-1硅青铜 8.47 4-1铸造锌铝合金 6.901-3硅青铜 8.60 4-0.5铸造锌铝合金 6.751铍青铜 8.80 铅和铅锑合金 11.371.5锰青铜 8.80 铅阳极板 11.335锰青铜 8.60 4-4-2.5 锡青铜 8.75金 19.30 5铝青铜 8.204-0.3、4-4-4锡青铜 8.90 变形镁 MB1 1.76不锈钢 0Cr13、1Cr13、2Cr13、3Cr13、4Cr13 、Cr17Ni2、Cr18、9Cr18、Cr25、Cr28 7.75 MB2、MB8 1.78Cr14、Cr17 7.70 MB3 1.790Cr18Ni9、1Cr18Ni9、1Cr18Ni9Ti、2Cr18Ni9 7.85 MB5、MB6、MB7、MB15 1.80 1Cr18Ni11Si4A1Ti 7.52 锻铝 LD8 2.77不锈钢 1Crl8NillNb、Cr23Ni18 7.90 LD7、LD9、LD10 2.802Cr13Ni4Mn9 8.50 钛合金 TA4、TA5、TC6 4.453Cr13Ni7Si2 8.00 TA6 4.40白铜 B5、B19、B30、BMn40-1.5 8.90 TA7、TC5 4.46BMn3-12 8.40 TA8 4.56BZN15-20 8.60 TB1、TB2 4.89BA16-1.5 8.70 TC1、TC2 4.55BA113-3 8.50 TC3、TC4 4.43锻铝 LD2、LD30 2.70 TC7 4.40LD4 2.65 TC8 4.48LD5 2.75 TC9 4.52防锈铝 LF2、LF43 2.68 TC10 4.53LF3 2.67硬铝 LY1、LY2、LY4、LY6 2.76LF5、LF10、LF11 2.65 LY3 2.73LF6 2.64 LY7、LY8、LY10、LY11、LY14 2.80LF21 2.73 LY9、LY12 2.78LY16、LY17 2.84气体的密度(单位:103千克/米3)氢气0. 00009氦气0. 00018氖气0. 00090氮气0. 00125氧气0. 00143氟气0. 001696氩气0. 00178 臭氧(O3)0. 00214氨气0. 00077氙气0. 00589氡气0. 00973煤气0. 00060 一氧化碳0. 00125 氯气0. 00321溴0. 00714 空气0. 00129 氯化氢0. 00164甲烷0. 00078 氧化氮0. 00134 硫化氢0. 00154乙炔0. 00117 乙烷0. 00136二氧化碳0. 00198。
常用物质密度表常用物质密度表(1g/cm3=1000kg/m3=1吨/立方米)材料名称密度(g/cm3) 材料名称密度(g/cm3)水 1.00 玻璃2.60冰0.92 铅11.40银10.50 酒精0.79水银(汞) 13.60 汽油0.75灰口铸铁 6.60-7.40 软木0.25白口铸铁7.40-7.70 锌7.10可锻铸铁7.20-7.40 纯铜材8.90铜8.90 59、62、65、68黄铜8.50铁7.86 80、85、90黄铜8.70铸钢7.80 96黄铜8.80工业纯铁7.87 59-1、63-3铅黄铜8.50普通碳素钢7.85 74-3铅黄铜8.70优质碳素钢7.85 90-1锡黄铜8.80碳素工具钢7.85 70-1锡黄铜8.54易切钢7.85 60-1和62-1锡黄铜8.50锰钢7.81 77-2 铝黄铜8.6015CrA铬钢7.74 67-2.5、66-6-3-2、60-1-1铝黄铜8.5020Cr、30Cr、40Cr铬钢7.82 镍黄铜8.5038CrA铬钢7.80 锰黄铜8.50铬、钒、镍、钼、锰、硅钢7.85 7-0.2、6.5-0.4、6.5-0.1、4-3锡青铜8.80 纯铝 2.70 5-5-5铸锡青铜8.80铬镍钨钢7.80 3-12-5铸锡青铜8.69铬钼铝钢7.65 铸镁1.80含钨9高速工具钢8.30 工业纯钛(TA1、TA2、TA3) 4.50含钨18高速工具钢8.70 超硬铝 2.850.5镉青铜8.90 LT1特殊铝2.750.5铬青铜8.90 工业纯镁1.7419-2铝青铜7.60 6-6-3铸锡青铜8.829-4、10-3-1.5铝青铜7.50 硅黄铜、镍黄铜、铁黄铜8.5010-4-4铝青铜7.46 纯镍、阳极镍、电真空镍8.85高强度合金钢` 7.82 镍铜、镍镁、镍硅合金8.85轴承钢7.81 镍铬合金8.727铝青铜7.80 锌锭(Zn0.1、Zn1、Zn2、Zn3)7.15铍青铜8.30 铸锌6.863-1硅青铜8.47 4-1铸造锌铝合金6.901-3硅青铜8.60 4-0.5铸造锌铝合金6.751铍青铜8.80 铅和铅锑合金11.371.5锰青铜8.80 铅阳极板11.335锰青铜8.60 4-4-2.5 锡青铜8.75金19.30 5铝青铜8.204-0.3、4-4-4锡青铜8.90 变形镁MB1 1.76不锈钢0Cr13、1Cr13、2Cr13、3Cr13、4Cr13 、Cr17Ni2、Cr18、9Cr18、Cr25、Cr28 7.75 MB2、M B8 1.78Cr14、Cr17 7.70 MB3 1.790Cr18Ni9、1Cr18Ni9、1Cr18Ni9Ti、2Cr18Ni9 7.85 MB5、MB6、MB7、MB15 1.801Cr18Ni11Si4A1Ti 7.52 锻铝LD8 2.77不锈钢1Crl8NillNb、Cr23Ni18 7.90 LD7、LD9、LD10 2.802Cr13Ni4Mn9 8.50 钛合金TA4、TA5、TC6 4.453Cr13Ni7Si2 8.00 TA6 4.40白铜B5、B19、B30、BMn40-1.5 8.90 TA7、TC5 4.46BMn3-12 8.40 TA8 4.56BZN15-20 8.60 TB1、TB2 4.89BA16-1.5 8.70 TC1、TC2 4.55BA113-3 8.50 TC3、TC4 4.43锻铝LD2、LD30 2.70 TC7 4.40LD4 2.65 TC8 4.48LD5 2.75 TC9 4.52防锈铝LF2、LF43 2.68 TC10 4.53LF3 2.67硬铝LY1、LY2、LY4、LY6 2.76LF5、LF10、LF11 2.65 LY3 2.73LF6 2.64 LY7、LY8、LY10、LY11、LY14 2.80LF21 2.73 LY9、LY12 2.78LY16、LY17 2.84气体的密度(单位:103千克/米3)氢气0. 00009氦气0. 00018氖气0. 00090氮气0. 00125氧气0. 00143氟气0. 001696氩气0. 00178臭氧(O3)0. 00214氨气0. 00077氙气0. 00589氡气0. 00973煤气0. 00060 一氧化碳0. 00125 氯气0. 00321溴0. 00714 空气0. 00129 氯化氢0. 00164甲烷0. 00078 氧化氮0. 00134 硫化氢0. 00154乙炔0. 00117 乙烷0. 00136 二氧化碳0. 00198。
常用物质密度表(1g/cm3=1000kg/m3=1吨/立方米)材料名称密度(g/cm3) 材料名称密度(g/cm3)水 1.00 玻璃2.60冰0.92 铅11.40银10.50 酒精0.79水银(汞) 13.60 汽油0.75灰口铸铁6.60-7.40 软木0.25白口铸铁7.40-7.70 锌7.10可锻铸铁7.20-7.40 纯铜材8.90铜8.90 59、62、65、68黄铜8.50铁7.86 80、85、90黄铜8.70铸钢7.80 96黄铜8.80工业纯铁7.87 59-1、63-3铅黄铜8.50普通碳素钢7.85 74-3铅黄铜8.70优质碳素钢7.85 90-1锡黄铜8.80碳素工具钢7.85 70-1锡黄铜8.54易切钢7.85 60-1和62-1锡黄铜8.50锰钢7.81 77-2 铝黄铜8.6015CrA铬钢7.74 67-2.5、66-6-3-2、60-1-1铝黄铜8.5020Cr、30Cr、40Cr铬钢7.82 镍黄铜8.5038CrA铬钢7.80 锰黄铜8.50铬、钒、镍、钼、锰、硅钢7.85 7-0.2、6.5-0.4、6.5-0.1、4-3锡青铜8.80纯铝2.70 5-5-5铸锡青铜8.80铬镍钨钢7.80 3-12-5铸锡青铜8.69铬钼铝钢7.65 铸镁 1.80含钨9高速工具钢8.30 工业纯钛(TA1、TA2、TA3) 4.50含钨18高速工具钢8.70 超硬铝 2.850.5镉青铜8.90 LT1特殊铝2.750.5铬青铜8.90 工业纯镁1.7419-2铝青铜7.60 6-6-3铸锡青铜8.829-4、10-3-1.5铝青铜7.50 硅黄铜、镍黄铜、铁黄铜8.5010-4-4铝青铜7.46 纯镍、阳极镍、电真空镍8.85高强度合金钢` 7.82 镍铜、镍镁、镍硅合金8.85轴承钢7.81 镍铬合金8.727铝青铜7.80 锌锭(Zn0.1、Zn1、Zn2、Zn3)7.15铍青铜8.30 铸锌 6.863-1硅青铜8.47 4-1铸造锌铝合金6.901-3硅青铜8.60 4-0.5铸造锌铝合金6.751铍青铜8.80 铅和铅锑合金11.371.5锰青铜8.80 铅阳极板11.335锰青铜8.60 4-4-2.5 锡青铜8.75金19.30 5铝青铜8.204-0.3、4-4-4锡青铜8.90 变形镁MB1 1.76不锈钢0Cr13、1Cr13、2Cr13、3Cr13、4Cr13 、Cr17Ni2、Cr18、9Cr18、Cr25、Cr28 7.75 MB2、MB8 1.78Cr14、Cr17 7.70 MB3 1.790Cr18Ni9、1Cr18Ni9、1Cr18Ni9Ti、2Cr18Ni9 7.85 MB5、MB6、MB7、MB15 1.801Cr18Ni11Si4A1Ti 7.52 锻铝LD8 2.77不锈钢1Crl8NillNb、Cr23Ni18 7.90 LD7、LD9、LD10 2.802Cr13Ni4Mn9 8.50 钛合金TA4、TA5、TC6 4.453Cr13Ni7Si2 8.00 TA6 4.40白铜B5、B19、B30、BMn40-1.5 8.90 TA7、TC5 4.46BMn3-12 8.40 TA8 4.56BZN15-20 8.60 TB1、TB2 4.89BA16-1.5 8.70 TC1、TC2 4.55BA113-3 8.50 TC3、TC4 4.43锻铝LD2、LD30 2.70 TC7 4.40LD4 2.65 TC8 4.48LD5 2.75 TC9 4.52防锈铝LF2、LF43 2.68 TC10 4.53LF3 2.67 硬铝LY1、LY2、LY4、LY6 2.76LF5、LF10、LF11 2.65 LY3 2.73LF6 2.64 LY7、LY8、LY10、LY11、LY14 2.80LF21 2.73 LY9、LY12 2.78LY16、LY17 2.84铬钒、铬镍、铬镍钼、铬锰、硅、铬锰硅镍、硅锰、硅铬钢7.85 67-2.5、66-6-3-2、60-1-1铝黄铜8.5镍黄铜8.5铬镍钨钢7.80 锰黄铜8.5铬钼铝钢7.65 硅黄铜、镍黄铜、铁黄铜8.5含钨9高速工具钢8.3 5-5-5铸锡青铜8.8含钨18高速工具钢8.7 3-12-5铸锡青铜8.69高强度合金钢7.82 6-6-3铸锡青铜8.82轴承钢7.81 7-0.2、6.5-0.4、6.5-0.1、4-3锡青铜8.8不锈钢0Cr13、1Cr13、2Cr13、3Cr13、4Cr13、Cr17Ni2、Cr18、9Cr18、Cr25、Cr28 7.75 4-0.3、4-4-4锡青铜8.9Cr14、Cr17 7.7 4-4-2.5锡青铜8.750Cr18Ni9、1Cr18Ni9、Cr18Ni9Ti、2Cr18Ni9 7.85 5铝青铜8.21Cr18Ni11Si4A1Ti 7.52 锻铝LD8 2.777铝青铜7.8 LD7、LD9、LD10 2.819-2铝青铜7.6 超硬铝9-4、10-3-1.5铝青铜7.5 LT1特殊铝2.75 10-4-4铝青铜7.46 工业纯镁1.74铍青铜8.3 变形镁MB1 1.763-1硅青铜8.47 MB2、MB8 1.781-3硅青铜8.6 MB3 1.791铍青铜8.8 MB5、MB6、MB7、MB15 1.80.5镉青铜8.9 铸镁1.80.5铬青铜8.9 工业纯钛(TA1、TA2、TA3)4.51.5锰青铜8.8 钛合金TA4、TA5、TC6 4.455锰青铜8.6 TA6 4.4白铜B5、B19、B30、BMn40-1.5 8.9 TA7、TC5 4.46BMn3-12 8.4 TA8 4.56BZN15-20 8.6 TB1、TB2 4.89 2.85纯铝2.7 TC7 4.4防锈铝LF2、LF43 2.68 TC8 4.48LF3 2.67 TC9 4.52LF5、LF10、LF11 2.65 TC10 4.53LF6 2.64 纯镍、阳极镍、电真空镍8.85LF21 2.73 镍铜、镍镁、镍硅合金8.85硬铝LY1、LY2、LY4、LY6 2.76 镍铬合金8.72LY3 2.73 锌锭(Zn0.1、Zn1、Zn2、Zn3)7.15LY7、LY8、LY10、LY11、LY14 2.8 铸锌6.86LY9、LY12 2.78 4-1铸造锌铝合金6.9LY16、LY17 2.84 4-0.5铸造锌铝合金6.75锻铝LD2、LD30 2.7 铅和铅锑合金11.37LD4 2.65 铅阳极板11.33灰口铸铁 6.6~7.4 不锈钢1Crl8NillNb、Cr23Ni18 7.9白口铸铁7.4~7.7 2Cr13Ni4Mn9 8.5可锻铸铁7.2~7.4 3Cr13Ni7Si2 8.0铸钢7.8 纯铜材8.9工业纯铁7.87 59、62、65、68黄铜8.5普通碳素钢7.85 80、85、90黄铜8.7优质碳素钢7.85 96黄铜8.8碳素工具钢7.85 59-1、63-3铅黄铜8.5易切钢7.85 74-3铅黄铜8.7锰钢7.81 90-1锡黄铜8.815CrA铬钢7.74 70-1锡黄铜8.5420Cr、30Cr、40Cr铬钢7.82 60-1和62-1锡黄铜8.538CrA铬钢7.80 77-2铝黄铜8.6。
密度单位的换算
周肇威
3”,这是绝大多数同学都能够掌握的,但是要换算单位,不少同学却感
78×103千克/米3=克/厘米。
这个问题可以利用单位换算中的基本方法来解决,那就是
1千克=103克;分母中的单位变小多少倍,换算后的数值要变1米3=106厘米3,因此,7.8×10千克/米3=7.8×103×(103/106)克/厘米3=7.8克/厘米3;根据这种换算方法;分析一下可以得出密度的单位有一个规
3”,“千克/分米3”和“吨/米3”来做单位时,它们的数值是相同的。
例如,铁的密度,按照这个规律可知:ρ水=7.8克/厘米3=7.8千克/分米3=7.8吨/米3。
这个“7.8”就是课本上密度表中铁的密度值去掉103得到的。
记住这个规律,不但给密度单位的换算带来很大的方便,而且使一些涉及密度计算的问题变得简单。
例如用这种方法来记算水的质量,就是1厘米3(毫升)水的质量是1克,1分米3(升)水的质量是1千克,1米3水的质量是1吨。
常用材料一般密度表名称密度(kg/m3) 说明1.土、砂、砂砾、石1350 干,松,e=1.01600 干,φ=40°,压实1800 湿,φ=35°,压实黏土2000 很湿,φ=20°,压实腐殖土1500~1600 干,φ=40°;湿,φ=35°;很湿,φ=251220 干,松1600 干,φ=35°,压实1800 湿,φ=35°,压实砂土2000 很湿,φ=25°,压实黄土1250黏土夹卵石1700~1800 干,松1500~1700 干,松1600~1920 干,压实砂夹卵石1890~1920 湿1400 干,细砂砂1700 干,粗砂1600~1800 干卵石1400~1500 堆置石屑1600花岗岩片石1540 堆置石灰岩片石1520 堆置页岩片石1480 堆置白云岩片石1600 堆置石粉1600矿渣1000~1200续上表名称密度(kg/m3)说明炉渣850花岗岩、大理石2800石灰石2640玄武岩2940长石25502.石灰、水泥、灰土与混凝土生石灰块1100 堆置,φ=30°生石灰粉1200 堆置,φ=35°熟石灰膏1350石膏粉9001000 压实石棉400 松灰土1750 石灰:土=3:7 石灰三合土1750 石灰、砂、卵石1250 轻质,松散,φ=20°1450 散装,φ=30°水泥1600 袋装压实,φ=40°矿渣水泥1450普通硅酸盐水泥1200~1300 松散火山灰质水泥850~11502300 不振捣素混凝土2400 振捣加气混凝土550~750泡沫混凝土400~600矿渣混凝土2000钢筋混凝土2500~2600粉煤灰陶粒混凝土19503.金属铸铁7250钢材7850低碳钢7850 含碳0.1%中碳钢7820 含碳0.4%高碳钢7810 含碳1%高钨钢8300 含钨9%不锈钢7750 含铬13%4.沥青石油沥青1000~1100煤沥青1200~1340乳化沥青980~1050煤焦油1000 桶装。
固体(单位:kg/m)锇22.59x 10 [1] 铱22.56x 10钳21.45x10鸨19.35x10[金~!19.32x10铅11.3437x 10 银10.5020x 10黄铜紫铜8.5-8.8x10 8.93x10钢铁7.9x10灰铸铁白铸铁6.6-7.4x107.4-7.7x10 _____________ |铝 2.7x10压铸铝合金 2.66x10挤压成型铝合金________________2.73x10大理石(2.6〜2.8)x10 q 1-1_1 化区石(2.6〜2.8)x10 玻璃(2.4〜2.8)x10 砖(1.4〜2.2)x10 混凝土(2.2〜2.5)x10 冰0.9x10石蜡0.9x10干松木0.5x10密度表液体(单位:kg/m)汞13.546x 10 [1] 硫酸 1.8x10海水 1.03x10纯水 1.0x10柴油0.85x10煤油0.8x10酒精0.8x10汽油0.71x10密度表气体(单位:kg/m)氯 3.214 [1]二氧化碳 1.98氩 1.784氧 1.3318空气 1.29氮 1.2506一氧化碳 1.25水蒸气(100℃)0.6氦0.17847氢0.08987密度表金属材料材料名称密度也/cm)灰口铸铁 6.6〜7.4 白口铸铁7.4〜7.7 可锻铸铁7.2〜7.4 铸钢7.8工业纯铁7.87普通碳素钢7.85优质碳素钢7.85碳素工具钢7.85易切钢7.85镒钢7.8115CrA铬钢7.7420Cr、30Cr、40Cr 铬钢7.8238CrA铬钢7.8铬钒、铬镍、铬镍钼、铬镒、7.85硅、铬镒硅镍、硅镒、硅铬钢铬镍鸨钢7.8 铬钼铝钢7.65含鸨9高速工具钢8.3 含鸨18高速工具钢8.7 高强度合金钢、7.82 轴承钢7.810Cr13、1Cr13、2Cr13、3Cr13、 4Cr13、 Cr17Ni2、Cr18、 9Cr18、 Cr25、 Cr287.75Cr14、 Cr17 7.7 不锈钢0Cr18Ni9 、 1Cr18Ni9 、1Cr18Ni9TL2Cr18Ni9 7.851Cr18Ni11Si4A1Ti 7.52 7铝青铜7.8 19-2铝青铜7.6 9-4、10-3-1.5铝青铜7.5 10-4-4铝青铜7.46 被青铜8.3 3-1硅青铜8.47 1-3硅青铜8.6 1被青铜8.8 0.5镉青铜8.90.5铬青铜8.91.5镒青铜8.8 5镒青铜8.6B5、B19、B30、BMn40-1.5 8.9BMn3-12 8.4 白铜BZN15-20 8.6BA16-1.5 8.7BA113-38.5纯铝 2.702LF2、LF43 2.68LF3 2.67防锈铝LF5、LF10、LF11 2.65LF6 2.64LF21 2.73LY1、LY2、LY4、LY6 2.76LY3 2.73硬铝LY7、LY8、LY10、LY11、LY14 2.8LY9、LY12 2.78LY16、LY17 2.84LD2、LD30 2.7锻铝LD4 2.65LD5 2.751Crl8NillNb、Cr23Ni187.9不锈钢2Cr13Ni4Mn98.53Cr13Ni7Si28纯铜材8.93 59、62、65,、68黄铜8.5 80、85、90黄铜8.7 96黄铜8.8 59-1、63-3铅黄铜8.5 74-3铅黄铜8.7 90-1锡黄铜8.8 70-1锡黄铜8.54 60-1和62-1锡黄铜8.5 77-2铝黄铜8.6 67-2.5、66-6-3-2、60-1-1 铝黄铜8.5银黄铜8.5镒黄铜8.5硅黄铜、银黄铜、铁黄铜5-5-5铸锡青铜3-12-5铸锡青铜6-6-3铸锡青铜7-0.2、6.5-0.4、6.5-0.1、4-3 锡青铜4-0.3、4-4-4 锡青铜4-4-2.5锡青铜8.5 8.8 8.69 8.82 8.88.9 8.755铝青铜锻LD8[铝LD7、LD9、LD10超硬铝LT1特殊铝工业纯镁MB1变形镁MB2、MB8MB3MB5、MB6、MB7、MB15铸镁工业纯钛(TA1、TA2、TA3)TA4、TA5、TC6TA6TA7、TC5钛合金TA8TB1、TB2TC1、TC2TC3、TC48.2 2.77 2.8 2.85 2.75 1.74 1.76 1.78 1.79 1.8 1.738 4.507 4.45 4.4 4.46 4.56 4.89 4.55 4.43TC7 4.4TC8 4.48TC9 4.52TC10 4.53纯镍、阳极镍、电真空镍8.902 镍铜、镍镁、镍硅合金8.85镍铬合金8.72锌锭(Zn0.1、Zn1、Zn2、Zn3) 7.15铸锌 6.864-1铸造锌铝合金 6.94-0.5铸造锌铝合金 6.75铅和铅锑合金11.37 铅阳极板11.33 密度表常用材料密度编辑(g/cm3 )灰铸铁(<HT200) 7.2 灰铸铁OHT250) 7.35 白口铸铁7.4〜7.7 可锻铸铁7.2〜7.4 工业纯铁7.87 铸钢7.8 钢材7.85低碳钢含碳0.1%) 7.85 中碳钢含碳0.4%) 7.82 高碳钢含碳1%) 7.81 高速钢含钨9%) 8.3 高速钢含钨18%) 8.7 不锈钢(1Cr18Ni9) 7.93 不锈钢(1Cr13) 7.75 不锈钢(1Cr17) 7.70 纯铜紫铜)8.93 纯镍,NSiO 198.902 工业纯铝2.702 锌板,锌阳极板7.133 锌铜合金7.2 铅板 11.3437 铅箔11.37锡 7.168锇 22.59铱 22.56铂 21.45金 19.32鸨 19.35钽 16.6汞 13.546钍 11.72银 10.5020钼 10.22铋 9.808 [1]钻 8.832镉 8.642铌 8.57镒 7.47铬 7.19铈 6.6893锑 6.697锆 4.574碲 6.237钒 5.87钛 4.507钡 3.512铍 1.8520镁 1.738钙 1.55钠 0.9674钾 0.862础 5.727硒 4.809硼 2.3420 [1]硅 2.33华山松0.455 红松0.440 马尾松0.533 云南松0.588 红皮云杉0.417 兴安落叶松0.625 长白落叶松0.594 四川红杉0.452 臭冷杉0.384 铁杉0.500 杉木0.376 柏木0.600水曲柳0.686大叶榆(榆木)0.584 白桦0.607楠木0.610柞栋(柞木)0.766软木0.1~0.4香樟0,580 泡桐0.283 胶合板0.56 刨花板0.40竹材0.9木炭0.3~0.5石墨 1.9~2.1石膏(生)2.3~2.4生石灰1.1 熟石灰1.2水泥1.2碎石 1.32~2.0粗砂(干)1.4~1.95 细砂(干)1.4~1.65 混凝土1.8~2.45泡沫混凝土0.4~0.6 普通粘土砖1.7粘土耐火砖2.10硅质耐火砖1.8~1.9 镁质耐火砖2.6 镁络质耐火砖2.8 高铝质耐火砖2.3~2.75 大理石2.6〜2.7 花岗石2.6~3.0 石灰石2.6~2.8 石板石2.7〜2.9砂岩 2.2~2.5石英 2.5~2.8天然浮石0.4~0.9滑石2.6〜2.8金刚石3.5~3.6金刚砂4.0普通刚玉3.85~3.90 白刚玉3.90 碳化硅3.10铸石 2.8~3.0云母 2.7~3.1地蜡0.9地沥青0.9~1.5石蜡0.9纤维蛇纹石石棉2.2~2.4角闪石石棉3.2〜3.3石棉板1.3~1.4工业用毛毡0.3橡胶石棉板1.5~2.0纯橡胶0.93平胶板1.6~1.8皮革0.4~1.2纤维纸板1.3平板玻璃2.5实验室用器皿玻璃2.45耐高温玻璃2.23石英玻璃2.2陶瓷 2.3~2.45碳化钙(电石)2.2酚醛压塑粉(胶木粉)1.40〜1.50酚醛碎布模塑料1.4脲甲醛压塑粉1.5三聚氰胺甲醛玻璃纤维塑料2.0三聚氰胺甲醛压塑料1.5硬质聚氯乙烯1.45软质聚氯乙烯1.23 聚苯乙烯1.04~1.07高密度聚乙烯0.95低密度聚乙烯0.92聚四氟乙烯2.1~2.3 (铁氟龙)聚丙烯0.90~0.91 尼龙6 1.13尼龙66 1.15尼龙1010 1.04~1.06ABS 树脂1.02~1.08聚砜1.24聚甲醛 1.41~1.43 POM聚碳酸脂1.16~1.19 PC聚酰亚胺1.40~1.50聚芳脂1.25聚对苯二甲酸丁二脂1.45〜1.55 PBT 玻璃钢1.4~2.1 赛璐珞1.35~1.40有机玻璃1.18环氧树脂(无填料)1.2环氧树脂有填料)1.8 泡沫塑料0.2。
常用材料一般密度表名称密度(kg/m3) 说明1.土、砂、砂砾、石1350 干,松,e=1.01600 干,φ=40°,压实1800 湿,φ=35°,压实黏土2000 很湿,φ=20°,压实腐殖土1500~1600 干,φ=40°;湿,φ=35°;很湿,φ=251220 干,松1600 干,φ=35°,压实1800 湿,φ=35°,压实砂土2000 很湿,φ=25°,压实黄土1250黏土夹卵石1700~1800 干,松1500~1700 干,松1600~1920 干,压实砂夹卵石1890~1920 湿1400 干,细砂砂1700 干,粗砂1600~1800 干卵石1400~1500 堆置石屑1600花岗岩片石1540 堆置石灰岩片石1520 堆置页岩片石1480 堆置白云岩片石1600 堆置石粉1600矿渣1000~1200续上表名称密度(kg/m3)说明炉渣850花岗岩、大理石2800石灰石2640玄武岩2940长石25502.石灰、水泥、灰土与混凝土生石灰块1100 堆置,φ=30°生石灰粉1200 堆置,φ=35°熟石灰膏1350石膏粉9001000 压实石棉400 松灰土1750 石灰:土=3:7 石灰三合土1750 石灰、砂、卵石1250 轻质,松散,φ=20°1450 散装,φ=30°水泥1600 袋装压实,φ=40°矿渣水泥1450普通硅酸盐水泥1200~1300 松散火山灰质水泥850~11502300 不振捣素混凝土2400 振捣加气混凝土550~750泡沫混凝土400~600矿渣混凝土2000钢筋混凝土2500~2600粉煤灰陶粒混凝土19503.金属铸铁7250钢材7850低碳钢7850 含碳0.1%中碳钢7820 含碳0.4%高碳钢7810 含碳1%高钨钢8300 含钨9%不锈钢7750 含铬13%4.沥青石油沥青1000~1100煤沥青1200~1340乳化沥青980~1050煤焦油1000 桶装。
常用材料密度表钢筋Φ6 ;kg/m 0.222钢筋Φ8 ;kg/m 0.3950钢筋Φ10 ;kg/m 0.6169钢筋Φ12 ;kg/m 0.8880钢筋Φ14 ;kg/m 1.21钢筋Φ16 ;kg/m 1.5800钢筋Φ18 ;kg/m 2钢筋Φ20 ;kg/m 2.4700钢筋Φ22 ;kg/m 2.98钢筋Φ25 ;kg/m 3.8500钢筋Φ28 ;kg/m 4.8300钢筋Φ32 ;kg/m 6.3100钢筋Φ36 ;kg/m 7.9900钢筋Φ40 ;kg/m 9.8700钢筋Φ50 ;kg/m 15.42低碳钢热轧圆盘条Φ5.5 kg/m ;0.187低碳钢热轧圆盘条Φ6.0 kg/m ;0.222低碳钢热轧圆盘条Φ6.5 kg/m ;0.2600 低碳钢热轧圆盘条Φ7.0 kg/m ;0.3019 低碳钢热轧圆盘条Φ7.5 kg/m ;0.3469 低碳钢热轧圆盘条Φ8.0 kg/m ;0.3950 低碳钢热轧圆盘条Φ8.5 kg/m ;0.4450 低碳钢热轧圆盘条Φ9.0 kg/m ;0.499常用材料密度表石灰岩密度 g/cm3 2.60花岗岩密度 g/cm3 2.60~2.80(石灰岩)碎石密度 g/cm3 2.60砂密度 g/cm3 2.60粘土密度 g/cm3 2.60普通粘土砖密度 g/cm3 2.50~2.80 粘土空心砖密度 g/cm3 2.50水泥密度 g/cm3 3.10普通混凝土密度 g/cm3 2.60轻骨料混凝土密度 g/cm3 2.60石灰岩容重 kg/m3 1000~2600花岗岩容重 kg/m3 2500~2700(石灰岩)碎石容重 kg/m3 1400~1700容重 kg/m3 1450~1650粘土容重 kg/m3 1600~1800普通粘土砖容重 kg/m3 1600~1800 粘土空心砖容重 kg/m3 1000~1400 水泥容重 kg/m3 1200~1300普通混凝土容重 kg/m3 2100~2600 轻骨料混凝土容重 kg/m3 800~1900 常用钢丝钢丝 0.05 kg/km 0.016钢丝 0.055 kg/km 0.019钢丝 0.063 kg/km 0.024钢丝 0.07 kg/km 0.03钢丝 0.08 kg/km 0.039钢丝 0.09 kg/km 0.05钢丝 0.1 ;kg/km 0.062钢丝 0.11 kg/km 0.075钢丝 0.12 kg/km 0.089钢丝 0.14 kg/km 0.121钢丝 0.16 kg/km 0.158钢丝 0.18 kg/km 0.199钢丝 0.2 ;kg/km 0.246钢丝 0.22 kg/km 0.298钢丝 0.25 kg/km 0.385钢丝 0.28 kg/km 0.484钢丝 0.30* kg/km 0.555钢丝 0.32 kg/km 0.631钢丝 0.35 kg/km 0.754钢丝 0.4 ;kg/km 0.989钢丝 0.45 kg/km 1.248钢丝 0.5 ;kg/km 1.539钢丝 0.55 kg/km 1.868预应力混凝土用钢绞线名称型号单位数值预应力混凝土用钢绞线(1×2) 10 kg/km 310预应力混凝土用钢绞线(1×2) 12 kg/km 447预应力混凝土用钢绞线(1×3) 10.8 kg/km 465预应力混凝土用钢绞线(1×3) 12.9 kg/km 671预应力混凝土用钢绞线(1×7)标准型 9.5 ;kg/km 432预应力混凝土用钢绞线(1×7)标准型 11.1 kg/km 580 预应力混凝土用钢绞线(1×7)标准型 12.7 kg/km 774 预应力混凝土用钢绞线(1×7)标准型 15.2 kg/km 1101 预应力混凝土用钢绞线(1×7)摸拔型 12.7 kg/km 890 预应力混凝土用钢绞线(1×7)摸拔型 15.2 kg/km 1295 注: 1.表中的理论重量是按密度为7.85g/cm3 计算的,对特殊合金钢丝,在计算理论重量时应采用相应牌号的密度。
注:该表摘自CAD/CAE/CAM 集成综合门户网一一智造中国
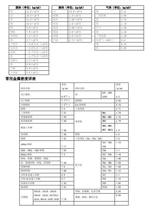
常用金属材料密度表
常用金属材料密度表,包括黑色、有色金属材料及其合金材料的密度材料名称密度
克/厘米3材料名称密度
克/厘米3
灰口铸铁 6.6~7.4 不锈钢1Crl8NillNb 、Cr23Ni18 7.9
白口铸铁7.4~7.7 2Cr13Ni4Mn9 8.5
可锻铸铁7.2~7.4 3Cr13Ni7Si2 8.0
铸钢7.8纯铜材8.9
工业纯铁7.87 59 、62、65、68 黄铜8.5
普通碳素钢7.85 80 、85、90 黄铜8.7
优质碳素钢7.85 96 黄铜8.8
碳素工具钢7.85 59-1 、63-3 铅黄铜8.5
易切钢7.85 74-3 铅黄铜8.7
锰钢7.81 90-1 锡黄铜8.8
15CrA 铬钢7.74 70-1 锡黄铜8.54
20Cr、30Cr、40Cr 铬钢7.82 60-1 和62-1 锡黄铜8.5
38CrA 铬钢7.80 77-2 铝黄铜8.6
铬钒、铬镍、铬镍钼、铬锰、硅、
铬锰硅镍、硅锰、硅铬钢7.85 67-2.5 、66-6-3-2 、60-1-1 铝黄铜8.5 镍黄铜8.5
铬镍钨钢7.80 锰黄铜8.5
铬钼铝钢7.65 硅黄铜、镍黄铜、铁黄铜8.5
含钨9高速工具钢8.3 5-5-5 铸锡青铜8.8
含钨 1 8高速工具钢8.7 3-12-5 铸锡青铜8.69
高强度合金钢7.82 6-6-3 铸锡青铜8.82
轴承钢7.81 7-0.2 、 6.5-0.4 、 6.5-0.1 、4-3 锡青铜8.8
不锈钢
0Cr13、1Cr13、2Cr13、3Cr13、4Cr13、
Cr17Ni2、Cr18、9Cr18、Cr25、Cr28 7.75 4-0.3 、4-4-4 锡青铜8.9 Cr14、Cr17 7.7 4-4-2.5 锡青铜8.75
0Cr18Ni9、1Cr18Ni9、Cr18Ni9Ti、2Cr18Ni9 7.85 5 铝青铜8.2
1Cr18Ni11Si4A1Ti 7.52 锻铝LD8 2.77
7 铝青铜7.8 LD7 、LD9、LD10 2.8
19-2 铝青铜7.6 超硬铝2.85
9-4 、10-3-1.5 铝青铜7.5 LT1 特殊铝2.75
10-4-4 铝青铜7.46 工业纯镁1.74
铍青铜8.3 变形镁MB1 1.76
3-1 硅青铜8.47 MB2 、MB8 1.78
1-3 硅青铜8.6 MB3 1.79
1 铍青铜8.8 MB5 、MB6、MB7、MB15 1.8
0.5 镉青铜8.9 铸镁1.8
0.5 铬青铜8.9 工业纯钛(TA1、TA2、TA3)4.5
1.5 锰青铜8.8 钛合金TA4、TA5、TC6 4.45
5 锰青铜8.
6 TA6 4.4
白铜B5、B19、B30、BMn40-1.5 8.9 TA7 、TC5 4.46
BMn3-12 8.4 TA8 4.56
BZN15-20 8.6 TB1 、TB2 4.89
BA16-1.5 8.7 TC1 、TC2 4.55
BA113-3 8.5 TC3 、TC4 4.43
纯铝 2.7 TC7 4.4
防锈铝LF2、LF43 2.68 TC8 4.48
LF3 2.67 TC9 4.52
LF5、LF10 LF11 2.65 TC10 4.53
LF6 2.64纯镍、阳极镍、电真空镍8.85
LF21 2.73镍铜、镍镁、镍硅合金8.85
硬铝LY1、LY2、LY4 LY6 2.76 镍铬合金8.72
LY3 2.73 锌锭(Zn0.1、Zn 1、Zn2、Zn3) 7.15
LY7、LY8 LY10 LY11、LY14 2.8 铸锌6.86
LY9 LY12 2.78 4-1 铸造锌铝合金6.9
LY16 LY17 2.84 4-0.5 铸造锌铝合金6.75
锻铝LD2、LD30 2.7 铅和铅锑合金11.37
LD4 2.65铅阳极板11.33
LD5 2.75
塑料材料
材料名称密度(10A3kg/m A3)(g/cm A3)
灰铸铁7.0
白口铸铁7.55
可锻铸铁7.3
碳钢7.8-7.85
铸钢7.8
钢材7.85
高速钢8.3-8.7
不锈钢、合金钢1 7.9
钨钴类硬质合金钢14.4-14.9
钨钛钴类质合金钢9.5-12.4
硅钢片7.55-7.8
紫铜8.9
黄铜8.4-8.85
铸造黄铜8.62
锡青铜8.7-8.9
无锡青铜7.5-8.2
8.8 8.8 2.7 2.7 2.7
8.9 8.8 6.3-6.9 6.86
7.2
11.37
7.43
7.19 7.29 19.32 10.5
13.55
1.74
7.55-7.8
7.34-7.75
9.33-10.67 0.376
0.486-0.5
0.588
0.533-0.548
0.61-0.625
0.686 0.766 0.1-0.4
0.56 0.4
0.9
1.9-
2.3
1.8-
2.45 1.7 2.1 1.8-1.9 2.6 2.8
2.2- 2.5 2.6-2.8 2.6-3 1.2
3.1
轧制磷表铜 冷拉青铜 工业用铝 可铸铝合金 铝镍合金 镍 镍铜合金 锌铝合金 铸锌 锌
板 铅板 锰 铬
锡 金 银 汞 镁合金 硅钢片
锡基轴承合金
铅基轴承合金 杉木 铁杉、山 云南松 .柏木 马尾松 .榆木 桦木 .楠木 .水
曲柳 柞栎
(柞木 ) 软木 胶合板 刨
花板 竹材 石墨 混凝土 普
通粘土砖 粘土
耐火砖 硅质耐火砖 镁质耐火
砖 镁质耐火砖 高铬质耐火砖 石灰石 .滑石
花岗石 水泥
碳化硅
4
金钢砂 普通玻璃 陶瓷 工业橡胶 纯橡胶 皮革
2.4-2.7 2.3- 2.45
1.3- 1.8 0.93 0.4 -1.2
聚氯乙烯 聚苯乙
烯 聚乙烯 聚丙烯 聚甲醛 氟塑料 无填料的电木 胶木板 .纤维板 赛璐珞 有机玻璃 泡沫塑料 酚醛层压塑料 尼龙 6 尼龙
66 尼龙 1010 橡胶夹布传动带 胶木石棉带
0.66-0.75
0.78-0.82 0.82 各类机油 0.9-
0.95
水(4 C )
1.0
汽油 煤油 石油
1.35-1.4
1.05-1.07 0.92-0.95 0.9 -0.91 1.41-1.43
2.1 -2.2 1.2 1.3 -1.4 1.35-1.4
1.18 0.2
1.3-1.45
1.13-1.14
1.14-1.15
1.04-1.06
0.8 -1.2 2.0。