建筑施工企业单个项目评分内容和评分标准.doc
- 格式:doc
- 大小:876.96 KB
- 文档页数:17
建筑施工企业单个项目不良行为评分内容和评分标准建筑施工企业单个项目不良行为评分内容和评分标准(房屋实体质量)来源:砀山县住建局发布时间:2014-2-20 9:29:11 阅读:103次建筑施工企业单个项目不良行为评分内容和评分标准(房屋实体质量)序号项目项目分值主要检查内容扣分标准备注1 地基与基础15 土方开挖、回填的顺序、方法与设计工况不一致的扣2分回填土压实度不符合设计要求基础开挖没有考虑对周围建筑物的影响的扣2分地基持力层未按规定检验的扣4分桩身质量检测方法、数量不符合规定要求的扣3分桩身质量有ⅲ、ⅳ桩的发现一根扣2分复合地基无是否有检验报告及是否符合要求 4地下工程防水出现超过设计等级标准的渗漏点发现一点扣1分2 混凝土结构工程15 模板及其支架的承载力、刚度和稳定性; 2 模板及其支架拆除 2 钢筋的品种、级别、规格和数量发生变更时手续不齐全3 钢筋的力学性能不符合要求 3 未按规定使用抗震钢筋 3 钢筋安装时品种、级别、规格和数量不符合设计要求 3 预应力筋力学性能检验预应力筋安装 3 预应力筋断裂或滑脱数量 3 预应力钢筋张拉锚固、外露预应力钢筋的处理、锚具封闭不符合要求3 水泥的品种、级别、出厂日期及强度、安定性等指标不符合要求3 混凝土配合比、设计不符合要求的 3混凝土的施工记录、坍落度检查记录不符合要求 3外加剂及应用技术不符合规定要 2混凝土强度和试件留置不符合规定 3外观质量有严重缺陷扣3分尺寸偏差过大扣3分预制构件性能检验不合格扣3分水泥的品种、级别、出厂日期及强度、安定性不符合要求扣3分3 砌体工程12 砌筑砂浆配合比试配,有机塑化剂等的掺入不符合要求的扣3分砂浆外加剂不符合要求发现一项扣1分砖和砂浆的强度不符合要求扣3分砖砌体临时间断处的位置及处理措施不符合要求扣3分砌体未按设计要求设置构造柱、圈梁等构造措施小砌块的龄期少于28天、承重墙使用断裂砌块、反砌扣3分小砌块和砂浆强度不符合要求扣3分小砌块墙体临时间断处的位置及处理措施不符合要求扣3分蒸压粉煤灰加汽块未使用专用砌筑砂浆或专用抹面砂浆配筋砌体中钢筋的品种、规格、数量不符合要求扣3分配筋砌体中构造柱芯柱、组合砌体构件、配筋砌体剪力墙的砼、砂浆强度扣3分预制构件制作质量、搁置长度有不符合要求的扣3分圈梁、构造柱钢筋的品种、规格、数量有不符合要求的发现一处扣1分,累计不超过2分圈梁、构造柱混凝土出现露筋、蜂窝、孔洞等严重缺陷的发现一处扣1分,累计不超过2分冬期施工所用材料是否符合规定发现一处扣1分,累计不超过2分防水材料性能不符合要求 34 地下防水工程10 防水混凝土性能不符合要求 3变形缝、施工缝、后浇带、沉降加强带等细部构造施工不符合要求,有渗漏3 水泥砂浆防水层粘结不牢固,有空鼓 3塑料板防水层搭接不符合要求,有渗漏 3 喷射混凝土性能不符合要求 3 渗排水、盲沟排水的反滤层砂石性能不符合要求 3 防水、隔热保温材料性能不符合要求 35 屋面工程10 找平层排水坡度不符合要求 3 卷材防水层有渗漏或积水 3 涂膜防水层渗漏或积水 3 密封材料嵌填不符合要求 3 平瓦铺置不符合要求 3 金属板材屋面的板材连接和密封处理不符合要求,有渗漏 3 架空屋面的架空隔热制品质量不符合要求 3 细部构造不符合要求 3 屋面女儿墙、防护栏杆高度不符合设计要求钢材、钢铸件、焊接材料、连接件等性能不符合要求 36 钢结构工程10 钢结构的安装不符合要求 3操作焊工未持证上岗的 3焊缝存在裂纹、焊瘤、焊缝厚度不足、表面气孔等缺陷的 3没有按规定进行焊缝的无损探伤 3未按规定进行高强度螺栓连接摩擦抗滑移系数复验的 3未按规定进行网架结点承载能力实验检查钢网架结构总拼完成后及屋面工程完成后的挠度值 3涂料品种、涂层厚度不符合设计要求的发现一处不符合扣1分没有有效设计施工图就进行节能施工的 37 建筑节能工程 6 材料没有先检验合格就开始现场施工的 3 保温系统型式检验报告不符合要求的 3外墙节能构造现场实体检验、保温板材与基层的粘结强度现场拉拔试验、后置锚固件锚固力现场拉拔试验、建筑设备工程系统节能性能检测等功能性检测有不符合要求的3装饰装修工程设计未经审查批准发现一项扣2分门窗、玻璃幕墙玻璃的传热系数、遮阳系数、可见光透射比、中空玻璃露点质量证明文件和复验报告不符合设计要求;幕墙、外窗现场气密性能检测报告不符合设计要求8 建筑装饰工程12 装饰装修工程设计深度不满足施工要求10主体结构和承重结构改动或增加荷载 5装饰装修材料有害物质含量不符合要求 3装饰装修材料未进行防火、防腐和防虫处理发现一项扣1分未按设计图施工发现一项扣1分施工过程的环保措施不到位发现一起扣2分外墙和顶棚抹灰粘结不牢固 1抹灰超厚未采取加强措施的发现一处扣1分,累计不超过2分主龙骨的设置及端部悬挑不符合要求发现一处扣1分,累计不超过2分门窗安装不牢固发现一处扣1分,累计不超过2分砌体结构上门窗固定方式不符合要求发现一处扣1分,累计不超过2分饰面砖粘贴不牢固发现一处扣1分,累计不超过2分湿作业法施工的石材粘贴未做防碱背涂处理的发现一处扣1分,累计不超过2分涂饰工程表面有起皮、掉粉、透底的发现一处扣1分,累计不超过2分后置埋件设置不符合要求的发现一处扣1分,累计不超过2分后置埋件检测不符合要求的发现一处扣1分,累计不超过2分饰面板安装不牢固发现一处扣1分,累计不超过2分主要受力杆件的截面受力部位的壁厚,幕墙面板材料不符合要求的发现一处扣1分,累计不超过2分防水措施是否符合设计及规范规定发现一处扣1分,累计不超过2分防火处理不符合要求的发现一处扣1分,累计不超过2分防雷处理不符合要求的发现一处扣1分,累计不超过2分中型硅酮结构密封胶性能不符合要求发现一处扣1分,累计不超过2分中型硅酮结构密封胶施工不符合要求 2预埋件留置、处理不符合要求发现一处扣1分,累计不超过2分连接节点及安装不符合要求发现一处扣1分,累计不超过2分护栏安装不符合要求发现一处扣1分,累计不超过2分地下室或地下构筑物穿过外墙管道防水措施不符合要求发现一处扣1分,累计不超过2分9 建筑给排水工程10 未按规定对各类承压管道、设备水压和非承压管道、设备灌水试验发现一处扣1分给水管道的材质和连接方式是否符合要求发现一项扣1分给水管道的支吊架安装平整牢固,间距是否符合要求发现一处扣1分排水管道的伸缩节、阻火圈、检查口是否符合要求发现一处扣1分排水通气管安装位置和高度是否符合, 要求发现一处扣1分地漏及存水弯选型和水封高度是否符合要求发现一项扣1分生活给水系统的管道、设备是否达到饮用水卫生标准发现一处扣1分生活给水系统在交付使用前是否冲洗消毒 2给水管道采用的管材与管件是否相适应 2室内消火栓系统安装完成后在顶层和首层做试射试验 1排水管道隐蔽前是否做灌水试验 1汽、水管道安装坡度是否符合相关要求 1散热器组对后,或整组出厂的散热器在安装前是否做水压试验发现一处扣1分10 建筑采暖工程10 采暖系统安装后,在管道保温前是否进行水压试验 2 采暖系统重新完毕后充水、加热、试运行和调试 2 地面下敷设的盘管埋地部分不应有接头 2给水管道竣工后是否对管道进行冲洗;饮水管道冲洗后是否进行消毒、是否满足饮用水卫生要求发现一处扣1分排水管道的坡度、标高是否满足设计,严禁无坡或倒坡 2室外供热管道冲洗完毕后是否通水、加热进行试运行调试发现1处扣1分锅炉的汽、水系统安装完毕后是否进行水压试验 2锅炉和省煤器安全阀是否按要求进行定压和调整 2锅炉的水位报警、超温超压报警的联锁保护装置是否符合设计要求2锅炉在供炉、煮炉合格后是否进行48小说带负荷连续运行、是否进行安全阀的热状态定压2热交换器是否按工作压力1.5倍做水压试验 2制作防火风管的本体、框架与固定材料、密封垫料必须是不燃材料,其耐火等级是否符合设计要求211 通风与空调工程10 防爆风阀的制作材料是否符合设计要求 2制作防排烟系统柔性短管的材料必须是不燃材料 2风管穿过封闭的防火、防爆的墙体或楼板时是否采取相应的防护措施2风管安装是否符合规范要求发现一处扣1分风管安装,风管的支吊架选型、间距,不符合要求的。
建筑施工操作考核评分标准
一、引言
本文档旨在制定建筑施工操作考核评分标准,以确保施工操作的质量和安全性。
本标准适用于所有建筑施工项目,并提供了一套评分体系来评估施工人员的技能和表现。
二、评分标准
1. 安全操作
- 不符合安全操作规范:0分
- 部分符合安全操作规范:2分
- 完全符合安全操作规范:5分
2. 施工质量
- 施工质量不达标:0分
- 施工质量基本符合要求:3分
- 施工质量符合要求并达到预期效果:5分
3. 工期控制
- 工期延误严重:0分
- 工期延误较少:3分
- 工期按计划完成或提前完成:5分
4. 团队协作
- 缺乏团队合作精神:0分
- 部分团队合作精神:3分
- 高度团队合作并互相支持:5分
5. 沟通能力
- 没有有效沟通能力:0分
- 沟通能力较弱:2分
- 有效沟通并及时反馈信息:5分
三、评分方法
- 评分将根据每个项目的具体情况进行,由评审小组对施工人员在各项考核指标上的表现进行评估,并根据评分标准给予相应分数。
- 总分将根据各项考核指标的权重进行加权求和,得出最终的评分结果。
四、结论
建筑施工操作考核评分标准旨在确保施工操作的质量和安全性。
通过严格评估施工人员的技能和表现,可以及时发现和解决潜在的
问题,提高施工质量和效率。
---
注意:本文档仅为建议性文档,具体的评分标准和方法应根据
实际情况进行调整和制定。
天津市建筑施工企业信用评价指标体系和评分标准(2018年修订版)
(1)企业无不良记录和违规处罚的计20分
(2)企业有以下不良记录的扣分,可出现负
分: 评价标准数据来源数据时效
1)通报批评、警告:-2 分/次;2)经济处罚:-5 分/次;3)停止招投标资格:-10 分/
次; 4)责令停业整顿,降低资质等级:-15 分/
次;
5 )吊销单项资质:-20 分/
次;
6)撤回单项资质:-20 分/
次;
7)暂扣安全生产许可证:-20 分/
次;
8 )清岀建筑市场:-100 分。
(3)本项不设下限,按处罚次数累计扣分,可出现负分,在总得分中扣除。
若同一时间因同种原因
进行多项处罚,按处罚扣最高分计算。
不良记录来源于天
津市、区行政建设主管部门。
上一年度。
第1篇一、项目概述为确保施工项目的顺利进行,提高工程质量,确保施工安全,本项目招标将严格按照以下评分项进行评审。
本评分项共分为五个部分,分别为:企业资质与业绩、技术方案、项目管理、投标报价及售后服务。
二、企业资质与业绩(20分)1. 企业资质(5分)(1)企业具有独立法人资格,持有有效的营业执照。
(2)企业具备有效的安全生产许可证。
(3)企业具备有效的建筑企业资质证书,且资质等级符合招标文件要求。
(4)企业具备良好的财务状况,近三年无不良债务记录。
2. 业绩(15分)(1)企业近三年内承接过类似项目,且项目规模、质量、安全等指标达到招标文件要求。
(5分)(2)企业近三年内承接过类似项目,且项目规模、质量、安全等指标超过招标文件要求。
(5分)(3)企业近三年内承接过类似项目,且项目规模、质量、安全等指标达到或超过行业先进水平。
(5分)三、技术方案(30分)1. 施工组织设计(15分)(1)施工组织设计合理,施工进度、质量、安全等指标符合招标文件要求。
(5分)(2)施工组织设计先进,施工进度、质量、安全等指标达到或超过行业先进水平。
(5分)(3)施工组织设计具有创新性,对提高施工质量和安全有显著作用。
(5分)2. 施工工艺(10分)(1)施工工艺合理,符合国家相关标准和规范。
(5分)(2)施工工艺先进,对提高施工质量和安全有显著作用。
(5分)3. 质量控制措施(5分)(1)质量控制措施完善,对施工质量有显著保障。
(3分)(2)质量控制措施先进,对提高施工质量有显著作用。
(2分)四、项目管理(20分)1. 项目经理(10分)(1)项目经理具备丰富的项目管理经验,且在类似项目中担任过项目经理。
(5分)(2)项目经理具备良好的沟通协调能力和团队管理能力。
(5分)2. 项目团队(10分)(1)项目团队人员配备合理,具备丰富的施工经验。
(5分)(2)项目团队人员具备良好的职业道德和敬业精神。
(5分)五、投标报价(20分)1. 投标报价合理性(10分)(1)投标报价符合招标文件要求,无重大偏差。
施工企业评价等级、内容和评分方法范本评价等级是评价施工企业质量和信誉的重要指标。
一个好的施工企业评价等级是基于客观而全面的考量,可以提供有价值的信息给用户,帮助他们做出明智的选择。
施工企业评价等级的内容主要包括施工质量、工期管理、安全管理、服务态度、合作方评价等方面。
评分方法可以使用定量和定性相结合的方式,以确保综合评价的准确性和公正性。
以下是一个施工企业评价等级范本,重点描述了评价等级的内容和评分方法。
1. 施工质量评价等级:- 优秀(90-100分):施工工艺先进,质量控制严格,项目交付后无质量问题。
- 良好(80-89分):施工工艺较好,质量控制有一定缺陷,项目交付后有少量质量问题,但可以及时解决。
- 合格(70-79分):施工工艺一般,质量控制较为松散,项目交付后有一定数量的质量问题,需要进行整改。
- 不合格(0-69分):施工工艺严重不合理,质量控制混乱,项目交付后质量问题严重,需要重建或大范围整改。
2. 工期管理评价等级:- 提前完成(90-100分):施工期限控制得当,项目交付提前完成。
- 按期完成(80-89分):施工期限基本符合合同约定,项目交付按照计划完成。
- 延期完成(70-79分):施工期限有一定延误,但项目交付仍在合理范围内。
- 严重延期(0-69分):施工期限严重延误,无法按照合同约定时间完成项目交付。
3. 安全管理评价等级:- 无事故(90-100分):施工过程中无安全事故发生。
- 少量事故(80-89分):施工过程中发生个别轻微安全事故,但未造成人员伤亡。
- 一般事故(70-79分):施工过程中发生一些一般性的安全事故,造成轻微人员伤亡。
- 严重事故(0-69分):施工过程中发生严重的安全事故,造成严重人员伤亡或死亡。
4. 服务态度评价等级:- 优秀(90-100分):施工企业服务态度热情、周到,能及时回应客户需求。
- 良好(80-89分):施工企业服务态度较好,能较好地满足客户需求。
附表2-1
建筑施工企业安全生产标准化年周期自评表
(_年_月至_年_月,年周期)
企业名称:资质等级:
安全生产许可证号码:企业法人代表:
注:本表应按《施工企业安全生产评价标准》JGJ/T77要求,把表A-1~5作为本汇总表的附件。
附录A 施工企业安全生产评价表表A-1 安全生产管理评分表
评分员:年月日
表A-2 安全技术管理评分表
评分员:年月日
表A-3 设备和设施管理评分表
评分员:年月日
表A-4企业市场行为评分表
评分员:年月日
表A-5施工现场安全管理评分表
评分员:年月日
附表2-2
厦门市建筑施工安全标准化企业自评汇总表
注:1、本表一式两份:施工企业、考评主体各一份,从“工程项目监管系统”下载。
2、惩戒情况:通报批评、行政处罚等。
3、评定等级为三级:合格、基本合格、不合格。
附表2-3
厦门市建筑施工安全生产标准化
企业考评申请表
申请企业: (盖章)
申请日期:年月日联系人:
联系电话:
厦门市建设局
注:1、本表一式两份:施工企业、项目考评主体各一份,从“工程项目监管系统”下载。
2、惩戒情况:包括限期改正及全面或局部停工整改、通报批评和行政处罚等。
3、提交日期以“工程项目监管系统”确认的时间为准。
建筑施工质量评分标准
1. 引言
该文档旨在为建筑施工质量评分提供标准和指导。
通过明确评分标准,能够确保建筑施工的质量和安全性,提高建筑行业的整体品质水平。
2. 评分标准
建筑施工质量评分标准主要包括以下几个方面:
2.1 工程材料
评分标准::
- 所使用的工程材料符合相关国家标准;
- 材料的质量符合合同约定以及技术规范的要求;
- 材料的尺寸、重量、外观等符合设计要求。
2.2 施工技术
评分标准::
- 施工过程中的操作符合相关法规和规范要求;
- 施工人员具备相关的专业知识和技能;
- 对特殊工艺的施工过程进行把控并符合技术规范。
2.3 施工质量
评分标准::
- 结构工程的水平、垂直度符合设计要求;
- 表面质量达到预期水平,不得有明显的缺陷;
- 施工过程中的支护措施和防水措施符合相关要求。
2.4 安全管理
评分标准::
- 施工过程中遵守相关的安全操作规程;
- 设有合理的安全措施,包括安全防护设施等;
- 安全教育和培训工作得到有效实施。
3. 评分方法
评分根据每个评分标准的要求,通过实地检查、抽样检测等方式进行评估。
每个评分标准按照一定的权重进行综合评分,得出最终的质量评分结果。
4. 结论
建筑施工质量评分标准是保证建筑质量的重要依据之一,只有通过全面、科学的评估方法,才能有效提高建筑施工的质量水平。
希望本标准能够对建筑行业相关从业人员提供指导,并促进建筑质量和安全的持续改进。
以上为建筑施工质量评分标准的简要介绍,具体内容可根据实际情况进行进一步完善和细化。
建筑施工行业部分评分标准(参考)建筑施工企业安全生产主体责任评估行动评估范围:具备建筑施工总承包资质的所有中央在渝和重庆市本地建筑施工企业评估程序:按照“分级负责、属地管理”原则:•区县企业——企业自评申报,乡镇(街道)初审分类,区县(自治县)建委评估确认;•中央在渝和市属企业(集团)企业自查自评,并经上一级企业签署意见后送所在区县(自治县)建委初审分类后,报市级行业主管部门会同市国资委进行现场比对、评估确认;时间安排3月12日前,企业严格按照评级依据开展自评工作,确定自评分数;3月18日前•乡镇(街道)安全监管部门将辖区内区县属建筑施工企业的初审情况报区县城乡建设主管部门•区县城乡建设主管部门将辖区内中央在渝和市属建筑施工企业的初审情况报市建设工程施工安全管理总站3月29日前,区县城乡建设主管部门将评估确认情况进行汇总,填写附表1,并附上确认为A、D级建筑施工企业的所有评级材料一并报市建设工程施工安全管理总站。
评估等级通过对企业安全评级,实施分级监管,强化激励约束。
企业级别评估采用“千分制”,由共性部分“八个方面” 600分和行业特殊要求400分组成,其中:——评估分900分以上(含900分)为A级(优良);——700分以上900分以下的为B级(较好):——700分以下但不存在重大隐患的为C级(一般);——600分以下、存在重大隐患或出现否决项的为D级(较差)。
A、B、C级企业“八个方面”和行业特殊要求每个大项得分必须达到60%以上,否则下降一个等次定级。
公共部分:600分行业部分:400分•推荐至少1 个在建项目供安监、城乡建设主管部门在初审和评估确认阶段抽查;合法的“ 两工地”•对于目前没有在建项目的建筑施工企业,只对其共性部分进行评分(满分600 分),并单列处理评估细则(建筑行业要求)建筑行业400分主要考虑到与施工现场联动评估细则(建筑行业)分两部分安全保障体系建立情况175分行为安全文明施工实体情况225分实体评分标准:•符合25分•基本符合22.5分•不符合0分•261号文“行业特殊要求每个大项得分必须达到60%以上,否则下降一个等次定级”安全保障体系建立情况175分1.建筑企业建立完善各项安全生产规章制度,安全管理台帐资料齐全及时,符合实际。
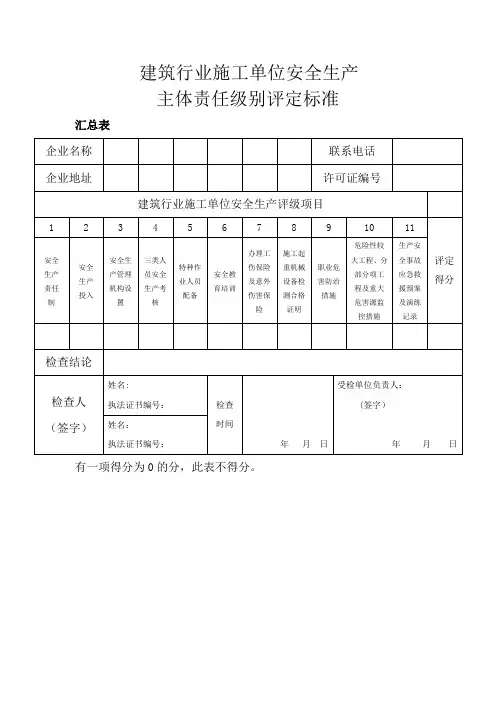
建筑行业施工单位安全生产主体责任级别评定标准汇总表有一项得分为0的分,此表不得分。
有一项得分为0或总分小于60分,此表不得分分表3:安全生产管理机构有一项得分为0或总分小于60分,此表不得分分表4:特种作业人员配备有一项得分为0或总分小于60分,此表不得分分表5:特种作业人员配备有一项得分为0或总分小于60分,此表不得分分表6:安全教育培训有一项得分为0或总分小于60分,此表不得分分表7:办理工伤保险及意外伤害保险有一项得分为0或总分小于60分,此表不得分分表8施工起重机械设备检测合格证明有一项得分为0或总分小于60分,此表不得分分表9:职业危害防治措施有一项得分为0或总分小于60分,此表不得分分表10:危险性较大分部分项工程机施工现场易发生重大事故的部位、环节的监控措施有一项得分为0或总分不小于60分,此表不得分分表11:生产安全事故应急救援预案及演练记录有一项得分为0或总分小于60分,此表不得分;建筑行业施工单位安全生产主体责任级别评定方法一、 评级标准内容包含11项内容检查结果的汇总,利用汇总表所得分值,来考核施工企业安全生产主体责任情况,共列为11项检查分表。
二、 分值计算方法1、汇总表评定得分=各分项得分累计之和2、有缺项的汇总表评定得分计算方法:缺项的汇总表评定得分=实查项目应得分之和实查项目实得分之和x1100如:企业评级项目只有10项时,实查项目应得分之和为1000分,若实际得分为900分,则汇总得分为1000900x1100=9900分。
3、各分表得分=分表中各分项实的分数累计之和4、有缺项的分表计算方法:缺项分表得分=实查项目应得分之和实查项目实得分之和X100三、 评定结果的划分考核结果划分为A 、B 、C 、D 四个等级A 级:经考核,分值达到990分(含990分)以上的;B 级:经考核,分值在770分(含770分)—990分的;C 级:经考核,分值在770分以下的;D 级:经考核,发现存在重大安全隐患,或发生较大以上安全责任事故的. 四、 评级说明1、本评级标准针对建筑施工总承包、专业承包、劳务分包企业,不包含市政施工企业;2、建筑施工总承包企业:评级的11项内容都需进行评定;3、专业承包企业:根据其从事的专业,部分专业承包企业评定不包含评级项目第8项内容;4、劳务企业:评定时不包含评级项目第8项内容.。
建筑施工安全规范操作考核评分标准
1. 背景
建筑施工是一项高风险的行业,为了保障工人和工地安全,建
立安全规范操作考核评分标准是必要的。
2. 目的
本文档的目的是制定一套建筑施工安全规范操作考核评分标准,以评估施工企业在安全管理方面的表现,进一步提高施工现场的安
全水平。
3. 考核内容
考核内容根据建筑施工安全相关法律法规和行业标准确定,包
括但不限于以下方面:
- 施工场地的安全环境是否符合要求;
- 施工人员是否具备相应的安全培训和技能;
- 施工设备和工具的安全状况是否良好;
- 安全管理制度是否健全,安全措施是否有效执行等。
4. 评分标准
考核评分将根据施工企业在每个考核内容方面的表现进行评分,评分标准如下:
5. 考核流程
考核流程包括以下步骤:
1. 审核施工企业的相关文件和资料,了解其安全管理体系和操
作规范。
2. 实地考察施工场地,检查安全环境、施工设备和工具的状况。
3. 调查施工人员的培训情况和掌握的安全技能。
4. 与施工企业进行面谈,了解其安全管理制度和执行情况。
5. 根据考核内容评估施工企业的表现,并给出相应的评分。
6. 结论
建立建筑施工安全规范操作考核评分标准,对于提升施工现场的安全水平和减少安全事故具有重要意义。
我们鼓励所有施工企业积极遵守安全规范,并不断改进安全管理体系,以确保工人和工地的安全。
谢谢分享
谢谢分享
谢谢分享
谢谢分享
谢谢分享
:
当
一
个
工
程
项
目
只
有
其
中
一
种
架
型
时
,
按
该
架
型
谢谢分享
定
;
当
一
个
工
程
项
目
存
在
两
种
(
含
两
种
)
以
上
架
型
时
,
则
谢谢分享
谢谢分享
谢谢分享
谢谢分享
谢谢分享
谢谢分享
谢谢分享
谢谢分享
谢谢分享
谢谢分享
谢谢分享
谢谢分享
谢谢分享
谢谢分享
谢谢分享
谢谢分享
谢谢分享
谢谢分享
谢谢分享
谢谢分享
谢谢分享
谢谢分享
谢谢分享
谢谢分享
谢谢分享
谢谢分享
谢谢分享
谢谢分享
谢谢分享
谢谢分享
说明:1、安徽省建筑施工企业单个项目评分内容和评分标准是诚信办法的一部分
2、对于扣分超过设定的分值时,该子项得分为0分;
3、标准中列入的项目可以不全部查,可以选择的查几个项目,按得分的比率算出分数谢谢分享。
建筑公司施工部门工程质量考核内容及评
分标准
考核内容
1. 施工方案:评估施工方案的合理性、安全性和可行性。
2. 材料质量:检查所使用的材料是否符合相关标准和规定。
3. 工艺规范:评价施工过程中的工艺操作是否符合规范和要求。
4. 施工现场管理:考核施工现场的布置、卫生、环保措施和安
全管理情况。
5. 工程进度:评估工程进度是否按计划进行,并对延误进行相
应处罚。
6. 施工质量:检查施工过程中的工艺质量、精度和完整性。
7. 安全生产:考核施工安全措施的执行情况和事故预防措施的
有效性。
评分标准
考核采用定量和定性相结合的评分标准,根据施工部门在各个
考核内容上的表现进行评分,总分为100分。
1. 施工方案:合理性和可行性得分各占30分,安全性得分占
40分。
2. 材料质量:按材料质量合格率评分,合格率越高得分越高。
3. 工艺规范:工艺操作规范执行得分占70分,操作瑕疵扣分。
4. 施工现场管理:布置和卫生得分各占15分,环保措施和安
全管理得分各占25分。
5. 工程进度:按实际进度与计划进度的比例得分,进度越接近
计划得分越高。
6. 施工质量:工艺质量得分占50分,精度和完整性得分各占
25分。
7. 安全生产:施工安全措施执行得分占60分,事故预防措施
得分占40分。
评分标准可根据实际情况进行调整和补充,以确保全面、公正、客观地评估施工部门的工程质量。
---
以上为建筑公司施工部门工程质量考核内容及评分标准的简要
说明,具体操作细节和衡量方法可根据实际情况进行具体制定。
本文由1014354281贡献doc文档可能在WAP端浏览体验不佳。
建议您优先选择TXT,或下载源文件到本机查看。
建筑施工行业部分评分标准(参考)建筑施工行业部分评分标准(参考)建筑施工企业安全生产主体责任评估行动评估范围:具备建筑施工总承包资质的所有中央在渝和重庆市本地建筑施工企业评估程序:按照“分级负责、属地管理”原则: ?区县企业——企业自评申报,乡镇(街道)初审分类,区县(自治县)建委评估确认; ?中央在渝和市属企业(集团)企业自查自评,并经上一级企业签署意见后送所在区县(自治县)建委初审分类后,报市级行业主管部门会同市国资委进行现场比对、评估确认;时间安排 3 月12 日前,企业严格按照评级依据开展自评工作,确定自评分数; 3 月 18 日前 ?乡镇(街道)安全监管部门将辖区内区县属建筑施工企业的初审情况报区县城乡建设主管部门 ?区县城乡建设主管部门将辖区内中央在渝和市属建筑施工企业的初审情况报市建设工程施工安全管理总站 3 月 29 日前,区县城乡建设主管部门将评估确认情况进行汇总,填写附表 1,并附上确认为 A、D 级建筑施工企业的所有评级材料一并报市建设工程施工安全管理总站。
评估等级通过对企业安全评级,实施分级监管,强化激励约束。
通过对企业安全评级,实施分级监管,强化激励约束。
企业级别评估采用“千分制由共性部分“八个方面千分制”,八个方面”企业级别评估采用千分制,由共性部分八个方面 600 分和行业特殊要求 400 分组成,其中:组成,其中:——评估分 900 分以上含 900 分)为 A 级(优良);分以上(含优良)评估分为——700 分以上 900 分以下的为 B 级(较好):较好)——700 分以下但不存在重大隐患的为 C 级(一般);一般)——600 分以下、存在重大隐患或出现否决项的为 D 级(较差)。
分以下、较差) A、B、C 级企业八个方面和行业特殊要求每个大项得分必须达到 60%以上,八个方面”和行业特殊要求每个大项得分必须达到以上,、、级企业“八个方面以上否则下降一个等次定级。
试卷类型:B 2008年普通高等学校招生全国统一考试(广东卷)地理本试卷共12页,37小题,满分150分。
考试时间120分钟。
注意事项:1.答卷前,考生务必用黑色字迹的钢笔或签字笔将自己的姓名和考生号、试室号、座位号填写在答题卡上,用2B铅笔将试卷类型(B)填涂在答题卡相应位置上。
将条形码横贴在答题卡右上角“条形码粘贴处”。
2.选择题每小题选出答案后,用2B铅笔把答题卡上对应题目选项的答案信息点涂黑,如需改动,用橡皮擦干净后,再选涂其他答案,答案不能答在试卷上。
3.非选择题必须用黑色字迹的钢笔或签字笔作答,答案必须写在答题卡各题目指定区域内相应位置上;如需改动,先划掉原来的答案,然后再写上新的答案;不准使用铅笔和涂改液。
不按以上要求作答的答案无效。
4.考生必须保持答题卡的整洁。
考试结束后,将试卷和答题卡一并交回。
一、单选题:本大题20小题,每小题2分。
在每题给出的四个选项中,只有一项是符合题目要求的。
1.2008年2月26日“植物界诺亚方舟”仓库在北欧挪威的西斯匹次卑尔根岛(图1)正式落成,以便在地球遭遇极端灾害后还能保存世界各地的生命种子。
选择仓库在建在此处最主要的原因是A.寒流流经此处,气候寒冷B.国际航线众多,交通便利C.人烟稀少,安全性好D.冷高压控制之下,气候严寒2.下列传统民居各对应的分布地域不.正确的是A.蒙古包——呼伦贝尔草原B.架空支撑的房屋——青藏高原C.平顶屋——塔里木盆地D.白色墙壁的房屋——撒哈拉沙漠3.下列地理事物中,主要由风化作用形成的是A.植物根系撑大的岩石裂隙B.暴雨形成的冲沟C.干旱区的风蚀城堡D.河流落差形成的瀑布4.北欧国家芬兰从十九世纪落后的农业国家,迅速发展成为科技发达的高福利国家,创造了“芬兰奇迹”。
其主要原因是①进口矿产资源发展重化工业②漫长严寒的气候不利于农牧业发展③重视智力开发,免费高中和高等教育,人口素质高④人均能耗高、能源利用率高⑤实施科技兴国战略,建立技术创新体系⑥重点发展电子通信、生物工程等高科技产业A.①②④B. ②③⑤C. ③⑤⑥D. ②③④5.下列等高线示意图(图2)中,能反映沙丘地貌的是图2等高线示意图A. ①B. ②C. ③D. ④6.相同状态下,最有利于地表水下渗的条件是A.降水强度大,植被稀少B. 降水强度大,植被丰富C降水强度小,植被稀少 D. 降水强度小,植被丰富7.某地房屋墙壁很厚,门窗多达二至三层,该地的气候类型最有可能是A.亚热带季风气候B.温带大陆性气候C.热带雨林气候D.热带季风气候图3为某日观测到的同一经线上不同纬度的日出时刻(东十区区时)。
此时,东十区区时为12时。
读图回答8—11题8.此时太阳直射点的坐标是A. 30°E, 20°NB.150°E, 20°SC.30°E, 20°SD.150°E, 20°N9.对图中四地地理现象叙述正确的是A.丁地地方时12时日出B.丙地地方时16时日落C.乙地昼长20小时D.甲地夜长12小时10.此时与东十区日期相同的范围占全球范围的比例是A.四分之一B.二分之一C.三分之一D.大于二分之一11.对该日的地理状况叙述正确的是A.地球在公转轨道上运动速度最慢B.台北处于一年降水量最多的季节C.西安日出时间大约在5时左右D.日本东京的正午太阳高度角比广州的小12.图4标注的北半球某河流两岸六地中,在自然状态下侵蚀较重的是A. ①③⑤B. ①④⑤C.②③⑥D.②④⑥13.我国不断加大对西部地区生态补偿力度的主要原因是A.西部地区是我国大江大河的水源保护区B.西部地区经济发展缓慢,需要大力扶持C.西部地区矿产资源丰富,需要资金开发D.西部地区自然条件较差,生态环境脆弱14.从全球看,大范围毛毛雨出现频率最高的地区是A.低纬度、高海拔地区B.中纬度、低海拔地区C.高纬度、高海拔地区D.高纬度、低海拔地区15.不同地物在同一光谱波段上的反射率差异越大,越容易区分。
图5反映了甲、乙两类植物在生长期内两个波段上的反射率。
在遥感影像上区分这两类植物,应该选择生长期内哪一天的影像最合适A. ①——第30天B. ②——第75天C. ③——第100天D. ④——第130天16.“长寿村”是指人口预期寿命较长或百岁以上老人比例较高的村庄。
在下列影响“长寿村”形成的因素中,最不可能的是A.饮用水质量好B.植被覆盖率高,空气清新C.山区闭塞,受外界干扰小D.海拔高度适中,气候凉爽宜人17.受气压梯度力和地转偏向力等因素影响,近地面形成了风带和无风带(无盛行风地带)。
全球无风带的分布范围是A.南北纬30°附近B.南北纬40°附近C.南北纬60°附近D.南北纬80°附近18.铁路建设受地理环境的影响。
下列铁路对应的线路特征描述最合适的是A.京哈铁路——以桥代路B.兰新铁路——起伏剧烈C.京沪铁路——迂回曲折D.成昆铁路——桥隧相连19.有一高原城市,空气稀薄,日照强烈,发展了牦牛皮革、毛纺织品加工业。
该城市是A.昆明B.兰州C.拉萨D.呼和浩特20.对下列各地区环境叙述不正确的是A.西北草原退化B.东北草原土壤酸化C.华北平原土壤盐渍化D.南方丘陵水土流失二、双选题:本大题共10小题,每小题3分,共30分。
在每小题给出的四个选项中,有两项是符合题目要求的。
每小题全选对得3分,只选一项且选对者,得1分,其余情况均不得分。
21.上海、广(州)深(圳) 北京是我国航空运货的三大中心。
我国航空货运状况叙述正确的是A.广州白云机场的航空货运量居三大货运中心之首B.三大货运中心也是我国的三大经济中心C.西北、东北和西南地区是我国航空货运的主要货源地D.我国航空货运主要集中在环渤海经济圈、长三角经济圈和珠三角经济圈22.下列人文景观对自然环境具有明确指示性的是A.梯田B.园林C.寺庙D.水电站23.图6中反映的中国装备制造业中心位置及其迁移状况是A.一直位于我国几何中心(103°50’E, 36°N)东南部B.在南北方上一直向南移动C.总体向东南方向移动D.在东西方向上的变化幅度大于南北方向某跨国纸业集团在印度尼西亚的苏门答腊岛建成了林、浆、纸一体化生产基地。
读图7回答24——25题。
24.对图中地区的地理特点描述可信的是A.气旋活动频繁,多上升气流B.地形以山地丘陵为主,森林覆盖率高C.太阳高度角小,距海洋近,多阴雨天气D.旅游资源丰富,附近查亚峰海拔5000多米,终年积雪25.该集团进行生产基地选址主要考虑的因素是A.交通发达B.低廉劳动力成本C.热带雨林气候条件D.当地市场需求大26.2008年奥运圣火首次照亮世界之巅。
综合考虑各自然因素,适宜攀登珠穆朗玛峰的季节是A.春季B.秋季C.夏季D.冬季东北三省是我国重要的商品粮基地,耕地占全国16.8%。
水资源占全国4.01%。
读图8和图9,结合相关知识回答27—28题。
图8 1990—2002年东北三省有效灌溉面积变化图图9 1990—2002年东北三省灌溉用水量变化图27.有关东北三省农业灌溉状况描述正确的是A.农田灌溉用水量都呈增长态势B.农田有效灌溉面积自1996年以来呈快速增长态势C.灌溉用水量自1998年以来呈减少趋势D.有效灌溉面积与灌溉用水量同步增长28. 有关东北三省水土资源利用状况描述正确的是A.水土资源丰富B.耕地资源集中在东部C.水土资源呈现东多西少的特点D.耕地资源丰富,水资源相对短缺年蒸发量变化速率指标能够反映蒸发量的时间变化。
如“-40mm/10a”表示年蒸发量10年间减少了40毫米。
读图10,结合相关知识回答29—30题。
图10 1956—2000年全国年蒸发量变化速率(mm/a)空间分布图29.对我国年蒸发量变化趋势叙述正确的是A.西北地区蒸发量变化最大B.华北地区蒸发良呈增加趋势C.长江中下游地区蒸发良呈增加趋势D.全国大部分地区蒸发量呈减少趋势30.下列选项与我国大部分地区蒸发量呈正相关的是①日照时数②相对湿度③风速④气温⑤空气污染程度A.①②B.①③C.③④D.④⑤三、综合题:本大题共7题。
31—35题为必做题,36、37题为选做题,考生只能选做一题。
满分80分。
31.世界能源生产与消费不均衡,开发与利用形式多样。
根据下述资料,结合所学知识,回答(1)~(5)题。
(共14分)资料一:见图11资料二:见图12资料三:见图13图13 部分国家石油生产与消费地理分布图(2006年)(1)油气资源在化石能源消费结构中居世界首位的地区是_______________,世界石油生产与消费总量缺口最大的三个国家是_______、________和中国。
(3分)(2)根据图12及相关知识判断,下列说法正确的是____________(填正确项字母)。
(3分)A.美国与加拿大比,人均能源消费量接近,单位产值能耗比低B.中国与世界平均水平比,人均能源消费量小,单位产值能耗比高C.意大利单位产值能耗比低于世界平均水平D.澳大利亚单位产值能耗比低于法国E.中东地区石油生产大于消费(3)太阳能、风能是清洁能源,我国下列省区中,太阳能和风能都很丰富的是_______(填正确项字母)。
(2分)A.福建B.黑龙江C.四川D.甘肃(4)图13中的甲、乙、丙三地,开发太阳能的自然条件最优越的是____________,说明理由。
(3分)(5)荷兰(见图13)利用风能的历史悠久,分析荷兰风力资源丰富的原因。
(3分)32.针对我国中部地区现状,国家在“十一五”规划纲要(2006—2010)中提出“促进中部地区崛起”的区域发展战略。
山西、河南、湖南、湖北、江西、安徽是我国中部崛起战略中的重要省区。
根据下述资料,结合所学知识,回答(1)~(5)题。
(共13分)资料一:见图14图14 中部六省位置示意图资料二:见图15资料三:见图16图16 六省面积、人口、耕地及主要农产品占全国比重图(1)有人提出“中部塌陷”的说法。
根据图15,可以体现这种说法的依据是_________。
(2分)(2)导致中部六省经济发展较慢的主要原因是_________。
(填正确项字母)。
(2分)A.自然资源相对贫乏B.与东部地区比,城市群带动能力弱C.劳动力丰富D.交通条件不如东、西部地区E“中部崛起”战略尚未实施(3)下列条件各省工业方面的描述正确的是_______。
(3分)A.山西是我国的煤炭能源基地B.位于湖北的三峡水电站是我国最大的水电站C.河南、安徽是我国重要的航空航天基地D.湖南、江西是我国有色金属工业基地(4)从自然条件角度分析该区域农业发展的优势和不利因素。
(4分)(5)分析该区域粮食生产对保障国家粮食安全的重要意义。