项目验收评价表
- 格式:doc
- 大小:74.50 KB
- 文档页数:4
竣工验收建设项目综合评价表一工程名称二工程地点及主要控制点三建设依据四技术标准与主要指标五建设规模及性质六开工日期年月日完工日期年月日七批准概算竣工决算八工程建设主要内容九主要材料实际消耗十实际征用土地数(亩)临时用地:永久占地:十一建设项目工程质量鉴定结论及质量评价十二对建设、设计、施工、监理单位的综合评价1、建设单位2、设计单位3、施工单位4、监理单位十三建设项目综合评价及等级十四有关问题的决定和建议附表:1、竣工验收委员名单;2、工程交接单位代表签名单。
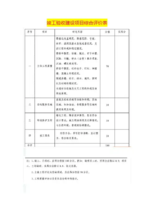
竣工验收委员会名单姓名所在单位职务或职称签名主任委员张发林滁州市交通局副局长副主任委员毛立东滁州市交通局处长周润福滁州市交通局处长委员张业轩滁州市公路局副局长张金宝滁州市质量监督管理处科长袁晓胜滁州市交通工程检测中心主任李奎滁州市交通局工程师潘万宝滁州市公路局科长唐哲滁州市公路局科长竣工验收代表名单序号姓名所在单位职务或职称签名1 周润福滁州市交通局科长2 张金宝滁州市质检处科长3 潘万宝滁州市公路局科长4 袁晓胜滁州市交通工程检测中心主任5 郑舟滁州市公路勘测设计院院长6 吴海清滁州虹信监理公司经理7 全椒县通达交通建设工程有限公司项目经理8 滁州市公路局分局局长9101112公路工程交接单位代表签名表姓名所在单位职务或职称签名主管部门周润福滁州市交通局科长监督单位张金宝滁州市质检处科长项目法人张业轩滁州市公路局副局长设计单位郑舟滁州市公路勘测设计院院长施工单位全椒县通达交通建设工程有限公司项目经理监理单位吴海清滁州虹信监理公司经理接养单位滁州市公路局分局局长竣工验收工程质量评分表项目名称:名称实得分数权值加权得分备注交工验收工程质量质量监督机构工程质量鉴定竣工验收委员会工程质量合计加权平均分质量等级计算:复核:年月日竣工验收工程质量评分表项目名称:序号项目评定内容分值实得分一主体工程质量路基边线直顺度、路基沉陷、亏坡、松石、涵洞及排水系统完善状况,支挡工程外观和稳定情况。
农业标准化实施示范项目考核验收评价表
项目下达年份:示范县(场)名称:示范品种:示范规模:
考核评价情况:符合项基本符合项不符合项,关键项:项不符合综合评价结论:□通过□不通过
注:1. 序号前带“*”号的考核项目代表“关键项”。
2. 考核验收采取单项考核与综合评价相结合的方法。
单项考核分“关键项”(6项)和“非关键项”(8项)两类,考核评价结论分“符合”、“基本符合”、“不符合”三档;综合评价分“通过”和“不通过”。
当考核结果满足:关键项无“不符合”项且“符合”项总数不少于10项(含)、“不符合”项不多于3项(含)时,综合评价为“通过”。
否则,为“不通过”。
3. 在每一条中相应的考核意见栏打“√”。
表1:验收内容内容说明评分细则验收方式有关要求扣减分值扣分原因备注建设内容(10分)反映完成的项目建设内容与实施方案是否基本一致。
1、依据项目计划中的项目区边界,通过测量开展现场调查,将实际完成的建设面积与规划的建设面积进行对比,计算建设任务完成情况。
建设面积符合要求且全面完成的得5分,治理面积不符合要求或完成任务不足的,每差2个百分点扣1分,差距超过10个百分点,项目验收评定为不合格。
2、查阅计划中建设内容情况;选择典型地块,现场检查各建设内容完成情况,每个类型的建设内容抽查比率不少于本类型建设内容的15%。
被抽查建设内容全部满足计划要求的得5分,每差2个百分点扣1分,差距超过10个百分点,项目验收评定为不合格。
工程现场验收抽查记录入档建设工期(3分)反映项目是否在建设工期内按照项目计划完成建设任务。
项目按期完成建设任务的,得3分;每逾期完工5个百分点,扣1分,扣完3分为止。
查阅项目资料计划调整(5分)反映建设内容调整是否按规定程序报批。
未擅自调整、变更或终止计划的,得5分。
否则每涉及财政资金2个百分点,扣1分,差距超过10个百分点,项目验收评定为不合格。
查阅项目资料建设标准和质量(10分)反映各项工程建设标准、建设质量等是否达到设计要求、先进实用。
抽查的项目建设内容全部符合标准和质量要求,能够正常运行的,得10分,不符合建设标准和质量要求,不能正常运行的,每涉及建设内容1个百分点,扣1分,扣完10分为止。
工程现场验收抽查记录入档科技推广效果(2分)反映推广的各项农业技术是否先进适用,对农民的技术培训是否真实、有效。
按计划完成农业技术推广和农民技术培训的,得2分,未按计划完成农业技术推广的,扣1分;为按计划完成农民技术培训的,扣1分。
查阅项目资料产权移交(2分)反映竣工项目工程和设施设备是否按规定进行产权移交情况。
按规定及时进行产权移交的,得2分,未按规定及时进行产权移交的,每晚10天,扣1分,扣完2分为止。
项目名称:
3、采购方式指公开招标、邀请招标、竞争性谈判、询价采购、单一来源等采购方式。
采购单位(签章)授权代表(签字)中标单位(签章)
2、如有其他验收文件,可以作为本验收表的附件一并提供。
1、本验收表一式四份,采购单位、政府采购监督管理办、采购代理单位和供应商各一份。
临沭县政府采购项目验收表
项目编号:年 月 日年 月 日3、验收意见可以从是否按照合同规定的时间提供货物或服务,所提供货物或服务是否与合同的规定一致,质量情况及是否满足采购使用需求,售后服务情况等方面进行验收。
授权代表(签字)。
研究计划项目验收专家评分表(2013年5月日)
专家签字:
专家评分表的说明:
1、专家评分:请专家按照100分值对项目进行打分,主要包括是否达到计划任务书的预期指标(40分)、主要成果(30分,主要指研究报告、论文情况、申请专利及获奖情况)、应用前景(10分)、应用情况及经济效益(10分)、综合评价(10分)五个方面的内容。
2、验收结论:请专家在此栏填写“通过验收、需要复议或不通过验收”之一。
3、科技厅将根据专家评分情况对项目绩效做出评价。
项目评价等级分为优(85~100分)、良(70~85分)、合格(60~70分)、不合格(60分以下)四个等级。
4、项目水平高、应用前景好;或争取到与项目有关的国家及相关部委经费支持;或已获得省部级以上奖励;或拥有自主知识产权的项目,专家评分均为85分以上,项目评价等级均为优等。
项目工程竣工预验收报验表
一、基本信息
二、项目概况
根据合同要求,项目工程已完成施工。
现申请进行竣工预验收,下面是项目的基本概况:
三、工程质量情况
四、安全生产情况
在施工过程中,我们始终注重安全生产,并严格按照相关法规和标准进行操作。
以下是项目的安全生产情况:
五、项目经费使用情况
请提供项目经费使用情况的详细说明。
六、项目竣工验收意见
根据对项目工程的预验收情况,我们提出如下竣工验收意见:
1. 工程质量达到设计要求。
2. 安全生产工作得到有效执行。
3. 项目经费使用合理。
七、预验收意见
请根据对项目工程的预验收情况,提出预验收意见。
八、附件清单
请在此列出所有相关的附件。
烈士纪念设施三年提升行动验收评价表
以下是一份烈士纪念设施三年提升行动验收评价表,供您参考:
烈士纪念设施三年提升行动验收评价表
一、项目概况
项目名称:烈士纪念设施三年提升行动
实施单位:XXX
实施地点:XXX
投资总额:XXX万元
实施时间:XXXX年XX月-XXXX年XX月
二、验收评价依据
1. 《烈士褒扬条例》等相关法律法规;
2. 《烈士纪念设施保护管理办法》等相关部门规章;
3. 《烈士纪念设施保护维修项目绩效评价管理办法(试行)》等政策文件;
4. 项目批复文件、施工图纸、合同等相关资料。
三、验收评价内容
1. 完成情况评价:对烈士纪念设施三年提升行动的完成情况进行评估,包括建设内容、建设规模、投资完成情况等方面;
2. 质量评价:对烈士纪念设施三年提升行动的建设质量进行评价,包括工程实体质量、观感质量等方面;
3. 安全评价:对烈士纪念设施三年提升行动的建设安全进行评价,包括施工现场安全、设施安全等方面;
4. 效益评价:对烈士纪念设施三年提升行动的实施效益进行评价,包括社会效益、经济效益等方面。
四、验收评价结论
1. 完成情况评价结论:根据实际完成情况,对烈士纪念设施三年提升行动的完成情况进行评估,给出是否合格的结论;
2. 质量评价结论:根据质量检测结果,对烈士纪念设施三年提升行动的建设质量进行评价,给出是否合格的结论;
3. 安全评价结论:根据安全评估结果,对烈士纪念设施三年提升行动的建设安全进行评价,给出是否合格的结论;
4. 效益评价结论:根据效益评估结果,对烈士纪念设施三年提升行动的实施效益进行评价,给出是否合格的结论。
省科技型中小企业创新发展专项扶持资金项目验收评价表
项目名称:
企业名称:
资助方式:
资助金额:
合同执行期:年月日至年月日
验收专家签名:
填表日期:年月日
注:项目评分为百分制,满分100分。
本项目评分:分一、资金落实与使用情况(20分)
二、技术、质量指标完成情况(10分)
三、经济指标完成情况(30分)
四、总体目标完成情况(20分)
五、项目市场潜力与企业成长性(10分)
六、项目执行和验收情况(10分)
七、专家需要特殊说明的问题:
填写说明:
●请在本表相应栏目内按照要求直接打分。
●遇有“*”的栏目,如果项目合同中无此项内容,可直接将该栏目填写满分。