超前进位加法器+
- 格式:docx
- 大小:1.48 MB
- 文档页数:4
超前进位加法器超前进位加法器是一种数字电路设备,用于进行二进制数的加法运算。
它通过将多个加法器级联,实现对多位二进制数的加法计算,并且能够在加法过程中实现超前进位,提高计算速度。
超前进位加法器的原理是基于二进制加法的原理。
在二进制加法中,每一位的运算结果可以表示为:两个位的和与进位。
其中,和即为输入位的异或运算结果,进位则是输入位的与运算结果再经过左移一位。
超前进位加法器利用这一原理,通过预测进位产生的结果,以提前得到进位并作用于下一级的运算。
超前进位加法器可以分为两个部分:生成进位部分和传递进位部分。
生成进位部分用于预测进位的产生情况,传递进位部分则是将进位传递给下一级的加法器。
生成进位部分的输入为两个相邻位的和,输出为进位。
传递进位部分的输入为前一级的进位以及生成进位部分的进位,输出为当前位的进位。
为了方便理解,以下以一个四位超前进位加法器为例进行介绍。
这个四位加法器由四个单独的全加器组成,每个全加器负责一个位的运算。
生成进位部分和传递进位部分在全加器中都有相应的电路实现。
首先,生成进位部分。
对于第一位的全加器来说,由于没有前一位的进位,因此直接将两个输入位的和作为输出位的进位。
对于其他位的全加器,需要预测进位的产生。
这个预测的规则是,如果前一位的和为1,则有可能会产生进位。
因此,预测进位部分将前一位输入位的和与该位输入位的和进行与运算,得到预测的进位结果。
接下来,传递进位部分。
对于第一个全加器来说,由于没有前一位的进位,因此直接将生成进位部分的进位作为输出位的进位。
对于其他位的全加器,传递进位部分将前一位的进位与生成进位部分的进位进行或运算,得到当前位的进位。
将多个全加器级联后,就构成了一个超前进位加法器。
通过这种方式,每一位的运算可以并行进行,从而提高了计算速度。
同时,由于提前预测了进位的结果,可以减少了进位的传播延迟,进一步提高了计算效率。
超前进位加法器在数字电路的设计中具有重要的应用价值。
超前进位加法器的设计原理概述及解释说明1. 引言1.1 概述超前进位加法器是一种用于在数字电路中进行二进制数的加法运算的特殊电路。
相较于传统的二进制加法器,超前进位加法器通过预先计算进位,从而实现更快速的运算。
本文旨在对超前进位加法器的设计原理进行概述和解释说明。
1.2 文章结构本文分为五个主要部分,分别是引言、超前进位加法器的设计原理、实现步骤和流程、优势与应用范围以及结论。
首先介绍引言部分,接下来详细解释超前进位加法器的设计原理,然后说明实现步骤和流程。
之后介绍该加法器的优势及其应用范围,并最后得出结论。
1.3 目的本文旨在向读者阐明超前进位加法器的设计原理并提供相关解释说明。
对于数字电路领域的研究者和工程师而言,了解超前进位加法器背后的原理可以帮助他们更好地应用这一技术,并且展示其在优势与应用范围方面所具备的潜力。
2. 超前进位加法器的设计原理2.1 超前进位加法器的定义和背景超前进位加法器是一种常用于数字电路中的加法器,用来实现两个二进制数的相加操作。
与传统的普通进位加法器不同,超前进位加法器在进行计算时能够提前计算并预测进位信号,从而减少计算时间并提高加法运算速度。
2.2 原理解释超前进位加法器采用了两级运算的方式,利用了先行进位预测的思想,以优化传统加法器的运算效率。
其基本原理如下:- 首先,对于每一位(bit)进行相应位置的逻辑门电路设计。
- 然后,在相邻位之间引入前导输入(Generate input)和进位输出(Carry output),这样可以使得下一级可以预测到当前级别产生的所有可能进位。
- 通过与门、或门和异或门等逻辑门之间巧妙的组合连接,实现了高速、低功耗的超前进位运算。
超前进位加法器主要依靠已知最高有效输入块(G代表Generate, P代表Propagate, C代表Carry In) 确定其对应输出(S代表Sum, C代表Carry Out),并将这些信息传递给下一级加法器。
加法器设计(三)超前进位加法器(Verilog)超前进位加法器module add4_head ( a, b, ci, s, pp, gg);input[3:0] a;input[3:0] b;input ci;output[3:0] s;output pp;output gg;wire[3:0] p;wire[3:0] g;wire[2:0] c;assign p[0] = a[0] ^ b[0];assign p[1] = a[1] ^ b[1];assign p[2] = a[2] ^ b[2];assign p[3] = a[3] ^ b[3];assign g[0] = a[0] & b[0];assign g[1] = a[1] & b[1];assign g[2] = a[2] & b[2];assign g[3] = a[3] & b[3];assign c[0] = (p[0] & ci) | g[0];assign c[1] = (p[1] & c[0]) | g[1];assign c[2] = (p[2] & c[1]) | g[2];assign pp = p[3] & p[2] & p[1] & p[0];assign gg = g[3] | (p[3] & (g[2] | p[2] & (g[1] | p[1] & g[0])));assign s[0] = p[0] ^ ci;assign s[1] = p[1] ^ c[0];assign s[2] = p[2] ^ c[1];assign s[3] = p[3] ^ c[2];endmodule首先要明确几个概念:p表示进位否决信号(pass),如果p为0就否决调前一级的进位输入。
否决的意思就是即使前一级有进位,本级也不会向后一级产生进位输出。
超前进位加法器超前进位加法器是一种重要的数电电路,广泛应用于计算机和其他电子设备中。
它的作用是在进行多位数相加时,实现进位的自动计算和传递,从而提高计算速度和准确性。
本文将对超前进位加法器进行详细介绍。
超前进位加法器是一种基于逻辑门电路的加法器。
它的设计理念是通过预先检测进位,减少进位的传输延迟,从而加快计算速度。
对于一位加法器来说,传统的进位加法器需要等待当前位的进位计算完成后,才能进行下一位的计算。
而超前进位加法器在当前位计算的同时,预先计算下一位的进位,从而节省了计算时间。
超前进位加法器的基本原理是利用逻辑门的延迟特性实现进位的预先计算。
常见的超前进位加法器包括Ripple Carry Adder(RCA)、Carry Select Adder(CSA)和Carry Lookahead Adder(CLA)。
这些加法器在实现进位预先计算的方式上有所不同,但核心思想都是一样的。
以Ripple Carry Adder为例,它由多个全加器级联而成。
全加器是一种可以同时实现两位相加和进位计算的电路。
Ripple Carry Adder通过将多个全加器级联,实现了对多位数相加的计算。
在每个全加器中,除了计算两位之和外,还需要计算当前位的进位。
传统的Ripple Carry Adder需要等待前一位的进位计算完成后,才能进行下一位的计算,而这就导致了较长的计算时间。
而超前进位加法器则在每个全加器中预先计算下一位的进位。
通过利用逻辑门的传输延迟,将当前位的进位信号传递到下一位,实现了进位的预先计算。
这样,在当前位的计算完成后,下一位的进位已经预先计算好了,从而减少了计算时间。
超前进位加法器在计算速度上有显著的优势。
相比传统的进位加法器,它能够减少计算时间,提高计算效率。
对于大规模的数值计算,超前进位加法器能够显著缩短计算时间,提高计算速度。
这对于例如计算机科学、数据处理和通信等领域的应用非常重要。
除了计算速度的优势,超前进位加法器在准确性上也有一定的优势。
超前进位加法器原理
超前进位加法器是一种常见的数字电路,用于实现数字加法运算。
它的原理是利用超前进位的概念,通过预先计算进位来加快加法运算的速度。
在传统的加法器中,每一位的进位都是依赖于前一位的计算结果。
这意味着在进行加法运算时,每一位的计算都需要等待前一位的结果才能进行。
而超前进位加法器则通过提前计算进位,使得每一位的计算可以独立进行,从而加快了整个加法运算的速度。
超前进位加法器的原理可以通过以下步骤来说明:
1. 预先计算进位,在进行加法运算之前,先对每一位的进位进行预先计算。
这样可以避免等待前一位的结果,从而加快了计算速度。
2. 并行计算,每一位的计算都可以独立进行,并且不受前一位的影响。
这样可以实现并行计算,从而提高了整个加法运算的效率。
3. 结果输出,最后将每一位的计算结果和预先计算的进位相加,得到最终的加法结果。
超前进位加法器的原理不仅可以应用在数字电路中,也可以应用在计算机系统和通信系统中,用于加快数据处理和传输的速度。
因此,它在现代电子技术中具有重要的应用价值。
总之,超前进位加法器利用预先计算进位的原理,实现了加法运算的高效率和快速性,为数字电路和计算机系统的设计提供了重要的技术支持。
希望通过不断的研究和改进,可以进一步提高超前进位加法器的性能,为数字技术的发展做出更大的贡献。
《计算机组成原理》实验报告实验序号:四实验项目名称:超前进位加法器设计实验xx 1xx 姓名xx 专业、班XX实验地点XX 指导教师xx 实验时间XX一、实验目的及要求(1) 掌握超前进位加法器的原理及其设计方法。
(2) 熟悉CPLD 应用设计及EDA 软件的使用。
二、实验设备(环境)及要求PC 机一台,TD-CM3+或TD-CMX 实验系统一套。
三、实验内容与步骤(1) 根据上述加法器的逻辑原理使用Quartus II 软件编辑相应的电路原理图并进行编译,其在EPM1270 芯片中对应的引脚如图1-2-7 所示,框外文字表示I/O 号,框内文字表示该引脚的含义(本实验例程见‘安装路径\Cpld\Adder\Adder.qpf’工程)。
(2)关闭实验系统电源,按图1-2-8 连接实验电路,图中将用户需要连接的信号用圆圈标明。
(3) 打开实验系统电源,将生成的POF 文件下载到EPM1270 中去。
(4) 以CON 单元中的SD17…SD10 八个二进制开关为被加数A,SD07…SD00 八个二进制开关为加数B,K7 用来模拟来自低位的进位信号,相加的结果在CPLD 单元的L7…L0 八个LED灯显示,相加后向高位的进位用CPLD 单元的L8 灯显示。
给A 和B 置不同的数,观察相加的结果。
四、实验结果与数据处理如在SD17...SD10中输入1111 1001,在SD07...SD00中输入1001 1111,在实验箱中可看到用来模拟低位与高位的进位信号K7、L8灯变亮,同时可看到A01...A08与L7...L0上的显示分别为1001与1000。
五、分析与讨论(心得)这个实验是上个实验的扩展,进一步加深了我对运算器的认识。
现实生活中我们也要学会对已有的知识的一种扩展补充,进一步加深对已有知识的巩固,并探索其更深层次的东西,设计出与众不同的东西来。
这个算法的核心是把8 位加法器分成两个 4 位加法器,先求出低 4 位加法器的各个进位,特别是向高4 位加法器的进位 C 4 。
实验名称:十六位超前进位加法器一、实验目的设计、验证并优化16位超前进位加法器的逻辑功能。
二、实验原理1、1位全加器原理全加器的求和输出信号和进位信号,定义为输入变量A、B、C的两种组合布尔函数:求和输出信号 = A ⊕ B ⊕ C进位信号 = AB + AC + BC实现这两个函数的门级电路如下图。
并不是单独实现这两个函数,而是用进位信号来产生求和输出信号。
这样可以减少电路的复杂度,因此节省了芯片面积。
上述全加器电路可以用作一般的n位二进制加法器的基本组合模块,它允许两个n 位的二进制数作为输入,在输出端产生二进制和。
最简单的n位加法器可由全加器串联构成,这里每级加法器实现两位加法运算,产生相应求和位,再将进位输出传到下一级。
这样串联的加法器结构称为并行加法器,但其整体速度明显受限于进位链中进位信号的延迟。
因此,为了能够减少从最低有效位到最高有效位的最坏情况进位传播延时,最终选择的电路是十六位超前加法器。
2、超前进位加法器原理超前进位加法器的结构如下图。
超前进位加法器的每一位由一个改进型全加器产生一个进位信号gi和一个进位传播信号pi,其中全加器的输入为Ai和Bi,产生的等式为:改进的全加器的进位输出可由一个进位信号和一个进位传输信号计算得出,因此进位信号可改写为:式中可以看出,当gi = 1(Ai = Bi = 1)时,产生进位;当pi = 1(Ai =1或Bi = 1)时,传输进位输入,这两种情况都使得进位输出是1。
近似可以得到i+2和i+3级的进位输出如下:下图为一个四位超前进位加法器的结构图。
信号经过pi和gi产生一级时延,经过计算C产生一级时延,则A,B输入一旦产生,首先经过两级时延算出第1轮进位值C’不过这个值是不正确的。
C’再次送入加法器,进行第2轮2级时延的计算,算出第2轮进位值C,这一次是正确的进位值。
这里的4个4位超前进位加法器仍是串行的,所以一次计算经过4级加法器,一级加法器有2级时延,因此1次计算一共经过8级时延,相比串行加法器里的16级时延,速度提高很多。
超前进位加法器的原理
超前进位加法器是一种高速加法器,用来对大量二进制数字进行加法运算。
其名称“超前”即表示它比传统加法器更快,因为它预测了加法运算的进位部分,从而减少了计算量和延迟时间。
超前进位加法器的原理是将待加数分成若干位,然后分别进行加法运算。
其中,除了最底位以外,每位都需要前一位的进位信息。
超前进位加法器利用了这个特点,通过预测进位信息来提高速度。
具体来说,超前进位加法器采用了一种称为“根4”逻辑的结构,通过将输入数字分成四组来实现快速的进位预测。
每组数字包含了一二比特和进位输出。
利用这些信息,超前进位加法器对进位进行预测,从而在每组数字的加法过程中避免了花费时间来等待进位。
这样,整个加法器的速度就得到了显著提升。
除了进位预测外,超前进位加法器还采用了一种高效的逻辑结构来实现快速加法。
其主要思想是将加法运算分为两个阶段:预处理和部分和生成。
在预处理阶段,输入数字被拆分成一组加数和一组补码。
补码被用于加法的后半段,从而使得加法器可以同时处理加法和减法运算。
在部分和生成阶段,各个位的部分和被计算出来,并且可以被累加到最终和中。
总之,超前进位加法器是一种高速加法器,通过巧妙的进位预测和高效的逻辑结构来实现快速加法运算。
由于其高速度和可靠性,超前进位加法器被广泛应用于计算机的中央处理器 (CPU) 和其它高速计算设备中。
8位超前进位加法器设计说明书超前进位加法器就是使各位的进位直接由加数和被加数来决定,而不需要依赖低位进位。
即有如下逻辑表达式:1)(-++=i i i i i i C B A B A C当第i 位被加数A i 和加数B i 均为1时,有1=i i B A ,不论低位运算结果如何本位必然有进位输出(1=i C ),所以定义i i i B A G =为进位产生函数。
当A i 和B i 中只有一个为1时,有0=i i B A ,1=+i i B A ,使得1-=i i C C ,所以定义i i i B A P +=为进位传递函数。
将P i 和G i 代入全加器的“和”及“进位”表达式有:1-⊕⊕=i i i i C B A Y从而构成超前进位加法器。
VHDL 示例程序如下:(本程序在MAXPLUSII V9.6上编译通过)--*****8位超前进位加法器*****LIBRARY IEEE;USE IEEE.STD_LOGIC_1164.ALL;USE IEEE. STD_LOGIC _ARITH.ALL;USE IEEE. STD_LOGIC _UNSIGNED.ALL;ENTITY ADDER8BIT ISPORT(A, B: IN UNSIGNED(7 downto 0);CI,clk: IN STD_LOGIC;Y_OUT: OUT STD_LOGIC_VECTOR(7 downto 0);CO_OUT: OUT STD_LOGIC);END ADDER8BIT;ARCHITECTURE doing OF ADDER8BIT ISSIGNAL CO,Y: STD_LOGIC_VECTOR(7 downto 0);BEGINY(0)<=A(0) xor B(0) xor CI;CO(0)<=(A(0) and B(0)) or (B(0) and CI) or (A(0) and CI);GEN:for i in 1 to 7 GENERATEY(i)<=A(i) xor B(i) xor CO(i-1); --1-⊕⊕=i i i i C B A YCO(i)<=(CO(i-1) and A(i)) or (CO(i-1) and B(i)) or (A(i) and B(i)); -- 1)(-++=i i i i i i C B A B A Cend GENERATE;process(clk)beginif clk'event and clk='1' thenY_OUT<=Y(7) & Y(6) & Y(5) & Y(4) & Y(3) & Y(2) & Y(1) & Y(0);CO_OUT<=CO(7);end if;end process;END doing;附:仿真时序波形。
沈阳航空航天大学课程设计报告课程设计名称:计算机组成原理课程设计课程设计题目:超前进位加法器的设计院(系):计算机学院专业:班级:学号:姓名:指导教师:完成日期:沈阳航空航天大学课程设计报告目录第1章总体设计方案 (1)1.1设计原理 (1)1.2设计思路 (2)1.3设计环境 (3)第2章详细设计方案 (4)2.1顶层方案图的设计与实现 (4)2.1.1创建顶层图形设计文件 (4)2.1.2器件的选择与引脚锁定 (5)2.1.3编译、综合、适配 (7)2.2功能模块的设计与实现 (7)2.2四位超前进位加法器模块的设计与实现 (7)2.3仿真调试 (9)第3章编程下载与硬件测试 (11)3.1编程下载 (11)3.2硬件测试及结果分析 (11)参考文献 (13)附录(程序清单或电路原理图) (14)第1章总体设计方案1.1设计原理八位超前进位加法器,可以由2个四位超前进位加法器构成。
由第一个四位超前进位加法器的进位输出作为第二个超前进位加法器的进位输入即可实现八位超前进位加法器的设计。
超前进位产生电路是根据各位进位的形成条件来实现的。
只要满足下述条件,就可形成进位C1、C2、C3、C4。
所以:第一位的进位C1=X1*Y1+(X1+Y1)*C0第二位的进位C2=X2*Y2+(X2+Y2)*X1*Y1+(X2+Y2)(X1+Y1)C0第三位的进位C3=X3*Y3+(X3+Y3)X2*Y2+(X3+Y3)*(X2+Y2)*X1*Y1+(X3+Y3)(X2+Y2)(X1+Y1)*C0第四位的进位C4=X4*Y4+(X4+Y4)*X3*Y3+(X4+Y4)*(X3+Y3) * X2*Y2+(X4+Y4)(X3+Y3)(X2+Y2)*X1*Y1+(X4+Y4)(X3+Y3)(X2+Y2)(X1+Y1)*C0 下面引入进位传递函数Pi和进位产生函数Gi的概念。
它们定义为:Pi=Xi+YiGi=Xi*YiP1的意义是:当X1和Y1中有一个为1时,若有进位输入,则本位向高位传递此进位。
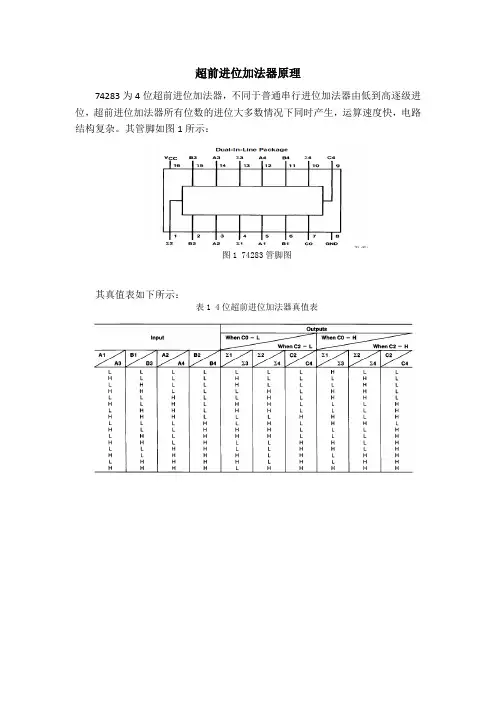
超前进位加法器原理74283为4位超前进位加法器,不同于普通串行进位加法器由低到高逐级进位,超前进位加法器所有位数的进位大多数情况下同时产生,运算速度快,电路结构复杂。
其管脚如图1所示:图1 74283管脚图其真值表如下所示:表1 4位超前进位加法器真值表由全加器的真值表可得Si 和Ci的逻辑表达式:定义两个中间变量Gi 和Pi:当Ai =Bi=1时,Gi=1,由Ci的表达式可得Ci=1,即产生进位,所以Gi称为产生量变。
若Pi =1,则Ai·Bi=0,Ci=Ci-1,即Pi=1时,低位的进位能传送到高位的进位输出端,故Pi称为传输变量,这两个变量都与进位信号无关。
将Gi 和Pi代入Si和Ci得:进而可得各位进位信号的逻辑表达如下:根据逻辑表达式做出电路图如下:逻辑功能图中有2输入异或门,2输入与门,3输入与门,4输入与门,2输入或门,3输入或门,4输入或门,其转化成CMOS晶体管图如下:电路网表如下:*xor 2.subckt xor2 a b c d fmxorpa 1 a vdd vdd pmos l=2 w=8 mxorpb f d 1 vdd pmos l=2 w=8 mxorpc 2 b vdd vdd pmos l=2 w=8 mxorpd f c 2 vdd pmos l=2 w=8 mxorna f a 3 0 nmos l=2 w=4 mxornb 3 b 0 0 nmos l=2 w=4 mxornc f c 4 0 nmos l=2 w=4 mxornd 4 d 0 0 nmos l=2 w=4.ends xor2*and2.subckt and2 a b fmandpa f a vdd vdd pmos l=2 w=4 mandpb f b vdd vdd pmos l=2 w=4 mandna f a 1 0 nmos l=2 w=4 mandnb 1 b 0 0 nmos l=2 w=4.ends and2*and3.subckt and3 a b c fmandpa f a vdd vdd pmos l=2 w=4 mandpb f b vdd vdd pmos l=2 w=4 mandpc f c vdd vdd pmos l=2 w=4 mandna f a 1 0 nmos l=2 w=6 mandnb 1 b 2 0 nmos l=2 w=6 mandnc 2 c 0 0 nmos l=2 w=6.ends and3*and4.subckt and4 a b c d fmandpa f a vdd vdd pmos l=2 w=4 mandpb f b vdd vdd pmos l=2 w=4 mandpc f c vdd vdd pmos l=2 w=4 mandpd f d vdd vdd pmos l=2 w=4 mandna f a 1 0 nmos l=2 w=8 mandnb 1 b 2 0 nmos l=2 w=8 mandnc 2 c 3 0 nmos l=2 w=8 mandnd 3 d 0 0 nmos l=2 w=8.ends and4*or2.subckt or2 a b fmorpa 1 a vdd vdd pmos l=2 w=8 morpb f b 1 vdd pmos l=2 w=8mna f a 0 0 nmos l=2 w=4mnb f b 0 0 nmos l=2 w=4.ends or2*or3.subckt or3 a b c fmorpa 1 a vdd vdd pmos l=2 w=12 morpb 2 b 1 vdd pmos l=2 w=12 morpc f c 2 vdd pmos l=2 w=12mna f a 0 0 nmos l=2 w=4mnb f b 0 0 nmos l=2 w=4mnc f c 0 0 nmos l=2 w=4.ends or3*or4.subckt or4 a b c d fmorpa 1 a vdd vdd pmos l=2 w=16 morpb 2 b 1 vdd pmos l=2 w=16 morpc 3 c 2 vdd pmos l=2 w=16 morpd f d 3 vdd pmos l=2 w=16mna f a 0 0 nmos l=2 w=4mnb f b 0 0 nmos l=2 w=4mnc f c 0 0 nmos l=2 w=4mnd f d 0 0 nmos l=2 w=4.ends or4*not.subckt not a fmnotpa f a vdd vdd pmos l=2 w=4 mnotna f a 0 0 nmos l=2 w=2.ends not *反相器*or21.subckt or21 a b fxor2 a b 1 or2xnot 1 f not.ends or21 *2输入或门*or31.subckt or31 a b c fxor3 a b c 1 or3xnot 1 f not.ends or31 *3输入或门*or41.subckt or41 a b c d fxor4 a b c d 1 or4xnot 1 f not.ends or41 *4输入或门*xor21.subckt xor21 a b fxm a A5 notxn b B5 notxxor a b A5 B5 f xor2.ends xor21 * 2输入异或门*and21.subckt and21 a b fxand2 a b 1 and2xnot 1 f not.ends and21 *2输入与门*and31.subckt and31 a b c fxand3 a b c 1 and3xnot 1 f not.ends and31 *3输入与门*and41.subckt and41 a b c d fxand4 a b c d 1 and4xnot 1 f not.ends and41 *4输入与门xxor211 a1 b1 p1 xor21xxor212 a2 b2 p2 xor21xxor213 a3 b3 p3 xor21xxor214 a4 b4 p4 xor21xand211 a1 b1 g1 and21xand212 a2 b2 g2 and21xand213 a3 b3 g3 and21xand214 p1 c0 m0 and21xor211 m0 g1 c1 or21 *进位C1xand311 p2 p1 c0 m1 and31xand215 p2 g1 m2 and21xor312 g2 m1 m2 c2 or31 *进位C2xand411 p3 p2 p1 c0 m3 and41xand313 p3 p2 g1 m4 and31xand216 p3 g2 m5 and21xor412 m3 m4 m5 g3 c3 or41 *进位C3xxor215 p1 c0 s1 xor21 *输出s1xxor216 p2 c1 s2 xor21 *输出s2xxor217 p3 c2 s3 xor21 *输出s3xxor218 p4 c3 s4 xor21 *输出s4.include "c:\lib\130nm_bulk.l"tt.opt scale=0.05u.global vdd gndvdd vdd 0 1.2va1 a1 0 pulse 1.2 1.2 20n 1f 1f 30n 100nva2 a2 0 pulse 0 0 20n 1f 1f 30n 100nva3 a3 0 pulse 0 0 20n 1f 1f 30n 100nva4 a4 0 pulse 0 0 20n 1f 1f 30n 100nvb1 b1 0 pulse 1.2 1.2 20n 1f 1f 30n 100n vb2 b2 0 pulse 1.2 1.2 20 1f 1f 30n 100nvb3 b3 0 pulse 0 0 20n 1f 1f 30n 100nvb4 b4 0 pulse 1.2 1.2 20n 1f 1f 30n 100nvc0 c0 0 pulse 0 0 4n 1f 1f 0n 100n.tran 1n 100n.plot tran v(s1).plot tran v(s2).plot tran v(s3).plot tran v(s4).end。
v e r i l o g12位超前进位加法器12位流水线加法器的设计2016311030103 吴昊1.实验目的用verilog实现12位流水线加法器2.实验原理12位加法器是将3个4位加法器串行连接而形成的。
如果每个4位加法器都有100ns的吞吐延迟,那么该结构的最大延迟时间将是300ns。
在同步电路中,这种结构是为了使所有的操作都在同一时钟周期内进行。
本文采用另一种流水线结构可以通过把该处理过程分配到多个时钟周期上,以更高的吞吐速率进行操作。
速度和物理资源的折中保证了这种方法是可行的。
这种流水线结构包含一个数据输入寄存器IR,输出寄存器OR 和之间的传播寄存器PR1和PR2.这种结构对数据进行序列化,因此在一个给定的时钟周期内,进位只能在1/3个数据路径中传播。
输入数据通路接口以同步方式给运算单元提供完整的输入字,但是此时仅仅形成了低4位数据字节的和。
然后将那个“和”与其左面的数据一起存入20位内部寄存器PR1中。
在下一个时钟周期内,形成中4位数据字节的和,并且将其与低4位字节和,这一周期的进位一起存入PR2中。
在第三个时钟周期内,形成高4位数据字节的和,并将低、中4位数据字节的和输出进位一并存入12位输出寄存器OR。
利用这种内部寄存器,该流水线单元可以近似工作在原价发起频率的三倍平频率上。
在最初的延迟周期后,每隔100ns就会在单元的输出端出现一个新的和。
12位加法器流水线结构:3.Verilog代码源代码:module add12(a,b,c_in,c_out,sum,clock);input [11:0] a,b;input c_in,clock;output [11:0] sum;output c_out;reg [24:0] IR;reg [20:0] PR1;reg [16:0] PR2;reg [12:0] OR;wire [3:0] A,C,E;wire B,D,F;assign{c_out,sum}=OR;add4 wh1(A,B,IR[4:1],IR[8:5],IR[0]);add4 wh2(C,D,PR1[8:5],PR1[12:9],PR1[4]); add4 wh3(E,F,PR2[12:9],PR2[16:13],PR2[8]); always@(posedge clock)beginIR[0]<=c_in;IR[4:1]<=a[3:0];IR[8:5]<=b[3:0];IR[12:9]<=a[7:4];IR[16:13]<=b[7:4];IR[20:17]<=a[11:8];IR[24:21]<=b[11:8];PR1[3:0]<=A;PR1[4]<=B;PR1[8:5]<=IR[12:9];PR1[12:9]<=IR[16:13];PR1[16:13]<=IR[20:17];PR1[20:17]<=IR[24:21];PR2[7:4]<=C;PR2[8]<=D;PR2[3:0]<=PR1[3:0];PR2[12:9]<=PR1[16:13];PR2[16:13]<=PR1[20:17];OR[11:8]<=E;OR[12]<=F;OR[7:0]<=PR2[7:0];endEndmodule4位超前进位加法器模块:module add4(sum,c_out,a,b,c_in);output [3:0] sum;output c_out;input [3:0] a;input [3:0] b;input c_in;wire [3:0] g=a&b;wire [3:0] p=a^b;wire c1,c2,c3,c4;assignc1=(p[0]&c_in)|g[0],c2=(p[1]&p[0]&c_in)|(p[1]&g[0])|g[1],c3=g[2]|(p[2]&g[1])|(p[2]&p[1]&g[0])|(p[3]&p[2]&p[1]&p[0]&c_in),c4=g[3]|(p[3]&g[2])|(p[3]&p[2]&g[1])|(p[3]&p[2]&p[1]&g[0])|(p[3]&p[2]&p[1]&p[ 0]&c_in);assignsum[0]=p[0]^c_in,sum[1]=p[1]^c1,sum[2]=p[2]^c2,sum[3]=p[3]^c3;assignc_out=c4;endmodule测试代码:module add12_test;reg [11:0] a,b;reg c_in,clock;wire c_out;wire [11:0] sum;add12 k(a,b,c_in,c_out,sum,clock);initialbeginclock=0;a=12'h123;b=12'h321;c_in=0;#100 a=12'h111;b=12'h222;#100 a=12'h189;b=12'h739;#100 a=12'h458;b=12'hc52;endalwaysbegin#50 clock=~clock;endendmodule4.实验数据仿真图:由仿真图可知,加法器输出结果正确,并在三个时钟周期后,每一个时钟周期输出一个新的和,成功加快了三倍频率。
超前进位加法器原理超前进位加法器是一种在数字电路中常用的加法器,它可以实现快速、高效地进行数字加法运算。
在本文中,我们将详细介绍超前进位加法器的原理和工作方式。
首先,让我们来了解一下传统的进位加法器。
在传统的进位加法器中,每一位的进位都依赖于前一位的运算结果。
这意味着当我们进行多位数的加法运算时,每一位的计算都需要等待前一位的计算结果,这会导致整体的运算速度变慢。
而超前进位加法器则通过引入预测进位的方式来解决这一问题。
它可以在不等待前一位计算结果的情况下,提前计算出进位的值,从而加快整体的运算速度。
超前进位加法器的原理是基于两个关键的概念,预测进位和进位生成。
预测进位是指在进行加法运算时,提前计算出下一位的进位值。
而进位生成则是指在当前位的计算中,根据当前位的两个加数和上一位的进位值,生成当前位的进位值。
为了更好地理解超前进位加法器的工作原理,让我们来看一个具体的例子。
假设我们要计算两个4位数的加法,1101和1011。
在传统的进位加法器中,我们需要等待前一位的计算结果,而在超前进位加法器中,我们可以提前计算出进位值,从而加快整体的运算速度。
对于上面的例子,我们可以先计算最低位的进位值。
根据预测进位的原理,我们可以提前计算出第二位的进位值为1。
然后,根据进位生成的原理,我们可以计算出最低位的和为0,进位值为1。
接着,我们可以继续计算第二位的和和进位值,依次类推,直到计算出最高位的和和进位值。
通过上面的例子,我们可以看到,超前进位加法器可以在不等待前一位计算结果的情况下,提前计算出进位值,从而加快整体的运算速度。
这种预测进位和进位生成的原理,使得超前进位加法器成为了数字电路中常用的加法器之一。
总之,超前进位加法器通过引入预测进位的方式,提前计算出进位值,从而加快了加法运算的速度。
它的工作原理基于预测进位和进位生成的概念,通过这种方式可以在不等待前一位计算结果的情况下,快速、高效地进行数字加法运算。
16位超前进位加法器设计目录摘要 (1)1需求分析1.1加法器的发展........................................................................ 错误!未定义书签。
1.2几种串行加法器性能比较 (3)1.2.1串行进位加法器 (3)1.2.1超前进位加法器 (3)2主要内容 (4)2.1设计原理 (6)2.2设计思路 (4)3 设计思想 (5)4 实现方法 (6)4.1顶层方案图的设计与实现 (6).4.1.1顶层方案的整体设计 (6)4.1.2元器件选择和引脚锁定 (7)4.2功能模块的设计与实现 (8)4.2.1设计描述 (8)4.2.2创建RTL代码并得到电路图....................................................... .94.3功能仿真 (11)4.4编程与下载 (12)4.5硬件仿真结果 (12)5小结 (13)参考文献 (13)附录 (14)摘要:加法运算是最重要最基本的运算,所有的其他基本算术运算乘除等都最终可以用加法运算来表示在不同的场合对加法器的要求不同,要的要求速度快有的要求面积小超前进位加法器相比于串行进位加法器是一种快速加法运算器,根据用户的要求追求速度与面积的平衡。
关键词:超前进位加法器串行进位加法器速度面积1需求分析1.1 加法器的发展加法运算是最基本的运算,所有其他基本算术运算都是以加法运算为基础。
但因为加法运算存在进位问题,使得某一位计算结果的得出和所有低于他的位相关,因此,为了减少进位传输所耗的时间提高计算速度人们设计了多种类型的加法器。
如跳跃进位加法器,进位选择加法器,超前进位加法器等他们都是利用各位之间的状态来预先产生高位进位信号从而减少进位从低位到高位的传递时间1.2 几种加法器的性能比较1.2.1串行进位加法器串行进位加法器的每一位加和值都依赖于上一位进位信号,即进位信号是串行的经过加法器的每一位。
实验名称:十六位超前进位加法器一、实验目的设计、验证并优化16位超前进位加法器的逻辑功能。
二、实验原理1、1位全加器原理全加器的求和输出信号和进位信号,定义为输入变量A、B、C的两种组合布尔函数:求和输出信号= A ⊕B ⊕C进位信号= AB + AC + BC实现这两个函数的门级电路如下图。
并不是单独实现这两个函数,而是用进位信号来产生求和输出信号。
这样可以减少电路的复杂度,因此节省了芯片面积。
上述全加器电路可以用作一般的n位二进制加法器的基本组合模块,它允许两个n 位的二进制数作为输入,在输出端产生二进制和。
最简单的n位加法器可由全加器串联构成,这里每级加法器实现两位加法运算,产生相应求和位,再将进位输出传到下一级。
这样串联的加法器结构称为并行加法器,但其整体速度明显受限于进位链中进位信号的延迟。
因此,为了能够减少从最低有效位到最高有效位的最坏情况进位传播延时,最终选择的电路是十六位超前加法器。
2、超前进位加法器原理超前进位加法器的结构如下图。
超前进位加法器的每一位由一个改进型全加器产生一个进位信号gi和一个进位传播信号pi,其中全加器的输入为Ai和Bi,产生的等式为:改进的全加器的进位输出可由一个进位信号和一个进位传输信号计算得出,因此进位信号可改写为:式中可以看出,当gi = 1(Ai = Bi = 1)时,产生进位;当pi = 1(Ai =1或Bi = 1)时,传输进位输入,这两种情况都使得进位输出是1。
近似可以得到i+2和i+3级的进位输出如下:下图为一个四位超前进位加法器的结构图。
信号经过pi和gi产生一级时延,经过计算C产生一级时延,则A,B输入一旦产生,首先经过两级时延算出第1轮进位值C’不过这个值是不正确的。
C’再次送入加法器,进行第2轮2级时延的计算,算出第2轮进位值C,这一次是正确的进位值。
这里的4个4位超前进位加法器仍是串行的,所以一次计算经过4级加法器,一级加法器有2级时延,因此1次计算一共经过8级时延,相比串行加法器里的16级时延,速度提高很多。
超前进位加法器超前进位加法器是一种在数字电路中常用的电子设备,它具有在加法操作中进位能力更高的特点。
在这篇文章中,我们将探讨超前进位加法器的工作原理、应用场景以及它对现代科技的影响。
首先,让我们了解一下超前进位加法器的工作原理。
超前进位加法器是一种高性能的加法电路,它能够在进行数字加法时更快地产生进位信号。
它通过利用多个位的输入信号和输出信号之间的时序关系来实现进位的超前生成。
通过这种方式,超前进位加法器能够大大提高加法操作的速度和效率。
超前进位加法器的应用场景非常广泛。
它常常被用于高速计算机、图像处理器和通信设备等领域。
在高速计算机中,超前进位加法器可以快速地进行大量的数字运算,从而提高计算机的整体性能。
在图像处理器中,超前进位加法器可以快速地对图像进行处理和分析,提供更高质量的图像处理效果。
在通信设备中,超前进位加法器可以实现高速数据传输和信号处理,提供更快速和可靠的通信服务。
超前进位加法器对现代科技的影响不可忽视。
首先,它极大地提高了数字电路的运算速度和效率。
在过去,传统的进位生成方式虽然能够实现进位的生成,但速度较慢,效率不高。
而超前进位加法器的出现,解决了这个问题,使得数字电路能够更快地进行加法运算。
其次,超前进位加法器的应用为人们的生活带来了便利。
在现代社会中,大量的数字运算都离不开超前进位加法器的支持,例如银行的财务计算、医院的影像处理等。
最后,超前进位加法器的不断创新和发展,也推动了数字电路领域的技术进步。
总结起来,超前进位加法器是一种在数字电路中常用的高性能加法电路。
它通过利用多个位的输入信号和输出信号之间的时序关系,提前生成进位信号,从而大大提高了加法操作的速度和效率。
超前进位加法器的应用场景广泛,它在高速计算机、图像处理器和通信设备等领域发挥着重要作用。
超前进位加法器的出现和应用,不仅极大地提高了数字电路的运算速度和效率,也为人们的生活带来了便利。
随着技术的不断创新和发展,相信超前进位加法器在未来将会有更广泛的应用和更大的影响。
超前进位加法器公式全文共四篇示例,供读者参考第一篇示例:超前进位加法器是一种用来进行超前进位加法的计算器,它在数位计算领域是非常重要和实用的工具。
超前进位加法器的设计原理是利用进位延迟来减少计算时间,提高计算效率。
在本文中,我们将详细介绍超前进位加法器的公式及其工作原理。
超前进位加法器的公式基本上是基于二进制加法的原理进行设计的。
在二进制加法中,当两个位相加时,如果有进位产生,则需要等待进位的延迟时间。
而超前进位加法器通过提前计算进位,可以在加法器的计算周期内完成多个位的相加操作,从而减少计算时间。
超前进位加法器的公式如下:S = A XOR B XOR CinCout = (A AND B) OR ((A XOR B) AND Cin)S是结果位,A和B是待相加的两个位,Cin是前一位相加的进位,Cout是当前位相加产生的进位。
在这个公式中,第一部分计算了没有考虑进位的情况下的结果位S。
通过对A和B进行异或运算,可以得到不考虑进位情况下的结果。
第二部分计算了当前位的进位Cout。
通过A和B的与运算,可以得到进位的生成情况,并且结合前一位的进位Cin,可以得到当前位的进位。
第二篇示例:超前进位加法器是一种用于进行数值加法运算的电子装置,其特点是在进位计算时会提前将进位信号传输到下一位,从而加快计算速度。
它的工作原理是通过预测下一个进位值来提前确定进位的传递路径,从而实现高效的加法运算。
在现代计算机系统中,超前进位加法器被广泛应用于高速运算模块,能够在瞬间完成大规模的数值计算。
超前进位加法器通常由多个加法单元和进位预测单元组成。
加法单元负责实际的加法运算,而进位预测单元则负责提前预测下一个进位值。
在进行加法运算时,进位预测单元会提前计算下一个进位值,并将进位信号传输到下一位。
这种提前传递的方式可以减少计算过程中的等待时间,提高计算效率。
超前进位加法器在数字信号处理、通信系统、图像处理等领域都有着广泛的应用。
实验二——超前进位加法器(信安公用模板)
姓名:程晓阳
学号:1210604
专业:信息安全
组员:桂敏_1210607
1.用文字描述或画图方式给出模块A和B的电路图,并给出对应的逻辑表达式。
1.1模块A
逻辑表达式:
(1)pi=A+B
(2)gi=A*B
(3)S=AB`Ci`+A`B Ci`+ A`B`Ci + ABCi (注:’为取反符号)
电路图:
(此处文字描述或贴图)
1.2模块B逻辑表达式:
电路图:
1.3模块AB
1.3模块BBB
1.4最终图
2.用文字描述或画图方式给出FPGA外
3.在QuartusⅡ软件中输入8位超前进位加法器的原理图设计文件,进行编译、仿真、下载并观察运算结果。
3.1观察运算结果
(此处贴图,可辅以文字描述。
将实验测试数据的输入(手动输入的开关状态,2*8位)和输出(发光二极管的状态,8个)呈现出来)
图同上:10101100+01010011=11111111。