设备基础二次灌浆检验批质量验收记录之欧阳光明创编
- 格式:doc
- 大小:36.52 KB
- 文档页数:2
注浆地基检验批质量验收记录.doc 范本一:注浆地基检验批质量验收记录1. 项目概况1.1 项目名称1.2 工程地址1.3 建设单位1.4 监理单位1.5 施工单位1.6 设计单位2. 检验批信息2.1 检验批编号2.2 检验批名称2.3 检验批日期2.4 检验批人员3. 注浆地基工程施工情况3.1 施工现场照片3.2 注浆材料情况3.3 注浆设备使用情况3.4 注浆施工工艺及流程3.5 注浆地基质量控制4. 注浆地基工程质量验收4.1 注浆地基验收标准4.2 注浆地基施工质量验收结果4.3 注浆地基质量验收记录5. 注浆地基工程质量问题整改5.1 问题整改情况5.2 整改措施及方案5.3 整改结果及验收情况6. 注浆地基工程总结与评价6.1 工程优点6.2 工程不足6.3 改进措施6.4 意见建议附件:附件一:施工现场照片附件二:注浆材料供应商资质证明附件三:注浆施工工艺图纸法律名词及注释:1. 建设单位:进行工程建设的法人、其他组织或个人。
2. 监理单位:根据法律、行政法规及有关规定所具有的资质和条件,接受委托,在工程建设中,对设计、工程施工合同和工程质量进行监督检查的依法设立的机构。
3. 施工单位:承揽工程建设的法人、其他组织或个人。
4. 设计单位:按照有关法律、法规及技术规程,使用其所掌握的科学技术方法和技术知识,担负工程设计的法人、其他组织或个人。
范本二:注浆地基检验批质量验收记录1. 项目概述1.1 项目名称1.2 工程地址1.3 建设单位1.4 监理单位1.5 施工单位1.6 设计单位2. 检验批信息2.1 检验批编号2.2 检验批日期2.3 检验批人员3. 注浆地基工程施工情况3.1 施工现场照片3.2 注浆材料使用情况3.3 注浆设备情况3.4 注浆施工工艺流程4. 注浆地基质量验收4.1 注浆地基验收标准4.2 注浆地基施工质量验收结果4.3 注浆地基质量验收记录5. 注浆地基工程质量问题整改5.1 问题描述5.2 整改措施5.3 整改结果及验收情况6. 注浆地基工程总结与评价6.1 工程优点6.2 工程不足6.3 改进措施6.4 意见建议附件:附件一:施工现场照片附件二:注浆材料供应商合格证明附件三:注浆施工工艺图纸法律名词及注释:1. 建设单位:依法经登记注册并具备相应资质的法人或其他组织,承担建设工程设计、施工、监理、经济与管理等职责。
表4.2.13 汽轮发电机组工程质量控制点签证、记录、强制性条文执行情况检查项目4.3 汽轮发电机组通用部分汽轮发电机基础准备适用范围:适用于汽轮发电机本体安装前的基础检查准备工作,包括:基础检查与几何尺寸校核,基础承力面凿毛,二次灌浆内挡板安装,地脚螺栓检查。
4.3.1 基础检查与几何尺寸校核检查验收见表4.3.1。
表4.3.1基础检查与几何尺寸校核4.3.2基础承力面凿毛检查验收见表4.3.2。
表4.3.2基础承力面凿毛4.3.3 二次灌浆内挡板安装检查验收见表4.3.3。
表4.3.3 二次灌浆内挡板安装4.3.4地脚螺栓检查验收见表4.3.4。
表4.3.4 地脚螺栓检查4.3.5一般垫铁配制检查验收见表4.3.5。
表4.3.5一般垫铁配制表4.3.5 (续)检验项目性质单位 质量标准 检验方法及测量器具 斜度1/10~1/25测量计算 接触面加工粗糙度观察4.3.6 垫铁安装检查验收见表4.3.6。
表4.3.6 垫铁安装检验项目性质 单位质量标准检验方法及测量器具接触面间隙 台板与垫铁 主控 mm 0.05塞尺局部塞入宽度、深度均<1/4边长 塞尺检查垫铁与垫铁主控 mm斜垫铁错开面积 ≤25%垫铁面积 观察 垫铁与基础边距 mm >10 钢直尺测量 每叠垫铁总厚度 mm 80左右 钢直尺测量 超过三块垫铁的叠比①② 主控 <20% 统计计算埋置垫铁标高 符合制造厂要求 垫铁水平度偏差 mm/m <0.1 水平仪测量 埋置垫铁位置对螺孔中心的偏差mm <3 钢卷尺测量注1:每叠垫铁一般不超过三块,个别特殊情况允许达到五块,其中只允许一对斜垫铁,斜垫铁一对视为两块。
注2:叠比计算公式为:叠比=垫铁总叠数垫铁超过三块的叠数×100 %。
4.3.7混凝土垫块配制检查验收见表4.3.7。
表4.3.7 混凝土垫块配制检验项目 性质 单位 质量标准 检验方法及测量器具 基础凿毛 位置 符合图纸要求 与台板核对 尺寸模板安装 牢固、密封 观察 模板高度mm80左右钢直尺测量4.3.8可调固定器安装检查验收见表4.3.8。
注浆地基检验批质量验收记录范文在地基建设的世界里,注浆技术如同一位巧手工匠,将土壤、水和水泥融合成坚固的基石。
今天,我们就来聊聊这位“工匠”的作品——注浆地基检验批质量验收记录。
想象一下,你刚搬进的新家,地板嘎吱作响,墙壁开裂漏水。
这可怎么办?别急,我们来帮你解决这个小问题。
你得找专业的团队来检查一下,就像我们检查注浆地基一样仔细。
他们用专业的眼光,就像侦探一样,仔细寻找裂缝、渗漏等问题。
然后,他们会用专业的工具,就像医生一样,找出问题的根源。
他们会用专业的技术,就像魔术师一样,解决问题,让你的新家恢复往日的宁静。
在这个过程中,我们就像是一群细心的“侦探”,用我们的专业知识,像“侦探”一样,找到问题所在。
我们用“魔法”般的技术和工具,像“魔术师”一样,解决问题。
我们用心去感受每一寸土地的变化,就像“艺术家”一样,创造出完美的作品。
在这个过程中,我们就像是一群勇敢的“探险家”,不怕困难,不怕挑战,就像“探险家”一样,勇敢地面对一切。
我们用“智慧”和“勇气”去解决问题,就像“勇士”一样,无畏地前行。
在这个过程中,我们就像是一群无私的“志愿者”,不求回报,就像“志愿者”一样,默默地付出。
我们用“爱心”和“奉献”去帮助他人,就像“慈善家”一样,无私地奉献。
在这个过程中,我们就像是一群快乐的“舞者”,享受这个过程,就像“舞者”一样,尽情地舞蹈。
我们用“热情”和“快乐”去感染每一个人,就像“演员”一样,用热情和快乐去感染每一个观众。
在这个过程中,我们就像是一群有梦想的“追梦人”,不断追求,就像“追梦人”一样,勇敢地去追求梦想。
我们用“坚持”和“努力”去实现梦想,就像“奋斗者”一样,坚持不懈地追求梦想。
在这个过程中,我们就像是一群有担当的“守护者”,保护家园,就像“守护者”一样,守护着我们的家园。
我们用“责任”和“担当”去保护家园,就像“英雄”一样,勇敢地守护着我们的家园。
在这个过程中,我们就像是一群有智慧的“智者”,用智慧解决问题,就像“智者”一样,用智慧去解决问题。
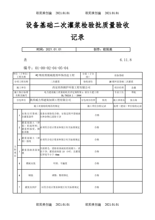
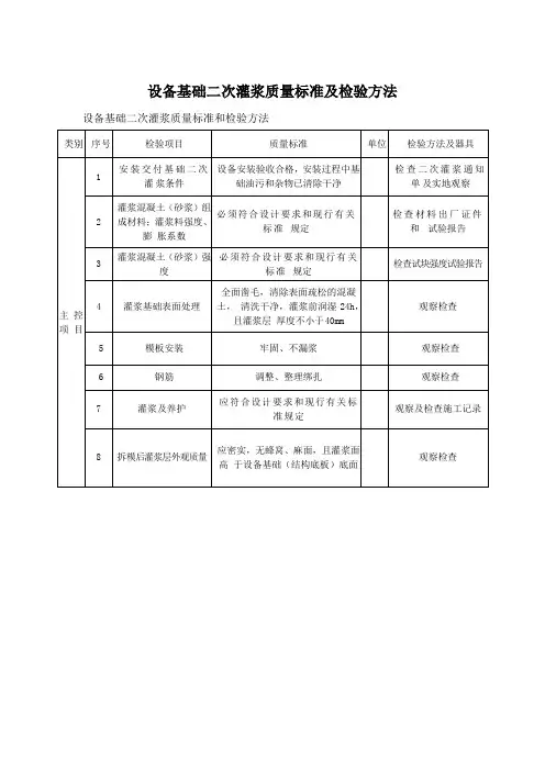
二次灌浆检查记录
单位工程名称井下主排水泵房设备
安装工程
分项工程名称水泵、电机基础
设备名称型号数量
设备生产厂家出厂日期
序号检查项目质量标准检查结果
1 设备安装前,混凝土
基础二次灌浆处
应剁成麻面,并在灌浆前
用水冲洗干净
剁有麻面,冲洗干净
2 放置垫铁位置垫铁与基础面应接触良好接触良好
3 灌浆时必须捣固密实,基础螺栓
严禁产生歪斜
灌浆捣固密实,螺栓垂
直
4 二次灌浆所有砂浆或
混凝土的强度等级
应比基础的混凝土强度等
级高一级
符合要求(水泥:砂:石子:
水=1:1.93:3.93:0.14)
检查
结果
达到质量标准,满足要求。
技术负责人
年月日班组长
年月日
质检员
年月日。
表4.2.13 汽轮发电机组工程质量控制点签证、记录、强制性条文执行情况检查项目4.3 汽轮发电机组通用部分汽轮发电机基础准备适用范围:适用于汽轮发电机本体安装前的基础检查准备工作,包括:基础检查与几何尺寸校核,基础承力面凿毛,二次灌浆内挡板安装,地脚螺栓检查。
4.3.1 基础检查与几何尺寸校核检查验收见表4.3.1。
表4.3.1 基础检查与几何尺寸校核4.3.2基础承力面凿毛检查验收见表4.3.2。
表4.3.2 基础承力面凿毛4.3.3 二次灌浆内挡板安装检查验收见表4.3.3。
表4.3.3 二次灌浆内挡板安装4.3.4 地脚螺栓检查验收见表4.3.4。
表4.3.4 地脚螺栓检查4.3.5一般垫铁配制检查验收见表4.3.5。
表4.3.5 (续)检验项目性质单位质量标准检验方法及测量器具斜度1/10~1/25测量计算接触面加工粗糙度观察4.3.6 垫铁安装检查验收见表4.3.6。
表4.3.6 垫铁安装检验项目性质单位质量标准检验方法及测量器具接触面间隙台板与垫铁主控mm0.05塞尺局部塞入宽度、深度均<1/4边长塞尺检查垫铁与垫铁主控mm斜垫铁错开面积≤25%垫铁面积观察垫铁与基础边距mm>10钢直尺测量每叠垫铁总厚度mm80左右钢直尺测量超过三块垫铁的叠比①②主控<20%统计计算埋置垫铁标高符合制造厂要求垫铁水平度偏差mm/m<0.1水平仪测量埋置垫铁位置对螺孔中心的偏差mm<3钢卷尺测量注1:每叠垫铁一般不超过三块,个别特殊情况允许达到五块,其中只允许一对斜垫铁,斜垫铁一对视为两块。
注2:叠比计算公式为:叠比=垫铁总叠数垫铁超过三块的叠数×100 %。
4.3.7混凝土垫块配制检查验收见表4.3.7。
表4.3.7 混凝土垫块配制检验项目性质单位质量标准检验方法及测量器具基础凿毛位置符合图纸要求与台板核对尺寸模板安装牢固、密封观察模板高度mm80左右钢直尺测量模板内部混凝土面清理无杂物、油漆、污垢观察基础表面浸水时间h≥24观察材料规格与配比制造厂的规定或符合DL5011试块养护强度主控符合图纸要求试验报告垫块养护符合制造厂或DL 5011的规定现场查看垫块与台板接触面积主控>70%涂色法检查垫块与台板接触检查主控mm 0.05塞尺局部塞入宽度、深度均<1/4边长塞尺检查垫块水平度偏差mm/m<0.1水平仪测量4.3.8可调固定器安装检查验收见表4.3.8。