斯柯达明锐2010电路图(上海大众新明锐 ( Octavia ) 轿车_21_驻车辅助电路)
- 格式:pdf
- 大小:396.76 KB
- 文档页数:5
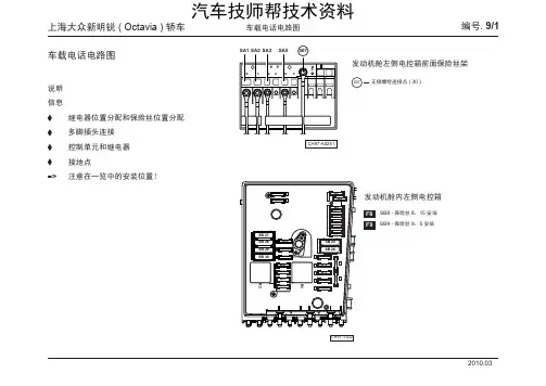
舒适便利功能系统电路图/ ● 中央门锁 ● ● 电动车窗升降机 防盗报警装置 ● ●电动车外后视镜 油箱盖板解锁装置说明信息继电器位置分配和保险丝位置分配多脚插头连接控制单元和继电器接地点注意在一览中的安装位置!=>交流发电机保险丝,安培 - SA1200 仪表板左侧保险丝盒内号总线保险丝,安培 30 - SA580 蓄电池保险丝架正极螺栓连接点( 30 )12345678910111213141516171819202122232425262728293031323334353637383940414243444546474849仪表板左侧保险丝支架CH97-1203SC12 - 1210 保险丝,安培SC23 - 2330 保险丝,安培SC32 - 3230 保险丝,安培SC34 - 3420 保险丝,安培发动机舱内左侧电控箱CH97-1202SB29 - 2950 保险丝,安培AJ519CSA5蓄电池交流发电机,在发动机右侧前方SC12SA1保险丝,安培,交流发电机保险丝,在发动机舱内左侧电控箱前面-1-200保险丝,安培,仪表板左侧保险丝盒内号总线保险丝,在发动机舱内左侧电控箱前面-5-80 30保险丝,安培,车门控制单元保险丝,在仪表板左侧保险丝支架上1210正极螺栓连接点,在发动机舱内左侧电控箱前面主保险丝支架上( 30 )正极连接线,在仪表板线束内( 30a )正极连接线,在仪表板线束内( 30 )车载网络控制单元,在仪表板左侧下方J519SB29SC23SC32SC34保险丝,安培,仪表板左侧保险丝盒内号总线保险丝、座椅调整装置的热敏保险丝,在发动机舱内左侧电控箱顶面保险丝架上2950 30 保险丝,安培,舒适便利功能系统中央控制单元保险丝,在仪表板左侧保险丝支架上3420 / 保险丝,安培,前车门控制单元保险丝,在仪表板左侧保险丝支架上2330 正极连接线,在仪表板线束内 ( 30a )正极连接线,在仪表板线束内 ( 30 )连接线,在仪表板线束内连接线,在仪表板线束内车载网络控制单元,在仪表板左侧下方40 针插头,黑色,在发动机舱内左侧电控箱上保险丝,安培,后车门控制单元保险丝,在仪表板左侧保险丝支架上323040815355397676767676E40E39J519L76T8e T10h T12j T20d E53E55E81J386T32a 左前车窗升降器开关,在驾驶员侧车门上后部车窗升降器联锁开关,在驾驶员车门上左后车窗升降器开关,在驾驶员侧车门上右后车窗升降器开关,在驾驶员侧车门上右前车窗升降器开关,在驾驶员侧车门上驾驶员侧车门控制单元,在驾驶员侧车门上按钮照明8 A 针插头,黑色,在左柱上10 针插头,黑色,车窗升降器开关插头32 针插头,灰色,驾驶员侧车门控制单元插头驾驶员侧车窗升降器马达,在驾驶员车门上接地连接线,在驾驶员车门线束内 ( 31 )正极连接线,在驾驶员车门线束内( 58d )车载网络控制单元,在仪表板左侧下方12 A 针插头,黑色,在左柱上20 针插头,黑色,驾驶员侧车门控制单元插头驾驶员侧车门控制单元、、、按钮照明驾驶员侧车窗升降器马达车窗升降器开关车载网络控制单元、驾驶员侧车门控制单元、驾驶员侧车内联锁按钮、按钮照明E308J519L76T12aT12jT20dT4amT8eJ386驾驶员侧车内联锁按钮,在换档杆后面驾驶员侧车门控制单元,在驾驶员侧车门上按钮照明12 B针插头,黑色,在车载网络控制单元上号位12 A针插头,黑色,在左柱上20 针插头,黑色,驾驶员侧车门控制单元插头4 针插头,黑色,驾驶员侧车内联锁按钮插头8 A针插头,黑色,在左柱上32 针插头,灰色,驾驶员侧车门控制单元插头车载网络控制单元,在仪表板左侧下方接地点,在左柱下部A接地连接线,在仪表板线束内( 31 )接地连接线,在仪表板线束内( 31 )接地连接线,在仪表板线束内( 31 )正极连接线,在仪表板线束内( 58d )正极连接线,在仪表板线束内( 58d )接地点,在转向柱上部接地点,在右柱,下部2 A驾驶员侧车门控制单元、后视镜调节开关、后视镜调节转换开关、中央门锁指示灯、车外-SAFE-E43J519K133L78T2u T6r E48E231J386T32a 后视镜调节开关,在驾驶员侧车门上后视镜调节转换开关,在驾驶员侧车门上车外后视镜加热按钮,在驾驶员侧车门上驾驶员侧车门控制单元,在驾驶员侧车门上照明后视镜调节开关- 2 针插头,黑色,中央门锁指示灯插头6 针插头,棕色,后视镜调节开关插头32 针插头,灰色,驾驶员侧车门控制单元插头车载网络控制单元,在仪表板左侧下方中央门锁指示灯,在驾驶员侧车门饰板上 -SAFE-17149524131J519L131T3ah T3ai T12j T12L V17V149W52Z4T16d T20d J386驾驶员侧车门控制单元,在驾驶员侧车门上3 针插头,黑色,驾驶员侧外后视镜转向信号灯灯泡插头3 针插头,黑色,驾驶员侧后视镜调节马达插头12 A 针插头,黑色,在左柱上驾驶员侧后视镜调节马达,在驾驶员侧后视镜内驾驶员侧后视镜调节马达,在驾驶员侧后视镜内驾驶员侧车外后视镜内的登车照明灯,在驾驶员侧外后视镜内驾驶员侧车外后视镜加热装置,在驾驶员侧后视镜内16 针插头,黑色,驾驶员侧车门控制单元插头12 针插头,黑色,在驾驶员车门上20 针插头,黑色,驾驶员侧车门控制单元插头车载网络控制单元,在仪表板左侧下方驾驶员侧外后视镜转向信号灯灯泡,在驾驶员侧外后视镜内驾驶员侧车门控制单元、驾驶员侧外后视镜转向信号灯灯泡、驾驶员侧后视镜调节马达、驾驶员侧驾驶员侧车门控制单元、驾驶员侧中央门锁闭锁单元、驾驶员侧车门接触开关、驾驶员车门中央222056161J519车载网络控制单元,在仪表板左侧下方V56V161F220F2驾驶员侧中央门锁闭锁单元,在驾驶员侧车门锁内驾驶员侧车门接触开关,在驾驶员侧车门锁内驾驶员车门中央门锁马达,在驾驶员侧车门锁内驾驶员车门中央门锁马达,在驾驶员侧车门锁内( Safe )T20d T10f 20 针插头,黑色,驾驶员侧车门控制单元插头10 针插头,黑色,驾驶员侧中央门锁闭锁单元插头J386驾驶员侧车门控制单元,在驾驶员侧车门上J387J519T12k 副驾驶员侧车门控制单元,在副驾驶员车门上12 A 针插头,黑色,在右柱上T20e 20 针插头,黑色,副驾驶员侧车门控制单元插头车载网络控制单元,在仪表板左侧下方接地点,在右柱下部A 副驾驶员侧车窗升降器开关,在副驾驶员车门上E107L76T32b 按钮照明32 针插头,灰色,副驾驶员侧车门控制单元插头副驾驶员侧车窗升降器马达,在副驾驶员侧车门上T8f T4an 8 A 针插头,黑色,在右柱上4 针插头,黑色,副驾驶员侧车窗升降器开关插头副驾驶员侧车门控制单元、副驾驶员侧车窗升降器开关、副驾驶员侧车窗升降器马达357162221副驾驶员侧车门接触开关,在副驾驶员侧车门锁内副驾驶员侧中央门锁闭锁单元,在副驾驶员侧车门锁内F3F221J387J519J533T10g T12c V57V162副驾驶员侧车门控制单元,在副驾驶员车门上10 针插头,黑色,副驾驶员侧中央门锁闭锁单元插头副驾驶员车门中央门锁马达,在副驾驶员侧车门锁内 副驾驶员车门中央门锁马达,在副驾驶员侧车门锁内( Safe )T12k T20c T20e 车载网络控制单元,在仪表板左侧下方数据总线诊断接口,在加速踏板上方空调器支架左侧12 G 针插头,黑色,在车载网络控制单元上号位12 A 针插头,黑色,在右柱上20 针插头,蓝色,数据总线诊断接口插头20 针插头,黑色,副驾驶员侧车门控制单元插头连接线舒适便利功能总线,高位,在仪表板线束内( / CAN )连接线舒适便利功能总线,低位,在仪表板线束内( / CAN )车载网络控制单元、副驾驶员侧车门控制单元、副驾驶员侧车门接触开关、副驾驶员侧中央门锁闭25150535132J387J519L132T3aj T3ak T12m T16f V25V150W53Z5副驾驶员侧车门控制单元,在副驾驶员车门上3 针插头,黑色,副驾驶员侧外后视镜转向信号灯灯泡插头3 针插头,黑色,副驾驶员侧后视镜调节马达插头12 针插头,黑色,在副驾驶员车门上16 针插头,黑色,副驾驶员侧车门控制单元插头副驾驶员侧后视镜调节马达,在副驾驶员侧后视镜内副驾驶员侧后视镜调节马达,在副驾驶员侧后视镜内副驾驶员侧车外后视镜内的登车照明灯,在副驾驶员侧外后视镜内副驾驶员侧车外后视镜加热装置,在副驾驶员侧后视镜内车载网络控制单元,在仪表板左侧下方副驾驶员侧外后视镜转向信号灯灯泡,在副驾驶员侧外后视镜内副驾驶员侧车门控制单元、副驾驶员侧外后视镜转向信号灯灯泡、副驾驶员侧后视镜调节马达、副J388F222F10J519左后车门控制单元,在左后车门上左后中央门锁闭锁单元,在左后车门锁内左后车门接触开关,在左后车门锁内T8g T8k T18c 8 B 针插头,黑色,在左柱上18 针插头,白色,左后车门控制单元插头8 针插头,黑色,左后中央门锁闭锁单元插头V26V163左后车窗升降器马达,在左后车门上左后车门中央门锁马达,在左后车门锁内 ( Safe )左后车门中央门锁马达,在左后车门锁内 ( Lock )车载网络控制单元,在仪表板左侧下方接地点,在左侧柱下部B 左后车门控制单元、左后中央门锁闭锁单元、左后车窗升降器马达、左后车门中央门锁马达、左后5276左后车窗升降器开关,在左后车门上 E52J388J519左后车门控制单元,在左后车门上L76T4x T8g 按钮照明8 B 针插头,黑色,在左柱上4 针插头,黑色,左后车窗升降器开关插头车载网络控制单元,在仪表板左侧下方T18c 18 针插头,白色,左后车门控制单元插头左后车门控制单元、左后车窗升降器开关J389F223F11J519T8h 右后车门控制单元,在右后车门上右后中央门锁闭锁单元,在右后车门锁内右后车门接触开关,在右后车门锁内8 B 针插头,黑色,在右柱上T8L T18d 8 针插头,黑色,右后中央门锁闭锁单元插头18 针插头,白色,右后车门控制单元插头右后车窗升降器马达,在右后车门上右后车门中央门锁马达,在右后车门锁内 ( Safe )右后车门中央门锁马达,在右后车门锁内 ( Lock )V27V164车载网络控制单元,在仪表板左侧下方接地点,在右侧柱下部B 右后车门控制单元、右后车门接触开关、右后中央门锁闭锁单元、右后车窗升降器马达、右后车门5476右后车窗升降器开关,在右后车门上E54J389J519L76右后车门控制单元,在右后车门上按钮照明T4y T8h T18d 4 针插头,黑色,右后车窗升降器开关插头8 B 针插头,黑色,在右柱上18 针插头,白色,右后车门控制单元插头车载网络控制单元,在仪表板左侧下方右后车门控制单元、右后车窗升降器开关后行李箱盖把手开锁按钮,在行李箱盖中间E234J393J519舒适便利功能系统中央控制单元,在仪表板右侧手套箱上方/ W18T8m T18a T2am T2bd T5c T5d T4d T5a F5F218T5b 左侧行李箱照明灯,在行李箱左侧2 针插头,黑色,左侧行李箱照明灯插头2 针插头,黑色,行李箱盖开锁按钮插头4 针插头,黑色,行李箱照明开关插头5 针插头,淡红色,在行李箱左侧5 针插头,黑色,在行李箱盖左侧5 针插头,黑色,在行李箱左侧5 针插头,棕色,在行李箱盖左侧行李箱照明开关,在行李箱盖锁内后行李箱盖中央门锁开关,在行李箱盖锁内接地连接线,在后盖转接线束内 ( 31 )接地点,在行李箱左侧,后轮罩上方连接线,在仪表板线束内接地点,在后行李箱盖内左侧接地连接线,在后盖线束内 ( 31 )车载网络控制单元,在仪表板左侧下方8 / 针插头,黑色,舒适便利功能系统中央控制单元插头18 / 针插头,棕色,舒适便利功能系统中央控制单元插头舒适便利功能系统中央控制单元、、、后行李箱盖把手开锁按钮/ 行李箱照明开关后行李箱盖中央门锁开关舒适便利功能系统中央控制单元、油箱盖板联锁装置马达、中央门锁和防盗报警装置天线、后行李/J393J519R47舒适便利功能系统中央控制单元,在仪表板右侧手套箱上方/ T8m T2bc T6w T2bw T18a 8 / 针插头,黑色,舒适便利功能系统中央控制单元插头2 针插头,黑色,油箱盖板联锁装置马达插头6 针插头,蓝色,滑动天窗调节控制单元插头2 针插头,黑色,后行李箱盖中央门锁马达插头18 / 针插头,棕色,舒适便利功能系统中央控制单元插头后行李箱盖中央门锁马达,在行李箱尾部中间油箱盖板联锁装置马达,在行李箱右侧V53车载网络控制单元,在仪表板左侧下方中央门锁和防盗报警装置天线,在仪表板右侧舒适系统控制单元旁接地点,在行李箱左侧,近尾灯处接地连接线,在仪表板线束内( 31 )J245滑动天窗调节控制单元,在天窗前方。
一、自动大灯自动大灯开关上的2脚接J519控制器的E14。
二、雨量传感器雨量传感器1脚是火线接入(电路图上接的是SC13,该保险已经被占用,建议接到SC17上,SC13与SC17为一根控制火线);雨量传感器2脚为零线接地;雨量传感器3脚接信号控制线J519上的F3。
三、车内防炫目镜车内防炫目镜1脚是火线接入(电路图上接的是SC4,该保险已经被占用,建议接到SC5上,SC4与SC5为一根控制火线);车内防炫目镜2脚为零线接地,车内防炫目镜3脚接信号控制线J519上的C12,该控制信号线为倒车灯控制,起到挂倒档自动关闭后视防炫目。
四、打开自动大灯与回家、离家功能1、打开09模块;2、选择07编码;3、选择长编码帮助,将byte 0 下面的5(离家功能)、6(光敏、雨量传感器)、7(回家功能)打上勾后保存退出。
4、调整离家、回家时间,进入匹配10,在频道号内输入01,将新建值改为10~120任何一个自己定的时间后保存完成;再进入频道号内输入02,将新建值改为10~120任何一个自己定的时间后保存完成。
五、开启雨天自动关窗的功能1、打开46模块2、选择07编码3、把第10位改成02(原厂是04)从左边开始数,每2个数字为一位。
六、调节自动大灯感应灵敏度与雨刷感应灵敏度1、打开09模块;2、选择07编码;3、在组件下拉框中选择第3项,即RLS(Rain & Light Sensor的缩写)。
4、我的原车编码是208933,转换成16进制得到033025。
这串十六进制数字的第1、2位代表传感器选项,01是高速(140km/h以上)开启大灯,02是下雨开启大灯,04是下雨自动关窗,默认的03,就是高速开启大灯、下雨开启大灯。
转换成二进制,二进制时第一位上是1表示开启高速大灯,第二位上是1开启雨天大灯,第三位上是1开启雨天自动关窗。
03二进制是11,高速大灯和雨天大灯有效,07二进制是111,三项功能都有效。
8 - 三角箭头,表示接下一页电路图9 - BCM T52b/12 - 52 T52b 12车身控制单元上多针插头代号及插头的触点号,例如:针脚,,触点13 - 指示导线的延续,框内的数字指示导线在相同编号的部分有延续1 - SC14 14 ( 10A )保险丝代号,图中“”表示保险丝盒中号位保险丝2 - T94a/87 - T94a 94 87元件上插头的代号,表示插头代号触点数和连接的触点号,例如:多针脚插头,针,触点6 - 线束内部连接的代号,可以在电路图下方查到该不可拆式连接位于哪个线束内4 - 指示内部接线的去向,数字表示电路图中下一个部分有相同数字的内部接线相连14 - ( 4 5 )元件的符号参见第、页3 - 三角箭头指示该元件在电路图上一页有延续16 - T14a/5 - T14a 14 5线束的插头连接代号,指示多针脚插头代号,触点数和连接的触点号,例如:多针脚插头,针,触点10 - 接线端子号,元件上的接线端子号或多针插头触点号11 - - 5 = 5触点代号在继电器上表示继电器上单个触点,例如继电器上的触点12 - -继电器位置编号在继电器板上15 - ( : ) 导线截面积单位平方毫米和颜色5 - 元件代号,可以在电路图下方查到元件名称7 - ( ) 内部连接细实线这个连接并不是作为导线存在,而是表示元件或导线束内部的电路18 - 003 03 12 09 电路图图号,例如:,表示车型,表示组号,表示页码,表示月份,表示年份3T-0030312093T 17 - 接地点的代号,可以在电路图下方查到接地点在车上的位置可加热后窗玻璃电磁阀天线螺旋弹簧换档杆锁电磁阀J过热保险丝收音机喇叭爆震传感器收音机15蓄电池后由开关控制的正极来自点火起动开关的端子 ( / )15a 30由点火起动开关控制的正极保险丝后 / ( )直接由蓄电池正极输出30a 直接由蓄电池正极输出保险丝后 ( )31蓄电池负极,或车辆接地50点火起动开关用于起动电机的输出 / 54制动灯56灯光开关用于变光和远光切换的输出56aL 56aR 左侧远光右侧远光56bL 左侧变光56bR 右侧变光58侧灯、尾灯、牌照灯58d 开关和仪表板照明照明亮度调节 ( ) 58L 左侧灯、尾灯和停车灯端子意义58R 右侧灯、尾灯和停车灯87a来自燃油泵继电器或柴油直接喷射系统继电器的端子保险丝后 ( )75a 在用起动电机时,断开在继电器后的正极连接以卸载蓄电池的负载在保险丝后 ( )BTS1 刹车开关信号CAN - H CAN - L ,驱动系统,驱动系统在驱动控制单元之间的数据总线发动机、自动变速箱、、数据总线诊断接口,…… ( ABS )CAN - H CAN - L ,舒适系统,舒适系统在舒适系统中央控制单元之间的舒适系统数据总线车门控制单元,,车载电源控制单元,数据总线诊断接口,…… ( Climatic )CANH - KI CANL - KI组合仪表和数据总线诊断接口之间的数据总线CAN - HCAN - L ,信息娱乐系统,信息娱乐系统 数据总线接口和收音机、放大器之间的数据总线K GND GRA LIN 控制单元的诊断导线接地定速巡航装置局域互联网端子意义NL NSL后雾灯前雾灯BLS 2 刹车开关信号52 BCM C 针插头,棕色,在车身控制单元上号位左侧倒车灯,在后保险杠左侧右侧倒车灯,在后保险杠右侧BCM 2 车身控制单元、右后转向信号灯灯泡、右侧刹车灯和尾灯灯泡、右侧刹车灯和尾灯灯泡、倒车灯J519T52a T52c X1T2bb T4m T4at T2bd M8M22M5952 BCM A 针插头,黑色,在车身控制单元上号位右后转向信号灯灯泡,在右尾灯内右侧刹车灯和尾灯灯泡,在右尾灯内 2 右侧刹车灯和尾灯灯泡,在右尾灯内接地连接线,在后保险杠线束中接地连接线,在主导线束中连接线,在主导线束中4 针插头,黑色,在右后车轮罩后部4 针插头,黑色,右尾灯插头2 针插头,黑色,右侧倒车灯插头2 针插头,黑色,左侧倒车灯插头BCM 车身控制单元,在仪表板左侧下方接地点,在右后轮罩后部侧围板上E86E109F319J519J527T10hT20a*多功能显示器调用按钮多功能显示器存储开关选档杆档位锁止开关P转向柱电子装置控制单元、车窗玻璃刮水器间歇运行调节器、、多功能显示器调用按钮多功能显示器存储开关BCM 车身控制单元,在仪表板左侧下方转向柱电子装置控制单元,在转向柱上部10 Tiptronic针插头,黑色,开关插头20 针插头,黑色,转向柱电子装置控制单元插头用于装备档自动变速箱标识字母的车型6 LYA / LYBT10h/28610938E38车窗玻璃刮水器间歇运行调节器,在转向柱上部右侧拨杆上J 623R转向柱电子装置控制单元、、、安全气囊螺旋弹簧带滑环的复位环、信号喇叭控制/ 转向信号灯开关变光开关J519J527J623T20a T94a R T8e T12h H F138E4E2BCM 车身控制单元,在仪表板左侧下方转向柱电子装置控制单元,在转向柱上部20 针插头,黑色,转向柱电子装置控制单元插头94 针插头,黑色,发动机控制单元插头12 针插头,黄色,在方向盘内信号喇叭控制,在方向盘内安全气囊螺旋弹簧带滑环的复位环,在方向盘下方 / 变光开关,在转向柱上部左侧拨杆上转向信号灯开关,在转向柱上部左侧拨杆上***发动机控制单元,在排水槽中部收音机,在仪表板中部出风口下方8 针插头,黑色,收音机插头用于装备定速巡航的车型用于装备收放机的车型RCN 100 MP352 BCM B 针插头,白色,在车身控制单元上号位BCM 车身控制单元、刹车灯开关J519T52a T52b 52 BCM A 针插头,黑色,在车身控制单元上号位BCM 车身控制单元,在仪表板左侧下方52 BCM C 针插头,棕色,在车身控制单元上号位接地连接线,在主导线束中接地点,在左前门槛板中间接地点,在转向柱中部连接线,在主导线束中( 54 )F T4ao 刹车灯开关,在制动总泵上4 针插头,黑色,刹车灯开关插头52 BCM B 针插头,白色,在车身控制单元上号位52 BCM A 针插头,黑色,在车身控制单元上号位BCM 车身控制单元A J519SB3SC21SC24SC46蓄电池SC47T40a T52a SA540 针插头,黑色,在发动机舱内左侧电控箱下面正极螺栓连接点,在发动机舱内左侧电控箱前面保险丝架上( 30 )正极连接线,在主导线束中 ( 30a )正极连接线,在主导线束中 ( 30a )连接线,在主导线束中连接线,在主导线束中BCM 车身控制单元,在仪表板左侧下方保险丝,安培,仪表板左侧下方保险丝盒内号总线供电保险丝,在发动机舱内左侧电控箱前面保险丝架上号位580 30 D 保险丝,安培,车身控制单元保险丝,在发动机舱内左侧电控箱顶面保险丝架上3 5 BCM 保险丝,安培,车身控制单元、后车门控制单元保险丝,在仪表板左侧下方保险丝支架上 2115 BCM 保险丝,安培,前车门控制单元保险丝,在仪表板左侧下方保险丝支架上2410 保险丝,安培,前车窗升降器马达保险丝,在仪表板左侧下方保险丝支架上4630 保险丝,安培,后车窗升降器马达保险丝,在仪表板左侧下方保险丝支架上473010针插头,黑色,车窗升降器开关插头4081535539767676767676驾驶员侧车门控制单元、、车窗升降器开关、按钮照明、驾驶员侧车窗升降器马达、后部车窗升降器联锁指示灯后部车窗升降器联锁开关E40E39T10j T20d T28a E53E55E81T32a 左前车窗升降器开关,在驾驶员侧车门上后部车窗升降器联锁开关,在驾驶员侧车门上左后车窗升降器开关,在驾驶员侧车门上右后车窗升降器开关,在驾驶员侧车门上右前车窗升降器开关,在驾驶员侧车门上32 针插头,灰色,驾驶员侧车门控制单元插头接地连接线,在驾驶员侧车门线束中正极连接线,在驾驶员侧车门线束中( 58d )J519L76K194按钮照明BCM 车身控制单元,在仪表板左侧下方20 针插头,黑色,驾驶员侧车门控制单元插头28 A 针插头,黑色,在左柱中部J386驾驶员侧车门控制单元,在驾驶员侧车门内驾驶员侧车窗升降器马达,在驾驶员侧车门内194后部车窗升降器联锁指示灯驾驶员侧车门控制单元、驾驶员侧车内联锁按钮、按钮照明、驾驶员侧车内联锁指示灯J519K174L76T28a T20d T4am E308J386驾驶员侧车内联锁按钮,在驾驶员侧车门上驾驶员侧车门控制单元,在驾驶员侧车门内28 A 针插头,黑色,在左柱中部20 针插头,黑色,驾驶员侧车门控制单元插头32 针插头,灰色,驾驶员侧车门控制单元插头4 针插头,蓝色,驾驶员侧车内联锁按钮插头BCM 车身控制单元,在仪表板左侧下方驾驶员侧车内联锁指示灯按钮照明接地点,在左前门槛板中间接地连接线,在主导线束中。
保险丝,安培,转向辅助控制单元保险丝,在蓄电池盖保险丝支架上号位350 3转向助力控制单元、蓄电池、电动机械式转向助力器马达、转向角传感器D /15 D A B 点火起动开关,在转向柱上部右侧蓄电池起动马达G85转向角传感器,在转向柱上J500转向辅助控制单元,在仪表板内转向柱右侧J519BCM 车身控制单元,在仪表板左侧下方SC26SA3T2ba 2 针插头,黑色,转向助力控制单元插头T6d T3d T6 6 针插头,黑色,转向角传感器插头V187电动机械式转向助力器马达正极连接线,在主导线束中 ( 15 ) 正极连接线,在主导线束中( 15a ) 3 针插头,黑色,转向助力控制单元插头6 针插头,黑色,点火起动开关插头接地点,在左纵梁前部左侧接地点,蓄电池车身,在左前悬挂处的车身上-保险丝,安培,收音机、停车灯继电器、转向辅助控制单元、空调器继电器保险丝,在仪表板左侧下方保险丝支架上267.5BCM 车身控制单元、转向助力控制单元、组合仪表中带显示单元的控制单元、转向扭矩传感器、电动机械式转向助力器指示灯G269转向扭矩传感器,在转向柱右侧助力器马达上J285组合仪表中带显示单元的控制单元,在仪表板左侧J500J519BCM 车身控制单元,在仪表板左侧下方K161电动机械式转向助力器指示灯T3d T6c T32a 32 针插头,蓝色,组合仪表中带显示单元的控制单元插头73 针插头,白色,在BCM B 车身控制单元上号位连接线动力传动系统总线,高位,在主导线束中( CAN )连接线动力传动系统总线,低位,在主导线束中( CAN ) 3 针插头,黑色,转向助力控制单元插头6 针插头,棕色,转向扭矩传感器插头269转向辅助控制单元,在仪表板内转向柱右侧。