fx系列中. 特殊辅助继电器(m8000~m855)
- 格式:docx
- 大小:8.00 KB
- 文档页数:3
三菱PLC-FX系列中M8000的作用?之青柳念文创
如上图左所示:
M8000,只要PLC运行,M8000就一直处于闭合状态,直到PLC停止运行.
M8001,只要PLC运行,M8001就一直处于断开状态,直到PLC停止运行.
M8002,PLC运行初期,M8002闭合一个扫描周期时间,然后一直处于断开状态.
M8003,PLC运行初期,M8003断开一个扫描周期时间,然后一直处于闭合状态.
这四个特殊位元件在PLC编程中是经常常使用到的.
现在用上图右边的程序说明其用法.
1.当PLC运行初期即令歩进指令SO闭合,进入SO状态区等待XO或X1动作,分别进入手动或是自动运行状态.比方XO闭合,令S20闭合进入手动状态,同时S0断开,因M8002只能坚持一个扫描周期的闭合时间,所以当PLC第二次执行到第一步时,M8002已经断开,S0则不成能在闭合了(当然程序其他地方仍有令S0闭合的指令,令PLC程序再一次进入S0状态区.)
2.M8000在PLC运行后一直坚持闭合状态,它的最常常使用法是,将从触摸屏等上位机界面输入的D0值(如
节制长度或是节制速度等)实时传给D200.因为我们不知道操纵者何时输入D0的数值,所以要求
M0V D0 D200指令的驱动常闭,每一个PLC扫描周期都执行一次M000,将从触摸屏传来的数据实时转移!。
三菱FX系列PLC辅助继电器(M)收藏此信息打印该信息添加:用户发布来源:未知辅助继电器是PLC中数量最多的一种继电器,一般的辅助继电器与继电器控制系统中的中间继电器相似。
辅助继电器不能直接驱动外部负载,负载只能由输出继电器的外部触点驱动。
辅助继电器的常开与常闭触点在PLC内部编程时可无限次使用。
辅助继电器采用M与十进制数共同组成编号(只有输入输出继电器才用八进制数)。
1.通用辅助继电器(M0~M499)FX2N系列共有500点通用辅助继电器。
通用辅助继电器在PLC运行时,如果电源突然断电,则全部线圈均OFF。
当电源再次接通时,除了因外部输入信号而变为ON的以外,其余的仍将保持OFF状态,它们没有断电保护功能。
通用辅助继电器常在逻辑运算中作为辅助运算、状态暂存、移位等。
根据需要可通过程序设定,将M0~M499变为断电保持辅助继电器。
2.断电保持辅助继电器(M500~M3071)FX2N系列有M500~M3071共2572个断电保持辅助继电器。
它与普通辅助继电器不同的是具有断电保护功能,即能记忆电源中断瞬时的状态,并在重新通电后再现其状态。
它之所以能在电源断电时保持其原有的状态,是因为电源中断时用PLC中的锂电池保持它们映像寄存器中的内容。
其中M500~M1023可由软件将其设定为通用辅助继电器。
下面通过小车往复运动控制来说明断电保持辅助继电器的应用,如图1所示。
<!--[if !vml]--><!--[endif]-->图1 断电保持辅助继电器的作用小车的正反向运动中,用M600、M601控制输出继电器驱动小车运动。
X1、X0为限位输入信号。
运行的过程是X0= ON→M600=ON→Y0=ON→小车右行→停电→小车中途停止→上电(M600=ON→Y0=ON)再右行→X1=ON→M600=OFF、M601=ON→Y1=ON(左行)。
可见由于M600和M601具有断电保持,所以在小车中途因停电停止后,一旦电源恢复,M600或M601仍记忆原来的状态,将由它们控制相应输出继电器,小车继续原方向运动。
三菱FX系列PLC输入输出与辅助继电器之间有什么关系?PLC是在继电器控制路线基础上发展起来的,继电器控制线路有时间继电器、中间继电器等,而PLC内部也有类似的器件,由于这些器件以软件形似存在,故称为软元件。
PLC程序由指令和软元件组成,指令的功能是发出命令,软元件是指令的执行对象,比如,SET为1指令,Y000是PLC的一种软元件(输出继电器),“SET Y000”就是命令PLC的输出继电器Y000的转台变为1。
由此可见,编写PLC程序必须了解PLC的指令级软元件。
PLC的软元件很多,主要有输入继电器、输出继电器、定时器、计数器、数据寄存器和常数等。
三菱FX系列PLC分很多子系列,越高档的子系列,其支持指令和软元件数量越多。
输入继电器(X)和输出继电器(Y)(1)、输入继电器(X)输入继电器用于接受PLC输入端子送入的外部开关信号,它与PLC的输入端子连接,其表示符号为X,按八进制方式编号,输入继电器与外部对应的输入端子编号的相同的。
三菱FX3U-48MR/ES-A型PLC外部有8个输入端子,其编号为X000~X007、X010~X017、X020~X027,相应的内部也有24个相同编号的输入继电器来接收这样端子输的开关信号。
一个输入继电器可以有无数个编号相同的常闭触点和常开触点,当某个输入端子(如X000)外接开关闭合时,PLC内部相同编号输入继电器(X000)状态变为ON,那么程序中相同编号的常开触点处于闭合,常闭触点处于断开。
(2)、输出继电器(Y)输出继电器(常称输出线圈)用于将PLC内部开关信号送出,它与PLC输出端子连接,其表示符号为Y,也按八进制方式编号,输出继电器与外部对应的输出端子编号是相同的。
三菱FX3U-48MR/ES-A型PLC外部有24个输出端子,其编号为Y000-¥007、Y010-1017、Y020~Y027,相应地内部有24个相同编号的输出继电器,这些输出继电器的状态由相同编号的外部输出端子送出。
FX系列PLC的内部软继电器及编号
不同厂家、不同系列的PLC,其内部软继电器(编程元件)的功能和编号也不相同,因此用户在编制程序时,必须熟悉所选用PLC的每条指令涉及编程元件的功能和编号。
FX系列中几种常用型号PLC的编程元件及编号如表所示。
FX系列PLC编程元件的编号由字母和数字组成,其中输入继电器和输出继电器用八进制数字编号,其它均采用十进制数字编号。
为了能全面了解FX系列PLC的内部软继电器,本节以FX2N为背景进行介绍的。
表 FX系列PLC的内部软继电器及编号。
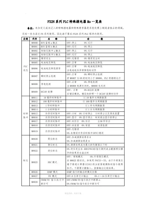
三菱plc特殊辅助继电器详解关键词:三菱plc特殊辅助继电器详解[特殊辅助继电器]M8000:运行监控(a接点接通)M8001:运行监控(b接点接通)M8002:初始脉冲(只在PLC开始运行的第一个扫描周期a接通) M8003:初始脉冲(只在PLC开始运行的第一个扫描周期b接通) M8004:错误发生(当M8060~M8067中任一个处於ON时动作) M8005:当电池电压异常过低时动作M8006:当电池电压异常过低后进入锁存状态M8007:瞬停检测M8008:停电检测M8009:DC24V失电动作M8010M8011:10ms时钟脉冲M8012:100ms时钟脉冲M8013:1s时钟脉冲M8014:1min时钟脉冲M8015:时钟停止和设置(即时时钟用)M8016:时钟读取显示停止(即时时钟用)M8017:±30s修正(即时时钟用)M8018:安装检测(即时时钟用)M8019:即时时钟RTC出错(即时时钟用)M8020:零标识M8021:借位标识M8022:进位元标识M8023M8024:BMOV方向指定(FNC15)M8025:HSC模式(FNC53~55)M8026:RAMP模式(FNC67)M8027:PR模式(FNC77)M8028:在执行FROM/TO(FNC78/79)过程中中断允许 M8029:当DSW(FNC72)等执行结束时动作M8030:使锂电池欠压指示灯(BALLLED)熄灭M8031:非保持记忆体全部清除M8032:保持记忆体全部清除M8033:PLC停止时输出保持M8034:禁止全部输出M8035:强制运行模式M8036:强制运行指令M8037:强制停止模式M8038:参数设定M8039:定时扫描方式M8040:禁止所有状态转移M8041:转移开始M8042:起动脉冲M8043:回归完成M8044:原点条件M8045:所有输出重定禁止M8046:动作状态中M8047:STL监视有效M8048:信号报警器动作M8049:信号报警器有效M8050:禁止中断100□(输入中断)M8051:禁止中断110□(输入中断)M8052:禁止中断120□(输入中断)M8053:禁止中断130□(输入中断)M8054:禁止中断140□(输入中断)M8055:禁止中断150□(输入中断)M8056:禁止中断16□□(计时器中断)M8057:禁止中断17□□(计时器中断)M8058:禁止中断18□□(计时器中断)M8059:禁止计数器中断(禁止来自1010~1060的中断)M8060:I/O构成错误(PROG-ELEDOFF,PLC状态:RUN) M8061:PC硬体错误(PROG-ELED闪烁,PLC状态:STOP) M8062:PC/PP通信错误(PROG-ELEDOFF,PLC状态:RUN) M8063:并联链结错误(PROG-ELEDOFF,PLC状态:RUN)M8064:参数错误(PROG-ELED闪烁,PLC状态:STOP)M8065:语法错误(PROG-ELED闪烁,PLC状态:STOP)M8066:回路错误(PROG-ELED闪烁,PLC状态:STOP)M8067:运算错误(PROG-ELEDOFF,PLC状态:RUN)M8068:运算错误锁存(PROG-ELEDOFF,PLC状态:RUN) M8069:输出刷新错误(PROG-ELEDOFF,PLC状态:RUN) M8070:并联链结主站时驱动M8071:并联链结子站时驱动M8072:并联链结运行中ONM8073:并联链结M8070/M8070设置不良时ONM8074M8075:取样跟踪准备开始指令M8076:取样跟踪准备完成,执行开始指令M8077:取样跟踪执行中监控M8078:取样跟踪执行完成监控M8079:跟踪次数超过512次时ONM8099:高速环形计数器动作M8109:输出刷新错误M8121:RS232C发送等待中M8122:RS232C发送标志M8123:RS232C接收完成标志M8124:RS232C载波接收中M8126:全局信号M8127:请求式握手信号M8128:请求式错误信号M8129:请求式字/位元组切换,或超时判断M8130:FNC55(HSZ)指令平台比较模式M8131:同上执行完成标志M8132:FNC55(HSZ)/FNC57(PLSY)速度模型模式M8145:Y000脉冲输出立即停止M8146:Y001脉冲输出立即停止M8147:Y000脉冲输出监控M8148:Y001脉冲输出监控M8160:FNC17(XCH)的SWAP功能M8161:8位元处理模式M8162:高速并联链结模式M8164:FNC79(FROM)/FNC80(TO)传送点数可变模式 M8167:FNC71(HEY)的HEY资料处理功能M8168:FNC13(SMOV)的HEY处理功能M8183:资料传送可编程控制器出错(主站)M8184:资料传送可编程控制器出错(1站)M8185:资料传送可编程控制器出错(2站)M8186:资料传送可编程控制器出错(3站)M8187:资料传送可编程控制器出错(4站)M8188:资料传送可编程控制器出错(5站)M8189:资料传送可编程控制器出错(6站)M8190:资料传送可编程控制器出错(7站)M8191:资料传送可编程控制器执行中[计时器]100ms计时器:T0~T199200点计时范围:0.1~3276.7s10ms计时器:T200~T24546点计时范围:0.01~327.67s1ms积算计时器:T246~T2494点(中断动作)计时范围:0.001~32.767s 100ms积算计时器:T250~T2556点计时范围:0.1~3276.7s[字软元件]K:10进制数H:16进制数KnX:输入继电器X的位指定KnY:输出继电器Y的位指定KnM:辅助继电器M的位指定KnS:状态S的位元指定(注:Kn在16位用K1~4,在32位用K1~8)T:计数器T的当前值C:计时器C的当前值D:资料寄存器(文件寄存器)V,Z:索引寄存器[位元软元件]X:输入继电器Y:输出继电器M:辅助继电器S:状态继电器FNCNO.指令格式:X0:执行条件FNC20:指令编号(D):资料长度,无(D)为16位元指令,有(D)为32位元指令ADD:助记符(P):执行形式:有(P)为脉冲执行,无(P)为连续执行▼:注意警示D10/D12:源运算元S1?/S2?:具有变址功能的源运算元D14:目标运算元D?:具有变址功能的目标运算元。
三菱FX系列PLC辅助继电器(M)收藏此信息打印该信息添加:用户发布来源:未知辅助继电器是PLC中数量最多的一种继电器,一般的辅助继电器与继电器控制系统中的中间继电器相似。
辅助继电器不能直接驱动外部负载,负载只能由输出继电器的外部触点驱动。
辅助继电器的常开与常闭触点在PLC内部编程时可无限次使用。
辅助继电器采用M与十进制数共同组成编号(只有输入输出继电器才用八进制数)。
1.通用辅助继电器(M0~M499)FX2N系列共有500点通用辅助继电器。
通用辅助继电器在PLC运行时,如果电源突然断电,则全部线圈均OFF。
当电源再次接通时,除了因外部输入信号而变为O N的以外,其余的仍将保持OFF状态,它们没有断电保护功能。
通用辅助继电器常在逻辑运算中作为辅助运算、状态暂存、移位等。
根据需要可通过程序设定,将M0~M499变为断电保持辅助继电器。
2.断电保持辅助继电器(M500~M3071)FX2N系列有M500~M3071共2572个断电保持辅助继电器。
它与普通辅助继电器不同的是具有断电保护功能,即能记忆电源中断瞬时的状态,并在重新通电后再现其状态。
它之所以能在电源断电时保持其原有的状态,是因为电源中断时用PLC中的锂电池保持它们映像寄存器中的内容。
其中M500~M1023可由软件将其设定为通用辅助继电器。
下面通过小车往复运动控制来说明断电保持辅助继电器的应用,如图1所示。
<!--[if !vml]--><!--[endif]-->图1? 断电保持辅助继电器的作用小车的正反向运动中,用M600、M601控制输出继电器驱动小车运动。
X1、X0为限位输入信号。
运行的过程是X0= ON→M600=ON→Y0=ON→小车右行→停电→小车中途停止→上电(M600=ON→Y0=ON)再右行→X1=ON→M600=OFF、M601=ON→Y1=ON(左行)。
可见由于M600和M601具有断电保持,所以在小车中途因停电停止后,一旦电源恢复,M600或M601仍记忆原来的状态,将由它们控制相应输出继电器,小车继续原方向运动。
一、辅助继电器(M)PLC内部辅助继电器的地址编号和功能:普通通用断电保持用断电保持专用特殊用途辅助继电器M0~M499500点M500~M1023524点可作通信用M800~M899主站从站M900~M999从站主站M1024~M30712048点M8000~M8255256点(1)M500~M1023可以通过设定PLC参数来改变通用型和断电保持型的比例,而M1024~M3071不能进行改变。
当采用并联通信时,M800~M999作为通信被占用。
(2)特殊用辅助继电器M8000~M8255PLC内有很多特殊用途辅助继电器,每个特殊辅助继电器功能都不同,使用时要注意其特殊功能,没有定义的辅助继电器不能用。
这类继电器又可以分为两类:(a)触点利用型特殊辅助继电器:利用PLC自动驱动其线圈,用户只利用其触点,如:M8000 运行监控(PLC在运行中,该触点总是接通)M8002 初始脉冲(每次PLC开始运行的瞬间接通,接通时间是一个扫描对周期)(b)线圈驱动型辅助继电器:如果用户将其线圈驱动,则PLC作特定运行。
如:M8033 停止时保持输出。
M8034 禁止PLC所有输出。
二、状态器(S)状态器S是构成状态转移图的重要软器件,它与后叙的步进顺序指令配合使用。
状态器常开和常闭触点在PLC中可以自由使用,且使用次数不限。
在不使用步进顺控指令时,状态器S可以像辅助继电器M一样在程序中使用。
普通用途断电保持用信号报警用状态器S0~S499500点初始状态器回零状态器S0~S9S10~S1910点10点S500~S899400点S900~S999100点S500~S899可以通过修改PLC参数改为非断电保持,S900~S999是断电保持开型。
三、定时器(T)功能:定时器是PLC内具有延时功能的软器件。
特点:它有一个设定值寄存器(一个字长),一个当前值寄存器(一个字长)以及无限个接点(常开和常闭)。
接点可以使用无限次。
F X系列中特殊辅助继电器M M内部编号:(YUUT-TBBY-MMUT-URRUY-UOOY-DBUYI-0128)M8000(M8001)----运行监视用特殊辅助继电器M8002(M8003)----初始脉冲特殊辅助继电器M8011、M8012、M8013、M8014-------分别为产生周期为10ms、100ms、1s、1min脉冲的??.特殊辅助继电器(P L C??R U N)M8004----出错特殊继电器M8061----硬件出错特殊继电器??????→D8061(出错代码)M8064----参数出错特殊继电器??????→D8064(出错代码)M8065----语法出错特殊继电器??????→D8065(出错代码)M8066----电路出错特殊继电器??????→D8066(出错代码)M8067----操作出错特殊继电器??????→D8067(出错代码)M8020----零标志M8021----借位标志M8022----进位标志M8029----指令执行完毕标志M8046----S T L状态置 1 M8246----C246减计数监视M8247----C247减计数监视M8249----C249减计数监视M8251----C251减计数监视M8252----C252减计数监视M8254----C254减计数监视M8028----10m s定时器切换标志当M8028线圈被接通时,则T32-T62变为10m s定时器M8034----禁止全部输出的特殊辅助继电器当M8034线圈被接通时,则P L C的所有输出自动断开M8039----恒定扫描周期的特殊辅助继电器当M8039线圈被接通时,则P L C以恒定的扫描方式运行恒定扫描周期值由D8039决定M8031----非保持型继电器、寄存器状态清除M8032----保持型继电器、寄存器状态清除M8033----R U N→S T O P时,输出保持R U N前状态M8035----强制运行(R U N)监视M8036----强制运行(R U N)M8037----强制停止(S T O P)M8040----禁止状态转移M8041----从起始状态开始转移M8042----启动脉冲M8043----回原点结束M8044----原点条件M8045----禁止输出复位M8047----S T L状态监控有效M8050----I00□禁止M8051----I10□禁止M8052----I20□禁止M8053----I30□禁止M8056----捕捉X0的脉冲M8057----捕捉X1的脉冲M8058----捕捉X2的脉冲M8059----捕捉X3的脉冲M8235----设置C235为减计数方式M8236----设置C236为减计数方式M8237----设置C237为减计数方式M8238----设置C238为减计数方式M8241----设置C241为减计数方式M8242----设置C242为减计数方式M8244----设置C244为减计数方式。
FX系列PLC部分特殊继电器的功能说明特殊辅助继电器功能特殊数据继电器功能M8000/M8001 RUN监控(动合/动断触点)D8000 警戒时钟M8002/M8003初始脉冲(动合/动断触点) D8001 PC型号及系统版本M8004 出错D8002 储存器容量M8005 电池电压低D8003 存储器类型M8006 电池电压低锁存D8004 出错M的编号M8007 电源瞬停捡出D8005 电池电压M8008 停电捡出D8006 电池电压低时的数值M8009 DC24V关断D8008 停电捡出时间M8011/M8012 10ms/100ms时钟D8009 DC24V关断的单元号M8013/M80141秒/1min时钟D8010 当前扫描时间M8020 零标志D8011 最小扫描时间M8021/M8022 借位/进位标志D8012 最大扫描时间M8023 浮点操作D8028 Z数据寄存器M8024 BMOV方向,ON计数器方向D8029 V数据寄存器M8030 电池LED OFF D8039 固定扫描宽度M8033 停止时保持继电器输出M8034 禁止所有输出D8040 最小的活动STL状态器号M8036/M8037 强制运行/停止信号D8041 第2个活动STL状态器号M8040 禁止状态转移D8046 第7个活动STL状态器号M8041 状态转移开始D8049 最小的活动报警器号M8042 起动脉冲D8060 I/O编号出错的第一个I,0元件号M8043 同原点完成D8061 PLC硬件出错码编号M8044 原点条件D8062 PLC/PP通信出错的错误码编号M8045 禁止输出复位D8063 并机通信错误码编号M8046 STL状态置ON D8064 参数出错的错误码编号M8047 STL状态监控有效D8065 语法出错的错误码编号M8060 I/O编号错D8066 电路出错的错误码编号M8061 PLC硬件错D8067 操作出错的错误码编号M8064 参数出错D8068 操作出错的步序号编号M8065 语法出错D8069 错误的步序号M8066 电路出错D8070 并行连接看门狗定时M8067 操作出错D8102 内存容量M8069 1/0总线检查D8109 输出刷新错误。
FX1Nplc中间辅助继电器三菱FX2N可编程控制器使用手册一、可编程控制器的内部编程元件1、输入继电器X: X000~X017 共16点2、输出继电器Y: Y000~Y017 共16点3、辅助继电器M:1)通用辅助继电器 M0~M499 共500点2)断电保持继电器 M500~M3071 共2572点3)特殊辅助继电器 M8000~M8255 共256点4、状态继电器S:S0~S499 共500点1)初始状态继电器 S0~S9 共10点2)回零状态继电器 S10~S19 共10点,供返回原点用3)通用状态继电器 S20~S499 共480点4)断电保持状态继电器 S500~S899 共400点5)报警用状态继电器 S900~S999 共100点5、定时器T: T0~T255 共256点1)常规定时器 T0~T255 共256点T0~T199为100ms定时器,共200点,其中T192~T199为子程序中断服务程序专用的定时器。
T200~T245为10ms定时器共46点2)积算定时器 T246~T255 共10点T246~T249为1ms积算定时器共4点T250~T255为100ms积算定时器共6点6、计算器 C:C0~C234 共235点1) 16位计数器 C0~C199 共200点其中C0~C99为通用型共100点C100~C199为断电保持型共100点2) 32位加/减计数器 C200~C234 共35点其中C200~C219为通用型共20点C220~C234为断电保持型共15点7、指针P/I1)分支用指针P0~P127 共128点2)中断用指针IXXX 共15点其中输入中断指针100~150 共6点定时中断指针16~18 共3点计数中断指针1010~1060 共6点8、数据寄存器D1)通用数据寄存器 D0~D199 共200点2)断电保持数据寄存器 D200~D7999其中断电保持用 D200~D511 共312点不能用软件改变的断电保持 D512~D7999 共7488点,可用RST 和ZRST指令清除它的内容。
M8000 (M8001)----运行监视用特殊辅助继电器M8002(M8003)----初始脉冲特殊辅助继电器M8011、M8012、M8013、M8014-------分别为产生周期为10ms、100ms、1s、1min脉冲的??. 特殊辅助继电器(PLC? ?RUN )M8004 ---- 出错特殊继电器M8061 ---- 硬件出错特殊继电器? ?? ?? ?→D8061(出错代码)M8064 ---- 参数出错特殊继电器? ?? ?? ?→D8064 (出错代码)M8065 ---- 语法出错特殊继电器? ?? ?? ?→D8065 (出错代码)M8066 ---- 电路出错特殊继电器? ?? ?? ?→D8066 (出错代码)M8067 ---- 操作出错特殊继电器? ?? ?? ?→D8067 (出错代码)M8020 ---- 零标志M8021 ---- 借位标志M8022 ---- 进位标志M8029 ---- 指令执行完毕标志M8046 ---- STL状态置1M8246 ---- C246 减计数监视M8247 ---- C247 减计数监视M8249 ---- C249 减计数监视M8251 ---- C251 减计数监视M8252 ---- C252 减计数监视M8254 ---- C254 减计数监视M8028 ---- 10ms定时器切换标志当M8028线圈被接通时,则T32-T62变为10ms定时器M8034 ---- 禁止全部输出的特殊辅助继电器当M8034线圈被接通时,则PLC的所有输出自动断开M8039 ---- 恒定扫描周期的特殊辅助继电器当M8039线圈被接通时,则PLC以恒定的扫描方式运行恒定扫描周期值由D8039决定M8031----非保持型继电器、寄存器状态清除M8032----保持型继电器、寄存器状态清除M8033----RUN→STOP时,输出保持RUN前状态M8035----强制运行(RUN)监视M8036----强制运行(RUN)M8037----强制停止(STOP )M8040----禁止状态转移M8041----从起始状态开始转移M8042----启动脉冲M8043----回原点结束M8044----原点条件M8045----禁止输出复位M8047----STL状态监控有效M8050---- I00□禁止M8051---- I10□禁止M8052---- I20□禁止M8053---- I30□禁止M8056---- 捕捉X0的脉冲M8057---- 捕捉X1的脉冲M8058---- 捕捉X2的脉冲M8059---- 捕捉X3的脉冲M8235 ----设置C235为减计数方式M8236 ----设置C236为减计数方式M8237 ----设置C237为减计数方式M8238 ----设置C238为减计数方式M8241 ----设置C241为减计数方式M8242 ----设置C242为减计数方式M8244 ----设置C244为减计数方式。
M8000 (M8001)----运行监视用特殊辅助继电器
M8002(M8003)----初始脉冲特殊辅助继电器
M8011、M8012、M8013、M8014-------分别为产生周期为10ms、100ms、1s、1min脉冲的??. 特殊辅助继电器(PLC? ?RUN )
M8004 ---- 出错特殊继电器
M8061 ---- 硬件出错特殊继电器? ?? ?? ?→D8061(出错代码)
M8064 ---- 参数出错特殊继电器? ?? ?? ?→D8064 (出错代码)
M8065 ---- 语法出错特殊继电器? ?? ?? ?→D8065 (出错代码)
M8066 ---- 电路出错特殊继电器? ?? ?? ?→D8066 (出错代码)
M8067 ---- 操作出错特殊继电器? ?? ?? ?→D8067 (出错代码)
M8020 ---- 零标志
M8021 ---- 借位标志
M8022 ---- 进位标志
M8029 ---- 指令执行完毕标志
M8046 ---- STL状态置1
M8246 ---- C246 减计数监视
M8247 ---- C247 减计数监视
M8249 ---- C249 减计数监视
M8251 ---- C251 减计数监视
M8252 ---- C252 减计数监视
M8254 ---- C254 减计数监视
M8028 ---- 10ms定时器切换标志
当M8028线圈被接通时,则T32-T62变为10ms定时器M8034 ---- 禁止全部输出的特殊辅助继电器
当M8034线圈被接通时,则PLC的所有输出自动断开M8039 ---- 恒定扫描周期的特殊辅助继电器
当M8039线圈被接通时,则PLC以恒定的扫描方式运行恒定扫描周期值由D8039决定
M8031----非保持型继电器、寄存器状态清除
M8032----保持型继电器、寄存器状态清除
M8033----RUN→STOP时,输出保持RUN前状态
M8035----强制运行(RUN)监视
M8036----强制运行(RUN)
M8037----强制停止(STOP )
M8040----禁止状态转移
M8041----从起始状态开始转移
M8042----启动脉冲
M8043----回原点结束
M8044----原点条件
M8045----禁止输出复位
M8047----STL状态监控有效
M8050---- I00□禁止
M8051---- I10□禁止
M8052---- I20□禁止
M8053---- I30□禁止
M8056---- 捕捉X0的脉冲
M8057---- 捕捉X1的脉冲
M8058---- 捕捉X2的脉冲
M8059---- 捕捉X3的脉冲
M8235 ----设置C235为减计数方式M8236 ----设置C236为减计数方式M8237 ----设置C237为减计数方式M8238 ----设置C238为减计数方式M8241 ----设置C241为减计数方式M8242 ----设置C242为减计数方式M8244 ----设置C244为减计数方式。