锻件超声波探伤标准
- 格式:doc
- 大小:22.00 KB
- 文档页数:4
锻件超声波探伤标准锻件超声波探伤是一种非破坏性检测方法,广泛应用于工业生产中,用于检测锻件内部的缺陷和异物。
其标准化是确保产品质量和安全的重要步骤。
本文将介绍锻件超声波探伤的标准要求,以及其在工业生产中的重要性。
首先,锻件超声波探伤的标准主要包括国家标准、行业标准和企业标准。
国家标准是由国家标准化管理委员会制定和发布的,具有法律效力,适用于全国范围内的锻件超声波探伤工作。
行业标准是由相关行业协会或组织制定的,适用于特定行业内的锻件超声波探伤工作。
企业标准是由企业根据自身生产实际情况制定的,适用于企业内部的锻件超声波探伤工作。
这些标准的制定和执行,可以有效规范锻件超声波探伤工作,提高产品质量和安全水平。
其次,锻件超声波探伤的标准要求包括设备要求、人员要求、操作要求和报告要求等方面。
设备要求包括超声波探伤仪器的性能和精度要求,以及探头的选择和使用要求。
人员要求包括操作人员的培训和资质要求,以及操作人员的责任和义务。
操作要求包括探伤工艺的规范和流程要求,以及检测参数的设置和调整要求。
报告要求包括检测结果的记录和报告要求,以及异常情况的处理和报告要求。
这些要求的严格执行,可以保证锻件超声波探伤工作的准确性和可靠性。
最后,锻件超声波探伤标准的重要性不言而喻。
首先,它可以帮助企业提高产品质量,降低生产成本,提高市场竞争力。
其次,它可以帮助企业保障产品安全,避免因产品质量问题而导致的事故和损失。
最后,它可以帮助企业提升员工技能,提高生产管理水平,实现可持续发展和创新发展。
因此,制定和执行锻件超声波探伤标准,对于企业和社会都具有重要意义。
综上所述,锻件超声波探伤标准的制定和执行,对于保障产品质量和安全,提高生产效率和管理水平,具有重要意义。
我们应该加强对锻件超声波探伤标准的学习和理解,提高对其重要性的认识,不断完善和落实相关标准要求,推动锻件超声波探伤工作的规范化和标准化,为工业生产的可持续发展做出贡献。
锻钢件的超声波探伤检查方法缺陷等级分类及判定标准1•目的规范公司锻钢件的超声波探伤检查方法,规范缺陷等级分类及判定标准2•内容2.1探伤装置使用脉冲反射式超声波探伤仪。
2.2探伤方法原则上采用单晶头垂直探伤法。
但是精密探伤及有特殊要求的部位,将同时采用其他探伤方法。
2.3探伤方向及探伤范围按下表实施探伤。
但是,认定有缺陷等异状时,必须从所有方向开始探伤。
探伤方向及扫查范围向:对半圆周进行全面探伤。
但小齿轮、螺纹轴、蜗轮、辊子等表层附近特别重要的锻钢件,要从整周开始进行全面探伤。
轴类锻钢件径向:外周全面探伤轴向:从两个方向进行全面探伤轴向:从两个方向开始进行全面探伤从长度方向,宽度方向,板厚方向三个方向开始进行全面探伤。
但齿条等表层附近特别重要的锻钢件,三个方向均需从两面开始全面探伤。
径向:对外周进行全面探伤轴向:从一个方向开始全面探伤。
但是,齿圈等表层附近特别重要的锻钢件要从两个方向起全面探伤。
径向:对外周进行全面探伤轴向:从一个方向开始全面探伤。
但是,齿轮、车轮等表层附近特别重要的锻钢件要从两个方向起全面探伤。
探伤表面的表面粗糙度要达至【Ra12.5以上较好精加工状态。
2.5测量范围的调整原则上,测定范围要调整至底面回波在显示屏时间轴上显现2次。
2.6探伤方式、使用频率和使用探头探伤方式,使用频率和使用探头见下表。
2.7探伤灵敏度的设定2.7.1底面回波方式的灵敏度设定⑴直径或壁厚在2mm以下的部位,将各不同直径或壁厚的致密部位上第1次底面回波高度(BG)调整至探伤仪显示器刻度板的80%。
然后,根据图4进行灵敏度的增幅,以此作为探伤起始灵敏度。
另外,对于超过检查部位的壁厚1/2以上的区域进行探伤时,需要进一步提高灵敏度12dB进行探伤。
关于小齿轮、螺纹轴、蜗轮、齿轮、齿条、车轮等表层附近特别重要的锻钢件,则用提高了12dB后的灵敏度进行全面或是从两面开始探伤。
⑵试验部位的壁厚超过2m时,使用探头专用的DGS曲线图。
锻件超声波探伤标准
锻件超声波探伤是一种常用的无损检测方法,通过超声波的传播和反射来检测
锻件内部的缺陷和异物,对于保证锻件质量和安全具有重要意义。
为了规范锻件超声波探伤工作,制定了一系列的标准,本文将对锻件超声波探伤标准进行详细介绍。
首先,锻件超声波探伤标准包括了探伤设备的选择和使用。
探伤设备应当符合
国家标准,并且经过定期的检测和维护,确保设备的准确性和可靠性。
操作人员需要经过专业培训,熟悉设备的使用方法和操作流程,严格按照操作规程进行工作。
其次,锻件超声波探伤标准还规定了探伤工艺和参数的选择。
在进行探伤前,
需要对锻件进行清洁和表面处理,确保探测的准确性。
探伤时需要选择合适的探头和探测模式,根据锻件的材质和形状确定合适的探伤参数,包括频率、增益、衰减等,以确保对各种缺陷的有效检测。
另外,锻件超声波探伤标准还规定了探伤结果的评定标准。
根据探伤图像和信号,对锻件内部的缺陷进行评定,包括尺寸、位置、数量等,判断缺陷对锻件性能和安全的影响程度,确定是否合格或需要修复。
最后,锻件超声波探伤标准还对探伤记录和报告进行了规定。
探伤结果应当及
时记录和报告,包括探伤图像、信号数据、评定结果等,确保可追溯性和可验证性。
对于不合格的锻件,需要进行修复并重新进行探伤,直至符合要求为止。
总的来说,锻件超声波探伤标准的制定和执行,对于提高锻件质量和安全性具
有重要意义。
只有严格按照标准要求进行操作,才能有效地发现和排除锻件内部的缺陷,保证锻件的可靠性和安全性。
希望本文对锻件超声波探伤标准有所帮助,谢谢阅读。
关于锻件超声波探伤的标准及规程1.1.1筒形锻件----轴向长度L大于其外径尺寸D的轴对称空心锻件如图1(a)所示.t为公称厚度.环形锻件----轴向长度L小于等于其外径尺寸D的轴对称空心件如图1(a)所示.t为公称厚度.饼形锻件----轴向长度L小于等于其外径D的轴对称形锻件如图1(b)所示.t为公称厚度.碗形锻件----用作容器封头,中心部份凹进去的轴对称形锻件如图1(c)所示.t为公称厚度.方形锻件----相交面互相垂直的六面体锻件如图1(d)所示.三维尺寸a、b、c中最上称厚度.底波降低量GB/BF(dB)无缺陷区的第一次底波高度(GB)和有缺陷区的第一次底波高度(BF)之比.由缺陷引起的底面反射的降低量用dB值表示.密集区缺陷当荧光屏扫描线上相当于50mm的声程范围内同时有5个或者5个以上的缺陷反射信号;或者在50mm×50mm的探测面上发现同一深度范围内有5个或5个以上的缺陷反射信号.缺陷当量直径用AVG方法求出的假定与超声波束相垂直的平底孔的直径,称为缺陷当量直径,或简称为当量直径.AVG曲线以纵座标轴表示相对的反射回波高度,以横座标轴表示声程,对不同直径且假定与超声波束相垂直的圆平面缺陷所画出的曲线图叫AVG曲线,亦称为DGS曲线.2探伤人员锻件探伤应由具有一定基础知识和锻件探伤经验,并经考核取得国家认可的资格证书者担任.3探伤器材探伤仪应采用A型脉冲反射式超声波探伤仪,其频响范围至少应在1MHz~5Mhz内. 仪器应至少在满刻度的75%范围内呈线性显示(误差在5%以内),垂直线性误差应不大于5%.仪器和探头的组合灵敏度:在达到所探工件最大程处的探伤灵敏度时,有效灵敏度余量至少为10dB.衰减器的精度和范围,仪器的水平线性、动态范围等均应队伍ZBY230-84《A型脉冲反射式超声波探伤仪通用技术条件》中的有关规定.探头探头的公称频率主要为,频率误差为±10%.主要采用晶片尺寸为Φ20mm的硬保护膜直探头.必要时也可采用2MHzs或25MHz,以及晶片尺寸不大于Φ28mm探头.探头主声束应无双峰,无偏斜.耦合剂可采用机油、甘油等透声性能好,且不损害工件的液体.4探伤时机及准备工作探伤时机探伤原则上应安排在最终热处理后,在槽、孔、台级等加工前,比较简单的几何形状下进行.热处理后锻件形状若不适于超声波探伤也可在热处理前进行.但在热处理后,仍应对锻件尽可能完全进行探伤.准备工作探伤面的光洁度不应低一地5,且表面平整均匀,并与反射面平等,圆柱形锻件其端面应与轴线相垂直,以便于轴向探伤.方形锻件的面应加工平整,相邻的端面应垂直.探伤表面应无划伤以及油垢和油潜心物等附着物.锻件的几何形状及表面检查均合格后,方可进行探伤.重要区锻件的重要区应在设计图样中或按JB 755-85《压力容器锻件技术条件》予以注明.5探伤方法锻件一般应进行纵波探伤,对简形锻件还应进行横波探伤,但扫查部位和验收标准应由供需双方商定.横波探伤横波探伤应按附录B的要求进行.纵波探伤扫查方法锻件原则上应从两相互垂直的方向进行探伤,尽可能地探测到锻件的全体积,主要探测方向如图2所示,其他形状的锻件也可参照执行.扫查范围:应对锻件整个表面进行连续全面扫查.扫查速度:探头移动速度不超过150mm/s.扫查复盖应为探头直径的15%以上.当锻件探测厚度大于400mm时,应从相对两端面探伤.探伤灵敏度的校验原则上利用大平底采用计算法确定探伤灵敏度,对由于几何形状所限,以及缺陷在近场区内的工件,可采用试块法(见附录A).用底波法校正灵敏度,校正点的位置应选以工件上无缺陷的完好区域.曲面补偿:对于探测面是曲面而又无法采用底波法的工件,应采用曲率与工件相同或相近倍)的参考试块(见附录A);或者采用小直径晶片的探头,使其近场区的长度小于等于1/4工件半径,这样可不需进行曲面补偿.探伤灵敏度不得低于Φ2mm当量直径.缺陷当量的确定采用AVG曲线及计算法确定缺陷当量.计算缺陷当量时,当材质衰减系数超过4dB/m时,应考虑修正.材质衰减系数的测定a. 应在被测工件无缺陷区域,选取三处有代表性的闰,求B1/B2的值,即第一次底波高度(B1)与第二次底波高度(B2)之比的dB差值.b. 衰减系数a(dB/m)的计算为式中 T----声程,m.AVG曲线图见附录C.灵敏度的重新校验除每次探伤前应校准灵敏度外,遇有下述情况时,必须对探伤灵敏度进行重新校准.a. 校正后的探头、耦合剂和仪器调节旋钮等发生任何改变时;b. 开路电压波动或操作者怀疑灵敏度有变动时;c. 连续工作4以上;d. 工作结束时.当增益电平降低2dB以上时,应对上一次校准以来所有检查锻件进行复探;当增益电平升高2dB以上时,应对所有的记录信号进行重新评定.6记录记录当量直径超过Φ4mm的单个缺陷的波幅的位置.密集性缺陷:记录密集性缺陷中最大当量缺陷的位置和分布.饼形锻件应记录大于等于Φ4mm当量直径的缺陷密集区.其他锻件应记录大于等于Φ3mm当密集区.缺陷密集区面积以50mm×50mm的方块作为最小量度单位,其边界可由半波高并法决定.应按表2要求记底波降低量衰减系数,若供需双方有规定时,应记录衰减系数.7等级分类单个缺陷反射的等级见表1.表1 单个缺陷反射的等级等级ⅠⅡⅢⅣⅤ缺陷当量直径≤Φ4 >Φ4+(>5~8dB) Φ4+(>8~12dB) Φ4+(>12~16dB) >Φ4+16dB)底波降低量的等级见表2.表2 由缺陷引起底波防低量的等级等级ⅠⅡⅢⅣⅤ底波降低量BG/BF ≤8 >8~14 >14~20 >20~26 >26注: ①在计算缺陷引起的底面反射降低量时,应扣除4dB/m的材质衰减.②表2仅适用于声程大于一倍近场区的缺陷.密集区缺陷等级见表3.表3 密集区缺陷引起的等级等级ⅠⅡⅢⅣⅤ密集区缺陷占探伤总面积百分比H 0 >0~5% >5~10% >10~20% >20%注:表1至表3的等级应作为独立的等级分别使用.如果工件的材质衰减对探伤效果有较大的影响时,应重新进行热处理. 按、、节认定级别的缺陷,如果被探伤人员判定为危害性缺陷时,可以不受上述条文的限制.8探伤报告探伤报告不应少于以下内容.工件情况工件名称、材料牌号、编号、材质衰减、主要部位尺寸草图、探伤面的光洁度.探伤条件探伤仪型号、探头频率、晶片尺寸(k值)、探测方向、探伤灵敏度、参考反射体、耦合剂等.探伤结果8.3.1 缺陷位置、缺陷当量直径、底波降低区及缺陷分布示意图.缺陷等级及其他.探伤人员的资格证号、等级、姓名、报告签发人的资格证号、等级、姓名、日期.附录A试块要求(补充件)远场区使用,探测表面为平面时,应采用CS2型标准试块.近场区使用,探测表面为平面时,应采用CS1型标准试块.探伤面是曲面时,原则上应采用与工件具有大致相当曲率半径的对比试块,其具体形状如图A1.附录B横波探伤(补充件)横波探伤仅适用于内外径之比大于等于75%的环形和筒形锻件.探头探头公称频率主要为,也可用2MHz.探头晶片面积为140-400mm2.原则上应采用K1探头,但根据工件几何形状的不同,也可采用其他的K值探头.参考反射体为了调整探伤灵敏度,利用被探工件壁厚或长度上的加工余部份制作对比试块,在锻件的内外表面,分别沿轴向和周向加工平行的V形槽作为标准沟槽.V形槽长度为25mm,深度为锻件壁厚的1%,角度为60°.也可用其他等效的反射体(如边角反射等).探伤方法扫查方法扫查方向见图B1.探头移动速度不应超过150mm/s.扫查复盖应为探头宽度的15%以上.灵敏度检验从锻件外圆面将探头对准内圆面的标准沟槽,调整增益,使最大反射高度为满幅的80%,将该值在面板上作一点,以其为探伤灵敏度;再移动探头探外圆面的标准沟槽,并将最大反射高度亦在面板上作一点,将以上二点用直线连接并延长,使之包括全部探伤范围,绘出距离---振幅曲线.内圆面探伤时以同一顺序进行,但探头斜楔应与内圆面曲率一致.记录记录超---振幅曲线一半的缺陷反射和缺陷检出位置.附录CAVG 曲线图(参考件)AVG曲线参考图例如下:AVG曲线图必须在CS1和CS2型标准试块上测定后绘制.。
超声波探伤检测规范一.目的对回转支承产品配套使用的毛坯内部质量进行超声波探伤检测,以确保产品质量。
二.范围所有进厂回转支承毛坯(包括50Mn和42CrMo材料)三.检测标准检验方法依据GB/T 6402-2008≤钢锻件超声检测方法≥的规定进行检验,标准GB/T 6402-2008适用于脉冲反射式超声波检验法对厚度或直径大于100mm的碳钢及低合金钢一般锻件的超声波检测。
四.检测条件及探伤方法(1)环形毛坯锻件接触法检验时,一般在粗加工完成后,锻件表面粗糙度Ra 值应小于3.2um,表面应平整,无影响声耦合的氧化皮,赃物等附着物,并满足检验要求;(2)在探头与检测面之间,应使用合适的耦合剂;(3)根据锻件加工工艺,环形毛坯主要探测面为外圆百分之百检测,辅助探测为上下端面;(4)扫查方式为手工扫查,探头在检测面的扫查间距,应保证有15%的声束覆盖;(5)扫查速度即探头相对锻件的移动速度,应在150mm/s以下;(6)在毛坯粗加工到要求的表面粗糙度时,从毛坯外圆面及上下端面进行100%的扫查,同时为了避免耦合层厚度的影响,也进行变换探头频率探测,以便检测出缺陷。
a)探头频率选择频率选择:对于毛坯厚度较小时,应选择较大的探头频率以提高其检测分辨力,毛坯厚度较大时,应选择较小的探头频率以提高其穿透能力。
b)检验方案1、对于客户明确要求的毛坯,进行全检。
2、对于三个车间直径较大的毛坯,都进行一定数量的抽检探测,其满足的比例为:3、在实际操作过程中,对发现内部有质量缺陷的毛坯提供的毛坯进行加严检验。
五、合格判定(1)在探伤过程中,对发现有缺陷的毛坯,及时将其缺陷孔当量和缺陷实际位置计算出来,并记录备案,及时将其反馈于部门领导及车间与供应部门。
(2)当缺陷孔当量小于Φ2mm时,按照国标GB/T 6402-2008其毛坯不做废品处理,仍按正常工序加工,但及时对其进行追踪,观察其加工过程中的情况,将其型号、编号,及有关缺陷情况进行记录,以备案。
关于锻件超声波探伤的标准及规程1.1.1筒形锻件----轴向长度L大于其外径尺寸D的轴对称空心锻件如图1(a)所示.t为公称厚度.环形锻件----轴向长度L小于等于其外径尺寸D的轴对称空心件如图1(a)所示.t为公称厚度.饼形锻件----轴向长度L小于等于其外径D的轴对称形锻件如图1(b)所示.t为公称厚度.碗形锻件----用作容器封头,中心部份凹进去的轴对称形锻件如图1(c)所示.t为公称厚度.方形锻件----相交面互相垂直的六面体锻件如图1(d)所示.三维尺寸a、b、c中最上称厚度.底波降低量GB/BF(dB)无缺陷区的第一次底波高度(GB)和有缺陷区的第一次底波高度(BF)之比.由缺陷引起的底面反射的降低量用dB值表示.密集区缺陷当荧光屏扫描线上相当于50mm的声程范围内同时有5个或者5个以上的缺陷反射信号;或者在50mm×50mm的探测面上发现同一深度范围内有5个或5个以上的缺陷反射信号.缺陷当量直径用AVG方法求出的假定与超声波束相垂直的平底孔的直径,称为缺陷当量直径,或简称为当量直径.AVG曲线以纵座标轴表示相对的反射回波高度,以横座标轴表示声程,对不同直径且假定与超声波束相垂直的圆平面缺陷所画出的曲线图叫AVG曲线,亦称为DGS曲线.2探伤人员锻件探伤应由具有一定基础知识和锻件探伤经验,并经考核取得国家认可的资格证书者担任.3探伤器材探伤仪应采用A型脉冲反射式超声波探伤仪,其频响范围至少应在1MHz~5Mhz内.仪器应至少在满刻度的75%范围内呈线性显示(误差在5%以内),垂直线性误差应不大于5%.仪器和探头的组合灵敏度:在达到所探工件最大程处的探伤灵敏度时,有效灵敏度余量至少为10dB.衰减器的精度和范围,仪器的水平线性、动态范围等均应队伍ZBY230-84《A型脉冲反射式超声波探伤仪通用技术条件》中的有关规定.探头探头的公称频率主要为,频率误差为±10%.主要采用晶片尺寸为Φ20mm的硬保护膜直探头.必要时也可采用2MHzs或25MHz,以及晶片尺寸不大于Φ28mm探头.探头主声束应无双峰,无偏斜.耦合剂可采用机油、甘油等透声性能好,且不损害工件的液体.4探伤时机及准备工作探伤时机探伤原则上应安排在最终热处理后,在槽、孔、台级等加工前,比较简单的几何形状下进行.热处理后锻件形状若不适于超声波探伤也可在热处理前进行.但在热处理后,仍应对锻件尽可能完全进行探伤.准备工作探伤面的光洁度不应低一地5,且表面平整均匀,并与反射面平等,圆柱形锻件其端面应与轴线相垂直,以便于轴向探伤.方形锻件的面应加工平整,相邻的端面应垂直.探伤表面应无划伤以及油垢和油潜心物等附着物.锻件的几何形状及表面检查均合格后,方可进行探伤.重要区锻件的重要区应在设计图样中或按JB 755-85《压力容器锻件技术条件》予以注明.5探伤方法锻件一般应进行纵波探伤,对简形锻件还应进行横波探伤,但扫查部位和验收标准应由供需双方商定.横波探伤横波探伤应按附录B的要求进行.纵波探伤扫查方法锻件原则上应从两相互垂直的方向进行探伤,尽可能地探测到锻件的全体积,主要探测方向如图2所示,其他形状的锻件也可参照执行.扫查范围:应对锻件整个表面进行连续全面扫查.扫查速度:探头移动速度不超过150mm/s.扫查复盖应为探头直径的15%以上.当锻件探测厚度大于400mm时,应从相对两端面探伤.探伤灵敏度的校验原则上利用大平底采用计算法确定探伤灵敏度,对由于几何形状所限,以及缺陷在近场区内的工件,可采用试块法(见附录A).用底波法校正灵敏度,校正点的位置应选以工件上无缺陷的完好区域.曲面补偿:对于探测面是曲面而又无法采用底波法的工件,应采用曲率与工件相同或相近倍)的参考试块(见附录A);或者采用小直径晶片的探头,使其近场区的长度小于等于1/4工件半径,这样可不需进行曲面补偿.探伤灵敏度不得低于Φ2mm当量直径.缺陷当量的确定采用AVG曲线及计算法确定缺陷当量.计算缺陷当量时,当材质衰减系数超过4dB/m时,应考虑修正.材质衰减系数的测定a. 应在被测工件无缺陷区域,选取三处有代表性的闰,求B1/B2的值,即第一次底波高度(B1)与第二次底波高度(B2)之比的dB差值.b. 衰减系数a(dB/m)的计算为?式中 T----声程,m.AVG曲线图见附录C.灵敏度的重新校验除每次探伤前应校准灵敏度外,遇有下述情况时,必须对探伤灵敏度进行重新校准.a. 校正后的探头、耦合剂和仪器调节旋钮等发生任何改变时;b. 开路电压波动或操作者怀疑灵敏度有变动时;c. 连续工作4以上;d. 工作结束时.当增益电平降低2dB以上时,应对上一次校准以来所有检查锻件进行复探;当增益电平升高2dB以上时,应对所有的记录信号进行重新评定.6记录记录当量直径超过Φ4mm的单个缺陷的波幅的位置.密集性缺陷:记录密集性缺陷中最大当量缺陷的位置和分布.饼形锻件应记录大于等于Φ4mm当量直径的缺陷密集区.其他锻件应记录大于等于Φ3mm当密集区.缺陷密集区面积以50mm×50mm的方块作为最小量度单位,其边界可由半波高并法决定.应按表2要求记底波降低量衰减系数,若供需双方有规定时,应记录衰减系数.7等级分类单个缺陷反射的等级见表1.表1 单个缺陷反射的等级等级 ?Ⅰ ?Ⅱ ?Ⅲ ?Ⅳ ?Ⅴ缺陷当量直径?≤Φ4?>Φ4+(>5~8dB)?Φ4+(>8~12dB)?Φ4+(>12~16dB)?>Φ4+16dB)底波降低量的等级见表2.表2 由缺陷引起底波防低量的等级等级 ? ?Ⅰ ?Ⅱ ?Ⅲ ?Ⅳ ?Ⅴ底波降低量?BG/BF?≤8?>8~14?>14~20?>20~26?>26注: ①在计算缺陷引起的底面反射降低量时,应扣除4dB/m的材质衰减.②表2仅适用于声程大于一倍近场区的缺陷.密集区缺陷等级见表3.表3 密集区缺陷引起的等级等级 ?Ⅰ ?Ⅱ ?Ⅲ ?Ⅳ ?Ⅴ密集区缺陷占探伤总面积百分比H?0?>0~5%?>5~10%?>10~20%?>20% 注:表1至表3的等级应作为独立的等级分别使用.如果工件的材质衰减对探伤效果有较大的影响时,应重新进行热处理.按、、节认定级别的缺陷,如果被探伤人员判定为危害性缺陷时,可以不受上述条文的限制.8探伤报告探伤报告不应少于以下内容.工件情况工件名称、材料牌号、编号、材质衰减、主要部位尺寸草图、探伤面的光洁度.探伤条件探伤仪型号、探头频率、晶片尺寸(k值)、探测方向、探伤灵敏度、参考反射体、耦合剂等.探伤结果8.3.1 缺陷位置、缺陷当量直径、底波降低区及缺陷分布示意图.缺陷等级及其他.探伤人员的资格证号、等级、姓名、报告签发人的资格证号、等级、姓名、日期.附录A试块要求(补充件)远场区使用,探测表面为平面时,应采用CS2型标准试块.近场区使用,探测表面为平面时,应采用CS1型标准试块.探伤面是曲面时,原则上应采用与工件具有大致相当曲率半径的对比试块,其具体形状如图A1.附录B横波探伤(补充件)横波探伤仅适用于内外径之比大于等于75%的环形和筒形锻件.探头探头公称频率主要为,也可用2MHz.探头晶片面积为140-400mm2.原则上应采用K1探头,但根据工件几何形状的不同,也可采用其他的K值探头.参考反射体为了调整探伤灵敏度,利用被探工件壁厚或长度上的加工余部份制作对比试块,在锻件的内外表面,分别沿轴向和周向加工平行的V形槽作为标准沟槽.V形槽长度为25mm,深度为锻件壁厚的1%,角度为60°.也可用其他等效的反射体(如边角反射等).探伤方法扫查方法扫查方向见图B1.探头移动速度不应超过150mm/s.扫查复盖应为探头宽度的15%以上.灵敏度检验从锻件外圆面将探头对准内圆面的标准沟槽,调整增益,使最大反射高度为满幅的80%,将该值在面板上作一点,以其为探伤灵敏度;再移动探头探外圆面的标准沟槽,并将最大反射高度亦在面板上作一点,将以上二点用直线连接并延长,使之包括全部探伤范围,绘出距离---振幅曲线.内圆面探伤时以同一顺序进行,但探头斜楔应与内圆面曲率一致.记录记录超---振幅曲线一半的缺陷反射和缺陷检出位置.附录CAVG 曲线图(参考件)AVG曲线参考图例如下:AVG曲线图必须在CS1和CS2型标准试块上测定后绘制.。
GB/T4730-2005承压设备用钢锻件超声检测和质量分级4.2 承压设备用钢锻件超声检测和质量分级4.2.1范围本条适用于承压设备用碳钢和低合金钢锻件的超声检测和质量分级。
本条不适用于奥氏体钢等粗晶材料锻件的超声检测,也不适用于内外半径之比小于80%的环形和筒形锻件的周向横波检测。
4.2.2探头双晶直探头的公称频率应选用5MHz。
探头晶片面积不小于150mm2;单晶直探头的公称频率应选用2MHz~5MHz,探头晶片一般为φ14mm~φ25mm。
4.2.3试块应符合3.5的规定。
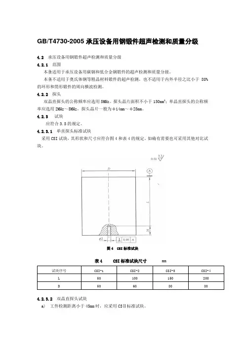
4.2.3.1单直探头标准试块采用CSI试块,其形状和尺寸应符合图4和表4的规定。
如确有需要也可采用其他对比试块。
图4 CSI标准试块表4 CSI标准试块尺寸 mm试块序号CSI-1 CSI-2 CSI-3 CSI-4 L 50 100 150 200D 50 60 80 804.2.3.2双晶直探头试块a) 工件检测距离小于45mm时,应采用CSⅡ标准试块。
b) CS Ⅱ试块的形状和尺寸应符合图5和表5的规定。
图5 CS Ⅱ标准试块表5 CS Ⅱ标准试块尺寸 mm试块序号 孔径 检测距离L123456789CSII-1 φ2 51015202530354045CSII-2 φ3 CSII-3 φ4 CSII-4φ64.2.3.3 检测面是曲面时,应采用CS Ⅲ标准试块来测定由于曲率不同而引起的声能损失,其形状和尺寸按图6所示。
图6 CSIII 标准试块4.2.4 检测时机检测原则上应安排在热处理后,孔、台等结构机加工前进行,检测面的表面粗糙度R α≤6.3μm 。
4.2.5检测方法4.2.5.1一般原则锻件应进行纵波检测,对筒形和环形锻件还应增加横波检测。
4.2.5.2 纵波检测a) 原则上应从两个相互垂直的方向进行检测,尽可能地检测到锻件的全体积。
主要检测方向如图7所示。
其他形状的锻件也可参照执行。
b) 锻件厚度超过400mm时,应从相对两端面进行100%的扫查。
GB/T4730-2005承压设备用钢锻件超声检测和质量分级4.2 承压设备用钢锻件超声检测和质量分级4.2.1范围本条适用于承压设备用碳钢和低合金钢锻件的超声检测和质量分级。
本条不适用于奥氏体钢等粗晶材料锻件的超声检测,也不适用于内外半径之比小于80%的环形和筒形锻件的周向横波检测。
4.2.2探头双晶直探头的公称频率应选用5MHz。
探头晶片面积不小于150mm2;单晶直探头的公称频率应选用2MHz~5MHz,探头晶片一般为φ14mm~φ25mm。
4.2.3试块应符合3.5的规定。
4.2.3.1单直探头标准试块采用CSI试块,其形状和尺寸应符合图4和表4的规定。
如确有需要也可采用其他对比试块。
图4 CSI标准试块表4 CSI标准试块尺寸 mm试块序号CSI-1 CSI-2 CSI-3 CSI-4 L 50 100 150 200D 50 60 80 804.2.3.2双晶直探头试块a) 工件检测距离小于45mm时,应采用CSⅡ标准试块。
b) CS Ⅱ试块的形状和尺寸应符合图5和表5的规定。
图5 CS Ⅱ标准试块表5 CS Ⅱ标准试块尺寸 mm试块序号 孔径 检测距离L123456789CSII-1 φ2 51015202530354045CSII-2 φ3 CSII-3 φ4 CSII-4φ64.2.3.3 检测面是曲面时,应采用CS Ⅲ标准试块来测定由于曲率不同而引起的声能损失,其形状和尺寸按图6所示。
图6 CSIII 标准试块4.2.4 检测时机检测原则上应安排在热处理后,孔、台等结构机加工前进行,检测面的表面粗糙度R α≤6.3μm 。
4.2.5检测方法4.2.5.1一般原则锻件应进行纵波检测,对筒形和环形锻件还应增加横波检测。
4.2.5.2 纵波检测a) 原则上应从两个相互垂直的方向进行检测,尽可能地检测到锻件的全体积。
主要检测方向如图7所示。
其他形状的锻件也可参照执行。
b) 锻件厚度超过400mm时,应从相对两端面进行100%的扫查。
锻件超声波检测标准1. 检测设备与材料1.1. 超声波探伤仪:应采用数字式超声波探伤仪,其性能应符合国家相关标准规定。
1.2. 探头:应选用频率为2.0MHz至5.0MHz的探头,其性能应符合国家相关标准规定。
1.3. 耦合剂:应采用甘油或硅油等声耦合剂。
1.4. 标准试块:应采用与被检锻件材料、规格相近的标准试块进行校准。
2. 锻件种类与规格2.1. 锻件种类:本标准适用于各种金属材料的自由锻件和模锻件的超声波检测。
2.2. 锻件规格:本标准适用于直径小于或等于1.0m的锻件。
3. 检测方法与步骤3.1. 检测面清理:清除锻件表面的氧化皮、锈蚀等杂质,确保探头与锻件表面良好接触。
3.2. 仪器校准:使用标准试块进行探伤仪校准,调整仪器灵敏度和扫描速度等参数。
3.3. 检测区域确定:根据锻件种类和规格,确定超声波检测的区域。
3.4. 探头布置:在确定的检测区域内,合理布置探头,确保检测无漏检。
3.5. 检测操作:将探头放置在锻件上,通过仪器控制使探头发射超声波并接收回波信号。
3.6. 数据记录:记录超声波检测过程中得到的所有数据,包括回波信号的时间、幅度、位置等信息。
4. 检测数据分析4.1. 数据处理:对采集到的超声波检测数据进行数字信号处理,提取出与缺陷相关的特征信号。
4.2. 缺陷判断:根据提取的特征信号,结合国家相关标准,对锻件内部是否存在缺陷进行判断。
4.3. 缺陷定位:根据检测数据,确定缺陷在锻件内部的相对位置。
4.4. 缺陷定量:根据检测数据,对缺陷的大小和形状进行定量分析。
5. 缺陷判断与分级5.1. 缺陷判断:根据国家相关标准规定的判断准则进行缺陷判断。
5.2. 缺陷分级:根据缺陷的大小、形状、位置等因素,结合锻件的使用要求,对缺陷进行分级。
6. 检测报告编制6.1. 检测报告内容:检测报告应包括以下内容:检测设备与材料、锻件种类与规格、检测方法与步骤、检测数据分析、缺陷判断与分级、结论等。
锻件探伤标准锻件是一种常见的金属制品,广泛应用于航空航天、汽车、机械制造等领域。
为了保证锻件的质量和安全性能,探伤工作显得尤为重要。
因此,制定和执行严格的锻件探伤标准,对于提高产品质量、确保使用安全具有重要意义。
一、探伤方法。
目前,常见的锻件探伤方法主要包括磁粉探伤、超声波探伤、射线探伤和涡流探伤。
其中,磁粉探伤适用于表面和近表面裂纹的检测,超声波探伤适用于对锻件进行全面和深层的检测,射线探伤适用于对密度较大的锻件进行检测,涡流探伤适用于对导电材料进行检测。
不同的探伤方法可以相互补充,确保对锻件的全面检测。
二、探伤标准。
1. 磁粉探伤标准。
磁粉探伤是一种常用的非破坏性检测方法,适用于对铁磁性材料中的表面和近表面裂纹进行检测。
在进行磁粉探伤时,应根据相关标准规范,选择合适的磁粉检测剂、磁场强度和检测设备,确保探伤结果的准确性和可靠性。
2. 超声波探伤标准。
超声波探伤是一种常用的全面和深层检测方法,适用于对锻件内部的缺陷进行检测。
在进行超声波探伤时,应根据相关标准规范,选择合适的探头频率、波束角度和检测参数,确保对锻件内部缺陷的准确定位和评估。
3. 射线探伤标准。
射线探伤是一种常用的密度检测方法,适用于对密度较大的锻件进行检测。
在进行射线探伤时,应根据相关标准规范,选择合适的射线源、曝光时间和检测设备,确保对锻件内部缺陷和异物的准确定位和评估。
4. 涡流探伤标准。
涡流探伤是一种常用的导电材料检测方法,适用于对导电材料中的表面和近表面缺陷进行检测。
在进行涡流探伤时,应根据相关标准规范,选择合适的探头频率、电流密度和检测参数,确保对锻件表面缺陷的准确定位和评估。
三、探伤人员资质。
进行锻件探伤工作的人员,应具备相关的资质和技能。
他们需要经过专业的培训和考核,取得相应的探伤人员资格证书,才能进行探伤工作。
只有具备专业技能和丰富经验的探伤人员,才能确保探伤工作的准确性和可靠性。
四、探伤设备管理。
对于探伤设备的选择和管理也是至关重要的。
锻件探伤标准锻件作为重要的机械零部件,在工业生产中扮演着至关重要的角色。
为了保证锻件的质量,探伤工作显得尤为重要。
本文将就锻件探伤标准进行详细介绍,以期为相关工作者提供一定的参考。
首先,锻件探伤标准主要包括磁粉探伤、超声波探伤和射线探伤三种方法。
磁粉探伤是利用磁粉在磁场中的吸附作用,对锻件进行缺陷探伤。
该方法操作简便,成本较低,对表面和近表面缺陷的探伤效果较好。
超声波探伤则是利用超声波在材料中传播的特性,对锻件进行探伤。
该方法可以对锻件进行全面、深层的探伤,对内部缺陷的检测效果较好。
射线探伤是利用射线在材料中透射、吸收和散射的规律,对锻件进行探伤。
该方法对于密度大、吸收射线能力强的缺陷有较好的探伤效果。
其次,针对不同的锻件材料和形状,探伤标准也有所不同。
对于碳素钢锻件,探伤标准主要关注表面和近表面的氧化皮、裂纹、夹杂等缺陷;对于合金钢锻件,除了关注表面和近表面的缺陷外,还需对内部的气孔、夹杂等进行全面检测;对于不锈钢锻件,除了需要检测表面和内部的缺陷外,还需要关注其晶粒大小和晶界清晰度。
此外,对于不同形状的锻件,如轴类、盘类、环类等,探伤标准也会有所差异,需要根据具体形状进行相应的探伤规定。
最后,锻件探伤标准的制定和执行需要严格按照国家标准和行业规范进行。
在进行探伤工作时,操作人员需要严格按照操作规程进行,确保探伤结果的准确性和可靠性。
同时,探伤设备的选用和维护也是保证探伤效果的关键,需要定期进行设备的检测和校准,确保设备的正常运行。
综上所述,锻件探伤标准是保证锻件质量的重要环节,对于保障设备安全运行和延长设备使用寿命具有重要意义。
希望本文能够为相关工作者提供一定的参考,促进锻件探伤工作的规范化和标准化,提升锻件质量和安全水平。
关于锻件超声波探伤的标准及规程锻件探伤都有什么标准关于锻件超声波探伤的标准及规程1.1.1筒形锻件----轴向长度L大于其外径尺寸D的轴对称空心锻件如图1(a)所示.t为公称厚度.1.1.2 环形锻件----轴向长度L小于等于其外径尺寸D的轴对称空心件如图1(a)所示.t为公称厚度.1.1.3 饼形锻件----轴向长度L小于等于其外径D的轴对称形锻件如图1(b)所示.t为公称厚度.1.1.4 碗形锻件----用作容器封头,中心部份凹进去的轴对称形锻件如图1(c)所示.t为公称厚度.1.1.5 方形锻件----相交面互相垂直的六面体锻件如图1(d)所示.三维尺寸a、b、c中最上称厚度.1.2 底波降低量GB/BF(dB)无缺陷区的第一次底波高度(GB)和有缺陷区的第一次底波高度(BF)之比.由缺陷引起的底面反射的降低量用dB值表示.1.3 密集区缺陷当荧光屏扫描线上相当于50mm的声程范围内同时有5个或者5个以上的缺陷反射信号;或者在50mm×50mm的探测面上发现同一深度范围内有5个或5个以上的缺陷反射信号.1.4 缺陷当量直径用AVG方法求出的假定与超声波束相垂直的平底孔的直径,称为缺陷当量直径,或简称为当量直径.1.5 AVG曲线以纵座标轴表示相对的反射回波高度,以横座标轴表示声程,对不同直径且假定与超声波束相垂直的圆平面缺陷所画出的曲线图叫AVG 曲线,亦称为DGS曲线. 2探伤人员锻件探伤应由具有一定基础知识和锻件探伤经验,并经考核取得国家认可的资格证书者担任.3探伤器材3.1 探伤仪3.1.1 应采用A型脉冲反射式超声波探伤仪,其频响范围至少应在1MHz~5Mhz内.3.1.2 仪器应至少在满刻度的75%范围内呈线性显示(误差在5%以内),垂直线性误差应不大于5%.3.1.3 仪器和探头的组合灵敏度:在达到所探工件最大程处的探伤灵敏度时,有效灵敏度余量至少为10dB.3.1.4 衰减器的精度和范围,仪器的水平线性、动态范围等均应队伍ZBY230-84《A型脉冲反射式超声波探伤仪通用技术条件》中的有关规定.3.2 探头3.2.1 探头的公称频率主要为2.5Mhz,频率误差为±10%.3.2.2 主要采用晶片尺寸为Φ20mm的硬保护膜直探头.3.2.3 必要时也可采用2MHzs或25MHz,以及晶片尺寸不大于Φ28mm探头.3.2.4 探头主声束应无双峰,无偏斜.3.3 耦合剂可采用机油、甘油等透声性能好,且不损害工件的液体.4探伤时机及准备工作4.1 探伤时机探伤原则上应安排在最终热处理后,在槽、孔、台级等加工前,比较简单的几何形状下进行.热处理后锻件形状若不适于超声波探伤也可在热处理前进行.但在热处理后,仍应对锻件尽可能完全进行探伤.4.2 准备工作4.2.1 探伤面的光洁度不应低一地5,且表面平整均匀,并与反射面平等,圆柱形锻件其端面应与轴线相垂直,以便于轴向探伤.方形锻件的面应加工平整,相邻的端面应垂直.4.2.2 探伤表面应无划伤以及油垢和油潜心物等附着物.4.2.3 锻件的几何形状及表面检查均合格后,方可进行探伤.4.3 重要区锻件的重要区应在设计图样中或按JB 755-85《压力容器锻件技术条件》予以注明.5探伤方法锻件一般应进行纵波探伤,对简形锻件还应进行横波探伤,但扫查部位和验收标准应由供需双方商定.5.1 横波探伤横波探伤应按附录B的要求进行.5.2 纵波探伤5.2.1 扫查方法5.2.1.1 锻件原则上应从两相互垂直的方向进行探伤,尽可能地探测到锻件的全体积,主要探测方向如图2所示,其他形状的锻件也可参照执行.5.2.1.2 扫查范围:应对锻件整个表面进行连续全面扫查.5.2.1.3 扫查速度:探头移动速度不超过150mm/s.5.2.1.4 扫查复盖应为探头直径的15%以上.5.2.1.5 当锻件探测厚度大于400mm时,应从相对两端面探伤.5.2.2 探伤灵敏度的校验5.2.2.1 原则上利用大平底采用计算法确定探伤灵敏度,对由于几何形状所限,以及缺陷在近场区内的工件,可采用试块法(见附录A).5.2.2.2 用底波法校正灵敏度,校正点的位置应选以工件上无缺陷的完好区域.5.2.2.3 曲面补偿:对于探测面是曲面而又无法采用底波法的工件,应采用曲率与工件相同或相近(0.7-1.1倍)的参块(见附录A);或者采用小直径晶片的探头,使其近场区的长度小于等于1/4工件半径,这样可不需进行曲面补偿.5.2.2.4 探伤灵敏度不得低于Φ2mm当量直径.5.2.3 缺陷当量的确定5.2.3.1 采用AVG曲线及计算法确定缺陷当量.5.2.3.2 计算缺陷当量时,当材质衰减系数超过4dB/m时,应考虑修正.5.2.3.3 材质衰减系数的测定a. 应在被测工件无缺陷区域,选取三处有代表性的闰,求B1/B2的值,即第一次底波高度(B1)与第二次底波高度(B2)之比的dB差值.b. 衰减系数a(dB/m)的计算为式中 T----声程,m.5.2.3.4 AVG曲线图见附录C.5.3 灵敏度的重新校验5.3.1 除每次探伤前应校准灵敏度外,遇有下述情况时,必须对探伤灵敏度进行重新校准.a. 校正后的探头、耦合剂和仪器调节旋钮等发生任何改变时;b. 开路电压波动或操作者怀疑灵敏度有变动时;c. 连续工作4以上;d. 工作结束时.5.3.2 当增益电平降低2dB以上时,应对上一次校准以来所有检查锻件进行复探;当增益电平升高2dB以上时,应对所有的记录信号进行 __.6记录6.1 记录当量直径超过Φ4mm的单个缺陷的波幅的位置.6.2 密集性缺陷:记录密集性缺陷中最大当量缺陷的位置和分布.6.2.1 饼形锻件应记录大于等于Φ4mm当量直径的缺陷密集区.6.2.2 其他锻件应记录大于等于Φ3mm当密集区.6.2.3 缺陷密集区面积以50mm×50mm的方块作为最小量度,其边界可由半波高并法决定.6.3 应按表2要求记底波降低量6.4 衰减系数,若供需双方有规定时,应记录衰减系数.7等级分类7.1 单个缺陷反射的等级见表1.表1 单个缺陷反射的等级等级ⅠⅡⅢⅣⅤ缺陷当量直径≤Φ4 >Φ4+(>5~8dB) Φ4+(>8~12dB) Φ4+(>12~16dB) >Φ4+16dB)7.2 底波降低量的等级见表2.表2 由缺陷引起底波防低量的等级等级ⅠⅡⅢⅣⅤ底波降低量 BG/BF ≤8 >8~14 >14~20 >20~26 >26注: ①在计算缺陷引起的底面反射降低量时,应扣除4dB/m的材质衰减. ②表2仅适用于声程大于一倍近场区的缺陷.7.3 密集区缺陷等级见表3.表3 密集区缺陷引起的等级等级ⅠⅡⅢⅣⅤ密集区缺陷占探伤总面积百分比H 0 >0~5% >5~10% >10~20% >20%注:表1至表3的等级应作为独立的等级分别使用.7.4 如果工件的材质衰减对探伤效果有较大的影响时,应重新进行热处理.7.5 按7.1、7.2、7.3节认定级别的缺陷,如果被探伤人员判定为危害性缺陷时,可以不受上述条文的限制.8探伤报告探伤报告不应少于以下内容.8.1 工件情况工件名称、牌号、编号、材质衰减、主要部位尺寸草图、探伤面的光洁度.8.2 探伤条件探伤仪型号、探头频率、晶片尺寸(k值)、探测方向、探伤灵敏度、反射体、耦合剂等.8.3 探伤结果8.3.1 缺陷位置、缺陷当量直径、底波降低区及缺陷分布示意图.8.3.2 缺陷等级及其他.8.4 探伤人员的资格证号、等级、姓名、签发人的资格证号、等级、姓名、日期.附录A试块要求(补充件)A.1 远场区使用,探测表面为平面时,应采用CS2型标准试块.A.2 近场区使用,探测表面为平面时,应采用CS1型标准试块.A.3 探伤面是曲面时,原则上应采用与工件具有大致相当曲率半径的对比试块,其具体形状如图A1.附录B横波探伤(补充件)B.1 横波探伤仅适用于内外径之比大于等于75%的环形和筒形锻件.B.2 探头B.2.1 探头公称频率主要为2.5MHz,也可用2MHz.B.2.2 探头晶片面积为140-400mm2.B.2.3 原则上应采用K1探头,但根据工件几何形状的不同,也可采用其他的K值探头.B.3 参考反射体B.3.1为了调整探伤灵敏度,利用被探工件壁厚或长度上的加工余部份制作对比试块,在锻件的内外表面,分别沿轴向和周向加工平行的V 形槽作为标准沟槽.V形槽长度为25mm,深度为锻件壁厚的1%,角度为60°.也可用其他等效的反射体(如边角反射等).B.4 探伤B.4.1 扫查方法B.4.1.1 扫查方向见图B1.B.4.1.2 探头移动速度不应超过150mm/s.B.4.1.3 扫查复盖应为探头宽度的15%以上.B.4.2 灵敏度检验从锻件外圆面将探头对准内圆面的标准沟槽,调整增益,使最大反射高度为满幅的80%,将该值在面板上作一点,以其为探伤灵敏度;再移动探头探外圆面的标准沟槽,并将最大反射高度亦在面板上作一点,将以上二点用直线连接并延长,使之包括全部探伤范围,绘出距离---振幅曲线.内圆面探伤时以同一顺序进行,但探头斜楔应与内圆面曲率一致.B.5 记录记录超---振幅曲线一半的缺陷反射和缺陷检出位置.附录CAVG 曲线图(参考件)C.1 AVG曲线参考图例如下:C.2 AVG曲线图必须在CS1和CS2型标准试块上测定后绘制.内容仅供参考。
锻件超声波探伤标准锻件超声波探伤是一种常用的无损检测方法,它能够对锻件的内部缺陷进行有效的检测,保障了锻件的质量和安全性。
在进行锻件超声波探伤时,需要严格遵守相关的标准,以确保检测结果的准确性和可靠性。
本文将介绍锻件超声波探伤的相关标准,希望能够对从事相关工作的人员有所帮助。
首先,进行锻件超声波探伤时,需要遵守国家相关标准,如GB/T 4162-2008《金属材料超声波检验方法》等。
这些标准规定了超声波探伤的基本原理、设备要求、操作规程等内容,对于保证检测的准确性和可靠性起到了重要的作用。
因此,在进行锻件超声波探伤时,必须严格按照相关标准的要求进行操作,不得随意更改或省略任何步骤。
其次,对于锻件超声波探伤的设备要求也需要符合相关标准的规定。
超声波探伤设备是进行检测的关键工具,其性能直接影响到检测结果的准确性。
因此,必须选择符合国家标准要求的超声波探伤设备,并且在使用过程中要进行定期的维护和校准,以确保设备的正常工作状态。
另外,在进行锻件超声波探伤时,操作人员的素质和技术水平也是至关重要的。
相关标准对于操作人员的资质和培训要求都有明确的规定,必须经过专业培训并取得相应的资质证书才能从事超声波探伤工作。
只有具备了专业的知识和丰富的实践经验,操作人员才能够准确地判断和分析锻件中的缺陷情况,确保检测结果的准确性。
此外,锻件超声波探伤的操作规程也是按照相关标准来执行的。
操作规程包括了设备的使用方法、检测的步骤、数据的记录和分析等内容,必须严格按照标准的要求进行操作,不得随意更改或省略任何步骤。
只有在严格遵守操作规程的情况下,才能够获得准确可靠的检测结果。
总的来说,锻件超声波探伤标准是保证检测结果准确性和可靠性的重要保障。
只有严格遵守相关标准的要求,选择符合标准要求的设备,培训具备资质的操作人员,并严格按照操作规程进行操作,才能够保证锻件超声波探伤的有效性和可靠性。
希望相关人员能够重视标准的作用,严格遵守标准要求,提高锻件超声波探伤工作的质量和效率。
锻件超声波探伤标准锻件超声波探伤标准1.1.1筒形锻件----轴向长度L大于其外径尺寸D的轴对称空心锻件如图1(a)所示.t 为公称厚度.1.1.2 环形锻件----轴向长度L小于等于其外径尺寸D的轴对称空心件如图1(a)所示.t 为公称厚度.1.1.3 饼形锻件----轴向长度L小于等于其外径D的轴对称形锻件如图1(b)所示.t 为公称厚度.1.1.4 碗形锻件----用作容器封头,中心部份凹进去的轴对称形锻件如图1(c)所示.t为公称厚度.1.1.5 方形锻件----相交面互相垂直的六面体锻件如图1(d)所示.三维尺寸a、b、c中最上称厚度.1.2 底波降低量GB/BF(dB)无缺陷区的第一次底波高度(GB)和有缺陷区的第一次底波高度(BF)之比.由缺陷引起的底面反射的降低量用dB值表示.1.3 密集区缺陷当荧光屏扫描线上相当于50mm的声程范围内同时有5个或者5个以上的缺陷反射信号;或者在50mm×50mm的探测面上发现同一深度范围内有5个或5个以上的缺陷反射信号.1.4 缺陷当量直径用A VG方法求出的假定与超声波束相垂直的平底孔的直径,称为缺陷当量直径,或简称为当量直径.1.5 A VG曲线以纵座标轴表示相对的反射回波高度,以横座标轴表示声程,对不同直径且假定与超声波束相垂直的圆平面缺陷所画出的曲线图叫AVG曲线,亦称为DGS曲线.2探伤人员锻件探伤应由具有一定基础知识和锻件探伤经验,并经考核取得国家认可的资格证书者担任. 3探伤器材3.1 探伤仪3.1.1 应采用A型脉冲反射式超声波探伤仪,其频响范围至少应在1MHz~5Mhz内.3.1.2 仪器应至少在满刻度的75%范围内呈线性显示(误差在5%以内),垂直线性误差应不大于5%.3.1.3 仪器和探头的组合灵敏度:在达到所探工件最大程处的探伤灵敏度时,有效灵敏度余量至少为10dB.3.1.4 衰减器的精度和范围,仪器的水平线性、动态范围等均应队伍ZBY230-84《A型脉冲反射式超声波探伤仪通用技术条件》中的有关规定.3.2 探头3.2.1 探头的公称频率主要为2.5Mhz,频率误差为±10%.3.2.2 主要采用晶片尺寸为Φ20mm的硬保护膜直探头.3.2.3 必要时也可采用2MHzs或25MHz,以及晶片尺寸不大于Φ28mm探头.3.2.4 探头主声束应无双峰,无偏斜.3.3 耦合剂可采用机油、甘油等透声性能好,且不损害工件的液体.4探伤时机及准备工作4.1 探伤时机探伤原则上应安排在最终热处理后,在槽、孔、台级等加工前,比较简单的几何形状下进行.热处理后锻件形状若不适于超声波探伤也可在热处理前进行.但在热处理后,仍应对锻件尽可能完全进行探伤.4.2 准备工作4.2.1 探伤面的光洁度不应低一地5,且表面平整均匀,并与反射面平等,圆柱形锻件其端面应与轴线相垂直,以便于轴向探伤.方形锻件的面应加工平整,相邻的端面应垂直.4.2.2 探伤表面应无划伤以及油垢和油潜心物等附着物.4.2.3 锻件的几何形状及表面检查均合格后,方可进行探伤.4.3 重要区锻件的重要区应在设计图样中或按JB 755-85《压力容器锻件技术条件》予以注明.5探伤方法锻件一般应进行纵波探伤,对简形锻件还应进行横波探伤,但扫查部位和验收标准应由供需双方商定.5.1 横波探伤横波探伤应按附录B的要求进行.5.2 纵波探伤5.2.1 扫查方法5.2.1.1 锻件原则上应从两相互垂直的方向进行探伤,尽可能地探测到锻件的全体积,主要探测方向如图2所示,其他形状的锻件也可参照执行.5.2.1.2 扫查范围:应对锻件整个表面进行连续全面扫查.5.2.1.3 扫查速度:探头移动速度不超过150mm/s.5.2.1.4 扫查复盖应为探头直径的15%以上.5.2.1.5 当锻件探测厚度大于400mm时,应从相对两端面探伤.5.2.2 探伤灵敏度的校验5.2.2.1 原则上利用大平底采用计算法确定探伤灵敏度,对由于几何形状所限,以及缺陷在近场区内的工件,可采用试块法(见附录A).5.2.2.2 用底波法校正灵敏度,校正点的位置应选以工件上无缺陷的完好区域.5.2.2.3 曲面补偿:对于探测面是曲面而又无法采用底波法的工件,应采用曲率与工件相同或相近(0.7-1.1倍)的参考试块(见附录A);或者采用小直径晶片的探头,使其近场区的长度小于等于1/4工件半径,这样可不需进行曲面补偿.5.2.2.4 探伤灵敏度不得低于Φ2mm当量直径.5.2.3 缺陷当量的确定5.2.3.1 采用A VG曲线及计算法确定缺陷当量.5.2.3.2 计算缺陷当量时,当材质衰减系数超过4dB/m时,应考虑修正.5.2.3.3 材质衰减系数的测定a. 应在被测工件无缺陷区域,选取三处有代表性的闰,求B1/B2的值,即第一次底波高度(B1)与第二次底波高度(B2)之比的dB差值.b. 衰减系数a(dB/m)的计算为式中T----声程,m.5.2.3.4 A VG曲线图见附录C.5.3 灵敏度的重新校验5.3.1 除每次探伤前应校准灵敏度外,遇有下述情况时,必须对探伤灵敏度进行重新校准.a. 校正后的探头、耦合剂和仪器调节旋钮等发生任何改变时;b. 开路电压波动或操作者怀疑灵敏度有变动时;c. 连续工作4以上;d. 工作结束时.5.3.2 当增益电平降低2dB以上时,应对上一次校准以来所有检查锻件进行复探;当增益电平升高2dB以上时,应对所有的记录信号进行重新评定.6记录6.1 记录当量直径超过Φ4mm的单个缺陷的波幅的位置.6.2 密集性缺陷:记录密集性缺陷中最大当量缺陷的位置和分布.6.2.1 饼形锻件应记录大于等于Φ4mm当量直径的缺陷密集区.6.2.2 其他锻件应记录大于等于Φ3mm当密集区.6.2.3 缺陷密集区面积以50mm×50mm的方块作为最小量度单位,其边界可由半波高并法决定.6.3 应按表2要求记底波降低量6.4 衰减系数,若供需双方有规定时,应记录衰减系数.7等级分类7.1 单个缺陷反射的等级见表1.表1 单个缺陷反射的等级等级ⅠⅡⅢⅣⅤ缺陷当量直径≤Φ4 >Φ4+(>5~8dB)Φ4+(>8~12dB)Φ4+(>12~16dB)>Φ4+16dB)7.2 底波降低量的等级见表2.表2 由缺陷引起底波防低量的等级等级ⅠⅡⅢⅣⅤ底波降低量BG/BF ≤8 >8~14 >14~20 >20~26 >26注: ①在计算缺陷引起的底面反射降低量时,应扣除4dB/m的材质衰减.②表2仅适用于声程大于一倍近场区的缺陷.7.3 密集区缺陷等级见表3.表3 密集区缺陷引起的等级等级ⅠⅡⅢⅣⅤ密集区缺陷占探伤总面积百分比H 0 >0~5% >5~10% >10~20% >20%注:表1至表3的等级应作为独立的等级分别使用.7.4 如果工件的材质衰减对探伤效果有较大的影响时,应重新进行热处理.7.5 按7.1、7.2、7.3节认定级别的缺陷,如果被探伤人员判定为危害性缺陷时,可以不受上述条文的限制.8探伤报告探伤报告不应少于以下内容.8.1 工件情况工件名称、材料牌号、编号、材质衰减、主要部位尺寸草图、探伤面的光洁度.8.2 探伤条件探伤仪型号、探头频率、晶片尺寸(k值)、探测方向、探伤灵敏度、参考反射体、耦合剂等.8.3 探伤结果8.3.1 缺陷位置、缺陷当量直径、底波降低区及缺陷分布示意图.8.3.2 缺陷等级及其他.8.4 探伤人员的资格证号、等级、姓名、报告签发人的资格证号、等级、姓名、日期.附录A试块要求(补充件)A.1 远场区使用,探测表面为平面时,应采用CS2型标准试块.A.2 近场区使用,探测表面为平面时,应采用CS1型标准试块.A.3 探伤面是曲面时,原则上应采用与工件具有大致相当曲率半径的对比试块,其具体形状如图A1.附录B横波探伤(补充件)B.1 横波探伤仅适用于内外径之比大于等于75%的环形和筒形锻件.B.2 探头B.2.1 探头公称频率主要为2.5MHz,也可用2MHz.B.2.2 探头晶片面积为140-400mm2.B.2.3 原则上应采用K1探头,但根据工件几何形状的不同,也可采用其他的K值探头.B.3 参考反射体B.3.1为了调整探伤灵敏度,利用被探工件壁厚或长度上的加工余部份制作对比试块,在锻件的内外表面,分别沿轴向和周向加工平行的V形槽作为标准沟槽.V形槽长度为25mm,深度为锻件壁厚的1%,角度为60°.也可用其他等效的反射体(如边角反射等).B.4 探伤方法B.4.1 扫查方法B.4.1.1 扫查方向见图B1.B.4.1.2 探头移动速度不应超过150mm/s.B.4.1.3 扫查复盖应为探头宽度的15%以上.B.4.2 灵敏度检验从锻件外圆面将探头对准内圆面的标准沟槽,调整增益,使最大反射高度为满幅的80%,将该值在面板上作一点,以其为探伤灵敏度;再移动探头探外圆面的标准沟槽,并将最大反射高度亦在面板上作一点,将以上二点用直线连接并延长,使之包括全部探伤范围,绘出距离---振幅曲线.内圆面探伤时以同一顺序进行,但探头斜楔应与内圆面曲率一致.B.5 记录记录超---振幅曲线一半的缺陷反射和缺陷检出位置.附录CA VG 曲线图(参考件)C.1 A VG曲线参考图例如下:C.2 A VG曲线图必须在CS1和CS2型标准试块上测定后绘制.文章链接:中国化工仪器网/Tech_news/Detail/110051.html。