高厂变、主变、启备变、脱硫变投停概要
- 格式:ppt
- 大小:264.50 KB
- 文档页数:40
1主变、高厂变、高公变及#1启备变1.1设备概况1.1.1每台机组均设一台主变,在发电机出口分别接一台高厂变、一台高公变,带6KV厂用及公用负荷。
同时设一台#1启备变,作为两台机组6KV段的备用电源。
主变由常州东芝变压器厂提供,高厂变、高公变均为无载调压变压器,#1启备变为有载调压变压器,均由特变电工衡阳变压器厂提供。
1.2设备规范1.2.1变压器技术参数表1变压器技术参数1.2.2变压器套管CT技术参数表2变压器套管CT技术参数1.2.3变压器分接开关技术参数表3变压器分接开关技术参数1.2.4.1主变冷却器a)共配置7组冷却器,每组冷却器配置3台冷却风扇和1台潜油泵。
b)冷却装置采用低噪声的风扇和低转速的油泵,有过载、短路和断相保护。
c)冷却装置进出油管装有蝶阀,潜油泵进出口油管装有蝶阀。
d)控制箱采用两路独立电源供电,两路电源可任选一路“工作”或“备用”。
工作电源断相或失压时能自动切换至备用电源。
e)每组冷却器通过切换开关可运行在“工作”、“辅助A1”、“辅助A2”、“备用”、“停止”状态。
工作或辅助冷却器出现故障时,备用冷却器能自动投入运行。
辅助A1,冷却器按变压器线圈温度大于55℃或负荷大于75%自动启动,小于45℃停止。
辅助A2,冷却器按变压器线圈温度大于65℃或负荷大于85%自动启动,小于55℃停止。
.f)冷却器全停延时1min报警。
冷却器全停延时30min后若顶层油温高于75℃则变压器跳闸。
否则,冷却器全停延时60min变压器跳闸。
g)冷却器熔断器用途说明如下:FU1、FU2动力电源A监视继电器回路。
FU3、FU4动力电源B监视继电器回路。
F1动力电源A交流接触器回路。
F2动力电源B交流接触器回路。
F3辅助/备用自动回路。
F4故障信号指示灯回路。
F5、F6110V直流控制回路。
F7、F8110V直流信号回路。
QA加热器回路。
各组冷却器动力箱FC1~FC7各组冷却器接触器回路。
h)当投入备用电源、备用冷却装置,冷却器跳闸、潜油泵发生故障时,均发出信号。
一、概述:聊城发电厂一期工程主变、启备变、高厂变为沈阳变压器厂产品,其中每台机组三台主变,外形尺寸长×宽×高=6.20m×3.2m×4.5m,运输重156t。
两台启备变,外形尺寸长×宽×高=5.52m×2.8m×3.8m,运输重96.8t。
每台机二台高厂变,外形尺寸长×宽×高=4.36m ×2.1m×3.5m,运输重43t。
变压器将由铁路专用线运至聊城工地,进入锅炉专用线南端。
二、施工方案:变压器到货由火车运至锅炉专用线时,两台高厂变由锅炉线60t龙门吊卸车,装至50t 汽车拖盘上,运至就位现场,由俄63t履带吊18m主臂工况将其吊装就位,主变及启备变将由CC1000履带吊卸车,吊运至其就位位置,落下就位或放置在轨道上拖拉就位。
三、措施编制依据:3.1 厂家提供的变压器运输图;3.2 CC1000履带吊及63t履带吊性能表;3.3 聊城工地现场情况;3.4 安全工作规程;3.5 机械化公司机械施工能力。
四、准备工作:4.1 技术准备:4.1.1 施工前进行安全技术交底学习;4.1.2 标明变压器就位方向(电气工程处负责)。
4.2 机械工器具准备:4.2.1 CC1000履带吊,18m主臂工况,200t钩,穿满绳;4.2.2 俄63t履带吊一部,18m主臂工况;4.2.3 60t/42m龙门吊一部;4.2.4 50t汽车拖车一部;4.2.5 20t滑车组,32t滑车组各两套;4.2.6 Φ52、L=17m,Φ65、L=18m绳扣各一对4.2.7 装载机(ZL50B)一部,叉车(5t)一部;4.2.8 拖排两副、Φ108×14、L=2m滚杠40条;4.2.9 其它绳扣、道木、路基板等。
4.3.1 卸车场地:锅炉专用线南端东侧清理出宽15m的场地以供卸车及存放设备用,要求地面平整坚实,无障碍物。
一、目的检验变压器及其主要附件、绝缘油在运输、存放及安装吊检过程中是否受到损伤,安装后质量是否符合技术标准要求,保证投入运行时设备安全、可靠。
二、编写依据1、GB 50150-91《电气装置安装工程电气设备交接试验标准》2、DL 5009-1-92《电力建设安全工作规程》(火力发电厂部分)3、厂家安装使用说明书及出厂报告。
三、调试范围聊城电厂新厂高厂变4台、主变7台、启/备变2台。
四、调试应具备条件1、试验时环境温度不低于5℃,空气相对湿度不高于80%。
2、试验所需仪器仪表配置齐全、合格。
3、参加调试人员熟练掌握试验方法,熟悉变压器结构、性能及相关的技术标准。
五、调试顺序与技术要求及标准(一)、吊检前的试验(二)、吊检时试验(三)安装完毕后的试验调试应具备的条件:①变压器本体及附件安装完毕,且已注入符合厂家要求数量的,经化验合格的#25绝缘油。
②变压器套管及其附件表面应干净、无油污、无灰尘。
③安装完毕,试验前变压器油须静置时间:高厂变为24小时以上,主变、启/备变为48小时以上。
六、附表:1、油浸式变压器绝缘电阻的温度换算系数注:①K为实测温度减去20℃的绝对值;②当测量绝缘值电阻的温度差不是表中所列数值时其换算系数A可用线性插入法确定。
2、tgδ(%)温度换算系数注:①K为实油温度减20℃的绝对值。
②当测量绝缘电阻的温度差不是表中所列数值时,其换算系数A可用线性插入法确定。
3、油浸电力变压器绕组直流试验电压标准及直流泄漏电流参考值七、附图:1、交流工频耐压试验接线图:K-电源开关 RD-熔断器 TY-调压器 R1、R2-限流电阻 LJ-过流继电器 K1-短路开关Bs-试验变压器 G-保护间隙 C1、C2-分压器电容 Cx-被试绕组电容2、介质损耗试验接线图:(1)反接线(2)正接线FKGS-介质损耗测试仪 CX-被试品电容3直流高压发生器输出电压Cx八、安全注意事项1、进入工作现场必须戴安全帽,进行高空作业应扎好安全带。
火电厂专业基础知识一、电厂专业术语:1、发电机功率:是指发电机每小时连续发电量;常用MW /h表示,1MW/h =万kw/h,330MW/h =33万kw/h;2、锅炉容量:是指锅炉每小时连续蒸发量;常用吨表示,我厂锅炉蒸发量1020吨/小时;锅炉HG-1020/3、厂用电率:发电厂直接用于发电生产过程的自用电量占发电量的百分比;厂用电率=辅机消耗的电量/发电机发电量;4、机组补水率:是指机组每小时补水量除盐水与锅炉蒸汽流量之比;5、发电水耗:是指每发一度电所消耗的水量;冷却塔补水量多少,单位Kg/kW;6、供电标准煤耗:是指向网上供1度电所消耗的标准煤的数量;供电标准煤耗=上网电量/所消耗的标准煤;单位g/kwh;7、发电厂总效率:发电厂发出电能与所消耗总能量之比;300MW机组总效率在38%左右;发电厂总效率=锅炉效率×汽机效率×发电机效率;二、鄂尔多斯电力有限责任公司1至4机简介:鄂尔多斯电力有限责任公司1至4号机组为4×330MW凝汽式燃煤汽轮发电机组,发电机出口额定电压20KV,1、2机组分别经1、2主变升压为220KV送至鄂绒总降变220KV母线,3、4机组分别经3、4主变升压为220kV 送至棋盘井变电站220KV母线;四台机组共装设2台启备变,1启备变作为1、2机组的启动备用电源,2启备变作为3、4机组的启动备用电源,启备变电源取自鄂绒总降变220KV母线, 1、2启备变共用一个断路器,分别通过一组分支隔离开关引至1、2启备变;鄂尔多斯电力有限责任公司1至4号发电机为北京重型电机厂引进法国阿尔斯通技术生产的QFSN330-2型汽轮发电机组,主要包括发电机、主变、高厂变、励磁变、脱硫变和短线路,发电机定子绕组共有54槽,静止机端并励,有刷励磁方式,定子采用双星形接线,发电机出口电压为20kV,定子引出线与主变压器、厂用变压器、脱硫变压器、励磁变压器及电压互感器采用封闭母线相连,封闭母线采用微正压装置充入干燥空气有效的防止绝缘受潮和发电机出口短路,发电机中性点经干式变压器接地以减小接地电流;发电机定子线圈和引出线采用定子冷却水冷却,发电机转子线圈、定子铁芯及其它部件采用氢气冷却,采用成套引进的密封油系统,发电机配置有4组氢气冷却器;鄂尔多斯电力有限责任公司1至4号汽轮机为北京重型电机厂引进法国阿尔斯通技术生产的540/540型亚临界一次中间再热、单轴、三缸双排汽、凝汽式汽轮机;汽轮机采用高、中压汽缸分缸,通流部分对称布置,高、中压缸均采用双层缸;低压缸对称分流布置,在低压排汽口装有水雾化降温装置;高、中、低压转子均为整锻转子,高压转子由一个单列调节级和10个压力级组成,中压转子由12个压力级组,低压转子由2×5个压力级组成;鄂尔多斯电力有限责任公司1至4号锅炉HG-1020/为亚临界参数,自然循环单炉膛,一次中间再热,平衡通风,四角喷燃,紧身封闭,固态排渣,全钢架悬吊结构汽包炉,燃用烟煤;锅炉整体呈“π”型布置;三、火电厂生产流程:火力发电厂的原料就是原煤;原煤一般用火车运或汽车送到发电厂的储煤场,在用输煤皮带输送到原煤仓;原煤从原煤仓落下由给煤机送入磨煤机磨成煤粉,并同时送入热空气来干燥和输送煤粉;形成的煤粉空气混合物经分离器分离后,合格的煤粉经过排粉机送入输粉管,通过燃烧器喷入锅炉的炉膛中燃烧;燃料燃烧所需要的热空气由送风机送入锅炉的空预器中加热,预热后的热空气经过风道一部分送入磨煤机作干燥以及输送粉之外,另一部分直接引至燃烧器进入炉膛作为助燃之用,燃烧生成的高温烟气,在引风机的作用下先沿着锅炉的倒“U”形烟道一依次流过炉膛,水冷壁管,过热器,省煤器,空气预热器,同时逐入将烟气的热能传给工质以及空气,自身变成低温烟气,经除尘器净化后的烟气由引风机抽出,经脱硫后经烟囱拍入大气;煤燃烧后生成的灰渣,其中大的灰子会因自重从气流中分离出来,沉降到炉膛底部的冷灰斗中形成固态渣,最后由捞渣机排入渣仓,由汽车外运;大量细小的灰粒飞灰则随烟气带走,经电除尘器分离后,送到干灰系统外运;锅炉给水先进入省煤器预热到接近饱和温度,后经蒸发器受热面加热为饱和蒸汽,再经过热器被加热为过热蒸汽,此蒸汽又称为主蒸汽;主蒸汽又经过主蒸汽管道进入汽轮机高压缸膨胀做功,高压缸做完功蒸汽再次引入锅炉再热器再次加热,加热后的再热蒸汽加热汽轮机中压缸做功,从而带动发电机发电;从汽轮机排出的乏汽排入凝汽器,被凝结冷却成水,通过凝结水泵送出经化学处理后,再经低压加热器,除氧器,高压加热器进行加热、除氧,最后由给水泵送到锅炉,从而使工质完成一个热力循环;电厂主要设备可分为以下几个重要部分;一、锅炉火电厂中锅炉设备的主要任务就是通过燃烧,把燃料的化学能转化成热能,锅炉的产品就是高温高压蒸汽,在锅炉机组中的能力转换主要包括三个过程:燃料的燃烧过程,传热过程和水的汽化过程;燃料和空气中的氧气在燃烧室中混合,氧化燃烧,生成高温烟气,这个过程就是燃烧过程;高温烟气通过锅炉的各个受热面传热,将热能传给锅炉的工质——水;水吸热后汽化变成饱和蒸汽,饱和蒸汽进一步吸热变成高温过热蒸汽,这就是传热和水的汽化过程;二、汽轮机汽轮机是把工质的热能转变成机械能的设备,由锅炉的过热器出来的主蒸汽经过主蒸汽管道进入汽轮机膨胀作功,冲转汽轮机,从而带动发电机发电;汽轮机还分成高压缸、中压缸、低压缸,高压缸做过功的蒸汽引致锅炉再热器再经过加热加压后送至中压缸,这个过程又称中间再热,中压缸做过功的蒸汽排至低压缸继续做功,低压缸的排汽又称作乏汽排入凝汽器凝结成水,此凝结水称为主凝结水,主凝结水通过凝结水泵排出,再经过加热和除氧,由给水泵打出经过高压加热器加热送入锅炉,从而使工质完成一个热力循环;汽轮机又分成许多做功单元—级,从中间级抽出部分蒸汽分别引致各级加热器,除氧器加热给水除氧,提高给水温度,从而提高循环效率;三、发电机发电机是将机械能转化为电能的设备,主要由定子、转子、机座、端盖、轴承等部件组成;定子和转子的主要部件是铁芯和绕组;发电机转子和汽轮机转子刚性连接,转子绕组在运行时被输入励磁电流,用以建立磁场,这个原理和电磁铁是一样的,励磁电流通常由专用的励磁发电机或励磁变压器提供,这样在汽轮机带动发电机转子高速旋转时,便在定子铁芯中建立3000转/分频率50赫兹的旋转磁场,处在定子铁芯槽内的定子绕组做切割磁力线运动,产生电流,从而将机械能转化为电能,在相同的电能功率条件下,电压越高,电流越小,这样在远距离输送时损耗也越小,因此,发电机发出的电能大部分经过主变压器升压220KV、500KV后送至电网,少部分通过厂用变压器转化为厂内生产所必须的电能;四、火电厂三大主要设备及组成:1、锅炉部分:锅炉包括锅和炉两部分及辅机系统,炉包括:炉膛、空预器、燃烧器;锅包括:水冷壁、汽包、过热器、再热器、省煤器;锅炉系统包括:制粉系统、风烟系统、给水系统、过热蒸汽系统、再热蒸汽系统、除渣系统、除灰系统; 2、汽机部分:汽机部分包括静止部分和转动部分,静止部分包括:汽缸、隔板、喷嘴、轴承和轴封;转动部分包括叶轮、轴、叶片;汽机系统包括:凝结水系统、低加系统、高加系统、轴封系统、循环水系统、润滑油系统、真空系统、密封油系统、EH油系统、旁路系统;3、发电机部分:发电机通常由、、..机座及等部件构成;定子由机座.定子铁芯、线包、以及固定这些部分的其他组成;转子由转子铁芯、转子磁极有磁扼.磁极绕组、滑环、又称铜环.集电环、风扇及转轴等部件组成;五、辅网部分:1、输煤系统:汽车卸煤沟→1皮带→1转运站→2皮带→2转运站→3皮带→3转运站→4皮带→梳式筛→碎煤机→4转运站→除木器→5皮带→除铁器→6皮带→7皮带→煤仓;2、水化系统:万吨水池生水→生水加热器→3套盘式过滤器→6套超滤→超滤水箱→超滤水泵→3套反渗透→淡水箱→淡水泵→一级混床→二级混床→除盐水箱→除盐水泵→百吨水箱→凝汽器;3、脱硫系统:引风机出口→增压风机→GGH→吸收塔→GGH→烟囱→大气;4、除灰系统:炉底大渣→刮板捞渣机→碎渣机→渣沟→前池→除渣水泵→灰渣分配箱→高效浓缩机→渣→汽车→灰场;高效浓缩机→水→清水箱→除灰水泵→渣沟;空预器出口烟气→电除尘灰→气力输灰→灰库→汽车→灰场;六、变电站部分:装订线七、机组整体启动:厂用倒送→公用母线送电→工作段送电→工业水泵启动→空压机启动→化水系统制水→输煤系统上煤→冷却塔补水→第一台循环水泵启动→高压工业水泵启动→汽机润滑油投入→发电机密封油投入→发电机氢气置换→汽机盘车启动→100吨水箱补水→凝汽器补水→凝泵启动上水→定冷水投入→除氧器投加热→第一台电泵启动锅炉上水→空预器启动→锅炉风烟系统启动→捞渣机启动→锅炉点火及第一台磨煤机启动→汽机抽真空→汽机冲转→高低加投入→汽机3000转→发电机并网→负荷30MW时汽机切缸→第二台磨煤机启动→负荷66MW时汽机疏水关闭→厂用切换→除氧器汽源切换→第二台电泵启动→第二台循泵启动→第三台磨煤机启动→汽机轴封切换→机组负荷200MW时油枪撤出→除尘投入→脱硫投入→第四台磨煤机启动→机组负荷加满→启动结束;八、煤质变化对机组运行的影响一、煤发热量变化对机组负荷、厂用电率及灰分的影响:在总煤量保持在165吨/小时,煤的发热量发生变化时机组负荷相应也会发生变化,根据反平衡推算出煤的热值发生变化与机组负荷变化、厂用电率变化及煤中灰1、如果煤的发热量由4500大卡/千克下降到4000大卡/千克,一台机组电量每小时损失万度电,一天损失万度电,一个月损失万度电,一年损失亿度电;四台机全年损失亿度电;2、如果煤的发热量由4500大卡/千克下降到3800大卡/千克,一台机组电量每小时损失万度电,一天损失万度电,一个月损失3700万度电,一年损失亿度电;四台机全年损失18亿度电;3、如果煤的发热量由4500大卡/千克下降到4000大卡/千克,厂用电率由%升高到%,每台机一小时多耗厂用电1122度电,一天多耗厂用电万度电,一个月多耗厂用电万度电,一年多耗厂用电万度电;四台机全年多耗厂用电万度电;4、如果煤的发热量由4500大卡/千克下降到3800大卡/千克,厂用电率由%升高到%,每台机一小时多耗厂用电1551度电,一天多耗厂用电万度电,一个月多耗厂用电万度电,一年多耗厂用电万度电;四台机全年多耗厂用电万度电;5、如果煤的发热量由4500大卡/千克下降到4000大卡/千克,煤中的灰分由%升高到%,每台机每小时多产生吨灰和吨的渣,每天多产生吨灰和吨渣,每年多产生万吨灰和吨渣;6、如果煤的发热量由4500大卡/千克下降到3800大卡/千克,煤中的灰分由%升高到%,每台机每小时多产生吨灰和吨的渣,每天多产生吨灰和吨渣,每年多产生万吨灰和万吨渣;二、煤质变差对制粉系统的影响1、造成制粉电耗增加,致使机组的综合厂用电率大幅度提高,给节能降耗带来很大的困难;2、磨煤机研磨部件磨损严重,设备的寿命大大缩短,设备的可靠性降低,检修频繁,不仅加大了检修工作量,而且严重时影响机组带负荷;3、增加了检修人员和拉渣人员的工作量;三、煤质变差对除灰渣系统的影响1、锅炉燃烧劣质煤时,产生大量的灰渣,造成渣沟频繁堵塞;为确保渣沟的畅通不得不启动两台冲灰水泵和两台灰渣泵运行,导致机组的综合厂用电率大幅度提高;同时,刮板捞渣机磨损严重,频繁出现故障,故障严重时还需机组降负荷消缺,直接影响电量;2、锅炉燃烧劣质煤,电除除尘负担加重、输灰困难、输灰管路磨损严重,造成灰库容量明显不足,卸灰和拉灰工作量明显增加;3、增加了卸灰人员和检修人员的工作量;四、对锅炉汽温的影响1、锅炉煤质变差时,一方面锅炉吸送风机出力增加,机组的综合厂用电率大幅度提高;另一方面炉膛火焰中心上移,造成汽温调整困难,锅炉吹灰次数增加,机组的经济性降低;2、锅炉煤质变差时,机组总煤量增加,严重时机组负荷带不够,不能满足外界用户的需要;3、锅炉煤质变差时,锅炉送风量增加造成烟气量增加,低过金属壁温超温,为抑制低过壁温,机组主再热汽温不能维持在额定值运行,严重影响到机组的经济性;五、对锅炉受热面的影响1、锅炉燃烧劣质煤时,加速对水冷壁、过热器、再热器、省煤器受热面的磨损,设备的使用寿命大大缩短,严重时锅炉受热面频繁泄漏,机组不得不停运检修,检修工作量大大增加;2、锅炉燃烧劣质煤时造成烟气通道磨损严重,空预器支撑部件磨损严重,随着时间的增加而加剧,严重时空预器支撑部件磨穿坍塌,后果不堪设想;3、锅炉燃烧劣质煤时对引风机部件的磨损也显而易见,鄂电4台炉同样都存在因磨损严重而影响机组带负荷的不安全现象;六、其它影响煤中灰份是动力用煤中无用成分,灰份每增加1%,发热量将降低约kg,而煤中灰份硬度较大,是煤中有机物质的两倍,因此,对输煤设备及磨煤机造成冲刷和磨损,使设备提前进入剧烈磨损阶段,增加检修费用和发电成本;同样,煤中水份和硫份也是动力用煤中的无用成分,水份的上升会导致磨煤机出口温度降低,制粉困难,对输煤设备容易造成因下煤不畅而堵煤,对设备造成潜在的事故隐患;煤中硫的含量会对输煤设备及磨煤机造成严重腐蚀,增加检修费用,同样,对环境污染较大,增加人员职业病发病率;总之煤质变差及煤中水分大对机组负荷和电厂设备的影响是百害而无一利;附件:1、锅炉引风机导向叶轮磨损照片2、燃烧器磨损照片3、2炉A空预器内部磨损照片2张4、水冷壁磨损泄漏照片。
2.主变、启/备变和高、低压厂变技术规范:2.1发电机、变压器禁止启动项目:发生下列情况之一者,禁止启动:1)发电机、主变压器等主要设备有严重缺陷;2)发电机、变压器等一次设备回路绝缘不符合标准;3)发变组主保护不能投入;4)发电机、主变压器等主要参数不能显示;5)发电机一次水水质不合格;6)主变压器、高压厂用变压器油质不合格;7)发电机氢气纯度不合格。
3.2.3.41 机组负荷达200MW,厂用电切至本机带2.2负荷大于250MW启动低加疏水泵,投入AVC,视机组情况投入其它制粉系统2.3电气设备启动前的检查及准备2.4验收新装或检修后的发电机下列项目应合格:1)发电机定、转子回路绝缘;2)气密性试验;3)氢气系统;4)一次水系统。
2.5 厂用电系统的检查与投运1)确认直流系统、UPS系统运行正常,电压在正常值。
2)厂用电系统。
a)确认#11、#12启/备变运行正常,无报警信号。
b)厂用6KV、循环水泵房6KV、公用6KV母线电压正常。
c)确认各厂用变压器运行正常,各低压段、MCC运行正常,电压在正常值。
2.6氢气系统的投入和运行1)发电机充氢前的检查和准备:a)汽轮发电机处于静止或盘车状态。
b)有关表计和报警装置经校验合格,控制电源投入。
c)发电机已全部封闭,气密性实验合格。
d)确认密封油系统具备投运条件。
e)通知氢站,准备足够的氢气、二氧化碳气体。
f)确认氢气、二氧化碳气体纯度合格。
2)氢置换前应将动火票收回,机房天车停电,进行置换充氢工作,应办理工作票。
3)氢纯度表的指示:位置1:H2在空气中含量(正常运行);位置2:H2在CO2中的含量(充排氢时监视);位置3:空气在CO2中含量(充排CO2时监视)。
4)发电机排氢门MKG19AA055的逻辑保护开条件:a)(MKG18CP004)事故排氢或(MKG18CP004)氢置换在进行中。
b)发电机壳内压力大于20Kpa。
自动关条件:a)或b)a)MKG18CP004)发电机壳内气体压力小于最小值。
目录一、编制依据 (3)二、工程概况 (3)三、主要工程量 (3)四、作业条件 (3)五、主要施工工序 (5)六、QA检查单 (8)七、安全、文明施工及环境管理 (8)八、施工安全风险与文明施工预测控制计划表 (9)九、绿色施工措施 (12)十、应急保障措施 (12)一、编制依据《工程建设施工企业质量管理规范》 GB/T50430-2007;《电力建设安全工作规程》(火力发电厂) DL5009.1—2014;《工程建设标准强制性条文》(电力工程部分) ;《电气装置安装工程电力变压器、油浸电抗器、互感器施工及验收规范》GB 50148-2010;《建筑电气工程施工质量验收规范》GB 50303-2015;《电气装置安装工程高压电器施工及验收规范》GB 50147-2010;《电力建设安全健康与环境管理工作规定》国电电源[2002]49号河南省电力勘测设计院工程设计图纸资料及相关说明;湖北省建设有限公司******2×100MW燃煤发电工程《施工组织总设计》;部分设备厂家技术资料;二、工程概况根据现场施工安排,******2×1000MW新建工程1#机组工程,主变、启备变和高厂变由拖车运输到施工现场,然后安全卸车、准确就位,由变压器技术协议提供数据,根据现场实际情况,主变、启备变和高厂变采用400t履带呆直接卸车就位。
三、主要工程量3.1主变、启备变和高厂变采用履带吊直接吊装就位。
四、作业条件4.1项目开工前的准备:4.1.1施工人员熟悉作业流程及安全措施,并接受详细的安全技术交底。
4.1.2运输拖车行走和卸车位置地面坚实、平整。
4.1.3变压器安装方向、中心线已明确。
4.1.4变压器基础已清理干净。
4.1.5 拖车行走路线回填并压实。
4.1.6所有施工人员、现场负责人、技术人员、安全员全部就位。
4.2主要材料准备4.2.1 卸车所用的工器具均已准备就绪。
4.2.2 卸车用的设备已准备好,并经检验合格。
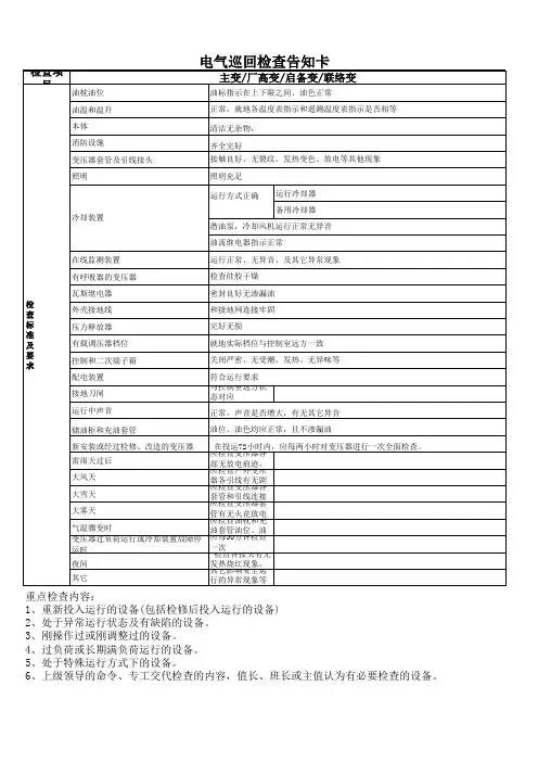
1.1 变压器1.1.1 变压器正常运行规定1.1.1.1 变压器绝缘电阻规定1.油浸式变压器在同样的温度下,所测量的阻值同前次比较不得低于50%。
R60/R15在变压器各侧未接线情况下其值≥1.3,当R60大于3000MΩ时,吸收比可不作考核要求。
在变压器各侧接线情况下,R60/R15值不作为变压器绝缘受潮的唯一依据。
2.主变高压侧绝缘电阻,高压侧有接线的情况下,仅记录测量数值即可。
3.干式变停运超过3天,加运前应测量变压器绝缘。
4.干式变压器阻值规定:(温度20℃~30℃,湿度≤90%)1)高压—低压、地使用2500V兆欧表,其值应≥300MΩ。
2)低压-地使用2500V兆欧表,其值应≥100MΩ。
3)其他比较潮湿的环境下,阻值会降低,但最低应满足2MΩ/kV。
1.1.1.2 变压器(电抗器)投入运行前的检查1.变压器投入运行前应收回并终结有关检修工作票,拆除有关接地、短接线和临时安全措施,恢复常设围栏和标示牌.2.变压器绝缘电阻测量合格,如有异常立即汇报处理。
3.变压器一、二次回路完整,接线无松动、脱落。
4.变压器大修后试验参数合格,传动试验正常,具备加运条件。
5.变压器各油位计指示正常,油枕及油套管的油色透明,硅胶颜色呈蓝色,呼吸器等附件无异常。
6.变压器本体、套管、引出线、绝缘子、冷却器外观清洁无损伤,各部无渗、漏油现象,变压器顶部、现场清洁无杂物.7.冷却器控制回路无异常,油泵、风扇经试验启、停正常,控制箱内无杂物,电加热器正常,各操作开关在运行要求位置,备用电源自投试验正常。
8.变压器各温度计接线完整,核对就地温度计指示与CRT上数值相同。
9.有载调压变压器电压调整分接头在运行规定位置,且远方、就地指示一致。
10.变压器各套管无裂纹,充油套管油位指示正常。
11.油枕与油箱的连通阀门打开,冷却器各油泵进出油阀门及散热器油阀门应全部打开,瓦斯继电器内充满油,无气体。
12.变压器外壳接地,铁芯接地(若引出的话)及中性点接地装置完好,符合运行条件。
“两票、三制”管理规定一、“两票、三制”的内容:两票:工作票,操作票三制:交接班制、巡回检查制、设备定期试验轮换制二、两票的执行按厂部下发的管理规定执行三、交接班管理规定3.1 为确保发电设备连续安全经济运行,防止在交接班过程中由于疏忽大意造成事故,运行人员必须认真进行交接。
3.2 运行值班人员必须按厂部标准的值班方式进行值班,未经运行副总工程师批准不得变更。
3.3 值班人员不得连续值班。
3.4 单元长应对交接班工作负全面责任。
3.5 在事故处理、大型操作及重大设备试验中,不得进行交接班。
3.6 不得向喝酒或患有严重疾病的人员交接班,并将情况汇报单元长或值长。
3.7 交接班过程中发生争议,不能合理解决,应向部汇报,不得强行交接班。
3.8 交接前30分钟交班人员应做好本岗位的文明生产和各项记录交待工作。
不符合要求不得交接班。
3.9 交班人员应主动向接班人员交待本岗位所辖设备的运行情况,检修情况及存在的问题,交待公用物品和消防器材的使用情况,对接班人员提出的问题给予详细解答。
3.10 由于交班人员交待不清或交待错误而发生故障,交班人员负有责任。
3.11 交班前30分钟内一般不得进行大型操作或办理工作票。
3.12 接班人员应在接班前30分钟进入现场,并规定,对所辖设备进行全面检查,查阅各种记录,并检查检修设备及安全措施情况,对设备系统的运行方式、设备缺陷做到心中有数,如与实际不符,应向交班人员查询清楚并要求其做好记录。
3.13 接班人员在接班前10分钟到指定地点参加班前会,向主值详细汇报本岗位的生产情况,班长根据各岗位情况布置工作任务、工作重点及注意事项。
并进行危险点分析。
3.14 接班人员在接班前检查中,发现设备运行不正常,应向交班人员提出,若因维护不当引起设备运行异常,交班人员应进行处理,直到机组运行正常方可接班。
3.15 接班人员未到岗,交班人员应汇报单元长或值长,并继续值班,直到接班人员到岗,方可正式交接,但时间不能超过60分钟。
三、变压器(升压变、启备变、厂高变)
主变变压器参数表
表三变电站名称主变压器变号
型式三相强迫导向油循环
风冷(ODAF)双线圈
铜绕组无励磁调压户
外式电力变压器。
调压方式无载调压
容量比容量
电压比相数
额定电流投入日期
接线制造厂家
短路电压(高中)零序实测短路电压(高低)高加压中开路(Ω)
短路电压(中低)高加压中短路(Ω)
铜损(高中)(kW)中加压高开路(Ω)
铜损(高低)(kW)中加压高短路(Ω)
铜损(中低)(kW)零序实测(高)
铁损(kW)零序实测(中)
空载电流零序实测(低)
无功损耗
备注
系统计算采用之值
具名值()标么值()高压电抗
中压电抗
低压电抗
记录校核。
编辑目的:关于火电厂的一些知识与同事分享,下面的内容全部是根据我自己的喜好在网上查阅相关资料编辑的。
如果大家比较有兴趣,可自行查阅资料。
1.关于启动/备用变压器火电厂的电力系统简图如下图所示其中WB1、WB2是220kV的高压母线,T1是主变压器,简称主变;T2是厂用高压变压器,简称厂高变;T3是启动、停止、备用变压器,简称启/备变。
最上方的WB是发电厂的最终输出的高压电,而右下方的6kV则是厂用电(包括磨煤机一应设备)。
《火力发电厂厂用电技术规定DL/T5153-2002》(一下简称厂规)4.5.2条规定:“全厂应设置可靠的高压厂用备用或启动/备用电源。
……200MW及以上机组的高压厂用启动、备用变压器,主要作为机组启动或停机的电源,兼作厂用备用电源”。
容量为600MW的机组,当发电机出口不装设断路器或者负荷开关时,每两台机组应设1台或两台高压厂用启动/备用变压器……;当发电机出口装设断路器或负荷开关时,4台及记下机组可设置1台高压厂用启动/备用变压器,其容量可为1台高压厂用工作变压器的60%-100%。
当发电机组出口不装设断路器或负荷开关时,机组启动或停机的电源都要由启备变提供。
当发电机出口装设断路器或负荷开关时,机组启动和停机电源可由主变-高厂变提供,如果是主变-厂变回路故障引起的停机,则停机电源要由启备变提供。
启备变作为机组厂用备用电源,是在市区厂用电源时投入。
厂用电源的市区主要是由高厂变或封闭母线故障引起的,由于大机组高厂变电源是通过离相封闭母线从主变低压侧引接的,该回路不装设断路器,因此一旦故障,势必导致停机,这是投入备用电源也只是作为停机电源使用,并不能真正起到备用的作用。
只有在高厂变发生比较大的故障,短时间的维修不能使其恢复工作时,启备变才真正作为备用电源投入,保证机组的继续运行。
但这是如果另一台机组故障停机,将失去停机电源。
这种双重故障在理论上出现的几率非常小。
根据《2006 电力可靠性指标发布—电力可靠性趋势分析报告》统计,220kV以上的电压等级的变压器的主要可靠性指标对照表如下所以启/备变的用途是给机组提供启动、停止的电源和当做厂高变的备用变压器。